土钉墙支护计算说明书
- 格式:doc
- 大小:125.00 KB
- 文档页数:8
土钉墙支护计算书计算依据:1、《建筑基坑支护技术规程》JGJ120-20122、《建筑施工计算手册》江正荣编著3、《实用土木工程手册》第三版杨文渊编著4、《施工现场设施安全设计计算手册》谢建民编著5、《地基与基础》第三版土钉墙需要计算其土钉的抗拉承载力和土钉墙的整体稳定性。
一、参数信息1、基本参数放坡参数:K a1=tan2(45°- φ1/2)= tan2(45-18/2)=0.528;K a2=tan2(45°- φ2/2)= tan2(45-18/2)=0.528;K a3=tan2(45°- φ3/2)= tan2(45-12/2)=0.656;K a4=tan2(45°- φ4/2)= tan2(45-20/2)=0.49;第1层土:0-1.2m(+0)H1'=[∑γ0h0]/γi=[0]/20=0mP ak1上=γ1H1'K a1-2c1K a10.5=20×0×0.528-2×12×0.5280.5=-17.439kN/m2P ak1下=γ1(h1+H1')K a1-2c1K a10.5=20×(1.2+0)×0.528-2×12×0.5280.5=-4.767kN/m2第2层土:1.2-2m(+0)H2'=[∑γ1h1]/γsati=[24]/20=1.2mP ak2上=[γsat2H2'-γw(∑h1-h a)]K a2-2c2K a20.5+γw(∑h1-h a)=[20×1.2-10×(1.2-1.2)]×0.528-2×12×0.52 80.5+10×(1.2-1.2)=-4.767kN/m2P ak2下=[γsat2(H2'+h2)-γw(∑h1-h a)]K a2-2c2K a20.5+γw(∑h1-h a)=[20×(1.2+0.8)-10×(2-1.2)]×0.528-2×12×0.5280.5+10×(2-1.2)=7.457kN/m2第3层土:2-4m(+0)H3'=[∑γ2h2]/γsati=[40]/19=2.105mP ak3上=[γsat3H3'-γw(∑h2-h a)]K a3-2c3K a30.5+γw(∑h2-h a)=[19×2.105-10×(2-1.2)]×0.656-2×10×0.65 60.5+10×(2-1.2)=12.79kN/m2P ak3下=[γsat3(H3'+h3)-γw(∑h2-h a)]K a3-2c3K a30.5+γw(∑h2-h a)=[19×(2.105+2)-10×(4-1.2)]×0.656-2×10×0.6560.5+10×(4-1.2)=44.598kN/m2第4层土:4-5m(+0)H4'=[∑γ3h3]/γsati=[78]/22=3.545mP ak4上=[γsat4H4'-γw(∑h3-h a)]K a4-2c4K a40.5+γw(∑h3-h a)=[22×3.545-10×(4-1.2)]×0.49-2×18×0.490. 5+10×(4-1.2)=27.295kN/m2P ak4下=[γsat4(H4'+h4)-γw(∑h3-h a)]K a4-2c4K a40.5+γw(∑h3-h a)=[22×(3.545+1)-10×(5-1.2)]×0.49-2×18×0.490.5+10×(5-1.2)=43.175kN/m21)水平荷载临界深度:Z0=P ak2下h2/(P ak2上+ P ak2下)=7.457×0.8/(4.767+7.457)=0.488m;第1层土E ak1=0kN;第2层土E ak2=0.5P ak2下Z0b a=0.5×7.457×0.488×1=1.82kN;a a2=Z0/3+∑h3=0.488/3+3=3.163m;第3层土E ak3=h3(P a3上+P a3下)b a/2=2×(12.79+44.598)×1/2=57.388kN;a a3=h3(2P a3上+P a3下)/(3P a3上+3P a3 )+∑h4=2×(2×12.79+44.598)/(3×12.79+3×44.598)+1=1.815m;下第4层土E ak4=h4(P a4上+P a4下)b a/2=1×(27.295+43.175)×1/2=35.235kN;a a4=h4(2P a4上+P a4下)/(3P a4上+3P a4 )=1×(2×27.295+43.175)/(3×27.295+3×43.175)=0.462m;下土压力合力:E ak=ΣE aki=0+1.82+57.388+35.235=94.443kN;合力作用点:a a= Σ(a ai E aki)/E ak=(0×0+3.163×1.82+1.815×57.388+0.462×35.235)/94.443=1.336m;1、单根土钉的轴向拉力标准值N k,j:N k,j=ζηj P ak,j S xj S zj/cosαj其中ζ--荷载折减系数ηj--第j层土钉轴向拉力调整系数P ak,j--第j层土钉处的主动土压力强度标准值S xj、S zj--土钉之间的水平与垂直距离αj--土钉与水平面的夹角N j=γ0γF N k,j=1×1.25×5.32=6.65kN≤f y A s=400×314=125.6kN满足要求!R k,j/N k,j=29.423/5.32=5.531≥K t=1.6满足要求!5三、土钉墙整体稳定性的计算根据《建筑基坑支护技术规程》JGJ120-2012要求,土钉墙应根据施工期间不同开挖深度及基坑底面以下可能滑动面采用圆弧滑动简单条分法如下图,按照下式进行整体稳定性验算:圆弧滑动法示意图公式中:c j、φj──第j土条滑弧面处土的粘聚力(kPa)、内摩擦角(°);b j──第j土条的宽度(m);θj──第j土条滑弧面中点处的法线与垂直面的夹角(°);l j──第j土条的滑弧段长度(m),取l j=b j/cosθj;q j──作用在第j土条上的附加分布荷载标准值(kPa) ;ΔG j──第j土条的自重(kN),按天然重度计算;u j──第j土条在滑弧面上的孔隙水压力(kPa),采用落底式截水帷幕时,对地下水位以下的砂土、碎石土、粉土,在基坑外侧,可取u j=γw h waj,在基坑内侧,可取u j=γw h wpj;滑弧面在地下水位以上或对地下水位以下的粘性土,取u j=0;γw──地下水重度(kN/m3);h waj──基坑外侧第j土条滑弧面中点的压力水头(m);h wpj──基坑内侧第j土条滑弧面中点的压力水头(m);Rˊk,k──第k根土钉在圆弧滑动面以外的锚固段的极限抗拔承载力标准值与杆体受拉承载力标准值的较小值;αk──表示第k层土钉的倾角;θk──圆弧面在第k层土钉处的法线与垂直面的夹角;ψv──计算系数,取ψv=0.5sin(αk+θk)tanφ, φ表示的是第k层土钉与滑弧交点处土的内摩擦角。
土钉墙支护计算计算书本计算书参照《建筑基坑支护技术规程》JGJ120-99 中国建筑工业出版《建筑施工计算手册》江正荣编著中国建筑工业、《实用土木工程手册》第三版文渊编著人民教同、《地基与基础》第三版中国建筑工业、《土力学》等相关文献进行编制。
土钉墙需要计算其土钉的抗拉承载力和土钉墙的整体稳定性。
一、参数信息:1、基本参数:侧壁安全级别:二级基坑开挖深度h(m):7.430;土钉墙计算宽度b'(m):100;土体的滑动摩擦系数按照tanφ计算,φ为坡角水平面所在土层的摩擦角;条分块数:/;不考虑地下水位影响;2、荷载参数:序号类型面荷载q(kPa) 基坑边线距离b0(m) 宽度b1(m)1 局布20.00 4.86 53、地质勘探数据如下::序号土名称土厚度坑壁土的重度γ 坑壁土的摩擦角φ 聚力C 极限摩擦阻力(m) (kN/m3) (°) (kPa) (kPa)1 填土 1.30 18.00 18.00 12.00 80.002 粘性土 1.30 18.00 20.00 25.00 100.003 粉土 3.10 19.00 25.00 18.00 110.004 粘性土 1.20 18.00 20.00 25.00 100.005 粉砂 4.10 19.00 35.00 18.00 115.004、土钉墙布置数据:放坡参数:序号放坡高度(m) 放坡宽度(m) 平台宽度(m)1 7.43 3.00 100.00土钉数据:序号直径(mm) 长度(m) 入射角(度) 竖向间距(m) 水平间距(m)1 150 6.00 15.00 1.50 1.50二、土钉(含锚杆)抗拉承载力的计算:单根土钉受拉承载力计算,根据《建筑基坑支护技术规程》JGJ 120-99,R=1.25γ0T jk1、其中土钉受拉承载力标准值T jk按以下公式计算:T jk=ζe ajk s xj s zj/cosαj其中ζ--荷载折减系数e ajk --土钉的水平荷载s xj、s zj--土钉之间的水平与垂直距离αj--土钉与水平面的夹角ζ按下式计算:ζ=tan[(β-φk)/2](1/(tan((β+φk)/2))-1/tanβ)/tan2(45°-φ/2)其中β--土钉墙坡面与水平面的夹角。
土钉墙支护计算计算书本计算书参照《建筑基坑支护技术规程》JGJ120—99 中国建筑工业出版社出版《建筑施工计算手册》江正荣编著中国建筑工业出版社、《实用土木工程手册》第三版杨文渊编著人民教同出版社、《地基与基础》第三版中国建筑工业出版社、《土力学》等相关文献进行编制.土钉墙需要计算其土钉的抗拉承载力和土钉墙的整体稳定性。
一、参数信息:1、基本参数:侧壁安全级别:二级基坑开挖深度h(m):7。
430;土钉墙计算宽度b’(m):100;土体的滑动摩擦系数按照tanφ计算,φ为坡角水平面所在土层内的内摩擦角;条分块数:/;不考虑地下水位影响;2、荷载参数:序号类型面荷载q(kPa) 基坑边线距离b0(m) 宽度b1(m)1 局布20.00 4.86 53、地质勘探数据如下::序号土名称土厚度坑壁土的重度γ 坑壁土的内摩擦角φ 内聚力C 极限摩擦阻力(m)(kN/m3) (°)(kPa) (kPa)1 填土1。
30 18.00 18.00 12.00 80.002 粘性土1。
30 18。
00 20.00 25。
00 100。
003 粉土3。
10 19。
00 25.00 18。
00 110.004 粘性土 1.20 18。
00 20.00 25.00 100。
005 粉砂4。
10 19。
00 35。
00 18.00 115.00 4、土钉墙布置数据:放坡参数:序号放坡高度(m)放坡宽度(m)平台宽度(m)1 7.43 3.00 100.00土钉数据:序号直径(mm)长度(m) 入射角(度) 竖向间距(m)水平间距(m)1 150 6.00 15。
00 1。
50 1。
50二、土钉(含锚杆)抗拉承载力的计算:单根土钉受拉承载力计算,根据《建筑基坑支护技术规程》JGJ 120—99,R=1。
25γ0T jk1、其中土钉受拉承载力标准值T jk按以下公式计算:T jk=ζe ajk s xj s zj/co sαj其中ζ——荷载折减系数e ajk—-土钉的水平荷载s xj、s zj——土钉之间的水平与垂直距离αj-—土钉与水平面的夹角ζ按下式计算:ζ=tan[(β—φk)/2](1/(tan((β+φk)/2))—1/tanβ)/tan2(45°—φ/2)其中β-—土钉墙坡面与水平面的夹角.φ——土的内摩擦角e ajk按根据土力学按照下式计算:e ajk=∑{[(γi×s zj)+q0]×K ai-2c(K ai)1/2}2、土钉抗拉承载力设计值T uj按照下式计算T uj=(1/γs)πd nj∑q sik l i其中d nj-—土钉的直径。
土钉墙支护计算计算书本计算书参照《建筑基坑支护技术规程》 JGJ120-99 出版《建筑施工计算手册》江正荣编著、《实用土木工程手册》第三版文渊编著人民教同、《地基与基础》第三版、《土力学》等相关文献进行编制。
土钉墙需要计算其土钉的抗拉承载力和土钉墙的整体稳定性。
一、参数信息:1、基本参数:侧壁安全级别:二级基坑开挖深度h(m):7.430;土钉墙计算宽度b'(m):100;土体的滑动摩擦系数按照tanφ计算,φ为坡角水平面所在土层的摩擦角;条分块数:/;不考虑地下水位影响;2、荷载参数:序号类型面荷载q(kPa) 基坑边线距离b0(m) 宽度b1(m)1 局布 20.00 4.86 53、地质勘探数据如下::序号土名称土厚度坑壁土的重度γ 坑壁土的摩擦角φ 聚力C 极限摩擦阻力(m) (kN/m3) (°) (kPa) (kPa)1 填土 1.30 18.00 18.00 12.0080.002 粘性土 1.30 18.00 20.00 25.00100.003 粉土 3.10 19.00 25.00 18.00110.004 粘性土 1.20 18.00 20.00 25.00100.005 粉砂 4.10 19.00 35.00 18.00 115.004、土钉墙布置数据:放坡参数:序号放坡高度(m) 放坡宽度(m) 平台宽度(m)1 7.43 3.00 100.00土钉数据:序号直径(mm) 长度(m) 入射角(度) 竖向间距(m) 水平间距(m)1 1506.00 15.00 1.50 1.50二、土钉(含锚杆)抗拉承载力的计算:单根土钉受拉承载力计算,根据《建筑基坑支护技术规程》JGJ 120-99,R=1.25γ0T jk1、其中土钉受拉承载力标准值Tjk按以下公式计算:T jk =ζeajksxjszj/cosαj其中ζ--荷载折减系数 eajk--土钉的水平荷载sxj 、szj--土钉之间的水平与垂直距离αj--土钉与水平面的夹角ζ按下式计算:ζ=tan[(β-φk )/2](1/(tan((β+φk)/2))-1/tanβ)/tan2(45°-φ/2)其中β--土钉墙坡面与水平面的夹角。
土钉墙基坑支护结构设计计算书1、AH段支护结构计算[ 设计简图][ 基本参数]所依据的规程或方法:《建筑基坑支护技术规程》JGJ 120-99基坑深度: 6.700(m)基坑内地下水深度:10.000(m)基坑外地下水深度: 1.000(m)基坑侧壁重要性系数: 1.000土钉荷载分项系数: 1.350土钉抗拉抗力分项系数: 1.300整体滑动分项系数: 1.300[ 坡线参数]坡线段数1序号水平投影(m) 竖向投影(m) 倾角(°)1 2.233 6.700 71.6[ 土层参数]土层层数4序号土类型土层厚容重饱和容重粘聚力内摩擦角钉土摩阻力锚杆土摩阻力水土(m) (kN/m^3) (kN/m^3) (kPa) (度) (kPa) (kPa)1 杂填土 3.000 19.7 19.7 20.0 14.0 18.0 18.0 合算2 粉质粘土 6.200 19.8 19.8 60.0 18.8 40.0 40.0 合算3 强风化岩 2.300 20.5 20.5 20.0 28.0 65.0 65.0 分算4 中风化岩 5.100 25.7 25.7 180.0 28.0 80.0 80.0 合算[ 超载参数]超载数1序号超载类型超载值(kN/m) 作用深度(m) 作用宽度(m) 距坑边线距离(m) 形式长度(m)1 满布均布35.000[ 土钉参数]土钉道数5序号水平间距(m) 垂直间距(m) 入射角度(度) 钻孔直径(mm)1 1.500 1.000 20.0 1102 1.500 1.200 15.0 1103 1.500 1.200 15.0 1104 1.500 1.200 15.0 1105 1.500 1.200 15.0 110[ 坑内土不加固]施工过程中局部抗拉满足系数: 1.000施工过程中内部稳定满足系数: 1.000[ 内部稳定设计条件]考虑地下水作用的计算方法:总应力法土钉拉力在滑面上产生的阻力的折减系数:0.500圆弧滑动坡底截止深度(m):0.000(m)圆弧滑动坡底滑面步长(m): 1.000(m)[ 设计结果][ 局部抗拉设计结果]工况开挖深度破裂角土钉号设计长度最大长度(工况) 拉力标准值拉力设计值(m) (度) (m) (m) Tjk(kN) Tj(kN)1 1.500 42.8 02 2.700 42.8 1 6.328 6.328( 2) 22.8 28.43 3.900 43.3 1 2.626 6.328( 2) 3.9 4.82 4.562 4.562( 3) 20.5 25.74 5.100 43.8 1 3.245 6.328( 2) 3.8 4.82 4.842 4.842( 4) 20.3 25.43 1.578 1.578( 4) 5.1 6.45 6.300 44.0 1 3.865 6.328( 2) 3.8 4.82 5.126 5.126( 5) 20.2 25.33 2.245 2.245( 5) 5.1 6.44 0.966 0.966( 5) 0.0 0.06 6.700 44.1 1 4.071 6.328( 2) 3.8 4.72 5.222 5.222( 6) 20.2 25.33 2.466 2.466( 6) 5.1 6.34 1.189 1.189( 6) 0.0 0.05 0.510 0.510( 6) 0.0 0.0[ 内部稳定设计结果]工况号安全系数圆心坐标x(m) 圆心坐标y(m) 半径(m) 土钉号土钉长度1 1.569 0.333 9.150 4.1912 1.512 -1.180 9.810 6.3301 7.3283 1.538 -1.509 9.443 6.3641 7.3282 5.2224 1.681 -7.678 14.651 15.4191 7.3282 5.2223 2.4665 1.591 -7.729 13.895 15.6181 7.3282 5.2223 2.4664 1.1896 1.554 -8.255 15.631 17.6771 7.3282 5.2223 2.4664 1.1895 0.510根据构造要求,实际取得土钉长度分别为8.0m 6.0m 4.0m 4.0m 4.0m。
第2章土钉墙支护计算土钉支护技术2.1.1土钉支护的概念土钉支护亦称锚喷支护,就是逐层开挖基坑,逐层布置排列较密的土钉(钢筋),强化边坡土体,并在坡面铺设钢筋网,喷射混凝土。
相应的支护体称为土钉墙,它由被加固的土体、放置在土体中的土钉与喷射混凝土面板三个紧密结合的部分组成。
土钉是其最主要的构件,英文名叫Soil Nailing,它的设置有打入法,旋入法,以及先钻孔、后置入、再灌浆三种方法。
2.1.2土钉支护的特点与其它支护类型相比,土钉支护具有以下一些特点或优点:1.土钉与土体共同形成了一个复合体,土体是支护结构不可分割的部分。
从而合理的利用了土体的自承能力。
2.结构轻柔,有良好的延性和抗震性。
3.施工设备简单。
土钉的制作与成孔、喷射混凝土面层都不需要复杂的技术和大型机具。
4.施工占用场地少。
需要堆放的材料设备少。
5.对周围环境的干扰小。
没有打桩或钻孔机械的轰隆声,也没有地下连续墙施工时污浊的泥浆。
6.土钉支护是边开挖边支护,流水作业,不占独立工期,施工快捷。
7.工程造价低,经济效益好,国内外资料表明,土钉支护的工程造价能够比其它支护低1/2~1/3。
8.容易实现动态设计和信息化施工。
2.1.3土钉支护的适用范围土钉支护适用于:地下水位以上或经人工降水措施后的杂填土、普通粘土或弱胶结的砂土的基坑支护或边坡加固。
一般可用于标准贯入基数N值在5以上的砂质土与N值在3以上的粘性土。
单独的土钉墙宜用于深度不大于12m的基坑支护或边坡维护,当土钉墙与放坡开挖、土层锚杆联合使用时,深度可以进一步加大。
土钉支护不宜用于含水丰富的粉细砂岩、砂砾卵石层和淤泥质土。
不得用于没有自稳能力的淤泥和饱和软弱土层。
2.1.4土钉的作用机理土钉在复合土体中有个整体以下几种作用机理:1.箍束骨架作用:该作用是由于土钉本身的刚度和强度,以及它在土体内分布的空间所决定的。
它在复合土体中起骨架作用,使复合土体构成一个整体,从而约束土体的变形和破坏。
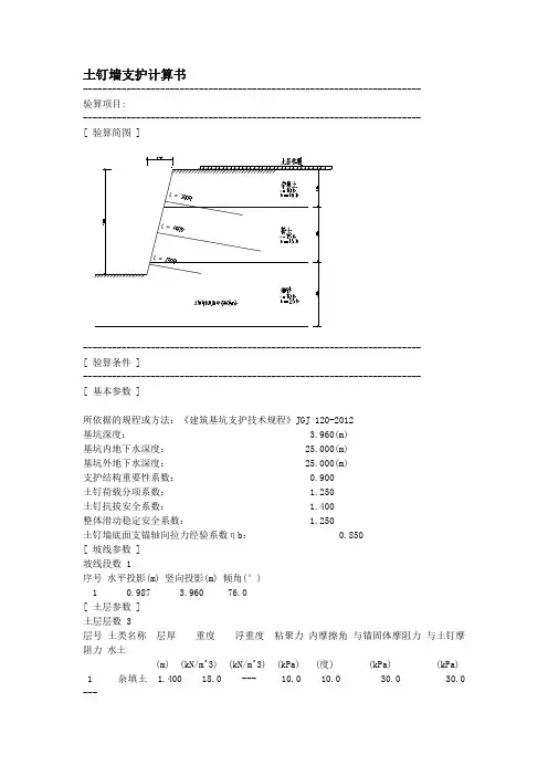
土钉墙支护计算书----------------------------------------------------------------------验算项目:----------------------------------------------------------------------[ 验算简图 ]----------------------------------------------------------------------[ 验算条件 ]----------------------------------------------------------------------[ 基本参数 ]所依据的规程或方法:《建筑基坑支护技术规程》JGJ 120-2012基坑深度: 3.960(m)基坑内地下水深度: 25.000(m)基坑外地下水深度: 25.000(m)支护结构重要性系数: 0.900土钉荷载分项系数: 1.250土钉抗拔安全系数: 1.400整体滑动稳定安全系数: 1.250土钉墙底面支锚轴向拉力经验系数ηb: 0.850[ 坡线参数 ]坡线段数 1序号水平投影(m) 竖向投影(m) 倾角(°)1 0.987 3.960 76.0[ 土层参数 ]土层层数 3层号土类名称层厚重度浮重度粘聚力内摩擦角与锚固体摩阻力与土钉摩阻力水土(m) (kN/m^3) (kN/m^3) (kPa) (度) (kPa) (kPa)1 杂填土 1.400 18.0 --- 10.0 10.0 30.0 30.0 ---2 粉土 2.100 19.0 --- 15.0 15.0 60.0 70.0 ---3 细砂 2.440 19.0 --- 10.0 25.0 65.0 70.0 ---[ 超载参数 ]超载数 1序号超载类型超载值(kN/m) 作用深度(m) 作用宽度(m) 距坑边线距离(m) 形式长度(m)1 局部均布 25.000 0.000 5.000 2.000 条形[ 土钉参数 ]土钉道数 3序号水平间距(m) 垂直间距(m) 入射角度(度) 钻孔直径(mm) 长度(m) 配筋1 1.500 1.200 10.0 100 3.000 1E162 1.500 1.200 10.0 100 4.000 1E163 1.500 1.200 10.0 100 2.000 1E16钢筋类型对应关系:d-HPB300,D-HRB335,E-HRB400,F-RRB400,G-HRB500,P-HRBF335,Q-HRBF400,R-HRBF500[ 花管参数 ]基坑内侧花管排数 0基坑外侧花管排数 0[ 锚杆参数 ]锚杆道数 0[ 坑内土不加固 ]*******************************************************************[ 验算结果 ]*******************************************************************[ 抗拔承载力验算结果 ]工况开挖深度破裂角支锚号支锚长度受拉荷载标准值抗拔承载力标准值抗拉承载力标准值安全系数(m) (度) (m) Nkj(kN) Rkj(kN) Rkj(kN) 抗拔抗拉1 1.560 43.3 02 2.760 44.2 1土钉 3.000 18.7 41.7 80.4 2.232 4.3083 2.760 44.2 1土钉 3.000 3.7 41.7 80.4 11.167 21.5542土钉 4.000 12.8 82.7 80.4 6.482 6.3064 3.960 45.2 1土钉 3.000 3.7 27.0 80.4 7.324 21.8452土钉 4.000 42.5 65.9 80.4 1.552 1.8945 3.960 45.2 1土钉 3.000 3.7 27.0 80.4 7.324 21.8452土钉 4.000 17.6 65.9 80.4 3.742 4.5663土钉 2.000 20.6 38.9 80.4 1.889 3.905[ 整体稳定验算结果 ]工况号安全系数圆心坐标x(m) 圆心坐标y(m) 半径(m)1 1.261 -0.656 6.537 4.1822 1.256 -4.294 9.203 9.2283 1.833 -4.294 9.203 9.2284 1.259 -5.173 10.258 11.7215 1.306 -7.146 11.218 13.301[ 喷射混凝土面层计算 ][ 计算参数 ]厚度: 80(mm)混凝土强度等级: C20配筋计算as: 30(mm)水平配筋: d6@200竖向配筋: d6@200配筋计算as: 30荷载分项系数: 1.200[ 计算结果 ]编号深度范围荷载值(kPa) 轴向 M(kN.m) As(mm^2) 实配As(mm^2) 1 0.00 1.20 0.0 x 0.000 135.0(构造) 141.4y 0.000 135.0(构造) 141.42 1.20 2.40 7.3 x 0.349 135.0(构造) 141.4y 0.585 135.0(构造) 141.43 2.40 3.60 21.6 x 1.038 135.0(构造) 141.4y 1.741 135.0(构造) 141.44 3.60 3.96 25.8 x 0.000 135.0(构造) 141.4y 0.419 135.0(构造) 141.4钢管桩支护计算书---------------------------------------------------------------------- 验算项目:---------------------------------------------------------------------- [ 验算简图 ]---------------------------------------------------------------------- [ 验算条件 ]---------------------------------------------------------------------- [ 基本参数 ]所依据的规程或方法:《建筑基坑支护技术规程》JGJ 120-2012基坑深度: 3.960(m)基坑内地下水深度: 25.000(m)基坑外地下水深度: 25.000(m)支护结构重要性系数: 0.900土钉荷载分项系数: 1.250土钉抗拔安全系数: 1.400整体滑动稳定安全系数: 1.250土钉墙底面支锚轴向拉力经验系数ηb: 0.850[ 坡线参数 ]坡线段数 1序号水平投影(m) 竖向投影(m) 倾角(°)1 -0.000 3.960 90.0[ 土层参数 ]土层层数 3层号土类名称层厚重度浮重度粘聚力内摩擦角与锚固体摩阻力与土钉摩阻力水土(m) (kN/m^3) (kN/m^3) (kPa) (度) (kPa) (kPa)1 杂填土 1.400 18.0 --- 10.0 10.0 30.0 30.0 ---2 粉土 2.100 19.0 --- 15.0 15.0 60.0 70.0 ---3 细砂 2.440 19.0 --- 10.0 25.0 65.0 70.0 ---[ 超载参数 ]超载数 1序号超载类型超载值(kN/m) 作用深度(m) 作用宽度(m) 距坑边线距离(m) 形式长度(m)1 局部均布 25.000 0.000 5.000 2.000 条形[ 土钉参数 ]土钉道数 3序号水平间距(m) 垂直间距(m) 入射角度(度) 钻孔直径(mm) 长度(m) 配筋1 1.500 1.200 10.0 100 3.000 1E162 1.500 1.200 10.0 100 5.000 1E163 1.500 1.200 10.0 100 3.000 1E16钢筋类型对应关系:d-HPB300,D-HRB335,E-HRB400,F-RRB400,G-HRB500,P-HRBF335,Q-HRBF400,R-HRBF500[ 花管参数 ]基坑内侧花管排数 0基坑外侧花管排数 1序号横向间距(m) 纵向间距(m) 入射角度(度) 钻孔直径(mm) 长度(m) 发挥系数抗拉力(kN)1 0.150 0.600 90.0 130 6.000 1.000 100.0[ 锚杆参数 ]锚杆道数 1序号水平间距(m) 竖向间距(m) 入射角度(度) 锚固体直径(mm) 锚杆长度(m) 锚杆锚固长度(m) 抗拉力(kN)1 1.500 2.400 10.0 130 12.000 7.000 100.0[ 坑内土不加固 ]*******************************************************************[ 验算结果 ]*******************************************************************[ 抗拔承载力验算结果 ]工况开挖深度破裂角支锚号支锚长度受拉荷载标准值抗拔承载力标准值抗拉承载力标准值安全系数(m) (度) (m) Nkj(kN) Rkj(kN) Rkj(kN) 抗拔抗拉1 1.560 50.3 02 2.760 51.2 1土钉 3.000 17.3 41.0 80.4 2.374 4.6583 2.760 51.2 1土钉 3.000 0.1 41.0 80.4 606.495 1189.7632土钉 5.000 14.4 104.3 80.4 7.238 5.5812锚杆 12.000 14.4 183.1 100.0 12.707 6.9404 3.960 52.2 1土钉 3.000 0.1 23.9 80.4 353.783 1189.7632土钉 5.000 56.0 86.2 80.4 1.540 1.4372锚杆 12.000 56.0 183.1 100.0 3.272 1.7875 3.960 52.2 1土钉 3.000 0.1 23.9 80.4 353.783 1189.7632土钉 5.000 21.3 86.2 80.4 4.050 3.7792锚杆 12.000 21.3 183.1 100.0 8.603 4.6993土钉 3.000 28.0 60.5 80.4 2.163 2.875[ 整体稳定验算结果 ]工况号安全系数圆心坐标x(m) 圆心坐标y(m) 半径(m)1 2.089 -2.652 11.165 9.1572 1.436 -6.625 11.411 12.1723 2.716 -6.625 11.411 12.1724 1.642 -10.456 11.038 15.2045 1.907 -10.456 11.038 15.204[ 喷射混凝土面层计算 ][ 计算参数 ]厚度: 80(mm)混凝土强度等级: C20配筋计算as: 30(mm)水平配筋: d6@200竖向配筋: d6@200配筋计算as: 30荷载分项系数: 1.200[ 计算结果 ]编号深度范围荷载值(kPa) 轴向 M(kN.m) As(mm^2) 实配As(mm^2)1 0.00 1.20 0.0 x 0.000 135.0(构造) 141.4y 0.000 135.0(构造) 141.42 1.20 2.40 3.6 x 0.174 135.0(构造) 141.4y 0.291 135.0(构造) 141.4 3 2.40 3.60 21.0 x 1.012 135.0(构造) 141.4 y 1.697 135.0(构造) 141.4 4 3.60 3.96 25.8 x 0.000 135.0(构造) 141.4 y 0.417 135.0(构造) 141.4。
土钉墙支护计算计算书本计算书参照《建筑基坑支护技术规程》JGJ120-99 中国建筑工业出版《建筑施工计算手册》江正荣编著中国建筑工业、《实用土木工程手册》第三版文渊编著人民教同、《地基与基础》第三版中国建筑工业、《土力学》等相关文献进行编制。
土钉墙需要计算其土钉的抗拉承载力和土钉墙的整体稳定性。
一、参数信息:1、基本参数:侧壁安全级别:二级基坑开挖深度h(m):7.430;土钉墙计算宽度b'(m):100;土体的滑动摩擦系数按照tanφ计算,φ为坡角水平面所在土层的摩擦角;条分块数:/;不考虑地下水位影响;2、荷载参数:序号类型面荷载q(kPa) 基坑边线距离b0(m) 宽度b1(m)1 局布20.00 4.86 53、地质勘探数据如下::序号土名称土厚度坑壁土的重度γ 坑壁土的摩擦角φ 聚力C 极限摩擦阻力(m) (kN/m3) (°) (kPa) (kPa)1 填土 1.30 18.00 18.00 12.0080.002 粘性土 1.30 18.00 20.00 25.00100.003 粉土 3.10 19.00 25.00 18.00110.004 粘性土 1.20 18.00 20.00 25.00 100.005 粉砂 4.10 19.00 35.00 18.00 115.004、土钉墙布置数据:放坡参数:序号放坡高度(m) 放坡宽度(m) 平台宽度(m)1 7.43 3.00 100.00土钉数据:序号直径(mm) 长度(m) 入射角(度) 竖向间距(m) 水平间距(m)1 150 6.00 15.00 1.50 1.50二、土钉(含锚杆)抗拉承载力的计算:单根土钉受拉承载力计算,根据《建筑基坑支护技术规程》JGJ 120-99,R=1.25γ0T jk1、其中土钉受拉承载力标准值T jk按以下公式计算:T jk=ζe ajk s xj s zj/cosαj其中ζ--荷载折减系数e ajk--土钉的水平荷载s xj、s zj --土钉之间的水平与垂直距离αj--土钉与水平面的夹角ζ按下式计算:ζ=tan[(β-φk)/2](1/(tan((β+φk)/2))-1/tanβ)/tan2(45°-φ/2)其中β--土钉墙坡面与水平面的夹角。
土钉墙支护计算书本计算书参照《建筑基坑支护技术规程》 JGJ120-99 中国建筑工业出版社出版《建筑施工计算手册》江正荣编著中国建筑工业出版社、《实用土木工程手册》第三版杨文渊编著人民教同出版社、《地基与基础》第三版中国建筑工业出版社、《土力学》等相关文献进行编制。
土钉墙需要计算其土钉的抗拉承载力和土钉墙的整体稳定性。
一、参数信息:1、基本参数:侧壁安全级别:二级基坑开挖深度h(m):;土钉墙计算宽度b'(m):;土体的滑动摩擦系数按照tanφ计算,φ为坡角水平面所在土层内的内摩擦角;条分块数:10;考虑地下水位影响;(基坑外侧水位到坑顶的距离(m):;基坑内侧水位到坑顶的距离(m):;2、荷载参数:序号类型面荷载q(kPa) 荷载宽度b0(m) 基坑边线距离b1(m)1 满布 -- -- 3、地质勘探数据如下::放坡参数:序号放坡高度(m) 放坡宽度(m) 平台宽度(m)1土钉参数:序号孔径(mm) 长度(m) 入射角(度) 竖向间距(m) 水平间距(m) `123二、土钉(含锚杆)抗拉承载力的计算:单根土钉受拉承载力计算,根据《建筑基坑支护技术规程》JGJ 120-99,R=γ0T jk1、其中土钉受拉承载力标准值Tjk按以下公式计算:Tjk =ζeajksxjszj/cosαj其中ζ--荷载折减系数 eajk--土钉的水平荷载sxj 、szj--土钉之间的水平与垂直距离$αj--土钉与水平面的夹角ζ按下式计算:ζ=tan[(β-φk )/2](1/(tan((β+φk)/2))-1/tanβ)/tan2(45°-φ/2)其中β--土钉墙坡面与水平面的夹角。
φ--土的内摩擦角eajk按根据土力学按照下式计算:eajk =∑{[(γi×szj)+q]×Kai-2c(Kai)1/2}2、土钉抗拉承载力设计值Tuj按照下式计算Tuj =(1/γs)πdnj∑qsikli其中 dnj--土钉的直径。
土钉墙支护计算书一、计算依据1、《建筑基坑支护技术规程》JGJ120-20122、《建筑施工计算手册》江正荣编著3、《实用土木工程手册》第三版杨文渊编著4、《施工现场设施安全设计计算手册》谢建民编著二、计算参数三、土钉承载力计算1、主动土压力计算剖面图1)主动土压力系数Kai=tan 2(45°- φi/2)第1层土:K a1=tan 2(45°-18/2)=0.527864 第2层土:K a2=tan 2(45°-12/2)=0.65575 第3层土:K a3=tan 2(45°-20/2)=0.4902912)土压力、地下水产生的水平荷载各层土所受的土压力:(1)地表处:Pak1上=qKa1-2c1K a10.5=10*0.527864-2*12*0.5278640.5=-12.1584kN/m2(2)第2层土:Pak2上=(q+γ1*h1)K a1-2c1K a10.5=154*0.527864-2*12*0.5278640.5=63.854kN/m2 P ak2ΟΒ=(q+γ1*h1)K a2-2c2K a20.5=154*0.65575-2*10*0.655750.5=84.7898kN/m2(3)µΪ3²γΝΑ:P ak3=(q+γ1*h1+γ2*h2)K a2-2c2K a20.5=484*0.65575-2*10*0.655750.5=301.187kN/m2 3)水平荷载(1)第1层土:E ak1=h1P ak1b a/1=12*-12.1584*1/1=-145.901kN(2)第2层土:E ak2=h2(Pak2上+Pak2下)b a/2=8*(63.854+84.7898)*1/2=594.576kN(3)第3层土:E ak3=h3P ak3b a/3=15*301.187*1/3=1505.94kN土压力合力:Eak=ΣE aki=1954.61kN2、单根土钉的轴向拉力标准值Nk,j:由公式JGJ120-2012 5.2.2公式得:Nk,j=ζηjPak,jSxjSzj/cosαjφak=(φ1h1+φ2h1+...+φi h i)/h=21.1034ζ=tan((β-φak)/2)(1/tan((β+φak)/2))-1/tan(β))/tan2(45°-φak/2)=0.241428 ΝΑ¶¤1:S x1=1 S z1=3N k1=ζη1P ak1S x1S z1/cos(α1)=69.1276N1=γ0γF N k,1=86.4095N1=86.4095΅άf y*A s=113.04kN满足要求3、单根土钉的极限抗拔承载力计算:如图计算可知:——根据建筑基坑支护技术规程JGJ120-2012,表5.2.5取值故Rk,j=πdj i故极限抗拔承载力为Rk,j/Nk,j土钉1:=18.1159L1=819542Rk,1四、抗滑动及抗倾覆稳定性验算1)抗滑动稳定性验算δ=φ/3=5.55556B=0.6H-0.8H,取B=0.7H=0.7*29=20.3W=γHB=11774kNσ=(W+qB)/A=11977f=τ=σtanφ+c=3586.68由公式,抗滑移安全系数计算得:γ=(qB+W+E a sinδ)f/E a cosδ=15871.2≥1.3满足要求2)抗倾覆稳定性验算抗倾覆安全系数按以下公式计算,由下式确定γt=3B(qB+W+2E a sinδ)/2*H*E a cosδ=4.74843≥1.3 满足要求。
土钉墙支护计算书计算依据:1、《建筑基坑支护技术规程》JGJ120-20122、《建筑施工计算手册》江正荣编著3、《实用土木工程手册》第三版文渊编著4、《施工现场设施安全设计计算手册》谢建民编著5、《地基与基础》第三版土钉墙需要计算其土钉的抗拉承载力和土钉墙的整体稳定性。
一、参数信息1、基本参数3、土层参数放坡参数:5、计算系数二、土钉承载力计算K a1=tan2(45°- φ1/2)= tan2(45-18/2)=0.528;K a2=tan2(45°- φ2/2)= tan2(45-18/2)=0.528;K a3=tan2(45°- φ3/2)= tan2(45-12/2)=0.656;K a4=tan2(45°- φ4/2)= tan2(45-20/2)=0.49;第1层土:0-1.2m(+0)H1'=[∑γ0h0]/γi=[0]/20=0mP ak1上=γ1H1'K a1-2c1K a10.5=20×0×0.528-2×12×0.5280.5=-17.439kN/m2 P ak1下=γ1(h1+H1')K a1-2c1K a10.5=20×(1.2+0)×0.528-2×12×0.5280.5=-4.767kN/m2第2层土:1.2-2m(+0)H2'=[∑γ1h1]/γsati=[24]/20=1.2mP ak2上=[γsat2H2'-γw(∑h1-h a)]K a2-2c2K a20.5+γw(∑h1-h a)=[20×1.2-10×(1.2-1.2)]×0.528-2×12×0.5280.5+10×(1.2-1.2)=-4.767kN/m2P ak2下=[γsat2(H2'+h2)-γw(∑h1-h a)]K a2-2c2K a20.5+γw(∑h1-h a)=[20×(1.2+0.8)-10×(2-1.2)]×0.528-2×12×0.5280.5+10×(2-1.2)=7.457kN/m2第3层土:2-4m(+0)H3'=[∑γ2h2]/γsati=[40]/19=2.105mP ak3上=[γsat3H3'-γw(∑h2-h a)]K a3-2c3K a30.5+γw(∑h2-h a)=[19×2.105-10×(2-1.2)]×0.656-2×10×0.6560.5+10×(2-1.2)=12.79kN/m2P ak3下=[γsat3(H3'+h3)-γw(∑h2-h a)]K a3-2c3K a30.5+γw(∑h2-h a)=[19×(2.105+2)-10×(4-1.2)]×0.656-2×10×0.6560.5+10×(4-1.2)=44.598kN/m2第4层土:4-5m(+0)H4'=[∑γ3h3]/γsati=[78]/22=3.545mP ak4上=[γsat4H4'-γw(∑h3-h a)]K a4-2c4K a40.5+γw(∑h3-h a)=[22×3.545-10×(4-1.2)]×0.49-2×18×0.490.5+10×(4-1.2)=27.295kN/m2P ak4下=[γsat4(H4'+h4)-γw(∑h3-h a)]K a4-2c4K a40.5+γw(∑h3-h a)=[22×(3.545+1)-10×(5-1.2)]×0.49-2×18×0.490.5+10×(5-1.2)=43.175kN/m21)水平荷载临界深度:Z0=P ak2下h2/(P ak2上+ P ak2下)=7.457×0.8/(4.767+7.457)=0.488m;第1层土E ak1=0kN;第2层土E ak2=0.5P ak2下Z0b a=0.5×7.457×0.488×1=1.82kN;a a2=Z0/3+∑h3=0.488/3+3=3.163m;第3层土E ak3=h3(P a3上+P a3下)b a/2=2×(12.79+44.598)×1/2=57.388kN;a a3=h3(2P a3上+P a3下)/(3P a3上+3P a3下)+∑h4=2×(2×12.79+44.598)/(3×12.79+3×44.598)+1=1.815m;第4层土E ak4=h4(P a4上+P a4下)b a/2=1×(27.295+43.175)×1/2=35.235kN;a a4=h4(2P a4上+P a4下)/(3P a4上+3P a4下)=1×(2×27.295+43.175)/(3×27.295+3×43.175)=0.462m;土压力合力:E ak=ΣE aki=0+1.82+57.388+35.235=94.443kN;合力作用点:a a= Σ(a ai E aki)/E ak=(0×0+3.× 1.82+1.815×57.388+0.462×35.235)/94.443=1.336m;1、单根土钉的轴向拉力标准值N k,j:N k,j=ζηj P ak,j S xj S zj/cosαj其中ζ--荷载折减系数ηj--第j层土钉轴向拉力调整系数P ak,j--第j层土钉处的主动土压力强度标准值S xj、S zj--土钉之间的水平与垂直距离αj--土钉与水平面的夹角N j=γ0γF N k,j=1×1.25×5.32=6.65kN≤f y A s=400×314=125.6kN满足要求!R k,j/N k,j=29.423/5.32=5.531≥K t=1.6满足要求!0 5.5316.65125.6满足要求满足要求1 7.44621.125.6满足要求满足要求三、土钉墙整体稳定性的计算根据《建筑基坑支护技术规程》JGJ120-2012要求,土钉墙应根据施工期间不同开挖深度及基坑底面以下可能滑动面采用圆弧滑动简单条分法如下图,按照下式进行整体稳定性验算:圆弧滑动法示意图公式中:c j、φj──第j土条滑弧面处土的粘聚力(kPa)、摩擦角(°);b j──第j土条的宽度(m);θj──第j土条滑弧面中点处的法线与垂直面的夹角(°);l j──第j土条的滑弧段长度(m),取l j=b j/cosθj;q j──作用在第j土条上的附加分布荷载标准值(kPa) ;ΔG j──第j土条的自重(kN),按天然重度计算;u j──第j土条在滑弧面上的孔隙水压力(kPa),采用落底式截水帷幕时,对地下水位以下的砂土、碎石土、粉土,在基坑外侧,可取u j=γw h waj,在基坑侧,可取u j=γw h wpj;滑弧面在地下水位以上或对地下水位以下的粘性土,取u j=0;γw──地下水重度(kN/m3);h waj──基坑外侧第j土条滑弧面中点的压力水头(m);h wpj──基坑侧第j土条滑弧面中点的压力水头(m);Rˊk,k──第k根土钉在圆弧滑动面以外的锚固段的极限抗拔承载力标准值与杆体受拉承载力标准值的较小值;αk──表示第k层土钉的倾角;θk──圆弧面在第k层土钉处的法线与垂直面的夹角;ψv──计算系数,取ψv=0.5sin(αk+θk)tanφ, φ表示的是第k层土钉与滑弧交点处土的摩擦角。
土钉墙支护计算书本计算书参照《建筑基坑支护技术规程》JGJ120-99中国建筑工业出版社出版《建筑施工计算手册》江正荣编着中国建筑工业出版社、《实用土木工程手册》第三版杨文渊编着人民教同出版社、《地基与基础》第三版中国建筑工业出版社、《土力学》等相关文献进行编制。
土钉墙需要计算其土钉的抗拉承载力和土钉墙的整体稳定性。
一、参数信息:12134放坡参数:序号放坡高度(m)放坡宽度(m)平台宽度(m) 17.702.5412.00 土钉参数:序号孔径(mm)长度(m)入射角(度)竖向间距(m)水平间距(m) 1120.004.0015.001.502.00 2120.007.0015.001.502.00 3120.005.0015.001.502.00R=1.25γ1T jk =ζe ajk 其中e ajk --s xj 、s zj αj --其中β--φ--e ajk e ajk 2T uj =(1/γs )πd nj ∑q sik l i 其中d nj --土钉的直径。
γs --土钉的抗拉力分项系数,取1.3 q sikli--土钉在直线破裂面外穿越稳定土体内的长度。
第1号土钉钢筋的直径ds至少应取:0.000mm;第2第3公式中:γk--γ--ωi--第bi--第cik--第φik--第iθi--第αj--Li--第s --Tnj--第j根土钉在圆弧滑裂面外锚固与土体的极限抗拉力,按下式计算。
T nj =πdnj∑qsiklnjlnj--第j根土钉在圆弧滑裂面外穿越第i层稳定土体内的长度把各参数代入上面的公式,进行计算可得到如下结果:--------------------------------------------------------------------------------- 计算步数安全系数滑裂角(度)圆心X(m)圆心Y(m)半径R(m)第1步3.55229.482-0.4542.2902.334示意图如下:计算步数安全系数滑裂角(度)圆心X(m)圆心Y(m)半径R(m) 第2步3.26629.482-0.9094.5794.668 示意图如下:计算步数安全系数滑裂角(度)圆心X(m)圆心Y(m)半径R(m) 第3步2.18629.482-1.3636.8697.003 示意图如下:计算步数安全系数滑裂角(度)圆心X(m)圆心Y(m)半径R(m)第4步-第1第2第3第4(1)K H =f'/E ah 式中,E ah f'μ为土体的滑动摩擦系数; W 为所计算土体自重(kN) q 为坡顶面荷载(kN/m 2); B a 为荷载长度;S v 为计算墙体的厚度,取土钉的一个水平间距进行计算 1级坡:K H =33.47>1.3,满足要求! (2)抗倾覆稳定性验算抗倾覆安全系数按以下公式计算: K Q =M G /M Q式中,M G --由墙体自重和地面荷载产生的抗倾覆力矩,由下式确定 M G =W×B C ×qB a ×(B'-B+b×B a /2) 其中,W 为所计算土体自重(kN) 其中,q 为坡顶面荷载(kN/m 2) B c 为土体重心至o 点的水平距离; B a 为荷载在B 范围内长度;b B'M k --M k =E ah ×l 其中,E ah l h 1级坡:K。
土钉墙支护计算计算书本计算书参照《建筑基坑支护技术规程》JGJ120-99 中国建筑工业出版社出版《建筑施工计算手册》江正荣编著中国建筑工业出版社、《实用土木工程手册》第三版杨文渊编著人民教同出版社、《地基与基础》第三版中国建筑工业出版社、《土力学》等相关文献进行编制。
土钉墙需要计算其土钉的抗拉承载力和土钉墙的整体稳定性。
一、参数信息:1、基本参数:侧壁安全级别:二级基坑开挖深度h(m):7.430;土钉墙计算宽度b'(m):100;土体的滑动摩擦系数按照tanφ计算,φ为坡角水平面所在土层内的内摩擦角;条分块数:/;不考虑地下水位影响;2、荷载参数:序号类型面荷载q(kPa) 基坑边线距离b0(m) 宽度b1(m)1 局布20.00 4.86 53、地质勘探数据如下::序号土名称土厚度坑壁土的重度γ 坑壁土的内摩擦角φ 内聚力C 极限摩擦阻力(m) (kN/m3) (°) (kPa) (kPa)1 填土 1.30 18.00 18.00 12.00 80.002 粘性土 1.30 18.00 20.00 25.00 100.003 粉土 3.10 19.00 25.00 18.00 110.004 粘性土 1.20 18.00 20.00 25.00 100.005 粉砂 4.10 19.00 35.00 18.00 115.004、土钉墙布置数据:放坡参数:序号放坡高度(m) 放坡宽度(m) 平台宽度(m)1 7.43 3.00 100.00土钉数据:序号直径(mm) 长度(m) 入射角(度) 竖向间距(m) 水平间距(m)1 150 6.00 15.00 1.50 1.50二、土钉(含锚杆)抗拉承载力的计算:单根土钉受拉承载力计算,根据《建筑基坑支护技术规程》JGJ 120-99,R=1.25γ0T jk1、其中土钉受拉承载力标准值T jk按以下公式计算:T jk=ζe ajk s xj s zj/cosαj其中ζ--荷载折减系数e ajk --土钉的水平荷载s xj、s zj--土钉之间的水平与垂直距离αj--土钉与水平面的夹角ζ按下式计算:ζ=tan[(β-φk)/2](1/(tan((β+φk)/2))-1/tanβ)/tan2(45°-φ/2)其中β--土钉墙坡面与水平面的夹角。
基坑支护设计土钉墙计算书土钉墙(Ⅰ-Ⅰ)1. 支护范围:基坑南侧及西侧,深度为地面下8.20m(-8.76m)。
2.土钉墙面垂直,坡顶设计荷载20kpa。
土钉墙(Ⅰ)施工参数一览表设计项目: 复合土钉墙1[ 设计简图 ]----------------------------------------------------------------------[ 设计条件 ]----------------------------------------------------------------------[ 基本参数 ]所依据的规程或方法:《建筑基坑支护技术规程》JGJ 120-99基坑深度: 8.200(m)基坑内地下水深度: 9.000(m)基坑外地下水深度: 5.500(m)基坑侧壁重要性系数: 1.000土钉荷载分项系数: 1.250土钉抗拉抗力分项系数: 1.300整体滑动分项系数: 1.300[ 坡线参数 ]坡线段数 1序号水平投影(m) 竖向投影(m) 倾角(°)1 -0.000 8.200 90.0[ 土层参数 ]土层层数 3序号土类型土层厚容重饱和容重粘聚力内摩擦角钉土摩阻力锚杆土摩阻力水土 (m) (kN/m^3) (kN/m^3) (kPa) (度) (kPa) (kPa)1 杂填土 1.800 20.0 20.0 10.0 12.0 30.0 30.0 合算2 粉土 4.300 20.0 18.0 20.0 25.0 60.0 60.0 分算3 粘性土 6.200 20.0 18.0 20.0 25.0 80.0 80.0 分算[ 超载参数 ]超载数 1序号超载类型超载值(kN/m) 作用深度(m) 作用宽度(m) 距坑边线距离(m) 形式长度(m) 1 局部均布 20.00 0.000 5.000 1.500 条形[ 土钉参数 ]土钉道数 4序号水平间距(m) 垂直间距(m) 入射角度(度) 钻孔直径(mm)1 1.500 1.500 10.0 1002 1.500 3.000 10.0 1003 1.500 1.500 10.0 1004 1.500 1.500 10.0 100[ 花管参数 ]基坑内侧花管排数 0基坑内侧花管排数 1序号横向间距(m) 纵向间距(m) 倾角(0) 钻孔直径(mm) 长度(m) 发挥系数抗拉力(kN)1 0.300 1.500 90.0 130 10.00 1.000 100.0[ 锚杆参数 ]锚杆道数 1序号水平间距(m)竖向间距(m)倾角(0)锚固体直径(mm)锚杆长度(m)锚固长度(m)抗拉力(kN) 1 1.500 3.000 10.0 150 9.00 6.00 100.0[ 坑内土不加固 ]施工过程中局部抗拉满足系数: 1.000施工过程中内部稳定满足系数: 1.000[ 内部稳定设计条件 ]考虑地下水作用的计算方法:总应力法土钉拉力在滑面上产生的阻力的折减系数: 0.500圆弧滑动坡底截止深度(m): 0.000(m)圆弧滑动坡底滑面步长(m): 1.000(m)----------------------------------------------------------------------[ 设计结果 ]----------------------------------------------------------------------[ 局部抗拉设计结果 ]工况开挖深度破裂角土钉号设计长度最大长度(工况) 拉力标准值拉力设计值(m) (度) (m) (m) Tjk(kN) Tj(kN)1 2.000 51.7 02 5.000 55.2 1 3.974 3.974( 2) 34.2 38.53 6.500 55.7 1 3.362 3.974( 2) 5.2 5.9 2 4.497 4.497( 3) 63.0 70.94 8.000 56.0 1 4.244 4.244( 4) 5.2 5.92 4.008 4.497( 3) 36.1 40.63 3.112 3.112( 4) 64.9 73.1 5 8.200 56.1 1 4.362 4.362( 5) 5.2 5.92 4.127 4.497( 3) 36.1 40.63 3.233 3.233( 5) 64.9 73.14 3.503 3.503( 5) 105.7 118.9 [ 内部稳定设计结果 ]工况号安全系数圆心坐标x(m) 圆心坐标y(m) 半径(m) 土钉号土钉长度1 1.401 -4.017 12.875 7.6202 1.520 -22.295 19.977 27.9031 5.8003 1.331 -28.724 23.857 36.2761 5.8002 5.8004 1.235 -31.273 20.836 37.4681 5.8002 5.8003 4.3005 1.423 -32.270 20.817 38.4021 5.8002 5.8003 4.3004 4.300[ 土钉选筋计算结果 ]土钉号土钉拉力(抗拉) 土钉拉力(稳定) 计算钢筋面积配筋配筋面积1 38.5 105.2 215.6 1D18 254.52 70.9 127.1 221.3 1D18 254.53 73.1 159.1 237.3 1D18 254.54 118.9 195.8 227.5 1D18 254.5[ 喷射混凝土面层计算 ][ 计算参数 ]厚度: 80(mm)混凝土强度等级: C20配筋计算as: 15(mm)水平配筋: d6@250竖向配筋: d6@250配筋计算as: 15荷载分项系数: 1.200[ 计算结果 ]编号深度范围荷载值(kPa) 轴向 M(kN.m) As(mm^2) 实配As(mm^2) 1 0.00 1.50 0.4 x 0.031 188.6(构造) 113.1y 0.031 188.6(构造) 113.12 1.50 4.50 5.7 x 0.231 188.6(构造) 113.1y 0.860 188.6(构造) 113.13 4.50 6.00 24.1 x 1.997 188.6(构造) 113.1y 1.997 188.6(构造) 113.14 6.00 7.50 45.9 x 3.801 292.9 113.1y 3.801 292.9 113.15 7.50 8.20 63.4 x 0.000 188.6(构造) 113.1y 3.883 299.6 113.1[ 外部稳定计算参数 ]所依据的规程:《建筑地基基础设计规范》GB50007-2002土钉墙计算宽度: 6.000(m)墙后地面的倾角: 0.0(度)墙背倾角: 90.0(度)土与墙背的摩擦角: 12.0(度)土与墙底的摩擦系数: 0.400墙趾距坡脚的距离: 0.000(m)墙底地基承载力: 160.0(kPa)抗水平滑动安全系数: 1.300抗倾覆安全系数: 1.600[ 外部稳定计算结果 ]重力: 789.6(kN)重心坐标: ( 3.000, 4.777)超载: 45.0(kN)超载作用点x坐标: 3.750(m)土压力: 42.7(kPa)土压力作用点y坐标: 2.788(m)基底平均压力设计值 142.2(kPa) < 160.0基底边缘最大压力设计值 169.4(kPa) < 1.2*160.0抗滑安全系数: 4.055 > 1.300抗倾覆安全系数: 10.233 > 1.6004.3.3土钉墙(Ⅱ-Ⅱ)设计方案1. 支护范围:基坑北侧,深度为地面下8.20m(-8.76m)。
土钉支护计算书介绍本文档旨在提供土钉支护计算的详细步骤和方法。
通过使用土钉支护进行工程结构的加固和稳定,可以有效地抵抗土壤侧压和滑动力,从而确保工程的安全性和可靠性。
计算步骤1. 掌握土壤力学参数:首先,需要根据实际情况测定土壤的重度、内摩擦角、黏聚力等土壤力学参数。
2. 计算土壤侧压力:使用相关公式计算土壤对支护结构施加的侧压力。
考虑到土壤干湿度、墙面的形状和倾角等因素,确保准确计算侧压力。
3. 确定土钉参数:根据计算出的土壤侧压力,确定适当的土钉参数。
根据实际工程需要,包括土钉的直径、长度、间距、受力锚固长度等参数。
4. 计算土钉的锚固力和抗滑力:通过使用适当的公式,计算土钉的锚固力和抗滑力。
确保土钉足够强大,能够有效地抵抗土壤的侧方向滑动。
5. 校核土钉的受力状态:通过对土钉进行受力校核,确保土钉在受力状态下不会产生破坏。
考虑土壤的强度参数和土钉的受力情况,进行合理的校核。
6. 绘制土钉支护计算表格:将计算结果以表格形式进行总结和整理,以便于工程师和技术人员进行查看和参考。
注意事项- 在进行土钉支护计算时,需严格遵循相关规范和标准,确保计算结果的准确性和可靠性。
- 对于土壤力学参数的确定,应选择合适的试验方法和设备进行测试,确保测试结果的可靠性和准确性。
- 在计算过程中,应充分考虑土壤的不同特性和条件对计算结果的影响,采取适当的修正措施。
- 需要保证土钉的施工质量和材料质量,对于土钉的质量问题,进行严格控制和检测。
结论土钉支护计算是确保土壤工程结构稳定和安全的重要步骤。
通过合理地计算土壤侧压力、确定合适的土钉参数、计算土钉的锚固力和抗滑力,以及校核土钉的受力状态,可以确保土钉支护的有效性和可靠性。
精心整理土钉墙支护计算书本计算书参照《建筑基坑支护技术规程》JGJ120-99中国建筑工业出版社出版《建筑施工计算手册》江正荣编着中国建筑工业出版社、《实用土木工程手册》第三版杨文渊编着人民教同出版社、《地基与基础》第三版中国建筑工业出版社、《土力学》等相关文献进行编制。
土钉墙需要计算其土钉的抗拉承载力和土钉墙的整体稳定性。
一、参数信息:12134放坡参数:序号放坡高度(m)放坡宽度(m)平台宽度(m)17.702.5412.00土钉参数:序号孔径(mm)长度(m)入射角(度)竖向间距(m)水平间距(m) 1120.004.0015.001.502.002120.007.0015.001.502.003120.005.0015.001.502.00二、土钉(含锚杆)抗拉承载力的计算:R=1.25γ01T jk=ζe ajk s其中ζe ajk--s xj、s zj--αj--ζζ=tan[(β-其中β--φ--e ajke ajk=∑{[(γ2T uj=(1/γs其中d nj--土钉的直径。
γs--土钉的抗拉力分项系数,取1.3q sikl i--土钉在直线破裂面外穿越稳定土体内的长度。
第1号土钉钢筋的直径ds至少应取:0.000mm;第2号土钉钢筋的直径ds至少应取:11.366mm;第3公式中:γk--γ0--ωi--第ib i--第ic ik--第iφik--第iθi--第iαj--L i--第is --T nj--第j根土钉在圆弧滑裂面外锚固与土体的极限抗拉力,按下式计算。
T nj=πd nj∑q sik l njl nj--第j根土钉在圆弧滑裂面外穿越第i层稳定土体内的长度把各参数代入上面的公式,进行计算可得到如下结果:---------------------------------------------------------------------------------计算步数安全系数滑裂角(度)圆心X(m)圆心Y(m)半径R(m)第1步3.55229.482-0.4542.2902.334示意图如下:计算步数安全系数滑裂角(度)圆心X(m)圆心Y(m)半径R(m) 第2步3.26629.482-0.9094.5794.668示意图如下:计算步数安全系数滑裂角(度)圆心X(m)圆心Y(m)半径R(m) 第3步2.18629.482-1.3636.8697.003示意图如下:计算步数安全系数滑裂角(度)圆心X(m)圆心Y(m)半径R(m) 第4步第1第2第3第4(1)K H=f'/E ah式中,Ef'μW为所计算土体自重(kN)q为坡顶面荷载(kN/m2);B a为荷载长度;S v为计算墙体的厚度,取土钉的一个水平间距进行计算1级坡:K H=33.47>1.3,满足要求!(2)抗倾覆稳定性验算抗倾覆安全系数按以下公式计算:K Q=M G/M Q式中,M G--由墙体自重和地面荷载产生的抗倾覆力矩,由下式确定M G=W×B C×qB a×(B'-B+b×B a/2)其中,W为所计算土体自重(kN)其中,q为坡顶面荷载(kN/m2)B c为土体重心至o点的水平距离;B a为荷载在B范围内长度;b为荷载距基坑边线长度;B'为土钉墙计算宽度;M k--M k=E ah×l其中,El h1级坡:K。
土钉墙支护计算计算书本计算书参照《建筑基坑支护技术规程》JGJ120-99 中国建筑工业出版社出版《建筑施工计算手册》江正荣编著中国建筑工业出版社、《实用土木工程手册》第三版杨文渊编著人民教同出版社、《地基与基础》第三版中国建筑工业出版社、《土力学》等相关文献进行编制。
土钉墙需要计算其土钉的抗拉承载力和土钉墙的整体稳定性.一、参数信息:1、基本参数:侧壁安全级别:二级基坑开挖深度h(m):7。
430;土钉墙计算宽度b'(m):100;土体的滑动摩擦系数按照tanφ计算,φ为坡角水平面所在土层内的内摩擦角;条分块数:/;不考虑地下水位影响;2、荷载参数:序号类型面荷载q(kPa) 基坑边线距离b0(m)宽度b1(m)1 局布20。
00 4。
86 53、地质勘探数据如下::序号土名称土厚度坑壁土的重度γ 坑壁土的内摩擦角φ 内聚力C 极限摩擦阻力(m) (kN/m3)(°)(kPa)(kPa)1 填土1。
30 18。
00 18.00 12.00 80.002 粘性土1。
30 18。
00 20。
00 25.00 100.003 粉土3。
10 19。
00 25。
00 18。
00 110.004 粘性土1。
20 18.00 20.00 25。
00 100。
005 粉砂4。
10 19.00 35.00 18.00 115.004、土钉墙布置数据:放坡参数:序号放坡高度(m)放坡宽度(m)平台宽度(m)1 7.43 3。
00 100。
00土钉数据:序号直径(mm)长度(m)入射角(度) 竖向间距(m)水平间距(m)1 1506.00 15.00 1。
50 1。
50二、土钉(含锚杆)抗拉承载力的计算:单根土钉受拉承载力计算,根据《建筑基坑支护技术规程》JGJ 120—99,R=1.25γ0T jk1、其中土钉受拉承载力标准值T jk按以下公式计算:T jk=ζe ajk s xj s zj/cosαj其中ζ-—荷载折减系数e ajk -—土钉的水平荷载s xj、s zj--土钉之间的水平与垂直距离αj--土钉与水平面的夹角ζ按下式计算:ζ=tan[(β-φk)/2](1/(tan((β+φk)/2))—1/tanβ)/tan2(45°-φ/2)其中β-—土钉墙坡面与水平面的夹角。
土钉墙支护计算书
一、计算依据
1、《建筑基坑支护技术规程》JGJ120-2012
2、《建筑施工计算手册》江正荣编著
3、《实用土木工程手册》第三版杨文渊编著
4、《施工现场设施安全设计计算手册》谢建民编著
二、计算参数
1 2
土钉参数
序号 直径d(mm) 长度
l(m)
入射角α(°) 横向间距Sx(m)
竖向间距Sz(m) 土钉杆体材料 杆体截面积As(mm 2) 抗拉强度标准值
fyk(N/mm 2) 抗拉强度设计值
fy(N/mm 2)
1 2 120 120
6 7
15 15
1 1
1.5 3
钢筋 钢管
314 314
400 400
360 360
三、土钉承载力计算
1、主动土压力计算
剖面图
1)主动土压力系数
Kai=tan2(45°- φi/2)
第1层土:
K a1=tan2(45°-18/2)=0.527864
第2层土:
K a2=tan2(45°-12/2)=0.65575
第3层土:
K a3=tan2(45°-20/2)=0.490291
2)土压力、地下水产生的水平荷载
各层土所受的土压力:
(1)地表处:
P ak1上=qK a1-2c1K a10.5=10*0.527864-2*12*0.5278640.5=-12.1584kN/m2
(2)第2层土:
P ak2上=(q+γ1*h1)K a1-2c1K a10.5=46*0.527864-2*12*0.5278640.5=6.84473kN/m2 P ak2下=(q+γ1*h1)K a2-2c2K a20.5=46*0.65575-2*10*0.655750.5=13.9688kN/m2
(3)第3层土:
P ak3=(q+γ1*h1+γ2*h2)K a2-2c2K a20.5=112*0.65575-2*10*0.655750.5=57.2483kN/m2 3)水平荷载
(1)第1层土:
E ak1=h1P ak1b a/1=2*-12.1584*1/1=-24.3168kN
(2)第2层土:
E ak2=h2(P ak2上+P ak2下)b a/2=2*(6.84473+13.9688)*1/2=20.8136kN
(3)第3层土:
E ak3=h3P ak3b a/3=3*57.2483*1/3=57.2483kN
土压力合力:
E ak=ΣE aki=53.7451kN
2、单根土钉的轴向拉力标准值Nk,j:
由公式JGJ120-2012 5.2.2公式得:Nk,j=ζηjPak,jSxjSzj/cosαj
φak=(φ1h1+φ2h1+...+φi h i)/h=24
ζ=tan((β-φak)/2)(1/tan((β+φak)/2))-1/tan(β))/tan2(45°-φak/2)=0.199964 ΝΑ¶¤1:
S x1=1 S z1=1.5
N k1=ζη1P ak1S x1S z1/cos(α1)=4.62022
N1=γ0γF N k,1=5.77527
N1=5.77527≤f y*A s=113.04kN
ΒϊΧγΗσ
ΝΑ¶¤2:
S x2=1 S z2=3
N k2=¦Ζ¦Η2P ak2S x2S z2/cos(α2)=28.4169
N2=γ0γF N k,2=35.5211
N2=35.5211≤f y*A s=113.04kN
ΒϊΧγΗσ
3、单根土钉的极限抗拔承载力计算:
如图计算可知:
——根据建筑基坑支护技术规程JGJ120-2012,表5.2.5取值
故Rk,j=πdj i
故极限抗拔承载力为Rk,j/Nk,j
土钉1:
L1=2.43867
R k,1=110323
土钉2:
L2=1.39353
R k,2=173365
序号R k,j/N k,j N j(kN) f y A s(kN) 抗拔安全性抗拉安全性1
2
23878.3
6100.76
5.77527
35.5211
113.04
113.04
满足要求
满足要求
满足要求
满足要求
四、抗滑动及抗倾覆稳定性验算
1)抗滑动稳定性验算δ=φ/3=5.55556
B=0.6H-0.8H,取B=0.7H=0.7*5=3.5
W=γHB=350kN
σ=(W+qB)/A=385
f=τ=σtanφ+c=116.261
由公式,抗滑移安全系数计算得:
γ=(qB+W+E a sinδ)f/E a cosδ=487.062≥1.3
满足要求
2)抗倾覆稳定性验算
抗倾覆安全系数按以下公式计算,由下式确定
γt=3B(qB+W+2E a sinδ)/2*H*E a cosδ=4.50097≥1.3 满足要求。