土钉墙支护计算计算书
- 格式:doc
- 大小:132.50 KB
- 文档页数:10
土钉墙支护计算计算书本计算书参照《建筑基坑支护技术规程》JGJ120-99 中国建筑工业出版社出版《建筑施工计算手册》江正荣编著中国建筑工业出版社、《实用土木工程手册》第三版杨文渊编著人民教同出版社、《地基与基础》第三版中国建筑工业出版社、《土力学》等相关文献进行编制。
土钉墙需要计算其土钉的抗拉承载力和土钉墙的整体稳定性。
一、参数信息:1、基本参数:侧壁安全级别:二级基坑开挖深度h(m):7.430;土钉墙计算宽度b'(m):100;土体的滑动摩擦系数按照tanφ计算,φ为坡角水平面所在土层内的内摩擦角;条分块数:/;不考虑地下水位影响;2、荷载参数:序号类型面荷载q(kPa) 基坑边线距离b0(m) 宽度b1(m)1 局布20.00 4.86 53、地质勘探数据如下::序号土名称土厚度坑壁土的重度γ 坑壁土的内摩擦角φ 内聚力C 极限摩擦阻力(m) (kN/m3) (°) (kPa) (kPa)1 填土 1.30 18.00 18.00 12.00 80.002 粘性土 1.30 18.00 20.00 25.00 100.003 粉土 3.10 19.00 25.00 18.00 110.004 粘性土 1.20 18.00 20.00 25.00 100.005 粉砂 4.10 19.00 35.00 18.00 115.004、土钉墙布置数据:放坡参数:序号放坡高度(m) 放坡宽度(m) 平台宽度(m)1 7.43 3.00 100.00土钉数据:序号直径(mm) 长度(m) 入射角(度) 竖向间距(m) 水平间距(m)1 150 6.00 15.00 1.50 1.50二、土钉(含锚杆)抗拉承载力的计算:单根土钉受拉承载力计算,根据《建筑基坑支护技术规程》JGJ 120-99,R=1.25γ0T jk1、其中土钉受拉承载力标准值T jk按以下公式计算:T jk=ζe ajk s xj s zj/cosαj其中ζ--荷载折减系数e ajk --土钉的水平荷载s xj、s zj--土钉之间的水平与垂直距离αj--土钉与水平面的夹角ζ按下式计算:ζ=tan[(β-φk)/2](1/(tan((β+φk)/2))-1/tanβ)/tan2(45°-φ/2)其中β--土钉墙坡面与水平面的夹角。
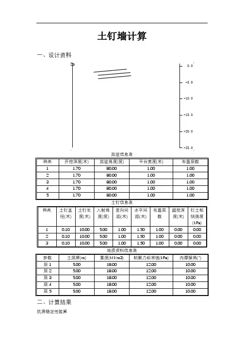
土钉墙计算
一、设计资料
放坡信息表
土钉信息表
地质资料信息表
二、计算结果
抗滑稳定性验算
-25.0
-20.0
-15.0
-10.0
-5.0
0.0
抗倾覆稳定性验算
土钉安全系数
内部整体稳定性分析结果:
第1步开挖内部整体稳定性安全系数= 1.10<1.10,不满足要求!第2步开挖内部整体稳定性安全系数= 4.96>1.10, 满足要求!第3步开挖内部整体稳定性安全系数=
1.56>1.10, 满足要求!第4步开挖内部整体稳定性安全系数= 1.07<1.10,不满足要求!第5步开挖内部整体稳定性安全系数= 1.53>1.10, 满足要求!第6步开挖内部整体稳定性安全系数= 1.08<1.10,不满足要求!第7步开挖内部整体稳定性安全系数= 0.86<1.10,不满足要求!第8步开挖内部整体稳定性安全系数= 0.70<1.10,不满足要求!。
土钉墙支护计算计算书本计算书参照《建筑基坑支护技术规程》JGJ120-99 中国建筑工业出版社出版《建筑施工计算手册》江正荣编著中国建筑工业出版社、《实用土木工程手册》第三版杨文渊编著人民教同出版社、《地基与基础》第三版中国建筑工业出版社、《土力学》等相关文献进行编制。
土钉墙需要计算其土钉的抗拉承载力和土钉墙的整体稳定性。
一、参数信息:1、基本参数:侧壁安全级别:二级基坑开挖深度h(m):7.430;土钉墙计算宽度b'(m):100;土体的滑动摩擦系数按照tanφ计算,φ为坡角水平面所在土层内的内摩擦角;条分块数:/;不考虑地下水位影响;2、荷载参数:序号类型面荷载q(kPa) 基坑边线距离b0(m) 宽度b1(m)1 局布20.00 4.86 53、地质勘探数据如下::序号土名称土厚度坑壁土的重度γ坑壁土的内摩擦角φ内聚力C 极限摩擦阻力(m) (kN/m3) (°) (kPa)(kPa)1 填土 1.30 18.00 18.00 12.00 80.002 粘性土 1.30 18.00 20.00 25.00 100.003 粉土 3.10 19.00 25.00 18.00 110.004 粘性土 1.20 18.00 20.00 25.00 100.005 粉砂 4.10 19.00 35.00 18.00 115.004、土钉墙布置数据:放坡参数:序号放坡高度(m) 放坡宽度(m) 平台宽度(m)1 7.43 3.00 100.00土钉数据:序号直径(mm) 长度(m) 入射角(度) 竖向间距(m) 水平间距(m)1 150 6.00 15.00 1.50 1.50二、土钉(含锚杆)抗拉承载力的计算:单根土钉受拉承载力计算,根据《建筑基坑支护技术规程》JGJ 120-99,R=1.25γ0T jk1、其中土钉受拉承载力标准值T jk按以下公式计算:T jk=ζe ajk s xj s zj/cosαj其中ζ--荷载折减系数e ajk --土钉的水平荷载s xj、s zj--土钉之间的水平与垂直距离αj--土钉与水平面的夹角ζ按下式计算:ζ=tan[(β-φk)/2](1/(tan((β+φk)/2))-1/tanβ)/tan2(45°-φ/2)其中β--土钉墙坡面与水平面的夹角。
土钉墙支护计算书永昌县同人商贸影视城工程;属于框架;地上5层;地下1层;建筑高度:32m;标准层层高:4.5m ;总建筑面积:17590平方米;总工期:500天;施工单位:金昌市隆凯建筑安装工程有限公司本工程由永昌县万安房地产开发有限公司投资建设,华诚博远(北京)建筑规划设计有限公司设计,兰州岩土华夏有限公司勘察,金昌恒业建设工程监理有限公司监理,金昌市隆凯建筑安装工程有限公司组织施工;由李玉龙担任项目经理,张得文担任技术负责人。
本计算书参照《建筑基坑支护技术规程》JGJ120-2012 中国建筑工业出版社出版《建筑施工计算手册》江正荣编著中国建筑工业出版社、《实用土木工程手册》第三版杨文渊编著人民教同出版社、《地基与基础》第三版中国建筑工业出版社、《土力学》等相关文献进行编制。
土钉墙需要计算其土钉的抗拉承载力和土钉墙的整体稳定性。
一、参数信息:1、基本参数:侧壁安全级别:一级基坑开挖深度h(m):10.000;土钉墙计算宽度b'(m):30.00;土体的滑动摩擦系数按照tanφ计算,φ为坡角水平面所在土层内的内摩擦角;条分块数:20;不考虑地下水位影响;2、荷载参数:序号类型面荷载q(kPa) 基坑边线距离b0(m) 宽度b1(m)1 满布15.00 -- --3、地质勘探数据如下::序号土名称土厚度坑壁土的重度γ 坑壁土的内摩擦角φ 内聚力C 极限摩擦阻力饱和重度(m) (kN/m3) (°) (kPa) (kPa) (kN/m3)1 杂填土 1.60 18.00 30.00 15.00 112.00 1.002 角砾层 2.6 19.00 30.00 5.50 112.00 1.003 粉砂 2.30 19.50 30.50 30.00 112.00 20.004 角砾 1.40 21.50 37.50 12.50 112.00 1.00 放坡参数:序号放坡高度(m) 放坡宽度(m) 平台宽度(m)1 9.00 4.00 30.00土钉数据:序号孔径(mm) 长度(m) 入射角(度) 竖向间距(m) 水平间距(m)1 50.00 9.00 15.00 1.40 1.502 50.00 9.00 15.00 1.40 1.503 50.00 7.00 15.00 1.40 1.504 50.00 7.00 15.00 1.40 1.505 50.00 7.00 15.00 1.40 1.506 50.00 7.00 15.00 1.40 1.507 50.00 7.00 15.00 1.40 1.50二、土钉(含锚杆)抗拉承载力的计算:单根土钉受拉承载力计算,根据《建筑基坑支护技术规程》JGJ 120-2012,R=1.25γ0T jk1、其中土钉受拉承载力标准值T jk按以下公式计算:T jk=ζe ajk s xj s zj/cosαj其中ζ--荷载折减系数e ajk--土钉的水平荷载s xj、s zj --土钉之间的水平与垂直距离αj--土钉与水平面的夹角ζ按下式计算:ζ=tan[(β-φk)/2](1/(tan((β+φk)/2))-1/tanβ)/t an2(45°-φ/2)其中β--土钉墙坡面与水平面的夹角。
土钉墙支护计算书永昌县同人商贸影视城工程;属于框架;地上5层;地下1层;建筑高度:32m;标准层层高:4.5m ;总建筑面积:17590平方米;总工期:500天;施工单位:金昌市隆凯建筑安装工程本工程由永昌县万安房地产开发投资建设,华诚博远()建筑规划设计设计,岩土华夏勘察,金昌恒业建设工程监理监理,金昌市隆凯建筑安装工程组织施工;由玉龙担任项目经理,得文担任技术负责人。
本计算书参照《建筑基坑支护技术规程》JGJ120-2012 中国建筑工业出版《建筑施工计算手册》江正荣编著中国建筑工业、《实用土木工程手册》第三版文渊编著人民教同、《地基与基础》第三版中国建筑工业、《土力学》等相关文献进行编制。
土钉墙需要计算其土钉的抗拉承载力和土钉墙的整体稳定性。
一、参数信息:1、基本参数:侧壁安全级别:一级基坑开挖深度h(m):10.000;土钉墙计算宽度b'(m):30.00;土体的滑动摩擦系数按照tanφ计算,φ为坡角水平面所在土层的摩擦角;条分块数:20;不考虑地下水位影响;2、荷载参数:序号类型面荷载q(kPa) 基坑边线距离b0(m) 宽度b1(m)1 满布15.00 -- --3、地质勘探数据如下::序号土名称土厚度坑壁土的重度γ 坑壁土的摩擦角φ 聚力C 极限摩擦阻力饱和重度(m) (kN/m3) (°) (kPa) (kPa) (kN/m3)1 杂填土 1.60 18.00 30.00 15.00 112.00 1.002 角砾层 2.6 19.00 30.00 5.50 112.00 1.003 粉砂 2.30 19.50 30.50 30.00 112.00 20.004 角砾 1.40 21.50 37.50 12.50 112.00 1.00 放坡参数:序号放坡高度(m) 放坡宽度(m) 平台宽度(m)1 9.00 4.00 30.00土钉数据:序号孔径(mm) 长度(m) 入射角(度) 竖向间距(m) 水平间距(m)1 50.00 9.00 15.00 1.40 1.502 50.00 9.00 15.00 1.40 1.503 50.00 7.00 15.00 1.40 1.504 50.00 7.00 15.00 1.40 1.505 50.00 7.00 15.00 1.40 1.506 50.00 7.00 15.00 1.40 1.507 50.00 7.00 15.00 1.40 1.50二、土钉(含锚杆)抗拉承载力的计算:单根土钉受拉承载力计算,根据《建筑基坑支护技术规程》JGJ 120-2012,R=1.25γ0T jk1、其中土钉受拉承载力标准值T jk按以下公式计算:T jk=ζe ajk s xj s zj/cosαj其中ζ--荷载折减系数e ajk--土钉的水平荷载s xj、s zj --土钉之间的水平与垂直距离αj--土钉与水平面的夹角ζ按下式计算:ζ=tan[(β-φk)/2](1/(tan((β+φk)/2))-1/tanβ)/t an2(45°-φ/2)其中β--土钉墙坡面与水平面的夹角。
土钉墙支护计算计算书本计算书参照《建筑基坑支护技术规程》JGJ120-99 中国建筑工业出版《建筑施工计算手册》江正荣编著中国建筑工业、《实用土木工程手册》第三版文渊编著人民教同、《地基与基础》第三版中国建筑工业、《土力学》等相关文献进行编制。
土钉墙需要计算其土钉的抗拉承载力和土钉墙的整体稳定性。
一、参数信息:1、基本参数:侧壁安全级别:二级基坑开挖深度h(m):7.430;土钉墙计算宽度b'(m):100;土体的滑动摩擦系数按照tanφ计算,φ为坡角水平面所在土层的摩擦角;条分块数:/;不考虑地下水位影响;2、荷载参数:序号类型面荷载q(kPa) 基坑边线距离b0(m) 宽度b1(m)1 局布20.00 4.86 53、地质勘探数据如下::序号土名称土厚度坑壁土的重度γ 坑壁土的摩擦角φ 聚力C 极限摩擦阻力(m) (kN/m3) (°) (kPa) (kPa)1 填土 1.30 18.00 18.00 12.0080.002 粘性土 1.30 18.00 20.00 25.00100.003 粉土 3.10 19.00 25.00 18.00110.004 粘性土 1.20 18.00 20.00 25.00 100.005 粉砂 4.10 19.00 35.00 18.00 115.004、土钉墙布置数据:放坡参数:序号放坡高度(m) 放坡宽度(m) 平台宽度(m)1 7.43 3.00 100.00土钉数据:序号直径(mm) 长度(m) 入射角(度) 竖向间距(m) 水平间距(m)1 150 6.00 15.00 1.50 1.50二、土钉(含锚杆)抗拉承载力的计算:单根土钉受拉承载力计算,根据《建筑基坑支护技术规程》JGJ 120-99,R=1.25γ0T jk1、其中土钉受拉承载力标准值T jk按以下公式计算:T jk=ζe ajk s xj s zj/cosαj其中ζ--荷载折减系数e ajk--土钉的水平荷载s xj、s zj --土钉之间的水平与垂直距离αj--土钉与水平面的夹角ζ按下式计算:ζ=tan[(β-φk)/2](1/(tan((β+φk)/2))-1/tanβ)/tan2(45°-φ/2)其中β--土钉墙坡面与水平面的夹角。
土钉墙支护计算计算书品茗软件大厦工程;属于结构;地上0层;地下0层;建筑高度:0m;标准层层高:0m;总建筑面积:0平方米;总工期:0天;施工单位:某某施工单位。
本项目由XX房地产开发公司投资建设,XX设计院设计,XX勘察单位地质勘察,XX监理公司监理,XX建设单位组织施工;张先生担任项目经理,李先生担任技术总监。
本计算书参照《建筑基坑支护技术规程》jgj120-99中国建筑工业出版社出版《建筑施工计算手册》江正荣编著中国建筑工业出版社、《实用土木工程手册》第三版杨文渊编著人民教同出版社、《地基与基础》第三版中国建筑工业出版社、《土力学》等相关文献进行编制。
有必要对土钉支护的抗拉承载力和土钉墙的整体稳定性进行计算。
一、参数信息:1.基本参数:侧壁安全级别:二级基坑开挖深度h(m):4.950;土钉墙计算宽度b'(m):6.00;土体滑动摩擦系数按tanφ计算,φ为坡角水平面所在土层内的内摩擦角;条带和块数:20;考虑地下水位的影响;基坑外侧水位到坑顶的距离(m):2.000;基坑内侧水位到坑顶的距离(m):6.000;2.荷载参数:序号类型面荷载q(kpa)基坑边线距离b0(m)宽度b1(m)1满布10.00----3.地质勘探资料如下:4、土钉墙布置数据:放坡参数:序号放坡高度(m)放坡宽度(m)平台宽度(m)14.955.000.70土钉数据:序列号孔径(mm)长度(m)入射角(度)垂直间距(m)水平间距(m)148.0012.0020.001.301.202220.005.0020.001.501.20二、土钉(含锚杆)抗拉承载力的计算:根据《基坑支护技术规范JGJ120—99,R=1.25γ0TJK》计算了单桩土钉的抗拉承载力。
1、其中土钉受拉承载力标准值tjk按以下公式计算:tjk=δeajksxjszj/cosαj其中δ--荷载折减系数eajk--土钉的水平荷载Sxj,SZJ——土钉之间的水平和垂直距离αJ——土钉与水平面的夹角δ,按下式计算:δ=tan[(β-φk)/2](1/(tan((β+φk)/2))-1/tanβ)/tan2(45°-φ/2)其中β--土钉墙坡面与水平面的夹角。
土钉墙支护计算计算书之答禄夫天创作本计算书参照《建筑基坑支护技术规程》 JGJ12099 中国建筑工业出书社出书《建筑施工计算手册》江正荣编著中国建筑工业出书社、《实用土木工程手册》第三版杨文渊编著人民教同出书社、《地基与基础》第三版中国建筑工业出书社、《土力学》等相关文献进行编制.土钉墙需要计算其土钉的抗拉承载力和土钉墙的整体稳定性.一、参数信息:1、基本参数:侧壁平安级别:二级基坑开挖深度h(m):7.430;土钉墙计算宽度b'(m):100;土体的滑动摩擦系数依照tanφ计算,φ为坡角水平面所在土层内的内摩擦角;条分块数:/;不考虑地下水位影响;2、荷载参数:序号类型面荷载q(kPa) 基坑边线距离b0(m) 宽度b1(m)1 局布 20.00 4.86 53、地质勘探数据如下::序号土名称土厚度坑壁土的重度γ 坑壁土的内摩擦角φ 内聚力C 极限摩擦阻力(m) (kN/m3) (°) (kPa) (kPa)1 填土 1.30 18.00 18.00 12.00 80.002 粘性土 1.30 18.00 20.00 25.00 100.003 粉土 3.10 19.00 25.00 18.00 110.004 粘性土 1.20 18.00 20.00 25.00 100.005 粉砂 4.10 19.00 35.0018.00 115.004、土钉墙安插数据:放坡参数:序号放坡高度(m) 放坡宽度(m) 平台宽度(m)1 7.43 3.00 100.00土钉数据:序号直径(mm) 长度(m) 入射角(度) 竖向间距(m) 水平间距(m)1 1506.00 15.00 1.50 1.50二、土钉(含锚杆)抗拉承载力的计算:单根土钉受拉承载力计算,根据《建筑基坑支护技术规程》JGJ 12099,R=1.25γ0Tjk1、其中土钉受拉承载力标准值Tjk按以下公式计算:Tjk=ζeajksxjszj/cosαj其中ζ荷载折减系数eajk 土钉的水平荷载sxj、szj 土钉之间的水平与垂直距离αj土钉与水平面的夹角ζ按下式计算:ζ=tan[(βφk)/2](1/(tan((β+φk)/2))1/tanβ)/tan2(45°φ/2)其中β土钉墙坡面与水平面的夹角.φ土的内摩擦角eajk按根据土力学依照下式计算:eajk=∑{[(γi×szj)+q0]×Kai2c(Kai)1/2}2、土钉抗拉承载力设计值Tuj依照下式计算Tuj=(1/γs)πdnj∑qsikli其中 dnj 土钉的直径.γs土钉的抗拉力分项系数,取1.3qsik 土与土钉的摩擦阻力.根据JGJ12099 表6.1.4和表4.4.3选取.li 土钉在直线破裂面外穿越稳定土体内的长度.层号有效长度(m) 抗拉承载力(kN) 受拉荷载标准值(kN)初算长度(m) 平安性1 2.68 10.35 0.00 3.32 满足第1号土钉钢筋的直径ds至少应取:14.000 mm;三、土钉墙整体稳定性的计算:根据《建筑基坑支护技术规程》JGJ 12099要求,土钉墙应根据施工期间分歧开挖深度及基坑底面以下可能滑动面采纳圆弧滑动简单条分法如下图,依照下式进行整体稳定性验算:公式中:γk滑动体分项系数,取1.3;γ0基坑侧壁重要系数;ωi第i条土重;bi 第i分条宽度;cik 第i条滑土裂面处土体固结不排水(快)剪粘聚力标准值;φik第i条滑土裂面处土体固结不排水(快)剪内摩擦角标准值;θi第i条土滑裂面处中点切线与平面夹角;αj土钉与水平面之间的夹角;Li 第i条土滑裂面的弧长;s 计算滑动体单位厚度;Tnj第j根土钉在圆弧滑裂面外锚固与土体的极限抗拉力,按下式计算.Tnj=πdnj∑qsiklnjlnj 第j根土钉在圆弧滑裂面外穿越第i层稳定土体内的长度把各参数代入上面的公式,进行计算可获得如下结果:计算步数平安系数滑裂角(度) 圆心X(m) 圆心Y(m)半径R(m)第1步 2.355 29.610 0.034 1.475 1.476示意图如下:计算步数平安系数滑裂角(度) 圆心X(m) 圆心Y(m)半径R(m)第2步 1.586 29.610 0.251 10.963 10.966示意图如下:计算结论如下:第 1 步开挖内部整体稳定性平安系数 Fs= 2.355>1.30 满足要求! [标高 1.000 m]第 2 步开挖内部整体稳定性平安系数 Fs= 1.586>1.30 满足要求! [标高 7.430 m]四、抗滑动及抗倾覆稳定性验算(1)抗滑动稳定性验算抗滑动平安系数按下式计算:KH=f'/Eah≥1.3式中,Eah为主动土压力的水平分量(kN);f'为墙底的抗滑阻力(kN),由下式计算求得:f'=μ(W+qBaSv)μ为土体的滑动摩擦系数;W为所计算土体自重(kN)q为坡顶面荷载(kN/m2);Ba为荷载长度;Sv为计算墙体的厚度,取土钉的一个水平间距进行计算1级坡:KH=3.62>1.3,满足要求!(2)抗倾覆稳定性验算抗倾覆平安系数按以下公式计算:KQ=MG/MQ式中,MG由墙体自重和空中荷载发生的抗倾覆力矩,由下式确定MG=W×BC×qBa×(B'B+b×Ba/2)其中,W为所计算土体自重(kN)其中,q为坡顶面荷载(kN/m2)Bc为土体重心至o点的水平距离;Ba为荷载在B范围内长度;b为荷载距基坑边线长度;B'为土钉墙计算宽度;ME由主动土压力发生的倾覆力矩,由下式确定Mk=Eah×lh其中,Eah为主动土压力的水平分量(kN);lh为主动土压力水平分量的合力点至通过墙趾O水平面的垂直距离.1级坡:满足要求!。
土钉支护计算书介绍本文档旨在提供土钉支护计算的详细步骤和方法。
通过使用土钉支护进行工程结构的加固和稳定,可以有效地抵抗土壤侧压和滑动力,从而确保工程的安全性和可靠性。
计算步骤1. 掌握土壤力学参数:首先,需要根据实际情况测定土壤的重度、内摩擦角、黏聚力等土壤力学参数。
2. 计算土壤侧压力:使用相关公式计算土壤对支护结构施加的侧压力。
考虑到土壤干湿度、墙面的形状和倾角等因素,确保准确计算侧压力。
3. 确定土钉参数:根据计算出的土壤侧压力,确定适当的土钉参数。
根据实际工程需要,包括土钉的直径、长度、间距、受力锚固长度等参数。
4. 计算土钉的锚固力和抗滑力:通过使用适当的公式,计算土钉的锚固力和抗滑力。
确保土钉足够强大,能够有效地抵抗土壤的侧方向滑动。
5. 校核土钉的受力状态:通过对土钉进行受力校核,确保土钉在受力状态下不会产生破坏。
考虑土壤的强度参数和土钉的受力情况,进行合理的校核。
6. 绘制土钉支护计算表格:将计算结果以表格形式进行总结和整理,以便于工程师和技术人员进行查看和参考。
注意事项- 在进行土钉支护计算时,需严格遵循相关规范和标准,确保计算结果的准确性和可靠性。
- 对于土壤力学参数的确定,应选择合适的试验方法和设备进行测试,确保测试结果的可靠性和准确性。
- 在计算过程中,应充分考虑土壤的不同特性和条件对计算结果的影响,采取适当的修正措施。
- 需要保证土钉的施工质量和材料质量,对于土钉的质量问题,进行严格控制和检测。
结论土钉支护计算是确保土壤工程结构稳定和安全的重要步骤。
通过合理地计算土壤侧压力、确定合适的土钉参数、计算土钉的锚固力和抗滑力,以及校核土钉的受力状态,可以确保土钉支护的有效性和可靠性。
土钉墙支护计算计算书本计算书参照《建筑基坑支护技术规程》 JGJ120-99 中国建筑工业出版社出版《建筑施工计算手册》江正荣编著中国建筑工业出版社、《实用土木工程手册》第三版杨文渊编著人民教同出版社、《地基与基础》第三版中国建筑工业出版社、《土力学》等相关文献进行编制。
土钉墙需要计算其土钉的抗拉承载力和土钉墙的整体稳定性。
一、参数信息:1、基本参数:侧壁安全级别:二级基坑开挖深度h(m):7.430;土钉墙计算宽度b'(m):100;土体的滑动摩擦系数按照tanφ计算,φ为坡角水平面所在土层内的内摩擦角;条分块数:/;不考虑地下水位影响;2、荷载参数:序号类型面荷载q(kPa) 基坑边线距离b0(m) 宽度b1(m)1 局布 20.00 4.86 53、地质勘探数据如下::序号土名称土厚度坑壁土的重度γ 坑壁土的内摩擦角φ 内聚力C 极限摩擦阻力(m) (kN/m3) (°) (kPa) (kPa)1 填土 1.30 18.00 18.00 12.0080.002 粘性土 1.30 18.00 20.00 25.00100.003 粉土 3.10 19.00 25.00 18.00110.004 粘性土 1.20 18.00 20.00 25.00 100.005 粉砂 4.10 19.00 35.00 18.00 115.004、土钉墙布置数据:放坡参数:序号放坡高度(m) 放坡宽度(m) 平台宽度(m)1 7.43 3.00 100.00土钉数据:序号直径(mm) 长度(m) 入射角(度) 竖向间距(m) 水平间距(m)1 150 6.00 15.00 1.50 1.50二、土钉(含锚杆)抗拉承载力的计算:单根土钉受拉承载力计算,根据《建筑基坑支护技术规程》JGJ 120-99,R=1.25γ0T jk1、其中土钉受拉承载力标准值Tjk按以下公式计算:T jk =ζeajksxjszj/co sαj其中ζ--荷载折减系数 eajk--土钉的水平荷载sxj 、szj--土钉之间的水平与垂直距离αj--土钉与水平面的夹角ζ按下式计算:ζ=tan[(β-φk )/2](1/(tan((β+φk)/2))-1/tanβ)/tan2(45°-φ/2)其中β--土钉墙坡面与水平面的夹角。
土钉墙支护计算书计算依据:1、《建筑基坑支护技术规程》JGJ120-20122、《建筑施工计算手册》江正荣编著3、《实用土木工程手册》第三版杨文渊编著4、《施工现场设施安全设计计算手册》谢建民编著5、《地基与基础》第三版土钉墙需要计算其土钉的抗拉承载力和土钉墙的整体稳定性。
一、参数信息1、基本参数放坡参数:K a1=tan2(45°- φ1/2)= tan2(45-18/2)=0.528;K a2=tan2(45°- φ2/2)= tan2(45-18/2)=0.528;K a3=tan2(45°- φ3/2)= tan2(45-12/2)=0.656;K a4=tan2(45°- φ4/2)= tan2(45-20/2)=0.49;第1层土:0-1.2m(+0)H1'=[∑γ0h0]/γi=[0]/20=0mP ak1上=γ1H1'K a1-2c1K a10.5=20×0×0.528-2×12×0.5280.5=-17.439kN/m2P ak1下=γ1(h1+H1')K a1-2c1K a10.5=20×(1.2+0)×0.528-2×12×0.5280.5=-4.767kN/m2第2层土:1.2-2m(+0)H2'=[∑γ1h1]/γsati=[24]/20=1.2mP ak2上=[γsat2H2'-γw(∑h1-h a)]K a2-2c2K a20.5+γw(∑h1-h a)=[20×1.2-10×(1.2-1.2)]×0.528-2×12×0.52 80.5+10×(1.2-1.2)=-4.767kN/m2P ak2下=[γsat2(H2'+h2)-γw(∑h1-h a)]K a2-2c2K a20.5+γw(∑h1-h a)=[20×(1.2+0.8)-10×(2-1.2)]×0.528-2×12×0.5280.5+10×(2-1.2)=7.457kN/m2第3层土:2-4m(+0)H3'=[∑γ2h2]/γsati=[40]/19=2.105mP ak3上=[γsat3H3'-γw(∑h2-h a)]K a3-2c3K a30.5+γw(∑h2-h a)=[19×2.105-10×(2-1.2)]×0.656-2×10×0.65 60.5+10×(2-1.2)=12.79kN/m2P ak3下=[γsat3(H3'+h3)-γw(∑h2-h a)]K a3-2c3K a30.5+γw(∑h2-h a)=[19×(2.105+2)-10×(4-1.2)]×0.656-2×10×0.6560.5+10×(4-1.2)=44.598kN/m2第4层土:4-5m(+0)H4'=[∑γ3h3]/γsati=[78]/22=3.545mP ak4上=[γsat4H4'-γw(∑h3-h a)]K a4-2c4K a40.5+γw(∑h3-h a)=[22×3.545-10×(4-1.2)]×0.49-2×18×0.490. 5+10×(4-1.2)=27.295kN/m2P ak4下=[γsat4(H4'+h4)-γw(∑h3-h a)]K a4-2c4K a40.5+γw(∑h3-h a)=[22×(3.545+1)-10×(5-1.2)]×0.49-2×18×0.490.5+10×(5-1.2)=43.175kN/m21)水平荷载临界深度:Z0=P ak2下h2/(P ak2上+ P ak2下)=7.457×0.8/(4.767+7.457)=0.488m;第1层土E ak1=0kN;第2层土E ak2=0.5P ak2下Z0b a=0.5×7.457×0.488×1=1.82kN;a a2=Z0/3+∑h3=0.488/3+3=3.163m;第3层土E ak3=h3(P a3上+P a3下)b a/2=2×(12.79+44.598)×1/2=57.388kN;a a3=h3(2P a3上+P a3下)/(3P a3上+3P a3 )+∑h4=2×(2×12.79+44.598)/(3×12.79+3×44.598)+1=1.815m;下第4层土E ak4=h4(P a4上+P a4下)b a/2=1×(27.295+43.175)×1/2=35.235kN;a a4=h4(2P a4上+P a4下)/(3P a4上+3P a4 )=1×(2×27.295+43.175)/(3×27.295+3×43.175)=0.462m;下土压力合力:E ak=ΣE aki=0+1.82+57.388+35.235=94.443kN;合力作用点:a a= Σ(a ai E aki)/E ak=(0×0+3.163×1.82+1.815×57.388+0.462×35.235)/94.443=1.336m;1、单根土钉的轴向拉力标准值N k,j:N k,j=ζηj P ak,j S xj S zj/cosαj其中ζ--荷载折减系数ηj--第j层土钉轴向拉力调整系数P ak,j--第j层土钉处的主动土压力强度标准值S xj、S zj--土钉之间的水平与垂直距离αj--土钉与水平面的夹角N j=γ0γF N k,j=1×1.25×5.32=6.65kN≤f y A s=400×314=125.6kN满足要求!R k,j/N k,j=29.423/5.32=5.531≥K t=1.6满足要求!5三、土钉墙整体稳定性的计算根据《建筑基坑支护技术规程》JGJ120-2012要求,土钉墙应根据施工期间不同开挖深度及基坑底面以下可能滑动面采用圆弧滑动简单条分法如下图,按照下式进行整体稳定性验算:圆弧滑动法示意图公式中:c j、φj──第j土条滑弧面处土的粘聚力(kPa)、内摩擦角(°);b j──第j土条的宽度(m);θj──第j土条滑弧面中点处的法线与垂直面的夹角(°);l j──第j土条的滑弧段长度(m),取l j=b j/cosθj;q j──作用在第j土条上的附加分布荷载标准值(kPa) ;ΔG j──第j土条的自重(kN),按天然重度计算;u j──第j土条在滑弧面上的孔隙水压力(kPa),采用落底式截水帷幕时,对地下水位以下的砂土、碎石土、粉土,在基坑外侧,可取u j=γw h waj,在基坑内侧,可取u j=γw h wpj;滑弧面在地下水位以上或对地下水位以下的粘性土,取u j=0;γw──地下水重度(kN/m3);h waj──基坑外侧第j土条滑弧面中点的压力水头(m);h wpj──基坑内侧第j土条滑弧面中点的压力水头(m);Rˊk,k──第k根土钉在圆弧滑动面以外的锚固段的极限抗拔承载力标准值与杆体受拉承载力标准值的较小值;αk──表示第k层土钉的倾角;θk──圆弧面在第k层土钉处的法线与垂直面的夹角;ψv──计算系数,取ψv=0.5sin(αk+θk)tanφ, φ表示的是第k层土钉与滑弧交点处土的内摩擦角。
把各参数代入上面的公式,进行计算可得到如下结果:---------------------------------------------------------------------------------计算步数安全系数滑裂角(度) 圆心X(m) 圆心Y(m) 半径R(m)第1步 1.658 29.389 -0.784 2.403 2.528示意图如下:计算步数安全系数滑裂角(度) 圆心X(m) 圆心Y(m) 半径R(m)第2步 1.888 29.389 -1.569 4.806 5.056示意图如下:计算步数安全系数滑裂角(度) 圆心X(m) 圆心Y(m) 半径R(m)第3步 1.725 29.389 -2.615 8.010 8.426示意图如下:--------------------------------------------------------------------------------------计算结论如下:第 1 步开挖内部整体稳定性安全系数γk= 1.658>=1.300 满足要求! [标高-1.500 m]第 2 步开挖内部整体稳定性安全系数γk= 1.888>=1.300 满足要求! [标高-3.000 m]第 3 步开挖内部整体稳定性安全系数γk= 1.725> 1.300 满足要求! [标高-5.000 m]四、抗滑动及抗倾覆稳定性验算1)抗滑动稳定性验算抗滑动安全系数按下式计算:f'/E ah≥1.2式中,E ah为主动土压力的水平分量(kN);f'为墙底的抗滑阻力(kN),由下式计算求得:f'=μ(W+qB a S v)μ为土体的滑动摩擦系数;W为所计算土体自重(kN)q为坡顶面荷载(kN/m2);B a为荷载长度;S v为计算墙体的厚度,取土钉的一个水平间距进行计算1级坡:f'/E ah=5.393>1.200,满足要求!2)抗倾覆稳定性验算抗倾覆安全系数按以下公式计算:M G/M Q式中,M G--由墙体自重和地面荷载产生的抗倾覆力矩,由下式确定M G=W×B C×qB a×(B'-B+b×B a/2)其中,W为所计算土体自重(kN)其中,q为坡顶面荷载(kN/m2)B c为土体重心至o点的水平距离;B a为荷载在B范围内长度;b为荷载距基坑边线长度;B'为土钉墙计算宽度;M k--由主动土压力产生的倾覆力矩,由下式确定M k=E ah×l h其中,E ah为主动土压力的水平分量(kN);l h为主动土压力水平分量的合力点至通过墙趾O水平面的垂直距离。