土钉墙支护计算计算书
- 格式:doc
- 大小:138.50 KB
- 文档页数:10
土钉墙支护计算计算书本计算书参照《建筑基坑支护技术规程》JGJ120-99 中国建筑工业出版《建筑施工计算手册》江正荣编著中国建筑工业、《实用土木工程手册》第三版文渊编著人民教同、《地基与基础》第三版中国建筑工业、《土力学》等相关文献进行编制。
土钉墙需要计算其土钉的抗拉承载力和土钉墙的整体稳定性。
一、参数信息:1、基本参数:侧壁安全级别:二级基坑开挖深度h(m):7.430;土钉墙计算宽度b'(m):100;土体的滑动摩擦系数按照tanφ计算,φ为坡角水平面所在土层的摩擦角;条分块数:/;不考虑地下水位影响;2、荷载参数:序号类型面荷载q(kPa) 基坑边线距离b0(m) 宽度b1(m)1 局布20.00 4.86 53、地质勘探数据如下::序号土名称土厚度坑壁土的重度γ坑壁土的摩擦角φ聚力C 极限摩擦阻力(m) (kN/m3) (°) (kPa) (kPa)1 填土 1.30 18.00 18.00 12.00 80.002 粘性土 1.30 18.00 20.00 25.00100.003 粉土 3.10 19.00 25.00 18.00 110.004 粘性土 1.20 18.00 20.00 25.00100.005 粉砂 4.10 19.00 35.00 18.00 115.004、土钉墙布置数据:放坡参数:序号放坡高度(m) 放坡宽度(m) 平台宽度(m)1 7.43 3.00 100.00土钉数据:序号直径(mm) 长度(m) 入射角(度) 竖向间距(m) 水平间距(m)1 150 6.00 15.00 1.50 1.50二、土钉(含锚杆)抗拉承载力的计算:单根土钉受拉承载力计算,根据《建筑基坑支护技术规程》JGJ 120-99,R=1.25γ0T jk1、其中土钉受拉承载力标准值T jk按以下公式计算:T jk=ζe ajk s xj s zj/cosαj其中ζ--荷载折减系数e ajk --土钉的水平荷载s xj、s zj--土钉之间的水平与垂直距离αj--土钉与水平面的夹角ζ按下式计算:ζ=tan[(β-φ)/2](1/(tan((β+φk)/2))-1/tanβ)/tan2(45°-φ/2)k其中β--土钉墙坡面与水平面的夹角。
土钉墙支护计算计算书本计算书参照《建筑基坑支护技术规程》JGJ12099 中国建筑工业出版社出版《建筑施工计算手册》江正荣编著中国建筑工业出版社、《实用土木工程手册》第三版杨文渊编著人民教同出版社、《地基与基础》第三版中国建筑工业出版社、《土力学》等相关文献进行编制。
土钉墙需要计算其土钉的抗拉承载力和土钉墙的整体稳定性。
一、参数信息:1、基本参数:侧壁安全级别:二级基坑开挖深度h(m):7.430;土钉墙计算宽度b'(m):100;土体的滑动摩擦系数按照tanφ计算,φ为坡角水平面所在土层内的内摩擦角;条分块数:/;不考虑地下水位影响;2、荷载参数:序号类型面荷载q(kPa) 基坑边线距离b0(m) 宽度b1(m)1 局布 20.00 4.86 53、地质勘探数据如下::序号土名称土厚度坑壁土的重度γ 坑壁土的内摩擦角φ 内聚力C 极限摩擦阻力(m) (kN/m3) (°) (kPa) (kPa)1 填土 1.30 18.00 18.00 12.0080.002 粘性土 1.30 18.00 20.00 25.00 100.003 粉土 3.10 19.00 25.00 18.00 110.004 粘性土 1.20 18.00 20.00 25.00 100.005 粉砂 4.10 19.00 35.00 18.00115.004、土钉墙布置数据:放坡参数:序号放坡高度(m) 放坡宽度(m) 平台宽度(m)1 7.43 3.00 100.00土钉数据:序号直径(mm) 长度(m) 入射角(度) 竖向间距(m) 水平间距(m)1 1506.00 15.00 1.50 1.50二、土钉(含锚杆)抗拉承载力的计算:单根土钉受拉承载力计算,根据《建筑基坑支护技术规程》JGJ 12099,R=1.25γ0Tjk1、其中土钉受拉承载力标准值Tjk按以下公式计算:Tjk=ζeajksxjszj/cosαj其中ζ荷载折减系数eajk 土钉的水平荷载sxj、szj 土钉之间的水平与垂直距离αj土钉与水平面的夹角ζ按下式计算:ζ=tan[(βφk)/2](1/(tan((β+φk)/2))1/tanβ)/tan2(45°φ/2)其中β土钉墙坡面与水平面的夹角。
土钉墙支护计算计算书本计算书参照《建筑基坑支护技术规程》JGJ120-99 中国建筑工业出版社出版《建筑施工计算手册》江正荣编著中国建筑工业出版社、《实用土木工程手册》第三版杨文渊编著人民教同出版社、《地基与基础》第三版中国建筑工业出版社、《土力学》等相关文献进行编制。
土钉墙需要计算其土钉的抗拉承载力和土钉墙的整体稳定性。
一、参数信息:1、基本参数:侧壁安全级别:二级基坑开挖深度h(m):7.430;土钉墙计算宽度b'(m):100;土体的滑动摩擦系数按照tanφ计算,φ为坡角水平面所在土层内的内摩擦角;条分块数:/;不考虑地下水位影响;2、荷载参数:序号类型面荷载q(kPa) 基坑边线距离b0(m) 宽度b1(m)1 局布20.00 4.86 53、地质勘探数据如下::序号土名称土厚度坑壁土的重度γ 坑壁土的内摩擦角φ 内聚力C 极限摩擦阻力(m) (kN/m3) (°) (kPa) (kPa)1 填土 1.30 18.00 18.00 12.00 80.002 粘性土 1.30 18.00 20.00 25.00 100.003 粉土 3.10 19.00 25.00 18.00 110.004 粘性土 1.20 18.00 20.00 25.00 100.005 粉砂 4.10 19.00 35.00 18.00 115.004、土钉墙布置数据:放坡参数:序号放坡高度(m) 放坡宽度(m) 平台宽度(m)1 7.43 3.00 100.00土钉数据:序号直径(mm) 长度(m) 入射角(度) 竖向间距(m) 水平间距(m)1 150 6.00 15.00 1.50 1.50二、土钉(含锚杆)抗拉承载力的计算:单根土钉受拉承载力计算,根据《建筑基坑支护技术规程》JGJ 120-99,R=1.25γ0T jk1、其中土钉受拉承载力标准值T jk按以下公式计算:T jk=ζe ajk s xj s zj/cosαj其中ζ--荷载折减系数e ajk --土钉的水平荷载s xj、s zj--土钉之间的水平与垂直距离αj--土钉与水平面的夹角ζ按下式计算:ζ=tan[(β-φk)/2](1/(tan((β+φk)/2))-1/tanβ)/tan2(45°-φ/2)其中β--土钉墙坡面与水平面的夹角。
土钉墙支护计算计算书土钉墙支护计算书本计算书参照《建筑基坑支护技术规程》JGJ120-99 中国建筑工业出版社出版《建筑施工计算手册》江正荣编著中国建筑工业出版社、《实用土木工程手册》第三版杨文渊编著人民教同出版社、《地基与基础》第三版中国建筑工业出版社、《土力学》等相关文献进行编制。
土钉墙需要计算其土钉的抗拉承载力和土钉墙的整体稳定性。
一、参数信息:1、基本参数:侧壁安全级别:二级基坑开挖深度h(m):7.700;土钉墙计算宽度b'(m):15.00;土体的滑动摩擦系数按照tanφ计算,φ为坡角水平面所在土层内的内摩擦角;条分块数:10;考虑地下水位影响;基坑外侧水位到坑顶的距离(m):15.000;基坑内侧水位到坑顶的距离(m):15.000;2、荷载参数:序号类型面荷载q(kPa) 荷载宽度b0(m) 基坑边线距离b1(m)1 满布 2.00 -- --3、地质勘探数据如下::放坡参数:序号放坡高度(m) 放坡宽度(m) 平台宽度(m)1 7.70 2.54 12.00土钉参数:序号孔径(mm) 长度(m) 入射角(度) 竖向间距(m) 水平间距(m)1 120.00 4.00 15.00 1.50 2.002 120.00 7.00 15.00 1.50 2.003 120.00 5.00 15.00 1.50 2.00二、土钉(含锚杆)抗拉承载力的计算:单根土钉受拉承载力计算,根据《建筑基坑支护技术规程》JGJ 120-99,R=1.25γ0T jk1、其中土钉受拉承载力标准值T jk按以下公式计算:T jk=δe ajk s xj s zj/cosαj其中δ--荷载折减系数e ajk--土钉的水平荷载s xj、s zj--土钉之间的水平与垂直距离αj--土钉与水平面的夹角δ按下式计算:δ=tan[(β-φk)/2](1/(tan((β+φk)/2))-1/tanβ)/tan2(45°-φ/2)其中β--土钉墙坡面与水平面的夹角。
土钉墙支护计算计算书本计算书参照《建筑基坑支护技术规程》JGJ120-99 中国建筑工业出版社出版《建筑施工计算手册》江正荣编著中国建筑工业出版社、《实用土木工程手册》第三版杨文渊编著人民教同出版社、《地基与基础》第三版中国建筑工业出版社、《土力学》等相关文献进行编制。
土钉墙需要计算其土钉的抗拉承载力和土钉墙的整体稳定性。
一、参数信息:1、基本参数:侧壁安全级别:二级基坑开挖深度h(m):7.430;土钉墙计算宽度b'(m):100;土体的滑动摩擦系数按照tanφ计算,φ为坡角水平面所在土层内的内摩擦角;条分块数:/;不考虑地下水位影响;2、荷载参数:序号类型面荷载q(kPa) 基坑边线距离b0(m) 宽度b1(m)1 局布20.00 4.86 53、地质勘探数据如下::序号土名称土厚度坑壁土的重度γ坑壁土的内摩擦角φ内聚力C 极限摩擦阻力(m) (kN/m3) (°) (kPa)(kPa)1 填土 1.30 18.00 18.00 12.00 80.002 粘性土 1.30 18.00 20.00 25.00 100.003 粉土 3.10 19.00 25.00 18.00 110.004 粘性土 1.20 18.00 20.00 25.00 100.005 粉砂 4.10 19.00 35.00 18.00 115.004、土钉墙布置数据:放坡参数:序号放坡高度(m) 放坡宽度(m) 平台宽度(m)1 7.43 3.00 100.00土钉数据:序号直径(mm) 长度(m) 入射角(度) 竖向间距(m) 水平间距(m)1 150 6.00 15.00 1.50 1.50二、土钉(含锚杆)抗拉承载力的计算:单根土钉受拉承载力计算,根据《建筑基坑支护技术规程》JGJ 120-99,R=1.25γ0T jk1、其中土钉受拉承载力标准值T jk按以下公式计算:T jk=ζe ajk s xj s zj/cosαj其中ζ--荷载折减系数e ajk --土钉的水平荷载s xj、s zj--土钉之间的水平与垂直距离αj--土钉与水平面的夹角ζ按下式计算:ζ=tan[(β-φk)/2](1/(tan((β+φk)/2))-1/tanβ)/tan2(45°-φ/2)其中β--土钉墙坡面与水平面的夹角。
土钉墙支护计算书永昌县同人商贸影视城工程;属于框架;地上5层;地下1层;建筑高度:32m;标准层层高:4.5m ;总建筑面积:17590平方米;总工期:500天;施工单位:金昌市隆凯建筑安装工程有限公司本工程由永昌县万安房地产开发有限公司投资建设,华诚博远(北京)建筑规划设计有限公司设计,兰州岩土华夏有限公司勘察,金昌恒业建设工程监理有限公司监理,金昌市隆凯建筑安装工程有限公司组织施工;由李玉龙担任项目经理,张得文担任技术负责人。
本计算书参照《建筑基坑支护技术规程》JGJ120-2012 中国建筑工业出版社出版《建筑施工计算手册》江正荣编著中国建筑工业出版社、《实用土木工程手册》第三版杨文渊编著人民教同出版社、《地基与基础》第三版中国建筑工业出版社、《土力学》等相关文献进行编制。
土钉墙需要计算其土钉的抗拉承载力和土钉墙的整体稳定性。
一、参数信息:1、基本参数:侧壁安全级别:一级基坑开挖深度h(m):10.000;土钉墙计算宽度b'(m):30.00;土体的滑动摩擦系数按照tanφ计算,φ为坡角水平面所在土层内的内摩擦角;条分块数:20;不考虑地下水位影响;2、荷载参数:序号类型面荷载q(kPa) 基坑边线距离b0(m) 宽度b1(m)1 满布15.00 -- --3、地质勘探数据如下::序号土名称土厚度坑壁土的重度γ 坑壁土的内摩擦角φ 内聚力C 极限摩擦阻力饱和重度(m) (kN/m3) (°) (kPa) (kPa) (kN/m3)1 杂填土 1.60 18.00 30.00 15.00 112.00 1.002 角砾层 2.6 19.00 30.00 5.50 112.00 1.003 粉砂 2.30 19.50 30.50 30.00 112.00 20.004 角砾 1.40 21.50 37.50 12.50 112.00 1.00 放坡参数:序号放坡高度(m) 放坡宽度(m) 平台宽度(m)1 9.00 4.00 30.00土钉数据:序号孔径(mm) 长度(m) 入射角(度) 竖向间距(m) 水平间距(m)1 50.00 9.00 15.00 1.40 1.502 50.00 9.00 15.00 1.40 1.503 50.00 7.00 15.00 1.40 1.504 50.00 7.00 15.00 1.40 1.505 50.00 7.00 15.00 1.40 1.506 50.00 7.00 15.00 1.40 1.507 50.00 7.00 15.00 1.40 1.50二、土钉(含锚杆)抗拉承载力的计算:单根土钉受拉承载力计算,根据《建筑基坑支护技术规程》JGJ 120-2012,R=1.25γ0T jk1、其中土钉受拉承载力标准值T jk按以下公式计算:T jk=ζe ajk s xj s zj/cosαj其中ζ--荷载折减系数e ajk--土钉的水平荷载s xj、s zj --土钉之间的水平与垂直距离αj--土钉与水平面的夹角ζ按下式计算:ζ=tan[(β-φk)/2](1/(tan((β+φk)/2))-1/tanβ)/t an2(45°-φ/2)其中β--土钉墙坡面与水平面的夹角。
土钉墙支护计算书一、计算依据1、《建筑基坑支护技术规程》JGJ120-20122、《建筑施工计算手册》江正荣编著3、《实用土木工程手册》第三版杨文渊编著4、《施工现场设施安全设计计算手册》谢建民编著二、计算参数三、土钉承载力计算1、主动土压力计算剖面图1)主动土压力系数Kai=tan 2(45°- φi/2)第1层土:K a1=tan 2(45°-18/2)=0.527864第2层土:Ka2=tan2(45°-12/2)=0.65575第3层土:Ka3=tan2(45°-20/2)=0.490291 2)土压力、地下水产生的水平荷载各层土所受的土压力:(1)地表处:Pak1上=qKa1-2c1K a10.5=10*0.527864-2*12*0.5278640.5=-12.1584kN/m2(2)第2层土:Pak2上=(q+γ1*h1)K a1-2c1K a10.5=46*0.527864-2*12*0.5278640.5=6.84473kN/m2 P ak2下=(q+γ1*h1)K a2-2c2K a20.5=46*0.65575-2*10*0.655750.5=13.9688kN/m2(3)第3层土:Pak3=(q+γ1*h1+γ2*h2)K a2-2c2K a20.5=112*0.65575-2*10*0.655750.5=57.2483kN/m2 3)水平荷载(1)第1层土:Eak1=h1P ak1b a/1=2*-12.1584*1/1=-24.3168kN(2)第2层土:Eak2=h2(P ak2上+P ak2下)b a/2=2*(6.84473+13.9688)*1/2=20.8136kN(3)第3层土:Eak3=h3P ak3b a/3=3*57.2483*1/3=57.2483kN土压力合力:Eak=ΣE aki=53.7451kN2、单根土钉的轴向拉力标准值Nk,j:由公式JGJ120-2012 5.2.2公式得:Nk,j=ζηjPak,jSxjSzj/cosαjφak=(φ1h1+φ2h1+...+φi h i)/h=24ζ=tan((β-φak)/2)(1/tan((β+φak)/2))-1/tan(β))/tan2(45°-φak/2)=0.199964 ΝΑ¶¤1:S x1=1 S z1=1.5N k1=ζη1P ak1S x1S z1/cos(α1)=4.62022N1=γ0γF N k,1=5.77527N1=5.77527≤f y*A s=113.04kNΒϊΧγ ΗσΝΑ¶¤2:S x2=1 S z2=3N k2=¦Ζ¦Η2P ak2S x2S z2/cos(α2)=28.4169N2=γ0γF N k,2=35.5211N2=35.5211≤f y*A s=113.04kNΒϊΧγ Ησ3、单根土钉的极限抗拔承载力计算:如图计算可知:——根据建筑基坑支护技术规程JGJ120-2012,表5.2.5取值故Rk,j=πdj i故极限抗拔承载力为Rk,j/Nk,j土钉1:L1=2.43867R k,1=110323土钉2:L2=1.39353R k,2=173365四、抗滑动及抗倾覆稳定性验算1)抗滑动稳定性验算δ=υ/3=5.55556B=0.6H-0.8H,取B=0.7H=0.7*5=3.5W=γHB=350kNσ=(W+qB)/A=385f=τ=σtanυ+c=116.261由公式,抗滑移安全系数计算得:γ=(qB+W+E a sinδ)f/E a cosδ=487.062≥1.3满足要求2)抗倾覆稳定性验算抗倾覆安全系数按以下公式计算,由下式确定γt=3B(qB+W+2E a sinδ)/2*H*E a cosδ=4.50097≥1.3 满足要求。
土钉墙支护计算计算书本计算书参照《建筑基坑支护技术规程》JGJ120-99 中国建筑工业出版《建筑施工计算手册》江正荣编著中国建筑工业、《实用土木工程手册》第三版文渊编著人民教同、《地基与基础》第三版中国建筑工业、《土力学》等相关文献进行编制。
土钉墙需要计算其土钉的抗拉承载力和土钉墙的整体稳定性。
一、参数信息:1、基本参数:侧壁安全级别:二级基坑开挖深度h(m):7.430;土钉墙计算宽度b'(m):100;土体的滑动摩擦系数按照tanφ计算,φ为坡角水平面所在土层的摩擦角;条分块数:/;不考虑地下水位影响;2、荷载参数:序号类型面荷载q(kPa) 基坑边线距离b0(m) 宽度b1(m)1 局布20.00 4.86 53、地质勘探数据如下::序号土名称土厚度坑壁土的重度γ 坑壁土的摩擦角φ 聚力C 极限摩擦阻力(m) (kN/m3) (°) (kPa) (kPa)1 填土 1.30 18.00 18.00 12.0080.002 粘性土 1.30 18.00 20.00 25.00100.003 粉土 3.10 19.00 25.00 18.00110.004 粘性土 1.20 18.00 20.00 25.00 100.005 粉砂 4.10 19.00 35.00 18.00 115.004、土钉墙布置数据:放坡参数:序号放坡高度(m) 放坡宽度(m) 平台宽度(m)1 7.43 3.00 100.00土钉数据:序号直径(mm) 长度(m) 入射角(度) 竖向间距(m) 水平间距(m)1 150 6.00 15.00 1.50 1.50二、土钉(含锚杆)抗拉承载力的计算:单根土钉受拉承载力计算,根据《建筑基坑支护技术规程》JGJ 120-99,R=1.25γ0T jk1、其中土钉受拉承载力标准值T jk按以下公式计算:T jk=ζe ajk s xj s zj/cosαj其中ζ--荷载折减系数e ajk--土钉的水平荷载s xj、s zj --土钉之间的水平与垂直距离αj--土钉与水平面的夹角ζ按下式计算:ζ=tan[(β-φk)/2](1/(tan((β+φk)/2))-1/tanβ)/tan2(45°-φ/2)其中β--土钉墙坡面与水平面的夹角。
土钉墙支护计算书一、计算依据1、《建筑基坑支护技术规程》JGJ120-20122、《建筑施工计算手册》江正荣编著3、《实用土木工程手册》第三版文渊编著4、《施工现场设施安全设计计算手册》建民编著二、计算参数序号 直径d(mm) 长度l(m)入射角α(°)横向间距Sx(m)竖向间距Sz(m) 土钉杆体材料 杆体截面积As(mm 2) 抗拉强度标准值fyk(N/mm 2) 抗拉强度设计值fy(N/mm 2)1 2 120 1206 715 151 11.5 3钢筋 钢管314 314400 400360 360三、土钉承载力计算1、主动土压力计算剖面图1)主动土压力系数Kai=tan 2(45°- φi/2)第1层土:Ka1=tan2(45°-18/2)=0.527864 第2层土:Ka2=tan2(45°-12/2)=0.65575 第3层土:Ka3=tan2(45°-20/2)=0.490291 2)土压力、地下水产生的水平荷载各层土所受的土压力:(1)地表处:Pak1上=qKa1-2c1Ka10.5=10*0.527864-2*12*0.5278640.5=-12.1584kN/m2(2)第2层土:Pak2上=(q+γ1*h1)Ka1-2c1Ka10.5=46*0.527864-2*12*0.5278640.5=6.84473kN/m2Pak2下=(q+γ1*h1)Ka2-2c2Ka20.5=46*0.65575-2*10*0.655750.5=13.9688kN/m2(3)第3层土:P ak3=(q+γ1*h1+γ2*h2)Ka2-2c2Ka20.5=112*0.65575-2*10*0.655750.5=57.2483kN/m23)水平荷载(1)第1层土:E ak1=h1Pak1ba/1=2*-12.1584*1/1=-24.3168kN(2)第2层土:E ak2=h2(Pak2上+Pak2下)ba/2=2*(6.84473+13.9688)*1/2=20.8136kN(3)第3层土:E ak3=h3Pak3ba/3=3*57.2483*1/3=57.2483kN土压力合力:E ak =ΣEaki=53.7451kN2、单根土钉的轴向拉力标准值Nk,j:由公式JGJ120-2012 5.2.2公式得:Nk,j=ζηjPak,jSxjSzj/cosαjφak =(φ1h1+φ2h1+...+φihi)/h=24ζ=tan((β-φak )/2)(1/tan((β+φak)/2))-1/tan(β))/tan2(45°-φak/2)=0.199964ΝΑ¶¤1:S x1=1 Sz1=1.5N k1=ζη1Pak1Sx1Sz1/cos(α1)=4.62022N 1=γγFNk,1=5.77527N 1=5.77527≤fy*As=113.04kNΒϊΧγΗσΝΑ¶¤2:S x2=1 Sz2=3N k2=¦Ζ¦Η2Pak2Sx2Sz2/cos(α2)=28.4169N 2=γγFNk,2=35.5211N 2=35.5211≤fy*As=113.04kNΒϊΧγΗσ3、单根土钉的极限抗拔承载力计算:如图计算可知:——根据建筑基坑支护技术规程JGJ120-2012,表5.2.5取值故Rk,j=πdji故极限抗拔承载力为Rk,j/Nk,j土钉1:L1=2.43867Rk,1=110323土钉2:L2=1.39353Rk,2=173365序号Rk,j /Nk,jNj(kN) fyAs(kN) 抗拔安全性抗拉安全性1 2 23878.36100.765.7752735.5211113.04113.04满足要求满足要求满足要求满足要求四、抗滑动与抗倾覆稳定性验算1)抗滑动稳定性验算δ=φ/3=5.55556B=0.6H-0.8H,取B=0.7H=0.7*5=3.5W=γHB=350kNσ=(W+qB)/A=385f=τ=σtanφ+c=116.261由公式,抗滑移安全系数计算得:γ=(qB+W+Ea sinδ)f/Eacosδ=487.062≥1.3满足要求2)抗倾覆稳定性验算抗倾覆安全系数按以下公式计算,由下式确定γt =3B(qB+W+2Easinδ)/2*H*Eacosδ=4.50097≥1.3满足要求。
---------------------------------------------------------------------- 设计项目:---------------------------------------------------------------------- [ 设计简图 ]---------------------------------------------------------------------- [ 设计条件 ]---------------------------------------------------------------------- [ 基本参数 ]所依据的规程或方法:《建筑基坑支护技术规程》JGJ 120-99基坑深度: 12.000(m)基坑内地下水深度: 25.000(m)基坑外地下水深度: 25.000(m)基坑侧壁重要性系数: 1.000土钉荷载分项系数: 0.000土钉抗拉抗力分项系数: 1.300整体滑动分项系数: 1.300[ 坡线参数 ]坡线段数 1序号水平投影(m) 竖向投影(m) 倾角(°)1 2.116 12.000 80.0[ 土层参数 ]土层层数 5序号土类型土层厚容重饱和容重粘聚力内摩擦角钉土摩阻力锚杆土摩阻力水土(m) (kN/m^3) (kN/m^3) (kPa) (度) (kPa) (kPa)1 素填土 2.800 17.9 18.0 14.0 14.0 80.0 120.0 分算2 淤泥质土 0.800 19.1 18.0 9.8 12.1 80.0 120.0 分算3 粘性土 6.900 20.3 18.0 15.8 29.0 80.0 120.0 分算4 强风化岩 1.800 21.3 18.0 28.7 17.1 80.0 120.0 分算5 中风化岩 13.000 19.8 18.0 26.1 16.7 80.0 120.0 分算[ 超载参数 ]超载数 1序号超载类型超载值(kN/m) 作用深度(m) 作用宽度(m) 距坑边线距离(m) 形式长度(m)1 满布均布 20.000[ 土钉参数 ]土钉道数 8序号水平间距(m) 垂直间距(m) 入射角度(度) 钻孔直径(mm)1 2.000 1.000 15.0 802 2.000 1.000 15.0 803 2.000 1.000 15.0 804 2.000 1.000 15.0 805 2.000 1.000 15.0 806 2.000 1.000 15.0 807 2.000 1.000 15.0 808 2.000 1.000 15.0 80[ 花管参数 ]基坑内侧花管排数 0基坑内侧花管排数 0[ 锚杆参数 ]锚杆道数 0[ 坑内土不加固 ]施工过程中局部抗拉满足系数: 1.000施工过程中内部稳定满足系数: 1.000[ 内部稳定设计条件 ]考虑地下水作用的计算方法:总应力法土钉拉力在滑面上产生的阻力的折减系数: 0.500圆弧滑动坡底截止深度(m): 0.000(m)圆弧滑动坡底滑面步长(m): 1.000(m)----------------------------------------------------------------------[ 设计结果 ]----------------------------------------------------------------------[ 局部抗拉设计结果 ]工况开挖深度破裂角土钉号设计长度最大长度(工况) 拉力标准值拉力设计值 (m) (度) (m) (m) Tjk(kN) Tj(kN)1 1.500 47.0 02 2.500 47.0 1 0.940 0.940( 2) 23.7 0.03 3.500 46.8 1 1.577 1.577( 3) 3.4 0.0 2 0.946 0.946( 3) 20.3 0.0 4 4.500 48.3 1 2.088 2.088( 4) 3.4 0.02 1.491 1.491( 4) 20.0 0.03 0.895 0.895( 4) 49.0 0.0 5 5.500 49.5 1 2.574 2.574( 5) 3.4 0.02 2.002 2.002( 5) 19.8 0.03 1.430 1.430( 5) 48.5 0.04 0.858 0.858( 5) 27.1 0.0 6 6.500 50.2 1 3.054 3.054( 6) 3.3 0.02 2.499 2.499( 6) 19.6 0.03 1.943 1.943( 6) 48.1 0.04 1.388 1.388( 6) 26.9 0.05 0.833 0.833( 6) 33.7 0.0 7 7.500 50.8 1 3.530 3.530( 7) 3.3 0.02 2.987 2.987( 7) 19.5 0.03 2.444 2.444( 7) 47.8 0.04 1.901 1.901( 7) 26.8 0.05 1.358 1.358( 7) 33.4 0.06 0.815 0.815( 7) 44.7 0.08 8.500 51.2 1 4.004 4.004( 8) 3.3 0.02 3.471 3.471( 8) 19.4 0.03 2.937 2.937( 8) 47.5 0.04 2.403 2.403( 8) 26.6 0.05 1.869 1.869( 8) 33.3 0.06 1.335 1.335( 8) 44.5 0.07 0.801 0.801( 8) 55.7 0.0 9 12.000 51.4 1 5.825 5.825( 9) 3.3 0.02 5.295 5.295( 9) 19.4 0.03 4.766 4.766( 9) 47.4 0.04 4.236 4.236( 9) 26.6 0.05 3.707 3.707( 9) 33.2 0.06 3.177 3.177( 9) 44.4 0.07 2.648 2.648( 9) 55.6 0.08 2.118 2.118( 9) 447.0 0.0 [ 内部稳定设计结果 ]工况号安全系数圆心坐标x(m) 圆心坐标y(m) 半径(m) 土钉号土钉长度1 1.314 -1.349 16.850 7.1112 1.454 -2.010 14.498 6.2101 5.8253 1.308 -3.075 15.456 8.3251 5.8252 6.2954 1.536 -3.165 15.321 8.3361 5.8252 6.2953 4.7665 1.310 -11.411 19.837 18.3181 5.8252 6.2953 6.2664 6.2366 1.304 -12.360 18.184 18.4001 6.3252 6.2953 6.2664 6.2365 6.7077 1.302 -14.180 19.899 21.4781 6.8252 6.7953 6.7664 7.2365 7.2076 7.1778 1.307 -15.845 18.904 22.5461 7.3252 7.2953 7.7664 7.7365 7.7076 7.6777 7.6489 1.302 -15.783 15.391 22.0451 14.8252 14.7953 15.2664 15.2365 15.2076 15.1777 15.1488 15.118[ 土钉选筋计算结果 ]土钉号土钉拉力(抗拉) 土钉拉力(稳定) 计算钢筋面积配筋配筋面积1 0.0 221.9 616.5 1E32 804.22 0.0 223.3 620.2 1E32 804.23 0.0 235.6 654.4 1E32 804.24 0.0 238.8 663.3 1E32 804.25 0.0 243.0 674.9 1E32 804.26 0.0 248.1 689.2 1E32 804.27 0.0 254.2 706.2 1E32 804.28 0.0 261.4 726.2 1E32 804.2[ 喷射混凝土面层计算 ][ 计算参数 ]厚度: 100(mm)混凝土强度等级: C30配筋计算as: 15(mm)水平配筋: d8@150竖向配筋: d8@150配筋计算as: 15荷载分项系数: 1.200[ 计算结果 ]编号深度范围荷载值(kPa) 轴向 M(kN.m) As(mm^2) 实配As(mm^2) 1 0.00~ 1.00 0.1 x 0.006 306.4(构造) 335.1y 0.002 306.4(构造) 335.12 1.00~ 2.00 8.1 x 0.542 306.4(构造) 335.1y 0.146 306.4(构造) 335.13 2.00~ 3.00 23.4 x 1.571 306.4(构造) 335.1y 0.423 306.4(构造) 335.14 3.00~ 4.00 32.0 x 2.152 306.4(构造) 335.1y 0.579 306.4(构造) 335.15 4.00~ 5.00 20.8 x 1.399 306.4(构造) 335.1y 0.376 306.4(构造) 335.16 5.00~ 6.00 29.3 x 1.967 306.4(构造) 335.1 y 0.529 306.4(构造) 335.1 7 6.00~ 7.00 37.7 x 2.535 306.4(构造) 335.1 y 0.682 306.4(构造) 335.18 7.00~ 8.00 46.2 x 3.103 306.4(构造) 335.1 y 0.835 306.4(构造) 335.19 8.00~12.00 78.3 x 5.661 326.4 335.1y 21.042 1332.1 335.1[ 外部稳定计算参数 ]所依据的规程:《建筑地基基础设计规范》GB50007-2002土钉墙计算宽度: 10.000(m)墙后地面的倾角: 0.0(度)墙背倾角: 90.0(度)土与墙背的摩擦角: 10.0(度)土与墙底的摩擦系数: 0.300墙趾距坡脚的距离: 0.000(m)墙底地基承载力: 400.0(kPa)抗水平滑动安全系数: 1.300抗倾覆安全系数: 1.600[ 外部稳定计算结果 ]重力: 2130.3(kN)重心坐标: ( 5.493, 5.593)超载: 157.7(kN)超载作用点x坐标: 6.058(m)土压力: 427.1(kN)土压力作用点y坐标: 4.080(m)基底平均压力设计值 236.2(kPa) < 400.0基底边缘最大压力设计值 243.9(kPa) < 1.2*400.0抗滑安全系数: 1.685 > 1.300抗倾覆安全系数: 7.808 > 1.600。
浙江品茗高新产业软件园工程土钉墙支护安全专项施工方案编制人:职务:校对人:职务:审核人:职务:审批人:职务:目录第一章编制依据--------------------------------------------------- 3 第二章工程概况--------------------------------------------------- 3 第三章施工总体布署----------------------------------------------- 4一、施工程序及进度--------------------------------------------- 4二、基础施工阶段的施工流程------------------------------------- 4 第四章基坑支护工程----------------------------------------------- 8一、基坑支护工艺流程------------------------------------------- 9二、土钉墙护坡工程--------------------------------------------- 9 第五章土方挖运工程---------------------------------------------- 10一、土方挖运工艺流程------------------------------------------ 10二、设备能力分析---------------------------------------------- 11三、现场准备-------------------------------------------------- 11四、坡道土方收尾---------------------------------------------- 11 第六章质量保证措施---------------------------------------------- 12一、质量保证体系---------------------------------------------- 12二、组织保证体系---------------------------------------------- 12三、质量管理程序---------------------------------------------- 13四、各分项工程质量标准---------------------------------------- 13五、各分项工程质量保证措施------------------------------------ 14六、基坑监测方案---------------------------------------------- 15七、质量问题的处理-------------------------------------------- 16八、技术资料-------------------------------------------------- 16 第七章安全生产与文明施工---------------------------------------- 16一、安全组织机构---------------------------------------------- 17二、安全生产措施---------------------------------------------- 17三、文明施工措施---------------------------------------------- 18 第八章雨期施工措施---------------------------------------------- 19 第九章计算书---------------------------------------------------- 19第一章编制依据1、《岩土工程勘察报告》(XX地质工程勘察院)2、相关工程图纸(XX规划设计院察院)3、基坑设计方案(XX地质工程勘)4、该工程的《岩土工程勘察报告》及部分设计图纸5、《建筑基坑支护技术规程》(JGJ 120-2012) 中国建筑工业出版社出版6、《建筑地基与基础设计规范》(GB 50007-2011)7、《混凝土结构设计规范》(GB 50010-2010)8、《建筑施工计算手册》江正荣编著中国建筑工业出版社9、《实用土木工程手册》第三版杨文渊编著人民教同出版社10、《地基与基础》第三版中国建筑工业出版社11、《土力学》等相关文献进行编制第二章工程概况【工程概况应针对该危险性较大的分部分项工程的特点及要求进行编写】1、工程基本情况2、各责任主体名称第三章施工总体布署一、施工程序及进度1、降水该工程中,降水的质量是影响整个工期的关键,因此在降水施工中切不可盲目抢工期,尤其在洗井的工序上必须达到水清砂净,降水井施工及排水干管的铺设计划绝对工期按规定设定。
基坑支护设计土钉墙计算书土钉墙(Ⅰ-Ⅰ)1. 支护范围:基坑南侧及西侧,深度为地面下8.20m(-8.76m)。
2.土钉墙面垂直,坡顶设计荷载20kpa。
土钉墙(Ⅰ)施工参数一览表设计项目: 复合土钉墙1[ 设计简图 ]----------------------------------------------------------------------[ 设计条件 ]----------------------------------------------------------------------[ 基本参数 ]所依据的规程或方法:《建筑基坑支护技术规程》JGJ 120-99基坑深度: 8.200(m)基坑内地下水深度: 9.000(m)基坑外地下水深度: 5.500(m)基坑侧壁重要性系数: 1.000土钉荷载分项系数: 1.250土钉抗拉抗力分项系数: 1.300整体滑动分项系数: 1.300[ 坡线参数 ]坡线段数 1序号水平投影(m) 竖向投影(m) 倾角(°)1 -0.000 8.200 90.0[ 土层参数 ]土层层数 3序号土类型土层厚容重饱和容重粘聚力内摩擦角钉土摩阻力锚杆土摩阻力水土 (m) (kN/m^3) (kN/m^3) (kPa) (度) (kPa) (kPa)1 杂填土 1.800 20.0 20.0 10.0 12.0 30.0 30.0 合算2 粉土 4.300 20.0 18.0 20.0 25.0 60.0 60.0 分算3 粘性土 6.200 20.0 18.0 20.0 25.0 80.0 80.0 分算[ 超载参数 ]超载数 1序号超载类型超载值(kN/m) 作用深度(m) 作用宽度(m) 距坑边线距离(m) 形式长度(m) 1 局部均布 20.00 0.000 5.000 1.500 条形[ 土钉参数 ]土钉道数 4序号水平间距(m) 垂直间距(m) 入射角度(度) 钻孔直径(mm)1 1.500 1.500 10.0 1002 1.500 3.000 10.0 1003 1.500 1.500 10.0 1004 1.500 1.500 10.0 100[ 花管参数 ]基坑内侧花管排数 0基坑内侧花管排数 1序号横向间距(m) 纵向间距(m) 倾角(0) 钻孔直径(mm) 长度(m) 发挥系数抗拉力(kN)1 0.300 1.500 90.0 130 10.00 1.000 100.0[ 锚杆参数 ]锚杆道数 1序号水平间距(m)竖向间距(m)倾角(0)锚固体直径(mm)锚杆长度(m)锚固长度(m)抗拉力(kN) 1 1.500 3.000 10.0 150 9.00 6.00 100.0[ 坑内土不加固 ]施工过程中局部抗拉满足系数: 1.000施工过程中内部稳定满足系数: 1.000[ 内部稳定设计条件 ]考虑地下水作用的计算方法:总应力法土钉拉力在滑面上产生的阻力的折减系数: 0.500圆弧滑动坡底截止深度(m): 0.000(m)圆弧滑动坡底滑面步长(m): 1.000(m)----------------------------------------------------------------------[ 设计结果 ]----------------------------------------------------------------------[ 局部抗拉设计结果 ]工况开挖深度破裂角土钉号设计长度最大长度(工况) 拉力标准值拉力设计值(m) (度) (m) (m) Tjk(kN) Tj(kN)1 2.000 51.7 02 5.000 55.2 1 3.974 3.974( 2) 34.2 38.53 6.500 55.7 1 3.362 3.974( 2) 5.2 5.9 2 4.497 4.497( 3) 63.0 70.94 8.000 56.0 1 4.244 4.244( 4) 5.2 5.92 4.008 4.497( 3) 36.1 40.63 3.112 3.112( 4) 64.9 73.1 5 8.200 56.1 1 4.362 4.362( 5) 5.2 5.92 4.127 4.497( 3) 36.1 40.63 3.233 3.233( 5) 64.9 73.14 3.503 3.503( 5) 105.7 118.9 [ 内部稳定设计结果 ]工况号安全系数圆心坐标x(m) 圆心坐标y(m) 半径(m) 土钉号土钉长度1 1.401 -4.017 12.875 7.6202 1.520 -22.295 19.977 27.9031 5.8003 1.331 -28.724 23.857 36.2761 5.8002 5.8004 1.235 -31.273 20.836 37.4681 5.8002 5.8003 4.3005 1.423 -32.270 20.817 38.4021 5.8002 5.8003 4.3004 4.300[ 土钉选筋计算结果 ]土钉号土钉拉力(抗拉) 土钉拉力(稳定) 计算钢筋面积配筋配筋面积1 38.5 105.2 215.6 1D18 254.52 70.9 127.1 221.3 1D18 254.53 73.1 159.1 237.3 1D18 254.54 118.9 195.8 227.5 1D18 254.5[ 喷射混凝土面层计算 ][ 计算参数 ]厚度: 80(mm)混凝土强度等级: C20配筋计算as: 15(mm)水平配筋: d6@250竖向配筋: d6@250配筋计算as: 15荷载分项系数: 1.200[ 计算结果 ]编号深度范围荷载值(kPa) 轴向 M(kN.m) As(mm^2) 实配As(mm^2) 1 0.00 1.50 0.4 x 0.031 188.6(构造) 113.1y 0.031 188.6(构造) 113.12 1.50 4.50 5.7 x 0.231 188.6(构造) 113.1y 0.860 188.6(构造) 113.13 4.50 6.00 24.1 x 1.997 188.6(构造) 113.1y 1.997 188.6(构造) 113.14 6.00 7.50 45.9 x 3.801 292.9 113.1y 3.801 292.9 113.15 7.50 8.20 63.4 x 0.000 188.6(构造) 113.1y 3.883 299.6 113.1[ 外部稳定计算参数 ]所依据的规程:《建筑地基基础设计规范》GB50007-2002土钉墙计算宽度: 6.000(m)墙后地面的倾角: 0.0(度)墙背倾角: 90.0(度)土与墙背的摩擦角: 12.0(度)土与墙底的摩擦系数: 0.400墙趾距坡脚的距离: 0.000(m)墙底地基承载力: 160.0(kPa)抗水平滑动安全系数: 1.300抗倾覆安全系数: 1.600[ 外部稳定计算结果 ]重力: 789.6(kN)重心坐标: ( 3.000, 4.777)超载: 45.0(kN)超载作用点x坐标: 3.750(m)土压力: 42.7(kPa)土压力作用点y坐标: 2.788(m)基底平均压力设计值 142.2(kPa) < 160.0基底边缘最大压力设计值 169.4(kPa) < 1.2*160.0抗滑安全系数: 4.055 > 1.300抗倾覆安全系数: 10.233 > 1.6004.3.3土钉墙(Ⅱ-Ⅱ)设计方案1. 支护范围:基坑北侧,深度为地面下8.20m(-8.76m)。
土钉支护计算书介绍本文档旨在提供土钉支护计算的详细步骤和方法。
通过使用土钉支护进行工程结构的加固和稳定,可以有效地抵抗土壤侧压和滑动力,从而确保工程的安全性和可靠性。
计算步骤1. 掌握土壤力学参数:首先,需要根据实际情况测定土壤的重度、内摩擦角、黏聚力等土壤力学参数。
2. 计算土壤侧压力:使用相关公式计算土壤对支护结构施加的侧压力。
考虑到土壤干湿度、墙面的形状和倾角等因素,确保准确计算侧压力。
3. 确定土钉参数:根据计算出的土壤侧压力,确定适当的土钉参数。
根据实际工程需要,包括土钉的直径、长度、间距、受力锚固长度等参数。
4. 计算土钉的锚固力和抗滑力:通过使用适当的公式,计算土钉的锚固力和抗滑力。
确保土钉足够强大,能够有效地抵抗土壤的侧方向滑动。
5. 校核土钉的受力状态:通过对土钉进行受力校核,确保土钉在受力状态下不会产生破坏。
考虑土壤的强度参数和土钉的受力情况,进行合理的校核。
6. 绘制土钉支护计算表格:将计算结果以表格形式进行总结和整理,以便于工程师和技术人员进行查看和参考。
注意事项- 在进行土钉支护计算时,需严格遵循相关规范和标准,确保计算结果的准确性和可靠性。
- 对于土壤力学参数的确定,应选择合适的试验方法和设备进行测试,确保测试结果的可靠性和准确性。
- 在计算过程中,应充分考虑土壤的不同特性和条件对计算结果的影响,采取适当的修正措施。
- 需要保证土钉的施工质量和材料质量,对于土钉的质量问题,进行严格控制和检测。
结论土钉支护计算是确保土壤工程结构稳定和安全的重要步骤。
通过合理地计算土壤侧压力、确定合适的土钉参数、计算土钉的锚固力和抗滑力,以及校核土钉的受力状态,可以确保土钉支护的有效性和可靠性。
土钉墙设计计算书本计算依据《建筑基坑支护技术规程》(JGJ120-99)。
一、基本计算参数1.地质勘探数据如下:———————————————————————————————————————————序号h(m) γ(kN/m3) C(kPa) φ(°) 极限摩阻(kPa) 计算方法土类型1 5.00 19.00 10.00 12.00 20.0 水土合算填土2 5.00 19.20 27.30 23.70 20.0 水土合算填土3 5.00 19.00 16.00 27.00 20.0 水土合算填土4 5.00 19.20 12.00 32.00 20.0 水土合算填土5 5.00 20.40 89.00 19.00 20.0 水土合算填土———————————————————————————————————————————表中:h为土层厚度(m),γ为土重度(kN/m3),C为内聚力(kPa),φ为内摩擦角(°)。
基坑外侧水标高-0.50m,基坑内侧水标高-10.30m。
2.基本计算参数:地面标高0.00m,基坑坑底标高-10.00m。
3.地面超载:—————————————————————————————————————————序号布置方式作用区域标高m 荷载值kPa 距基坑边线m 作用宽度m—————————————————————————————————————————4.土钉墙布置数据:放坡级数为3级坡。
——————————————————————————序号坡高m 坡宽m 坡角° 平台宽m1 3.300.3583.95 1.002 3.300.3583.95 1.003 3.400.3584.12 1.00——————————————————————————土钉数据:—————————————————————————————————————层号孔径(mm) 长度(m) 入射角(度) 竖向间距(m) 水平间距(m) 材料1 120.00 12.00 10.00 1.001.00 φHRB400钢筋2 120.00 12.00 10.00 1.001.00 φHRB400钢筋3 120.00 12.00 10.00 1.001.00 φHRB400钢筋4 120.00 12.00 10.00 1.001.00 φHRB400钢筋5 120.00 12.00 10.00 1.001.00 φHRB400钢筋6 120.00 12.00 10.00 1.001.00 φHRB400钢筋7 120.00 12.00 10.00 1.001.00 φHRB400钢筋8 120.00 12.00 10.00 1.001.00 φHRB400钢筋9 120.00 12.00 10.00 1.001.00 φHRB400钢筋—————————————————————————————————————二、土钉(含锚杆)抗拉承载力的计算土钉墙局部稳定验算:—————————————————————————————————————层号有效长度(m) 抗拉承载力(kN) 受拉荷载标准值(kN) 初算总长度(m) 安全系数1 6.88 39.90 7.05 6.64 39.90/(1.25×1.00×7.05)=4.53>=1.0满足!2 7.64 44.31 12.25 7.00 44.31/(1.25×1.00×12.25)=2.89>=1.0满足!3 8.40 48.72 18.78 7.65 48.72/(1.25×1.00×18.78)=2.08>=1.0满足!4 8.30 48.11 24.97 9.09 48.11/(1.25×1.00×24.97)=1.54>=1.0满足!5 9.06 52.52 17.14 6.64 52.52/(1.25×1.00×17.14)=2.45>=1.0满足!6 9.82 56.93 8.54 4.03 56.93/(1.25×1.00×8.54)=5.33>=1.0满足!7 9.71 56.32 14.38 5.39 56.32/(1.25×1.00×14.38)=3.13>=1.0满足!8 10.47 60.75 19.89 5.81 60.75/(1.25×1.00×19.89)=2.44>=1.0满足!9 11.24 65.17 40.16 9.42 65.17/(1.25×1.00×40.16)=1.30>=1.0满足!—————————————————————————————————————×标准值),按照土钉材料,计算土钉或锚杆的强根据每根土钉受拉荷载设计值(=1.25×γ度(土钉或锚杆的层号按标高排序):第1层土钉的材料为:HRB400钢筋设计强度为360.00N/mm2土钉受拉荷载设计值=8810.00(N) 第1层土钉的直径至少应取 6 mm第2层土钉的材料为:HRB400钢筋设计强度为360.00N/mm2土钉受拉荷载设计值=15308.75(N) 第2层土钉的直径至少应取 8 mm第3层土钉的材料为:HRB400钢筋设计强度为360.00N/mm2土钉受拉荷载设计值=23471.25(N) 第3层土钉的直径至少应取 10 mm第4层土钉的材料为:HRB400钢筋设计强度为360.00N/mm2土钉受拉荷载设计值=31207.50(N) 第4层土钉的直径至少应取 11 mm第5层土钉的材料为:HRB400钢筋设计强度为360.00N/mm2土钉受拉荷载设计值=21430.00(N) 第5层土钉的直径至少应取 9 mm第6层土钉的材料为:HRB400钢筋设计强度为360.00N/mm2土钉受拉荷载设计值=10680.00(N) 第6层土钉的直径至少应取 7 mm第7层土钉的材料为:HRB400钢筋设计强度为360.00N/mm2土钉受拉荷载设计值=17980.00(N) 第7层土钉的直径至少应取 8 mm第8层土钉的材料为:HRB400钢筋设计强度为360.00N/mm2土钉受拉荷载设计值=24856.25(N) 第8层土钉的直径至少应取 10 mm第9层土钉的材料为:HRB400钢筋设计强度为360.00N/mm2土钉受拉荷载设计值=50205.00(N) 第9层土钉的直径至少应取 14 mm局部稳定计算结果如下:土钉的抗拉承载力为472.73kN;土钉的受拉荷载标准值为163.16kN;土钉的安全系数为K=472.73/(1.25×1.00×163.16)=2.32>=1.0满足要求!三、土钉墙整体稳定性的计算—————————————————————————————————————————计算步数滑动体土重(kN/m) 土体抗滑力矩(kN.m/m)土钉抗滑力矩(kN.m/m)土体滑动力矩(kN.m/m)第1步 20.83 120.91 0.00 67.98第2步 176.91 363.57 84.25 198.54第3步 382.82 876.31 224.73 605.50第4步 382.82 876.31 224.73 605.50第5步 355.47 786.41 443.93 706.94第6步 204.09 659.37 749.08 743.46第7步 335.67 1431.09 1120.12 1356.12第8步 486.88 4252.36 4393.52 4115.43第9步 504.12 2629.21 1573.92 2113.24第10步720.06 5007.22 2793.02 4245.60第11步774.83 4882.87 2481.49 4363.37第12步950.96 9517.69 5722.63 9297.92—————————————————————————————————————————滑弧坐标系:地面的Y坐标为0,向上为正;坑底的X坐标为0,向右为正。
错误!未定义书签。
错误!未定义书签。
目录1。
工程概况 (1)2。
求土钉所受土体侧压力p (1)3.求土钉所受的拉力N (2)4。
求土钉长度L (2)5。
求土钉钢筋直径d (3)6.边坡喷混凝土面层计算 (4)7.边坡稳定性验算 (6)7。
1外部整体稳定性验算 (6)7.2内部整体稳定性验算 (7)8.基坑分层开挖高度计算 (9)1.工程概况[例]基坑开挖深度H=7.4m,土钉孔径d 0=0。
1m,土质为一般粘性土,呈坚硬状态,土的内摩擦角ψ=25°,土的粘聚力c=18 kPa 土钉与土体之间的界面粘结强度г=50 kPa ,土的重度γ=19 kN/m 3,地面超荷载q=20 kN/m 2,试求土钉所受的拉力,土钉长度、直径、边坡喷混凝土厚度及配筋并进行边坡稳定性验算。
2.求土钉所受土体侧压力p公式:c 18==0.130.05197.4H γ⨯> 对于c0.05Hγ≤的砂土和粉土 即: P=0.55 Ka γH 对于c0.05Hγ>的一般黏性土 即: P 1=0.552c- a 1a K H H K Ka H ⎛ ≤⎝γγγ黏性土P 1 的取值不小于0.2γH已知式中,2a=tan 45-=2K ϕ⎛⎫︒ ⎪⎝⎭0。
4060。
637侧 压P 1=21810.4061-7.47.40.637=⨯⎛⎫⨯⨯⨯⨯ ⎪⨯⎝⎭191934。
14 kN/㎡侧 压P q =Ka ∙q=0。
406×20=8。
12 kN/㎡ 侧压力P= P 1+P q =34.14+8.12=42.26 kN/㎡ 3。
求土钉所受的拉力N 公式: 1=pS S cos X Y N θΘ为土钉的倾角,取10°;S X 为土钉水平间距,取1.0m ;S Y 为土钉水竖向距,取1.4m 。
1-41=42.26 1.0 1.4=cos10N ⨯⨯⨯60.08 kN51=42.26 1.0 1.1=cos10N ⨯⨯⨯47.16 kN4。
土钉墙支护计算书
本计算书参照《建筑基坑支护技术规程》JGJ120-99 中国建筑工业出版《建筑施工计算手册》江正荣编著中国建筑工业、《实用土木工程手册》第三版文渊编著人民教同、《地基与基础》第三版中国建筑工业、《土力学》等相关文献进行编制。
土钉墙需要计算其土钉的抗拉承载力和土钉墙的整体稳定性。
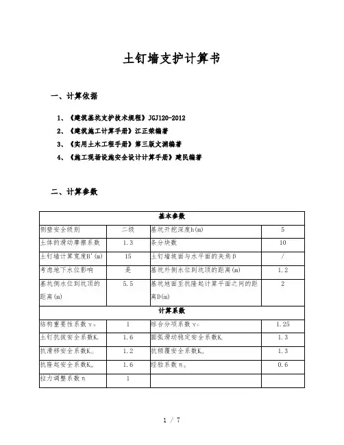
一、参数信息:
1、基本参数:
侧壁安全级别:二级
基坑开挖深度h(m):7.700;
土钉墙计算宽度b'(m):15.00;
土体的滑动摩擦系数按照tanφ计算,φ为坡角水平面所在土层的摩擦角;
条分块数:10;
考虑地下水位影响;
基坑外侧水位到坑顶的距离(m):15.000;
基坑侧水位到坑顶的距离(m):15.000;
2、荷载参数:
序号类型面荷载q(kPa) 荷载宽度b0(m) 基坑边线距离b1(m)
1 满布 2.00 -- --
3、地质勘探数据如下::
放坡参数:
序号放坡高度(m) 放坡宽度(m) 平台宽度(m)
1 7.70 2.54 12.00
土钉参数:
序号孔径(mm) 长度(m) 入射角(度) 竖向间距(m) 水平间距(m)
1 120.00 4.00 15.00 1.50 2.00
2 120.00 7.00 15.00 1.50 2.00
3 120.00 5.00 15.00 1.50 2.00
二、土钉(含锚杆)抗拉承载力的计算:
单根土钉受拉承载力计算,根据《建筑基坑支护技术规程》JGJ 120-99,R=1.25γ0T jk
1、其中土钉受拉承载力标准值T jk按以下公式计算:
T jk=ζe ajk s xj s zj/cosαj
其中ζ--荷载折减系数
e ajk--土钉的水平荷载
s xj、s zj--土钉之间的水平与垂直距离
αj--土钉与水平面的夹角
ζ按下式计算:
ζ=tan[(β-φk)/2](1/(tan((β+φk)/2))-1/tanβ)/tan2(45°-φ/2)
其中β--土钉墙坡面与水平面的夹角。
φ--土的摩擦角
e ajk按根据土力学按照下式计算:
e ajk=∑{[(γi×s zj)+q0]×K ai-2c(K ai)1/2}
2、土钉抗拉承载力设计值T uj按照下式计算
T uj=(1/γs)πd nj∑q sik l i
其中d nj--土钉的直径。
γs--土钉的抗拉力分项系数,取1.3
q sik--土与土钉的摩擦阻力。
根据JGJ120-99 表6.1.4和表4.4.3选取。
l i--土钉在直线破裂面外穿越稳定土体的长度。
第1号土钉钢筋的直径ds至少应取:0.000 mm;
第2号土钉钢筋的直径ds至少应取:11.366 mm;
第3号土钉钢筋的直径ds至少应取:14.996 mm;
三、土钉墙整体稳定性的计算:
根据《建筑基坑支护技术规程》JGJ 120-99要求,土钉墙应根据施工期间不同开挖深度及基坑底面以下可能滑动面采用圆弧滑动简单条分法如下图,按照下式进行整体稳定性验算:
公式中:
γk--滑动体分项系数,取1.3;
γ0--基坑侧壁重要系数;
ωi--第i条土重;
b i--第i分条宽度;
c ik--第i条滑土裂面处土体固结不排水(快)剪粘聚力标准值;
φik--第i条滑土裂面处土体固结不排水(快)剪摩擦角标准值;
θi--第i条土滑裂面处中点切线与平面夹角;
αj--土钉与水平面之间的夹角;
L i--第i条土滑裂面的弧长;
s --计算滑动体单元厚度;
T nj--第j根土钉在圆弧滑裂面外锚固与土体的极限抗拉力,按下式计算。
T nj=πd nj∑q sik l nj
l nj--第j根土钉在圆弧滑裂面外穿越第i层稳定土体的长度
把各参数代入上面的公式,进行计算
可得到如下结果:
---------------------------------------------------------------------------------
计算步数安全系数滑裂角(度) 圆心X(m) 圆心Y(m) 半径R(m)
第1步 3.552 29.482 -0.454 2.290 2.334 示意图如下:
计算步数安全系数滑裂角(度) 圆心X(m) 圆心Y(m) 半径R(m)
第2步 3.266 29.482 -0.909 4.579 4.668 示意图如下:
计算步数安全系数滑裂角(度) 圆心X(m) 圆心Y(m) 半径R(m)
第3步 2.186 29.482 -1.363 6.869 7.003 示意图如下:
计算步数安全系数滑裂角(度) 圆心X(m) 圆心Y(m) 半径R(m)
第4步 1.335 29.482 -2.333 11.753 11.982 示意图如下:
--------------------------------------------------------------------------------------
计算结论如下:
第1 步开挖部整体稳定性安全系数Fs= 3.552>1.30 满足要求! [标高-1.500 m]
第2 步开挖部整体稳定性安全系数Fs= 3.266>1.30 满足要求! [标高-3.000 m]
第3 步开挖部整体稳定性安全系数Fs= 2.186>1.30 满足要求! [标高-4.500 m]
第4 步开挖部整体稳定性安全系数Fs= 1.335>1.30 满足要求! [标高-7.700 m]
四、抗滑动及抗倾覆稳定性验算
(1)抗滑动稳定性验算
抗滑动安全系数按下式计算:
K H=f'/E ah≥1.3
式中,E ah为主动土压力的水平分量(kN);
f'为墙底的抗滑阻力(kN),由下式计算求得:
f'=μ(W+qB a S v)
μ为土体的滑动摩擦系数;
W为所计算土体自重(kN)
q为坡顶面荷载(kN/m2);
B a为荷载长度;
S v为计算墙体的厚度,取土钉的一个水平间距进行计算1级坡:K H=33.47>1.3,满足要求!
(2)抗倾覆稳定性验算
抗倾覆安全系数按以下公式计算:
K Q=M G/M Q
式中,M G--由墙体自重和地面荷载产生的抗倾覆力矩,由下式确定M G=W×B C×qB a×(B'-B+b×B a/2)
其中,W为所计算土体自重(kN)
其中,q为坡顶面荷载(kN/m2)
B c为土体重心至o点的水平距离;
B a为荷载在B围长度;
b为荷载距基坑边线长度;
B'为土钉墙计算宽度;
M k--由主动土压力产生的倾覆力矩,由下式确定
M k=E ah×l h
其中,E ah为主动土压力的水平分量(kN);
l h为主动土压力水平分量的合力点至通过墙趾O水平面的垂直距离。
1级坡:K Q=92.52>1.5,满足要求!。