沉井工程下沉记录
- 格式:docx
- 大小:22.17 KB
- 文档页数:2
隐蔽工程检查验收记录 年 月 日 质检表4 工程名称
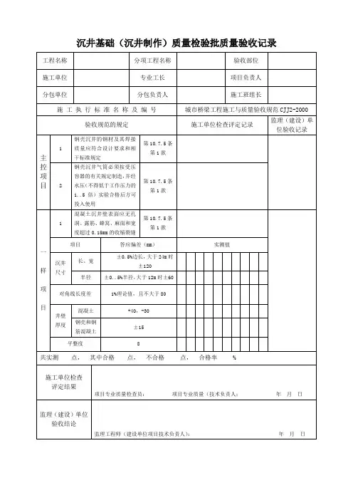
铜陵市机场片区铜官大道-铜化新村污水管网工程 施工单位 合肥市市政工程第四有限公司 隐检项目 沉井下沉 隐检范围 WS4# 检查情况 隐检内容及 一、主控项目: 1、 混凝土强度(设计要求):符合要求; 2、封底前,沉井(箱)的下沉稳定(<10mm/8h ):应检3点、合格3点,合格率100%; 3、封底结束后的位置: (1)刃脚平均标高(<100mm ):应检5点、合格4点,合格率80%; (2)刃脚平面中心线位移(<1%H):应检10点、合格9点,合格率90%; (3)四角中任何两角的底面高差(<1%L):应检10点、合格9点,合格率90%; 二、一般项目: 1、钢材、对接钢筋、水泥、骨料等原材料检查(设计要求):符合要求; 2、结构体外观(无裂缝、无蜂窝、空洞、不露筋):符合要求;
3、平面尺寸:
(1)长与宽(±0.5%):应检5点、合格4点,合格率80%;
(2)曲线部位半径(±0.5%):应检5点、合格4点,合格率80%;
(3) 两对角线差(1.0%):应检5点、合格4点,合格率80%;
(4)预埋件(20mm ):应检5点、合格4点,合格率80%;
4、下沉过程中的偏差:
(1)高差(1.5%~2.0%):应检5点、合格4点,合格率80%;
(2)平面轴线(<1.5%H )应检5点、合格4点,合格率80%;
5、封底混凝土坍落度(18cm ~22cm ):应检5点、合格4点,合格率80%;
验 收 意 见
1. 主检项目全部合格。
2. 其他项目共查 点、合格 点,合格率 %
处理情况及结论
复查人: 年 月 日 建设单位 监理单位 施工项目 技术负责人 质检员。
沉井下沉质量控制措施1.在沉井下沉前,将沉井各个角点处的高程及沉井轴线放样并做好标记,记录测量原始数据,绘制测量监控平面图,计算下沉具体高度。
2、下沉分三个阶段,即首沉2~3m,中沉,最后下沉L5~2.0m.3、首沉阶段,必须每30分钟观测一次并记录数据进行汇总,及时计算偏差情况,并由现场总负责人员统一指挥确定冲沉部位及冲沉速度等;下沉冲挖速度要根据下沉测量数据进行调整,每天24小时下沉4、深度控制在300~500mm;沉井下沉初沉阶段对沉井下沉质量是至关重要的,由于此时沉井尚未入土,各侧井壁尚无土压力,无法提供沉井稳定所必须的土压力,因此初沉阶段若不处理好,极易造成沉井大幅度偏斜,因此初沉阶段下沉施工必须确保沉井的平稳下沉。
5、沉井开始下沉时,首先应从筒壁中央开始破碎土体,慢慢向四周扩大,严禁直接在刃脚踏面附近直接取土,保持沉井刃脚踏面受力均匀,让沉井平稳的缓缓的切入土体。
因沉井自重偏心较大,因此冲刷土体时应根据沉井重心平面位置适当调整两边锅底深度,让沉井逐渐下沉,使沉井刃脚埋在土层中,降低沉井重心,确保沉井均下沉。
沉井下沉时先取中间土方,沉井中间形成锅底状,然后再冲挖周围土方,待沉井依靠自重下沉后再冲挖土方,按照此顺序循环进行施工,确保沉井平稳下沉。
6、中沉阶段,进入正常下沉,正常下沉时,可每2h测量一次,每天24小时下沉深度控制在300~1500mm;7、最后下沉阶段必须增加观测频率,一般为30分钟左右观测一次,每天24小时下沉深度控制在500mm以内。
8、通过对各阶段观测数据的分析,必须使沉井的对角高差不超过15Cm,并观察沉井周围土质变化情况,将地下水位、涌土、沉降、沉速随时记入历时曲线表。
9、终沉阶段,最后2m范围内要减小锅底的开挖深度,防止突沉及超沉事故发生,控制开挖深度及速度,以下沉为辅,纠偏为主。
沉井下沉离设计标高2m左右时应放慢下沉速度停止6小时观察,掌握下沉速度,采用〃反锅底〃施工,基本以纠偏为主,测标下沉趋势和自沉惯量,测量2小时一次,高差控制10—15Cm,随着沉井继续下沉,沉井应逐渐形成挤土下沉,待沉井离设计标高50Cm时,需再停止观察6小时,一般大梁基本接近土层,测量数据重新核准,以每小时Icm左右的速度将沉井慢慢进入设计标高,根据设计要求,按照正差提前IOcm停止下沉,确保沉井平稳,不超沉,高差控制在±7CnI以内,沉井进入设计标高后需继续观察,待沉井全部稳定(8小时下沉小于IOmm)以后立即封底,以免出现超沉现象。
沉井下沉记录范文第一天:根据计划,今天开始我们将进行沉井下沉工作。
早上8点,我们在工地聚集,提前做好了所有准备工作。
沉井是一个关键的工程环节,它将为我们的建筑提供坚实的基础支撑。
9点,我们集中力量开始下沉工作。
首先,我们使用隆起法挖掘机挖掘出开口的一个小坑,目的是使下沉工作更加顺利。
随后,我们转向使用沉底法进行下沉操作。
沉底法是一种将沉井自身下沉入土体的方法。
我们使用了大型吊车将沉井吊装,然后通过加重对沉井进行推力,使其下沉入土体。
此过程需要非常细致的操作,以确保沉井的平稳下沉和垂直度。
中午,我们进行了简短的休息,恢复体力和精神。
然后继续进行下沉工作。
下午4点,我们完成了当天的下沉任务。
整个过程顺利进行,沉井下沉了3米,达到了我们预期的进度。
我们为今天的工作成果感到骄傲,但也清楚这只是冰山一角,后续的工作还需继续努力。
第二天:今天,我们继续进行沉井下沉工作。
由于昨天的工作进展顺利,我们对今天充满了信心。
8点,我们再次开始了下沉工作。
根据计划,今天的目标是让沉井下沉5米。
我们使用了同样的方法,先挖掘小坑,然后通过隆起法挖掘机将沉井拖入坑中。
在下午的时候,我们遇到了一个小问题。
由于土壤的情况发生了变化,沉井的下沉速度变慢了。
我们停下来分析情况,随后调整了沉井下沉的方式。
我们决定增加沉井的加重压力,并将推力施加到沉井的不同部位,以提高下沉速度。
经过一番努力,我们终于完成了今天的下沉任务。
沉井成功地下沉了5米,达到了我们的目标。
尽管遇到了一些困难,但我们团队的合作和智慧最终克服了一切。
我们对今天的工作成果感到非常满意。
第三天:今天是沉井下沉工作的最后一天。
我们已经下沉了8米,离我们最终的目标还有2米。
我们非常期待今天能够顺利完成工作,将沉井下沉到位。
早上8点,我们开始进行最后一次下沉工作。
我们使用了更大的吊车来提供更大的推力,保证沉井能够顺利下沉。
经过几个小时的紧张操作,终于让沉井下沉到最终位置。
中午,我们欢庆了一下这个重大的里程碑。
第1篇一、工程概况本项目为某大型桥梁工程,位于我国某城市,桥梁全长为X米,其中沉井基础长Y 米,宽Z米,高W米。
沉井基础采用钢筋混凝土结构,平面尺寸为YZ米,高度为W米,沉井内部分为多个仓格,井壁厚X米。
本工程于2023年3月1日开始施工,预计于2023年12月31日完成。
二、施工准备1. 施工人员:本项目共需施工人员100人,其中技术人员10人,施工人员90人。
2. 施工设备:主要包括挖掘机、混凝土搅拌站、泵车、汽车吊、潜水泵等。
3. 施工材料:主要包括钢筋混凝土、钢筋、水泥、砂石等。
三、施工步骤1. 沉井基础制作:首先进行沉井基础模板的安装,然后进行钢筋绑扎,最后进行混凝土浇筑。
浇筑过程中,要严格控制混凝土的质量和浇筑速度,确保沉井基础的强度和稳定性。
2. 沉井基础预压:在沉井基础混凝土达到一定强度后,进行预压处理。
预压过程中,要确保沉井基础稳定,避免发生变形。
3. 沉井基础下沉:沉井基础下沉采用排水下沉法,先在沉井基础内部设置排水系统,然后进行抽水,使沉井基础下沉。
下沉过程中,要严格控制下沉速度和偏位,确保沉井基础与周围土体紧密结合。
4. 沉井基础接高:沉井基础下沉到设计标高后,进行接高施工。
接高过程中,要确保接高部分的强度和稳定性,与沉井基础紧密结合。
5. 沉井基础封底:沉井基础接高完成后,进行封底施工。
封底过程中,要确保封底部分的强度和稳定性,与沉井基础紧密结合。
四、施工记录1. 2023年3月1日:开始沉井基础制作,完成模板安装。
2. 2023年3月5日:完成钢筋绑扎,开始混凝土浇筑。
3. 2023年3月10日:混凝土浇筑完成,进行预压处理。
4. 2023年3月15日:预压处理完成,开始沉井基础下沉。
5. 2023年3月20日:沉井基础下沉至设计标高,开始接高施工。
6. 2023年3月25日:接高施工完成,开始封底施工。
7. 2023年3月30日:封底施工完成,沉井基础下沉施工结束。
沉井工程下沉施工方案一、工程概况该沉井位于常州江边污水处理厂,沉井长和宽分别为33.3m和33.2m,沉井下沉深度为9.5m,沉井下沉为一次性下沉,除土工程量约10502m3,工期为21天。
二、工程地质概况1、地质条件:该沉井下沉过程中穿透四种土层,依次为杂填土:结构松散;粉质粘土,稍密;粉质粘土夹粉土,粉砂夹粉土。
沉井底座落在第四层粉砂夹粉土层上。
2、水文条件:沉井基础主要含水层为浅层潜水含水层,水位标高为2.12m~2.39m,主要补给来源于大气降水,地表经流,受降水量、季节、气候等因素影响而变化。
三、施工准备1、施工准备工作⑴、人员组织:现场指挥组织,沉井下沉施工作业队;⑵、人员交底:下沉施工作业人员交底;⑶、设备准备:下沉除土施工设备,其他小型机械施工设备;⑷现场施工条件的确认:泥浆池、沉淀池施工;⑸安全管理工作的准备:安全管理工作制度制定,安全管理措施落实;⑹施工保障措施落实:通讯系统保障,交通工具,安全及救生用品保障。
2、施工进度计划⑴降水井工期计划:2011年4月25日~2011年5月23日。
⑵沉井下沉工期计划:2011年4月30日~2011年5月19日。
3、施工人员组织在施工过程中,加强现场管理与协调指挥是施工顺利完成的关键,为此我司专门成立现场指挥保障体系。
项目指挥负责处理施工全面工作,副指挥具体负责工作的全面落实,下设多个专业职能工作小组:沉井下沉作业组、测量监控组、技术保障组、安全环保组、后勤保障组等,各组在总指挥下协调工作,共同确保施工的顺利进行。
4、人员培训沉井下沉施工人员由我司具有丰富施工经验、技术优秀的人员组成。
为保证安全优质的施工质量,针对本工程特点将组织施工人员学习质量保障措施,定期进行规定的技能考核,加强施工人员技术技能培训,并在工程施工的每个环节严格按照规范操作。
5、劳动力组织井内施工人员24人,现场指挥人员4人,地面辅助人员10人,由于施工现场情况多变,劳动力可根据施工实际情况进行调整。
钢筋混凝土沉井(不排水下沉)施工一、概述在城市建设和市政工程中,沉井是常见的地下结构形式,主要作用是收集雨水或废水,方便排放。
钢筋混凝土沉井是一种常见的结构,具有承受荷载能力强、抗渗性好、施工方便等特点,在工程中得到广泛应用。
本文将介绍钢筋混凝土沉井的不排水下沉施工方法。
二、施工前准备1.设计和验收沉井设计应符合现行的规范标准,验收达到建设部门的要求。
同时要保障沉井结构安全性、稳定性和防渗性。
2.材料选用沉井材料主要包括钢筋混凝土、地基垫层等。
应选择符合标准的材料,保证施工质量。
三、不排水下沉施工流程1.基础施工基础施工主要是对钢筋混凝土沉井安装的基础部分进行处理。
首先需要清理基坑,确保构件安装位置正确,然后进行土方开挖。
在土方开挖后,需要依据地基情况进行垫层铺设,最后进行基础抹平和成型。
基础施工完成后,进入沉井构件的施工阶段。
2.沉井构件安装钢筋混凝土沉井结构主要包括筒体、井盖等部分。
施工之前需检查构件,确认其符合设计要求和技术标准。
施工顺序为:先安装底板,再安装墙板和柱,最后安装井盖。
沉井构件施工完成后,进行不排水下沉。
3.不排水下沉不排水下沉施工需要吊装设备。
首先在井筒内设置三点吊具,然后升起井筒,使钢筋混凝土沉井缓慢下沉至设计标高。
需要注意的是,施工过程中应及时检查施工质量和安全问题,确保沉井结构稳定和安全。
4.井盖安装沉井下沉至位后,进行井盖安装。
井盖安装应遵循设计要求和技术标准,同时注意安全,确保井盖固定牢固。
5.通风、防水处理在钢筋混凝土沉井施工完成后,需要进行通风、防水处理。
通风主要是为了保证空气流通,防止沉井内积水后氧气不足;防水则是为了防止外界水流渗入,影响沉井结构的稳定性和使用寿命。
四、施工注意事项1.施工前必须认真检查设计、验收、材料质量等工作,确保施工质量;2.施工现场必须严格遵守工艺要求和安全规范,防范施工中的安全事故及质量事故的发生;3.沉井结构施工过程中,应注意其稳定性和不断裂要求;4.沉井施工现场应有专人监督、验收,确保施工质量符合设计和标准要求。
1.4沉井制作与下沉施工工艺标准1 适用范围本工艺标准适用工业与民用建筑、市政公路、桥梁涵洞等的深坑、地下室、水泵房、设备基础、桥墩、码头等沉井工程。
2 施工准备2.1 材料要求2.1.1 水泥:宜用42.5 级或52.5 级普通或矿渣硅酸盐水泥。
使用前必须查明其品种、标号及出厂日期。
凡过期水泥、受潮或结块水泥不准使用。
2.1.2 细骨料:选用质地坚硬的中粗沙,含泥量不大于3%,不得含有垃圾、泥块、草根等杂物。
2.1.3 粗骨料:应采用质地坚硬的碎石或卵石。
石子粒径以5~40mm 为宜,含泥量不大于25%。
2.1.4 水:一般为饮用水或干净的天然水。
2.1.5 钢材:有出厂合格证和复验报告,符合设计要求方可使用2.1.6 外加剂:根据沉井抗渗要求及混凝土浇筑要求选用,并通过试验确定后应用。
2.2 主要工机具2.2.1 沉井制作机具设备:钢筋加工机具、模板加工机具、混凝土搅拌机械、混凝土输送机械、混凝土振捣机具、自卸汽车等。
2.2.2 沉井下沉机具设备:20~50 吨履带式起重机、出土吊斗、水力机械等。
2.2.3 排水机具设备:离心式水泵或潜水泵。
2.3 作业条件2.3.1 按施工总平面图布置,修建临时设施,修筑道路、排水沟、截水沟,安装临时水、电线路,安设施工设备,并试水、试电、试运转。
2.3.2 按照设计总图和沉井平面布置要求,已设置测量控制网和水准基点,进行定位放线,定出沉井中心轴线,作为沉井制作和下沉的定位依据。
2.3.3 收集现场勘察地质资料,根据土的力学指标、休止角、摩擦系数、地质分层构造,绘制地质剖面图,确定沉井地基处理和筑岛方案。
2.3.4 根据工程结构特点、地质水文情况、施工设备条件,编写切实可行的施工组织设计和施工技术措施。
2.3.5 材料的产品合格证和复验报告、进厂验收记录已完成。
2.3.6 有关工艺套管和铁件已外委加工。
2.4 作业人员主要作业人员: 钢筋工、混凝土工、模板工、水利机械操作工、运转工、壮工。