1. 沉井(箱)下沉施工记录
- 格式:xls
- 大小:225.00 KB
- 文档页数:1
沉井(箱)下沉施工记录一、适用范围沉井、沉箱在下沉施工过程中必须用此表进行施工记录。
二、执行标准城市桥梁工程施工与质量验收规范,CJJ2;公路桥涵施工技术规范,JTJ041等。
以最新颁布的规范、标准为准。
一、表内填写提示构件安装位置:与设计图或自编平面图的沉井(箱)号一致。
构件材料:按设计图或施工方案要求填写。
制作日期:构件完工日期。
构件平面尺寸:根据实际加工尺寸填写。
(如为不规则尺寸构件,可补充附图表述。
)节段段数及高度:根据实际加工尺寸及段数填写。
设计地质情况、设计刃脚标高:按设计图要求填写。
下沉方式:根据实际采用的压缩空气吹砂法、机械抓挖下沉、爆破振动等下沉法填写。
构件下沉前强度:如为混凝土沉井,填写准备下沉井(箱)节段的同条件试块强度,其他材料的沉井(箱)本栏打“/”。
分段接缝处理方法:按设计图或施工方案要求填写。
日期及起止时间:没特殊情况每台班记录一次。
测点编号:自编号,可用数字或者东、南、西、北或者前、后、左、右等。
测量点标高及刃脚标高:填写各测点及测点处对应的刃脚标高值。
倾斜:填写沉井(箱)的横(垂直于路线前进方向)向或纵(路线前进方向)向的倾斜度。
位移:填写沉井(箱)测点所在平面形心的横(垂直于路线前进方向)向或纵(路线前进方向)向偏移值。
地质情况:根据下沉过程取出的岩样如实填写。
水位标高:填写实测值井内水位标高。
备注:填写施工过程中出现的问题、处理情况及需要补充说明的其他内容。
沉井(箱)下沉施工记录项目技术负责人:质检员:施工员:年月日。
沉井下沉及封底检验批质量检验记录一、引言沉井是工程施工中常见的一种施工方法,用于沉降地基,实现土地沉降的目的。
沉井下沉及封底是沉井工程的关键步骤之一,质量检验记录对于保证工程施工质量至关重要。
本文将就沉井下沉及封底的质量检验记录进行详细描述。
二、检验目的沉井下沉及封底质量检验的主要目的是确保沉井工程的稳定性和安全性。
只有通过合理的检验和记录,才能保证沉井工程不出现质量问题,维护工程的可持续发展。
三、检验内容1. 检查沉井下沉过程中的沉井框架的稳定性。
2. 检查沉井沉入地下过程中的土体侧压力和沉降情况。
3. 检查沉井封底后的密封性能。
4. 检查沉井封底后的渗透性能。
四、检验方法1. 对于沉井框架的稳定性检验,应采取视觉检查和实际测量相结合的方式,确保框架没有变形和松动。
2. 对于土体侧压力和沉降情况的检验,可以采用测量仪器测量土体侧压力和沉降量。
3. 对于沉井封底后的密封性能检验,应采取泄漏测试方法,检查沉井是否存在泄漏情况。
4. 对于沉井封底后的渗透性能检验,可以采用水压试验方法,检查沉井是否存在渗漏情况。
五、检验记录在沉井下沉及封底的过程中,应及时记录每一次检验的结果和参数。
检验记录需要包括以下内容:1. 工程名称、施工单位、检验单位和检验人员的基本信息。
2. 检验的时间、地点、气候等环境条件的描述。
3. 沉井框架的稳定性检验结果,包括变形情况、松动情况等。
4. 土体侧压力和沉降情况的检验结果,包括测量数值和变化趋势等。
5. 沉井封底后的密封性能检验结果,包括泄漏情况和检验方法等。
6. 沉井封底后的渗透性能检验结果,包括渗漏情况和检验方法等。
7. 检验记录的签字和日期。
六、检验结论根据对沉井下沉及封底的质量检验记录的分析和总结,可以得出相应的结论。
如果检验结果符合施工要求和规范要求,可以判定沉井工程质量良好;如果检验结果不符合要求,应及时对问题进行整改,确保沉井工程的质量。
七、检验报告检验报告是对沉井下沉及封底质量检验的最终总结和评估。
沉井下沉记录
沉井工程下沉记录
沉井工程下沉记录共4页第1页
沉井工程下沉记录共4页第1页
沉井工程下沉记录共4页第1页
沉井工程下沉记录共4页第1页
沉井工程下沉记录共4页第1页
沉井工程下沉记录共4页第1页
沉井工程下沉记录共4页第1页
沉井工程下沉记录共4页第1页
沉井工程下沉记录共4页第1页
沉井工程下沉记录共4页第1页
沉井工程下沉记录共4页第1页
沉井工程下沉记录共4页第1页
沉井工程下沉记录共4页第1页
沉井工程下沉记录共4页第1页。
第1篇一、工程概况本项目为某大型桥梁工程,位于我国某城市,桥梁全长为X米,其中沉井基础长Y 米,宽Z米,高W米。
沉井基础采用钢筋混凝土结构,平面尺寸为YZ米,高度为W米,沉井内部分为多个仓格,井壁厚X米。
本工程于2023年3月1日开始施工,预计于2023年12月31日完成。
二、施工准备1. 施工人员:本项目共需施工人员100人,其中技术人员10人,施工人员90人。
2. 施工设备:主要包括挖掘机、混凝土搅拌站、泵车、汽车吊、潜水泵等。
3. 施工材料:主要包括钢筋混凝土、钢筋、水泥、砂石等。
三、施工步骤1. 沉井基础制作:首先进行沉井基础模板的安装,然后进行钢筋绑扎,最后进行混凝土浇筑。
浇筑过程中,要严格控制混凝土的质量和浇筑速度,确保沉井基础的强度和稳定性。
2. 沉井基础预压:在沉井基础混凝土达到一定强度后,进行预压处理。
预压过程中,要确保沉井基础稳定,避免发生变形。
3. 沉井基础下沉:沉井基础下沉采用排水下沉法,先在沉井基础内部设置排水系统,然后进行抽水,使沉井基础下沉。
下沉过程中,要严格控制下沉速度和偏位,确保沉井基础与周围土体紧密结合。
4. 沉井基础接高:沉井基础下沉到设计标高后,进行接高施工。
接高过程中,要确保接高部分的强度和稳定性,与沉井基础紧密结合。
5. 沉井基础封底:沉井基础接高完成后,进行封底施工。
封底过程中,要确保封底部分的强度和稳定性,与沉井基础紧密结合。
四、施工记录1. 2023年3月1日:开始沉井基础制作,完成模板安装。
2. 2023年3月5日:完成钢筋绑扎,开始混凝土浇筑。
3. 2023年3月10日:混凝土浇筑完成,进行预压处理。
4. 2023年3月15日:预压处理完成,开始沉井基础下沉。
5. 2023年3月20日:沉井基础下沉至设计标高,开始接高施工。
6. 2023年3月25日:接高施工完成,开始封底施工。
7. 2023年3月30日:封底施工完成,沉井基础下沉施工结束。
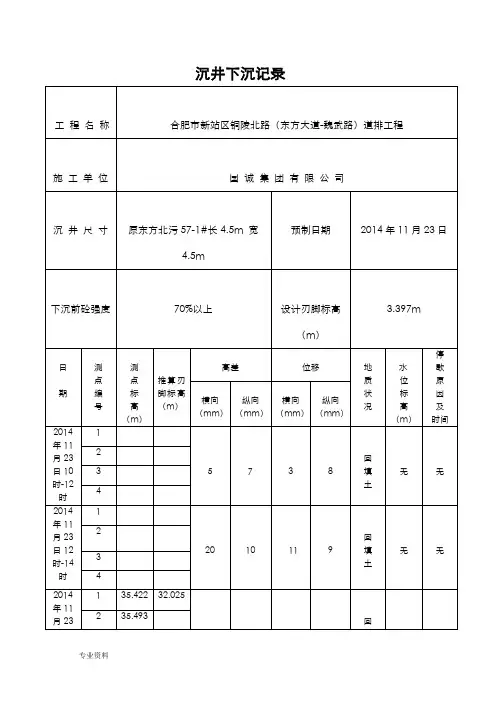
沉井工程下沉记录-()————————————————————————————————作者:————————————————————————————————日期:沉井下沉记录工程名称合肥市新站区铜陵北路(东方大道-魏武路)道排工程施工单位国诚集团有限公司沉井尺寸原东方北污57-1#长4.5m 宽4.5m 预制日期2014年11月23日下沉前砼强度70%以上设计刃脚标高(m)3.397m日期测点编号测点标高(m)推算刃脚标高(m)高差位移地质状况水位标高(m)停歇原因及时间横向(mm)纵向(mm)横向(mm)纵向(mm)2014年11月23日10时-12时15 7 3 8回填土无无2342014年11月23日12时-14时120 10 11 9回填土无无2342014年11月23日14时-16时1 35.422 32.0255 14 7 8回填土无无2 35.4933 35.5764 35.522014年11月23日16时-18时1 33.922 30.5256 26 10 14回填土无无2 33.993 30.5963 34.076 30.6794 34.052 30.655施工员:编制:国诚集团有限公司沉井工程下沉记录工程名称合肥市新站区铜陵北路(东方大道-魏武路)道排工程施工单位国诚集团有限公司沉井尺寸长4.5m 宽4.5m预制日期2014年11月26日下沉前砼强度70%以上设计刃脚标高(m)3.040m日期测点编号测点标高(m)推算刃脚标高(m)高差位移地质状况水位标高(m)停歇原因及时间横向(mm)纵向(mm)横向(mm)纵向(mm)2014年11月23日1 15.695 11.0955 6 3 8回填土无无2 15.690 11.0903 15.685 11.0854 15.688 11.0882014年11月24日1 15.485 10.88520 12 11 9回填土无无2 15.485 10.8653 15.475 10.8754 15.480 10.8802014年11月25日1 15.192 10.6925 14 7 8回填土无无2 15.187 10.6873 15.201 10.7014 15.198 10.6982014年11月26日1 15.403 10.5436 26 10 14回填土无无2 15.039 10.5383 15.013 10.5134 15.019 10.519施工员:编制:国诚集团有限公司工程名称合肥市新站区铜陵北路(东方大道-魏武路)道排工程施工单位国诚集团有限公司沉井尺寸长4.5m 宽4.5m 预制日期2014年11月27日下沉前砼强度70%以上设计刃脚标高(m)3.438m日期测点编号测点标高(m)推算刃脚标高(m)高差位移地质状况水位标高(m)停歇原因及时间横向(mm)纵向(mm)横向(mm)纵向(mm)2014年11月24日1 15.595 11.0955 7 3 8回填土无无2 15.590 11.0903 15.585 11.0854 15.588 11.0882014年11月25日1 15.385 10.88520 10 11 9回填土无无2 15.385 10.8653 15.375 10.8764 15.380 10.8822014年11月26日1 15.192 10.6925 14 7 8回填土无无2 15.187 10.6883 15.201 10.7034 15.198 10.6982014年11月27日1 15.403 10.5436 26 10 14回填土无无2 15.038 10.5383 15.012 10.5134 15.018 10.518施工员:编制:国诚集团有限公司工程名称合肥市新站区铜陵北路(东方大道-魏武路)道排工程施工单位国诚集团有限公司沉井尺寸长4.5m 宽4.5m 预制日期2014年11月27日下沉前砼强度70%以上设计刃脚标高(m)3.446m日期测点编号测点标高(m)推算刃脚标高(m)高差位移地质状况水位标高(m)停歇原因及时间横向(mm)纵向(mm)横向(mm)纵向(mm)2014年11月25日1 15.596 11.0955 7 3 8回填土无无2 15.590 11.0923 15.587 11.0864 15.588 11.0882014年11月26日1 15.385 10.88520 10 11 9回填土无无2 15.385 10.8653 15.375 10.8754 15.380 10.8802014年11月27日1 15.192 10.6925 14 7 8回填土无无2 15.187 10.6873 15.201 10.7034 15.198 10.6982014年11月28日1 15.403 10.5436 26 10 14回填土无无2 15.038 10.5383 15.012 10.5134 15.018 10.518施工员:编制:国诚集团有限公司工程名称合肥市新站区铜陵北路(东方大道-魏武路)道排工程施工单位国诚集团有限公司沉井尺寸长4.5m 宽4.5m 预制日期2014年11月28日下沉前砼强度70%以上设计刃脚标高(m)3.551m日期测点编号测点标高(m)推算刃脚标高(m)高差位移地质状况水位标高(m)停歇原因及时间横向(mm)纵向(mm)横向(mm)纵向(mm)2014年11月25日1 15.595 11.0955 7 3 8回填土无无2 15.590 11.0903 15.585 11.0854 15.588 11.0882014年11月26日1 15.385 10.88520 10 11 9回填土无无2 15.385 10.8653 15.375 10.8754 15.380 10.8802014年11月27日1 15.192 10.6925 14 7 8回填土无无2 15.187 10.6873 15.201 10.7014 15.198 10.6982014年11月28日1 15.403 10.5436 26 10 14回填土无无2 15.038 10.5383 15.012 10.5124 15.018 10.518施工员:编制:国诚集团有限公司工程名称合肥市新站区铜陵北路(东方大道-魏武路)道排工程施工单位国诚集团有限公司沉井尺寸长4.5m 宽4.5m 预制日期2014年11月30日下沉前砼强度70%以上设计刃脚标高(m)3.562m日期测点编号测点标高(m)推算刃脚标高(m)高差位移地质状况水位标高(m)停歇原因及时间横向(mm)纵向(mm)横向(mm)纵向(mm)2014年11月27日1 15.595 11.0955 7 3 8回填土无无2 15.590 11.0933 15.585 11.0854 15.588 11.0882014年11月28日1 15.385 10.88520 10 11 9回填土无无2 15.385 10.8653 15.375 10.8754 15.382 10.8802014年11月29日1 15.192 10.6925 14 7 8回填土无无2 15.187 10.6873 15.203 10.7014 15.198 10.6982014年11月30日1 15.403 10.5436 26 10 14回填土无无2 15.038 10.5383 15.013 10.5144 15.018 10.518施工员:编制:国诚集团有限公司工程名称合肥市新站区铜陵北路(东方大道-魏武路)道排工程施工单位国诚集团有限公司沉井尺寸长4.5m 宽4.5m 预制日期2014年12月1日下沉前砼强度70%以上设计刃脚标高(m)3.623m日期测点编号测点标高(m)推算刃脚标高(m)高差位移地质状况水位标高(m)停歇原因及时间横向(mm)纵向(mm)横向(mm)纵向(mm)2014年11月28日1 15.595 11.0955 7 3 8回填土无无2 15.590 11.0903 15.585 11.0854 15.588 11.0882014年11月29日1 15.385 10.88520 10 11 9回填土无无2 15.385 10.8653 15.375 10.8754 15.380 10.8802014年11月30日1 15.192 10.6925 14 7 8回填土无无2 15.187 10.6873 15.201 10.7014 15.198 10.6982014年12月1日1 15.403 10.5436 26 10 14回填土无无2 15.038 10.5383 15.012 10.5124 15.018 10.518施工员:编制:国诚集团有限公司工程名称合肥市新站区铜陵北路(东方大道-魏武路)道排工程施工单位国诚集团有限公司沉井尺寸长4.5m 宽4.5m 预制日期2014年12月2日下沉前砼强度70%以上设计刃脚标高(m)3.631m日期测点编号测点标高(m)推算刃脚标高(m)高差位移地质状况水位标高(m)停歇原因及时间横向(mm)纵向(mm)横向(mm)纵向(mm)2014年11月29日1 15.595 11.0955 7 3 8回填土无无2 15.590 11.0903 15.585 11.0854 15.588 11.0882014年11月30日1 15.385 10.88520 10 11 9回填土无无2 15.385 10.8653 15.375 10.8754 15.380 10.8802014年12月1日1 15.192 10.6925 14 7 8回填土无无2 15.187 10.6873 15.201 10.7014 15.198 10.6982014年12月2日1 15.403 10.5436 26 10 14回填土无无2 15.038 10.5383 15.012 10.5124 15.018 10.518施工员:编制:国诚集团有限公司沉井工程下沉记录共4页第1页工程名称合肥市新站区铜陵北路(东方大道-魏武路)道排工程施工单位国诚集团有限公司沉井尺寸长4.5m 宽4.5m 预制日期2014年12月3日下沉前砼强度70%以上设计刃脚标高(m)3.784m日期测点编号测点标高(m)推算刃脚标高(m)高差位移地质状况水位标高(m)停歇原因及时间横向(mm)纵向(mm)横向(mm)纵向(mm)2014年11月30日1 15.595 11.0955 7 3 8回填土无无2 15.590 11.0903 15.585 11.0854 15.588 11.0882014年12月1日1 15.385 10.88520 10 11 9回填土无无2 15.385 10.8653 15.375 10.8754 15.380 10.8802014年12月2日1 15.192 10.6925 14 7 8回填土无无2 15.187 10.6873 15.201 10.7014 15.198 10.6982014年12月3日1 15.403 10.5436 26 10 14回填土无无2 15.038 10.5383 15.012 10.5124 15.018 10.518施工员:编制:国诚集团有限公司工程名称合肥市新站区铜陵北路(东方大道-魏武路)道排工程施工单位国诚集团有限公司沉井尺寸长6m 宽6m 预制日期2014年12月4日下沉前砼强度70%以上设计刃脚标高(m)3.799m日期测点编号测点标高(m)推算刃脚标高(m)高差位移地质状况水位标高(m)停歇原因及时间横向(mm)纵向(mm)横向(mm)纵向(mm)2014年12月1日1 15.595 11.0955 7 3 8回填土无无2 15.590 11.0903 15.585 11.0854 15.588 11.0882014年12月2日1 15.385 10.88520 10 11 9回填土无无2 15.385 10.8653 15.375 10.8754 15.380 10.8802014年12月3日1 15.192 10.6925 14 7 8回填土无无2 15.187 10.6873 15.201 10.7014 15.198 10.6982014年12月4日1 15.403 10.5436 26 10 14回填土无无2 15.038 10.5383 15.012 10.5124 15.018 10.518施工员:编制:国诚集团有限公司工程名称合肥市新站区铜陵北路(东方大道-魏武路)道排工程施工单位国诚集团有限公司沉井尺寸长6m 宽6m 预制日期2014年12月5日下沉前砼强度70%以上设计刃脚标高(m)3.863m日期测点编号测点标高(m)推算刃脚标高(m)高差位移地质状况水位标高(m)停歇原因及时间横向(mm)纵向(mm)横向(mm)纵向(mm)2014年12月2日1 15.595 11.0955 7 3 8回填土无无2 15.590 11.0933 15.585 11.0854 15.588 11.0882014年12月3日1 15.385 10.88520 10 11 9回填土无无2 15.385 10.8653 15.375 10.8754 15.380 10.8802014年12月4日1 15.192 10.6925 14 7 8回填土无无2 15.187 10.6873 15.201 10.7014 15.198 10.6982014年12月5日1 15.403 10.5436 26 10 14回填土无无2 15.038 10.5383 15.012 10.5134 15.018 10.519施工员:编制:国诚集团有限公司工程名称合肥市新站区铜陵北路(东方大道-魏武路)道排工程施工单位国诚集团有限公司沉井尺寸长6m 宽6m 预制日期2014年12月6日下沉前砼强度70%以上设计刃脚标高(m)3.883m日期测点编号测点标高(m)推算刃脚标高(m)高差位移地质状况水位标高(m)停歇原因及时间横向(mm)纵向(mm)横向(mm)纵向(mm)2014年12月3日1 15.595 11.0955 7 3 8回填土无无2 15.590 11.0923 15.585 11.0854 15.588 11.0882014年12月4日1 15.385 10.88520 10 11 9回填土无无2 15.385 10.8653 15.375 10.8754 15.380 10.8802014年12月5日1 15.192 10.6925 14 7 8回填土无无2 15.187 10.6873 15.201 10.7014 15.198 10.6982014年12月6日1 15.403 10.5436 26 10 14回填土无无2 15.038 10.5383 15.012 10.5134 15.018 10.518施工员:编制:国诚集团有限公司工程名称合肥市新站区铜陵北路(东方大道-魏武路)道排工程施工单位国诚集团有限公司沉井尺寸长6m 宽6m 预制日期2014年12月7日下沉前砼强度70%以上设计刃脚标高(m)3.908m日期测点编号测点标高(m)推算刃脚标高(m)高差位移地质状况水位标高(m)停歇原因及时间横向(mm)纵向(mm)横向(mm)纵向(mm)2014年12月4日1 15.595 11.0955 7 3 8回填土无无2 15.590 11.0903 15.585 11.0854 15.588 11.0882014年12月5日1 15.385 10.88520 10 11 9回填土无无2 15.385 10.8653 15.375 10.8754 15.380 10.8802014年12月6日1 15.192 10.6925 14 7 8回填土无无2 15.187 10.6873 15.201 10.7014 15.198 10.6982014年12月7日1 15.403 10.5436 26 10 14回填土无无2 15.038 10.5383 15.012 10.5124 15.018 10.518施工员:编制:国诚集团有限公司工程名称合肥市新站区铜陵北路(东方大道-魏武路)道排工程施工单位国诚集团有限公司沉井尺寸长6m 宽6m 预制日期2014年12月8日下沉前砼强度70%以上设计刃脚标高(m)4.025m日期测点编号测点标高(m)推算刃脚标高(m)高差位移地质状况水位标高(m)停歇原因及时间横向(mm)纵向(mm)横向(mm)纵向(mm)2014年12月5日1 15.595 11.0955 7 3 8回填土无无2 15.590 11.0903 15.585 11.0854 15.588 11.0882014年12月6日1 15.385 10.88520 10 11 9回填土无无2 15.385 10.8653 15.375 10.8754 15.380 10.8802014年12月7日1 15.192 10.6925 14 7 8回填土无无2 15.187 10.6873 15.201 10.7014 15.198 10.6982014年12月8日1 15.403 10.5436 26 10 14回填土无无2 15.038 10.5383 15.012 10.5124 15.018 10.518施工员:编制:国诚集团有限公司工程名称合肥市新站区铜陵北路(东方大道-魏武路)道排工程施工单位国诚集团有限公司沉井尺寸长6m 宽6m 预制日期2014年12月9日下沉前砼强度70%以上设计刃脚标高(m)4.036m日期测点编号测点标高(m)推算刃脚标高(m)高差位移地质状况水位标高(m)停歇原因及时间横向(mm)纵向(mm)横向(mm)纵向(mm)2014年12月6日1 15.595 11.0955 7 3 8回填土无无2 15.590 11.0903 15.585 11.0854 15.588 11.0882014年12月7日1 15.385 10.88520 10 11 9回填土无无2 15.385 10.8653 15.375 10.8754 15.380 10.8802014年12月8日1 15.192 10.6925 14 7 8回填土无无2 15.187 10.6873 15.201 10.7014 15.198 10.6982014年12月9日1 15.403 10.5436 26 10 14回填土无无2 15.038 10.5383 15.012 10.5124 15.018 10.518施工员:编制:国诚集团有限公司工程名称合肥市新站区铜陵北路(东方大道-魏武路)道排工程施工单位国诚集团有限公司沉井尺寸长6m 宽6m 预制日期2014年12月10日下沉前砼强度70%以上设计刃脚标高(m)4.083m日期测点编号测点标高(m)推算刃脚标高(m)高差位移地质状况水位标高(m)停歇原因及时间横向(mm)纵向(mm)横向(mm)纵向(mm)2014年12月7日1 15.595 11.0955 7 3 8回填土无无2 15.590 11.0903 15.585 11.0854 15.588 11.0882014年12月8日1 15.385 10.88520 10 11 9回填土无无2 15.385 10.8653 15.375 10.8754 15.380 10.8802014年12月9日1 15.192 10.6925 14 7 8回填土无无2 15.187 10.6873 15.201 10.7014 15.198 10.6982014年12月10日1 15.403 10.5436 26 10 14回填土无无2 15.038 10.5383 15.012 10.5124 15.018 10.518施工员:编制:国诚集团有限公司。
沉井下沉记录
沉井工程下沉记录
施工员:编制:国诚集团有限公司
施工员:编制:国诚集团有限公司
施工员:编制:国诚集团有限公司
施工员:编制:国诚集团有限公司
施工员:编制:国诚集团有限公司
施工员:编制:国诚集团有限公司
施工员:编制:国诚集团有限公司
施工员:编制:国诚集团有限公司
沉井工程下沉记录共4页第1页
施工员:编制:国诚集团有限公司
施工员:编制:国诚集团有限公司
施工员:编制:国诚集团有限公司
施工员:编制:国诚集团有限公司
施工员:编制:国诚集团有限公司
施工员:编制:国诚集团有限公司
施工员:编制:国诚集团有限公司。