原料成分
- 格式:doc
- 大小:34.00 KB
- 文档页数:1
原料成分的英语单词随着全球化的进程不断推进,各种原料的使用越来越广泛,因此我们需要掌握一些原料成分的英语单词,尤其是涉及到生产和加工等领域的人士需要更加注重这方面的学习。
下面,我将按照步骤阐述一些常见的原料成分的英语单词。
第一步,是学习食品类的原料成分。
常见的食品原料成分包括flour(面粉)、sugar(糖)、salt(盐)、butter(黄油)、oil (油)等。
其中,flour是由谷类作物磨成的粉末,常见的有wheat(小麦)、corn(玉米)、oat(燕麦)等;sugar则是一种甜味剂,主要分为 granulated sugar(白砂糖)和 brown sugar(红糖);salt则是一种调味品,用于增加食品的咸味;butter是一种动物性脂肪,多用于烘焙、制作蛋糕等甜点,而oil则是一种植物性油脂,如olive oil(橄榄油)、sunflower oil(葵花籽油)等。
第二步,是学习日常用品类的原料成分。
常见的日常用品包括soap(肥皂)、shampoo(洗发水)、toothpaste(牙膏)等。
其中,soap是一种清洁用品,主要由 fatty acids(脂肪酸)、sodium hydroxide(氢氧化钠)等原料混合而成;shampoo是一种用于清洗头发的洗发水,主要由 surfactants(表面活性剂)、water(水)等原料组成;toothpaste则是一种用于清洁牙齿的牙膏,主要由 fluoride (氟化物)、abrasives(磨料)等原料组成。
第三步,学习化妆品类的原料成分。
常见的化妆品包括moisturizer(润肤霜)、sunscreen(防晒霜)、eye shadow(眼影)等。
其中,moisturizer是一种增加皮肤湿润度的化妆品,主要由水、glycerin(甘油)等原料组成;sunscreen则是一种用于保护皮肤免受紫外线伤害的化妆品,主要由 zinc oxide(氧化锌)、titanium dioxide(二氧化钛)等原料组成;eye shadow则是一种用于打造眼妆的化妆品,主要由 mica(云母)、titanium dioxide等原料组成。
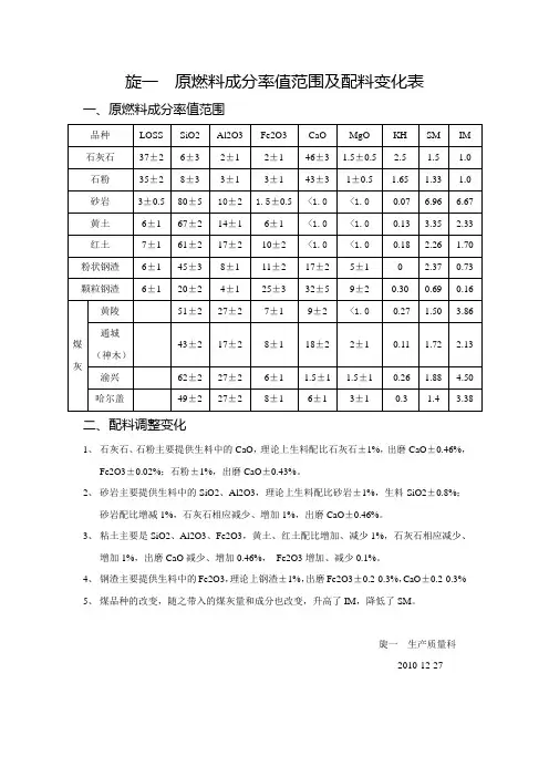
旋一原燃料成分率值范围及配料变化表
一、原燃料成分率值范围
二、配料调整变化
1、石灰石、石粉主要提供生料中的CaO,理论上生料配比石灰石±1%,出磨CaO±0.46%,
Fe2O3±0.02%;石粉±1%,出磨CaO±0.43%。
2、砂岩主要提供生料中的SiO2、Al2O3,理论上生料配比砂岩±1%,生料SiO2±0.8%;
砂岩配比增减1%,石灰石相应减少、增加1%,出磨CaO±0.46%。
3、粘土主要是SiO2、Al2O3、Fe2O3,黄土、红土配比增加、减少1%,石灰石相应减少、
增加1%,出磨CaO减少、增加0.46%,Fe2O3增加、减少0.1%。
4、钢渣主要提供生料中的Fe2O3,理论上钢渣±1%,出磨Fe2O3±0.2-0.3%,CaO±0.2-0.3%
5、煤品种的改变,随之带入的煤灰量和成分也改变,升高了IM,降低了SM。
旋一生产质量科
2010-12-27。
玻璃的原料及成分一、引言玻璃是一种常见的无机非晶体材料,广泛应用于建筑、家居、电子、光学等领域。
了解玻璃的成分及原料对于生产和使用玻璃都具有重要意义。
二、玻璃的基本成分1. 硅氧化物(SiO2)硅氧化物是玻璃中最主要的成分,占据了大约60%~75%的比例。
它是一种无色透明的化合物,具有高度的稳定性和耐腐蚀性。
在制造玻璃时,硅氧化物是通过加入二氧化硅(SiO2)来实现。
2. 碱金属氧化物(如Na2O、K2O)碱金属氧化物通常被添加到硅氧化物中以降低其熔点和粘度。
这些元素在制造过程中也起到了流动性调节剂的作用。
其中,钠氧化物(Na2O)是最常用的碱金属氧化物之一。
3. 碳酸盐(如CaCO3)碳酸盐是指含有碳酸根离子(CO32-)的盐类或其它有机或无机化合物。
它们在玻璃制造中通常被用作助熔剂和增加玻璃的抗震性能。
4. 金属氧化物(如Fe2O3、Al2O3)金属氧化物是指由金属离子和氧离子组成的化合物。
这些元素在玻璃制造中起到了改变光学性质和颜色的作用。
其中,铁氧化物(Fe2O3)是最常见的金属氧化物之一。
三、玻璃的原料1. 二氧化硅(SiO2)二氧化硅是制造玻璃的主要原料之一,它可以从沙子或石英中提取出来。
在工业生产中,通常采用硅酸盐矿物质或电子级硅来生产二氧化硅。
2. 碱金属碳酸盐(如Na2CO3、K2CO3)碱金属碳酸盐是制造玻璃时必不可少的原料之一,它们可以从天然资源或人工合成中获得。
3. 碳酸钙(CaCO3)碳酸钙也是制造玻璃时常用的原料之一,它通常从石灰石中提取。
4. 金属氧化物(如Fe2O3、Al2O3)金属氧化物通常被添加到玻璃中以改变其颜色和光学性质。
这些原料可以从天然资源或化学合成中获得。
四、玻璃的制造过程1. 材料准备在玻璃的制造过程中,各种原料需要经过精细的配比和混合。
这些原料通常是以固体形式存储,需要经过研磨和筛分等处理才能使用。
2. 熔融在加入助剂和流动性调节剂后,原料被送入高温的电炉或火焰中进行熔融。
能量碳水化合脂肪蛋白质膳食纤维钠GI GL34878.317.30.8 1.534376.70.87.90.8 2.830773.31.410.2036766.9 6.7155 5.335875.1 3.192 4.333372.2 2.59.43.97.134775.637.96 1.733577.20.78.4034276.9 1.59.74 3.335771.1 3.313.82 3.635174.7 3.110.44 6.3荞麦32473 2.39.36 4.7青稞33975 1.58.1 1.877红米75.210.1 5.10.15糙米36876.5 2.47.2黑麦能量碳水化合脂肪蛋白质膳食纤维钠GI GL30963.40.620.27.7 2.231462.5 1.321.48.30.6316620.821.6 6.4 3.238133.615.93610.2329657.2 1.423.40青刀豆3670.3 3.18.5鹰嘴豆31660.1 4.221.200豌豆31365.8 1.120.310.49.7蚕豆33561.5121.6 1.786豇豆7.7四棱豆花芸豆25 5.32.1棉豆黑眼豆四季豆 1.5熊猫豆黄豆35619163516能量碳水化合脂肪蛋白质膳食纤维钠GI GL20067.3 1.41030.482.132077.9 1.9 4.2 6.4300.716238.80.1 3.2 1.7 6.734467.2217.23 5.131373.51 4.627.326467.80.5 3.2 6.2 6.256321.744.324.83.6枸杞常用原料的营养成分及其GI值谷物类豆类干果蜜饯类名称能量碳水化合脂肪蛋白质膳食纤维钠GI GL 椰果山楂菠萝胡萝卜378.80.21 1.171.4梨苹果草莓柠檬苹果香蕉樱桃荔枝菠菜葡萄芹菜番茄西瓜黄桃荸荠蓝莓南瓜22 4.50.10.70.8薯类名称能量碳水化合脂肪蛋白质膳食纤维钠GI GL 红薯白薯马铃薯芋头紫薯淮山药35612.40.2 1.91茯苓31682.60.5 1.281芡实35179.60.38.31葛根18145.60.2 1.5甘薯坚果类名称能量碳水化合脂肪蛋白质膳食纤维钠GI GL 核桃杏仁56223.945.422.588.3巴旦木夏威夷果榛子松子花生葵花籽南瓜子银杏碧根果腰果开心果名称能量碳水化合脂肪蛋白质膳食纤维钠GI GL 虾仁海参扇贝柱鱿鱼紫菜海带辅助添加名称能量碳水化合脂肪蛋白质膳食纤维钠GI GL 魔芋精粉37 4.40.1 4.674.4燕麦纤维100食药同源名称能量碳水化合脂肪蛋白质膳食纤维钠GI GL 茯苓16 1.70.5 1.280.91枸杞25847.2 1.513.916.9252.1葛根18145.60.2 1.5。
产品原料成分分析补水保湿系列1、甘油——又称丙三醇。
在自然界中甘油主要以甘油酯的形式广泛存在于动植物体内,在棕榈油和其他极少数油脂中含有少量甘油。
无色粘稠液体。
具有甜味。
纯甘油可形成结晶固体,并可与水混溶,保湿性极强。
2、氨基酸——是构成生物体蛋白质并同生命活动有关的最基本的物质,是在生物体内构成蛋白质分子的基本单位,与生物的生命活动有着密切的关系。
它在抗体内具有特殊的生理功能,是生物体内不可缺少的营养成分之一。
构成人体的最基本的物质,有蛋白质、脂类、碳水化合物、无机盐、维生素、水和食物纤维等。
作为构成蛋白质分子的基本单位的氨基酸,无疑是构成人体内最基本物质之一。
蛋白质的基本单位是氨基酸。
如果人体缺乏任何一种必需氨基酸,就可导致生理功能异常,影响抗体代谢的正常进行,最后导致疾病。
同样,如果人体内缺乏某些非必需氨基酸,会产生抗体代谢障碍。
精氨酸和瓜氨酸对形成尿素十分重要。
氨基酸加入护肤品中可降低或减缓由于身体皮肤粘膜干燥引起的炎症。
氨基酸最大特点能使肌肤的保湿持续性及长效活性的能力。
含有氨基酸的化妆品都具有极好的保湿作用,在防止皮肤粗糙方面非常有效。
3、洁面因子——能去除毛孔内污垢及洗净淡妆(粉饼),不损皮肤保护膜,保存肌肤水分。
抑制粉刺因子,减低粉刺生成及避免恶化。
卸妆及深层清洁,洗去老化角质死皮及黑色素,使肌肤更清爽。
4、矿物质——又称无机盐,是构成人体组织和维持正常生理活动的重要物质。
人体组织几乎含有自然界存在的所有元素。
钾离子、钙、锰、镁、硅等矿物质是参见的美肌成分,其中也可以帮助身体减压,并辅助维生素E发挥作用、延缓衰老。
锰可以综合自由基的抗氧化功效,增加肌肤的缩水能力。
而硅则能协同真皮层的胶原蛋白维持肌肤弹性。
人体内所含的矿物质本身是无法自身产生的,而是通过吃下的食物来摄取,随着年龄、身体状况、情绪压力等因素的改变,摄取能力也会有所不同,所以皮肤所需的矿物成分和微量元素可以通过涂抹相应的保养产品来获得。
1144原材料成分标准1144原材料是一种常见的工业原材料,广泛用于制造各种机械零部件和结构件。
其成分标准对于保证产品质量、提高生产效率具有重要意义。
本文将对1144原材料的成分标准进行详细介绍,希望能够为相关行业提供参考和指导。
首先,我们来看1144原材料的主要成分。
1144原材料主要由碳、锰、硫、磷等元素组成。
其中,碳是最主要的成分,其含量决定了1144原材料的硬度和强度。
同时,锰的含量也对1144原材料的机械性能有着重要影响。
硫和磷的含量则会影响1144原材料的加工性能和脆性。
因此,在生产过程中,需要严格控制这些元素的含量,以确保产品符合标准。
其次,我们需要了解1144原材料的成分标准。
根据相关标准规定,1144原材料的碳含量应在0.40-0.48%之间,锰含量应在1.35-1.65%之间,硫含量不得高于0.24%,磷含量不得高于0.04%。
此外,还需要对其他微量元素的含量进行严格控制,以确保产品的整体性能符合要求。
在实际生产中,如何保证1144原材料的成分符合标准是一个关键问题。
首先,需要对原材料进行严格的化学成分分析,确保各元素的含量符合要求。
其次,在生产过程中,需要严格控制各种合金元素的添加量和混合比例,以确保最终产品的成分符合标准。
此外,还需要对生产设备进行定期维护和检测,确保生产过程稳定可靠。
总的来说,1144原材料的成分标准对于保证产品质量、提高生产效率具有重要意义。
只有严格控制原材料的成分,才能生产出符合标准要求的产品,满足市场需求。
因此,相关企业需要高度重视原材料成分的控制,建立健全的质量管理体系,确保产品质量稳定可靠。
在实际生产中,我们还需要不断改进生产工艺,提高生产效率,降低生产成本,推动行业持续健康发展。
希望本文对相关行业能够提供一定的参考和帮助,也希望相关企业能够加强对1144原材料成分标准的管理,提升产品质量,促进产业的可持续发展。
玻璃原材料成分是什么玻璃是一种常见的无机非金属材料,它的主要成分是硅酸盐。
硅酸盐是由硅、氧和其它金属离子组成的化合物,其中硅氧键是主要的化学键。
除了硅酸盐之外,玻璃的成分还可能包括氧化物、碳酸盐、硼酸盐等。
在制造玻璃的过程中,这些原材料会按照一定的配方进行混合,并经过高温熔融后冷却成型,形成我们常见的玻璃制品。
硅酸盐是玻璃的主要成分之一。
硅酸盐是由硅氧化合物和其它金属离子组成的化合物。
硅氧化合物是由硅和氧组成的化合物,是硅酸盐的基础。
在玻璃制造过程中,硅酸盐的含量通常在60%以上,它决定了玻璃的基本特性,如透明度、抗压强度等。
除了硅酸盐之外,玻璃的成分还可能包括氧化物、碳酸盐、硼酸盐等。
这些成分的加入可以改变玻璃的性质,使其具有不同的用途。
氧化物是玻璃的另一个重要成分。
氧化物是由氧和其它金属离子组成的化合物,它在玻璃中起着增加稳定性和硬度的作用。
常见的氧化物包括氧化钠、氧化钙、氧化铝等。
这些氧化物的含量和比例会影响玻璃的性能,如硬度、耐热性等。
在玻璃制造过程中,氧化物的加入是根据玻璃的用途和性能要求进行调配的。
碳酸盐和硼酸盐也是玻璃的常见成分。
碳酸盐是由碳、氧和其它金属离子组成的化合物,它可以增加玻璃的耐热性和耐腐蚀性。
硼酸盐是由硼、氧和其它金属离子组成的化合物,它可以增加玻璃的抗震性和透明度。
这些成分的加入使得玻璃具有更广泛的用途,如建筑玻璃、光学玻璃、玻璃纤维等。
综上所述,玻璃的成分主要包括硅酸盐、氧化物、碳酸盐和硼酸盐等。
这些成分的含量和比例会直接影响玻璃的性能和用途。
通过合理的配方和制造工艺,可以生产出不同性能和用途的玻璃制品,满足人们日常生活和工业生产的需求。
原料成分检测标准本文档旨在制定一套原料成分检测的标准,以确保产品的质量和安全性。
以下是对该标准的详细说明。
1. 标准目的该标准的目的是确保原料成分检测的准确性和一致性,以防止潜在的食品安全问题和欺诈行为。
通过确定正确的检测方法和要求,能够帮助制造商和消费者更好地了解原料的成分和质量。
2. 适用范围该标准适用于所有涉及原料成分的产品,包括食品、药品、化妆品等。
3. 检测方法3.1 可行性验证在进行原料成分检测前,需要进行可行性验证以确保所采用的检测方法的准确性和可靠性。
验证方法应基于科学原理和统计方法,包括但不限于以下几个方面:- 反复性验证:对同一原料样品进行多次测试以评估结果的一致性。
- 中间精度验证:对不同实验室或不同操作人员进行测试,并对结果进行比较。
- 确定性验证:与已验证的方法进行比较,确保新方法的准确性和可行性。
3.2 成分检测方法原料的成分检测应使用准确可靠的分析方法,包括但不限于以下几种:- 色谱法:如气相色谱法和液相色谱法。
- 光谱法:如紫外可见光谱法和红外光谱法。
- 质谱法:如质谱联用技术。
- 样品制备方法:如萃取和浸提方法。
检测方法的选择应根据原料的特性和目标成分的特征进行综合考虑,并遵循相关的标准和法规要求。
3.3 技术要求为确保原料成分检测的有效性和可靠性,以下是一些技术要求的建议:- 仪器设备应定期维护和校准,以确保其性能和精度。
- 检测人员应经过专门培训,熟悉操作程序和方法。
4. 结论本文档制定了一套原料成分检测的标准,旨在确保产品的质量和安全性。
准确可靠的检测方法和技术要求是实施该标准的关键。
制造商和消费者应遵循这些标准,以保证原料的成分和质量的可靠性。
玉瓷的原料组成成分
玉瓷是一种高档陶瓷,以其独特的外观和质感而闻名于世。
玉瓷的原料组成成分是制作玉瓷的关键。
下面就来详细介绍一下玉瓷的原料组成成分。
1.瓷土
瓷土是玉瓷的主要原料之一,它是从粘土、石英、长石、云母等矿物质中提取出来的。
瓷土中的各种矿物质含量需要经过精确的计算和配比,才能制作出高质量的玉瓷产品。
2.瓷石
瓷石是制作玉瓷的另一种重要原料,它是从石英、长石、云母等矿物质中提取出来的一种岩石。
瓷石中含有的铝、硅、钙、钠等元素是制作玉瓷的必要元素。
3.高岭土
高岭土是一种白色粉末状物质,主要由高岭石和伊利石等矿物质组成。
高岭土中的硅、铝等元素含量较高,是制作玉瓷的重要原料之一。
4.石英
石英是一种硬度极高的矿物质,是制作玉瓷的重要原料之一。
石英中的硅元素含量高达99.9%,是制作玉瓷的必要元素。
5.长石
长石是一种由钾、钠、铝、硅等元素构成的矿物质,是制作玉瓷的重要原料之一。
长石中含有的钠元素可以增加玉瓷产品的透明度和光泽度。
以上就是制作玉瓷的主要原料组成成分。
这些原料需要经过精确的计算和配比,才能制作出高质量的玉瓷产品。
在制作过程中,还需要进行粉碎、混合、成型、干燥、烧结等多个环节。
通过这些环节的处理,才能最终制作出优质的玉瓷产品。