质量保证体系培训文件
- 格式:doc
- 大小:180.50 KB
- 文档页数:69
工程质量保证体系及保证措施培训资料(44页)民警附属及备勤综合用房工程编制人:审核人:审批人:编制日期:2022年7月20日博尔建设集团有限公司第一节工程质量目标根据创优的有关要求,并结合我公司创优的经验,将单位工程进行质量目标分解,根据质量目标进行重点监控,以分项保分部,以分部保单位工程,实行目标控制,实现工程质量一次成优。
1、分部(子分部)、分项工程质量目标设置表6-1序号分部工程子分部工程无支护土方混凝土基础桩基混凝土结构砌体结构三建筑屋面卷材防序号分项工程质量等级合格合格合格合格合格合格合格合格合格合格合格1土方开挖、回填1231123模板工程钢筋工程砼工程混凝土挖孔桩模板工程钢筋工程砼工程一地基与基础二主体结构1砌筑工程1保温层2找平层水屋面3卷材防水层4卷材防水屋面5细部构造合格合格合格表6-1(续)给水管道及配件1安装给水消火栓系统2安装3给水设备安装4管道防腐、绝热排水管道及配件5安装雨水管道及配件6安装7管道及配件安装8辅助设备安装9防腐、绝热13给水管道安装消防水泵接合器14及室外消火栓安装15管沟及井室16排水管道安装17排水管沟及井池合格合格合格合格合格合格合格合格合格合格合格合格合格合格室内给水系统室内排水系统建筑给水、四排水室内热水供应系统室外给水系统室外排水系统表6-1(续)五建筑电气电气照成套配电柜、照明1明安装配电箱安装合格23456789防雷接10地安装111通信网络系统23安全防范系统45电源与接地6六智能建筑电线、电缆导管和线槽敷设电线、电缆导管和线槽敷线电缆头制作、导线连接和线路电气试验普通灯具安装专用灯具安装插座、开关、风扇安装建筑照明通电试运行接地装置安装建筑物等电位连接避雷引下线敷设通信系统有线电视系统电视监控系统出入口控制系统智能建筑电源防雷及接地合格合格合格合格合格合格合格合格合格合格合格合格合格合格合格合格2、室外分部工程质量目标设计子单位工单位工程程室外给水室外安装给排水1系统合格序号分部工程质量等级室外排水2系统室外供电3系统电气室外照明4系统合格合格合格3、单位工程观感质量目标设置序项目名称号1室外墙面2建变形缝3筑水落管、屋面与结4室内墙面构给管道接口、坡度、5排水支架6789与采支架、阀门暖配电箱、盘、板、建接线筑电设备器具、开关、插座气防雷、接地质量评价好一般差√√√备注1、表中用√表示评定为该项等级。
质量保障体系培训方案
目标
本培训方案旨在帮助员工全面了解和掌握质量保障体系的相关知识和技能,以提高整体质量管理水平,确保产品和服务的质量达到预期目标。
培训内容
1. 质量保障体系概述
- 介绍质量保障的概念和重要性
- 解释质量保障体系的基本原理和目标
2. 质量标准和法规
- 了解相关的质量标准和法规要求
- 研究如何遵循和执行这些标准和法规
3. 质量管理流程
- 掌握质量管理的基本流程和步骤
- 研究如何制定、实施和改进质量管理计划
4. 质量保证技术
- 理解各种质量保证技术的概念和原理
- 研究如何应用这些技术来提高产品和服务的质量
5. 质量测量和评估
- 研究如何进行质量测量和评估,以及如何采取相应的改进措施
6. 错误防范和纠正措施
- 研究如何预防和纠正常见的错误和缺陷
- 掌握错误分析和纠正的方法和技巧
培训方法
- 培训将采用多种形式,包括讲座、案例分析、小组讨论和角色扮演等
- 培训内容将针对实际情况进行案例演练和模拟操作
培训评估
- 完成培训后,将进行知识和技能的评估
- 培训成绩将作为员工参与评奖评优的重要依据
时间安排
本培训计划为期两天,具体时间安排如下:
- 第一天:上午9:00-12:00,下午14:00-17:00
- 第二天:上午9:00-12:00,下午14:00-17:00
请注意,培训时间和地点会提前通知。
结语
为了确保质量保障体系的有效实施,培训是必不可少的一环。
通过本次培训,我们相信员工能够获得必要的知识和技能,为公司的质量管理工作作出积极贡献。
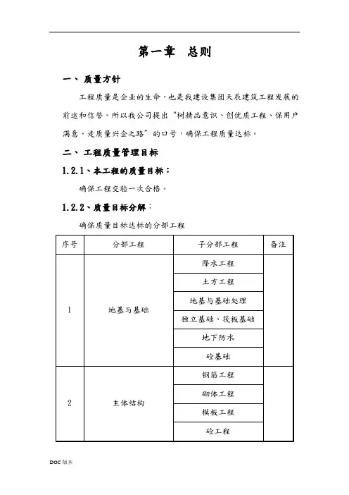
第一章总则一、质量方针工程质量是企业的生命,也是我建设集团天辰建筑工程发展的前途和信誉。
所以我公司提出“树精品意识、创优质工程、保用户满意、走质量兴企之路”的口号,确保工程质量达标。
二、工程质量管理目标1.2.1、本工程的质量目标:确保工程交验一次合格。
1.2.2、质量目标分解:确保质量目标达标的分部工程1.2.3、实现质量目标应执行的技术文件和规规程标准(1)设计图及与设计图等效的技术文件;(2)业主、监理、设计提出的技术标准;(3)《施工企业标准》;(4)《建筑工程施工质量验收统一标准》 GB50300-2001 (5)《建筑分项施工工艺标准手册》 2009年7月版(6)《建筑地基基础施工质量验收规》 GB50202-2002 (7)《砌体工程施工质量验收规》 GB50203-2002(8)《混凝土结构工程施工及验收规》 GB50204-2002 (9)《建筑装饰装修工程施工质量验收规》 GB50210-2002(10) 《建筑地面工程施工质量验收规》 GB50209-2002(11) 《建筑电气工程施工质量验收规》 GB50303-2002(12)《建筑给水及采暖工程施工质量验收规》 GB50242-2002(13)《屋面工程质量验收规》 GB50207-2002第二章质量保证体系一、组织体系2.1.1、项目部质量管理组织机构项目部质量管理组织机构(附图)2.1.2、项目部职能2.1.2.1、施工质量管理……组织施工质量的管理组织是确保工程质量的保证,其设置的合理、完善与否将直接关系到整个质量保证体系能否顺利地运转及操作,在本工程中,我们将按组织机构来全面的进行质量的管理及控制。
2.1.2.2、施工质量管理……协调为保证进场后顺利施工,项目部将建立协调机制和协调会例会制度,保证水、电、临时设施等统一规划、统一协调,协调工作重点考虑工序间的穿插、隐蔽验收、成品保护、技术资料填写、收集、整理的规化等方面的协调。
公司质量保障体系培训计划1. 培训目的本培训旨在提供公司员工相关的质量保障体系知识和技能,使其能够理解和运用公司的质量保障体系,确保产品和服务的质量满足客户需求和期望。
2. 培训内容2.1 公司质量保障体系概述- 介绍公司质量保障体系的背景和目的- 解释质量管理相关的术语和定义2.2 质量保障体系文件- 分析和解释公司质量保障体系文件的结构和内容- 强调对文件中所列要求的理解和遵守2.3 质量保障体系程序- 解释质量保障体系程序的执行流程和步骤- 强调执行程序的重要性和准确性2.4 质量保障体系审核- 介绍质量保障体系审核的目的和程序- 强调对审核结果的正确解读和处理2.5 过程改进和持续改进- 分析公司现有质量保障体系中的改进建议- 强调每个员工在持续改进过程中的责任和作用3. 培训方法3.1 理论课程- 通过讲座、演示和案例分析等形式进行相关理论知识的讲解和研究3.2 实践操作- 安排实际操作环节,使员工能够亲身体验和应用所学知识和技能3.3 案例研究- 针对实际案例进行讨论和分析,帮助员工将理论知识应用到实际工作中4. 培训评估为确保培训的有效性和员工的研究成果,将进行以下评估方式:4.1 知识测试- 设计针对培训内容的知识测试,以评估员工的理论掌握程度4.2 操作评估- 对员工在实践操作环节的表现进行评估,以评估其应用知识和技能的能力4.3 反馈调查- 通过反馈调查问卷,了解员工对培训内容和方式的满意度和改进建议5. 培训时间和地点培训计划将根据公司需求和员工可参与的时间进行安排,并在公司内部指定的培训场所进行实施。
6. 培训影响和预期效果通过此培训,预期员工将能够更全面地了解和运用公司的质量保障体系,提高产品和服务的质量,并为持续改进提供有力支持。
以上为公司质量保障体系培训计划的基本框架和内容,具体细节可根据实际情况进行调整和补充。
质量、安全、环保体系及保证措施培训资料这份培训资料旨在为员工提供关于质量、安全和环保体系以及相应的保证措施的全面培训,以确保我们公司的产品和服务质量达到最高标准,且在生产和服务过程中始终保持安全和环保意识。
第一部分:质量体系1. 产品质量管理体系- 着眼于客户需求,全面掌握产品质量标准和流程- 理解ISO质量管理体系标准,掌握各项指标和评估方法- 掌握质量管理工具和技术,提高产品质量管理水平2. 服务质量管理体系- 掌握服务流程和标准,提高客户满意度- 熟悉ISO服务质量管理标准,了解评估体系和方法- 学习问题解决和服务质量改进的方法第二部分:安全体系1. 生产安全管理- 熟悉工作场所安全规章制度,掌握各项安全标准和操作程序- 学习事故预防和应急处理方法- 掌握EHS管理体系的要求和实施方法2. 产品安全管理- 了解产品安全要求和管理标准- 学习产品安全测试和风险评估方法- 掌握产品召回和责任保险的操作流程第三部分:环保体系1. 生产环保管理- 理解环境保护法律法规,掌握环境保护标准和操作规程- 学习废弃物处理和环境风险管理方法- 掌握环保监测和报告的程序2. 产品环保管理- 了解产品环保要求和标准- 学习环境风险评估和产品环保改进方法- 掌握产品环保认证和标识的要求第四部分:保证措施1. 质量保证措施- 学习质量管理体系的实施和评估方法- 掌握问题分析和改进措施的技术- 了解质量保证体系的持续改进和认证流程2. 安全保证措施- 掌握事故预防和应急处理的技术- 学习安全管理体系的实施和评估方法- 了解安全保证体系的改进和认证流程3. 环保保证措施- 学习环境风险评估和管理的方法- 了解环境管理体系的实施和评估方法- 掌握环保改进和认证的流程总结本次培训资料全面涵盖了质量、安全、环保体系及相应的保证措施,旨在帮助员工全面掌握公司相关管理体系和流程,提高工作水平,确保产品和服务质量,保障员工安全,保护环境健康。
质量体系培训资料一、引言质量体系是指组织为实现质量目标而建立、实施和维护的一系列相互关联的质量管理活动。
为了帮助员工更好地理解和应用质量体系,本次培训将提供相关的培训资料,以便员工们能够全面了解质量体系的基本概念、要素和实施过程。
二、质量体系基本概念1. 质量体系的定义质量体系是指组织内部为实现质量目标而建立的一系列相互关联的质量管理活动,包括质量策划、质量控制、质量保证和质量改进等方面。
2. 质量体系的目的质量体系的目的是确保组织的产品和服务能够满足客户的需求和期望,并持续改进质量水平,提高客户满意度。
3. 质量体系的原则质量体系的实施应遵循以下原则:- 客户导向:以客户需求为中心,不断提高产品和服务的质量。
- 领导力:组织领导层应发挥关键作用,确保质量目标的实现。
- 全员参与:全体员工应参与质量体系的建设和实施。
- 过程管理:以过程为核心,追求过程的持续改进。
- 数据驱动:基于数据和事实进行决策,持续改进质量绩效。
三、质量体系要素1. 质量策划质量策划是指确定组织的质量目标和质量计划,以满足客户需求和要求。
质量策划包括以下内容:- 确定质量目标:根据客户需求和市场要求,制定可衡量的质量目标。
- 制定质量计划:确定实现质量目标所需的资源、方法和时间计划。
2. 质量控制质量控制是指通过监测和测量,确保产品和服务符合质量要求的过程。
质量控制包括以下活动:- 进行质量检查:对产品和服务进行抽样检验,确保其质量符合标准要求。
- 分析质量数据:通过统计分析和图表展示,了解产品和服务的质量状况。
- 采取纠正措施:针对质量问题,采取纠正和预防措施,防止问题再次发生。
3. 质量保证质量保证是指通过建立和实施一系列质量管理体系,确保产品和服务的质量稳定和持续改进。
质量保证包括以下方面:- 建立质量管理体系:制定质量手册、程序文件和工作指导书等,确保质量管理的一致性和可追溯性。
- 进行内部审核:定期对质量管理体系进行内部审核,确保其有效性和符合要求。
质量保证体系文件宣贯培训一、I S09000认证与特种设备制造许可的区别IS09000认证与特种设备制造许可是不同的,主要体现在以下三点:1、IS09000认证是单位的自愿行为,特种设备制造许可是强制性的。
因为特种设备涉及生命安全、危险性较大,大多数国家都实行许可制度。
2、IS09000标准是国际上的通用标准,适用于各行各业,而TSGZ004-2007《特种设备制造、安装、改造、维修质量保证体系基本要求》是专门针对特种设备的。
3、就质量保证体系而言,两者的基本精神与要求是一致的,而TSGZ004-2007高于IS09000,对某一质量要素来说,无论是控制的程度、控制的严密性和可追溯性都是如此。
二、质量保证体系文件、本公司从实际出发,依据TSGZ0004-2007《特种设备制造、安装、改造、维修质量保证体系基本要求》等法规、规范、标准的要求,编制的压力容器制造质量保证体系文件的塔式结构,四层文件组成。
1、质量保证手册质量保证手册是纲领性的体系文件,是企业质量工作的“基本法”,是对质量保证体系文件总体的描述,是控制的基础。
质量保证手册的内容有:阐明了质量方针和质量目标,对质量目标进行了分解,对质量目标的考核作出了规定,起着确立各项质量活动及其指导方针、原则的重要作用;规定了从事与质量活动有关的管理、执行、验证人员的职责、权限及相互关系;根据压力容器制造特点与要求,设置了质量体系控制的质量要素,对每一个质量要素开展哪些活动,控制到什么程度提出了要求;提出了管理评审要求,目的是确保质量保证体系的适宜性和有效性,进行质量改进。
2、程序文件(58个)程序文件是质量保证手册的具体展开,是质量保证体系的重要组成部分。
程序文件是运作的基础,具体描述了质量体系质量要素所要求的质量活动是如何开展的,是对质量保证手册的有力支撑。
具体讲,对每一个质量要素有哪些控制环节、控制点规定的目的和范围是:为什么做、做什么、谁来做、何时何地如何做;应使用什么文件、材料、设备;如何对质量活动进行控制、验证、记录。
第1章、安全生产和文明施工措施第1节、安全管理方针、目标管理方针:生态文明绿色城市b5E2RGbCAP管理目标:创扬州市“市级文明工地”第2节、安全生产保证体系安全保证体系主管副经理主任工程师项目安全管理体系1、安全技术交底制:根据安全措施要求和现场实际情况,各级管理人员需亲自逐级进行书面交底;2、班前检查制:专职安全员必须督促与检查班组对安全防护措施是否进行了检查;3、外脚手架、大中型机械设备安装实行验收制,凡不经验收的一律不得投入使用;4、周一安全活动制:经理部每周一要组织全体工人进行安全教育,对上一周安全方面存在的问题进行总结,对本周的安全重点和注意事项作必要的交底,使广大工人能心中有数,从意识上时刻绷紧安全这根弦。
DXDiTa9E3d5、定期检查与隐患整改制:项目经理部每周要组织一次安全生产检查,对查出的安全隐患必须定措施、定时间、定人员整改,并作好安全隐患整改消项记录;RTCrpUDGiT6、管理人员和特种作业人员实行年审制,每年由公司统一组织进行,加强施工管理人员的安全考核,增强安全意识,避免违章指挥;5PCzVD7HxA7、实行安全生产奖罚制与事故报告制;8、危急情况停工制:一旦出现危及职工生命财产安全险情,要立即停工,同时即刻报告公司,及时采取措施排除险情;jLBHrnAlLg9、持证上岗制:特殊工种必需持有上岗操作证,严禁无证操作。
第4节、安全管理工作1、项目经理部负责整个现场的安全生产工作,严格遵照施工组织设计、安全生产保证计划,以及施工技术措施规定的有关安全措施组织施工;XHAQX74J0X2、认真做好分部分项工程安全技术书面交底工作,被交底人要签字认可;3、在施工过程中对薄弱部位、环节要予以重点控制,如大型施工机械等从设备进场检验、安装到日常操作要严加控制与监督。
凡设备性能不符合安全要求的一律不准使用;LDAYtRyKfE4、防护设备的变动必须经项目经理部专职安全员批准,变动后要有相应有效的防护措施,作业完后按原标准恢复,所有书面资料由专职安全员保管;根据扬州市相关标准,本工程拟设四个专职安全员,两个塔楼各两个,并严格要求每个作业班组和分包单位配备专职安全员。
第一章总则一、质量方针工程质量是企业的生命,也是我河北建设集团天辰建筑工程有限公司进展的前途和信誉。
因此我公司提出“树精品意识、创优质工程、保用户中意、走质量兴企之路”的口号,确保工程质量达标。
二、工程质量治理目标1.2.1、本工程的质量目标:确保工程交验一次合格。
1.2.2、质量目标分解:确保质量目标达标的分部工程1.2.3、实现质量目标应执行的技术文件和规范规程标准(1)设计图及与设计图等效的技术文件;(2)业主、监理、设计提出的技术标准;(3)《施工企业标准》;(4)《建筑工程施工质量验收统一标准》 GB50300-2001(5)《建筑分项施工工艺标准手册》 2009年7月版(6)《建筑地基基础施工质量验收规范》GB50202-2002(7)《砌体工程施工质量验收规范》GB50203-2002(8)《混凝土结构工程施工及验收规范》GB50204-2002(9)《建筑装饰装修工程施工质量验收规范》GB50210-2002(10) 《建筑地面工程施工质量验收规范》GB50209-2002(11) 《建筑电气工程施工质量验收规范》GB50303-2002(12)《建筑给水及采暖工程施工质量验收规范》GB50242-2002(13)《屋面工程质量验收规范》GB50207-2002第二章质量保证体系一、组织体系2.1.1、项目部质量治理组织机构项目部质量治理组织机构(附图)2.1.2、项目部职能2.1.2.1、施工质量治理……组织施工质量的治理组织是确保工程质量的保证,其设置的合理、完善与否将直接关系到整个质量保证体系能否顺利地运转及操作,在本工程中,我们将按组织机构来全面的进行质量的治理及操纵。
2.1.2.2、施工质量治理……协调为保证进场后顺利施工,项目部将建立协调机制和协调会例会制度,保证水、电、临时设施等统一规划、统一协调,协调工作重点考虑工序间的穿插、隐蔽验收、成品爱护、技术资料填写、收集、整理的规范化等方面的协调。
做到目标一致,行动一致,思想一致。
2.1.2.3、施工质量治理……指导充分发挥本单位的各方面优势,从施工治理、施工技术、质量操纵环节、技术资料整编等方面进行指导,进场时,采纳集中培训的形式进行教育,让各专业施工队及专业分包单位了解本工程的施工难点和施工关键环节,了解本工程的各项施工治理规定,了解质量操纵目标和质量操纵标准,明确各方施工质量职责,使各参建单位明白本工程建设的重要性和质量操纵的必要性,通过必要的指导工作,建立全面质量治理体系,强调过程操纵,实现过程精品。
2.1.2.4、施工质量治理……检查项目部依据质量检查规定,定期组织质量检查,发觉存在问题及时安排整改,并跟踪检查落实整改情况。
严格工序交接检制度,上道工序未完成或未达到质量标准,不得施工下道工序。
2.1.2.5、施工质量治理……监督依据《建筑法》《建设工程质量治理条例》和合同要求,做好服务工作,重点做好图纸会审、专业配合、工序衔接、技术培训、后勤保障等方面的服务,为保证质量制造良好的施工环境。
在为各参建单位服务的同时,当好业主的参谋,最终让业主中意,让业主放心,为业主、为社会交付一流的工程。
2.1.3、项目部各部门及要紧治理人员职责一、项目部职责:(1)、项目部负责本工程的技术、质量、安全、文明施工、生产指挥、调度及现场的治理工作。
(2)、及时组织项目部各专业施工队及各专业分包项目部进场,确保劳动力满足施工需要。
(3)、由各专业工程师牵头负责组织对各专业施工队及分包队伍进行技术、质量、安全、形象进度交底,交底内容还包括工程概况、业主、监理、项目部的要求及施工各项治理规定。
(4)、负责组织编制施工组织设计,负责组织编制和审批各专业分包的施工组织设计和专项施工方案,负责各类施工组织设计和方案的检查和落实工作。
(5)、对施工现场进行统一策划,包括临时设施、道路、厕所、垃圾堆放、材料堆放等,制定统一的搭设要求和标准,并监督执行。
(6)、制定现场及施工用水电的敷设方案,明确水电在生活、加工和施工场地的接驳点、接驳方式。
(7)、建立以质量负责人为首、各专业分包专职质量治理人员和专业工程师参加的质量治理小组,制定质量目标和质量保证打算并组织实施。
(8)、建立以安全负责人为首、各专业分包专职安全员和专业工程师参加的安全治理委员会,分专业设立安全治理小组,负责安全治理和环境治理,制定安全、环境治理目标、安全保证打算和环境治理方案并组织实施。
(9)、对施工现场进行统一策划,包括对专业分包队伍的临时设施、名称、标识、着装、安全帽等均应进行统一规定。
(10)、编制施工总进度打算,下达月、周及专业施工进度打算,检查、统计施工进度的完成情况,对拖延的工期及时采取措施。
(11)、下达工期操纵要点,组织各专业分包编制各专业的总进度打算及周、月进度打算,经项目部审批后,下达各单位组织落实。
(12)、对现场的文明施工统一负责,依照工程进展情况,定期进行检查,对公共区域如道路、公共使用区域(厕所、垃圾堆放区、办公区等)设置专门人员进行治理。
(13)、负责确定工程施工顺序,对交叉施工进行统一治理,对各专业施工队伍实施统一调度,确保各专业工程的顺利进行。
(14)对公用的安全设施和安全防护统一策划,并负责施工日常治理。
(15)、对各专业交界部位的做法,如大门与墙面、立面与平面、立面与顶棚、各专业之间等部位的细部做法予以设计,经设计、业主同意后组织实施。
(16)、定期或不定期召开生产协调会或专业会议,解决施工中及治理中存在的问题。
(17)、定期或不定期组织综合或专项检查,及时发觉问题并处理。
(18)、完成领导交办的其他任务或工作。
二、要紧治理人员的职责:1、项目经理的职责(l)、项目经理是法人代表在项目上的托付代理人,是履行合同的要紧责任人。
(2)、组织有关人员编制施工治理方案,参与组织机构、职责分工、进度打算、重要或重大方案的策划,负责监督、督促施工方案的实施。
(3)、负责与业主、监理及有关部门的对接和沟通,及时了解业主、监理的要求,并及时采取措施进行解决,确保合同的顺利实施。
(4)、组织业主指定分包的招投标协助工作,组织或协助业主进行甲供材料、设备的招标、采购、进场工作,确保各类生产要素,满足施工生产的需要。
(5)、及时解决施工中遇到的阻碍工期、质量、安全等的治理问题、方案问题、资源问题,确保各项指标的完成。
(6)、组织预、结算工作,及时与业主、监理沟通,解决签证工作中的问题,保证业主及时拨付工程款。
(7)、依照公司资金治理规定,对工程款实施统一治理,包括对专业分包工程款的审批或支付治理。
2、项目副经理的职责(1)、项目副经理协助项目经理进行工作,并依照项目部的工作分工,具体负责或主管一方面的治理工作。
(2)、在项目经理的领导下,对施工治理中的重要或重大决策进行研究,形成决议,并分不予以落实。
(3)、对分管的工作负责,及时向目经理汇报工作进展情况,对存在的问题及时解决,必要时,应先向项目经理汇报。
(4)、负责各项治理工作之间的互相协调。
(5)完成项目经理临时交办的任务或工作。
3、土建专业职责人(l)、项目部技术负责人是项目部技术、质量总负责人,在项目经理和上级业务部门的领导下,负责技术、质量治理工作。
(2)、组织专业项目人员进行图纸会审,组织编制各专业作业指导书,并逐级交底至作业班。
(3)、负责组织编制进度打算并进行初审后,报业主、监理及上级部门审批。
(4)、负责组织各类分包及时编制各类专项施工方案并进行审核,报有关部门审批。
(5)、组织编制月、周或专业进度打算,经项目经理审批后组织实施。
(6)、组织建立安全、质量治理体系,采取措施,保证体系正常运行。
(7)、综合考虑各专业施工中的交叉施工工序,必要时,组织编制交叉施工协调方案,对设备进场、安装顺序、大型设备的运输、安装方案、留口留洞等提早予以考虑,并及时下达指令予以执行。
(8)、进行质量目标和质量治理措施策划,建立质量治理体系,确保该工程的目标。
(9)、与项目经理共同解决本专业与其它专业的交叉施工的协调问题。
(10)、按规定对原材料和过程半成品进行取样送验。
4、质量负责人(1)、质量负责人在项目经理的领导下,负责本工程的质量组织和治理工作。
(2)、依照合同规定的质量目标,向各专业分包下达分部分项质量目标。
(3)、建立健全质量治理体系,制定措施和制度,对质量实施目标治理和过程治理。
(4)、组织编制质量保证打算,初审后报项目经理审批,负责监督落实。
(5)、除日常的质量巡查外,应定期或不定期进行质量检查,进行讲评,并及时督促整改。
(6)、对质量事故及时上报,并按程序文件规定进行处理。
(7)、在质量方面对各专业分包队伍,依照施工治理方案有实施奖罚的权力。
5、安全负责人(1)、安全总监在项目经理领导下,负责本工程安全、环境、文明施工的组织治理工作。
(2)、依照合同规定的安全和环境治理目标,向各专业分包下达安全和环境治理指标。
(3)、建立健全安全治理体系,制定措施和制度,并监督落实。
(4)、除日常的安全、环境、文明施工监督和检查外,还应定期或不定期组织有关人员进行安全、环境及文明施工检查,进行讲评,并及时督促整改。
(5)、对安全、环境治理事故及时上报,并按“四不放过”的原则进行处理。
(6)、在安全方面对各专业分包队伍,依照施工治理方案有实施奖罚的权力。
6、资料负责人(1)、负责治理文档资料和施工技术资料的收发工作,建立收发登记台帐。
(2)、对同意到的资料按治理资料和施工技术资料两类分不予以编号,其中,治理资料由项目经理签发意见后,存档一份,其余按项目经理的批示予以转发,对施工技术资料登记编号登记后交由项目经理批示,负责发放和存档。
(3)、对来往资料需要回复的,在规定或约定期限内,应督促有关部门和人员写出处理报告。
(4)、打印、整理会议纪要、信函、报告等有关文件资料,经相关领导和人员批阅后,发送到有关部门。
(5)、各类资料应分类归档,每周整理一次,确保分类正确、收集齐全、查阅方便。
(6)、完成领导临时分配的其它任务。
7、水暖专业负责人(1)、水暖专业负责人在项目经理领导下,负责水暖分包工程的治理工作。
(2)、水暖负责人应依照工程进展需要,及时提出专业分包进出场打算,并及时协调各部门组织专业分包的进场与施工工作。
(3)、负责水暖专业分包单位的工期、质量、安全、变更等治理工作。
(4)、对水暖专业分包的变更签证负责初审。
(5)、督促水暖专业分包单位编制各类进度打算,依照总进度打算进行初审后,报项目经理审批,负责监督执行。
(6)、督促水暖专业分包单位编制专业施工方案,初审后报总工程师审批,负责监督执行。
(7)、对本专业的分包队伍进行日常治理。
8、电气专业负责人(1)、电气专业负责人在项目经理领导下,负责电气分包工程的治理工作。