中职机械基础说课课件
- 格式:ppt
- 大小:774.00 KB
- 文档页数:13
机械基础说课稿课件人教版一、课程概述课程名称:机械基础教材版本:人教版适用年级:高中课程时长:40分钟课程目标:1. 使学生掌握机械运动的基本概念和分类。
2. 理解简单机械的工作原理及其在生活中的应用。
3. 培养学生的动手能力和创新思维。
二、教学目标1. 知识与技能:- 掌握机械运动的基本类型,包括平动、转动和振动。
- 理解杠杆、滑轮、斜面等简单机械的工作原理。
- 学会计算简单的机械效率。
2. 过程与方法:- 通过观察和实验,培养学生的科学探究能力。
- 通过小组合作,提高学生的团队协作能力。
3. 情感、态度与价值观:- 激发学生对机械学习的兴趣。
- 培养学生的创新意识和实践精神。
三、教学重点与难点1. 教学重点:- 机械运动的基本概念和分类。
- 简单机械的工作原理及其应用。
2. 教学难点:- 机械效率的计算和理解。
四、教学方法1. 讲授法:通过教师的讲解,向学生传授机械运动的基本知识。
2. 实验法:通过实际操作,让学生亲身体验机械运动和简单机械的工作过程。
3. 讨论法:鼓励学生通过小组讨论,探索机械在生活中的应用。
五、教学过程1. 导入新课- 通过播放与机械运动相关的视频,引起学生的兴趣。
- 提问学生对机械运动的初步认识,为新课做铺垫。
2. 讲解新知识- 详细讲解机械运动的类型及其特点。
- 介绍简单机械的工作原理,如杠杆原理、滑轮组的组成和作用。
3. 实验操作- 指导学生进行简单的机械实验,如使用杠杆举起重物,观察滑轮组的工作效果。
- 让学生记录实验数据,分析机械效率。
4. 小组讨论- 分组讨论机械在生活中的应用,每组选择一个主题进行深入探讨。
- 每组选出代表汇报讨论成果,教师点评并补充。
5. 课堂小结- 总结本节课的重点知识,强调机械效率的计算方法。
- 提醒学生复习课堂内容,准备下节课的学习。
六、教学评价1. 过程评价:观察学生在实验和讨论中的参与度,了解学生对知识的掌握情况。
2. 结果评价:通过课后作业和小测验,评估学生对机械基础的理解和应用能力。
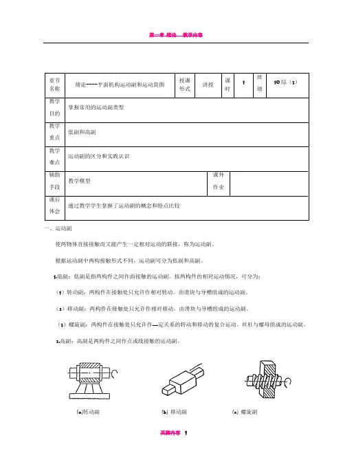
章节名称绪论----平面机构运动副和运动简图授课形式讲授课时1班级10综(3)教学目的掌握常用的运动副类型教学重点低副和高副教学难点运动副的区分和实践认识辅助手段教学模型课外作业课后体会通过教学学生掌握了运动副的概念和特点比较一、运动副使两物体直接接触而又能产生一定相对运动的联接,称为运动副。
根据运动副中两构接触形式不同,运动副可分为低副和高副。
1.低副:低副是指两构件之间作面接触的运动副。
按两构件的相对运动情况,可分为:(1)转动副:两构件在接触处只允许作相对转动。
由滑块与导槽组成的运动副。
(2)移动副:两构件在接触处只允许作相对移动。
由滑块与导槽组成的运动副。
(3)螺旋副:两构件在接触处只允许作—定关系的转动和移动的复合运动。
丝杠与螺母组成的运动副。
2.高副:高副是两构件之间作点或线接触的运动副。
(a)转动副(b) 移动副 (c) 螺旋副(a)(b) (c)二、自由度—个作空间运动的构件具有六个独立的运动,即沿X、Y、Z轴的移动和绕 X、Y、Z轴的转动,构件的这种独立的运动称为构件的自由度。
一个作平面运动的自由构件,可以产生三个独立运动,即沿X、Y、Z轴的移动及绕A点(极点)的转动,所以具有三个自由度。
当两个作平面运动的构件组成运动副之后,由于受到约束,相应的自由度也随之减少。
转动副约束了沿X、Y轴向移动的自由度,保留了—个转动的自由度。
移动副约束了沿一轴方向的移动和在平面内两个转动自由度,保留了沿另—轴方向移动的自由度。
高副则只约束了沿接触处公法线方向移动的自由度,保留了绕接触处的转动和沿接触处共切线方向移动的两个自由度。
所以在平面机构中,每个低副引入两个约束,使构件失去两个自由度。
每个高副引入一个约束,使构件失去一个自由度。
三、平面机构的运动简图绘制平面机构运动简图的目的绘制平面机构运动简图的目的在于:撇开与机构运动无关的外部形态,把握机构运动性质的内在联系,揭示机构的运动规律和特性。
机构的相对运动只与运动副的数目、类型、相对位置及某些尺寸有关,而与构件的横截面尺寸、组成构件的零件数目、运动副的具体结构无关。