图腾柱驱动电路你了解多少
- 格式:doc
- 大小:12.90 KB
- 文档页数:2
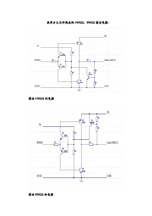
采用分立元件构成的NMOS、PMOS驱动电路:
驱动NMOS的电路
驱动PMOS的电路
这里针对NMOS驱动电路做一个简单分析:
Vl和Vh分别是低端和高端的电源,两个电压可以是相同的,但是Vl不应该超过Vh。
Q1和Q2组成了一个反置的图腾柱,用来实现隔离,同时确保两只驱动管Q3和Q4不会同时导通。
R2和R3提供了PWM电压基准,通过改变这个基准,可以让电路工作在PWM信号波形比较陡直的位置。
Q3和Q4用来提供驱动电流,由于导通的时候,Q3和Q4相对Vh和GND最低都只有一个Vce的压降,这个压降通常只有0.3V左右,大大低于0.7V的Vce。
R5和R6是反馈电阻,用于对gate电压进行采样,采样后的电压通过Q5对Q1和Q2的基极产生一个强烈的负反馈,从而把gate电压限制在一个有限的数值。
这个数值可以通过R5和R6来调节。
最后,R1提供了对Q3和Q4的基极电流限制,R4提供了对MOS管的gate电流限制,也就是Q3和Q4的Ice的限制。
必要的时候可以在R4上面并联加速电容。
这个电路提供了如下的特性:
1,用低端电压和PWM驱动高端MOS管。
2,用小幅度的PWM信号驱动高gate电压需求的MOS管。
3,gate电压的峰值限制
4,输入和输出的电流限制
5,通过使用合适的电阻,可以达到很低的功耗。
6,PWM信号反相。
NMOS并不需要这个特性,可以通过前置一个反相器来解决。
再谈图腾柱驱动电路(diànlù)之一、之二、之三汇总(注:根据(gēnjù)davida的建议,觉得还是(hái shi)把这个三个帖子综合起来跟方便大家探讨。
)一、驱动(qūdònɡ)电路之一由于本人最近(zuìjìn)接触才saber,仿真能力有限,本想仿真,但实在是由于有关saber的基础东西还很多不会呢,所以只能请教大家了1、问:(1)在下面电路中,VCC的选择和哪些因素有关系?VCC和后级的mos管的Vgs电压相等吗?(2) NPN、PNP管子的选取的依据?三极管的电流Ic要满足什么样的条件才能驱动后端的mos?在下帖/bbs/2169.html15楼胡庄主曾提到“1)首先要确定(quèdìng)的是你需要多少的驱动能力?要驱动的负载(一般可认为是功率管)有多少?以MOSFET为例,驱动其实(qíshí)就是对MOS的门级电容的充放电,这就要考虑(kǎolǜ)你有几个MOS并联(bìnglián),门级电容有多大?MOS的Rg 有多大,加上驱动回路寄生电感(diàn ɡǎn)等,其实就是一个LRC串联回路。
2)驱动能力用个简化的公式来算就是I=C*Du/Dt,MOS的门级电容先确定,再来考虑你准备要几V的门级电压,然后就是这个电压建立和消除的时间,也就牵涉到MOS的开通关断速度,这会直接影响到功率管的损耗及其它问题,如应力等。
这几个想好了,所要的驱动电流也就出来了。
3)得到这个所要的驱动电流,再考虑上驱动回路的一堆寄生参数等,也就可以推出你图腾柱电路需提供多少驱动电流(注意这是个脉冲电流)。
”针对上边的内容我有些疑问:1、MOS属于单级型电压驱动器件,是栅极电压来控制漏极电流的,如果从表面理解的话,是不是只要保证栅极的电压达到Vgs就可以?和电流没有关系??2、MOS管的门极电容是怎么确定的?是下图这些参数吗?二、驱动电路之二问:1、图中的C18的作用(zuòyòng)?二极管D是否有必要加?要加的话(dehuà),起作用?2、R15、R16加与不加(bù jiā)?R15、R16在一般(yībān)电路中,是并接在mos的GS端,起消除(xiāochú)Cgs累计电荷的作用,防止mos处于开始处于导通或者状态不明确的情况。
采用图腾柱方式驱动MOSFET的电路分析1、原理图上图为典型的图腾柱输出方式驱动MOSFET的电路。
由于前端I/O口的对外驱动能力(一般为十几或者二十几mA)有限,为了提高对MOSFET的驱动能力,因此采用图腾柱电路。
由于MOSFET是压控型器件,则GS两端电压只要大于4.5V(导通时的阈值电压)时即可导通,为了使MOSFET可靠导通,则一般要求GS两端的电压要大于12V(不同型号的管子该电压不同),因此要求MOSFET的驱动电压幅值至少要大于12V。
此外,由于MOSFET的GS两端存在寄生电容,驱动MOSFET 的过程就是对该电容充放电的过程,充电的快慢反应MOSFET导通或关断的速度,而开关的速度又影响了MOSFET的开关损耗及EMI等内容,同时,充电的快慢又由充电电流的大小决定。
综上所述,要想驱动MOSFET正常导通和关断,则要考虑驱动幅值电压及对GS两端电容充电电流的大小。
因此,下面分别从驱动MOSFET的幅值电压及充电电流(驱动能力)的大小两个方面来分析该电路。
而幅值电压及充电电流与图中的驱动方波的幅值、电源电压V cc、电阻R2及电阻R3等有关。
因此,以下主要通过改变这些参数来验证电路设计的合理性。
2、电路分析(1)驱动方波幅值为15V、电源电压为10V、电阻R2=0R。
电路如下图所示:10V下图为仿真测试波形:流过R3的驱动电流波形E点驱动电压波形Q1的ce两端的电压波形R1两端的电压波形最低0V:完全饱和导通放电波形充电波形R1两端有5V压降Q1饱和导通时,其E极电压为10V从以上波形可知,在驱动波形为高电平(15V)时,Q1完全饱和导通,其ce间的压降为0V,此时电源电压直接加在点E处,即MOSFET的驱动电压幅值为10V,而不是驱动波形的射极跟随电压14.3V,这样存在的问题是,如果电源电压再小的话,则MOSFET的驱动电压幅值会更低。
同时,在驱动波形刚变为高电平时,流过电阻R3有一个尖峰电流,该电流就是对MOSFET的GS端电容充电的电流波形,由于C gs电容很小,因此充电时间很短,充满后就不存在充电电流,因此该电流波形在很短的时间内为尖峰。
图腾柱型驱动增强电路如图所示即为图腾柱型驱动增强电路。
图腾柱型驱动电路的作用在于:提升电流提供能力,迅速完成对于门极电荷的充电过程,而并不是提供一个门极电压。
所以电容C1的电压稳态时只会到达V1,因为如果高于V1的话,Q1的工作状态就是变化,BE之间没有压降的话Q1就截止了;同理,当Q2工作时,存在一个CE导通之后,电压被迅速拉低,但是由于Q2的工作状态要保持Q2的BE之间必须有0.7V的压降,所以等C1的电压到达0.7V以后Q2截止,所以C1的电压范围是0.7V(略低于)-4.3V(略低于)之间。
所以,图腾柱提升驱动能力的关键不是在于多增加级数,例如在同一个电源下面采用多级图腾柱串联,这样做是不能够提高驱动能力的,能做的只是将功率分散开,平分了电流I,用以驱动更大的IGBT或者mos管;要增加驱动能力,关键在于增加供电电源数量,多个电源供电之后电流增大,相当于提高了VDD的电压。
分析:MOS管/IGBT等驱动的原理就是给内部的电容充电,等效为C1充电过程:当V1为高电平时,Q1导通;Q2关断;等效电容C1由V1充电(稳态C1电压和VDD关系不大),当C1电压高于开关器件阀值时,开关器件导通,一般IGBT阀值在2V左右。
此时C1充电至(V1-0.7V)(去除Q1一个二极管压降)。
此处为什么C1的稳态电压不会VDD呢?原因在于Q1的导通状态需要位置,则Vbe之间必须有压降,如果C1的电压超过(V1-0.7V)那么Q1立刻截止,所以放电过程:当V1为低电平时,Q1关断;Q2由于C1充电至(V1-0.7V),处于高电平,此时V1拉低之后,Q2被导通,C1放电,但是由于Q2要导通的前提是C1-V1>0.7V,所以C1>0.7V时Q2可以导通,当C1<0.7V时,Q2截止,放电停止这一步的主要作用是给C1形成一个放电回路,快速释放C1的电荷,防止开关器件的导通电容C1无法放电而一直存在,处于高电平状态,开关器件的工作状态不明确。
MOSFET的10种驱动电路图1. PWM芯片直接驱动MOSFET2. 开通和关断速度分开控制的MOSFET驱动电路3. 带图腾柱扩流的MOSFET驱动电路4. 使用TL494,SG3524内部的输出电路采用的单端集电极和射极开路的驱动电路5. 使用光耦隔离的驱动电路(原原理图有误,Q1\Q2位置对调)6. 使用光耦隔离的带负压关断驱动电路:(原原理图有误,Q1\Q2位置对调)7. 采用专用驱动光耦驱动的隔离驱动电路:8. 电动车控制器驱动电路9. P管驱动电路:10. 多管并联驱动电路:下面是赠送的几篇网络励志文章需要的便宜可以好好阅读下,不需要的朋友可以下载后编辑删除!!谢谢!!出路出路,走出去才有路“出路出路,走出去才有路。
”这是我妈常说的一句话,每当我面临困难及有畏难情绪的时候,我妈就用这句话来鼓励我。
一定有很多人想说:“这还在北京混个什么劲儿啊!”但他每天都乐呵呵的,就算把快递送错了也乐呵呵的。
某天,他突然递给我一堆其他公司的快递单跟我说:“我开了家快递公司,你看得上我就用我家的吧。
”我有点惊愕,有一种“哎呦喂,张老板好,今天还能三蹦子顺我吗”的感慨。
之后我却很少见他来,我以为是他孩子出生了休假去了。
再然后,我就只能见到单子见不到他了。
某天,我问起他们公司的快递员,小伙子说老板去上海了,在上海开了家新公司。
我很杞人忧天地问他:“那上海的市场不激烈吗?新快递怎么驻足啊!”小伙子嘿嘿一笑说:“我们老板肯定有办法呗!他都过去好几个月了,据说干得很不错呢!”“那老婆孩子呢?孩子不是刚生还很小吗?”“过去了,一起去上海了!”那个瞬间,我回头看了一眼办公室里坐着的各种愁眉苦脸的同事,并且举起手机黑屏幕照了一下我自己的脸,一股“人生已经如此的艰难,有些事情就不要拆穿”的气息冉冉升起。
并不是说都跳槽出去开公司才厉害,在公司瞪着眼睛看屏幕就是没发展,我是想说,只有勇气才能让自己作出改变。
我们每个人都觉得自己越活越内向,越来越自闭,越长大越孤单,以至于滋生了“换个新环境,我这种性格估计也不会跟其他人相处融洽,所以还是待着忍忍凑合过算了”的思想感情。
5种经典MOSFET驱动电路MOSFET因导通内阻低、开关速度快等优点被广泛应用于开关电源中。
MOSFET的驱动常根据电源IC和MOSFET的参数选择合适的电路。
下面一起探讨MOSFET用于开关电源的驱动电路。
在使用MOSFET设计开关电源时,大部分人都会考虑MOSFET的导通电阻、最大电压、最大电流。
但很多时候也仅仅考虑了这些因素,这样的电路也许可以正常工作,但并不是一个好的设计方案。
更细致的,MOSFET还应考虑本身寄生的参数。
对一个确定的MOSFET,其驱动电路,驱动脚输出的峰值电流,上升速率等,都会影响MOSFET的开关性能。
当电源IC与MOS管选定之后,选择合适的驱动电路来连接电源IC与MOS管就显得尤其重要了。
一个好的MOSFET驱动电路有以下几点要求:(1)开关管开通瞬时,驱动电路应能提供足够大的充电电流使MOSFET栅源极间电压迅速上升到所需值,保证开关管能快速开通且不存在上升沿的高频振荡。
(2)开关导通期间驱动电路能保证MOSFET栅源极间电压保持稳定且可靠导通。
(3)关断瞬间驱动电路能提供一个尽可能低阻抗的通路供MOSFET栅源极间电容电压的快速泄放,保证开关管能快速关断。
(4)驱动电路结构简单可靠、损耗小。
(5)根据情况施加隔离。
下面介绍几个模块电源中常用的MOSFET驱动电路。
1:电源IC直接驱动MOSFET图1 IC直接驱动MOSFET电源IC直接驱动是我们最常用的驱动方式,同时也是最简单的驱动方式,使用这种驱动方式,应该注意几个参数以及这些参数的影响。
第一,查看一下电源IC手册,其最大驱动峰值电流,因为不同芯片,驱动能力很多时候是不一样的。
第二,了解一下MOSFET的寄生电容,如图1中C1、C2的值。
如果C1、C2的值比较大,MOS管导通的需要的能量就比较大,如果电源IC没有比较大的驱动峰值电流,那么管子导通的速度就比较慢。
如果驱动能力不足,上升沿可能出现高频振荡,即使把图1中Rg减小,也不能解决问题!IC 驱动能力、MOS寄生电容大小、MOS管开关速度等因素,都影响驱动电阻阻值的选择,所以Rg并不能无限减小。
图腾柱驱动电路你了解多少
图腾柱驱动电路你了解多少
图腾柱输出(Totem Pole的音译)
图腾大多和生殖器有关,图腾柱驱动的原理是由阴阳2管做推挽(或者叫灌拉)运动,类似于床上运动故以得名....
图腾柱驱动电路,实际上是一个电流放大电路,一般用于驱动MOS管或IGBT管,提供足够的灌电流和拉电流。
好吧,别太水了
今天对手上两对对管进行了仿真测试,只是仿真而已,因为没有示波器嘛。
首先是2n2222 和2n2907 这对管跟8050和8550差不多,话说我买不到8050和8550
信号源输出60KHz,占空比0.45的信号通过限流电阻送到图腾的b极,那个10R电阻是抑制振铃的,仿真中可以去掉,但是实际中不行,因为走线电感会和结电容谐振。
那个快恢复二极管是用了结电容放电时短路10R电阻的,加速放电。
上升沿397ns 下降沿338ns
看起来不错,但是这对管电流不够。
那我们试试大功率的TIP41 TIP42,这对管子能过6A,非常变态的驱动。
仍然是图腾接法。
上升沿到了656ns,非常缓慢,下降沿399ns。
为什么会这样呢?这就涉及到hFE(DC Current Gain 直流电流增益)的问题了,TIP4142的hFE只有40-70,而2n2222却是75-300,差距出来了吧。
那怎么解决呢?我决定使用2级图腾,2n2222 2907负责放大,TIP4142负责推动。
哈哈,上升395ns,下降308ns,完美解决了!下降沿还是有点慢,想办法调调应该能降到100ns。
再谈图腾柱驱动电路之一、之二、之三汇总(注:根据davida的建议,觉得还是把这个三个帖子综合起来跟方便大家探讨。
)一、驱动电路之一由于本人最近接触才saber,仿真能力有限,本想仿真,但实在是由于有关saber的基础东西还很多不会呢,所以只能请教大家了1、问:(1)在下面电路中,VCC的选择和哪些因素有关系?VCC和后级的mos管的Vgs电压相等吗?(2) NPN、PNP管子的选取的依据?三极管的电流Ic要满足什么样的条件才能驱动后端的mos?在下帖/bbs/2169.html15楼 胡庄主 曾提到“1)首先要确定的是你需要多少的驱动能力?要驱动的负载(一般可认为是功率管)有多少?以MOSFET为例,驱动其实就是对MOS的门级电容的充放电,这就要考虑你有几个MOS并联,门级电容有多大?MOS的Rg 有多大,加上驱动回路寄生电感等,其实就是一个LRC串联回路。
2)驱动能力用个简化的公式来算就是I=C*Du/Dt,MOS的门级电容先确定,再来考虑你准备要几V的门级电压,然后就是这个电压建立和消除的时间,也就牵涉到MOS的开通关断速度,这会直接影响到功率管的损耗及其它问题,如应力等。
这几个想好了,所要的驱动电流也就出来了。
3)得到这个所要的驱动电流,再考虑上驱动回路的一堆寄生参数等,也就可以推出你图腾柱电路需提供多少驱动电流(注意这是个脉冲电流)。
”针对上边的内容我有些疑问:1、MOS属于单级型电压驱动器件,是栅极电压来控制漏极电流的,如果从表面理解的话,是不是只要保证栅极的电压达到Vgs就可以?和电流没有关系??2、MOS管的门极电容是怎么确定的?是下图这些参数吗?二、驱动电路之二问:1、图中的C18的作用?二极管D是否有必要加?要加的话,起作用?2、R15、R16加与不加?R15、R16在一般电路中,是并接在mos的GS端,起消除Cgs累计电荷的作用,防止mos处于开始处于导通或者状态不明确的情况。
0 引言图腾柱PFC 相较于其他PFC 有着损耗低、结构简单、共模噪声低的优点。
随着新型半导体器件氮化镓的发展,使得图腾柱PFC 的优点更加明显。
新型半导体器件氮化镓和普通硅MOSFET 相比,具有开关速度快、封装尺寸小、无反向恢复等优点,可以大幅度提升开关频率,同时保持了良好的效率指标,具有很好的发展趋势。
若使变换器主功率器件工作于软开关状态,根据类似文献[5]的分析,模拟芯片实现较为复杂,且目前市面并不存在此类模拟控制芯片。
由于数字控制芯片的性能越来越强大,并且价格越来越低,使用数字控制可以在硬件电路不变的情况下实现电路的更多功能。
所以本文在数字控制器的基础上研究图腾柱PFC 的TCM 控制方式。
1 TCM 控制策略分析由分析知,变换器工作于TCM 模式时,在开关管S 1导通时间内,开关管导通时间与电感电流峰值关系为()pk on in I T Lθ= (1)式(1)中θ=2πf L t,f L 为输入电压频率,由于I pk (θ)与V in (θ)为同频的正弦波,在负载恒定及输入电压不变时,由能量守恒定律得变换器输入阻抗为恒定值,则开关管导通时间T on 恒定。
由以上分析得电感电流峰值表达式为 ()()on in pk T V Lθθ=I (2)在TCM 模式下,忽略负值的影响,电感电流平均值约为输入电流峰值的12,得输入电流平均值表达式为 ()1()22on in avgpk T V I Lθθ==I (3)由式(3)可以看出,在输出负载恒定时,T on 为一定值,则2onT L为定值,输入电流随输入电压正弦变化,在此模式下可以实现输入电流校正功能。
2 TCM 控制下系统开关频率的分析由以上分析可知,无论在电路工作的任何过程中,一个开关周期内的电感电流的变化总为从一定负值线性上升到最高值I pk ,后再下降至一定负值。
下面将对第n 个开关周期内的电感电流变化作详细分析。
在第n 个开关周期内,由于负载为一恒定值,开关管导通时间为T on ,开关管关断时间为T off ,则在第n 个开关周期时间为son off T T T =+ (4)由()()pk off dc in LI T u V θθ=−(5)则开关管的频率表达式为11s on off f T T T ==+(6)strategy is verified by Simulink simulation analysis, which provides a reference for the realization of the digital controller.Keywords: Totem Pole PFC ;TCM ;Digital Control ;Soft Switch ;Simulink3 主电路设计及仿真分析经过第二节TCM 控制系统的分析及第三节的控制电路的模型搭建分析,验证设计一款图腾柱PFC 变换器,并仿真分析。
无桥图腾柱结构PFC电路结构设计与仿真作者:王会刚来源:《电脑知识与技术》2022年第11期摘要:采用Cascode GaN器件作为开关管,SJ-MOS作为整流管,设计了一种4000W的单相图腾柱结构电源PFC模块。
完成了整体框图和拓扑结构,设计了电流环调节器,电压环调节器,采用PSIM软件完成系统仿真。
采用数字处理器为核心搭建硬件,完成仿真,编程和整机调试,实现功能。
关键词:PFC;图腾柱结构;PSIM仿真中图分类号:TP391 文献标识码:A文章编号:1009-3044(2022)11-0112-02宽禁带半导体氮化镓(GaN)器件与传统硅(Si)器件相比禁带宽度更大,击穿电场强度更高,载流子速度更快。
Cascode GaN器件即可以实现器件常闭工作,同时方便将传统Si器件的驱动电路直接应用于新型器。
可以广泛用于连续导电模式(CCM)升压PFC拓扑的电源系统中,而相对于传统Si器件。
同条件下效率、温升、BOM、体积方面体现出更大的优势。
而且图腾柱结构的PFC电路中发挥其反向特性Qrr小,开关速度快等特点[1-2]。
电路采用两颗CASCODE的GaN器件和两个MOSFET组成,两颗CASCDE GaN器件作为PWM开关和升压二极管用。
两个SJ-MOSFET作为正负半周的整流器件。
分别在正负两个半周导通和截至,替代传统的二极管,体现出更高的效率。
1 电路功率部分图1是整个系统的电源部分,驱动部分,开关管部分。
其中GaN1和GaN2作为PWM控制开关管,MOS1和MOS2作为同步整流管。
C作为输出电容,RL作为输出等效电阻;L是输入工作电感。
Vin是输入电源电压;ISEN4是电感上电流传感器。
Voutsen作为输出电压传感器;ON1-ON4作为功率管驱动电路,实现栅极驱动信号的保持状态。
ISEN_UP和ISEN_DOWN 作为上下桥臂的电流传感器,通过V45,V46显示。
高频的PWM控制信号经过ON3和ON4形成CASCODE GaN器件的驱动信号,在每半个周期内,一个GaN器件作为PWM开关管,另一个作为续流二极管的功能,两个GaN器件轮换角色,实现电感上的蓄能和释放到输出端,实现整DC-DC升压转换,两个MOS管分别控制单个工频周期每半个周期的电流通路,实现整流输出[3]。
变频空调图腾柱无桥PFC技术探析作者:苏立志来源:《家用电器》2017年第01期摘要:随着社会的发展,人们对空调的舒适节能要求越来越高,变频空调迅速普及。
大量变频空调接入电网,如果不控制谐波水平会对电网质量造成影响,各国更是纷纷推出谐波强制標准以保护电网安全。
因此,功率因数校正(Power Factor Correction,PFC)技术成为众多空调或电源厂家研究的热点,其中图腾柱无桥PFC技术由于减少了整流桥的使用,因此对变频空调整体效率有较大的帮助。
本文介绍了图腾柱无桥PFC的拓扑结构,基本控制原理。
最后给出了图腾柱无桥PFC的发展方向,展望前景。
关键词:功率因数校正;Boost;图腾柱PFC;效率Survey of Totem Pole Bridgeless PFC Used in Inverter Air-conditionerSU Lizhi(GD MIDEA AIR-CONDITIONING EQUIPEMENT CO., LTD)Abstract:With the development of society,people’s demand for the comfort and energy saving of air-conditioner is getting higher and higher, and the inverter air-conditioner is popularized rapidly. More and more inverter air-conditioner connected to power grid, if not control the harmonic level will affect the quality of the power grid, more countries have introduced harmonic mandatory standard to protect the power grid security. Therefore, power factor correction (PFC) technology has become the focus of many air-conditioner company and power supply company, the totem pole bridgeless PFC technology due to the reduction of the use of the rectifier bridge, so it can be helpful to the overall efficiency of the inverter air-conditioner. This paper introduces the topological structure of the totem pole bridgeless PFC, the basic control principle. Finally, the development direction of the totem pole bridgeless PFC is given.Keywords:Power factor correction; Boost; Totem Pole PFC; efficiency1、引言变频空调控制器对空调压缩机进行变频调速,同时控制空调电气系统的执行动作,因此是变频空调的重要电控部件。
基于GaN器件的图腾柱无桥Boost PFC电路的研究作者:黄立张浩然来源:《电子技术与软件工程》2018年第02期摘要氮化镓技术鉴于其优良的开关特性和持续提升的品质,近年来在电力转换应用方面慢慢得到了重视。
本文根据电流连续传导模式的图腾柱无桥PFC拓扑的特点,将氮化镓器件应用于电路中以提高功率因素。
利用Simulink软件对电路进行了仿真和分析,结果表明平均电流控制的无桥PFC达到了提高功率因素的目的。
【关键词】氮化镓 PFC Simulink电力电子设备在电力系统和日常生活中的广泛使用,带来了便捷的同时也伴随着谐波污染问题。
谐波污染不仅会导致输入的电流波形和电压波形不一致,而且能够产生严重的畸变。
由于电压与电流波形的频率和相位不一致,会严重影响电网电能的质量,导致输入功率因数降低。
同时,谐波还会对电气装置造成干扰,导致仪器仪表和系统装置产生误计量或误操作。
为了提高电网供电质量,抑制谐波污染,功率因数校正(Power Factor Correction,PFC)已经成为电力电子行业中的热点。
提高功率因数校正变换器的效率与功率密度是有效途径之一,基于硅(Si)器件的Boost PFC变换器已经被广泛研究。
由于Si器件性能已经被发掘接近极限,基于其的变换器特性也很难再提高。
近年来,新宽禁带半导体氮化镓(GaN)的出现,由于其优越的材料属性,使GaN开关器件具有开关速度快、导通电阻低等优点。
GaN器件的逐渐普及为变换器性能提高到一个新的等级提供了可能。
1 图腾柱无桥Boost PFC电路如图1所示,分析电路结构可以发现,在输入电压的每半个周期内,都只有两个半导体器件处于工作状态,所以该拓扑具有开关损耗小和效率高的优点。
并且在电路的工作过程中,输入端通过二极管D1或D2与输出端相连,所以输出不受开关频率的影响,共模干扰较小。
此外,该拓扑主回路结构简单、器件利用率高。
但图腾柱无桥升压PFC电路的两只开关管即S3和S4中的体二极管,与传统升压PFC中快速恢复二极管起着类似的作用,因此该电路一般用在断续导通模式(Discontinuous Conduction Mode,DCM)和临界导通模式(Critical Conduction Mode,CRM)下。
图腾柱电路解析整理电路的发展离不开电子元器件的不断创新与进步,图腾柱电路就是其中的一种经典电路。
它由多个图腾柱组成,每个图腾柱上有若干输入和输出线,通过对输入的时钟信号和控制信号进行编码处理,实现复杂的逻辑功能。
本文将对图腾柱电路的结构和原理进行解析整理。
一、图腾柱电路的结构图腾柱电路是由多个图腾柱组成,每个图腾柱包含若干输入和输出线。
一般情况下,图腾柱由多个可编程逻辑阵列(PAL)构成。
每个PAL内部包含与非门和或非门,能够实现复杂逻辑功能。
图腾柱电路的结构灵活,可以根据需要组合不同数量的图腾柱以实现所需的功能。
二、图腾柱电路的原理1. 输入线和输出线每个图腾柱上都有若干个输入线和输出线。
输入线用于接收外部信号,输出线用于输出计算结果。
输入线和输出线的数量取决于电路的复杂度和功能需求。
2. 输入和输出的编码图腾柱电路中,输入信号需要经过编码处理后才能用于计算。
常见的编码方式有二进制编码和格雷码编码。
通过编码,可以实现输入信号的灵活控制和处理。
3. 时钟信号时钟信号是图腾柱电路中非常重要的一个参数,它决定了电路的运行速度和同步性。
时钟信号可以是固定频率的方波信号,也可以是根据实际需求进行调整的可变频率信号。
4. 控制信号控制信号用于控制图腾柱之间的数据流动和计算顺序。
通过合理设置控制信号,可以实现复杂的逻辑运算和判断。
三、图腾柱电路的应用图腾柱电路作为一种经典的电路结构,广泛应用于数字电路、计算机系统和通信系统中。
它具有灵活性强、可扩展性好、功能强大的特点。
以下是图腾柱电路的几个典型应用场景。
1. 数据处理图腾柱电路可以广泛应用于数据处理系统中,如数据编码、解码、压缩等。
它可以通过编码处理,将原始数据进行转换和优化,提高数据处理效率和可靠性。
2. 逻辑运算图腾柱电路可以实现逻辑运算,如与门、或门、非门等。
通过组合不同的图腾柱电路,可以实现复杂的逻辑功能,如加法器、减法器等。
3. 控制系统图腾柱电路可以应用于控制系统中,实现对系统的监控、控制和调节。
再谈图腾柱驱动电路之一、之二、之三汇总(注:根据davida的建议,觉得还是把这个三个帖子综合起来跟方便大家探讨。
)一、驱动电路之一由于本人最近接触才saber,仿真能力有限,本想仿真,但实在是由于有关saber的基础东西还很多不会呢,所以只能请教大家了1、问:(1)在下面电路中,VCC的选择和哪些因素有关系?VCC和后级的mos管的Vgs电压相等吗?(2) NPN、PNP管子的选取的依据?三极管的电流Ic要满足什么样的条件才能驱动后端的mos?在下帖/bbs/2169.html15楼胡庄主曾提到“1)首先要确定的是你需要多少的驱动能力?要驱动的负载(一般可认为是功率管)有多少?以MOSFET为例,驱动其实就是对MOS的门级电容的充放电,这就要考虑你有几个MOS并联,门级电容有多大?MOS的Rg 有多大,加上驱动回路寄生电感等,其实就是一个LRC串联回路。
2)驱动能力用个简化的公式来算就是I=C*Du/Dt,MOS的门级电容先确定,再来考虑你准备要几V的门级电压,然后就是这个电压建立和消除的时间,也就牵涉到MOS的开通关断速度,这会直接影响到功率管的损耗及其它问题,如应力等。
这几个想好了,所要的驱动电流也就出来了。
3)得到这个所要的驱动电流,再考虑上驱动回路的一堆寄生参数等,也就可以推出你图腾柱电路需提供多少驱动电流(注意这是个脉冲电流)。
”针对上边的内容我有些疑问:1、MOS属于单级型电压驱动器件,是栅极电压来控制漏极电流的,如果从表面理解的话,是不是只要保证栅极的电压达到Vgs就可以?和电流没有关系??2、MOS管的门极电容是怎么确定的?是下图这些参数吗?二、驱动电路之二问:1、图中的C18的作用?二极管D是否有必要加?要加的话,起作用?2、R15、R16加与不加?R15、R16在一般电路中,是并接在mos的GS端,起消除Cgs累计电荷的作用,防止mos处于开始处于导通或者状态不明确的情况。
图腾柱驱动
相信很多人在生活中见到过很多种电路,但是却很少有人知道图腾柱电路。
那么本文今天的主题就围绕图腾柱电路工作原理详细的说说。
一、图腾柱电路是什么
说到图腾柱我们很多人都会联想到华表上的图腾。
但是此图腾非比图腾,我们今天所说的图腾柱是上下都各有一个晶体管,上面的我们称之为NPN,用来连接正电源;下面的PNP则是来连接负电源的。
两极接到一起,接输入,上管的和下管的接到一起,接输出。
用来匹配电压,或者提高口IO的驱动能力。

二、图腾柱工作原理分析
图腾柱主要是用来提升电流驱动能力的,那么工作原理也就在于能否迅速的完成门级电荷的充电或者放电。
左边一个输入驱动信号Drv_b(驱动能力很弱)通过一个图腾柱输出电路,从三极管组合而成,上官为PNP型号的三极管,这种类型的三极管集电极能够接变压器实现辅助绕组供电输出端。
与R7相连,与芯片共用同一VCC,供电电压为20V,该电路从直流角度看是串联的,两对管共射联接处为输出端,本电路结构类似于乙类推挽功率放大器OCL。
简单来说图腾柱的工作原理的逻辑就是高电平输入,上管导通下管截止输出高电平;低电平输入,下管导通上管截止,输出低电平;当电路逻辑的上下两管均截止时,则输出为高阻态。
这种电路我们在开关电源电路中,通常称之为半桥。
那么本文关于图腾柱工作原理的分析就到这里了,相信大伙看完对图腾柱也会更加熟悉了。
图腾柱驱动电路你了解多少
图腾柱驱动电路你了解多少
图腾柱输出(Totem Pole的音译)
图腾大多和生殖器有关,图腾柱驱动的原理是由阴阳2管做推挽(或者叫灌拉)运动,类似于床上运动故以得名....
图腾柱驱动电路,实际上是一个电流放大电路,一般用于驱动MOS管或IGBT管,提供足够的灌电流和拉电流。
好吧,别太水了
今天对手上两对对管进行了仿真测试,只是仿真而已,因为没有示波器嘛。
首先是2n2222 和2n2907 这对管跟8050和8550差不多,话说我买不到8050和8550
信号源输出60KHz,占空比0.45的信号通过限流电阻送到图腾的b极,那个10R电阻是抑制振铃的,仿真中可以去掉,但是实际中不行,因为走线电感会和结电容谐振。
那个快恢复二极管是用了结电容放电时短路10R电阻的,加速放电。
上升沿397ns 下降沿338ns
看起来不错,但是这对管电流不够。
那我们试试大功率的TIP41 TIP42,这对管子能过6A,非常变态的驱动。
仍然是图腾接法。
上升沿到了656ns,非常缓慢,下降沿399ns。
为什么会这样呢?这就涉及到hFE(DC Current Gain 直流电流增益)的问题了,TIP4142的hFE只有40-70,而2n2222却是75-300,差距出来了吧。
那怎么解决呢?我决定使用2级图腾,2n2222 2907负责放大,TIP4142负责推动。
哈哈,上升395ns,下降308ns,完美解决了!下降沿还是有点慢,想办法调调应该能降到100ns。