漆包线击穿电压检验方法
- 格式:pdf
- 大小:438.03 KB
- 文档页数:3
漆包线的检验和试验方法一.漆包线的产品标准和试验方法标准;1 漆包圆线的产品标准;GB6109-90系列标准:2 漆包扁线的产品标准:GB/T7095-i995系列3.漆包圆线和扁线的试验方法标准:GB/T4074-1999二.漆包线的检验和试验漆包线检验的内容包括;外观和尺寸的检验测量,性能的测试。
其中性能包括:机械性能,化学性能,热性能和电性能。
现在我们主要对外观,尺寸进行讲解。
1.漆包线表面(外观)应光洁,色泽均匀,无粒子,无氧化,发毛,阴阳面,黑斑点,脱漆等影响性能的缺陷,排线应整齐,平整紧密,地绕在线盘上,不压线,收放自如影响表面的因素很多,它与原材料,漆料,设备,工艺,环境等因素有关。
2.尺寸2.1 漆包圆线尺寸包括:外形尺寸(外经)D导体直径d导体偏差△d导体的圆度 f漆膜的厚度t2.1.1 外径是指;导体涂上一层绝缘漆膜后所测得的直径。
2.1.2 导体直径;是指去除绝缘层后金属线2.1.3 导体偏差;是指导体直径的实测值与标称值之间的差。
2.1.4 不国度(f)值是指导体每个截面上测量的最大读数和最小读数的最大差值。
2.2 测量方法;2.2.1测量工具;微米干分尺,精确度0.001mm漆包圆线,d<0.100mm 测力0.1-1.0Nd≥0.100mm 测力I-8N漆包扁线测力4-8N2.2.2 外径2.2.2.1 (圆线)当导体标称直径d≤0.200mm时,在相距各1m的3个位置,各测量一次外径,记录3个测量值,取其平均值作为外径。
2.2.2.2 当导体标称直径d>0.200mm时,相距1m的两个位置上,每个位置沿线周均分测量3次外径,记录6个测量值,取其平均值作为外径。
2.2.2.3 (扁线)相距各100mm3个位置上各测量宽边和窄边尺寸1次,取其3个测量值的平均值作为宽边和窄边的外形尺寸。
2.2.3 导体尺寸2.2.3.1 (圆线)当导体标称直径d≤0.200mm时,在相距各1m的3个位置用不损伤导体的任何方法除去绝缘各测量1次导体直径:取其平均值作为导体直径。
漆包线检验标准1.外观检验:表面光滑,色泽均匀,无漆瘤和白色润滑剂,表面绝缘漆膜无脱落、氧化、划痕、损伤,无打结现象2.尺寸检验:2.1 漆包线直径:标准参照IEC60317对照表,检验方法:千分尺2.2 导体直径:标准参照IEC60317对照表,检验方法:千分尺2.3 漆包线漆膜厚度:标准参照IEC60317对照表,检验方法:千分尺2.4 导体误差值:标准参照IEC60317对照表3.电性能:3.1 电阻取要检验的漆包线1m, 将两端的漆膜刮去,测量漆包线的电阻,电阻测量值要与IEC60317的要求电阻范围内;标准温度20度,换算公式:20度的电阻/234.5+标准温度=实际测量电阻/234.5+测量温度。
3.2 可焊性①剪取需要检验的铜线材料;②根据材料可焊性条件范围设定锡炉温度;③使用温度测量器对锡炉温度测量确认锡炉温度在材料承认书的可焊性条件范围内;④焊锡条件依材料承认书,铜线上锡效果:当铜线浸锡后目检表面着锡面积95%以上,不遗留残渣。
⑤.非直焊性线径剥皮处理后依(第①-④点)作业。
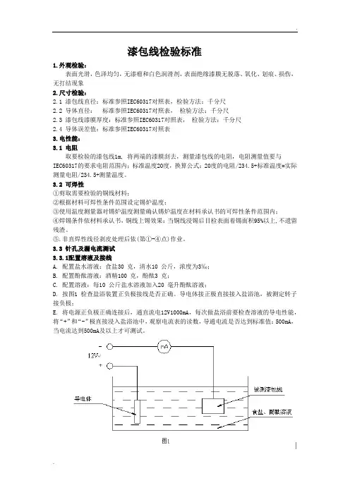
3.3 针孔及漏电流测试3.3.1配置溶液及接线A. 配置盐水溶液:食盐30 克,清水10 公斤,浓度为3‰;B. 配置酚酞溶液:酒精100 克,酚酞3 克;C. 配置溶液:每10 公斤盐水溶液加入20 毫升酚酞溶液;D. 按图1 检查盐浴装置正负极接线是否正确。
导电体接正极直接接入盐浴池,被测定转子接负极;E. 将电源正负极正确连接后,通直流电12V1000mA,每次做盐浴前要检查溶液的导电性能,将“+”和“-”极直接浸入盐浴池中,观察电流表的读数,导通电流是否达到标准值:500mA,当电流达到500mA及以上才可测试。
3.3.2 漏电流及针孔数测试标准3.3.2.1 电流法测试标准3.3.2.2针孔数测试标准如针孔数量少于五个且不在同一个部位30米之内,则可以接受,其它情形均不能接受。
3.4 击穿电压取漆包线0.5m对折一次,将对折部位剪断并刮去四根线漆皮,然后再对折两次,并将对折后的漆包线扭成麻花状态,扭绞33圈,(两端各有两个线头)分别用高压仪测试同一端的两根线头的耐高压能力。
漆包线检验标准QZY-21.外观检验:表面光滑,色泽均匀,无漆瘤和白色润滑剂,2.尺寸检验:2.1 漆包线直径:标准参照GB/T6109 ,检验方法:千分尺2.2 导体直径:标准参照GB/T6109,检验方法:千分尺2.3 漆包线直径:标准参照GB/T6109,检验方法:千分尺2.4 导体误差值:标准参照GB/T61093.机械特性:3.1 伸长率:标准参照GB/T6109,检验方法:拉长仪器,计算方法:(拉伸后的长度-拉伸前的长度)/拉伸前的长度的比;3.2 急拉断:标准按照每秒2米的速度急拉,检验漆膜无开裂,3.3 圆棒卷绕:将不同规格的漆包线与相对应的铜棒绕上十圈,检验漆膜无开裂,铜棒的直径参照GB/T6109要求;3.4 热冲击:将卷绕漆包线放在烘箱中(悬挂在烘箱中间位置)烘0.5小时,烘箱温度与漆包线对应的规格要求,参照GB/T6109,烘完以后检验漆膜无开裂。
4.电性能:4.1 电阻:取要检验的漆包线1m, 将两端的漆膜刮去,测量漆包线的电阻,电阻测量值要与GB/T6109的要求电阻范围内;标准温度20度,换算公式:20度的电阻/234.5+标准温度=实际测量电阻/234.5+测量温度;4.2 盐浴测试:见盐浴测试标准4.3 击穿电压:取漆包线0.5m对折一次,将对折部位剪断并刮去四根线漆皮,然后再对折两次,并将对折后的漆包线扭成麻花状态,(两端各有两个线头)分别用高压仪测试同一端的两根线头的高压,(高压标准:参照附件国家2级标准)。
线径(mm )麻花圈数<0.25 33圈0.25-0.45 16圈>0.45 12圈编制:批准:漆包线盐浴检验标准1.主题内容与适用范围:本标准适用于本企业漆包线检验之用。
2.操作过程:配置溶液及接线:A.配置盐水溶液:食盐30克,清水10公斤,浓度为 3‰;B.配置酚酞溶液:酒精100克,酚酞3克;C.配置溶液:每10公斤盐水溶液加入20毫升酚酞溶液。
漆包线软化击穿试验方法
漆包线软化击穿试验方法
一、试验原理
漆包线软化击穿试验,是指通过受试漆包线耐受的高压放电或瞬变电流,使线芯电阻变小,使线的绝缘漆层温度升高并软化,最终使线芯的电强度超过线芯表面的绝缘漆层的耐电强度而击穿,以检验漆包线的电绝缘性能。
二、试验装置
漆包线软化击穿试验,所需设备主要有:受试线段,高压电源,晶闸管,晶闸管放大电路,瞬变抑制电路,击穿保护电路,试验结果记录装置以及安全防护设备等。
三、试验步骤
1、器件的接线:将受试线段的两端分别接入试验系统,即高压电源上的正、负极端,另一端接入高压接点。
2、系统的组装:把高压电源、晶闸管、晶闸管放大电路、瞬变抑制电路、击穿保护电路以及记录装置连接起来,并安装安全装置,校准各部件。
3、调节和校准:调节高压电源的输出高压值,并使用示波器对晶闸管放大电路和瞬变抑制电路的参数进行校准。
4、击穿试验:将受试线段放置在装置上,按照设定参数,依次加大高压电源的输出高压,观察线段的电绝缘情况,记录击穿电压值,以评价线段的电绝缘性能。
四、安全防护
1、击穿保护电路:击穿保护电路设置在高压电源的每一侧,当击穿发生时,电路自动断开高压,防止漆包线的损坏。
2、爆炸保护装置:当受试线段受压过大时,爆炸保护装置会自动断开高压,防止测试装置及其他电气设备的损坏。
3、其他安全措施:使用绝缘橡胶橡皮垫等,防止人体接触直流电,以及避免高压电击中人体。
五、试验结果
漆包线软化击穿试验结果主要以漆包线的击穿电压值来表示,击穿电压值越高,漆包线绝缘性能越好。
漆包线进厂检验规程一范围、职责1 范围本规程规定了本公司安标矿用产品配套的YBDZ电机用漆包线检验方法,适用于外购漆包线进厂时检验。
2目的规范检验方法和行为,保证产品质量,从而保证用户的使用安全。
3职责质量控制部的进厂物资检验人员负责对进厂YBDZ电机用漆包线的检验,检验时做好记录。
检验记录保存五年。
二内容4 漆包线的检验4.1 检验的依据和抽样方法4.1.1 检验的依据GB/T6109漆包圆绕组线、YBDZ-2.0-01.1a图纸及其他相关技术要求。
4.1.2 抽样方法(1) 击穿电压:漆包线按每个批次每15卷为一组取五个样,作为耐高压试验的试样。
超出15卷的倍数或不足15卷的按一组取样。
取样分别从不同规格不同生产批次进的漆包线中进行。
(2) 尺寸检验:可随机在整卷上或高压试验后不影响尺寸检验的线段上测量。
4.2 漆包线的采购,应在我公司评定的合格供方中进行。
产品包装应有合格证,标签上有制造厂名及商标、漆包线的产品名称、漆膜种类、执行国家标准的编号、漆包线的直径和漆膜级别、出厂日期。
4.3 外观检查用正常视力检查,卷绕在线盘或线轴上的漆包线,漆膜应光滑、均匀、连续、无斑纹、无气泡和杂质。
4.4 尺寸检查4.4.1 导体直径导体直径与标称之差应不超过表1的规定值。
4.4.2 导体不圆度任一点上最小直径和最大直径之差应不大于表1第2栏的绝对值。
4.4.3 最小漆膜厚度最小漆膜厚度应不小于表1 的规定值。
4.4.4 最大外径最大外径应不超过表1 的规定值。
表1 漆包线尺寸4.5 柔韧性和附着性圆棒绕线试验(导体标称直径1.600毫米及以下),漆包线在等于其自身标称直径的圆棒上卷绕后,漆层应不开裂。
4.6击穿电压导体标称直径0.100毫米以上2.5毫米以下的漆包线,取五个试样中应至少有四个在小于或等于表2的电压下不发生击穿。
表2 击穿电压数值表5 检验结果检验合格的,检验人员在入库单上签字放行,业务负责人办理入库。
漆包线击穿电压测试方法漆包线击穿电压测试方法引言漆包线是一种常见的电线和电缆绝缘材料,其击穿电压是评估其绝缘质量的重要指标。
本文将详细介绍几种常用的漆包线击穿电压测试方法,并为读者提供一些参考。
方法一:直流击穿电压测试直流击穿电压测试是一种传统且常见的测试方法,其步骤如下:1. 准备一台直流电源和一个数字万用表。
2. 将待测试的漆包线两端分别连接到直流电源的正、负极,并选定一定的测试电压值。
3. 逐渐增加测试电压值,同时观察数字万用表的示数。
4. 当漆包线出现击穿现象时,记录此时的测试电压值,即为击穿电压。
方法二:交流击穿电压测试交流击穿电压测试是另一种常用的测试方法,其步骤如下: 1. 准备一台交流电源和一个数字频率计。
2. 将待测试的漆包线两端分别连接到交流电源的输出端。
3. 将交流电源的频率调节到特定的测试频率,一般为50Hz。
4. 逐渐增加交流电源的电压,同时观察数字频率计的示数。
5. 当漆包线出现击穿现象时,记录此时的测试电压值,即为击穿电压。
方法三:脉冲击穿电压测试脉冲击穿电压测试是一种更精确且复杂的测试方法,其步骤如下:1. 准备一台高压脉冲发生器和一个示波器。
2. 将待测试的漆包线两端分别连接到脉冲发生器的输出端和示波器的输入端。
3. 调节脉冲发生器的参数,如脉冲幅度、持续时间等,使得漆包线能够稳定工作。
4. 逐渐增加脉冲发生器的脉冲幅度,同时观察示波器上的波形变化。
5. 当漆包线出现击穿现象时,记录此时的测试脉冲幅度,即为击穿电压。
方法四:其他测试方法除了上述三种常用的漆包线击穿电压测试方法外,还有一些其他的测试方法,如雷电冲击测试、浪涌电压测试等。
这些方法在特定的应用场景下具有重要意义,但本文不做详细介绍。
结论漆包线的击穿电压是评估其绝缘质量的关键指标之一。
通过直流击穿电压测试、交流击穿电压测试和脉冲击穿电压测试等方法,可以对漆包线的击穿电压进行准确测量。
不同的测试方法适用于不同的场景和需求,读者可以根据实际情况选择合适的方法进行测试。
漆包圆铜线检验规范
1.质量要求
1.1 表面质量:漆包线应色泽均匀,表面光洁,无明显漆瘤。
1.2 尺寸:漆包线的最大外径应附合表1的规定。
(注:* 为参考规格,以下同。
)
1.3 常温击穿电压
漆包线用扭绞法试验,其击穿电压应附合表2的规定。
注
拆成单根线进行试验;带*符号的线径击穿电压为参考值。
1.4 漆皮牢度:经卷绕后,漆膜应不起皱、不脱落
1.5 焊锡试验
漆包线在450 20℃锡槽中浸3秒后,镀锡线表面应平滑,无针孔及漆膜残渣。
2. 检验办法
2.1 表面质量:从线轴上去掉起头的1000mm后,取长约250mm的试样,用10倍的放大镜观察。
2.2 外径尺寸:用精度不低于0.01mm的千分尺测量其外径尺寸,应附合表1的规定。
2.3 常温击穿电压
将试样约300mm对折,扭绞部分长度为125mm,然后将端环剪断。
将两端头20 mm长去漆,并分开后施加试验电压。
试验电压大于1500时,升压速度应以 500V/S的速率加压。
试验电压应按表3中的规定。
试验时间为60S,判定漏电流为0.5mA。
漆包线检测漆包线是电机、电器、仪表和电讯行业的一个关键材料。
漆包线的性能应满足电气产品的设计要求、加工要求和运行要求。
漆包线的使用单位要求漆包线的质量能通过一种严肃的制度和科学的手段来保证。
一、几何尺寸1.裸导线直径的允许公差裸导线的允许公差是指裸导线直径的实际值与规定值之间的允许偏差。
从使用的角度来说,希望公差越小越好,有利于设计时电阻、圈数等方面的计算。
但制造时模具的模孔在拉伸过程中要磨损变形,如果公差要求过严,就要经常调换模具,造成工艺操作上和模具供应方面的困难。
制订标准时使用单位的实际要求和生产单位的技朮可能性要做到“物尽其用”。
2.截面不圆度指导线同一截面直径最大测量值与最小测量值之差。
不圆度不合格会造成漆包线颜色发花(阴阳面)。
3最大外径及最小漆膜厚度最大外径超差,会使线圈尺寸加大,绕线圈时容纳不下。
漆膜过薄,会产生针孔、耐电压、耐刮、耐化学性能、耐老化等性能下降或造成废品。
4.检验工具:千分尺,精度应符合下列规定:用表头示值误差为1μ的杠杆千分尺。
5.测量时2点相距1米3面,6个测量值的平均值为测量结果。
尺寸是否合格皆以平均值与标准比较进行判断。
二、机械性能漆包线绕制线圈时,在电机线圈的嵌线工艺以及在用电气产品的运行过程中,都有机械力作用于漆包线上,例如绕制时有拉伸力、摩擦力和弯曲力矩;在嵌线工艺中有摩擦力;运转中有因振动而引起的匝间摩擦。
如果漆包线的芯线或漆膜达不到要求,则上述这些机械力都会对漆包线带来不同程度的损伤。
如导线韧炼不足,使延伸率过小,细线在绕线时可能被拉断;韧炼过度,延伸率过大,容易拉细截面,造成电阻增大。
漆膜烘焙过老,漆包线漆膜弹性下降,在绕线时的弯曲力矩作用下,造成漆膜开裂,丧失绝缘性能;如烘焙不够,则嵌线时容易擦伤漆膜,造成电机绕组短路。
因此,在模拟使用要求的基础上,建立各项机械性能试验是十分必要的。
1.伸长率试验伸长率是模拟漆包线绕线工艺而建立的,目的是控制导线对缠绕线圈的适应性,保证作业顺利进行。
1. 目的为了严格控制漆包线来料质量,规范漆包线检验规范检验标准,为该产品的验收工作提供指导依据。
2. 适用范围本规范适用于公司漆包线来料的检验验收。
3. 引用标准GB6190 漆包圆绕组线GB4074.2 漆包线实验方法(尺寸测量)GB4074.11 漆包线实验方法(热冲击实验。
圆线)GB4074.17 漆包线实验方法(击穿电压实验。
圆线)4. 技术要求4.1漆包圆线应符合GB6190的规定和本公司研发部产品规格书要求4.2 导体不圆度(导体标称直径0.063mm以上)任一点上最小直径和最大直径差应不大于表1和表2中导体公差栏的值。
4.3 最小漆膜厚度和最小自粘层厚度(导体标称直径0.063mm以上)4.3.1 非自粘性漆包线最小漆膜厚度应不小于表1的规定值。
4.3.2 自粘性漆包线包括自粘层厚度在内的最小漆膜厚度应不小于表2的规定值。
4.4 最大外径4.4.1 非自粘性漆包线最大外径应不超过表1的规定值。
4.4.2 自粘性漆包线最大外径应不超过表2的规定值。
4.5 电阻不用直径的导线电阻值应如表3所示。
表3 不同直径导线的电阻值4.6.5000V,1min的耐压试验,其耐压泄漏≤1mA。
4.7 盐水弯曲针孔实验常态下的漆包线盐水弯曲针孔实验是将试样折成正方形,检查漆包线漆膜的连续性和附着性。
测试原理。
根据电解铜的原理,试样开裂点露出的裸导体铜发生电解反应,气孔处呈现红色状,即为针孔。
其反应式如下:2Cu+2H2O——2CuO(红色)+2H2合格判定方法:在弯曲的四角上,0.07 mm以下的漆包线总数小于或等于3个弯曲针孔判定合格,反之为不合格。
在弯曲的四角上,0.07 mm及以上的漆包线,弯曲针孔总数小于或等于4个判定合格,反之为不合格。
判定时,应排除直线(常态)针孔。
如有直线针孔,不应计入弯曲针孔总数,或应重新取样。
弯曲针孔越多,说明漆膜附着力越差或脱漆。
5. 检验项目和检验方法5.1外观检验:5.1.1包装有无标识,外标识与实物是否一致,标识是否注明厂商、产品名称、净重、导体直径、漆膜级别、制造日期等。
漆包线检测方法
一、尺寸测量1、 测量工具:千分尺(参考标准:见IEC60851-2第3条)
图1尺寸测试
二、击穿电压击穿电压::导体
导体导体导体标称直径(mm)
标称直径(mm)标称直径(mm)标称直径(mm)0.018
0.0130.0280.030.0450.080.0710.20.020.0150.0320.040.050.10.080.25
图3 电压测试2、 操作方法:取一根校直漆包线试样的一端除去绝缘,按图3所示接到上接线端上,然后在金属圆柱上绕一圈漆包线的下端施加符合图2规定的负荷,以保持试样与金属圆柱紧密接触。
按试验原理在漆包线导体和金属圆柱之间施加试验电压。
试验应在室温下进行。
测量5个试样。
记录5个击穿电压值。
见图12、 操作方法:在1根校直试样相距1m 的3个位置上,各测试1次外径,记录3个测量值,取其平均值作为外径。
1、 测量工具:电压试验仪(参考标准:见IEC60851-5第4条)
漆包线上施加的力(N)漆包线上施加的力(N)漆包线上施加的力(N)漆包线上施加的力(N)图2。
击穿电压测试方法
击穿电压测试是测量绝缘材料或绝缘系统耐久电压的一种方法,用来判断绝缘材料或绝缘系统的质量和可靠性。
以下是一种常用的击穿电压测试方法:
1. 准备测试设备:需要高压电源、连接线、绝缘测量仪等。
2. 连接测试电路:将高压电源的正极和负极分别与测试电路的两端连接,确保电路连接正确并牢固。
3. 设置测试参数:根据需要,设置合适的测试电压值和测试时间。
一般来说,测试电压可根据绝缘材料或系统的额定电压确定。
4. 开始测试:打开高压电源,使电源输出电压逐渐升高,直到出现击穿。
5. 记录测试结果:在测试过程中,记录下击穿电压的数值。
6. 分析测试结果:根据测试结果,判断绝缘材料或系统的耐久电压是否符合要求。
一般来说,绝缘材料或系统的击穿电压应该大于其额定电压。
需要注意的是,击穿电压测试时应当严格遵守相关的安全操作规程,避免电击和其他事故的发生。
测试过程中如有异常情况或安全隐患,应立即停止测试并进行检查和处理。
漆包线击穿电压测试方法(一)漆包线击穿电压测试方法引言•漆包线作为一种常见的电线材料,广泛应用于电子产品和电路板等领域。
•漆包线击穿电压测试是一项重要的质量控制方法,用于评估漆包线的绝缘性能。
方法一:直流电压法1.准备测试设备,包括直流电源、万用表、漆包线样品和电流限制器。
2.将漆包线样品连接至直流电源的正负极,并设置合适的电流限制值。
3.逐步增加直流电压,记录当漆包线击穿时的电压值。
4.重复多次测试,取平均值作为漆包线的击穿电压。
优点: - 简单易行,仪器设备要求较低。
- 结果稳定可靠。
缺点: - 测试过程相对较慢。
- 无法评估漆包线的耐高压性能。
方法二:交流电压法1.准备测试设备,包括交流电源、万用表和漆包线样品。
2.将漆包线样品连接至交流电源,设置合适的频率和电流限制值。
3.逐步增加交流电压,记录当漆包线击穿时的电压值。
4.重复多次测试,取平均值作为漆包线的击穿电压。
优点: - 可以评估漆包线在交流环境下的击穿电压。
- 测试过程相对较快。
缺点: - 对设备要求较高,需要具备交流电源和频率调节功能的仪器。
方法三:微弱信号法1.准备测试设备,包括信号发生器、放大器、示波器和漆包线样品。
2.将信号发生器连接至漆包线样品,产生微弱信号。
3.将漆包线信号输入示波器,并使用放大器放大信号。
4.逐步增加信号幅度,记录当漆包线出现放电现象时的信号幅度。
5.重复多次测试,取平均值作为漆包线的击穿电压。
优点: - 可以评估漆包线在微弱信号下的击穿电压。
- 结果精确可靠。
缺点: - 对设备要求较高,需要具备信号发生器、放大器和示波器等仪器。
结论•漆包线击穿电压测试是评估漆包线绝缘性能的重要方法。
•直流电压法、交流电压法和微弱信号法都是常用的测试方法,各有优缺点。
•在实际应用中,可以根据需求选择适合的测试方法进行漆包线击穿电压测试。
漆包线的绝缘强度1. 引言漆包线作为一种常见的导线材料,广泛应用于电子、电气和通信领域。
它具有良好的绝缘性能,主要得益于其特殊的结构和制造工艺。
本文将深入探讨漆包线的绝缘强度,包括定义、测试方法、影响因素以及提高绝缘强度的措施。
2. 定义漆包线是一种由金属导体(通常是铜或铝)包裹在绝缘层(通常是聚酰胺类树脂)中制成的导线。
绝缘层起到隔离导体与外界环境的作用,防止电流泄漏和短路等问题发生。
因此,漆包线的绝缘强度被定义为其能够承受的最大电压,超过该电压会导致绝缘层击穿。
3. 测试方法3.1 直流击穿电压测试直流击穿电压测试是评估漆包线绝缘强度的常用方法之一。
该测试通过施加逐渐增加的直流电压,观察漆包线是否出现击穿现象。
测试时需要使用专用的测试设备,如高压发生器和电流表。
3.2 交流击穿电压测试交流击穿电压测试是另一种常用的绝缘强度测试方法。
与直流击穿电压测试类似,交流击穿电压测试也是通过施加逐渐增加的电压来评估漆包线的绝缘强度。
不同之处在于,该测试使用交流电源,并采用不同的频率和波形。
3.3 其他测试方法除了直流和交流击穿电压测试,还有一些其他方法可以评估漆包线的绝缘强度,如耐热性测试、耐湿性测试和介质损耗因数测量等。
这些方法可以从不同角度对漆包线的绝缘性能进行评估。
4. 影响因素漆包线的绝缘强度受多种因素影响,主要包括以下几个方面:4.1 绝缘材料绝缘材料是决定漆包线绝缘强度的关键因素之一。
常见的绝缘材料有聚酰胺类树脂、聚氨酯和聚酰亚胺等。
不同的绝缘材料具有不同的绝缘性能,如耐电压能力、耐热性和耐湿性等。
4.2 绝缘层厚度绝缘层厚度对漆包线的绝缘强度有显著影响。
较厚的绝缘层可以提供更好的电绝缘能力,减少击穿风险。
因此,在制造漆包线时应注意控制绝缘层的厚度。
4.3 导体表面质量导体表面质量也会影响漆包线的绝缘强度。
如果导体表面存在氧化物、油污或其他污染物,会降低绝缘材料与导体之间的粘附力,导致绝缘层容易剥离或击穿。
漆包线耐压击穿测试流程下载温馨提示:该文档是我店铺精心编制而成,希望大家下载以后,能够帮助大家解决实际的问题。
文档下载后可定制随意修改,请根据实际需要进行相应的调整和使用,谢谢!并且,本店铺为大家提供各种各样类型的实用资料,如教育随笔、日记赏析、句子摘抄、古诗大全、经典美文、话题作文、工作总结、词语解析、文案摘录、其他资料等等,如想了解不同资料格式和写法,敬请关注!Download tips: This document is carefully compiled by theeditor. I hope that after you download them,they can help yousolve practical problems. The document can be customized andmodified after downloading,please adjust and use it according toactual needs, thank you!In addition, our shop provides you with various types ofpractical materials,such as educational essays, diaryappreciation,sentence excerpts,ancient poems,classic articles,topic composition,work summary,word parsing,copy excerpts,other materials and so on,want to know different data formats andwriting methods,please pay attention!漆包线耐压击穿测试是评估漆包线绝缘性能的重要测试方法。
以下是漆包线耐压击穿测试的一般流程:1. 准备测试样品从漆包线卷上截取一段适当长度的样品,确保样品表面干净、无损伤。
It is not difficult to make a decision, but the hard part is to put it into action and stick to it to the end.同学互助
一起进步(页眉可删)
2.2漆包扁线和直径2.5及以上漆包圆线:
约350mm较直试样,一端去除绝缘,在50mm圆棒上弯曲(扁线窄边2.5mm及以下在25mm圆棒上弯曲)。
放入容器中,周围保证有5mm厚的不锈钢珠。
倒入不锈钢珠使试样上至少覆盖90mm深。
注意试样端部伸出足够长以避免闪络。
在导体和不锈钢珠之间施加电压。
制作5个试样,记录5个击穿电压值。
3.高温试验方法及试样制备:
各型号试样制备同室温试样制备,将试样在干燥箱中预热到规定试验温度3℃,至少在干燥箱中放置15分钟,按照室温试验方法进行试验。
试验应在30分钟内完成。
4.自动电压试验仪:
4.1 打开电源,仪器自动复位,试验电压指示灯亮。
4.2 选择试验电压,该档试验电压指示灯亮。
4.3 试验根据不同试验方法将5个试样一次插入高压电极,关上试验箱门,工作指示灯亮。
4.4 将试样开关拨到将要进行试验的电极档位,掀动升压杆。
4.5 试验结束,复位指示灯熄灭后方可取出试样。
4.6 关闭电源。