钣金冲压零件工艺指南
- 格式:pdf
- 大小:355.77 KB
- 文档页数:9
板金冲压件冲压,焊接,和电镀的工艺性检查条例1.弯曲弯曲应该在靠近弯曲处设定正负半度。
同一平面有多重弯曲时, 应设置相同的弯曲方向。
避免在大板金件上设置小弯曲。
低碳钢板金件上,最小弯曲半径应为材料厚度的一半或者0。
80 毫米,以两者中大的一项为准。
2.扩孔两扩孔之间的最小距离应为八倍的材料厚度。
扩孔与边缘之间的最小距离应为四倍的材料厚度。
扩孔与弯曲之间的最小距离应为四倍的材料厚度加上弯曲的半径。
3.锥形孔最大深度沿着硬件的角度,可以是3。
5倍的材料厚度。
硬件与锥形孔的接触必须在50%以上。
两锥形孔之间的最小距离应为八倍的材料厚度。
锥形孔与弯曲之间的最小距离应为四倍的材料厚度加上弯曲的半径。
4.小卷边小卷边的最小半径应为材料厚度的两倍, 在极端情况下为材料厚度的一倍。
小卷边与孔的最小距离应为其半径加上材料厚度。
小卷边与内翻的最小距离应为六倍的材料厚度加上小卷曲/边的半径。
小卷边与外翻的最小距离应为九倍的材料厚度加上小卷曲/边的半径。
5.凹点其最大直径应为六倍的材料厚度, 其最大深度应为内径的一半。
凹点与孔的最小距离应为三倍的材料厚度加上凹点的半径。
凹点与材料边缘的最小距离应为四倍的材料厚度加上凹点的内半径。
凹点与弯曲的最小距离应为两倍的材料厚度加上凹点的内半径再加上弯曲的半径。
两凹点之间的最小距离应为四倍的材料厚度加上各个凹点的内半径。
6.凸座其最大高度应与其内半径或者材料厚度成正比。
平顶凸座的最大高度应等于其内半径加上其外半径。
V形凸座的最大高度应等于三倍的材料厚度。
7.挤压孔两挤压孔之间的最小距离应为六倍的材料厚度。
挤压孔与材料边缘的最小距离应为三倍的材料厚度。
挤压孔与弯曲的最小距离应为三倍的材料厚度再加上弯曲的半径。
8.翻边最小弯曲翻边是直接与材料厚度, 弯曲半径,及弯曲长度相联系的。
翻边的不变形部分的宽度应不小于2。
5倍的材料厚度。
翻边的应力舒解缺口处的最小宽度值是材料厚度或者1。
5毫米, 以两者中大的一项为准。
1.适用范围
本工艺适用于型材和薄板件的下料。
2.设备与工具
2.1设备:数显剪板机、冲床、下料模具
2.2工具:游标卡尺(0-150mm),钢卷尺(
3.5m)
3.工艺要求
根据零部件的材料情况,分为冲床模具的型材下料和剪板机薄板下料两种。
型材下料要求选择表面质量好的材料,按照图样要求的尺寸和公差要求,选择和调整模具及其定位器具,试冲并进行首件检验,确定合格后,才可以进行加工。
薄板根据零部件的形状和板材的厚度与弯曲内半径,进行板材展开计算。
根据展开图的尺寸,调整剪板机的定位尺寸,进行剪切,进行首件检验,确定合格后,才可以进行加工。
弯曲展开长度K值系数表见下:
不同的弯曲形式展开长度计算见下
4.设备和模具的使用中,一定严格按照设备操作规程和模具管理规定,严禁避免违章操作,以免造成人身和设备事故。
两人以上操作时,要保证协调工作。
5.检验
除进行首件自检外,下料的部件应根据检验规程进行终检。
采用游标卡尺和卷尺等工具,按照图纸要求进行检验,图纸没有公差要求的,按照以下要求检验:
部件展开尺寸在1000 mm以内的,公差要求在1.2mm ; 部件展开尺寸在1000-200 mm以内的,公差要求在2mm ; 部件展开尺寸大于2000 mm的,公差要求在3mm 。
钣金件之冲压工艺培训课件整车架构部1钣金件之冲压工艺目录一、钣金件概览二、冲压生产准备计划三、冲压工艺知识四、冲压工艺方案五、冲压件工艺性六、冲压工艺质量七、冲压发展趋势Backup钣金件设计流程二、冲压生产准备计划冲压生产准备时间表PA PDR PPV LR LS SOP 从PA到P8 SOP,冲压生产准备的周期一般为19 个月。
汽车制造业约有60%-75%的零件是采用冲压加工工艺制成的,其中,冲压加工所占的劳动量为整个汽车工业总劳动量的25%-30%。
3.1、冷冲压加工范围3.2、冲压加工方法特点:1、冲次快,效率高,特别是大量生产其效率尤其显著;2、冲压加工能获得较为复杂的几何形状和尺寸;3、材料利用率高,是一种无切削加工,只有少量的切边废料;4、操作简便,省时省力,容易掌握。
3.3、冲压工艺流程、定义及分类:冲压工艺流程原材料(板料和卷料)入库→开卷线→大件清洗涂油、小件开卷剪切→冲压生产线→安装模具、调试首件合格→投入批量生产→合格件防锈→入库冷冲压的定义冷冲压是指在常温下,利用安装在压力机上的冲模对材料施加压力,使其产生分离或塑性变形,从而获得所需要零件的一种压力加工方法。
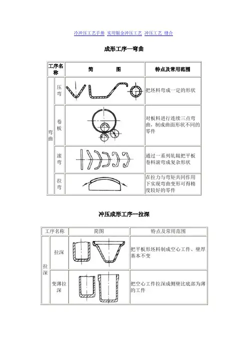
冷冲压的基本分类冷冲压分两大类:分离工序和成形工序。
、分离工序:3.3.1是指坯料在冲压力作用下,变形部分的应力达到强度极限σb以后,使坯料发生断裂而产生分离。
分离工序主要落料、冲孔、切断、修边等。
是指坯料在冲压力作用下,变形部分的应力达到屈服极限σs,但未达到强度极限σb,使坯料产生塑性变形,成为具有一定形状、尺寸与精度制件的加工工序。
成形工序主要有拉延、翻边、整形、翻孔、弯曲等。
3.3.2、成形工序:4.1、以某车型翼子板为例:规划生产线信息数据输入分析2、平面孔数、位置1、负角检查形状、深度3、纵壁孔数、位置4、修边条件检查4.1、以某车型翼子板为例:侧冲孔直冲孔整形冲压工艺方案:1、拉延2、修边3、整形翻边4、冲孔侧冲孔≈45mm 确认孔与孔的加工方式是否有干涉,如干涉就要分序翻边侧冲孔如果轮罩处有向内的翻边需要研讨5工序模具结构是否能实现4.2、以某车型侧围外板为例:落料拉延修边、冲孔翻边、整形冲压件不良结构设计造成缺陷:工序过多,模具复杂,成本偏高;材料破裂、起皱;冲压状态不稳定,难以控制,零件存在回弹、扭曲变形;装配工艺性差,容易出错;焊接工艺性差;电泳不完整,或者电镀液漏不干净;安全系数低,操作不便,操作工人容易被划伤。
冲压件钣金工艺及成本分析一、冲压件钣金工艺步骤:1.设计图纸:根据产品设计要求绘制详细的图纸。
2.材料准备:选择合适的金属材料,如冷轧钢板、不锈钢板等。
3.板材开料:根据图纸的要求,使用切割机将板材切成相应尺寸的小片。
4.冲压:通过冲压机将小片加工成所需形状,即通过钢模和冲头的配合,将板材冲压成所需的形状,同时去除无用材料。
5.弯曲:使用弯曲机将冲压成型的零件进行折弯,使其达到所需形状和角度。
6.折边:通过折边机对零件的边缘进行折边处理,提高零件的强度和刚度。
7.表面处理:根据产品要求,可进行表面喷涂、镀锌等处理,以增加产品的耐腐蚀性和美观度。
8.组装:将加工好的冲压件与其他零配件进行组装,形成完整的产品。
二、冲压件钣金工艺的优势:1.可批量生产:冲压件钣金工艺适用于大批量生产,可以在较短的时间内完成大量零件的加工,提高生产效率。
2.高精度:冲压件钣金工艺具有较高的加工精度,可满足对精度要求较高的产品。
3.高强度:通过冲压、折边等工艺步骤,可以提高材料的强度和刚度,使产品更加坚固耐用。
4.多种材料可选:冲压件钣金工艺可适用于多种金属材料,如冷轧钢板、不锈钢板、铝板等,具有较大的材料选择余地。
三、冲压件钣金工艺的成本分析:1.材料成本:材料成本是冲压件钣金工艺中较大的成本部分,根据所选材料的种类和规格及材料的采购价格确定。
2.设备成本:冲压件钣金工艺需要使用专用设备,如冲压机、切割机、弯曲机等。
设备的购置、维护和修理等成本需要考虑在内。
3.人工成本:冲压件钣金工艺需要熟练的操作工人进行操作和控制。
人工成本包括工人的工资和福利待遇等。
4.能源成本:冲压件钣金工艺需要消耗电能和压缩空气等能源,因此能源成本是要考虑的因素之一5.后续加工成本:可选的后续加工工序,如表面处理、组装等,也需要考虑在内。
综上所述,冲压件钣金工艺是一项常用的金属加工技术,具有高效、高精度和高强度的优势。
在成本分析中,需要考虑材料成本、设备成本、人工成本、能源成本和后续加工成本等因素。
冲压工艺流程冲压工艺是指通过钣金加工机床,对金属板材进行压制、冲孔、弯曲、拉伸等处理工艺的总称。
它是制造各种零部件的一种重要工艺,广泛应用于汽车、电器、通讯、电子、机械制造等领域。
下面我们将详细介绍冲压工艺的流程。
一、模具设计冲压工艺的第一步是模具设计。
模具的设计需要根据被加工的零件的尺寸、形状和要求,制作出相应的模具。
模具能够在短时间内将金属板材加工成符合所需形状的零件。
二、材料切割或定尺在冲压工艺中,金属板材需要被切割或定尺。
这个步骤需要根据被加工的零件的尺寸和要求,将金属板材进行切割或者定尺。
在这个步骤中,需要使用切割机和裁板机等设备。
三、模具调整在模具设计完成之后,需要对模具进行调整。
模具调整时需要将其与机床进行配合,根据加工要求将模具准确、平整地安装在机床上。
四、精确定位精确定位是冲压工艺流程中非常重要的一步。
在精确定位时要保证零件的位置准确无误,这可以通过机床的数控系统进行自动定位。
五、冲压加工在进行冲压加工时,需要将模具配合机床进行操作。
机床会按照加工好的程序进行操作,从而将金属板材加工成符合要求的零部件。
六、去毛刺在冲压加工完成之后,需要对加工出来的零件进行去毛刺处理。
去毛刺需要使用专门的设备,对零件表面进行抛丸或者机械去毛刺处理。
七、品质检测品质检测是冲压工艺中最后一个步骤。
在品质检测过程中,要对加工好的零件进行检查、测试,以确保其达到设计要求,是否存在问题需要及时进行处理。
总之,冲压工艺是一项非常复杂的加工技术,需要配合各种设备、技术手段和专业知识。
只有经过良好的模具设计、机床操作和后续处理等流程,才能够生产出高质量的零部件,为整个制造业提供优越的材料和零部件。
冲压钣金件加工工艺冲压钣金件是一种常见的工业零部件,适用于各种机械设备中,具有重要的作用。
钣金件加工工艺是制作这种零部件的关键环节,下面就钣金件加工工艺进行详细介绍。
一、冲压钣金件的特点冲压钣金件是采用冲压工艺制作而成的,具有轻质、高强度、精度高、成本低等特点。
在现代工业生产中得到广泛应用,在制造机械设备、电子产品、汽车零件等方面具有重要作用。
二、钣金件加工工艺1、材料准备:冲压钣金件加工需要准备的材料有:一般钢板、不锈钢、铜、铝等。
这些材料的规格和厚度根据工件要求而定。
2、设计图纸:制作每个冲压零件之前,需要先设计出零件的图纸。
设计图纸中需要包括工件的形状、尺寸、工艺要求、成品要求等。
3、数控冲床:数控冲床是冲压钣金件加工中主要的设备。
数控冲床是一种通过程序控制,根据需要的形状和尺寸对材料进行精确冲裁的机床。
数控冲床的工作原理是将材料放在电动滑台和定位销上,用冲床模具对材料进行冲压成形。
4、模具制作:冲床模具是影响冲压钣金件加工效果的重要因素。
一般情况下,制造一个冲孔模具需要经过CAD设计、加工、试模、校正等多个步骤。
5、表面处理:冲压钣金件加工完成后,需要对零件表面进行处理。
一般采用的表面处理方法有热镀锌、镀铬、抛光、油漆等。
三、钣金件加工工艺的优势冲压钣金件加工工艺具有以下优势:1、高效性:冲压钣金件加工速度快,每分钟可以加工数十个工件,生产效率很高。
2、成本低:冲压钣金件加工比其他钣金件加工方式成本更低,每件零件的制作费用更低。
3、精度高:采用数控冲床加工,精度高达0.1mm左右,能够保证工件的精度。
4、稳定性高:通过严格的工艺流程和检测方法确保工件的质量稳定。
总之,钣金件加工工艺在现代工业生产中具有重要的应用价值,只有掌握了这些技术,才能够更好地生产出优质的冲压钣金件,从而为整个工业生产带来更大的效益。
钣金件翻边孔冲压工艺的研究钣金件翻边孔冲压工艺是一种常用的钣金加工方法,广泛应用于制造行业中。
本文将对钣金件翻边孔冲压工艺进行研究,主要包括工艺原理、工艺流程、工艺参数的选择以及应用案例等方面。
钣金件翻边孔冲压工艺是指在钣金件上进行翻边和冲孔操作的一种加工方法。
其目的是通过翻边将钣金件的边缘区域形成立体结构,提高钣金件的强度和刚度。
通过冲孔操作,使钣金件产生孔洞,以便于后续的组装和使用。
钣金件翻边孔冲压工艺的流程一般包括以下几个步骤:首先是对钣金件进行切割和下料,将钣金件的尺寸剪裁到所需的大小。
然后,在钣金件的边缘区域进行翻边操作,将边缘折弯成所需的立体结构。
接下来,根据设计要求,在钣金件上进行冲孔操作,形成所需的孔洞。
对加工后的钣金件进行去毛刺和抛光等表面处理工艺,使其达到表面平整的要求。
在钣金件翻边孔冲压工艺中,工艺参数的选择起着关键作用。
首先是对翻边工艺参数的选择,包括翻边角度、翻边厚度和翻边长度等。
这些参数的选择要根据钣金件的材料和尺寸进行合理的确定。
其次是对冲孔工艺参数的选择,包括冲孔孔径、冲孔模具和冲孔力等。
这些参数的选择也要根据钣金件的设计要求和材料性质进行适当调整。
钣金件翻边孔冲压工艺在实际应用中有着广泛的适用性。
以汽车制造为例,在汽车车身的制造中,钣金件翻边孔冲压工艺常常被用于制作车门、车顶和车身侧板等零部件。
通过翻边和冲孔操作,可以使这些零部件具有较高的强度和刚度,并且方便后续的组装工作。
类似地,在电器制造和建筑行业等领域,钣金件翻边孔冲压工艺也得到了广泛的应用。
钣金冲压工艺流程引言钣金冲压是一种利用冲压设备将钣金材料加工成所需形状的工艺。
钣金冲压广泛应用于各个行业,例如汽车制造、航空航天、电子通信等。
本文将介绍钣金冲压的工艺流程和关键步骤。
工艺流程钣金冲压的工艺流程一般包括以下几个步骤:1.材料准备:选择适当的钣金材料,并按照设计要求进行裁剪和整理。
2.设计模具:根据产品的需求,设计制作适用的模具。
3.调整设备:根据不同的钣金材料和产品要求,调整冲压设备的参数,例如冲头压力、冲头速度等。
4.下料:根据产品的形状和尺寸要求,在钣金材料上进行标记并进行切割。
5.冲压:将下料得到的钣金材料放置在模具上,通过冲压设备施加力量,使钣金材料变形成所需的形状。
6.成型:使用辅助工具和模具,对冲压得到的钣金进行进一步加工和成型。
7.整理和检查:对成型的钣金进行整理和清洁,并进行质量检查,确保符合产品的要求。
8.表面处理:根据产品的要求,对钣金进行表面处理,例如喷涂、电镀等。
9.组装:将冲压和处理后的钣金与其他零部件进行组装,完成最终产品的制造。
关键步骤在钣金冲压的过程中,有几个关键的步骤需要特别注意:1.材料选择:根据产品的需求,选择适当的钣金材料。
不同的材料具有不同的力学性能和成形特性,选择合适的材料可以提高产品的质量和性能。
2.模具设计:模具是钣金冲压过程中的关键工具,其质量和设计合理性直接影响着产品的成形效果和生产效率。
因此,合理设计和制造模具是确保冲压工艺稳定性和产品质量的重要环节。
3.冲头调整:冲头是冲压设备的重要组成部分,其压力和速度的调整会对产品的成形效果产生直接影响。
在冲压过程中,应根据不同的材料和产品要求,调整冲头的参数,以确保产品的精度和质量。
4.质量检查:质量检查是保证产品质量的重要环节。
在钣金冲压的过程中,应随时进行质量检查,及时发现并解决问题,以确保最终产品的合格率。
结论钣金冲压工艺流程涉及多个步骤,每个步骤都有其关键性。
通过合理的材料选择、模具设计、调整设备和质量检查,可以保证钣金冲压工艺的稳定性和产品质量。
冲压工艺及零件设计规范一、钣金件的冲压工艺钣金件的工艺性是指零件在冲切、弯曲、拉伸等加工过程中的难易程度。
良好的工艺应保证材料消耗少,工序数目少,模具结构简单,使用寿命高,产品质量稳定。
在一般情况下,对钣金件工艺性影响最大的是材料的性能、零件的几何形状、尺寸和精度要求。
下面通过一个实例来说明制件的工艺性。
如图6—14所示为摩托车侧盖前支承,材料为Q235钢,厚度1.5mm,要求编制该零件的冲压工艺方案。
一、冲压件的工艺性分析(一)根据零件的使用条件和技术要求进行工艺性分析(二)如图6—14 所示该零件为摩托车侧盖前支承板,以2-φ5.9凸包定位,且焊接组合在车架的电气元件支架上,腰圆孔用于侧盖的装配,故腰圆孔位置是该零件需要保证的重点。
(二)根据零件形状、尺寸和要求进行工艺性分析(1)该零件端部四角为尖角,若采用落料工艺,则工艺性较差,根据该零件的装配使用情况,为了改善落料的工艺性,故将四角修改为圆角,取圆角半径为2mm;(2)该零件的“腿”较长,若能有效地利用过弯曲和校正弯曲来控制倒弹,则可以得到形状和尺寸比较准确的零件;(3)腰圆孔边至弯曲半径R中心的距离为2.5mm,大于材料厚度(1.5mm),从而腰圆孔位于变形区之外,弯曲时不会引起孔变形,故该孔可在弯形前冲出。
二、确定工艺方案(一)冲压工序类型和工序顺序的选择冲压该零件需要的基本工序和顺序有剪切或落料、冲腰圆孔、一次弯曲、二次弯曲和冲凸包。
(二)工序组合及其方案比较如图6--15 弯曲的方法(a)一副模具成形;(b)、(c)两副模具成形。
1、弯曲变形的方法及比较该零件弯曲变形的方法可采用如图6—15所示中的任何一种。
第一种方法(见图6—15a)的优点是用一副模具成形,可以提高生产率,减少所需设备和操作人员。
缺点是毛坯的整个面积几乎都参与激烈的变形,零件表面擦伤严重,且擦伤面积大,零件的形状与尺寸都不精确,弯曲处变薄严重,这些缺点将随零件“腿”长的增加和“脚”长的减小而愈加明显。
钣金冲压工艺窍门与钣金件设计制造技术方法下载提示:该文档是本店铺精心编制而成的,希望大家下载后,能够帮助大家解决实际问题。
文档下载后可定制修改,请根据实际需要进行调整和使用,谢谢!本店铺为大家提供各种类型的实用资料,如教育随笔、日记赏析、句子摘抄、古诗大全、经典美文、话题作文、工作总结、词语解析、文案摘录、其他资料等等,想了解不同资料格式和写法,敬请关注!Download tips: This document is carefully compiled by this editor. I hope that after you download it, it can help you solve practical problems. The document can be customized and modified after downloading, please adjust and use it according to actual needs, thank you! In addition, this shop provides you with various types of practical materials, such as educational essays, diary appreciation, sentence excerpts, ancient poems, classic articles, topic composition, work summary, word parsing, copy excerpts, other materials and so on, want to know different data formats and writing methods, please pay attention!1. 引言钣金冲压工艺是制造业中常见的加工方法,其质量和效率对产品的成型和性能至关重要。
钣 金 冲 压 工 艺 规 程(共 6 页)零(组)件名称 ___垫 片_____ 零(组)件号 ____(bjbs12-F02)__编 制 ___ wsl_____ 指 导 教 师 ____ ______张家界航空工业职业技术学院张家界航空工业 职业技术学院 工 艺 路 线 单零(组)件名称零(组)件图号 材 料 垫 片(bjbs12-F02)10 钢 毛坯类型及规格1991710/081991708/18009000.1------⨯⨯-T GB P T GB B Ⅱ每件毛坯可制零件数61材料利用率64.1% 工序 号 工 序 名 称 加工单位 设 备 工艺装备工 序 号 工 序 名 称 加工单位设 备工艺装备 0 下料 Q11-2.5×160005 冲孔落料 J23-16复合模109315231-BJ10 检验更改更改备注编制 wsl 2012.3.19共 6 页校对第 2 页张家界航空工业职业技术学院钣金冲压工序卡片工序号0 零(组)件名称垫片工序名称下料零(组)件图号((bjbs12-F02)材料10钢设备型号Q11-2.5×1600序号过程内容工装名称及图号1 按左图所示下料1.0×21×900mm。
更改更改备注编制 wsl 2012.3.15共 6 页校对第 3 页张家界航空工业职业技术学院钣金冲压工序卡片工序号05 零(组)件名称垫片工序名称冲孔落料零(组)件图号((bjbs12-F02)材料10钢设备型号J23-16序号过程内容工装名称及图号05同时冲如图所示孔及落制品外形复合模109315231BJ更改更改备注编制 wsl 2012.3.19共 6 页校对第 4 页张家界航空工业职业技术学院工序草图工序号05 零(组)件名称垫片工序名称冲孔落料零(组)件图号((bjbs12-F02)更改更改备注编制 wsl 2012.3.19共 6页校对第 5页张家界航空工业职业技术学院检验卡片工序号10 零(组)件名称垫片工序名称检验零(组)件图号((bjbs12-F02)序号检验内容工具名称1 用量具检验左图零件是否合格。
钣金件冲压加工工艺涉及工序在钣金加工作业过程中,选择正确、科学的钣金加工工艺能够很好的保证产品加工质量,此外也可有效的规范和指导钣金加工工作。
所以这就要求我们在钣金加工过程中,应对加工工艺进行有效的、深入的研究,确保所使用的钣金加工工艺能够满足钣金加工的需要。
本文就结合钣金加工的不同方式,对钣金加工工艺进行简单介绍与讨论。
所谓电子机械钣金加工主要是指对于一些电子设备中的钣金件比如机柜、控制台以及插件还有面板、导轨等器件的加工作业。
这些器件作为电子、电气模块中的载体,对于电子设备的整体性能有着较大影响。
因此这就要求我们应切实做好钣金件加工工艺的研究和应用工作。
1.冲压件加工工艺在电子机械钣金件加工过程中,冲压加工通常是指依据某种压力设备,利用专业模具对相应的板材进行加压和拉力作业,确保板材塑性成型的加工活动。
从某种程度上讲,模具是钣金加工作业过程中最为重要的一道“工序”,因此研究钣金加工工艺的本质实际是如何研究模具的使用。
1.1模具走刀方向以及加工次序在进行钣金加工作业过程中,多选择先小后大、先圆后方以及先里后外的加工次序。
如果在作业过程中,没有成型的专业模具,那么可将切边作为最后一道工序。
这样就可以确保在钣金件加工过程中,合理的安排模具排列顺序,方便日后的安装与使用。
另外如果有成型的专业模具,像导向槽或者是桥形等,就须要“先切边,后模具”的方式,以便板材在加工过程中所受到的阻力最小。
1.2选择模具在对钣金件加工作业过程中,选择合适模具十分重要。
而选择的内容包括上下模间隙、模具工位以及模具类型等。
应该说,选择合适的加工模具能够很好的降低和缩短模具设置时间以及设备运行时间,并能有效提高板材利用效率,实现在提高生产效率的同时,降低相应的加工成本。
(1)选择模具类型。
有些设备上的钣金件零件,可以利用专业模具实现一次冲载成形。
比如某些设备上的φ10mm圈可以通过专业的φ10mm模具一次成形。
但大部分零件都需要通过多次冲裁或者是步冲才能成形,这就会涉及到怎样选择加工方式或者加工模具。
钣金冲压工艺性优化
一、目的:
为进一步规范钣金冲压工艺性,优化产品设计中非产品功能需要的工艺,进而尽可能的降低成本,推进“面向制造的设计”工作的开展。
二、性质:满足产品功能需要前提下的工艺优化
三、适应范围:车身所有冲压件的工艺性(除底盘件)
四、内容:
I、冲裁基本工序
1.弯曲
1.1弯曲应该在靠近弯曲处设定正负半度以补充弯曲后的回弹。
1.2同一平面有多重弯曲时,应设置相同的弯曲方向。
1.3避免在大钣金件上设置小弯曲。
1.4低碳钢钣金件上,弯曲半径R≥1T,不锈钢等高强钢板R≥3T
2.扩孔
2.1两个扩孔边缘之间的距离L:L≥8T。
2.2扩孔边缘与件边缘之间的距离L:L≥4T。
2.3扩孔边缘与弯曲、翻边之间的距离L:L≥4T+R。
2.4扩孔边缘与成形状之间的距离L:L≥4T+R。
3.锥形孔
3.1最大深度L沿着硬件的角度方向满足,L≤3.5T。
3.2硬件与锥形孔的接触必须在50%以上。
3.3两锥形孔边缘之间的距离L:L≥8T。
3.4锥形孔边缘与弯曲、翻边部分之间的距离L:L≥4T+R。
4.凹点
4.1最大半径Rmax≤6T,其最大深度H≤0.5R凹内。
4.2凹点与孔的距离L: L≥3T+R凹内。
4.3凹点与材料边缘的距离L: L≥4T+R凹内。
4.4凹点边缘与弯曲的距离L: L≥2T+R凹内+ R弯
4.5两凹点之间的距离L: L≥4T+R凹内1+ R凹内2
5.凸座
5.1最大半径Rmax≤6T,其最大深度H≤0.5R凸内。
5.2凸点与孔的距离L: L≥3T+R凸内。
5.3凸点与材料边缘的距离L: L≥4T+R凸内。
5.4凸点边缘与弯曲的距离L: L ≥2T+R 凸内+ R 弯5.5两凸点之间的距离L: L ≥4T+R 凸内1+ R 凸内25.6V 形凸座的最大高度H: H ≤3T 。
6.翻边(包括翻孔)
6.1
不带缺口翻边部分的宽度W:W ≥2.5T+R 翻消除翻边应力的工艺缺口处翻边部分的宽度W:W ≥2T+R 翻翻边形式如下: A 形式不可取,宽度太窄;C 形式工艺性好,优先采用。
C 形式与产品要求干涉时,采用B
形式工艺进行优化。
6.4翻边工艺缺口:是否需要加工艺缺口取决于翻边宽度和R 的比值(如下图)
6.5翻孔:最大翻孔高度按公式 Hmax=0.5D(1-K fmin)+0.43r d
+0.72t
7.圆孔
7.1孔直径φ:一般钢板φ≥1T ;不锈钢等高强度钢板φ≥2T 。
7.2两孔边缘之间的距离L :一般钢板L ≥2T ;不锈钢等高强钢板L ≥3T 。
7.3
孔边缘与制件边缘之间的距离L :孔的直径10T ≥φ≥5T,应是L ≥2T ;孔的直径φ≤5T ,应是L ≥1.5T
R
7.4孔边缘与翻边内表面之间的距离L :L ≥2T+R。
如下示意图
7.5孔的边缘与成形状结构(例如弯曲面)之间的距离L :L ≥
3T+R
7.6为节省冲压工序(TR+PI 能在一序完成);保证冲孔质量(尤其是焊接定位孔),考虑到冲头及固定座的宽度对压料板强度的影响,孔中心距外边缘的距离D :D >L 1
/2 +20mm
当然,
则只有通过牺牲成本增加模具工序来满足定位孔的需要8.半冲孔
8.1孔半径R :一般钢板R ≥1T ;不锈钢等高强度钢板R ≥2T 。
8.2两半冲孔边缘之间的距离L :一般钢板L ≥3T ;不锈钢等高强钢板L ≥5T 。
8.3
孔边缘与制件边缘之间的距离L :孔的直径10T ≥R ≥5T,应是L ≥2T ;孔的直径R ≤
5T,应是L≥1.5T。
8.4半冲孔边缘与翻边内表面之间的距离L:L≥2T+R。
8.5半冲孔边缘与成形状结构边缘之间的距离L:L≥3T+R。
9.方孔
9.1方孔的宽度w:w≥1T。
9.2两方孔边缘之间的距离L:一般钢板≥2T;不锈钢等高强钢板L≥3T。
9.3方孔边缘与边缘的距离L:10T>w,应是L≥2T;方孔的直径w≥10T,应是L≥4T。
9.4方孔边缘与翻边内表面之间的距离L:L≥2T+R
9.5方孔边缘与成形状结构边缘之间的距离L:L≥3T+R
9.6方孔的长宽比例D满足:D≤2.5
10.切舌
10.1开口切舌的宽度W: w≥2T;其长度L:L≤5W。
10.2闭口切舌的宽度W: w≥2T。
在45度角时,其最大高度H:H≤5T。
10.3切舌与平行面上的翻边之间的距离L:L≥8T+R翻。
10.4切舌与垂直面上的翻边之间的距离L:L≥10T+R翻。
10.5切舌与孔之间的距离L:L≥3T。
11.冲缺口
11.1缺口宽度W: w≥T
11.2直的和以圆弧结尾的缺口的长度L: L≤5W。
11.3V形缺口的长度L:L≤2W。
11.4缺口与平行面上的翻边之间的距离L: L≥8T+R翻。
11.5缺口与垂直面上的翻边之间的最小距离应为三倍的材料厚度加上翻边的半径。
11.6缺口与缺口之间的最小距离应为两倍的材料厚度或者3。
2毫米,以两者中大的一项为
准。
12.加强筋
12.1加强筋的内半径R:R≤3T;其高度H:H≤R。
12.2加强筋的中线与孔边缘之间的距离L:L≥3T+R内。
12.3加强筋的中线与垂直面边缘之间的距离L:L≥4T+R内。
(特殊情况下允许,但产品有
缺陷,需产品确认)
12.4加强筋的与平行面边缘之间的距离L:L≥8T+R内。
12.5加强筋的与垂直于加强筋之间的翻边的距离L:L≥2T+R内+ R翻
12.6两平行加强筋之间的距离L:L≥10T+R内。
12.7在产品功能允许的情况下,尽量避免在加强筋的情况下翻边(会有起皱缺陷),可以考虑采用增加三角筋来保证产品功能
II.冲压过程
1.拉伸
在满足产品功能性要求的前提下,应做到
1.1尽量减少拉伸深度:浅拉伸深度可能避免使用高价的高性能材料,减少废料,减少工续,从而减少模具和生产成本。
问题点:拉延深度太深,导致无法成型,遇到此情况需做分件处理。
这样就会导致产品的强度很难保证;生产的复杂程度增加!建议产品造型阶段就要充分考虑到冲压件的成型性1.2尽量增大R角:比较大的R角可能减轻产品局部变形程度,减少缩颈、开裂几率,从而提高产品质量,降低生产成本
1.3拔模角:在功能性允许的情况下尽量增大拔模斜度,以利于产品成型和拔模方便
1.4拉伸负角:
有负角的件不可能一次拉伸完成,负角部分会需要额外的模具和压机,成本上升是很显著的,所以应尽量避免。
2、修边、冲孔(主要考虑修边刀口和冲头的布置空间、刀口的强度和尽可能使修边冲孔工序减少方面)
2.1刀口或冲头强度不够类:
问题点:原零件的缺口太低,导致侧修时刀口宽度太薄强度不够。
按红色曲线增加缺口的话就可以在布置刀口的时候增加宽度进而增加刀口强度
问题点:缺口离R 角太近导致布置修边刀口时宽度不够进而导致刀口强度不够2.2
修边冲孔刀口布置困难类:
图一问题点:形状复杂需多次修边且修边方向很难确定,修边质量也很难保证
图二问题点:孔间距太近,导致冲头布置困难且孔的质量很难保证
针对此类问题,在产品造型阶段就应该充分考虑到工艺的可行性,如果能通过其他简单的结构形式能满足功能需要,应避免此种结构。
如果确实没有更优的结构而必须采用此类结构时,则会造成产品工序多;模具造价高;产品质量难保证的结果,产品设计部门必须对产品的质量给出定义,以利于后续工作的开展
图一
图二
2.3
对有一定斜度的面修边或冲孔
3、侧整
在很多情况下,由于零件形状要求仅一序拉伸无法达到要求,这样就需要整形工序,但在侧整时要注意以下内容:
a 、侧整时材料的机械性能如延伸率等
b 、零件侧整部位的R 角C 、零件侧整部位的斜度4、包边问题:
根据公司目前的工艺水平,包边采用压合模进行包边。
基于此,产品设计时应避免立面包边,
如下图:
5、造型不合理类
在做产品造型时应充分考虑到工艺的可行性,不能片面追求形状而忽略工艺,如:
模具寿命低
欢迎各位同仁提出宝贵意见(如有修改请用不同颜色字体标出)!。