冲压工艺分类介绍【全面解析】
- 格式:docx
- 大小:1.50 MB
- 文档页数:9
冲压原理分类冲压原理是指利用冲压设备对金属材料进行加工的一种方法。
根据冲压原理,可以将冲压工艺分为以下几类。
一、拉伸冲压拉伸冲压是一种常见的冲压工艺,通常用于制作薄壁杯形零件。
在拉伸冲压过程中,金属材料被拉伸到一定程度,从而形成所需的形状。
这种冲压方式可以使材料的形状发生明显变化,同时保持材料的厚度相对不变。
二、冲切冲压冲切冲压是指通过冲切模具将金属材料切割成所需形状的工艺。
在冲切冲压中,冲切模具通过对金属材料施加高压力,使材料发生断裂,从而得到所需的形状。
冲切冲压广泛应用于金属加工领域,可以用于制作各种零件,如螺丝、垫圈等。
三、弯曲冲压弯曲冲压是指通过对金属材料施加一定的力矩,使其发生弯曲变形的冲压工艺。
在弯曲冲压中,金属材料通常是通过模具上的弯曲角来实现弯曲的。
弯曲冲压广泛应用于制作弯曲形状的零件,如槽钢、角钢等。
四、拉伸弯曲冲压拉伸弯曲冲压是拉伸和弯曲两种冲压方式的结合。
在拉伸弯曲冲压中,金属材料先通过拉伸工艺形成一定的形状,然后再通过弯曲工艺将其弯曲成所需的形状。
拉伸弯曲冲压可以实现更加复杂的形状,广泛应用于汽车制造、家电制造等行业。
五、冲压成形冲压成形是指通过冲压设备对金属材料进行一系列的冲击和成形,从而得到所需的形状。
冲压成形通常需要多道工序,每道工序都需要不同的模具和冲压设备。
冲压成形具有高效、精准的特点,广泛应用于制造各种金属零部件。
冲压原理根据不同的加工方式可以分为拉伸冲压、冲切冲压、弯曲冲压、拉伸弯曲冲压和冲压成形等几类。
每种冲压方式都有其特点和适用范围,可以根据不同的需求选择合适的冲压工艺。
冲压技术在工业生产中起着重要的作用,能够高效、精确地制作各种金属零部件,提高生产效率和产品质量。
冲压工艺技术介绍冲压工艺是一种常见的金属加工方法,它通过将金属板材置于模具中,施加压力使其受力变形,最终获得所需的零件形状和尺寸。
冲压工艺广泛应用于汽车、电子、家电、机械制造等领域,对于生产大批量、高精度的零部件具有重要意义。
冲压工艺技术一般包括以下几个主要步骤:1. 设计模具:冲压工艺的第一步是设计出符合零件要求的模具。
模具通常分为上模和下模两部分,上模固定在冲床上,下模和上模组合起来形成一个闭合空腔。
2. 材料选择:根据零件的要求和应用场景,选择合适的金属材料进行冲压加工。
常见的材料包括钢板、铝板、铜板等。
材料的选择要考虑到零件的机械性能、耐腐蚀性等因素。
3. 材料切割:在冲压加工之前,需要将金属板材按照零件形状进行切割。
常见的切割方法包括剪切、火花切割和激光切割等。
4. 冲压过程:将切割好的金属板材放入冲床中,通过冲击力将其压入模具空腔中。
冲床通常由一对上下冲头组成,上冲头与下冲头相互配合,使金属板材逐渐变形,直至满足零件形状要求。
5. 成型检验:冲压完成后,需要对成型的零件进行检验。
检验内容包括尺寸、形状、表面质量等方面。
如果不符合要求,需要对冲压工艺进行调整或修正。
冲压工艺技术的优点在于:1. 高效生产:冲压工艺适用于大批量生产,能够快速、连续地完成零件的成型,提高生产效率。
2. 高精度:由于模具的精确设计和控制,冲压工艺能够获得高精度的零件形状和尺寸,满足产品的精度要求。
3. 多样化:冲压工艺适用于不同形状、尺寸的零件加工,能够生产出多种产品。
4. 材料节约:冲压工艺可以最大限度地利用材料,减少浪费。
总的来说,冲压工艺技术在现代制造业中发挥着重要作用。
它能够实现高效、高精度、多样化的零件生产,满足市场对于产品质量和工期的需求。
随着技术的不断发展,冲压工艺将继续提高其自动化、智能化水平,为工业生产带来更多的便利和效益。
冲压工艺技术在现代制造业中发挥着举足轻重的作用。
它是一种高效、精确的金属成形加工方法,适用于大批量生产,并能满足高精度和多样化的要求。
第1篇一、引言冲压工艺是一种重要的金属加工方法,广泛应用于汽车、家电、航空航天、电子信息等领域。
它利用冲压机械对金属板材进行塑性变形,从而获得所需的形状和尺寸。
冲压工艺种类繁多,根据不同的加工方式和特点,可以分为以下几类:二、冲压工艺种类及特点1. 单冲压单冲压是指将金属板材通过模具进行一次冲压,获得所需形状和尺寸的加工方法。
单冲压工艺简单、设备投资少,适用于小批量生产。
其特点如下:(1)加工精度高:单冲压工艺能够保证零件的尺寸精度和形状精度,适用于对精度要求较高的零件加工。
(2)生产效率高:单冲压工艺生产周期短,能够满足生产节奏。
(3)设备投资少:单冲压设备简单,投资成本低。
2. 双冲压双冲压是指在单冲压的基础上,增加一次冲压,对金属板材进行二次塑性变形的加工方法。
双冲压工艺能够提高零件的精度和尺寸稳定性,适用于大批量生产。
其特点如下:(1)加工精度高:双冲压工艺能够提高零件的尺寸精度和形状精度,满足更高精度要求。
(2)尺寸稳定性好:双冲压工艺能够提高零件的尺寸稳定性,减少零件的变形。
(3)生产效率高:双冲压工艺生产周期短,适用于大批量生产。
3. 深冲压深冲压是指将金属板材在模具中形成一定深度和形状的加工方法。
深冲压工艺适用于加工形状复杂、深度较大的零件。
其特点如下:(1)加工精度高:深冲压工艺能够保证零件的尺寸精度和形状精度。
(2)材料利用率高:深冲压工艺能够充分利用原材料,降低生产成本。
(3)生产效率高:深冲压工艺生产周期短,适用于大批量生产。
4. 轮廓冲压轮廓冲压是指将金属板材在模具中形成一定轮廓的加工方法。
轮廓冲压工艺适用于加工形状简单、轮廓清晰的零件。
其特点如下:(1)加工精度高:轮廓冲压工艺能够保证零件的尺寸精度和形状精度。
(2)材料利用率高:轮廓冲压工艺能够充分利用原材料,降低生产成本。
(3)生产效率高:轮廓冲压工艺生产周期短,适用于大批量生产。
5. 轴向冲压轴向冲压是指将金属板材沿轴向进行冲压的加工方法。
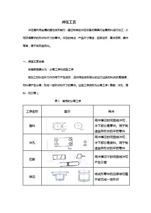
冲压工艺冲压是利用金属的塑性变形能力,通过安装在冲压设备的模具对金属板料进行加工,从而获得要求的形状和尺寸的零件。
冲压的特点:产品尺寸稳定,互换性好,高效低耗,操作简单,易于实现自动化。
一、冲压工艺分类按变形性质分为:分离工序和成型工序被加工材料在外力作作用下产生变形,但作用在变形部分的应力达到材料的抗剪强度,材料便产生分离,形成一定形状和尺寸的零件。
这些工序统称为分离工序(剪裁,冲孔,落料,切口等)。
表1 常用的分离工序被加工材料在外力作用下,作用在变形部分的相当应力处于材料的屈服强度与抗拉强度之间,材料仅仅产生塑性变形,形成一定形状和尺寸的零件。
这些工序统称为成型工序(弯曲,拉深,成形等)表2 常用的成型工序二、冲裁冲裁是利用模具使板料产生分离的冲压工序(落料,冲孔,切口等)。
其一般分为弹性变性阶段、塑性变形阶段和断裂三个阶段。
剪切断面明显分为三个特征区:表4 断面特征表断层各带的大小随模具间隙、模具结构和刃口状态等因素有关。
1.断裂带2.光亮带3.圆角带图1 间隙与断面关系图可以从图中看出:1.间隙过小光亮带出现间断,且中间有毛刺出现,冲裁质量一般,严重时会在光亮带上产生撕裂;2.间隙过大光亮带很窄,严重时几乎消失,而断裂带很大,毛刺很大,极易产生撕裂。
根据经验方法可以确定最小合理间隙值:软材料:t<1mm C=(6%-8%)t t为料厚,C为间隙t=1-3mm C=(10%-15%)tt=3-5mm C=(15%-20%)t硬材料:t<1mm C=(8%-10%)tt=1-3mm C=(11%-17%)tt=3-5mm C=(17%-25%)t设计和制造模具应注意几个基本原则:⑴.设计落料模时,以凹模为准,间隙取在凸模上;设计冲孔模时,以凸模为准,间隙取在凹模上。
⑵.设计落料模时,凹模公称尺寸应取零件公差范围内的较小尺寸;设计冲孔模时,凸模公称尺寸应取零件孔的尺寸范围内的较大尺寸。
冷冲压模具工艺是一种金属加工方法,其主要针对金属材料,通过冲床等压力设备迫使材料发生形变或分开,以得到满足实际要求的产品零件,简称:冲压件。
模具的冲压工序有很多种情况,对此很多朋友表示不太理解,在这里小编给大家总结最常见冲压工序。
如下:1、冲裁将材料进行分离的一种冲压工序的总称。
其包括有:落料、冲孔、冲缺、冲槽、剖切、凿切、切边、切舌、切开等2、下外形主要是裁切掉材料外围一圈多余材料而达到符合尺寸要求的冲压工序3、切舌把材料中某一部分进行切开一个口子,但并非全部切完,常见为长方形只切三边而保留一边不动,主要作用为定步距。
4、扩口此工序不常见,多为管状零件需要将端部或某处向外扩大为喇叭状的情况5、缩口与扩口刚好相反,是将管状零件需要将端部或某处向内缩小的一种冲压工序6、冲孔为了得到零件中的空心部分,将完整材料中间通过冲头与刀口将材料进行分离后得到相应的孔形尺寸7、精冲当冲压件需要断面质量为全光亮带时,就可以称为“精冲”(注:普通冲裁断面分:塌角带、光亮带、断裂带、毛刺区四部分)8、全光亮冲裁与精冲不同的是全光亮冲裁必须在一步冲裁中得到全光亮带而精冲不是9、深孔冲裁当产品中的孔径小于材料厚度的时候就可以理解为深孔冲裁,其冲压难度表现为冲头易断10、打凸包在平板材料上打出一个凸起而起到相应使用要求的工序11、成形很多朋友把成型理解成折弯,这是不严谨的。
因为折弯是成型中的一种类型,成型时指所有流动性材料工序的总称12、折弯将平板材料通过凸、凹模镶件进行塑性变形后得到相应角度、形状的一种常规工序13、压筋此一般用于尖角折弯成型镶件内,主要是通过将折弯位置材料打出凸坑以降低材料回弹,保证角度稳定的一种结构14、压花在材料表面通过冲头压出特殊图案的一种工序,常见有:压字、麻点等15、卷圆成型工艺的一种,是通过将产品外形卷曲成圆形的一种工序16、翻孔将冲压件内孔进行外翻而得到一定高度的侧边的工序17、校平主要针对产品平面度要求较高的情况,当冲压件由于应力出现平面度超差时就需要采用校平工序进行校平18、整形当产品成型完成后,角度、形状并非理论尺寸时就需要考虑加一部工序进行微调来保证角度稳定,这种工序就称为“整形”19、拉深通常指将平板料通过方法得到空心零件的过程称为拉伸工序,主要通过凸、凹模来进行完成20、连续拉深通常指在一个料带中,通过一副或几幅模具将同一位置的材料多次拉伸而形成的一种拉伸工艺21、变薄拉深连续拉伸、深拉伸都属于变薄拉伸系列,指拉伸后的零件壁厚会少于材料本身的厚度22、拉延其原理与凸包类似,都是将材料打凸。
冲出高品质:冲压工艺简介
冲压工艺是指利用冲压模具和冲压设备,将原材料放入模具中,
在模具关闭的情况下,以压力对原材料进行力的作用,使原材料产生
塑性变形和分离,从而制成所需形状的零部件的制造加工技术。
它是
一种高速、高效且经济的制造技术,能够制造出尺寸精度高、重量轻、成本低、强度高、使用寿命长、外观精美的零部件。
冲压工艺广泛应
用于汽车、电子、家用电器、航空航天、军工等领域。
冲压工艺主要分为冲裁和成形两大类。
冲裁是通过切割、开槽等
方式加工出平面或曲线形状的零件,广泛应用于汽车、电子、家用电
器等行业。
成形是通过对材料的塑性变形,将材料变成所需要的形状,多适用于制造薄壁构件和型材零部件。
冲压工艺的优点在于可以高速、高效地批量生产出各种形状、尺
寸各异的零部件,减少了人工操作误差和能耗,提高了生产效率和产
品质量。
不过,冲压工艺需要配备一系列冲压设备和模具,并需要经
过调试和质量控制才能保证产品品质。
此外,冲压工艺对原材料的机
械性能要求较高,所以选材很关键。
冲压工艺的发展,离不开材料科学、表面工程等多个领域的支持和创新。
对于初学者来说,学习冲压工艺可以从以下几个方面入手:1.了
解冲压工艺的基础知识和操作规程;2.学习冲压工艺的原材料特性、
工艺参数及其对成形质量影响的基本原理;3.学习冲压工艺设备和模
具的基本结构和使用方法;4.了解冲压工艺的常见缺陷及其防控措施,不断提高质量和效率。
冲压工艺基础知识简介冲压工艺是一种通过模具对金属板材进行变形加工的方法,广泛应用于汽车、航空航天、电子等行业。
冲压工艺可以高效地生产出形状复杂、尺寸精度高的零部件,并具有高生产效率、低成本等优点。
本文将介绍冲压工艺的基础知识,包括冲压工艺的分类、工艺流程以及常见的冲压缺陷等内容。
冲压工艺的分类根据冲压过程中是否改变工件厚度的方式,冲压工艺可以分为冷冲压和热冲压两种类型。
冷冲压冷冲压是指在常温下进行的冲压工艺。
其主要优点是工件的尺寸精度高、表面质量好、成本低。
冷冲压适用于处理普通的金属板材,如钢板、铝板等。
热冲压热冲压是指在加热状态下进行的冲压工艺。
加热可以使金属板材的塑性增大,从而提高冲压过程中的变形能力。
热冲压适用于处理高强度钢板等特殊材料。
冲压工艺流程冲压工艺通常包括以下几个步骤:设计模具、切割材料、成形、清洁和涂装。
设计模具设计模具是冲压工艺的第一步,它决定了最终产品的形状和尺寸。
模具通常由上下两部分组成,上模和下模。
上模固定在压力机的上部,下模固定在压力机的下部。
当上下模合上时,工件位于模具的中间位置。
切割材料在冲压工艺中,首先需要切割出合适尺寸的金属板材。
常用的切割方法包括剪切和切割机。
剪切是通过剪刀式刀具对金属板材进行切割,切割机则是通过旋转锯片或刀片对板材进行切割。
成形成形是冲压工艺的核心步骤,通过对金属板材施加力和压力,使其变形成模具所需的形状。
常见的成形方法包括拉伸、压制、弯曲等。
清洁和涂装在完成成形后,工件通常需要进行清洁和涂装,以提高表面质量和防止腐蚀。
清洁可以通过酸洗、脱脂等方法实现,涂装可以采用喷涂、电镀等方式进行。
常见的冲压缺陷在冲压过程中,常常会出现一些缺陷问题,影响产品的质量和可靠性。
以下是几种常见的冲压缺陷:凹陷凹陷是指在冲压过程中出现的凹痕或凹洞。
凹陷通常是由于材料的屈服限制或模具设计不当引起的。
裂纹裂纹是指在冲压过程中出现的裂痕或断裂。
裂纹通常是由于过大的应力或材料的疲劳引起的。
常见冲压工艺
常见的冲压工艺包括以下几种:
1、冲裁:利用冲模使部分材料或工序件与另一部分材料、工件或废料分离的一种冲压工序。
2、切开:将材料沿敞开轮廓局部而不是完全分离的一种冲压工序。
3、切边:利用冲模修边成形工序件的边缘,使之具有一定直径、一定高度或一定形状的一种冲压工序。
4、切舌:将材料沿敞开轮廓局部而不是完全分离的一种冲压工序。
5、堵截:将材料沿敞开轮廓分离的一种冲压工序,被分离的材料成为工件或工序件。
6、扩口:将空心件或管状件敞开处向外扩张的一种冲压工序。
7、冲孔:将废料沿封闭轮廓从材料或工序件上分离的一种冲压工序,在材料或工序件上获得需要的孔。
8、冲缺:将废料沿敞开轮廓从材料或工序件上分离的一种冲压工序,敞开轮廓形成缺口,其深度不超过宽度。
9、冲槽:将废料沿敞开轮廓从材料或工序件上分离的一种冲压工序,敞开轮廓呈槽形,其深度超过宽度。
10、冲中心孔:在工序件上冲制中心孔。
11、压花:强迫材料局部表面压入模具型腔,造成凹凸花纹的一
种冲压工序。
12、扭弯:将平直或局部平直工序件的一部分相对另一部分扭转一定角度的冲压工序。
13、卷边:将工序件边缘卷成接近封闭圆形的一种冲压工序。
以上这些冲压工艺各有其特点和应用场景,选择适合的冲压工艺可以提高生产效率和产品质量。
冲压工艺的现状及其发展姓名:xxx 学号:xxx冲压工艺介绍:冲压是靠压力机和模具对板材、带材、管材和型材等施加外力,使之产生塑性变形或分离,从而获得所需形状和尺寸的工件(冲压件)的成形加工方法。
冲压和锻造同属塑性加工(或称压力加工),合称锻压。
冲压的坯料主要是热轧和冷轧的钢板和钢带。
全世界的钢材中,有60~70%是板材,其中大部分是经过冲压制成成品。
汽车的车身、底盘、油箱、散热器片,锅炉的汽包、容器的壳体、电机、电器的铁芯硅钢片等都是冲压加工的。
仪器仪表、家用电器、自行车、办公机械、生活器皿等产品中,也有大量冲压件。
冲压件与铸件、锻件相比,具有薄、匀、轻、强的特点。
冲压可制出其他方法难于制造的带有加强筋、肋、起伏或翻边的工件,以提高其刚性。
由于采用精密模具,工件精度可达微米级,且重复精度高、规格一致,可以冲压出孔窝、凸台等。
冷冲压件一般不再经切削加工,或仅需要少量的切削加工。
热冲压件精度和表面状态低于冷冲压件,但仍优于铸件、锻件,切削加工量少。
冲压是高效的生产方法,采用复合模,尤其是多工位级进模,可在一台压力机上完成多道冲压工序,实现由带料开卷、矫平、冲裁到成形、精整的全自动生产。
生产效率高,劳动条件好,生产成本低,一般每分钟可生产数百件。
冲压材料:冲压用材料与成形技术是冲压加工过程的两个重要组成部分。
冲压加工质量不仅与冲压工艺文案、模具结构及制造精度有关,还受冲压材料的直接影响而不同。
为了生产高质量冲压制件,必须正确选用合适的冲压材料。
但实际上,冲压用材料往往是根据其使用性能及其生产纲领所选定的,这时,则要求冲压工艺方案和模具结构必须与选定材料相适应。
因此,必须深入了解所用冲压材料的成形性能,才能正确制定冲压工艺方案并合理设计制造相应的冲压模具。
金属板料的化学成分、组织对塑性加工的影响,如随着含碳量增高,板料变硬变脆等。
冲压工艺的种类:冲压主要是按工艺分类,可分为分离工序和成形工序两大类。
分离工序也称冲裁,其目的是使冲压件沿一定轮廓线从板料上分离,同时保证分离断面的质量要求。
1、冲压工艺的分类分离工序、成形工序答:冲压工艺概括起来可以分为分离工序与成形工序;分离工序又可分为落料、冲孔和剪切等,目的是在冲压过程中使冲压件与板料沿一定的轮廓线互相分离;成形工序可分为弯曲、拉深、翻孔、翻边、胀形、缩口等,目的是使冲压毛坯在不破坏的条件下发生塑性变形,并转化成所需要的制件形状。
2、塑性的概念,影响塑性的因素答:所谓塑性,是指固体材料在外力作用下发生永久变形而不破坏其完整性的能力。
因素:变形金属本身的晶格类型、化学成分和组织形态、变形温度、变形速度和变形的力学状态。
3、金属塑性变形的规律答:(1)加工硬化:随着塑性变形程度的增加,其强度、硬度和变形抗力也将提高,塑性、韧性下降。
能提高变形均匀性。
材料、变形条件不同时,加工硬化程度也不同。
硬化指数:这种变化规律可近似用指数曲线表示。
nCεσ=n越大,材料变形抗力随变形程度的增加而迅速增加,同时不易出现局部的集中变形与破坏,有利于增大伸长类变形的成形极限和硬化指数。
(2)卸载弹性恢复规律和反载软化现象.(3)体积不变条件。
金属材料在塑性变形时,体积变化很小,可以忽略不计。
(4)最小阻力定律。
在塑性变形中,破坏了金属的整体平衡而强制金属流动,当金属质点有向几个方向移动的可能时,它向阻力最小的方向移动。
4、板料冲裁变形时的三个阶段答:弹性变形阶段、塑性变形阶段、断裂分离阶段。
5、冲裁断面的四个特征及四个特征的特点答:(1)、圆角带由弹性变形阶段产生初始塌角,其大小与材料塑性和模具间隙有关。
材料的塑性越好,凸、凹模的之间的间隙越大,形成的塌角越大。
主要是当凸模刃口刚压入板料时,刃口附近的材料产生弯曲和伸长变形,材料被带进模具间隙的结果。
(2)、光亮带该区域发生在塑性变形阶段,当刃口切口切入金属板料后,板料与模具侧面挤压而形成的光亮垂直的断面,剪切面质量最佳,通常占全断面的1/2~1/3。
(3)、断裂带该区域在断裂阶段形成,是由于刃口处产生的微裂纹在拉应力的作用下,不断扩展而形成的撕裂面。
冲压工艺分类介绍
内容来源网络,由“深圳机械展(11万㎡,1100多家展商,超10万观众)”收集整理!
更多cnc加工中心、车铣磨钻床、线切割、数控刀具工具、工业机器人、非标自动化、数字化无人工厂、精密测量、3D打印、激光切割、钣金冲压折弯、精密零件加工等展示,就在深圳机械展.
一、冲压产品的工艺分类
1、基本工序分类
冲压工艺按其变形性质可以分为材料的分离与成型两大类。
分离工序是指坯料在冲压力的作用下,变形部位的应力达到抗拉强度以后,是坯料发生断裂而产生分离,从而获得所需形状与尺寸的工件的冲压工序。
成型工序是指坯料在冲压力的作用下,变形部位的应力达到屈服点,但未达到抗拉强度,使坯料产生塑性变形而不发生断裂分离,从而获得所需形状与尺寸的工件的冲压工序。
2、分离工序的类别
分离工序按照其不同的变形机理分为冲裁、整修两大类。
冲裁:指用模具沿沿一定的曲线或直线冲切板料(包括以下几类)
整修是对冲裁件的断面部分进行再加工的分离加工方法,整修变形是一种切削机理,其工件的尺寸精度和断面质量比冲裁件好。
3.成型工序的类别
成型工序较多,包括:弯曲、拉深、翻边、胀形和挤压工艺等。
(具体如下:)
二、冲裁
1、冲裁产品的形态与成型过程介绍
冲裁产品的形态。
冲裁产品的的断面分为:塌角、光亮带、断裂带、毛刺,这四种形态是在产品冲裁过程中于不同的阶段,不同的部位、不同的应力作用下产生的。
如上图,1塌角:高度约等于8%T至15%T ;2.光亮带:高度约等于15%T至55%T ;3.断裂带:高度约等于35%T至75%T ;4.毛刺:高度约等于5%T至10%T
1)弹性变形阶段
受力分析:刃口部分材料受剪切力,力的大小小于弹性极限,若力消失,则材料恢复原始状态。
状态描述:凸模施加压力于材料,材料略挤入凹模刃口。
2)塑性变形阶段
受力分析:材料受力由边及中心,逐渐超过弹性极限
状态描述:凸模进一步深入材料,在本阶段冲裁件产生塌角以及光亮带
3)剪裂阶段
受力分析:材料靠近凹模刃口的部分应力首先达到材料的抗剪切强度,使凹模刃口旁边的材料产生的裂纹增大。
而此时凸模刃口部分材料还处于塑性变形阶段,随着冲头的进一步深入材料,冲头附近材料也达到剪切强度,也产生裂纹,再往后两裂纹重合,材料分离。
状态描述:材料分离,上下裂纹重合时相互撕扯产生毛刺
内容来源网络,由深圳机械展收集整理!
更多激光钣金及冲压自动化工艺展示,就在深圳机械展.金属板材加工展区/激光精密加工应用展区。