新员工三级安全教育卡新版
- 格式:docx
- 大小:11.60 KB
- 文档页数:2
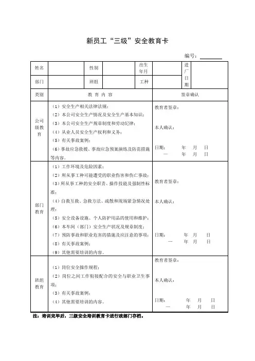
新员工“三级”安全教育卡
编号:
姓名性别出生
年月
进
厂
日
期
部门班组工种
类别教育内容签章确认
公司级教育(1)安全生产相关法律法规;
(2)本公司安全生产情况及安全生产基本知识;
(3)本公司安全生产规章制度和劳动纪律;
(4)从业人员安全生产权利和义务;
(5)有关事故案例;
(6)事故应急救援、事故应急预案演练及防范措施
等内容。
教育者签章:
本人确认:
日期:年月日
—年月日
部门教育(1)工作环境及危险因素;
(2)所从事工种可能遭受的职业伤害和伤亡事故;
(3)所从事工种的安全职责、操作技能及强制性标
准;
(4)自救互救、急救方法、疏散和现场紧急情况处
理;
(5)安全设备设施、个人防护用品的使用和维护;
(6)本车间(部门)安全生产状况及规章制度;
(7)预防事故和职业危害的措施及应注意的事项;
(8)有关事故案例;
(9)其他需要培训的内容。
教育者签章:
本人确认:
日期:年月日
—年月日
班组教育(1)岗位安全操作规程;
(2)岗位之间工作衔接配合的安全与职业卫生事
项;
(3)有关事故案例;
(4)其他需要培训的内容。
教育者签章:
本人确认:
日期:年月日
—年月日
注:培训完毕后,三级安全培训教育卡送行政部门存档。
新职工三级安全教育卡(完整版)新员工三级安全教育卡是一项重要的安全管理制度,它记录了员工的基本信息和安全教育情况。
在入厂时,员工需要填写该卡,并接受三级安全教育培训,以确保其能够安全地进入工作岗位。
第一部分:入厂时的安全教育在入厂时,员工需要填写个人信息,包括姓名、性别、出生年月、家庭住址、原工作单位和岗位等。
此外,员工还需要填写所从事工种的职业危害因素和原工作单位的安全生产情况。
这一部分的安全教育内容包括本单位安全生产情况、安全生产规章制度、从业人员的安全生产权利和义务、事故应急救援、职业危害因素及防治措施等。
员工需要接受一定的课时,并参加考试,以确保其对安全教育内容的理解和掌握。
第二部分:工作岗位的安全教育在进入工作岗位之前,员工需要接受班组级的安全教育培训。
该部分的安全教育内容包括工作环境和危险因素、可能遭受的职业伤害和伤亡事故、安全职责和操作技能、自救互救、急救方法、疏散和现场安全教育、安全设备设施和个人防护用品的使用和维护、本车间的安全生产状况和规章制度、预防事故和职业危害的措施和应注意的安全事项等。
员工需要接受一定的课时,并参加考试,以确保其对安全教育内容的理解和掌握。
第三部分:班组级的安全教育在进入工作岗位之后,员工需要接受班组级的安全教育培训。
该部分的安全教育内容包括岗位安全操作规程、岗位之间工作衔接配合的安全与职业卫生事项、有关事故案例及其他需要培训的内容。
员工需要接受一定的课时,并参加考试,以确保其对安全教育内容的理解和掌握。
最后,企业负责人需要对员工的安全教育情况进行评估,并根据评估结果决定是否安排员工上岗。
注意事项包括:新员工入厂后需要领取本登记卡,并接受三级安全教育培训;考试不合格者不准独立操作;安全生产教育培训需要达到80分合格标准,考核方式包括笔试、问答、实际操作等。
初入职员三级安全教育卡(完整版)
1. 引言
您好!欢迎加入我们的公司。
为了保障您的个人安全和提供一个安全的工作环境,我们为新入职员工准备了三级安全教育课程。
此教育卡包含了重要的安全指导和知识,帮助您了解如何在工作中避免危险和事故的发生。
2. 三级安全教育卡内容
2.1. 第一级安全教育
- 公司安全政策和目标
- 应急报警程序和紧急撤离路线
- 工作场所的常见安全风险和防范方法
- 工作设备和工具的正确使用和维护方法
- 安全标识和标志的含义和应用
2.2. 第二级安全教育
- 个人防护用品的选择和使用
- 紧急救援程序和应急处理技能
- 避免火灾和爆炸等危险因素的方法
- 安全操作程序和规定
2.3. 第三级安全教育
- 安全培训课程和资源的提供
- 文明办公和职业道德的重要性
- 特殊场所和设备的安全操作方法
- 事故报告和调查程序
- 安全文化的建立和维护
3. 研究和考核方式
- 研究和消化教育卡上的内容
- 在指定时间内完成安全知识测试
- 通过考核后,将获得安全合格证书
4. 建议和注意事项
- 阅读教育卡上的内容并牢记其中的重要信息
- 如果有任何安全问题或疑虑,请及时与主管或安全管理员联系
- 在工作中始终保持警惕和遵守安全规定
感谢您对公司安全教育的重视和支持!通过研究、遵守和应用这份安全教育卡中的知识,我们相信您将能够保护自己和他人,共同营造一个安全的工作环境。
请在指定时间内完成安全知识测试,并祝您在未来的工作中一切顺利!。
新入职员工 ・必须安全三级教育: 1、厂级教育 2、车间教育 3、班组教育。
培训对象新入职员工上岗前必须《安全三级教育》员工签名1环境与职业健康安全管理生产方针、安全生产的意义。
234567892.车间级安全教育 (由车间组织教育培训8小时)员工签名12343.班组级安全教育 (由本岗位班组长组织教育培训8小时)员工签名1234注意:1、培训人必须认真培训每个新员工,以防安全事故发生。
2、培训后要有员工签名认可。
如:没培训可不签名。
与本岗位相关的安全生产知识、安全操作规程和安全操作方法。
本岗位生产设备、安全防护措施、作业场所安全检查和常见故障的排除方法。
应急知识及培训 新入职员工由公司安全部组织《厂级安全教育》,分到车间由车间组织《车间级安全教育》,分到班组由负责人组织《班组级安全教育》;各项培训考核完后交安全部备案存档讲师签名车间特殊危险场所、危险部位、安全防护的重点。
应急知识及培训对象教育内容员工的意见、评价讲师签名新入职人员对象教育内容新入职人员新入职人员员工的意见、评价作业场所和工作岗位存在的危险因素及其可造成的危害后果、防范措施及事故应急措施;事故案例等。
本岗位存在的危险因素及其可造成的危害后果、防范措施及事故应急措施;事故案例等。
车间安全生产状况、特点、要求和规章制度。
本单位安全生产的基本情况、特点及要求,生产中的危险有害因素及其可造成的后果,特殊危险场所、危险部位、安全防护的重点部位。
讲师签名有关环境与职业健康安全管理法规;从业人员安全生产方面的权利与义务。
消防安全“四懂、四会”及“四个能力”培训。
反恐知识应知应会培训。
名字入职日期工号部门新员工入职三级安全教育记录卡安全生产规章制度;劳动纪律。
作业场所和工作岗位存在的危险因素的防范措施及事故应急措施;有关事故案例等。
使他们对生产中所存在的危害有一个基本了解,使他们对安全生产有一个基本的认识,树立自觉遵章守纪的纪律意识。
应急知识及培训1.厂级安全教育 (由公司安全部组织教育培训8小时)对象教育内容员工的意见、评价。