新员工三级安全教育卡完整版
- 格式:docx
- 大小:458.12 KB
- 文档页数:3
初入职员三级安全教育卡(完整版)
1. 引言
您好!欢迎加入我们的公司。
为了保障您的个人安全和提供一个安全的工作环境,我们为新入职员工准备了三级安全教育课程。
此教育卡包含了重要的安全指导和知识,帮助您了解如何在工作中避免危险和事故的发生。
2. 三级安全教育卡内容
2.1. 第一级安全教育
- 公司安全政策和目标
- 应急报警程序和紧急撤离路线
- 工作场所的常见安全风险和防范方法
- 工作设备和工具的正确使用和维护方法
- 安全标识和标志的含义和应用
2.2. 第二级安全教育
- 个人防护用品的选择和使用
- 紧急救援程序和应急处理技能
- 避免火灾和爆炸等危险因素的方法
- 安全操作程序和规定
2.3. 第三级安全教育
- 安全培训课程和资源的提供
- 文明办公和职业道德的重要性
- 特殊场所和设备的安全操作方法
- 事故报告和调查程序
- 安全文化的建立和维护
3. 研究和考核方式
- 研究和消化教育卡上的内容
- 在指定时间内完成安全知识测试
- 通过考核后,将获得安全合格证书
4. 建议和注意事项
- 阅读教育卡上的内容并牢记其中的重要信息
- 如果有任何安全问题或疑虑,请及时与主管或安全管理员联系
- 在工作中始终保持警惕和遵守安全规定
感谢您对公司安全教育的重视和支持!通过研究、遵守和应用这份安全教育卡中的知识,我们相信您将能够保护自己和他人,共同营造一个安全的工作环境。
请在指定时间内完成安全知识测试,并祝您在未来的工作中一切顺利!。
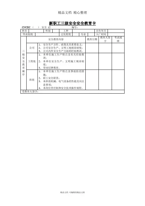
新员工三级安全教育卡
编号:
单位部门班组
姓名性别年龄文化健康籍贯操作证号
厂部级教育
教育内容
教育日期
和学时
(一)本单位安全生产情况及安全生产基本知识;
(二)本单位安全生产规章制度和劳动纪律;
(三)从业人员安全生产权利和义务;
(四)有关事故案例等。
教育人
签字
受教育人
签字
部门级教育
教育内容
教育日期
和学时
(一)工作环境及危险因素;
(二)所从事工种可能遭受的职业伤害和伤亡事故;
(三)所从事工种的安全职责、操作技能及强制性标准;
(四)自救互救、急救方法、疏散和现场紧急情况的处理;
(五)安全设备设施、个人防护用品的使用和维护;
(六)本车间(工段、区、队)安全生产状况及规章制度;
(七)预防事故和职业危害的措施及应注意的安全事项;
(八)有关事故案例;
(九)其他需要培训的内容。
教育人
签字
受教育人
签
字
班组教育
教育内容
教育日期
和学时
(一)岗位安全操作规程;
(二)岗位之间工作衔接配合的安全与职业卫生事项;
(三)有关事故案例;
(四)其他需要培训的内容。
教育人
签字
受教育人
签
字
考试成绩招生部门意见。
一级安全培训试题
员工三级安全教育卡
编号:
姓 名
健康状况
性别 工种 年龄 文化程度 进厂时间
来源 教育内容: 1、本单位安全生产情况及安全生产基本知识; 2、本单位安全生产规章制度和劳动纪律; 3、从业人员安全生产权利和义务; 4 、本企业环境和危险源介绍。
5、有关事故案例分析; 6 、希望和要求。
执教者签字: 年 月 日
教育内容: 1、作业场所和工作岗位存在的危险危害因素、防范措施及应急措施;
2、作业场所可能遭受的职业伤害和伤亡事故;
3、本车间安全生产状况和规章制度; 4 、本车间安全职责、操作技能及强制性标准; 5、自救互救、急救方法、疏散和现场紧急情况的处理; 6、车间安全设备设施、个人防护用品的使用和维护; 7、预防事故和职业危害的措施及安全生产基本知识; 8 、 有关事故案例等; 9 、希望和要求。
执教者签字: 年 月 日 教育内容: 1、本班组特点:危险区域和设备状况,注意问题; 2、本工种安全操作规程和岗位责任; 3、岗位之间工作衔接配合的安全与职业卫生事项; 3、生产设备安全装置、劳动防护用品(用具)的性能及正确使用方法; 4 、有关事故案例等。
执教者签字: 年 月 日 公
司
级
教
育 班
组
级
教
育
车
间
级
教
育
一级安全培训试题
培训体会:
受教育员工签字:年月日
说1、凡本公司员工(新进厂人员、变换工种、复工人员)需填写此卡,复工和变换工种人员只进行车间、班组教育;明2、三级教育结束并签字后将本卡交到安全部存档,合格后凭此卡领取防护用品进入工作岗位。