最新新工人入场三级安全教育卡
- 格式:doc
- 大小:26.50 KB
- 文档页数:2
( 安全管理 )单位:_________________________姓名:_________________________日期:_________________________精品文档 / Word文档 / 文字可改施工人员入场三级安全教育卡(新版)Safety management is an important part of production management. Safety and production are inthe implementation process施工人员入场三级安全教育卡(新版)公司级(总包项目部)安全教育内容进行安全基本知识、法规、法制教育、主要内容是:1、严格执行国家有关法律法规、安全生产法规、地方管理条例。
(《法律告知函》)2、企业概况、本行业生产特点、及安全生产的意义;本项目安全生产形势,企业内外历史上发生的重大事故及应吸取的教训。
(《云南华广新科技有限公司安全生产告知书》《云南华广新科技有限公司安全生产禁令》)3、企业施工过程中的安全生产规章制度,安全纪律。
(《云南华广新科技有限公司施工现场安全管理制度》《云南华广新科技有限公司安全生产奖罚制度》《动火审批流程》等)4、本企业应急预案及应急流程、防高坠、防打击、防火、防触电、防垮塌的基本常识和事故的应急措施及急救措施;发生事故后的抢救、报告和保护现场规定等。
(《云南华广新科技有限公司应急预案》)5、本工程施工现场的基本情况及周边环境情况。
6、本工程的危险因素及重大危险源,危害后果及防范措施(《施工现场安全管理策划》)7、宿舍管理的相关要求。
(《宿舍管理制度》)。
教育人签名受教育人签名年月日云博创意设计MzYunBo Creative Design Co., Ltd.。
新工人三级安全教育记录卡一、背景介绍新工人在进入工作岗位之前,需要进行一系列的安全教育培训,以提高其安全意识和技能,减少工作中发生的事故。
其中,三级安全教育是较为基础的一级教育,主要包括安全意识、生产作业技能以及操作规程等内容。
为了做好新工人三级安全教育的记录工作,方便对其进行跟踪和评估,可以制定新工人三级安全教育记录卡。
二、记录内容1.姓名:记录新工人的姓名,以便对其进行个别管理和沟通。
2.学习日期:记录新工人接受三级安全教育的具体日期。
3.讲师/培训机构:记录进行三级安全教育的讲师或培训机构的名称,以便追溯其教学质量。
4.安全教育内容:记录进行的具体教育内容,如安全意识、生产作业技能等。
5.教育效果:记录新工人对该项教育的学习效果,如了解程度、掌握程度等评价。
6.疑问反馈:记录新工人在学习过程中的疑问和反馈意见,以便提供及时的解答和指导。
7.签字:新工人在接受安全教育后需要签字确认,表示已经接受了相关教育。
三、填写方法1.在新工人接受三级安全教育后,由培训讲师或相关人员将姓名、学习日期、讲师/培训机构等信息填写到记录卡的相应栏目中。
2.在“安全教育内容”栏目中逐一记录进行的具体教育内容,如安全意识、生产作业技能等。
对于每个教育内容,可以设置相应的复选框或打分表,方便记录新工人的学习情况。
3.在“教育效果”栏目中,需要记录新工人对该项教育的学习效果,如了解程度、掌握程度等评价。
可以设置相应的选项供新工人选择或填写。
4.在“疑问反馈”栏目中,记录新工人在学习过程中的疑问和反馈意见,以便提供及时的解答和指导。
如果新工人没有疑问或反馈,可以空白或填写“无”。
5.在新工人接受安全教育后,需要由其在记录卡上签字确认,表示已经接受了相关教育。
四、使用与管理1.新工人三级安全教育记录卡应以纸质形式制作,并保存在统一的档案管理系统中。
2.培训讲师或相关人员在新工人接受安全教育后填写相关信息,并及时归档。
3.管理人员可以定期检查和评估新工人三级安全教育记录卡,了解新工人的学习情况和教育效果,及时发现并解决问题。
表4.1。
5职工三级安全教育卡姓名:性别:家庭住址:籍贯:进企业日期:班组及工种:注:公司、项目部、班组三级培训教育的时间分别不得少于15、15、20学时。
施工现场职工入场安全教育考核试卷姓名:得分一、选择题:(每题5分,共计50分:要求选择正确的答案填入括号内)1、我国安全生产方针是:( );A、安全第一B、预防为主C、综合治理D、安全第一,预防为主,综合治理2、安全电压是指()伏以下;A、220B、50C、363、我国统一的火警电话号码是();A、119B、112C、1104、脚手架操作层用木架板的最少规定厚度为();A、5cmB、4cmC、3㎝5、电器灭火的方法是:首先(),其次要使用1211、干粉或二氧化碳等灭火器,不得用水或泡沫灭火器扑灭电器火灾;A、报告领导B、抢救人员C、切断电源6、正确佩戴安全帽必须是( );A、安全帽及帽带完好无损B、系好下颚带C、帽衬与帽壳应有有一定间歇不能紧贴7、GB3608-83《高处作业分级》规定,凡在坠落高度基准面( )米以上有可能坠落的高处进行的作业,均称为高处作业;A、1B、2C、38、施工现场的安全事故70%以上是由于“三违”造成的,“三违”是指();A、违章指挥B、违章作业C、违反劳动纪律D、违反安全管理制度9、事故处理的“四不放过”的原则是();A、广大职工没有受到教育不放过B、事故责任人没有受到处理不放过C、事故原因没有查清不放过D、防范措施没有到位不放过E、安全隐患没有整改不放过10、安全“三宝”指的是( );A、安全帽B、安全网C、安全绳D、安全带二、判断题:(每题5分,共计50分:要求在正确的说法后面括号内画“√”,错误的说法后面括号内画“×”)1、施工现场“四口”:楼梯口、电梯口、出入口、预留洞口. ( )2、施工现场“五临边":楼层周边、阳台周边、卸料平台周边、屋面周边、运输道两侧边. ( )3、劳动者对管理人员违章指挥、强令冒险作业,可以提出意见,但不得拒绝执行。
三级安全教育卡模板
三级安全教育登记卡
部门名称:
姓名:
身份证号码:
家庭地址:
三级安全教育内容公:
1.安全生产法规、标准和法制观念;
2.公司的安全生产规章制度和安全纪律;
3.公司安全生产形势和原来发生过的安全事故案例,以及今后应吸取的教训;
4.当发生事故后应及时抢救伤员、排除险情、保护好现场并及时报告工地负责人。
公司对工人、新工人等进行入场安全基本知识、规范、法制等教育的主要内容有:
1.党和国家的安全生产的方针政策;
2.本工程的施工生产和安全基本知识;
3.本工程施工或生产场地安全生产规章制度、规定、纪律和安全注意事项;
4.对机械设备、电气安全及高空作业的安全知识教育;
5.根据本工程具体情况进行防火、防爆、紧急情况安全处理和安全疏散知识的教育;
6.个人防护用品、工具使用基本知识教育;
7.贯彻“预防为主、安全第一”的安全意识教育。
组长对组员入场安全教育的主要内容有:
1.作业特点和安全操作规程的教育;
2.安全活动的制度和纪律;
3.爱护和正确使用安全防护装置、防护设施和个人劳保用品;
4.岗位容易发生的事故、不安全因素及防护措施;
5.作业环境,使用钢筋机械设备的安全要求。
以上内容已向受教育人员进行了详细讲解并签署确认。
教育人签名。
受教育人签名:
教育时间:年月日。
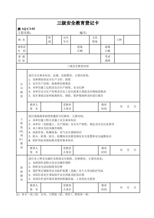
新入场工人三级安全教育记录卡姓名:文化程度:进场日期:所在班组:技术工种:三级教育内容教育人受教育人公司教育进行安全基本知识、法规、法制教育,主要内容:1、国家的安全生产方针、政策;2、安全生产法规、标准和法制观念;3、本单位施工生产过程及安全生产规章制度、安全纪律;4、本单位安全生产形式及历史上发生的重大事故及吸取的教训5、发生事故后如何抢救伤员、排险、保护现场和及时报告;签名:签名:培训时间:项目部教育进行现场规章制度和遵章守纪教育主要内容;1、现场的施工特点及施工安全基本知识;2、现场安全生产制度、规定及安全注意事项;3、本工种的安全技术操作规程;4、机械设备、电气安全及高处作业安全基本知识;5、防毒、防尘、防火、防爆知识,紧急情况安全处理和安全疏散知识;6、防护用品发放标准,防护用具、用品的使用知识;签名:签名:培训时间:班组教育进行本工种岗位安全操作及班组安全制度、纪律教育:1、本班组作业特点及操作规程;2、班组安全活动及纪律;3、爱护和正确使用安全防护装置(设施)及个人劳动防护用品;4、本岗未易发生事故的不安全因素;5、本岗位作业环境及使用的机械设备、工具的安全要求;签名:签名:培训时间:培训情况从年月日至年月日期间已完成三级安全教育学习,并考核合格。
工作情况身份证复印件粘贴处职工安全责任书为了切实保障每个职工的人身安全,使“安全第一,预防为主、综合治理”的思想牢记在每个职工心中,落实到行动上,特订立如下安全责任书:1、认真学习本岗位的安全技术操作规程,切实遵守各项劳动纪律和安全制度及规定,无条件服从各级管理人员的安全监督。
2、项目部提供给每个职工必需的个人防护用品,每个职工必须正确使用,妥善保管;进入施工现场前先检查一下自己或他人有无违章、冒险作业。
3、工地上搭设的各种防护设施和标语等,每个职工都应爱护,不得私自拆除挪作他用,遇有严重人身危险而无措施保证的作用,职工有权拒绝施工。
4、各种机械、电气设备非经允许不得使用;不得擅自拉接照明用等电线。
中国能建安徽电建二公司贵池前江EPC 项目部 环境与职业健康安全管理
前江工业园集中供热示范项目 施工管理部 A 版 新工人入厂三级安全教育卡片
编号: 姓名
性别 出生年月 文化程度 工种 籍贯 公司/班组 项
目
部
级
教
育 教育内容: 1、 施工安全管理基础知识; 2、 施工合同关于安全管理的要求; 3、 安全法律法规、方针、政策; 4、 项目安全生产责任制; 5、 项目安全管理监督机构及安全文化简介; 6、 风险控制措施及典型事故案例。
年 月 日
考试成绩 培训教师 安全负责人
专
业
公
司
级
教
育 教育内容: 1、 项目施工性质、特点和安全施工概况; 2、 施工现场安全工作守则及禁令; 3、 现场安全施工纪律及安全风险控制措施; 4、 各工种的安全工作规程; 5、 施工范围内的特种作业; 6、 危险场所的注意事项及防护设施等。
年 月 日 考试成绩 培训教师 安全负责人 班
组
级
教
育 教育内容: 1、 本岗位/工种生产工艺流程、生产设备、岗位安全操作规程安全注意事项; 2、 正确使用(爱护)安全防护设施及劳动防护用品(用具); 3、 本班组易发生事故的不安全因素及其防范对策; 4、 岗位/工种事故预防措施及应对突发事故的处理措施、事故案例; 5、 岗位/工种之间工作的衔接、配合及需要注意的事项。
年 月 日
掌握情况 班(组)长/兼职安全员
个
人
态
度 个人态度: 年 月 日
授权办理入场证 ☐同意 ☐不同意 批准人
备注。
表4.1.5职工三级安全教育卡姓名:性别:家庭住址:籍贯:进企业日期:班组及工种:注:公司、项目部、班组三级培训教育的时间分别不得少于15、15、20学时。
施工现场职工入场安全教育考核试卷姓名:得分一、选择题:(每题5分,共计50分:要求选择正确的答案填入括号内)1、我国安全生产方针是:();A、安全第一B、预防为主C、综合治理D、安全第一,预防为主,综合治理2、安全电压是指()伏以下;A、220B、50C、363、我国统一的火警电话号码是();A、119B、112C、1104、脚手架操作层用木架板的最少规定厚度为();A、5cmB、4cmC、3㎝5、电器灭火的方法是:首先(),其次要使用1211、干粉或二氧化碳等灭火器,不得用水或泡沫灭火器扑灭电器火灾;A、报告领导B、抢救人员C、切断电源6、正确佩戴安全帽必须是();A、安全帽及帽带完好无损B、系好下颚带C、帽衬与帽壳应有有一定间歇不能紧贴7、GB3608-83《高处作业分级》规定,凡在坠落高度基准面()米以上有可能坠落的高处进行的作业,均称为高处作业;A、1B、2C、38、施工现场的安全事故70%以上是由于“三违”造成的,“三违”是指();A、违章指挥B、违章作业C、违反劳动纪律D、违反安全管理制度9、事故处理的“四不放过”的原则是();A、广大职工没有受到教育不放过B、事故责任人没有受到处理不放过C、事故原因没有查清不放过D、防范措施没有到位不放过E、安全隐患没有整改不放过10、安全“三宝”指的是();A、安全帽B、安全网C、安全绳D、安全带二、判断题:(每题5分,共计50分:要求在正确的说法后面括号内画“√”,错误的说法后面括号内画“×”)1、施工现场“四口”:楼梯口、电梯口、出入口、预留洞口。
()2、施工现场“五临边”:楼层周边、阳台周边、卸料平台周边、屋面周边、运输道两侧边。
()3、劳动者对管理人员违章指挥、强令冒险作业,可以提出意见,但不得拒绝执行。
三级安全教育登记表建筑安全知识测试题幕墙施工班组姓名工种得分:一、是非题:(对打√,错打×)(每题2分,共10分)1、伤亡事故是指企业职工在生产劳动过程中,发生的人生伤害,急性中毒。
()2、同一供电系统中,可以将一部分电气设备接地,而将另一部分接零。
()3、高处作业是指凡在坠落高度基准面2m及其以上有可能坠落的高处进行作业。
()4、施工现场不同层次高度同时进行交叉作业时,作业人员可以在上下同一垂直面上作业。
()5、乘坐外用电梯时应该按照电梯限载人数的规定,有秩序的上下。
()二、填空题:(每格1.5分,共51分)1、我们国家的安全生产方针是,,。
2、建筑业常发生的五类伤亡事故是、、、、。
3、新进场的劳动者必须经过“三级教育”,即、、。
4、施工现场的“三违“是指、、。
5、安全防护的“三宝“是指、、。
6、安全防护的“四口“是指、、、。
7、作业人员操作过程中,要做到“三不伤害”、、。
8、安全电压是为防止触电事故而采用的特定电源供电的电压系列,分为、、、、五级,根据不同的作业条件,选用不同的安全电压。
9、电焊属特种作业,电焊工需持证上岗,电源控制应使用。
不准使用,一、二次线必须加防触电保护装置,一次线长度不超过米,二次线长度应小于米。
接线应压接牢固,并安装。
三、选择题:(每题3分,共24分)1、电气装置的保护接地,其接地电阻不得超过,塔吊、升降机、脚手架等防雷接地,其接地电阻不得超过。
A、4ΩB、6ΩC、10Ω2、使用机械设备,作业完毕操作人员离开时,必须。
A、对机械设备进行检查B、拉闸断电C、注意防雨措施3、作业现场应保持整洁。
A、杂物不能乱丢,一幢建筑施工完毕后应及时清理。
B、应该完工一层清理一层C、作业后应及时清理,施工杂物集中存放,完工一层清理一层4、正确戴安全帽必须注意两点:一是帽衬与帽壳应有一定间隙不能紧贴,二是。
A、应把安全帽戴正B必须系紧下颚带C、不能坐在安全帽上5正确使用安全带,是要求不准将安全绳打结使用,要把安全带挂在可靠处和应。
施工人员入场三级安全教育卡模版一、施工安全意识教育1. 施工安全意识的重要性在施工现场,安全是首要考虑的因素。
施工人员必须认识到安全意识的重要性,将安全放在首位,以确保自身的安全和施工的顺利进行。
2. 个人安全责任每位施工人员都有着个人的安全责任。
我们要养成正确的安全行为习惯,自觉遵守安全规章制度,对自己的人身安全负责,并积极参与安全管理工作。
3. 不安全因素及防范措施我们要了解常见的不安全因素,包括高处坠落、电击、机械伤害等。
在工作中要注意防范措施,如佩戴安全帽、穿戴防护服、正确使用安全绳等。
4. 应急救援措施当事故发生时,我们要学会正确的应急救援措施,及时报警、组织疏散、进行急救等,以最大程度减少事故的危害和损失。
二、施工安全技术教育1. 施工作业安全规程施工人员必须熟悉并遵守施工作业安全规程,严禁违章操作,确保施工的安全和质量。
2. 安全生产标准规范我们要了解安全生产标准规范,按照规范要求进行施工作业,确保施工的合规和安全。
3. 安全用电知识在施工现场,电击事故是一种常见的事故。
我们要学会安全用电知识,遵守安全用电规程,确保电力设备的正常运行和人身安全。
4. 高处作业安全高处作业是施工中一项危险性较高的工作。
我们要学习高处作业安全知识,正确使用安全带、脚手架等,确保高处作业的安全进行。
三、施工安全管理教育1. 安全管理制度施工现场要建立健全的安全管理制度,明确责任人、交底和管理程序等。
我们要积极参与安全管理,严格执行安全管理制度。
2. 日常安全检查每位施工人员都有责任进行日常安全检查,发现不安全因素及时报告,并配合改正。
只有通过日常安全检查,才能确保施工现场的安全稳定。
3. 安全奖惩制度安全奖惩制度是施工现场有效管理的重要手段。
我们要严格执行安全奖惩制度,激励安全表现优良的人员,惩罚违反安全规定的行为。
4. 安全培训和演练施工人员要不断接受安全培训和演练,提升自己的安全意识和应急处理能力,做好各类安全工作。
新工人三级安全教育记录卡范本
姓名:性别:入职日期:
部门:岗位:职务:
培训日期:培训地点:培训时长:
一、基本安全常识培训
培训内容:安全生产法律法规、安全生产管理体系、劳动保护法、职业病防治法、安全生产责任制等
培训机构:培训讲师:
培训学时:培训地点:
学习进度:培训成绩:
备注:
二、安全操作规程培训
培训内容:岗位操作规程、用电安全操作规程、危险品管理及防护、作业许可制度等
培训机构:培训讲师:
培训学时:培训地点:
学习进度:培训成绩:
备注:
三、事故案例剖析培训
培训内容:近期发生的事故案例剖析、事故原因分析及防范措施等
培训机构:培训讲师:
培训学时:培训地点:
学习进度:培训成绩:
备注:
四、专业技能培训
培训内容:必要的专业技能培训,如机械设备操作、电工、焊接、安装等
培训机构:培训讲师:
培训学时:培训地点:
学习进度:培训成绩:
备注:
五、安全生产知识培训
培训内容:防火防爆安全知识、用电安全知识、高处作业安全知识、防护用品使用方法等
培训机构:培训讲师:
培训学时:培训地点:
学习进度:培训成绩:
备注:
六、交底
工作岗位的安全技术交底及操作规程讲解等。
交底日期:
交底人:
七、复训
复训日期:复训内容:
复训机构:复训讲师:
复训成绩:学习进度:
备注:
八、安全工作台账
安全事故情况:安全检查情况:安全隐患整改情况:安全生产奖惩:备注:
以上内容由个人填写,确认无误后请签字:
日期:。
施工人员基本信息卡4附:A 面 职工三级安全教育卡姓名:文化程度:进企业日期: 班组及工种:建筑员工安全生产责任书建筑施工生产是危险性较大行业。
根据“企业负责,行业管理,国家监察,群众监督,劳动者尊章守纪”的国家安全生产管理体质和《中华人民共和国建筑法》第三十六条“建筑工程安全生产管理必须坚持安全第一,预防为主的方针,建立健全安全生产的责任制度和群防群治制度”之规定,本人自愿签署责任书,在以下几条负有责任。
一、在认真接受三级安全教育,明确建筑业生产特点,熟悉安全生产法律、法规、规范、规章上负有责任。
二、在模范遵守岗位安全操作规程,提高自我保护能力,不违章作业,服从工地安全管理负有责任。
三、在遵守企业、工地各项规章制度、安全生产纪律和对违章指挥行为予以拒绝上负有责任。
四、在提高自我保护能力、随时发现和整改不安全隐患,确保施工环境安全做到“自查、自改、自我完善”上负有责任。
本责任书经双方签字后立即生效。
项目经理:(签字)责任人:(签字)年月日年月日安全生产、文明施工承诺书经过公司、项目部和班组安全教育,作为项目部员工,为保障自身及他人的身体健康、生命和财产安全,防止和减少施工安全事故发生,本人郑重承诺做好以下几点:1、严格遵守国家法律、法规和公司、项目部的各项安全生产规章制度和安全管理规定,积极参加本公司、项目部组织的各项安全活动,牢固树立“安全第一,防范为主”的思想,切实履行岗位安全和工作职责,尽职尽责,防范各类安全事故发生。
2、自愿接受公司、项目部、班组等各级安全和业务技能(学习)与培训,努力提高自身安全及工作业务技术水平,增强安全防范意识,做到“三不伤害”(不伤害自己、不伤害他人及不被别人伤害)。
3、自觉遵守安全生产的法律、法规和公司安全管理规章制度,严格遵守公司关于本岗位(或工种)的《安全技术操作规程》,认真按《工艺规程》进行作业,做到不违章操作、不违反劳动纪律、不冒险操作。
4、做好落手清工作,保持施工现场规范、整洁,做好文明施工。
新工人入厂三级安全教育卡片表号: SAQ-TZh-004 单位名称:北京崇建工程有限公司后大营110kV变电站编号:注调换工种或因工受伤休息六个月后上班时也用此表考核。
附件1北京电力公司现场作业安全管理“十条禁令”承诺书一、严禁无票操作、跳步操作,不执行操作监护制度。
二、严禁不经批准退出运行中的防误闭锁装置或解锁操作。
三、严禁无工作票工作或超工作票范围工作。
四、严禁无接地线保护工作或装设接地线前不验电。
五、严禁工作人员擅自改变工作现场装设的接地线、围栏、标示牌。
六、严禁未履行工作许可手续、未进行工作交底、未签字确认即开始工作。
七、严禁近电、带电作业不设专责监护人或专责监护人兼做其他工作。
八、严禁在平行、交叉邻近或同杆塔并架线路登杆作业未持登杆证、不核对路名和色标。
九、严禁高处作业不使用安全带(绳)。
十、严禁未通风、未检测易燃易爆及有毒气体含量即进入电缆井、隧道。
我已认真学习了上述的“十条禁令”,也理解、掌握了错误!未找到引用源。
的《安规》要求,因此,我不会因为不知道有这些禁令而违规,也不会为不理解这些禁令而违章。
我承诺在现场工作的任务时候,都会严格遵章守纪,绝不违章。
如有违章,我愿意接受单位依据有关规定给予的处罚。
单位:工区:班组:职工签字:日期:年月日安全施工不违章承诺书施工现场安全生产、文明施工考试试卷工程名称:后大营110kV变电站工程施工单位:北京崇建工程有限公司姓名:_________ 得分_______考核日期__________一、填空题(每空2分,计64分)1、进入现场必须戴好,扣好,并正确使用个人。
2、三不伤害的内容是;;。
3、建筑施工安全防护的“三宝”是:;;。
“四口”是:;;;。
“五临边”是:;;;;。
4、触电伤害的主要形式是和两类。
5、施工现场的五大伤害是;;;;。
6、《劳动法》规定:劳动者在劳动过程中必须严格遵守。
7、我国安全生产的方针是;。
8、我国消防安全工作的方针是;。
新工人入场三级安全教育卡
工程名称:川藏路220KV变电所新建工程施工单位:四川省佳成建设有限公司
五年级语文下册按课文内容填空
1、老人顺着栏杆边走边放,海鸥依他的节奏起起落落,排成一片(),飞成一篇()。
海鸥们()翅膀,()老人遗像前的空中,像是前来()的亲属。
过了一会儿,海鸥()落地,竟在老人遗像前后站成了两行。
它们(),像是为老人守灵的()。
我从中感受到了:_____________________________________________________ 3、没想到,嘎羧见了,一下子安静下来,用鼻子呼呼吹去上面的灰尘,鼻尖()地在上面摩挲着,眼睛里(),像是见到( )。
这是_______和______描写,我从中感受到_______________________________。
土坑约有三米深,嘎羧()在坑底,( )着脸,鼻子( )在腿弯,一只眼睛()得老大,凝望着天空。
《最后一头战象》作者_________,被称为“ __________ ”,作品有《》《》等。
课文以_____为序,写了四个感人片段:__________、___________、__________、___________。
5、《伯牙绝弦》这个传说,人们用_______________比喻知音难觅或者乐曲高妙,把_______________________________________叫做“知音”。
6、皮鞋匠静静地____着。
他好像______着大海,月亮正从__________的地方______。
_________的海面上,霎时间______了银光。
月亮_________,_______一缕一缕_______似的微云。
忽然,海面上______了大风,______了巨浪。
被月光照得______的浪花,一个连一个朝着岸边_________……皮鞋匠看看妹妹,月光正照在她那______的脸上,照着她_________,她仿佛也看到了,看到了她从来没有看到过的景象,在_________照耀下的____________的大海。
要求:用直线和波浪线分别标出实写和联想的部分。
9、《学弈》选自______,课文记叙了两个人跟弈秋学下围棋,一个“_______,____________”,一个“_______,_______________”。
告诉我们___________________________。
《两小儿辩日》选自______________。
一个小孩认为“____________”理由是“__________________________________”,另一个小孩认为“___________________”理由是“_____________________”故事体现了两小儿________和孔子____。
10、过去的日子如_____,被_________,如_____,被_____;我留着些什么痕迹呢?我何曾留着_______________?
(一)要求:先填空再照样子写句子。
A:______去了,有再来的时候;_____枯了,有再青的时候;______谢了,有再开的时候。
__________,有________的时候;_________,有_______的时候;_________,有_______的时候。
B:洗手的时候,日子从_____里过去;吃饭的时候,日子从___里过去;默默时,便从_____前过去。