储罐安装验收表格模板
- 格式:doc
- 大小:313.50 KB
- 文档页数:17
储罐安装验收表格
This model paper was revised by the Standardization Office on December 10, 2020
竣工报告
储罐交工验收证明书
油罐罐顶几何尺寸检查记录
年月日罐壁沿垂偏差、对接接头组装间隙、错边量、焊缝角变形、
局部凹凸量几何尺寸检验记录
焊缝表面质量检验记录表
质检员:
贮罐组装分项工程质量检验评定表
单位(分部)工程名称:设备名称:
工程施工及验收规范:设备位号:
贮罐焊接分项工程质量检验评定表
单位(分部)工程名称:设备名称:工程施工及验收规范:设备位号:
平台预制安装分项工程质量检验评定表
单位(分部)工程名称:设备名称:工程施工及验收规范:设备位号:
油罐罐体几何尺寸检查记录
工序质量报验单
工程名称:编号:—
江苏省建设厅监制
油罐内加热盘管水压试验记录。
案卷号:
封面
工程建设交工技术文件
工程名称:
单元名称:
工程类别:
建设单位:施工单位:
负责人:负责人:
审核人:审核人:
年月日年月日
竣工报告
储罐交工验收证明书
油罐罐顶几何尺寸检查记录
罐壁沿垂偏差、对接接头组装间隙、错边量、焊缝角变形、
局部凹凸量几何尺寸检验记录
焊缝表面质量检验记录表
贮罐组装分项工程质量检验评定表
单位(分部)工程名称:设备名称:
工程施工及验收规范:设备位号:
贮罐焊接分项工程质量检验评定表
单位(分部)工程名称:
工程施工及验收规范:设备位号:设备名称:
平台预制安装分项工程质量检验评定表
单位(分部)工程名称:
工程施工及验收规范:设备位号:设备名称:
油罐罐体几何尺寸检查记录
工序质量报验单
工程名称:编号:A3.3
收人姓名及时间人姓名及时间业主抽查数据及情况记录:
1、收到放工相应自评/ 检查资料和验收记录表共页,收到时间:
2、
检查人:日期:
业主审查意见:
□ 可进行后续施工。
□ 核验未通过,不得进入下道工序施工,整改后再报。
建设单位(章):
专业监理工程师:日期:注:1、未经项目监理(建设)机构验收通过,承包单位不得进入下道工序施工。
2 、承包单位项目经理部应提前提出本报验单,并给予配合。
江苏省建设厅监制
年月日年月日
油罐内加热盘管水压试验记录。
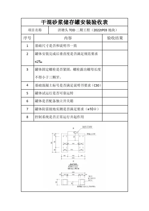
表C.0.7 储罐罐体几何尺寸检查记录储罐名称储罐编号储罐直径储罐高度结构形式检查项目合格标准(mm)检查点数最大偏差合格点数合格率%罐壁几何尺寸高度偏差局部凹凸变形水平方向垂直方向角变形水平方向垂直方向垂直度偏差底圈半径偏差局部凹凸变形罐底固定顶船舱顶板说明:建设单位(监理单位)施工单位现场代表:年月日班(组)长:质检员:技术负责人:年月日储罐编号日期储罐容积储罐直径检查项目允许值(mm)实测值(mm)检查项目允许值(mm)实测值(mm)基础中心标高偏差环墙周向标高差10m内任意两点基础中心轴线偏差全圆周任意两点基础单面倾斜度偏差沥青砂表面平整度倾斜基础平行线基础直径偏差周向基础环梁宽度偏差径向同心圆或平行线编号计算标高(mm)实测点标高(mm)同心圆或平行线及测点编号示意图:建设单位监理单位土建施工单位安装施工单位现场代表:年月日现场代表:年月日现场代表:年月日现场代表:年月日表 C.0.8 固定顶、内浮顶的储罐强度及严密性试验报告储罐编号储罐容积材料储存介质试验项目试验方法试验结果日期罐底真空试漏年月日严密性试验年月日罐壁强度及严密性试验年月日固定顶稳定性试验年月日强度及严密性年月日内浮顶真空试漏年月日升降试验年月日说明:建设单位(监理单位)施工单位现场代表:年月日班(组)长:质检员:技术负责人:年月日工程名称储罐编号观测时间测点编号水位高度1 2 3 4 5 6 7 8 9 10 11 12监理单位:施工单位:现场代表:年月日测量员:技术负责人:年月日表 C.0.1 储罐交工验收证明书工程名称工程编号储罐编号结构形式容积储存介质设计单位材料开工日期竣工日期工程质量评定:交工验收意见:建设单位监理单位质量监督单位施工单位项目负责人:(公章)年月日现场代表:(公章)年月日现场代表:(公章)年月日项目负责人:(公章)年月日。
工程名称南三油库10万立储罐工程工程编号项目档案号单位工程名称10万立原油储罐储罐名称10万立原油储罐储罐位号13#规格型号10万立基础图号建-552222 检查项目允许值实测值检查项目允许值实测值基础中心标高偏差土20mm环墙周向标高差10米内任意两点6mm基础中心轴线标高偏差全圆周任意两点12mm基础直径偏差批注2 沥青砂表面平整度周向12mm 批注4基础环墙宽度偏差径向25mm 批注3同心圆编号计算标高(m)实测点标高(m)ⅠⅡⅢⅣⅤ同心圆及测点编号示意图:交出单位接收单位监理(建设)单位代表:年月日代表:年月日监理工程师:(建设单位项目代表)年月日说明:本表由土建施工单位填写,经安装单位和监理(建设)单位检查合格后签字认可,交安装施工单位组卷。
环墙标高差和沥青砂表面平整度实测值,可由下部各测点标高统计得出,实测点格位不够时,可加附表填写。
工程名称工程编号单位工程名称储罐名称储罐位号规格型号罐壁/ 罐底罐壁板(罐底板)编号水平半径(㎜)壁板上口水平(㎜)垂直度(㎜)错边量(㎜)对口间隙(㎜)棱角度(㎜)允许结果允许结果允许结果允许结果允许结果允许结果32相邻2任意6第一圈3其它圈%h表4.4.2-2和表表4.4.2- 4罐底板局部凸凹度(㎜)允许偏差≤50 实测值罐顶板焊前凸凹度(㎜)允许偏差/ 实测值浮船顶板凸凹度(㎜)允许偏差≤15 实测值浮顶外侧板半径偏差(㎜)允许偏差±15 实测值浮顶导向支柱垂直度允许偏差≤10实测值浮顶环形边缘侧板垂直度允许偏差≤3实测值内浮顶环形边缘侧板圆度允许偏差≤10 实测值说明:依据标准GB50128-2005进行验收。
表中数值以mm计量。
结论:此处由监理或建设单位相关人员手写填结论。
施工单位监理(建设)单位班(组)长:质量检查员:项目技术负责人:年月日监理工程师:(建设单位项目代表)年月日注:储罐每圈壁板组对和整个罐底板组对各做一个表,不涉及的项目画“/”。
表C.0.7 储罐罐体几何尺寸检查记录储罐名称储罐编号储罐直径储罐高度结构形式检查项目合格标准(mm)检查点数最大偏差合格点数合格率%罐壁几何尺寸高度偏差局部凹凸变形水平方向垂直方向角变形水平方向垂直方向垂直度偏差底圈半径偏差局部凹凸变形罐底固定顶船舱顶板说明:建设单位(监理单位)施工单位现场代表:年月日班(组)长:质检员:技术负责人:年月日表C.0.11 储罐基础检查验收记录储罐编号日期储罐容积储罐直径检查项目允许值(mm)实测值(mm)检查项目允许值(mm)实测值(mm)基础中心标高偏差环墙周向标高差10m内任意两点基础中心轴线偏差全圆周任意两点基础单面倾斜度偏差沥青砂表面平整度倾斜基础平行线基础直径偏差周向基础环梁宽度偏差径向同心圆或平行线编号计算标高(mm)实测点标高(mm)同心圆或平行线及测点编号示意图:建设单位监理单位土建施工单位安装施工单位现场代表:年月日现场代表:年月日现场代表:年月日现场代表:年月日表 C.0.8 固定顶、内浮顶的储罐强度及严密性试验报告储罐编号储罐容积材料储存介质试验项目试验方法试验结果日期罐底真空试漏年月日严密性试验年月日罐壁强度及严密性试验年月日固定顶稳定性试验年月日强度及严密性年月日内浮顶真空试漏年月日升降试验年月日说明:建设单位(监理单位)施工单位现场代表:年月日班(组)长:质检员:技术负责人:年月日表 C.0.12 基础沉降观测记录工程名称储罐编号观测时间测点编号水位高度1 2 3 4 5 6 7 8 9 10 11 12监理单位:施工单位:现场代表:年月日测量员:技术负责人:年月日表 C.0.1 储罐交工验收证明书工程名称工程编号储罐编号结构形式容积储存介质设计单位材料开工日期竣工日期工程质量评定:交工验收意见:建设单位监理单位质量监督单位施工单位项目负责人:(公章)年月日现场代表:(公章)年月日现场代表:(公章)年月日项目负责人:(公章)年月日。
案卷号:工程建设交工技术文件工程名称:单元名称:工程类别:建设单位:施工单位:负责人:负责人:审核人:审核人:年月日年月曰竣工报告罐壁沿垂偏差、对接接头组装间隙、错边量、焊缝角变形、局部凹凸量几何尺寸检验记录质检员:贮罐组装分项工程质量检验评定表单位(分部)工程名称:设备名称:贮罐焊接分项工程质量检验评定表单位(分部)工程名称:设备名称: 工程施工及验收规范:设备位号:平台预制安装分项工程质量检验评定表单位(分部)工程名称: 设备名称:工序质量报验单承包单位项目经理部(章): _________________项目经理: ________________ 日期: ________________承包单位签收 人姓名及时间 业主抽查数据及情况记录:1收到放工相应自评/检查资料和验收记录表共 页,收到时间:2、检查人: ______________ 日期: _________________业主审查意见:□可进行后续施工。
□ 核验未通过,不得进入下道工序施工,整改后再报。
建设单位(章): 专业监理工程师: 日期:注:1未经项目监理(建设)机构验收通过,承包单位不得进入下道工序施工。
2 、承包单位项目经理部应提前提出本报验单,并给予配合。
致:(建设单位)兹报验:验收时间: 本次报验内容系第 次报验,本项目经理部已完成自检工作且资料完整,编号:并呈报相应资料。
建设单位代表 施工班组工程名称:项目监理机构签 收人姓名及时间江苏省建设厅监制说明:油罐内加热盘管水压试验记录。
说明:本表由土建施工单位填写,经安装单位和监理(建设)单位检查合格后签字认可,交安装施工单位组卷。
环墙标高差和沥青砂表面平整度实测值,可由下部各测点标高统计得出,实测点格位不够时,可加附表填写。
注:储罐每圈壁板组对和整个罐底板组对各做一个表,不涉及的项目画“/”。
储罐焊接记录 GY-44
204
205
GY-45
GY-46
GY-47
GY-48
GY-49
QG-01
QG-02
并加盖公章。
球壳板、支柱到货检验报告QG-03
的评价意见、存在问题和应采取措施、补救方法等。
QG-04
214 油气田地面建设工程(项目)竣工验收手册
球罐焊接记录QG-05
215
球罐焊缝返工记录 QG-06
216
QG-07
217
球罐支柱安装检查记录QG-08 工程名称工程编号
单位工程名称球罐名称
球罐编号支柱高度
支柱尺寸支柱数量
支柱编号
检查项目实际偏差值
支柱全长
直线度
允许偏差
支柱垂直度mm
备注
径向周向
径向周向a1 a2a1-a2a1a2a1-a2
l
2
3
4
5
6
7
8
9
10
11
12
13
14
施工单位监理(建设)单位
检验责任工程师:
工艺责任工程师:
年月日监理工程师:
(建设单位项目代表)
年月日
218
QG-09
219
QG-10
220
QG-11
221
QG-12
222。
储罐安装好的验收表格一、储罐安装好的基本情况。
咱先来说说这个储罐安装好之后的整体模样吧。
这储罐啊,就像一个安安静静站在那儿的大巨人,稳稳当当的。
从外观上看,它的外壳得是光滑平整的,不能这儿鼓一块那儿凹一块的,就像人的脸一样,得平平整整才好看嘛。
要是外壳有坑坑洼洼的,那可不行,说不定就会影响到它后续的使用呢。
再看看它的颜色,虽然颜色不直接影响它的功能,但是如果颜色刷得不均匀,花花绿绿的,就像穿了一件补丁摞补丁的衣服,多难看呀。
而且这也能从侧面反映出安装过程是不是认真仔细的。
还有啊,储罐的高度和直径这些尺寸,那得是符合设计要求的。
这就好比我们做衣服,尺寸不对,这衣服穿着就不合身。
储罐尺寸不对,那和其他设备连接的时候,可能就会像两个不合适的齿轮,卡在一起转不动呢。
二、连接部位的验收。
接下来咱们聊聊储罐的连接部位。
连接部位就像是关节一样,特别重要。
比如说储罐的进出口管道连接的地方,接口处必须得密封严实,不能有一丁点儿的泄漏。
这就像水管接口,如果漏水,那水就会到处流,造成很多麻烦。
咱们检查的时候,可以用一些简单的方法,像抹点肥皂水在接口周围,如果有气泡冒出来,那就说明有泄漏的地方,这可得好好处理一下。
还有储罐的支撑结构和罐体的连接,这也得牢固得很。
要是支撑不稳,就像人站在摇晃的地面上,储罐可能就会倾斜或者倒下,那可就危险啦。
所以这个连接的地方得用螺栓拧紧,焊接的地方得焊得结结实实的,不能有裂缝或者虚焊的情况。
三、内部检查。
储罐内部也不能马虎呀。
走进储罐里面,就像走进了一个大容器的肚子里。
首先得看看里面有没有杂物,要是有个小石子或者一块破布留在里面,那可就像吃饭的时候碗里有沙子一样难受。
这些杂物可能会在储存东西的时候影响到物料的质量呢。
然后就是内壁的情况,内壁得光滑,不能有毛刺或者尖锐的东西。
要是内壁不光滑,就像路上有很多小石头,运输物料的时候就会磕磕碰碰的,对物料不好,对储罐本身也不好,可能会把内壁刮坏的。