外圆、端面、台阶的车削
- 格式:ppt
- 大小:3.39 MB
- 文档页数:19
端面车刀及外圆车刀(45度车刀,90度车刀)的车削方法和图片2007-06-25 09:39一、车端面常用的端面车刀(弯头刀如图2 和偏刀如图1)和车端面的方法,如金工实习教材第160页所示。
对于既车外圆又车端面的场合,常使用弯头车刀和偏刀来车削端面。
弯头车刀是用主切削刃担任切削,适用于车削较大的端面。
偏刀从外向里车削端面,是用车外圆时的副切削刃担任切削,副切削刃的前角较小,切削不够轻里向外车削端面,便没有这个缺点,不过工件必须有孔才行。
常用端面车削时的几种情况如图6-15所示。
图6-15 车端面的常用车刀车端面时应注意以下几点:1)车刀的刀尖应对准工件中心,以免车出的端面中心留有凸台。
2)偏刀车端面,当背吃刀量较大时,容易扎刀。
背吃刀量a p的选择:粗车时a p=0.2mm~1mm,精车时a p=0.05 mm~0.2mm。
3)端面的直径从外到中心是变化的,切削速度也在改变,在计算切削速度时必须按端面的最大直径计算。
4)车直径较大的端面,若出现凹心或凸肚时,应检查车刀和方刀架,以及大拖板是否锁紧。
为使车刀准确地横向进给,应将大溜板紧固在床身上,用小刀架调整切削深度。
5)端面质量要求较高时,最后一刀应由中心向外切削。
车端面的质量分析:1)端面不平,产生凸凹现象或端面中心留“小头”;原因时车刀刃磨或安装不正确,刀尖没有对准工件中心,迟到深度过大,车床有间隙拖板移动造成。
2)表面粗糙度差。
原因是车刀不锋利,手动走刀摇动不均匀或太快,自动走刀切削用量选择不当一、车外圆1.安装工件和校正工件安装工件的方法主要有用三爪自定心卡盘或者四爪卡盘、心轴等(详见6.8车床附件的使用)。
校正工件的方法有划针或者百分表校正(详见6.8车床附件的使用中图8-49)。
2.选择车刀车外圆可用图6-12所示的各种车刀。
直头车刀(尖刀)的形状简单,主要用于粗车外圆;弯头车刀不但可以车外圆,还可以车端面,加工台阶轴和细长轴则常用偏刀。
一、实训目的通过本次实训,使学生掌握车削台阶轴的基本加工工艺,熟悉车床操作和刀具使用,提高学生的实际操作能力和工程意识。
二、实训内容1. 台阶轴加工工艺分析(1)材料:45号钢(2)加工要求:外圆、内孔、端面、台阶、键槽等(3)加工步骤:毛坯加工、粗车、半精车、精车、孔加工、倒角、去毛刺等2. 车床操作及刀具使用(1)车床操作:熟悉车床的基本结构、操作规程、安全注意事项等(2)刀具使用:了解各种刀具的用途、结构、选用原则等三、实训过程1. 毛坯加工(1)将毛坯放入车床卡盘,调整卡爪位置,使毛坯中心线与车床主轴中心线对齐(2)使用砂轮修整毛坯端面,使端面与主轴中心线垂直(3)使用外圆车刀粗车外圆,保证外圆尺寸和形状符合要求2. 粗车(1)使用内孔车刀粗车内孔,保证内孔尺寸和形状符合要求(2)使用端面车刀粗车端面,保证端面与外圆中心线垂直(3)使用台阶车刀粗车台阶,保证台阶尺寸和形状符合要求3. 半精车(1)使用外圆精车刀精车外圆,保证外圆尺寸和形状符合要求(2)使用内孔精车刀精车内孔,保证内孔尺寸和形状符合要求(3)使用端面精车刀精车端面,保证端面与外圆中心线垂直(4)使用台阶精车刀精车台阶,保证台阶尺寸和形状符合要求4. 孔加工(1)使用钻头钻孔,保证孔的位置、尺寸和形状符合要求(2)使用扩孔钻扩孔,保证孔的尺寸和形状符合要求(3)使用铰刀铰孔,保证孔的尺寸和形状符合要求5. 倒角、去毛刺(1)使用倒角刀倒角,保证倒角尺寸和形状符合要求(2)使用去毛刺工具去除毛刺,保证工件表面光滑四、实训结果与分析1. 实训结果本次实训中,我完成了台阶轴的加工,达到了加工要求,工件表面光滑,尺寸和形状符合要求。
2. 实训分析(1)在加工过程中,要注意刀具的选择和切削参数的调整,以保证加工质量(2)在操作过程中,要严格按照操作规程进行,确保加工安全(3)在加工过程中,要注意观察工件的变化,及时调整刀具和切削参数,以保证加工质量五、实训总结通过本次实训,我掌握了车削台阶轴的基本加工工艺,熟悉了车床操作和刀具使用,提高了实际操作能力和工程意识。
项目三车削外圆及端面一、教学目的1.掌握手动、机动进给车削外圆、端面和台阶的方法。
2.掌握调整机动进给手柄位置的方法。
3.会用划线盘找正工件。
4.掌握游标卡尺的使用方法,会用游标卡尺测量工件的外圆、用钢直尺测量长度并检查平面凹凸,达到图样的精度要求。
5.掌握试切削,试测量的方法车削外圆。
6.遵守操作规程,养成文明生产,安全生产的良好习惯。
二、教学重点及难点1.教学重点掌握车削外圆、端面和台阶的方法2.教学难点刻度盘的计算及应用三、实训内容四、准备工作设备:切割机、车床工具:45°和90°硬质合金外圆车刀、通用装夹工具一套量具:钢直尺、游标卡尺、千分尺。
五、工艺分析由于该零件较短,没有特殊的同轴度要求,加工时采用三爪自定心卡盘直接装夹进行加工。
考虑到倒角和去毛刺的需要,先加工大端直径再调头加工另一端。
其机械加工过程卡片和机械加工工序卡见附表。
六、操作过程1.检查毛坯尺寸,装夹一端外圆,伸出长度大于60mm,用划针盘找正夹紧;2.车平端面,粗精车D1、长45mm,倒角2×45°;3.调头垫铜皮,装夹外圆,伸出长度大于70mm,找正夹紧,粗精车端面至总长L1;4.用钢直尺刻线长L2mm,粗车D2,留精车余量1~2mm;5.用钢直尺刻线长L1mm,粗车D3,留精车余量1~2mm;6.精车D2和L2、D3和L3至图形要求,倒角2×45°和1×45°。
七、质量检查内容及评分标准八、安全及注意事项1.车削时防止车刀碰着卡盘。
2.转动刀架时,防止车刀与工件、卡盘发生碰撞。
3.测量或清除铁屑时,要先停车,工件转动时不准用手触摸工件。
4.车削过程中戴好防护眼镜。
九、容易产生的问题和注意事项1、工件端面中心留有凸头,原因是刀尖没有对准工件中心,偏高或偏低。
2、端面不平有凹凸,产生原因是进刀量过深、车刀磨损,滑板移动、刀架和车刀紧固力不足,产生扎刀或让刀。
课题三:轴类零件加工轴是机器零件最常见的零件之一,它一般由外圆、端面、台阶、倒角、过度圆角、沟槽、螺纹和中心孔等结构要素组成,加工轴类零件要保证图样标注规定的尺寸、表面粗糙度、形状公差和位置精度要求,见图3-1。
图3-1 台阶轴§3-1 车削外圆与端面课题任务——车削外圆与端面1、学习在三爪自定心卡盘上安装工件、车削外圆与端面的方法。
2、掌握在三爪自定心卡盘上安装工件的方法和步骤。
3、掌握外圆与端面车削时车刀的安装和步骤。
4、掌握外圆与端面车削的方法和步骤。
图3-2 车削外圆与端面工艺分析外圆与端面是轴类零件组成的基本要素,要掌握轴类零件的加工,首先要掌握外圆与端面加工的知识。
图3-2所示的轴正是由外圆与端面组成的,其加工工艺过程如下:相关工艺知识 一、外圆与端面的技术要求1、尺寸精度分析:外圆尺寸有φ47010.0 mm ,它的上偏差为0mm ,下偏差为-0.10mm,公差为0.10,长度尺寸有40±1mm 、122±0.1mm 。
2、形位精度分析:外圆有圆度○、圆柱度形状要求,端面有平面度形状要求。
外圆的两素线与端面有垂直度⊥要求。
3、表面粗糙度分析:零件各表面的表面粗糙度公差为Ra=3.2μm, 车削加工可以达到。
二、车削外圆与端面的车刀车削该轴可选用90°、45°车刀,如图3-3所示。
90°车刀可用于车削外圆,也可用于车削端面;45°可用于车削端面与倒1×45°角。
图3-3车削外圆与端面的车刀90°外圆车刀45°车刀二、车削外圆与端面时车刀安装的工艺要求车削外圆车刀与车削端面时车刀的安装要求和方法基本相同,车刀安装得是否正确,将直接影响切削能否顺利进行和工件的加工质量。
即使刃磨合理的车刀,如果安装得不正确,也会改变车刀工作时的实际角度。
因此车刀安装后,必须保证做到:(1)车刀的伸出长度不宜过长,否则在切削过程中会减弱刀杆的刚性,容易产生振动,影响工件的表面粗糙度,严重时会损坏车刀。
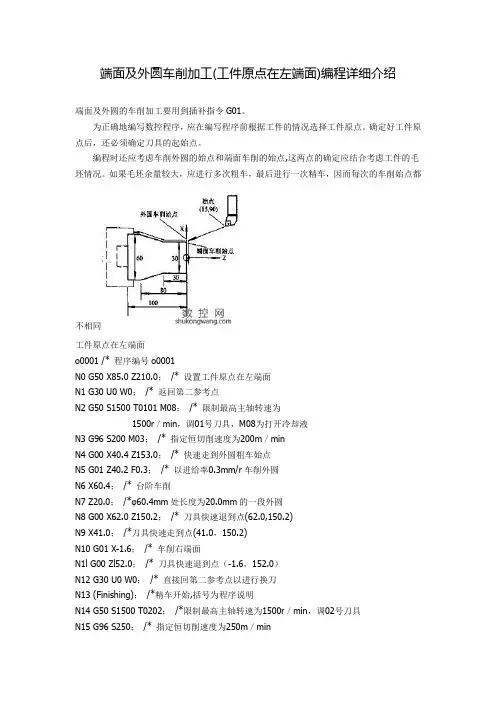
端面及外圆车削加工(工件原点在左端面)编程详细介绍端面及外圆的车削加工要用到插补指令G01。
为正确地编写数控程序,应在编写程序前根据工件的情况选择工件原点。
确定好工件原点后,还必须确定刀具的起始点。
编程时还应考虑车削外圆的始点和端面车削的始点,这两点的确定应结合考虑工件的毛坯情况。
如果毛坯余量较大,应进行多次粗车,最后进行一次精车,因而每次的车削始点都不相同工件原点在左端面o0001 /* 程序编号o0001N0 G50 X85.0 Z210.0;/* 设置工件原点在左端面N1 G30 U0 W0;/* 返回第二参考点N2 G50 S1500 T0101 M08;/* 限制最高主轴转速为1500r/min,调01号刀具,M08为打开冷却液N3 G96 S200 M03;/* 指定恒切削速度为200m/minN4 G00 X40.4 Z153.0;/* 快速走到外圆粗车始点N5 G01 Z40.2 F0.3;/* 以进给率0.3mm/r车削外圆N6 X60.4;/* 台阶车削N7 Z20.0;/*φ60.4mm处长度为20.0mm的一段外圆N8 G00 X62.0 Z150.2;/* 刀具快速退到点(62.0,150.2)N9 X41.0;/*刀具快速走到点(41.0,150.2)N10 G01 X-1.6;/* 车削右端面N1l G00 Zl52.0;/* 刀具快速退到点(-1.6,152.0)N12 G30 U0 W0;/* 直接回第二参考点以进行换刀N13 (Finishing);/*精车开始,括号为程序说明N14 G50 S1500 T0202;/*限制最高主轴转速为1500r/min,调02号刀具N15 G96 S250;/* 指定恒切削速度为250m/minN16 G00 X40.0 Z153.0 ;/*快速走到外圆精车始点(40.0,153) N17 G42 G01 Z151.0 F0.15; /*调刀尖半径补偿,右偏N18 Z40.0;/*φ40.4mm一段外圆的精车N19 X60.0;/*台阶精车N20 Z20.0;/*φ60.0mm处长度为20.0mm外圆的精车N21 G40 G00 X62.0 Z150.0;/*取消刀补N22 X41.0;/*刀具快速走到点(41.0,150.0)N23 G41 G01 X40.0;/*调刀尖半径补偿,左偏N24 G01 X-1.6;/*精车右端面N25 G40 G00 Zl52.0 M09;/*取消刀补,切削液关N26 G30 U0 W0 M05;/*返回第二参考点,主轴停止N27 M30;/*程序结束。
实训课题一 .车端面、外圆、台阶的车削
端面、外圆、台阶的车削
1.端面的车削
图1-17车端面
2.外圆的车削
3.倒角 .
4.外圆端面台阶的车削练习
(1)加工图样及相关说明加工如图1-18所示工件。
图1-18外圆端面台阶的加工图样(2)加工分析:
)
四、注意事项
1.工件夹紧后,必须随手拿下卡盘扳手,不允许去摸旋转的工件和铁屑。
2.安装刀具时,一定要擦净各接合表面。
车端面时,刀尖要严格对准工件的旋转中心,以免车出的端面留下小凸台。
3.启动主轴前,应注意刀具是否与工件相撞;应启动主轴对刀;
4..进给途中严禁接触和测量工件;
5.操作时必须先停车,后变速,不允许用量具测量旋转中的工件和清理铁屑,也不准用手清除铁屑,以防割破手指,要用专用的铁屑钩。
6.不允许用工具敲击床身导轨及其他部位,装夹校正工件时,外圆和端面两者兼顾, 加工时,不允许擅自离开车床。
夹紧力是否恰当,加工深度的正确选取。
7.
五、思考题
1.车削加工必须具备哪些运动?
2.工件和车刀的安装应注意是什么?
3.粗、精车的概念试切的方法与步骤如何选择粗、精车的切削用量?
4.试切的方法与步骤是什么?
5.车削加工必须具备哪些运动?
6.在车床上车一直径为60mm的轴,现要一次进给车至直径为52mm。
如果选用切削速度Vc=80m/min,求切削深度和车床主轴转速各是多少?
6.实训总结、填写实训报告
11.剖析出现问题的原因。
2. 就本课题学习效果进行作记录并总结,以利于今后教学改革。
3。
填写实训报告和填写好教学日志。
车削加工工艺基础知识概述车削加工工艺是制造过程中最广泛应用的一种方法。
它是利用车床上旋转的工件和切削刀具之间的相对运动来实现加工目标的方法。
本文将介绍车削加工工艺的基础知识,包括车削工艺的分类、车削加工的主要参数与工具等内容。
车削工艺的分类车削工艺根据工件的形状和加工要求的不同,可分为外圆车削、内圆车削、端面车削、切槽车削等。
外圆车削外圆车削是指对工件外圆进行加工的工艺。
通过旋转工件,切削刀具沿着工件的轴向进行切削,实现对工件外圆的加工。
内圆车削内圆车削是指对工件内圆进行加工的工艺。
通过旋转切削刀具,切削刀具在工件内圆轴向上移动来实现对工件内圆的加工。
端面车削端面车削是指对工件端面进行加工的工艺。
通过旋转切削刀具,将刀具沿着工件端面轴向移动来实现对工件端面的加工。
切槽车削切槽车削是指对工件上开槽进行加工的工艺。
通过旋转切削刀具,切削刀具在工件表面上千分之一毫米地沿着槽的轴向移动,实现对工件槽的加工。
车削加工的主要参数在进行车削加工时,需要控制一些主要的加工参数,以便获得理想的加工效果。
切削速度切削速度是指切削刀具在单位时间内与工件相对运动的速度。
切削速度的选择应根据工件材料、切削材料和切削刀具的性能来确定。
进给量进给量是指切削刀具在单位时间内对工件的切削深度。
进给量的大小取决于工件的硬度、切削刀具的材料和切削性能等因素。
主轴转速主轴转速是指车床主轴每分钟旋转的次数。
主轴转速的选择应根据工件材料和切削刀具的类型来确定。
后座角后座角是切削刀具与工件接触面与刀具前切面之间的夹角。
后座角的选择应根据工件材料和切削刀具的类型来确定。
车削加工工具在进行车削加工时,需要使用一些常见的工具和设备。
车床车床是进行车削加工的主要设备。
它是一种用来安装和旋转工件,以及沿轴向移动切削刀具的机床。
切削刀具切削刀具是进行车削加工的主要工具。
根据车削工艺的不同,切削刀具可分为外圆刀具、内圆刀具、端刀具和切槽刀具等。
刀架刀架是保持切削刀具的工具。
车外圆和端面手动车削外圆、端面的方法一、组织教学1.集合,点名,记考勤。
2、检查工作服,强调安全问题。
二、任务引入每次实习中针对学生掌握内容的差异,表扬掌握好的同学,对操作不得当的或有失误的同学给予纠正并布置下一次实习内容需复习的知识。
三、任务分析车削外圆、端面、阶台工件的方法四、相关知识车削工件时,必须使工件和刀具做相对运动。
根据与运动的性质和作用,车削运动主要分为工件的旋转(主运动)和车刀的直线运动(进给运动)。
主运动工件的旋转运动。
进给运动车刀的直线运动。
车削时工件上形成的表面已加工表面已切除多余金属层而形成的新表面。
过渡表面车刀切削刃在工件上形成的表面。
待加工表面工件上有待切除多余金属层的表面。
五、任务实施手动进给车外圆和端面(一)车刀的装夹方法和要求:1、装夹车刀时,刀尖应对准工件中心线。
1)按车床中心高的数值,用钢直尺对中心。
2)刀尖与顶尖找平,对中心。
2、车刀伸出部分长度应尽可能短些,若伸出过长,刚性不足,容易引起振动。
伸出长度约为刀杆厚度的1~1.5倍。
3、刀杆中心线应与工件表面垂直,否则会引起主偏角和副偏角的数值发生变化。
4、车刀要夹紧,至少要用两个螺钉紧固在刀架上。
(二)刻度盘的原理和应用:1、刻度盘的原理:以中滑板刻度盘为例:刻度盘装在中滑板丝杠上,当摇手柄带着刻度盘专一周时,丝杆也转了一周,这时固定在中滑板的螺母就带动中滑板、车刀移动一个导程。
如果横向进给丝杠导程为5mm,刻度盘分为100格,当摇动进给丝杠一周时,中滑板就移动5mm。
当刻度盘转过一格时,中滑板移动量为:5÷100=0.05mm。
2、刻度盘使用时应注意的问题:1)中滑板空行程的消除方法:(1)产生原因:由于丝杠和螺母之间存在着间隙,因此会产生空行程。
即:刻度盘转动而溜板并没移动。
(2)使用方法:当使用时,必须慢慢的转动到所需的格数,如不注意多转几格(或吃刀量过大时,绝不能简单的退回几格,因为间隙的存在只退回几格,实际中滑板没有退回),必须向相反方向退回全部空行程,然后再转到所需要的格数。
机械工程系实习讲义首页教学过程及教学内容[课前组织]1.检查学生出勤情况,填写教学日志。
2.检查学生装束是否整齐3.讲述要求:纪律、卫生、学习方法、如何作笔记4.宣布本项目的学习任务与目的要求:[设备工量具准备]任务一车削基础知识(1)了解车削加工时切削用量的选择原则。
(2)了解金属车削的过程。
(3)基本掌握车削过程中表面质量的控制方法。
(4)了解车刀切削时磨损的原因与刀具寿命的含义。
任务二外圆、端面、台阶的车削(1)掌握试切法与试测法控制外圆尺寸的方法。
(2)熟练掌握工件找正和安装方法。
(3)掌握零件尺寸的测量方法和对质量进行简单分析。
任务三切外沟槽、切断(1)了解切断刀和车槽刀的种类和用途。
(2)了解切断刀和车槽刀的组成部分和角度要求。
(3)掌握掌握切断刀和车槽刀的刃磨方法。
(4)掌握外沟槽的车削方法和测量方法。
(5)了解车沟槽时产生的问题和防止方法。
(6)掌握直进法和左右车削法切断工件。
[入门指导]任务一车削的基础知识导语:在车削加工时,合理选择切削用量对提高劳动生产率,延长刀具的使用寿命,保证加工质量,降低生产成本有着重要的意义。
一、车削加工时切削用量的选择1.合理选择切削用量的含义衡量切削用量是否合理的标准:①能否保证加工零件的质量要求(主要是加工精度和表面质量)②在加工系统刚性许可的条件下,是否充分利用了车床功率。
③在保证加工质量和刀具寿命的条件下,是否充分发挥了刀具的切削性能。
2.选择切削用量的原则(1)切削深度的选择(2)进给量的选择(3)切削速度的选择•选择切削速度的一般原则如下1)车刀材料使用硬质合金车刀可比高速工具钢车刀的切削速度快。
2)工件材料切削强度和硬度较高的工件时,因为产生的热量和切削力都比较大,车刀容易磨损,所以切削速度应选得低些。
脆性材料如铸铁工件,虽然强度不高,但车削时形成崩碎切屑,热量集中在切削刃附近,不易传散。
因此,切削速度也应取得低一些。
3)表面粗糙度要求表面粗糙度值小的工件,如用硬质合金车刀车削,切削速度应取得高些;如用高速工具钢车刀车削,切削速度应取得低些。
车削加工在机械生产中具有良好的适应性,其切削过程较为平稳,而且是连续进行,而且切削力的变化较小。
对被加工零件个表面位置精度有一定的保证,适合对有色金属零件进行精加工。
本文就来具体介绍一下车削加工的基本工艺。
一、车轴类工件轴类工件时机器中经常遇到典型零件之一,车床车削也是比较常用、比较普遍的加工方法。
轴类工件是旋转体零件,长度大于直径,由外圆柱面、断面和台阶组成。
1、外圆车刀:常用的外圆车刀有直头外圆车刀、90°偏刀和45°偏刀。
2、车外圆:直头外圆车刀强度较好;常用于粗车外圆,90°偏刀主偏角大,适合车外圆、断面和台阶;45°弯头车刀适用于车削不带台阶的光滑轴。
二、车端面和台阶圆柱体两端的平面叫做端面。
由直径不同的两个圆柱体相连的部分叫做台阶。
1、车端面的方法:右偏刀车端面,是由外向里进刀,容易扎入工件而形成凹面;用右偏刀由中心向外车削端面,车削顺利,不容易产生凹面。
用左偏刀由外向中心车端面,利用主切削刃切削,切削条件有所改善。
弯头车刀车削端面以主切削刃进行,很顺利。
它不仅可用于车端面,还可以车外圆和倒角。
2、车台阶方法:车削低于5mm台阶工件,可以让偏刀在车外圆一次完成。
车削高于5mm 台阶的工件,因为肩部过款,车削会引起震动。
因此,高台阶工件可先用外圆车刀把台阶车程大致形状,然后由偏刀分层切削完成。
三、车槽与切断1、车槽:在工件表面上车沟槽的方法叫做切槽,槽的形状有外槽、内槽和端面槽。
(1)切槽刀:常选用高速钢切槽刀。
(2)切槽方法·对于精度不高和宽度较窄的矩形沟槽,可以用刀宽等于槽宽的切槽刀,采用直进法一次车出。
·车削宽槽,可以多次直进法切削,并在槽两侧留一定精车余量。
·车削较小圆弧形槽,可以用成形车刀车削。
·较大圆弧槽,可以使用双手联动车削,用样板检查修整。
2、切断:切断刀的形状与切槽刀相似,常用切断方法有直进法和左右借刀法,直进法用于铸铁等脆性材料;左右借刀法用于钢等塑性材料。