深圳市晶导电子有限公司
- 格式:pdf
- 大小:171.69 KB
- 文档页数:3
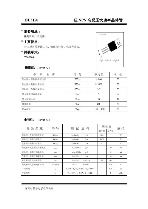
电特性: ℃ ( Tc=25)深圳市晶导电子有限公司参数名称符号测试条件规范值单位最小值最大值集电极-发射极击穿电压BVCEO ;I =1mA I =0C B 800V 集电极-基极击穿电压BV CBO ;I =1mA I =0C E 1100V 发射极-基极击穿电压BV EBO ;I =1mA I =0E C 9V 集电极-发射极反向漏电流I CEO;V =700V I =0CE B 20uA 集电极-基极反向漏电流ICBO ;V =1000V I =0CB E 10uA 发射极-基极反向漏电流IEBO ;V =7V I =0EB C 10uA共发射极直流电流增益HFE; V =5V I =0.2ACE C1540集电极-发射极饱和压降V (sat)CE; I =1A I =0.5AC B0.6V 下降时间tf ;;I =1A I =I =0.2A V =300VC B1 B2 CE 0.5uS 特征频率f T;;V =10V I =0.1A f =1MHzCE C4MHz深圳市晶导电子有限公司静态输出特性0.40.81.21.62246810Ib=020mA40mA60mA 80mA100mA()集电极电流I c A ()集电极-发射极电压Vce V 210.10.0111020503040直流电流增益-集电极电流HFE Ic 直流电流增益H F E ()集电极电流Ic A 00.1Vce=5V0.1123Ic=2Ib()集电极电流Ic A ()()集电极-发射极饱和压降V c e s a t V 耗散功率-结温Pc Tj ()集电极发射极饱和压降-集电极电流Vce sat -Ic 12510075502504080120160200(%)耗散功率P c W (℃)结温Tj 11010010000.010.1110()集电极电流I c A ()集电极-发射极电压Vce V ()安全工作区SOA DC 33120.01-外形尺寸图TO 220A单位:mm Array深圳市晶导电子有限公司。
Enterprise Development专业品质权威Analysis Report企业发展分析报告深圳市晶泰达电子有限公司免责声明:本报告通过对该企业公开数据进行分析生成,并不完全代表我方对该企业的意见,如有错误请及时联系;本报告出于对企业发展研究目的产生,仅供参考,在任何情况下,使用本报告所引起的一切后果,我方不承担任何责任:本报告不得用于一切商业用途,如需引用或合作,请与我方联系:深圳市晶泰达电子有限公司1企业发展分析结果1.1 企业发展指数得分企业发展指数得分深圳市晶泰达电子有限公司综合得分说明:企业发展指数根据企业规模、企业创新、企业风险、企业活力四个维度对企业发展情况进行评价。
该企业的综合评价得分需要您得到该公司授权后,我们将协助您分析给出。
1.2 企业画像类别内容行业批发业-机械设备、五金产品及电子产品批发资质一般纳税人产品服务是:半导体电子元器件、集成电路的销售;国1.3 发展历程2工商2.1工商信息2.2工商变更2.3股东结构2.4主要人员2.5分支机构2.6对外投资2.7企业年报2.8股权出质2.9动产抵押2.10司法协助2.11清算2.12注销3投融资3.1融资历史3.2投资事件3.3核心团队3.4企业业务4企业信用4.1企业信用4.2行政许可-工商局4.3行政处罚-信用中国4.4行政处罚-工商局4.5税务评级4.6税务处罚4.7经营异常4.8经营异常-工商局4.9采购不良行为4.10产品抽查4.11产品抽查-工商局4.12欠税公告4.13环保处罚4.14被执行人5司法文书5.1法律诉讼(当事人)5.2法律诉讼(相关人)5.3开庭公告5.4被执行人5.5法院公告5.6破产暂无破产数据6企业资质6.1资质许可6.2人员资质6.3产品许可6.4特殊许可7知识产权7.1商标7.2专利7.3软件著作权7.4作品著作权7.5网站备案7.6应用APP7.7微信公众号8招标中标8.1政府招标8.2政府中标8.3央企招标8.4央企中标9标准9.1国家标准9.2行业标准9.3团体标准9.4地方标准10成果奖励10.1国家奖励10.2省部奖励10.3社会奖励10.4科技成果11土地11.1大块土地出让11.2出让公告11.3土地抵押11.4地块公示11.5大企业购地11.6土地出租11.7土地结果11.8土地转让12基金12.1国家自然基金12.2国家自然基金成果12.3国家社科基金13招聘13.1招聘信息感谢阅读:感谢您耐心地阅读这份企业调查分析报告。
公司名经营模式深圳市宝安区沙井镇荣兴电子经营部生产加工深圳市恒成微电子有限公司生产加工深圳市东海旭日电子有限公司生产加工深圳市强元芯电子有限公司生产加工深圳市福田区新亚洲电子市场信宝伏安电子商行生产加工深圳市力多盛电子科技有限公司生产加工深圳市川亚变压器制造有限公司生产加工邱平华生产加工洪珍珍生产加工吴优斌生产加工明宇达智能设备(深圳)有限公司生产加工深圳市星驰科技开发有限公司电子事业部生产加工深圳市安杰利自控科技有限公司生产加工深圳利达电子科技有限公司生产加工深圳市蓝润科技有限公司生产加工恒讯捷(香港)有限公司生产加工高科特半导体有限公司销售部生产加工深圳市华之海电子实业有限公司业务部生产加工无锡东海旭日电子实业有限公司(业务部)生产加工所属行业主营行业可控硅(晶闸管) 整流器件 场效高反压三极管 可控硅(晶闸管) 整流器件 场效场效应管可控硅(晶闸管) 场效应管稳压二极管可控硅(晶闸管)整流二极管可控硅(晶闸管) 场效应管场效应管可控硅(晶闸管)三极管可控硅(晶闸管)节电设备可控硅(晶闸管) 变频器PLC可控硅(晶闸管)可控硅(晶闸管)可控硅(晶闸管)发光二极管可控硅(晶闸管)综合性公司可控硅(晶闸管)可控硅(晶闸管)可控硅(晶闸管) 场效应管肖特基二极管可控硅(晶闸管) 场效应管发光二极管可控硅(晶闸管) 整流器件整流二极管可控硅(晶闸管) 场效应管场效应管可控硅(晶闸管)综合性公司可控硅(晶闸管)开关二极管可控硅(晶闸管) 场效应管肖特基二极管主营产品或服务经营品牌霍尔元件;水泥电阻;三端稳压;整荣兴三极管;集成电路;场效应SI场效应MOS管 三极管 可控硅 三电子元器件;整流桥;模块;二三极SUN整流桥;场效应管;电位器;集成电开关三极管;单双向可控硅;快恢SYSEMI、UPD、ST、IXYS、UPS变压器;EPS变压器;变频电源川亚变频器;人机介面;PLC;伺服系统;可控硅;光电产品;大功率;点胶机;集成电智能照明控制系统 LED灯具 电明宇达可控硅 功率半导体元器件 照韩国D&I品牌MSOFET场效应管AngelAuto 安杰利科技集成电路IC;二三极管;可控硅;整通信IC 三端稳压 二极管 三开关电源 集成电路 场效应管恒讯捷双向可控硅 单向可控硅二三极管 IC 贴片二极管 三极管 可控硅 稳压主要客户法定代表人电子厂等刘国斌电子厂余向谦电器工厂陈伟电子 电工 机电 业董晶晶电子工厂,企业,科研单位,维刘斌制造工厂曾志新电源,机械唐上杰电器数码厂/遥控器厂/邦定厂/玩具厂吴优斌系统集成商、弱电总包、照明公吴生工业控制产品厂家、通讯设备制陈孝安工厂、公司、电子市场林崇文电子厂翁策高电话移动电话样本,无联系方式样本,无联系方式样本,无联系方式样本,无联系方式样本,无联系方式样本,无联系方式样本,无联系方式样本,无联系方式样本,无联系方式样本,无联系方式样本,无联系方式样本,无联系方式样本,无联系方式样本,无联系方式样本,无联系方式样本,无联系方式样本,无联系方式样本,无联系方式样本,无联系方式样本,无联系方式样本,无联系方式样本,无联系方式样本,无联系方式样本,无联系方式样本,无联系方式样本,无联系方式样本,无联系方式样本,无联系方式样本,无联系方式样本,无联系方式样本,无联系方式样本,无联系方式样本,无联系方式样本,无联系方式样本,无联系方式样本,无联系方式样本,无联系方式样本,无联系方式传真公司简介样本,无联系方式深圳荣兴电子是一家集生产,经样本,无联系方式深圳市恒成微电子有限公司是一样本,无联系方式东海公司为生产与代理贸易合营样本,无联系方式深圳市强元芯电子有限公司,系样本,无联系方式深圳市信宝伏安电子是专业从事样本,无联系方式样本,无联系方式深圳市川亚变压器制造有限公司样本,无联系方式深圳华辉五金机电有限公司 专业样本,无联系方式深圳市芯诚半导体有限公司是一样本,无联系方式深圳斌辉电子科技有限公司是集样本,无联系方式明宇达智能设备(深圳)有限公样本,无联系方式深圳市星驰科技开发有限公司是样本,无联系方式样本,无联系方式深圳市利达电子科技有限公司 专样本,无联系方式深圳市蓝润科技有限公司是一家样本,无联系方式恒讯捷(香港)有限公司是开关样本,无联系方式深圳高科特半导体有限公司在全样本,无联系方式深圳市华之海电子实业有限公司样本,无联系方式无锡东海旭日电子实业有限公司省份城市广东深圳广东深圳广东深圳广东深圳广东深圳广东深圳广东深圳广东深圳广东深圳广东深圳广东深圳广东深圳广东深圳广东深圳广东深圳广东深圳广东深圳地址邮编518105518000518000518003518031518109518112中国 广东 深圳市宝安区 暂未填518000中国 广东 深圳市 宝安44区翻身中国 广东 深圳市宝安区 龙樟路518033中国 广东 深圳市福田区 深圳市中国 广东 深圳市宝安区 深圳市518000中国 广东 深圳市福田区 深圳市中国 广东 深圳市福田区 福田区公司主页企业类型个体经营有限责任公司有限责任公司有限责任公司个体经营有限责任公司.alibaba.私营独资企业私营股份有限公司.ali其他其他私营有限责任公司私营有限责任公司私营独资企业私营独资企业其他私营独资企业有限责任公司注册资本员工人数无需验资11 - 50 人人民币 11 - 50 人人民币人民币 51 - 100 人无需验资 5 - 10 人人民币 101 - 200 人无需验资人民币 51 - 100 人无需验资人民币500万51 - 100 人人民币50万51 - 100 人人民币 51 - 100 人无需验资无需验资101 - 200 人人民币100万11 - 50 人无需验资无需验资公司成立时间年营业额2003 年人民币 100 万元/年 - 200 万元2006 年人民币 1000 万元/年 - 2000 万2006 年2008 年人民币 1000 万元/年 - 2000 万2008 年2009 年人民币 500 万元/年 - 700 万元2008 年2006 年2007人民币 1000 万元/年 - 2000 万20052006 年人民币 300 万元/年 - 500 万元20062005人民币 700 万元/年 - 1000 万2006人民币 10 万元/年 - 30 万元/ 1996经营地点主要市场港深圳市宝安区沙井电子城大陆深圳市福田区福华路广业大厦412大陆深圳市福田区中航路鼎诚国际大陆深圳市国利大厦1019/新亚洲大陆港港深圳大陆深圳市龙华大浪街道华宁路西恒大陆深圳市宝安沙井永一国际商务大深圳宝安大陆深圳市宝安龙华大浪赖屋山新村大陆深圳市宝安区观澜街道桂花新村大陆;港澳台地区;华南地区港广州市,深圳市大陆深圳市宝安区深圳市宝安区民治大道民泰大厦大陆;宝安区45区大陆;深圳市福田区华强北路现代之窗B深圳开户银行银行帐号交行601428 2631 5382009中国工商银行深圳龙华支行深圳农村商业银行92533160中国银行深圳赛格广场支行 6.01382E+18是否提供OEM代加工质量控制内部内部内部第三方第三方第三方内部内部内部内部第三方年进口额年出口额人民币 30 万元 - 50 万元人民币 50 万元 - 100 万元人民币 1000 万元 - 2000 万元人民币 200 万元 - 300 万元人民币 500 万元 - 700 万元人民币 700 万元 - 1000 万元人民币 30 万元 - 50 万元人民币 200 万元 - 300 万元人民币 50 万元 - 100 万元人民币 100 万元 - 200 万元厂房面积月产量3000 平方米1500 平方米5000000 20000 平方米KK2000 平方米1200 30003000 套2000 平方米10000 台。
客户名称地址联系人电话备注二访瑞隆科技宝安九围竹角谢经理6153751912.21代工产品使用三防漆帮我司推捷和科技宝安区鹤洲恒陈小姐2732556712.22现用SDS有机硅胶迈联电子西乡前进二路刘小姐2790355712.23做大功率LED用到UV胶现用道宁1.13号回访现用品锐电子西乡鹤洲恒丰缪先生2997673012.23用到三防漆功夫光电西乡固戊南昌陈小姐6158797112.24电访用到有机硅胶光大照明科技固成村新固工张小姐6152561112.28用螺丝2.22没太多需要伦邦光电科技宝安西乡固戊蓝小姐2964381312.28做大功率LED 中子星光电科西乡固戊航城黄小姐2978421112.28顺路拜访每日照明科技固戊港通道贤杨小姐27858932 3.3送样905(3.25杨小姐介绍张工,用天目705长宏光电科技固戊航城大道范先生29553553 1.5做大功率LED,现用日立5212展鸿光电固戊贤顺工业张 工29100503 1.6用道康宁6336.4939.650协和新光电固戊贤顺工业文小姐21116912 1.6用到灌封胶健炜创光电有固戊三围村华邹先生27513781 1.11电访用回天产品,不换供应商东陆科技西乡固戊航城李先生29784605 1.20现在用有机硅胶微科电子西乡固戊10.黄小姐61529166 1.22用快干胶汉控科技西乡盛泰大道何先生29799079 1.22用520有机硅灌封胶华熠辉光电科西乡固戍福莱潘小姐29603641 1.26送392样5订392,需905样品联通数码科技西乡航城大道张小姐29642688 1.29有用有机硅胶年前不考虑开旺佳电源科宝安区澜沙岩段小姐 张81466896 2.2目前使用红胶伟丰电子西乡三国第三李小姐27476888 2.22待跟进华柏电子宝安72区甲岸孟先生299538122.24用到有机硅胶,先试样佳明电子西乡凤凰岗第B2栋黄小姐294436432.25用62两瓶联健光电宝安68区福山刘小姐 陈297466263.2有使用三防漆但用量不大西乡彩应宝安25区黄先生27259099 5.18120送样鸿达信固戍塘西第二陆先生27916352 5.19朋友介绍凯利锋固戌朱坳第三刘先生27490913防雷产品鑫源亮彩固戍福荣路1号张小姐615202088月4号回访,对方用十几元80,11.26拜访,洽谈业务凌科凯特宝安30区刘先生278004758.7电访推广产品精敏数字宝安82区华美刘先生21329780电机控制器蓝通光电宝安71区留仙李小姐29995408中晶太阳能龙华镇同富裕辜小姐2814080912.18硅胶送样,价钱太低做不了博科达电源龙华大浪同胜李小姐6156164012.25做电源用到三防漆沐昌光电松岗街道红星张工3393706512.29目前 要3.24样品试了还可以,他们那边的晶域光电龙华大浪街道张经理84193109 1.7东莞力上AB胶45分钟固化三一飞达科技龙华大浪上横欧阳小姐83038459 1.7做太阳能3.25见鑫联康科技沙井和二村裕刘小姐81495988 1.11南柏科技公明合水口第陈小姐27731691 1.12电访现用3.24用南大73.29一个月才用几十块威鸿灯饰制品松岗沙浦洋涌罗先生27142881 2.5现用乐泰4.12用乐泰胶水和3M硅胶,都是客磁联龙华太浪肖明华27408238.8电访太阳能12.25空号旭荣实业沙井南北路蔡先生27234188 5.15电访用快干胶耕创电子公明街道楼村肖小姐2711770711.24拜访,三3.29周三见面,先打电话深圳麦丰龙岗坪山六联樊小姐28828056汽车音响8.31送样A460,NG 锐腾隆龙华大浪刘小姐28112796显示屏普能达沙井新二钻庄李先生82800555车载冰箱9/24电访待拜访10/16拜访待送样金宝通布吉丹竹头张先生847366089.18电访道康宁三防漆迪晟能源技术福永和平村和张小姐2919116912.9送资料洽谈,推广有机硅胶12.10送样181东保利福永和平村桥陈小姐2734202112.10洽谈科讯实业福永街道大洋梅先生2736036812.11目前用2040固化需1H,想固化再快点富格实业福永怀德翠岗黄小姐2992441912.15目前用SMT红胶新龙展示福永大田洋福蓝先生2730838512.17用便宜黄胶泳森科技有限福永塘尾华丰张小姐27342334 1.15需AB胶605祺丰数码科技福永和平村和李小姐33671618 1.4用红胶金微诚科技公福永和平村福林小姐61187730 1.4用乐泰353.21好像用稀瞬UV胶,月用5公斤雷迪宝科技福永溏尾富华陈小姐27321717 1.11电访用导热硅胶1.15现用TC有机硅胶飞毛腿电子福永和平村福陈先生33650280 1.12电访用到拜访用瞬干胶和灌封胶华北工控福永镇福海工张小姐27330861 1.12电访用有机硅胶,1.13号回访高欣电子福永新和村新张小姐33801312 1.21用东莞乔越8603有机硅胶鑫银海电子福永同富裕工李小姐27343776 1.21需AB粘硅橡胶金兰田电子有福永桥头富桥苏小姐29604957 1.26金健电子科技福永镇新和村郭小姐33938185 1.28推广红胶双意电子有限福永大洋田开陆小姐33819212 1.28腾美医疗福永白石厦新呈小姐27326688 3.1用到UV胶,瞬干胶京伟福永新和村叶小姐29929877 5.20现用乐泰3.29不需要裕富照明石岩塘头工业宁小姐(采购72153 29512552(于工12.18对我司3.10月用硅胶3.29没月25号3.30说我们的鑫鸿华太阳能石岩塘头大道李经理2704119112.21用道康宁7091接受价格在25元左右瑞隆光电石岩镇吉祥路吴先生2761342112.25用东莞大洲电子的科思特光电石岩镇塘头特李小姐29572433 1.8用卓科5103有机硅胶裕同电子有限石岩镇石龙工朱先生33873999 1.8集团公司1.11号送样75,试样不行东山光电有限石岩镇三视星唐小姐27639336 1.14用AB胶伟洛仕电子石岩镇应人石代小姐27624515 1.14瞬干胶及AB胶科恩特光电有石岩塘头宏发李小姐29572433 1.19送3927卓晶电子有限石岩镇石路万梁小姐81791348 1.19使用有机硅胶15kg左右三迪光电科技石岩镇上屋区杨小姐29816992 2.4有用到硅,谢小姐接电话,说硅胶,胶水没用光大佳廉电子石岩镇应人文贾小姐29685636 2.4使用红胶,用量不大议拓电子有限石岩镇圆领陈小姐27661917 2.23使用有机电话,要我发个资料过去西典娜电子有石岩应人文韬陆小姐29685455 2.23使用环氧树脂上古光电石岩文韬工业李先生29685821 2.26用硅胶,.26有供应商了。
(19)国家知识产权局(12)发明专利申请(10)申请公布号 (43)申请公布日 (21)申请号 202211692618.X(22)申请日 2022.12.28(71)申请人 深圳晶泰科技有限公司地址 518000 广东省深圳市福田区福保街道福保社区红柳道2号289数字半岛3层整层(72)发明人 李子依 王彤彤 刘雪涛 刘翔 (74)专利代理机构 北京汇鑫君达知识产权代理有限公司 11769专利代理师 刘志红(51)Int.Cl.G01N 23/20058(2018.01)(54)发明名称一种提高微晶电子衍射数据质量的方法(57)摘要本申请提供一种提高微晶电子衍射数据质量的方法,包括:当确认未能解析出目标样品的结构时,获取目标样品的衍射数据的最高分辨率和/或目标样品的耐受度;当目标样品的衍射数据的最高分辨率和/或目标样品的耐受度满足预设条件时,对目标样品进行处理,得到处理后的目标样品;采用微晶电子衍射方法解析所述处理后的目标样品的结构;其中,所述当所述目标样品满足预设条件时,对目标样品进行处理,包括:当目标样品的衍射数据的最高分辨率大于预设分辨率时,采用以下至少一种方法提高目标样品的衍射数据的分辨率:溶剂包裹法、聚焦离子束法、样品优化法;和/或,当目标样品的耐受度小于等于预设耐受度时,采用镀膜法提高目标样品的耐受度。
权利要求书2页 说明书11页 附图2页CN 115931935 A 2023.04.07C N 115931935A1.一种提高微晶电子衍射数据质量的方法,其特征在于,包括:当确认未能解析出目标样品的结构时,获取所述目标样品的衍射数据的最高分辨率和/或所述目标样品的耐受度;当所述目标样品的衍射数据的最高分辨率和/或所述目标样品的耐受度满足预设条件时,对所述目标样品进行处理,得到处理后的目标样品;采用微晶电子衍射方法解析所述处理后的目标样品的结构;其中,所述当所述目标样品满足预设条件时,对所述目标样品进行处理,包括:当所述目标样品的衍射数据的最高分辨率大于预设分辨率时,采用以下至少一种方法提高所述目标样品的衍射数据的分辨率:溶剂包裹法、聚焦离子束法、样品优化法;和/或,当所述目标样品的耐受度小于等于预设耐受度时,采用镀膜法提高所述目标样品的耐受度。
专利名称:一种辅助开关电源专用的开关晶体管专利类型:实用新型专利
发明人:顾卓,沈美林
申请号:CN200720171913.5
申请日:20070919
公开号:CN201084732Y
公开日:
20080709
专利内容由知识产权出版社提供
摘要:本实用新型公开了一种辅助开关电源专用的开关晶体管,其芯片面积的取值范围为1.69~7平方毫米,所述芯片的高阻层电阻率的取值范围为50~80欧姆厘米。
所述芯片的Bvceo取值范围为500~850伏特。
本实用新型的开关晶体管的芯片面积降低了4倍多,晶体管的高阻层电阻率从80~100Ω·cm降低到50~80Ω·cm,开关晶体管的输出功率增大,且热损耗降低,不仅节约了成本,还提高了开关晶体管的安全性能。
申请人:深圳市晶导电子有限公司
地址:518101 广东省深圳市宝安70区留仙二路鸿威工业园D栋一、二层
国籍:CN
代理机构:广州华进联合专利商标代理有限公司
代理人:郑小粤
更多信息请下载全文后查看。
专利名称:小外形晶体管SOT封装结构专利类型:实用新型专利
发明人:赖辉朋,马超
申请号:CN201821760795.6
申请日:20181029
公开号:CN209150103U
公开日:
20190723
专利内容由知识产权出版社提供
摘要:本实用新型涉及一种小外形晶体管SOT封装结构。
该SOT封装结构包括引线框架和塑封于引线框架外的塑封体,引线框架包括位于塑封体上侧间隔布置的第一管脚和第二管脚以及位于塑封体下侧间隔布置的第三管脚和第四管脚,所示第一管脚和第二管脚相向的两边的距离大于1mm,第三管脚和第四管脚相向的两边的距离大于1mm,引线框架的中部设置有基岛,用于贴合芯片。
上述SOT 封装结构通过设置四个管脚,满足了大部分产品的封装要求,同时增加了管脚之间的距离,实现了良好的爬电保护,降低了产品的制造难度从而降低了不良品的产出。
申请人:深圳市晶导电子有限公司
地址:518101 广东省深圳市宝安区新安街道留仙二路鸿辉工业园3号厂房1-4楼
国籍:CN
代理机构:广州华进联合专利商标代理有限公司
代理人:吴平
更多信息请下载全文后查看。
目录一、企业背景 (5)1.1 工商信息 (5)1.2 分支机构 (5)1.3 变更记录 (5)1.4 主要人员 (10)1.5 联系方式 (10)二、股东信息 (10)三、对外投资信息 (11)四、企业年报 (11)五、重点关注 (12)5.1 被执行人 (12)5.2 失信信息 (13)5.3 裁判文书 (13)5.4 法院公告 (15)5.5 行政处罚 (16)5.6 严重违法 (16)5.7 股权出质 (16)5.8 动产抵押 (16)5.9 开庭公告 (16)5.11 股权冻结 (19)5.12 清算信息 (19)5.13 公示催告 (19)六、知识产权 (19)6.1 商标信息 (19)6.2 专利信息 (19)6.3 软件著作权 (23)6.4 作品著作权 (23)6.5 网站备案 (23)七、企业发展 (23)7.1 融资信息 (23)7.2 核心成员 (23)7.3 竞品信息 (24)7.4 企业品牌项目 (25)八、经营状况 (25)8.1 招投标 (25)8.2 税务评级 (25)8.3 资质证书 (25)8.4 抽查检查 (26)8.5 进出口信用 (26)8.6 行政许可 (27)一、企业背景1.1 工商信息企业名称:深圳市晶导电子有限公司工商注册号:440306102871702统一信用代码:91440300781379518R法定代表人:冉琪组织机构代码:78137951-8企业类型:有限责任公司所属行业:计算机、通信和其他电子设备制造业经营状态:开业注册资本:4,000万(元)注册时间:2005-10-28注册地址:深圳市宝安区新安街道留仙二路鸿辉工业园3号厂房1-4楼营业期限:2005-10-28 至 5000-01-01经营范围:一般经营项目是:集成电路、半导体器件的芯片设计、研发、系统集成、封装测试与销售、技术咨询、技术服务;国内贸易,货物及技术进出口。
(法律、行政法规或者国务院决定禁止和规定在登记前须经批准的项目除外)。
Enterprise Development专业品质权威Analysis Report企业发展分析报告深圳市晶台半导体有限公司免责声明:本报告通过对该企业公开数据进行分析生成,并不完全代表我方对该企业的意见,如有错误请及时联系;本报告出于对企业发展研究目的产生,仅供参考,在任何情况下,使用本报告所引起的一切后果,我方不承担任何责任:本报告不得用于一切商业用途,如需引用或合作,请与我方联系:深圳市晶台半导体有限公司1企业发展分析结果1.1 企业发展指数得分企业发展指数得分深圳市晶台半导体有限公司综合得分说明:企业发展指数根据企业规模、企业创新、企业风险、企业活力四个维度对企业发展情况进行评价。
该企业的综合评价得分需要您得到该公司授权后,我们将协助您分析给出。
1.2 企业画像类别内容行业计算机、通信和其他电子设备制造业-电子器件制造资质空产品服务是:集成电路设计;集成电路芯片及产品销售1.3 发展历程2工商2.1工商信息2.2工商变更2.3股东结构2.4主要人员2.5分支机构2.6对外投资2.7企业年报2.8股权出质2.9动产抵押2.10司法协助2.11清算2.12注销3投融资3.1融资历史3.2投资事件3.3核心团队3.4企业业务4企业信用4.1企业信用4.2行政许可-工商局4.3行政处罚-信用中国4.5税务评级4.6税务处罚4.7经营异常4.8经营异常-工商局4.9采购不良行为4.10产品抽查4.12欠税公告4.13环保处罚4.14被执行人5司法文书5.1法律诉讼(当事人)5.2法律诉讼(相关人)5.3开庭公告5.4被执行人5.5法院公告5.6破产暂无破产数据6企业资质6.1资质许可6.2人员资质6.3产品许可6.4特殊许可7知识产权7.1商标7.2专利7.3软件著作权7.4作品著作权7.5网站备案7.6应用APP7.7微信公众号8招标中标8.1政府招标8.2政府中标8.3央企招标8.4央企中标9标准9.1国家标准9.2行业标准9.3团体标准9.4地方标准10成果奖励10.1国家奖励10.2省部奖励10.3社会奖励10.4科技成果11 土地11.1大块土地出让11.2出让公告11.3土地抵押11.4地块公示11.5大企业购地11.6土地出租11.7土地结果11.8土地转让12基金12.1国家自然基金12.2国家自然基金成果12.3国家社科基金13招聘13.1招聘信息感谢阅读:感谢您耐心地阅读这份企业调查分析报告。
目录一、企业背景 (5)1.1 工商信息 (5)1.2 分支机构 (5)1.3 变更记录 (5)1.4 主要人员 (5)1.5 联系方式 (6)二、股东信息 (6)三、对外投资信息 (6)四、企业年报 (6)五、重点关注 (7)5.1 被执行人 (7)5.2 失信信息 (8)5.3 裁判文书 (8)5.4 法院公告 (8)5.5 行政处罚 (8)5.6 严重违法 (8)5.7 股权出质 (8)5.8 动产抵押 (8)5.9 开庭公告 (8)5.11 股权冻结 (9)5.12 清算信息 (9)5.13 公示催告 (9)六、知识产权 (9)6.1 商标信息 (9)6.2 专利信息 (9)6.3 软件著作权 (9)6.4 作品著作权 (10)6.5 网站备案 (10)七、企业发展 (10)7.1 融资信息 (10)7.2 核心成员 (10)7.3 竞品信息 (10)7.4 企业品牌项目 (10)八、经营状况 (11)8.1 招投标 (11)8.2 税务评级 (11)8.3 资质证书 (11)8.4 抽查检查 (11)8.5 进出口信用 (11)8.6 行政许可 (11)一、企业背景1.1 工商信息企业名称:深圳市晶导世纪科技有限公司工商注册号:440300212879813统一信用代码:91440300MA5GLKM0XY法定代表人:肖伟杰组织机构代码:MA5GLKM0-X企业类型:有限责任公司所属行业:零售业经营状态:开业注册资本:300万(元)注册时间:2021-02-02注册地址:深圳市福田区华强北街道福强社区华强北路1078号现代之窗A座、B座A座20F-1营业期限:2021-02-02 至无固定期限经营范围:一般经营项目是:电子产品、电子元器件、数码产品、集成电路、电脑及手机配件的技术开发与销售;进出口业务,国内贸易。
(象牙及其制品除外,法律、行政法规、国务院决定禁止的项目除外,限制的项目须取得许可后方可经营),许可经营项目是:无登记机关:深圳市市场监督管理局核准日期:2021-02-021.2 分支机构截止2022年05月22日,爱企查未找到该公司的分支机构内容。