锚索测力计(振弦式)埋设安装考证表及质量评定表【经典word】
- 格式:doc
- 大小:44.50 KB
- 文档页数:2
施工单位:合同编号:监理单位:编号:
施工单位:合同编号:监理单位:编号:
施工单位:合同编号:监理单位:编号:
施工单位:合同编号:监理单位:编号:
注:1、单元质量评定以工序评定为依据;2、☆为主要检测工序;3、△为主要检测项目。
施工单位:合同编号:监理单位:编号:
对穿预应力锚索单元工程质量评定表
施工单位:合同编号:
监理单位:编号:
施工单位:合同编号:监理单位:编号:
红岭水利枢纽工程
预应力锚索灌浆记录
施工单位:合同编号:
监理单位:编号:
锚索编号:孔口桩号、高程:浆泵型号:孔径;灌浆方法:200 年月日班倾角:孔深:内锚段长:张拉段长:水泥:第页共页
记录:计量:审核:监理:
红岭水利枢纽工程
预应力锚索张拉记录表
施工单位:合同编号:监理单位:编号:
张拉日期:200 年月日
记录:计量:审核:监理:
红岭水利枢纽工程
预应力锚索造孔记录表
施工单位:合同编号:监理单位:编号:钻孔日期:
记录:计量:审核:监理:
施工单位:合同编号:
监理单位:编号:。
锚杆支护分项工程质量检验评定表说明1.本表适用于井巷各种锚杆支护分项工程。
2.保证项目有2项检验项目。
其检验方法:应在锚杆下井前,对锚杆的杆体及配件的材质、品种、规格、强度、结构和水泥卷、树脂卷及锚固材料的材质、规格、配比、性能对照设计进行实查,凡不符合的,严禁下井使用。
中间或竣工验收时,抽查产品合格证或材料试验报告,并现场实查。
3. 基本项目有2项检验项目。
其检验方法:其“安装质量”:班组逐排检验,并做好记录。
中间或竣工验收时,按《标准》附录A表A.2的规定,选检查点。
对于无喷浆的井巷,现场扳动、观察实查;对于喷浆的井巷,抽查检查点上的施工检查记录。
其“抗拔力”:应在施工过程中,每300根或300根以下锚杆,做抗拔力试验不得少于1组;设计或材料变更,应另试验一组,每组不少于3组。
中间或竣工验收时,抽查抗拔力试验,必要时进行现场实测。
每组为一个检查点,每个检查点3根为3个测点,每组应在同一排锚杆中均匀取3根(巷道两帮和顶板各1根)。
4.允许偏差项目有4项检验项目。
其检验方法:其“间距”、“排距”和“外露长度”:同基本项目中的“安装质量”检验方法。
其“孔深”和“角度”:匀应在施工过程中,逐排检验,并做好施工检查记录。
中间或竣工验收时,抽查检查点上的施工检查记录。
预应力锚索支护分项工程质量检验评定表工程名称:部位:工程量:m说明1.本表适用于井巷预应力锚索支护分项工程。
2.保证项目有2项检验项目。
其检验方法:同表7-2-1中的保证项目的检验方法。
3.基本项目有3项检验项目。
其检验方法:应在施工过程中,逐根实测,并做好施工检查记录。
中间或竣工验收时,抽查检查点上的施工检查记录。
4.允许偏差项目有3项检验项目。
其检验方法:同基本项目。
立井喷射混凝土支护分项工程质量检验评定表检验日期:年月日说明1.本表适用于有、无提升立井喷射混凝土(含砂浆)支护分项工程。
2.保证项目有3项检验项目。
其检验方法:其保证项目“1”、“2”:均应在施工前,对水泥、水、骨料、外加剂的质量和配合比、外加剂掺量对照设计进行实查,凡不符合的,严禁使用。
振弦式锚索测力计安装使用手册(REV A)北京SOIL仪器有限公司地址:北京丰台区丰台科技园航丰路9号302室电话:************邮编:100071 传真:************网址: 电子邮件:*************.cn目录1.概述 (1)1.1简介 (1)1.2锚索测力计构造 (1)2.率定、安装与接线 (3)2.1锚索测力计现场率定 (3)2.2锚索测力计现场安装 (4)2.3锚索测力计接线 (5)3.读数及数据整理 (6)3.1BSIL-RO-VW型读数仪的操作 (6)3.2CR10X型振弦式仪器采集仪的操作 (6)3.3温度测量 (6)3.4数据整理 (6)4.维护 (7)5.技术指标 (8)附录A-半导体温度计温度推导公式 (9)1.概述1.1 简介BSIL-L2系列钢弦式锚索测力计用于锚索、岩石锚杆、锚栓或拱形支架的荷载以及其它重型荷载的测量。
在一般情况下,L2系列锚索测力计用于测量加载液压千斤顶上的变力、荷载及锚索(杆)的长期应力变化监测。
锚索测力计通常用于以下几方面:• 确认锚索测力计在测量锚索、岩石锚杆等过程中加在千斤顶上的液压荷载。
• 提供对锚石,岩石锚杆及其它重型荷载的全过程的监测。
• 为接收数据提供电信号输出。
1.2 锚索测力计构造锚索测力计本身为高强度的合金钢圆筒,内置3、4或6个高精度SOIL钢弦式传感器,传感器由不锈钢护管保护。
传感器可以测量作用在锚索测力计上的总荷载,同时通过测读每只传感器,还可以测出不均匀或偏心荷载。
锚索测力计采用全防水密封结构设计,可以在露天或野外工作。
BSIL-L2系列钢弦式锚索测力计用BSIL-RO-VW读数仪或CR10x钢弦锚索测力计数据采集仪进行读数。
有关锚索测力计的外型结构参见图1。
图1 L2系列锚索计外观图(三弦式)图2 用于永久监测的安装图3 用于试验监测的安装图4 用于桩基监测2.率定、安装与接线2.1 锚索测力计现场率定BSIL-L2锚索测力计在交货前均经严格检验,按照测力计检测规范检测率定,并出具相应的测试报告,用户不需进行现场率定即可使用。
承包单位:中煤三建第七十一工程处施工段:监理单位:中煤陕西中安项目管理有限责任公司郭家湾煤矿监理部本表编号:工程名称5-1煤中央带式输送机大巷施工时间2014年月日桩号及部位
项数检查项目规定值或允许偏差实测数据
1 锚索长度(m)6500mm
2 扩张环位置6350mm
3 箍环位置6350mm
4 防护套网位置6300mm
5 自由段长度250mm
6 锚固段长度6250mm
7 自由段防护50mm
8 锚索预应力120KN
自检意见:
质检工程师:日期:
监理意见:
监理工程师:日期:
检查合格□检查不合格□同意进入下道工序□不同意进入下道工序□专业监理工程师:日期:
检查:复核:
承包单位:中煤三建第七十一工程处施工段:监理单位:中煤陕西中安项目管理有限责任公司郭家湾煤矿监理部本表编号:工程名称5-1煤中央辅助运输大巷施工时间
桩号及部位
项数检查项目规定值或允许偏差实测数据
1 锚索长度(m)150m
2 扩张环位置
3 箍环位置
4 防护套网位置
5 自由段长度
6 锚固段长度
7 自由段防护
8 锚索预应力
自检意见:
质检工程师:日期:
监理意见:
监理工程师:日期:
检查合格□检查不合格□同意进入下道工序□不同意进入下道工序□专业监理工程师:日期:
检查:复核:。
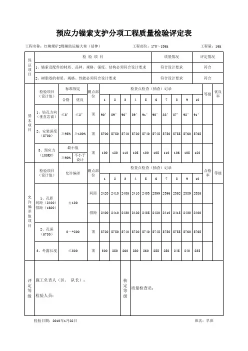
工程名称:红柳煤矿2煤辅助运输大巷(延伸) 工程部位:170~186m 工程量:16m
工程名称:红柳煤矿2煤辅助运输大巷(延伸) 工程部位:186~202m 工程量:16m
工程名称:红柳煤矿2煤辅助运输大巷(延伸) 工程部位:202~218m 工程量:16m
工程名称:红柳煤矿2煤辅助运输大巷(延伸) 工程部位:218~234m 工程量:16m
工程名称:红柳煤矿2煤辅助运输大巷(延伸) 工程部位:234~250m 工程量:16m
工程名称:红柳煤矿2煤辅助运输大巷(延伸) 工程部位:250~266m 工程量:16m
工程名称:红柳煤矿2煤辅助运输大巷(延伸) 工程部位:266~282m 工程量:16m
工程名称:红柳煤矿2煤辅助运输大巷(延伸) 工程部位:282~298m 工程量:16m
工程名称:红柳煤矿2煤辅助运输大巷(延伸) 工程部位:298~311.3m 工程量:16m。
预应力锚索造孔工序质量检查表单位工程名称单元工程量分部工程名称施工部位(桩号、高程)单元工程名称施工单位单元工程编码检查日期年月日施工依据锚孔编号设计张拉力(kN)锚索类型项类检查项目单位设计值实测值误差值评价主控项目1 方位角度2 倾角度3 孔深m4 孔向度一般项目1孔口桩号X=mY=m2 孔口高程m3 孔径mm4 洗孔检查结果主控项目:一般项目:承建单位初检:复检:终检:年月日监理单位监理工程师:年月日锚索造孔钻进情况记录表单位工程名称单元工程量分部工程名称施工部位(桩号、高程)单元工程名称施工单位单元工程编码施工时段施工依据锚孔编号序号孔段长(m) 每节钻杆起止时钻进及反弹岩粉情况描述机长签名起止1234567891011121314151617181920备注(重点描述岩性、卡钻、塌孔情况)承建单位初检:复检:终检:年月日监理单位监理工程师:年月日锚索造孔测斜记录表单位工程名称单元工程量分部工程名称施工部位(桩号、高程)单元工程名称施工单位单元工程编码施工时段施工依据锚孔编号项类测点孔深(m)方位角(°)倾角(°)桩号(m)高程(m)后视测站1 2 3 4 5 6 7 8 9101112终孔孔斜方位角偏差Δa(°) 终孔高程偏差ΔH(m) 倾角偏差(°) 终孔孔深偏差ΔL(m)备注承建单位初检:复检:终检:年月日监理单位监理工程师:年月日预应力锚索编索工序质量检查表单位工程名称单元工程量分部工程名称施工部位(桩号、高程)单元工程名称施工单位单元工程编码检查日期年月日施工依据锚索编号设计张拉力(kN) 锚索类型项类检查项目质量标准检测结果主控项目1 钢绞线材质及规格符合设计要求,规格为:下料长度满足设计要求,L= m内锚段长度满足设计要求,L= m外观质量去皮、清洗、除锈、除油满足设计要求2止浆环(包)材质及直径符合设计要求,φ= mm安装质量满足设计要求,牢固,间隔均匀3架线环(隔离架)材料及直径满足设计要求,φ= mm锚固段间距满足设计要求,ΔS= m张拉段间距满足设计要求,ΔS= m安装质量符合设计要求,外观顺直、间距均匀、绑扎牢固;进回浆管标识清楚一般项目1进(回)浆管材质及直径满足设计要求,φ=耐压≥0.5MPa长度满足设计要求,L= m2 导向帽材质及直径符合设计要求,φ= mm长度符合设计要求,L= m安装质量环氧水泥浆与锚索体紧密连接3 索体内锚固段长满足设计要求,L= m张拉段长满足设计要求,L= m索体总长满足设计要求,L= m外观质量绑扎牢固、隔离架放置均匀,索体平顺、无污染4 存放及运输符合设计要求,洁净、无污染、无损坏检查结果主控项目:一般项目:承建单位初检:复检:终检:年月日监理单位监理工程师:年月日预应力锚索灌浆工序质量检查表单位工程名称单元工程量分部工程名称施工部位(桩号、高程)单元工程名称施工单位单元工程编码检查日期年月日施工依据锚孔编号设计张拉力(kN)锚索类型设计长度水泥品种外加剂名称外加剂掺量外加剂浓度项类检查项目标准值实测值误差值评价主控项目1 浆材标号内锚段张拉段2 水灰比内锚段张拉段3灌浆压力(MPa)内锚段张拉段一般项目1并浆时间(Min)内锚段张拉段2供浆量(升)内锚段张拉段3弃浆损耗(升)内锚段张拉段4灌浆量(t)内锚段张拉段5 浆液比重内锚段张拉段检查结果主控项目:一般项目:承建单位初检:复检:终检:年月日监理单位监理工程师:年月日注:附自动记录仪记录数据资料。
(质量管理套表)预应力锚索支护分项工程质量检验评定表表7-3-2预应力锚索支护分项工程质量检验评定表工程名称:部位:m 工程量:m检验日期:年月日表7-3-2预应力锚索支护分项工程质量检验评定表工程名称:中央变电所及通道部位:2.4-4.8m 工程量:2.4m检验日期:年月日表7-3-2预应力锚索支护分项工程质量检验评定表工程名称:中央变电所及通道部位:4.8-7.2m 工程量:2.4m检验日期:年 月 日表7-3-2预应力锚索支护分项工程质量检验评定表工程名称:中央变电所及通道 部位:7.2-9.6m 工程量:2.4m检验日期:年月日表7-3-2预应力锚索支护分项工程质量检验评定表工程名称:中央变电所及通道部位:9.6-12m 工程量:2.4m检验日期:年月日表7-3-2预应力锚索支护分项工程质量检验评定表工程名称:中央变电所及通道部位:12-14.4m 工程量:2.4m检验日期:年月日表7-3-2预应力锚索支护分项工程质量检验评定表工程名称:中央变电所及通道部位:14.4-16.8m 工程量:2.4m检验日期:年月日表7-3-2预应力锚索支护分项工程质量检验评定表工程名称:中央变电所及通道部位:16.8-19.2m 工程量:2.4m检验日期:年月日表7-3-2预应力锚索支护分项工程质量检验评定表工程名称:中央变电所及通道部位:19.2-21.6m 工程量:2.4m检验日期:年月日表7-3-2预应力锚索支护分项工程质量检验评定表工程名称:中央变电所及通道部位:21.6-24m 工程量:2.4m检验日期:年月日表7-3-2预应力锚索支护分项工程质量检验评定表工程名称:中央变电所及通道部位:24-25m 工程量:1m检验日期:年月日表7-3-2预应力锚索支护分项工程质量检验评定表工程名称:中央变电所及通道部位:25-27.4 工程量:2.4m检验日期: 年月 日表7-3-2预应力锚索支护分项工程质量检验评定表工程名称:中央变电所及通道 部位:27.4-29.8m 工程量:2.4m检验日期:年月日表7-3-2预应力锚索支护分项工程质量检验评定表工程名称:中央变电所及通道部位:29.8-32.2m 工程量:2.4m检验日期:年月日表7-3-2预应力锚索支护分项工程质量检验评定表工程名称:中央变电所及通道部位:32.2-34.6m 工程量:2.4m检验日期:年月日表7-3-2预应力锚索支护分项工程质量检验评定表工程名称:中央变电所及通道部位:34.6-37m 工程量:2.4m检验日期:年月日表7-3-2预应力锚索支护分项工程质量检验评定表工程名称:中央变电所及通道部位:37-39.4m 工程量:2.4m检验日期:年月日表7-3-2预应力锚索支护分项工程质量检验评定表工程名称:中央变电所及通道部位:39.4-41.8m 工程量:2.4m检验日期:年月日表7-3-2预应力锚索支护分项工程质量检验评定表工程名称:中央变电所及通道部位:41.8-43.2m 工程量:2.4m检验日期:年月日表7-3-2预应力锚索支护分项工程质量检验评定表工程名称:中央变电所及通道部位:43.2-47.6m 工程量:2.4m检验日期:年月日表7-3-2预应力锚索支护分项工程质量检验评定表工程名称:中央变电所及通道部位:47.6-50m 工程量:2.4m检验日期:年月日表7-3-2预应力锚索支护分项工程质量检验评定表工程名称:中央变电所及通道部位:50-52.4m 工程量:2.4m检验日期:年月日表7-3-2预应力锚索支护分项工程质量检验评定表工程名称:中央变电所及通道部位:52.4-54.8m 工程量:2.4m检验日期:年月日表7-3-2预应力锚索支护分项工程质量检验评定表工程名称:中央变电所及通道部位:54.8-57.2m 工程量:2.4m检验日期:年月日表7-3-2预应力锚索支护分项工程质量检验评定表工程名称:中央变电所及通道部位:57.2-59.6m 工程量:2.4m检验日期:年月日表7-3-2预应力锚索支护分项工程质量检验评定表工程名称:中央变电所及通道部位:59.6-62m 工程量:2.4m检验日期:年月日表7-3-2预应力锚索支护分项工程质量检验评定表工程名称:中央变电所及通道部位:62-62.4m 工程量:2.4m检验日期:年月日表7-3-2预应力锚索支护分项工程质量检验评定表工程名称:中央变电所及通道部位:62.4-64.8m 工程量:2.4m检验日期:年月日表7-3-2预应力锚索支护分项工程质量检验评定表工程名称:中央变电所及通道部位:64.8-67.2m 工程量:2.4m检验日期:年月日表7-3-2预应力锚索支护分项工程质量检验评定表工程名称:中央变电所及通道部位:67.2-69.6m 工程量:2.4m检验日期:年月日表7-3-2预应力锚索支护分项工程质量检验评定表工程名称:中央变电所及通道部位:69.6-72m 工程量:2.4m。
VAB锚索测力计说明书VAB系列型振弦式锚索测力计说明书NANJING GEOT CIVIL ENGINEERING INSTRUMENTS CO. LTDVAB系列型振弦式锚索测力计说明书一、概述VAB系列型振弦式锚索测力计利用特制的应变计作为传感部件,用于长期监测预应力锚索对岩体或建筑物施加压力的大小,无需温度修正,测值准确、性能稳定。
使用时,安装在岩石边坡或混凝土建筑物的预应力锚索上。
VAB系列型振弦式锚索测力计有二弦、三弦、四弦和六。
经过振弦频率读数仪读出测力计A、B、C、D、E、F各支应变传感器的实时测量值,并利用仪器特性参数可算出锚索所施加的压力。
图1二、主要技术参数2、超量程:允许额定量程的1.2倍3、可根据客户要求额外增加温度热敏电阻传感器,其测温范围为-30~+90℃,精度0.3℃。
4、可根据客户要求额外增加智能芯片,将传感器编号、参数、温度修正等信息录入其中。
三、测量及计算1、振弦式锚索测力计的手工测量用振弦式读数仪完成。
测量方法请参照相应读数仪的使用说明书,测量完成后,记录传感器的频率值(或模数值)、仪器编号、设计编号和测量时间等信息。
2、振弦式锚索测力计的计算公式(以4根弦来举例):P i=K(F0-F i)F0=(F01+F02+F03+F04)/4;F i=(F i1+F i2+F i3+F i4)/4;P i——被测锚索荷载值;K——锚索测力计标定系数,上式为4根弦的平均系数,由制造商给出;F0——锚索测力计4根弦零荷载时的模数平均值;F i——锚索测力计4根弦P i级荷载时的模数平均值;F01、F02、F03、F04——4根弦在零荷载时刻的模数值;F i1、F i2、F i3、F i4——4根弦在P i级荷载时的模数值。
注:1、3-210F,即模数值为频率值平方的千分之一。
=Hz⨯2、单支传感器参数,如K值等,详见传感器合格证。
3、在计算时,请注意统一各参数的数量级、单位。
新疆开都河柳树沟水电工程预应力锚索造孔作业工序质量检验签证表承建单位:中国水电建设集团十五局新疆开都河柳树沟电站项目部合同编号:LSG-C-2 NO: 单位工程名称分部工程名称分项工程名称单元工程名称及编码作业部位或高程施工时段锚索编号锚索类型施工依据项类检查项目质量标准检验结果设计值允许偏差主控项目1 孔深30.0m 大于设计孔深40cm 2孔向倾角10°不大于孔深的2%方位角与坡面走向成90°不大于3º一般项目1孔位孔口桩号≤10cm孔口高程≤10cm2 孔径120 mm终孔孔径不小于设计孔径10mm 3 锚孔清理无岩粉、无积水检测结果主控项目符合质量标准,一般项目符合质量标准。
承建单位检验意见□优良□合格初检:日期:年月日监理机构签证意见□优良□合格监理机构:长江委开都河柳树沟水电站工程监理部签证人:日期:年月日□优良□合格复检:日期:年月日□优良□合格终检:日期:年月日说明:1、一式四份报送监理机构,签证后返回申报单位两份。
预应力锚索制作安装工序质量检验签证表承建单位:中国水电建设集团十五局新疆开都河柳树沟电站项目部合同编号:LSG-C-2 NO: 单位工程名称分部工程名称分项工程名称单元工程名称及编码作业部位或高程施工时段锚索编号锚索类型施工依据项类检查项目质量标准检验结果设计值允许偏差主控项目1材质钢绞线规格Φ15.24mm:1860MPa /锚板15-7,间距≤200cm /挤压头外形规整、无裂纹、无损伤/导向帽A3钢,Φ118mm.厚5mm. L=150mm /2编索下料长度31.5m ±10mm 钢绞线根数7根/隔离架间距≤200cm,绑扎牢固±50mm 钢绞线排列平顺,与导向帽连接牢固可靠进出浆管进浆管出口距锚索端部间距≤200mm一般项目1存放签发合格证并编号,整齐、平顺不得叠压2运输水平运输支点间距≤2m,弯曲半径≥3m3安装安装前核查锚索编号、孔号相符防腐完整,钢绞线索体顺直进出浆管通畅,测试仪器引线通畅安装后检查安装过程顺利,钢绞线不扭曲孔口管与索体、孔轴同心检验结果主控项目符合质量标准,一般项目符合质量标准。
SXM型振弦式锚索测力计使用说明书水利部南京水利水文自动化研究所南京拓水科技实业有限公司SXM 型振弦式锚索测力计使用说明书本使用说明仅适用于本公司生产的SXM 型振弦式锚索测力计,其中包括有SXM-500 、SXM-1000、SXM-1500、SXM-2000、SXM-3000、SXM-4000、SXM-5000型号。
一、用途SXM 型振弦式锚索测力计主要用来测量和监测各种锚杆、锚索、岩石螺栓、支柱、隧道与地下洞室中的支撑以及大型预应力钢筋混凝土结构的应力或荷载。
亦可同步测量埋设点的温度值。
二、结构及工作原理 1.结构SXM 型振弦式锚索测力计主要由承重筒、外钢套、弦式敏感部件及激振拾振电磁线圈等组1. 7.电缆;2.工作原理SXM 型振弦式锚索测力计的敏感部件为振弦式应变计。
在测力钢筒上均布着多支振弦式应变计,当荷载使承重筒产生轴向变形时,应变计与承重筒产生同步变形,变形引起应变计振弦的张弛,使振弦应力发生变化,从而改变振弦的振动频率。
电磁线圈激拨振弦并测量其振动频率,频率信号经电缆传输至读数装置,即可测出引起受力承重筒变形的应变量,代入标定系数可得出锚索测力计所感受物理量的变化量。
SXM 型振弦式锚索测力计中的每支应变计为一个测量单元。
单支仪器可测出测力计的受力状况,以此可计算出测力计受力的偏心方向及大小。
由多支振弦式应变计的平均测值可算出测力计的整体受力状况。
测力计测量值由一根多芯电缆线引出。
a . 当外界温度恒定锚索测力计仅受到轴向载荷时,其承受载荷P 与输出的频率模数△F 具有如下线性关系:P= k×△F △F = F-F 0式中:k—锚索测力计的最小读数,单位为kN/kHz 2;△F —实时测量的锚索测力计输出值相对于基准值的变化量,单位为kHz 2; F —实时测量的锚索测力计输出值,单位为kHz 2;F 0—锚索测力计的基准值,单位为kHz 2。
b .当锚索测力计不受外力作用时,若温度增加△T 时,锚索测力计有一个输出量△F ′,这个输出量仅仅是由温度变化而造成的,因此在计算时应给以扣除。