三板溪工程预应力锚索单元(一根)工程验收及质量评定表
- 格式:doc
- 大小:38.00 KB
- 文档页数:1
施工单位:合同编号:监理单位:编号:
施工单位:合同编号:监理单位:编号:
施工单位:合同编号:监理单位:编号:
施工单位:合同编号:监理单位:编号:
注:1、单元质量评定以工序评定为依据;2、☆为主要检测工序;3、△为主要检测项目。
施工单位:合同编号:监理单位:编号:
对穿预应力锚索单元工程质量评定表
施工单位:合同编号:
监理单位:编号:
施工单位:合同编号:监理单位:编号:
红岭水利枢纽工程
预应力锚索灌浆记录
施工单位:合同编号:
监理单位:编号:
锚索编号:孔口桩号、高程:浆泵型号:孔径;灌浆方法:200 年月日班倾角:孔深:内锚段长:张拉段长:水泥:第页共页
记录:计量:审核:监理:
红岭水利枢纽工程
预应力锚索张拉记录表
施工单位:合同编号:监理单位:编号:
张拉日期:200 年月日
记录:计量:审核:监理:
红岭水利枢纽工程
预应力锚索造孔记录表
施工单位:合同编号:监理单位:编号:钻孔日期:
记录:计量:审核:监理:
施工单位:合同编号:
监理单位:编号:。
锚索孔检验批质量验收记录表口口口口口口口口单位工程名称新建八达岭隧道分部工程名称预应力锚索分项工程名称锚索孔验收部位DK67+652-DK67+663.2①部施工单位中铁五局集团有限公司项目负责人陈彬施工质量验收标准名称及编号《水利水电工程预应力锚索施工规范》DL/T5083-2010施工质量验收标准的规定施工单位检查评定记录监理单位验收记录主控项目1锚索孔的布置形式及间距第6.1.2条按照设计间距及布置形式分布。
2 锚索孔孔径第6.1.2.3条最小孔径为130mm,平均孔径为150mm,满足设计要求。
3 锚索孔深度第6.1.2.1条孔深大于15.3m,满足设计要求。
一般项目1锚索孔的允许偏差位置位置孔位坐标误差不大于10cm倾角倾角终孔孔轴偏差不大于2%,方位角偏差不大于3%施工作业人员质量责任登记郭陈强陈利才施工单位检查评定结果专职质量检查员年月日分项工程技术负责人年月日分项工程负责人年月日监理单位验收结论监理工程师年月日锚索制作检验批质量验收记录口口口口口口口口单位工程名称新建八达岭隧道分部工程名称预应力锚索分项工程名称锚索制作验收部位DK67+652-DK67+663.2①部施工单位中铁五局集团有限公司项目负责人陈彬施工质量验收标准名称及编号《水利水电工程预应力锚索施工规范》DL/T5083-2010施工质量验收标准的规定施工单位检查评定记录监理单位验收记录主控项目1所用原材料的品种、规格、质量第8.1.2条预应力锚索合格证编号:Z201700933试验报告编号:WU18078锚具、夹片合格证编号:16A2质量合格。
2 锚索制作第6.3条每束锚索的规格、组合形式符合设计要求。
3 锚索安装第6.4.4条安装前按设计要求除锈、出油污,对有死弯、接卸损伤、锈坑的钢绞线进行剔除处理,并按其规范要求进行安装。
施工作业人员质量责任登记郭陈强陈利才施工单位检查评定结果专职质量检查员年月日分项工程技术负责人年月日分项工程负责人年月日监理单位验收结论监理工程师年月日注浆锚固检验批质量验收记录口口口口口口口口单位工程名称新建八达岭隧道分部工程名称预应力锚索分项工程名称注浆锚固验收部位DK67+652-DK67+663.2①部施工单位中铁五局集团有限公司项目负责人陈彬施工质量验收标准名称及编号《水利水电工程预应力锚索施工规范》DL/T5083-2010施工质量验收标准的规定施工单位检查评定记录监理单位验收记录主控项目1所用原材料的品种、规格、质量第6.6.1.1条水泥合格证编号:CXB117JYN04N20102试验报告编号:JZS3-ZTWJ0-SN-20171002-004质量合格。
预应力锚索支护工程工序质量验收记录表(DOC 68页)
部门: xxx
时间: xxx
整理范文,仅供参考,可下载自行编辑
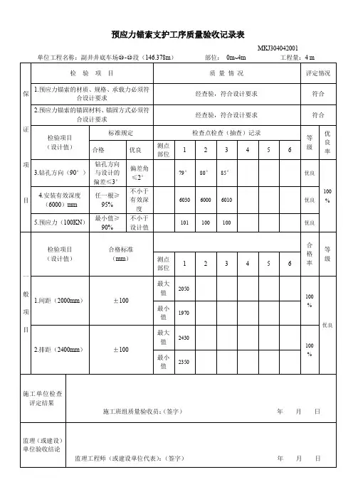
预应力锚索支护工程工序质量验收记录表
注:本表适用于预应力锚杆、锚索支护工程的工序质量验收记录。
预应力锚索支护工程工序质量验收记录表
注:本表适用于预应力锚杆、锚索支护工程的工序质量验收记录。
预应力锚索支护工程工序质量验收记录表
注:本表适用于预应力锚杆、锚索支护工程的工序质量验收记录。
预应力锚索支护工程工序质量验收记录表
注:本表适用于预应力锚杆、锚索支护工程的工序质量验收记录。
预应力锚索支护工程工序质量验收记录表
注:本表适用于预应力锚杆、锚索支护工程的工序质量验收记录。
预应力锚索支护工程工序质量验收记录表
注:本表适用于预应力锚杆、锚索支护工程的工序质量验收记录。
预应力锚索支护工程工序质量验收记录表。
锚索孔检验批质量验收记录表02011701口口口口单位工程名称分部工程名称预应力锚索分项工程名称锚索孔验收部位施工单位项目负责人施工质量验收标准名称及编号施工质量验收标准的规定施工单位检查评定记录监理单位验收记录主控项目1锚索孔的布置形式及间距第10.10.11条按照设计要求以Xm间距布置。
2 锚索孔孔径第10.10.12条最小孔径为XXm,平均孔径为XXm,满足设计要求。
3 锚索孔深度第10.10.12条孔深大于XXm,满足设计要求。
一般项目1锚索孔的允许偏差位置±100mm X X X X X倾角1% X X X X X施工作业人员质量责任登记施工单位检查评定结果专职质量检查员年月日分项工程技术负责人年月日分项工程负责人年月日监理单位验收结论监理工程师年月日锚索制作检验批质量验收记录02011702口口口口单位工程名称分部工程名称预应力锚索分项工程名称锚索制作验收部位施工单位项目负责人施工质量验收标准名称及编号施工质量验收标准的规定施工单位检查评定记录监理单位验收记录主控项目1所用原材料的品种、规格、质量第10.10.10条预应力锚索合格证编号:XXX,试验报告编号:XXX;锚具、夹片合格证编号:XXX;垫板合格证编号:XXX,质量合格。
2 钢绞线编束第10.10.13条每束锚索的规格、组合形式符合设计要求。
3 锚索除锈第10.10.14条安装前按设计要求除锈、出油污,对有死弯、接卸损伤、锈坑的钢绞线进行剔除处理。
施工作业人员质量责任登记施工单位检查评定结果专职质量检查员年月日分项工程技术负责人年月日分项工程负责人年月日监理单位验收结论监理工程师年月日注浆锚固检验批质量验收记录02011703口口口口单位工程名称分部工程名称预应力锚索分项工程名称注浆锚固验收部位施工单位项目负责人施工质量验收标准名称及编号施工质量验收标准的规定施工单位检查评定记录监理单位验收记录主控项目1所用原材料的品种、规格、质量第10.10.9条水泥合格证编号:XXX,试验报告编号:XXX;粗骨料试验报告编号:XXX;细骨料试验报告编号:XXX;矿物掺合料试验报告编号:XXX;外加剂试验报告编号:XXXX;质量合格。