预分支电缆 预分支电缆型号规格详介
- 格式:doc
- 大小:31.50 KB
- 文档页数:6
预分支电缆预分支电缆型号规格详介预分支电缆厂家供应预分支电缆型号规格预分支电缆,多应用于高层建筑配电干线(树干式配电方式)。
其主干电缆导体无接头(接头已经在生产厂加工时做好并封闭在分支点内),预分支电缆配电类似母线槽配电方式,但电缆具有良好的抗震、气密、防水性能,占用空间小、安装方便,缺点是质量故障难以现场修复,该电缆针对特定工程条件加工,不具有互换性。
分支电缆用途,矿用分支电缆YFD系列预制分支电缆的优点具有优良的供电可靠性·主干电缆导体无接头,连续性好,减少了故障点;·分支接头有严格的技术标准和检验要求,以及严密的质保体系;·分支接头采用工厂全程机械化制作,大大降低了人为因素造成的质量不良现象;·分支接头结构合理并采用先进的LYZ工艺制作,接触电阻极小,不受热胀冷缩影响;·短时间内完成护套,避免了接头接触钢芯长时间裸露在空气中产生氧化而导致接触电阻变化。
可明显降低配电成本·品种规格多,选用灵活,任意组合;·分支接头可根据楼层需要任意设定分支位置;·与母线槽比,可降低工程造价。
且技术经济指标高,综合经济效益显著;·主电缆从10mm2到1200mm2,分支电缆从10mm到95mm任意组合选用;·电缆品种多,有MY橡套分支电缆,VV,ZR-VV,NH-VV,YJV,ZR-YJV,NH-YJV等,可根据需要选用。
安装环境要求低,施工方便·使用环境要求低,安装精度要求低;·由于它的弯曲半径小。
大大地降低了安装难度,缩小了空间尺寸;·占用建筑面积小,有利于建筑面积的有效使用,对土建的空间尺寸无要求;·安装简单方便,安装技术要求不高,安装设备仅需一台普通卷场机即可,且安装周期短,仅有母线槽安装工时的1/10和1/20,安装劳动强度小。
MY分支电缆,MY分支电缆价格MY型矿用阻燃型橡套预分支电缆(预分支矿用橡套软电缆),现在煤矿中,因为照明,水泵,电机需要连接分支电缆,矿井下安全性差,电工进行手工接线不仅质量不好,而且万一操作失误导致瓦斯爆炸发生矿难。
浅谈预制分支电缆预制分支电缆是近年来一项新技术产品,已经广泛地应用到现代建筑中。
它具有安装方便、施工简单、免维护的优点,深受建设各方的欢迎,尤其是它优良的抗震性、气密性、防水性和耐火性等,已经成为高层建筑竖向配电系统的首选。
实际应用中的预制分支电缆主要有以下几种,按照制作方式分为厂家出厂前预制和施工现场预制两种,其中厂家预制又分主干电缆是单芯的还是多芯的。
现场制作的分支电缆使用的连接器—电缆分流器又分为穿刺型和C型线缆分支器。
如何选择预制分支电缆,下面笔者就带您简单了解一下。
出厂时预制的预制分支电缆是厂家加工电缆时直接将分支电缆通过连接金具压接成型的,并根据相关的性能试验对电缆进行整体测试(见表4),合格后电缆方可出厂。
主干电缆分单芯和多芯两种(电力电缆),单芯的是把五芯电缆分开做成单芯,同一处的分支点不在一根电缆上,安全性高。
多芯主干电缆则是在连接处将五个分流器依次压接统一做成一个头,但是,这种分支头不利于散热。
当然也可以拉开距离压接五个分流器,但是这样比较浪费分支电缆(加长了分支电缆的分布距离),而且还是在同一根同一处竖向电缆上。
现场预制的是采购电缆分流器制作,按照电缆分流器的接触形式又分为穿刺型和C型线缆分支器,穿刺型电缆分流器是靠锯齿形的接触刀片刺穿电缆绝缘层,与导体接触来实现连接的,C型线缆分支器则是两半C型管环绕干线电缆缆芯导体后,再分别将螺丝压紧。
制作前先敷设主电缆,之后在需要的位置剥开电缆外皮和芯线绝缘层,将电缆分流器压接到主干电缆的芯线上。
上述现场施工方法是C型线缆分支器的制作方法,穿刺型电缆分流器的制作方法略有不同,当剥开电缆外皮后,电缆芯线绝缘层不用剥开,穿刺线夹环绕在芯线上之后收紧螺栓,直到线夹的锯齿型刀片穿入电缆芯线并与芯线尽量接触后停止。
C型电缆分流器的接触面积大,有利于电流通过,穿刺型电缆分流器可以不破坏电缆芯线的绝缘层,两种方式各有优点。
电缆如何选型,还有是选择出厂预制还是现场制作分支电缆,下面简单介绍一下。
电缆的规格型号代表的含义型号含义:R-连接用软电缆(电线),软结构。
V-绝缘聚氯乙烯。
V-聚氯乙烯绝缘V-聚氯乙烯护套B-平型(扁形)。
S-双绞型。
A-镀锡或镀银。
F-耐高温P-编织屏蔽P2-铜带屏蔽P22-钢带铠装Y—预制型、一般省略,或聚烯烃护套FD—产品类别代号,指分支电缆。
将要颁布的建设部标准用FZ表示,其实质相同YJ—交联聚乙烯绝缘V—聚氯乙烯绝缘或护套ZR—阻燃型NH—耐火型WDZ—无卤低烟阻燃型WDN—无卤低烟耐火型例如:SYV 75-5-1(A、B、C)S: 射频Y:聚乙烯绝缘V:聚氯乙烯护套A:64编B:96编C:128编75:75欧姆5:线径为5MM 1:代表单芯SYWV 75-5-1S: 射频Y:聚乙烯绝缘W:物理发泡V:聚氯乙烯护套75:75欧姆5:线缆外径为5MM 1:代表单芯例如:RVVP2*32/0.2 RVV2*1.0 BVRR: 软线VV:双层护套线P屏蔽2:2芯多股线32:每芯有32根铜丝0.2:每根铜丝直径为0.2MMZR-RVS2*24/0.12ZR: 阻燃R: 软线S:双绞线2:2芯多股线24:每芯有24根铜丝0.12:每根铜丝直径为0.12MM型号、名称RV 铜芯氯乙烯绝缘连接电缆(电线)AVR 镀锡铜芯聚乙烯绝缘平型连接软电缆(电线)RVB 铜芯聚氯乙烯平型连接电线RVS 铜芯聚氯乙烯绞型连接电线RVV 铜芯聚氯乙烯绝缘聚氯乙烯护套圆形连接软电缆ARVV 镀锡铜芯聚氯乙烯绝缘聚氯乙烯护套平形连接软电缆RVVB 铜芯聚氯乙烯绝缘聚氯乙烯护套平形连接软电缆RV-105 铜芯耐热105oC聚氯乙烯绝缘聚氯乙烯绝缘连接软电缆AF-205AFS-250AFP-250 镀银聚氯乙氟塑料绝缘耐高温-60oC~250oC连接软电线2、规格表示法的含义规格采用芯数、标称截面和电压等级表示①单芯分支电缆规格表示法:同一回路电缆根数*(1*标称截面),0.6/1KV,如:4*(1*185)+1*95 0.6/1KV②多芯绞合型分支电缆规格表示法:同一回路电缆根数*标称截面,0.6/1KV,如:4**185+1*95 0.6/1KV③多芯同护套型分支电缆规格表示法:电缆芯数×标称截面-T,如:4×25-T3、完整的型号规格表示法因为分支电缆包含主干电缆和支线电缆。
电线电缆型号的编制方法电缆型号标识示例:1. YFD-NHYJV-0.6/1.0KV-4(1x300)+1(1x150),YFD-NHYJV-0.6/1.0KV-1(4x25+1x16)YFD:预制分支电缆NHYJV:耐火交联聚乙烯绝缘电缆0.6/1.0KV:电压等级为0.6/1.0KV(相电压0.6KV,线电压1.0KV)4(1x300)+1(1x150):四组单芯电缆,每组单芯300mm2,匹配地线单芯150mm21(4x25+1x16) :一根五芯(3ph+N+PE)电缆,四芯25mm2,一芯16mm22. YJV-0.6/1KV 3*25+2*16 -SC50- WC –CCYJV:交联聚乙烯铜芯电力电缆0.6/1.0KV:电压等级为0.6/1.0KV(相电压0.6KV,线电压1.0KV)3*25:3根相线(L1、L2、L3)的截面积为25mm²2*16 :中性线(N)和保护地线(PE的截面积为16mm²SC50 :穿50的焊接钢管WC :沿墙暗敷CC:吊顶暗敷油浸纸绝缘电力电缆油浸纸绝缘电力电缆类产品,以纸绝缘的字母“Z”代号列为首位,其余各项型号编制及字母含义如下:备注:a.数字涵义详见以下附表。
b.铜芯代表字母T一般省略不写。
例如:表示:铜芯不滴油油浸纸铅套聚氯乙烯护套电力电缆表示:铝型粘性油浸纸绝缘铝套细铠装电力电缆电缆外护层的型号按铠装成和外护层的结构顺序用阿拉伯数字表示。
每一数值表示说采用的主要材料和意义见下表:交联聚乙烯绝缘电力电缆交联聚乙烯绝缘电力电缆,以交联聚乙烯代号字母“J”为首位,其余各项型号编制及字母含备注:*铜导体代号字母“T”一般省略。
S-加钢丝屏蔽时。
表示:铜芯交联聚乙烯绝缘聚氯乙烯护套电力电缆表示:铝芯交联聚乙烯绝缘聚氯乙烯护套钢带铠装电力电缆主要型号及名称见下表:聚氯乙烯绝缘聚乙烯护套电力电缆聚氯乙烯绝缘聚乙烯护套电力电缆,以绝缘塑料代号字母“V”为首位,其余各项型号编制及备注:铜导体代号字母“T”一般省略。
二、预分支电缆内容的叙述:(1)技术特点:本工程使用的预分支电缆是一项新技术产品,根据本工程的设计结构特点和配电要求,要求将主干电缆、分支线电缆、分支连接体三部分进行特殊设计与制造,该技术使用的产品到现场经检查合格后可直接安装就位,极大的缩短了本工程的施工周期、减少了材料费用和施工费用,更好地保证了配电的可靠性。
本工程使用的预分支电缆有三种类型:普通型、阻燃型、耐火型。
预分支电缆是本工程中母线槽供电的替代产品,具有供电可靠、安装方便、占用建筑面积小、故障率低、价格便宜、免维修等优点。
(2)施工技术:本工程采用预分支电缆技术时,先行测量了建筑电气竖井的实际尺寸(竖井高度、层高、每层分支接头位置),同时结合实际配电系统安装的位置量身定制,根据设计图纸电施图(第5页-第6页)中为避免因楼层功能改变引起容量的变动,将预分支电缆的干线和支线截面均放大一级,如果遇到特殊情况应预留分支线以供备用。
(3)预分支电缆的安装:本工程使用的预分支电缆采用吊装,用吊装(从上往下或从未端开始施放),并向制造厂商提出电缆在出厂复绕时要逆向复绕。
预分支电缆安装时每一楼层都要有专人监护,以免电缆刮伤。
在电缆提升前先安装钢丝网套,钢丝网套安装时要用扎紧线与电缆扎紧,扎紧线应位于网套的末端。
在电缆全部吊好后及时将电缆固定在安装支架上,以减少网套承受的拉力,从而避免因拉力过大把电缆外护套拉坏。
预分支电缆中吊装的安装,具体见附图(一)。
2.技术指标《电气装置安装工程电缆线路施工及验收规范》GB50168、《建筑电气工程施工质量验收规范》GB50303、《预制分支电力电缆安装》标准图集00D101-7。
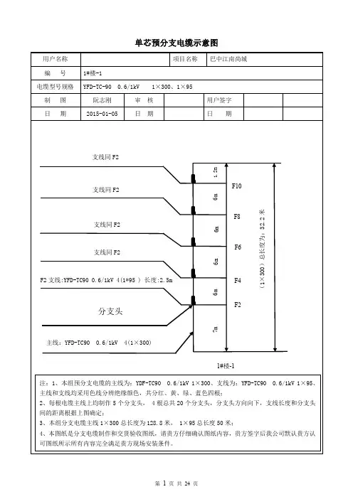
三、预分支电缆的型号及分布:1、主电缆的型号及具体做法本工程所使用的预分支电缆主要型号有:ZRYJV(4*120+1*70)、ZRYJV(4*185+1*95)、ZRYJV(4*50+1*25)、ZRYJV(4*25+4*16)、NHYJV(5*6)、NHYJV(3*4)、NHYJV(4*25+1*16)、ZRYJV(5*16)、ZRYJV(5*10)ZRYJV(5*6)等。
单/多芯预制分支电缆特性及经济性比较单/多芯预制分支电缆特性及经济性比较随着人们生活水平的提高和大规模的建筑工程的出现,预制线缆应运而生。
预制线缆是指事先在工厂将电缆加工成一定长度,依据具体的布线要求切成若干段并付有接头的工程电缆。
在预制线缆中,单/多芯预制分支电缆是一个非常常见的种类。
单/多芯预制分支电缆的特点如下:单芯预制分支电缆:在接头处增加了另一种颜色的电缆,将原单芯电缆变成Y型电缆,方便布线。
多芯预制分支电缆:多个芯线预先加工成Y型,以便在布线过程中方便快捷,减少现场硬说视频制作时间和工程量。
相较于传统的电缆敷设方式,预制分支电缆有着多种优势。
首先,它的制作过程在设计、制作、检测等环节均经过专业的人员高标准的检验,保证了预制分支电缆相对于散装线缆的可靠性和长期使用的稳定性。
其次,预制分支电缆可以适用于高层建筑、地铁、大型商场等高密度人流量的场合,从而避免了日常的人为损坏以及过热、漏电等问题。
最后,预制分支电缆的敷设速度要快很多,这在工程建设的进度和质量方面带来了多方面的帮助。
当然,预制分支电缆也有其缺点。
首先,预制分支电缆的制造基地大部分分布在城市郊区,对于交通不便的地区,快递费用也是一大负担。
其次,预制分支电缆的使用寿命有限,一旦电缆老化或使用寿命结束需要更换,费用就会比传统线缆更高。
综合以上分析,针对不同的应用场景,单/多芯预制分支电缆的使用情况是不尽相同。
如果是在人流量比较大的环境下进行敷设,那么预制分支电缆无疑是更为适合的选择。
但是如果现场环境能够保证电缆安全性,通常的散装电缆则会成为更为经济和有效的敷设方式。
在实际工程项目建设中,选择合适的电缆供应方式是至关重要的。
预制分支电缆的使用对于一些重要建筑或设施以及高密度人流量的地区是非常有必要的,因为其制作过程非常严谨,可靠性较高,可以降低现场施工的风险和时间的成本。
然而,在一些较为简单的项目中,使用传统的散装电缆仍然是经济有效的方案,因为传统散装电缆使用寿命长,适应范围广。
什么是预分支电缆?预分支电缆就是预先做好分支电缆,电缆出厂后直接使用,不需要现场做分支;一次性通电率高,避免现场各种隐患情况出现;下面小编就来介绍下什么是预分支电缆?预分支电缆支架和电缆预分支接头使用大全。
一、什么是预分支电缆?就是在常用的电缆型号上做预分支,比如VV、YJV交联电缆、防火电缆对分支接头的气密性防尘防水等,避免了因电缆接头引起电缆故障等。
预制分支电缆的主要性能:1、绝缘电阻≥200MΩ;2、绝缘耐压≥3.5kV/5min;3、良好气密性与防水性,即将分支接头浸入水中,在水与电缆芯之间测量绝缘电阻和工频耐压均应符合1和2的要求。
4、分支接头的接触电阻的小,接触电阻与等长的分支线的基准电阻之比值≤1.2;5、接头短路强度大,短路后接触电阻比率的变化率鉴≤0.2;6、ZR-YJV型阻燃预制分支电缆,护套的自熄时间续≤12s,符合GB12666.5 的要求;7、NH耐火型电缆除了能在正常的工作条件下供电外,也能在燃烧情况下,保持90min的正常运行,符合GB12666.6的要求。
8、VV型电缆的铜芯的最高工作温度为70℃,(微信公众号:建筑水电知识平台)YJV型电缆的铜芯的最高工作温度为90℃;9、具有优良的耐腐蚀性,能抵抗无机盐、油、碱、酸和有机深剂对它的腐蚀;10、YJV型预制分支电缆具有优良的热稳定性和抗老化性;11、GWDZ、WDZA、WDNA、WDZAN-清洁型预制分支电缆具有低烟、低毒、无卤、耐火等优越性能。
12、GZR-YJV隔氯层系列分支电缆。
具有高阻燃、耐火性能、阻燃性能超过阻燃标准A类。
预分支电缆结构:主要电缆导体、绝缘层、屏蔽层、保护层和预分支电缆连接体组成,主要应用于电能输送;(微信公众号:建筑水电知识平台)因为直接在电缆厂加工而成,不用现场剥开电缆做分支,保持了电缆的完整的电气性能。
分支接头采用三种类型:U型、C型、O型质量均超国家标准,达到国际水平。
预分支电缆的分支开口根据现场需求定制,可向上或向下。
0.6/1kV铜芯塑料绝缘预制分支电缆(编号:4191002-0000-01)国网武汉供电公司2015年10月目次1 技术参数和性能要求 01.1 0.6/1kV铜芯塑料绝缘预制分支电缆结构及技术参数 01.2 0.6/1kV铜芯塑料绝缘预制分支电缆非电气技术参数 02 项目需求部分 (2)2.1货物需求及供货范围一览表 (2)2.2 必备的备品备件、专用工具和仪器仪表需求表 (3)2.3 投标人应提供的有关资料 (3)2.4 工程概况 (3)2.5 使用条件 (3)2.6 项目单位技术差异表 (4)3投标人响应部分 (4)3.1 技术偏差 (4)3.2 投标产品的销售及运行业绩表 (5)3.3 主要原材料产地表 (5)3.4 推荐的备品备件、专用工具和仪器仪表供货表 (5)1 技术参数和性能要求投标人应认真填写表1~表3中投标人保证值,不能空格,也不能以“响应”两字代替。
不允许改动招标人要求值。
如有偏差,请填写表9 技术偏差表。
1.1 0.6/1kV铜芯塑料绝缘预制分支电缆结构及技术参数0.6/1kV铜芯塑料绝缘预制分支电缆结构及技术参数见表1~表2。
1.2 0.6/1kV铜芯塑料绝缘预制分支电缆非电气技术参数0.6/1kV铜芯塑料绝缘预制分支电缆非电气技术参数见表3。
表2 0.6/1kV铜芯塑料绝缘预制分支电缆技术参数表表3 0.6/1kV铜芯塑料绝缘预制分支电缆非电技术参数表2 项目需求部分2.1货物需求及供货范围一览表2.2 必备的备品备件、专用工具和仪器仪表需求表表5 必备的备品备件、专用工具和仪器仪表供货表2.3 投标人应提供的有关资料2.3.1 电缆的有关设计资料a 电缆截面图及说明。
b 导体和金属屏蔽热稳定计算书。
c 电缆载流量计算书。
d 牵引头和封帽的结构图。
e 电缆盘结构图。
f 短期过载能力曲线,说明全年过载时间为多少不至于影响电缆寿命。
2.3.2 电缆的放线说明。
2.3.3 上述资料要求为中文版本。
预分支电缆小常识公司标准化编码 [QQX96QT-XQQB89Q8-NQQJ6Q8-MQM9N]预分支电缆小常识什么时候预分支电缆预分支电缆是工厂在生产主干电缆时按用户设计图纸预制分支线的电缆.是近年来的一项新技术产品。
分支线工厂预先制造在主干电缆上,分支线截面大小和分支线长度等是根据设计要求决定,极大缩短了施工周期,大幅度减少材料费用和施工费用,更大地保证了配电的可靠性.预分支电缆由四部分组成:1、主干电缆;2、分支线;3分支接头:4相关附件,并具有三种类型:普通型、阻燃型(ZR)、耐火型(NH)。
预分支电缆是高层建筑中母线槽供电的替代产品,他具有供电可靠、安装方便、防水性好,占建筑面积小、故障率低、价格便宜、免维修维护等优点,适用于交流额定电压为0.6/1KV配电线路中。
广泛应用于高中层建筑、住宅楼、商厦、宾馆、医院电气竖井内垂直供电,也适用于隧道、机场、桥梁、公路等供电系统。
预分支电缆的优点有哪些可明显的降低配电成本(1)与封闭母线槽相比,价格便宜降低工程造价,并且经济指标高,综合效益明显,而且规格齐全,选用灵活,任意组合(2)分支头根据配电系统的配电点的需要,可任意设定分支位置二、安装环境要求低,施工简便(1)占用建筑面积小,对土建的空间尺寸无要求(2)敷设简单,安装便捷,使用环境要求低,可直接敷设于电缆沟内、建筑的专用电缆竖井内,也可敷设于不同的电缆桥架中,安装精度低(3)与封闭母线槽相比,电缆的走向随意,弯曲半径小,大大降低了施工难度,缩小了空间尺寸(4)安装劳动强度小,施工周期短,仅有封闭母线槽安装时的十分之一三、优良的抗震性、气密性、防水性和耐火性(1)具有优良的抗震性,一般封闭式机械型连接母线槽,因以墙体为依托平行安装,当墙体受震动后封闭母线槽的各接头松动,而预制分支电缆不会受到影响、特别在通过建筑的沉降缝时不需要任何措施(2)良好的气密性、防水性,能在潮湿的环境中正常供电运行,并且也能敷设在露天和埋在土壤中(3)耐火型预制分支电缆在燃烧的情况下,保持90Min正常送电运行四、免维护(1)与分支电缆按规定的方法安装后,一次性开通率高(2)正常运行的预制分支电缆整个系统,在平时不需要作任何维护和保养(3)后期事故抢修简单,维护成本极低预分支电缆在敷设与安装时应该做哪些准备,有哪些注意项呢?一、敷设与安装前的准备根据设计图纸要求熟悉确定电缆的敷设方向和位置(1)拟订施工方案组织专业施工人员(2)准备敷设安装的工具设备(3)核实电缆的型号规格及包装顺序(4)核实所配附件,分配附件的安装地点施工方(1)将电缆线盘放在放线架上(2)当电缆垂直安装时,电缆放线架至于楼下,将电缆通过绳索用卷扬机或滑轮组提升,要求每层楼须有专业施工人员。
预分支电缆直径1. 引言预分支电缆是一种用于输送电力或信号的导线,广泛应用于建筑、工业和通信等领域。
预分支电缆的直径是一个重要的参数,它直接影响到电缆的功率传输能力和安装过程中的便捷性。
本文将探讨预分支电缆直径的相关知识和影响因素,并提供一些选取合适直径的建议。
2. 预分支电缆直径的定义预分支电缆直径指的是电缆横截面圆形外接圆的直径。
通常使用毫米(mm)作为单位进行表示。
3. 影响预分支电缆直径的因素3.1 电流负载预分支电缆在传输过程中会受到一定的负载,通常以电流来衡量。
较大的负载需要更大直径的电缆来保证足够的导线截面积,以降低线路阻抗和损耗。
3.2 线路长度线路长度对于选择合适直径也有一定影响。
较长的线路需要更大直径的导线来减小阻抗,以确保电力传输的效率和质量。
3.3 电缆材料不同的电缆材料具有不同的导电性能和热特性。
根据电缆所用材料的导电系数和热阻,可以确定适当的直径以满足要求的功率传输和散热条件。
3.4 环境温度环境温度也是一个重要因素。
高温环境下,导线可能会因为热膨胀而导致接触不良或损坏,因此需要选择合适直径以适应不同温度条件下的使用。
4. 如何选择合适的预分支电缆直径4.1 计算负载首先需要计算预分支电缆所需承载的负载。
可以通过查阅相关设备或系统的技术规格书来获取其额定功率或信号传输参数,并根据实际使用情况进行修正。
4.2 确定线路长度确定预分支电缆所需覆盖的线路长度,包括水平距离和垂直距离。
如果线路较长,应考虑采用更大直径的电缆以减小阻抗。
4.3 考虑环境因素根据预分支电缆所处的环境温度和湿度等因素,选择适当的材料和直径以确保电缆的安全性和可靠性。
4.4 考虑安装要求在选择预分支电缆直径时,还需要考虑实际的安装要求。
如果有限的空间或特殊的安装方式,可能需要选择较小直径的电缆来满足要求。
4.5 咨询专业人士如果对于预分支电缆直径选择仍存在疑问,建议咨询专业人士,例如电气工程师或供应商代表。
预分支电缆厂家供应预分支电缆型号规格预分支电缆,多应用于高层建筑配电干线(树干式配电方式)。
其主干电缆导体无接头(接头已经在生产厂加工时做好并封闭在分支点内),预分支电缆配电类似母线槽配电方式,但电缆具有良好的抗震、气密、防水性能,占用空间小、安装方便,缺点是质量故障难以现场修复,该电缆针对特定工程条件加工,不具有互换性。
分支电缆用途,矿用分支电缆YFD系列预制分支电缆的优点具有优良的供电可靠性·主干电缆导体无接头,连续性好,减少了故障点;·分支接头有严格的技术标准和检验要求,以及严密的质保体系;·分支接头采用工厂全程机械化制作,大大降低了人为因素造成的质量不良现象;·分支接头结构合理并采用先进的LYZ工艺制作,接触电阻极小,不受热胀冷缩影响;·短时间内完成护套,避免了接头接触钢芯长时间裸露在空气中产生氧化而导致接触电阻变化。
可明显降低配电成本·品种规格多,选用灵活,任意组合;·分支接头可根据楼层需要任意设定分支位置;·与母线槽比,可降低工程造价。
且技术经济指标高,综合经济效益显著;·主电缆从10mm2到1200mm2,分支电缆从10mm到95mm任意组合选用;·电缆品种多,有MY橡套分支电缆,VV,ZR-VV,NH-VV,YJV,ZR-YJV,NH-YJV等,可根据需要选用。
安装环境要求低,施工方便·使用环境要求低,安装精度要求低;·由于它的弯曲半径小。
大大地降低了安装难度,缩小了空间尺寸;·占用建筑面积小,有利于建筑面积的有效使用,对土建的空间尺寸无要求;·安装简单方便,安装技术要求不高,安装设备仅需一台普通卷场机即可,且安装周期短,仅有母线槽安装工时的1/10和1/20,安装劳动强度小。
MY分支电缆,MY分支电缆价格MY型矿用阻燃型橡套预分支电缆(预分支矿用橡套软电缆),现在煤矿中,因为照明,水泵,电机需要连接分支电缆,矿井下安全性差,电工进行手工接线不仅质量不好,而且万一操作失误导致瓦斯爆炸发生矿难。
由MY型主线和MY型支线构成,主线和支线通过分支连接体连接成一体,分支连接体内装有扁圆型分支接头连接体,分支接头连接体与主线间断密闭式剥皮、压接。
本实用新型具备普通分支电缆的配电优越性,分支接头连接体采用高导电性能的退火扁圆形铜连接体,间断密闭式剥皮、压接,具有良好的防水、防潮、防尘性能,同时避免了接头接触处铜芯裸露在空气中产生氧化而导致接触电阻增大及电缆芯间短路的发生,从而保证了配电系统的安全、可靠性。
连接体采用阻燃氯化聚乙烯胶,连接体的接头整齐,统一,提高了配电系统的安全性。
这样的设计方法使得煤矿上用的电缆不用在来回的多次接头减少矿工在电缆主线接支线时造成的接线失误。
以上是工厂在流水生产线上制作预制分支电缆的简要工艺流程。
下面简单介绍各部位的相应技术指标和要求。
1)电缆检验技术要求:a.主、分电缆均应符合GB5023.1-1997;GB5023.2-1997;GB5023.3-1997;GB5023.4-1997;GB5023.7-1997《额定电压450/750V及以下聚氯乙烯绝缘电缆》及IEC227-1;IEC227-2;IEC227-3;IEC227-4;IEC227-7的相关技术指标和要求。
b.主、分电缆均应符合用户指定的规格、型号、截面要求。
2)电缆吊头是作为预制分支电缆在垂直安装布置时的起吊挂具,是预制分支电缆的附件,在水平布置时,则无需该附件。
技术要求:a.耐受AC.3500V、5min不出现击穿;绝缘电阻≥200MΩ。
b.承受该预制分支电缆自重2倍的重力24h不脱落。
因预制分支电缆安装固定后,该吊头已不再承受重力。
3)剥主、分电缆外层护套、内层绝缘的技术要求:a.确认用户指定长度尺寸;b.切剥主分电缆的外层护套、内层绝缘的切口要整齐,并少是伤及电缆的导体材料。
4)分支接头压制成型的技术要求:a.接头联结件应符合技术标准要求;b.压接成型后的分支接头应有足够的压接力、接触面积,保证接触电阻约等效长度导体的电阻;C.压接过程中不允许伤害主、分电缆的导体材料;5)分支接头注塑成型的技术要求:a.注塑用绝缘材料应采用与主、分电缆内层绝缘或外层护套型号相同的绝缘材料;b.在注塑过程中不得对主、分电缆原有的内层绝缘及外层护套造成任何伤害;c.确保注塑材料和主、分电缆外层护套有效粘全后的气密性和水密性;d.分支联体注塑成型后,耐压AC.3500V、5min不出现击穿;绝缘电阻≥200MΩ。
6)预制分支电缆的成品检验a.外观检查;b.主、分支电缆的连续性检验;c.耐电压检验;d.绝缘电阻检验。
7)预制分支电缆的成品包装预制分支电缆在包装时对各电缆端头用电缆盖帽密封,然后卷绕在电缆盘上或成束卷绕,并采用运输中不会损坏电缆的合适方式进行包装。
二、预制分支电缆的优点和应用1.预制分支电缆的优点预制分支电缆是在专业化工厂的生产流水线上,用专业的生产设备和各种专用模具进行生产和制作。
制作完成后的分支接头联接处,和主、分电缆原有的外护套层有效的粘结成一个整体。
因此,与传统的施工现场处理电缆分支接头或比较先进的母线槽技术相比,具有以下的诸多优点:1)分支接头的绝缘处理费用大幅度降低;2)现场施工费用大幅度降低;3)现场施工周期、时间大量缩短;4)现场施工人员、设备减少;施工人员技术要求条件下降;5)不受施工现场的空间、环境条件的限制;6)分支联接体的绝缘性能和电缆主体一致,绝缘性能优越,可靠性高;7)具有更高的抗震、防水、耐火性能;8)供电安全、可靠、一次有效开通率可达100%;9)适用范围广、品种规格多;10)用户可以方便的选择各种规格、型号、截面、长度的电缆,作为主、分支电缆任意搭配;11)具有更直观的维护操作性。
2.预制分支电缆的应用1)在中高层建筑方面,预制分支电缆可以广泛应用在住宅楼、办公楼、写字楼、商贸楼、教学楼、科研楼等各种中、高层建筑中,作为供、配电的主、干线电缆使用;2)在机场、港口作为机场跑道照明、港口码头照明,建筑设施内的供电和照明的主干线电缆使用;3)在隧道中可作为照明供电;在矿井下可作为照明和动力供电网路;4)在城市电网改造和建设中,作为主、干线电力电缆的地埋或架空均可;5)在现代化标准厂房,作为主、干线电力电缆使用;6)在各种建筑、设施、楼、堂、馆、所,甚至体育设施、游泳池等,均可作为主、干线电力电缆使用。
7)其他各种使用电力电缆的场合,如舰艇,船只等电力系统的主、干线,均可使用预制分支电缆。
三、预制分支电缆的选型及安装施工1.预制分支电缆的选型:1)为了说明预制分支电缆的选型,首先简要介绍一下作为预制分支电缆的主体——几种常用的电力电缆型号含义及其使用场合。
a、VV:聚氯乙烯绝缘,聚氯乙烯护套电力电缆可敷设在室内、隧道、电缆沟、管道、易燃及严重腐蚀的地方,但不能承受机械外力作用。
b、YJV:交联聚乙烯绝缘,聚氯乙烯护套电力电缆可敷设在室内、隧道内及管道中,可经受一定的敷设牵经,但电缆不能承受外力作用,单芯电缆不允许敷设在磁性材料管道中。
c、ZR-VV:阻燃聚氯乙烯绝缘,聚氯乙烯护套电力电缆可敷设在室内、隧道、电缆沟、管道、易燃及严重腐蚀的地方,但不能承受机械外力作用。
特点:在明火燃烧的情况下,移云火源,≤12s自动熄灭。
d、ZR-YJV:阻燃交联聚乙烯绝缘,聚氯乙燃护套电力电缆可敷设在室内、隧道内及管道中,可经受一定的敷设牵引,但电缆不能承受外力作用,单芯电缆不允许敷设在磁性材料管道中。
特点:在明火燃烧的情况下,移云火源,≤12s自动熄灭。
e、NH-VV:耐火聚氯乙烯绝缘,聚氯乙烯护套电力电缆可敷设在室内、隧道、电缆沟、管道、易燃及严重腐蚀的地方,但不能承受机械外力作用。
适用于特殊要求场合,如大容量电厂、核电站、地下铁道、高层建筑等。
特点:在燃烧的环境中,保护90min(分钟)正常运行。
f、NH-YJV:耐火交联聚乙烯绝缘,聚氯乙烯护套电力电缆可敷设在室内、隧道内及管道中,可经受一定的敷设牵引,但电缆不能承受外力作用,单芯电缆不允许敷设在磁性材料管道中。
适用于特殊要求场合,如大容量电厂、核电站、地下铁道、高层建筑等。
特点:在燃烧的环境中,保持90min(分钟)正常运行。
2)预制分支电缆的型号表示方法:预制分支电缆可从标称截面10mm2~1600mm,同时具有1芯单支、1芯多支、多芯多支及多层次多支。
3)预制分支电缆的选型:a.预制分支电缆使用场合对阻燃、耐火的要求程度,选择相应的电缆型号。
b.根据建筑设计的总容量加护余量求得截面。
值得提及一点的是:单芯电力电缆在空气中敷设长期允许截流量是相同截面三芯电力电缆的1.4倍左右。
从电缆手册中可查到:当导线工作温度:65℃,环境温度:25℃时,10mm单芯:72A,三芯:52A;70mm单芯:253A,三芯:175A;240mm单芯:552A,三芯:396A而直埋在土壤热阻系数为80℃.cm/W的环境下,单芯电力电缆是相同截面三芯电力电缆流量的1.5倍以上。
因此,无论是从经济性或是从便于安装维护的角度出发,都宜选用单芯电力电缆作为预制分支电缆的主体。
对于三相三线、三相四线、三相五线,可采用多根单芯电缆平行敷设。
c.选择适当的安装施工方式和选用预制分支电缆生产商配套提供的合适规格、型号附件(附件的型号规格在安装施工一节中予以说明)。
d.根据建筑电气总体设计图确定各配电柜具体位置,在该图纸上标明下列各种参数、指接头在电缆上的准确位置尺寸。
e.在上述的基础上,绘制预制分支电缆整体图纸,在该图纸上标明下列各种参数、指标,提供预制分支电缆生产厂作为定购和生产的依据。
主电缆的型号、截面、总有效长度;各分支电缆的型号、截面、各段的有效长度。
各分支接头在主电缆上的准确位置(尺寸);安装方式(垂直、水平、地埋、架空、墙体敷设);所需附件型号、规格、数量。
2.附件的规格、型号及选型1)预制分支电缆附件规格、型号在预制分支电缆的安装施工中,以中高层建筑在缆井或电缆通道中安装时所需附件最多。
现以此为便例,将预制分支电缆附件的规格、型号、选型作一简单介绍。
a.吊头:是预制分支电缆作垂直安装时,在主电缆顶端作为安装起吊用的附件。
其型号表示方如下:用户在选型确定预制分支电缆主电缆截面后,只需在图纸上注明配备"吊头",制造商即会按照相应的主电缆截面予以制作。
b.吊挂横梁:是在预制分支电缆垂直安装场合下,预制分支电缆直吊后,通过挂钩和吊头,挂于该横梁上。
其型号表示方法如下:主电缆吊挂根数代号2=2根主缆3=3根主缆4=4根主缆5=5根主缆矿用阻燃橡套电缆特点:1:移动频繁。