电梯零部件
- 格式:ppt
- 大小:13.68 MB
- 文档页数:96
曳引驱动电梯的主要组成及结构电梯是由其不同功能的8个系统组成的(如下图),分别是曳引系统、导向系统、轿厢、门系统、质量平衡系统、电力拖动系统、电气控制系统和安全保护系统等。
▲曳引驱动电梯结构曳引驱动电梯主要有以下零部件:(1)控制柜:各种电子元器件和电器元件安装在一个有防护作用的柜形结构内的电器控制设备。
(2)轿厢:运载乘客或其他载荷的轿体部件。
(3)开门机:使轿门和层门开启或关闭的装置。
(4)门锁装置:轿门与层门关闭后锁紧,同时接通控制回路,轿厢方可运行的机电联锁安全装置。
(5)安全触板:在轿厢关闭过程中,当有乘客或障碍物触及时,轿门重新打开的机械门保护装置。
(6)光幕:在轿门关闭过程中,当有乘客或物体通过轿门时,在轿门高度方向上的特定范围内可自动探测并发出信号使轿门重新打开的门保护装置。
(7)曳引机:包括电动机、制动器和曳引轮在内的靠曳引绳和曳引轮槽摩擦力驱动和停止电梯的装置。
(8)有齿轮曳引机:电动机通过减速器驱动曳引轮的曳引机。
(9)无齿轮曳引机:电动机直接驱动曳引轮的曳引轮。
(10)曳引绳:连接轿厢和对重装置,并靠曳引轮槽的摩擦力驱动轿厢升降的专用钢丝绳。
(11)导轨:供轿厢和对重运行的导向部件。
(12)补偿装置:用来平衡由于电梯提升高度过高、曳引绳过长造成运行过程中偏重现象的部件。
(13)轿顶检修装置:设置在轿顶上部,供检修人员检修时应用的装置。
(14)操纵箱:用开关、按钮操纵轿厢运行的电气装置。
(15)停止按钮(急停按钮):能断开控制电路或发出控制信号给处理器,最终使轿厢停止运行的按钮。
(16)极限开关:当轿厢运行超越端站停止装置时,在轿厢或对重装置未接触缓冲器之前,强迫切断主电源和控制电源的非自动复位的安全装置。
(17)超载装置:当轿厢超过额定载重量时,能发出警告信号并使轿厢不能运行的安全装置。
(18)限速器:当电梯的运行速度超过额定速度一定值时,其动作能导致安全钳动作的安全装置。
.
技术文件汇编版本:第2版
受控状态:受控
分发号:
部门:
编制:
审核:
批准:
持有者:
1、目的
为确保电梯重要零部件与产品质量满足安全技术规范的要求,防止不合格品入库或出厂安装,特制定本办法。
2、适用范围
适用于电梯外购和外协的重要零部件与产品检验规程
3、职责
3.1技术部负责本规范制定、修改、废止之起草工作。
3.2技术负责人负责本规范制定、修改、废止之核准。
4.管理部门
4.1技术部为本规范之管理部门。
5.对检测设备和量具的要求
5.1检测仪器和量具应经检定合格方可使用,仪器和器具精度的选择,应与被检零部件的技术要求相适应。
5.2检测用各类量具的示值允许误差不大于表一规定值
表一:
5.3检测时量具的温度与被检件的温度应基本一致。
5.4金属结构的非加工面测量计数单位为0.5mm。
5.5有关的项目检测应在无日照温度影响或确认各部位温度基本一致的条件下进行检测。
6、重要零部件与产品检验项目内容与方法
7、记录表式
7.1重要部件检验记录表
7.2 重要部件进货检验记录表填写说明
7.2.1 各种部件记录表均应填写两分,一份由技检部存档, 一份由仓库存档、做帐。
.
7.2.2 各种部件记录表中的每一项均应符合要求,否则判定为部符合要求,执行《不合格品控制程序》。
电梯部件更换方案1. 引言电梯作为现代城市交通系统中的重要组成部分,对于我们的生活起着至关重要的作用。
然而,由于长时间的使用和磨损,电梯的部件可能会出现故障或需要更换。
本文将讨论电梯部件更换的方案,并提供一些实用的建议。
2. 电梯部件更换的常见原因电梯部件需要更换的原因有多种,包括但不限于以下几点:1.使用年限过长:随着时间的推移,电梯部件会经受长期的磨损,导致性能下降。
2.故障发生:电梯部件可能会出现故障,例如电子控制系统、门锁、电机等出现故障导致电梯无法正常运行。
3.安全隐患:某些电梯部件的老化或失效可能会导致安全隐患,需要尽快更换。
3. 电梯部件更换的步骤电梯部件的更换通常需要以下步骤:步骤一:故障排除和评估当电梯出现故障时,首先需要进行故障排除,确定是哪个部件出现了问题。
根据故障的具体情况,可以进行简单的维修或更换整个部件。
步骤二:零部件采购在确定需要更换哪个部件后,需要采购相应的零部件。
可以选择与电梯制造商合作或寻找合适的供应商采购零部件。
步骤三:更换部件在采购到适当的零部件后,可以开始更换电梯部件。
根据具体的部件更换方案,可以选择自行更换或聘请专业技术人员进行更换。
步骤四:测试和维护在更换完部件后,需要对电梯进行测试,确保其正常运行,并进行必要的维护工作。
这可以包括对电梯进行全面检查、清洁、润滑等。
4. 电梯部件更换的注意事项在进行电梯部件更换时,需要注意以下几点:1.遵守相关法规和标准:在更换电梯部件时,需要遵守相关的法规和标准,确保更换过程符合安全要求。
2.选择合适的供应商:选择可靠的供应商采购零部件,确保其质量和性能满足要求。
与制造商合作可以更好地确保零部件的兼容性和质量。
3.特殊的更换方案:某些电梯部件的更换可能需要特殊的方案,例如对电梯停运时间的要求、安全措施等。
在制定更换方案时要考虑这些因素。
4.妥善保管文档和记录:在更换过程中,要妥善保管相关的文档和记录,包括故障排除和更换过程的详细记录,以便日后的维护和追踪。
.*
技术文件汇编版本:第2版
受控状态:受控
分发号:
部门:
编制:
审核:
批准:
持有者:
1、目的
为确保电梯重要零部件与产品质量满足安全技术规范的要求,防止不合格品入库或出厂安装,特制定本办法。
2、适用范围
适用于电梯外购和外协的重要零部件与产品检验规程
3、职责
3.1技术部负责本规范制定、修改、废止之起草工作。
3.2技术负责人负责本规范制定、修改、废止之核准。
4.管理部门
4.1技术部为本规范之管理部门。
5.对检测设备和量具的要求
5.1检测仪器和量具应经检定合格方可使用,仪器和器具精度的选择,应与被检零部件的技术要求相适应。
5.2检测用各类量具的示值允许误差不大于表一规定值
5.4金属结构的非加工面测量计数单位为0.5mm。
5.5有关的项目检测应在无日照温度影响或确认各部位温度基本一致的条件下进行检测。
6、重要零部件与产品检验项目内容与方法
7.1重要部件检验记录表
7.2
7.2.1 各种部件记录表均应填写两分,一份由技检部存档, 一份由仓库存档、做帐。
.
7.2.2 各种部件记录表中的每一项均应符合要求,否则判定为部符合要求,执行《不合格品控制程序》。
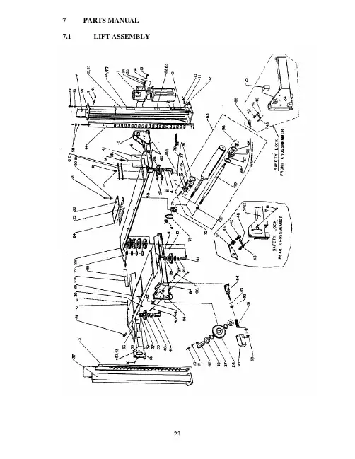
7 PARTSMANUAL 7.1 LIFT ASSEMBLY7.2 PARTSLISTITEM QTY. DESCRIPTION PART #1 1 POWER PACK, 230V/1PH/3HP 6-13981 POWER PACK ASS’Y, 230V/3PH 6-26142 1 POWER POST WELDING (L.S.) 4-04293 2 SAFETY RACK WELDMENT (REAR) 3-04874 1 ALIGNMENT DECK WELDMENT (LEFT SIDE) 4-04375 1 FRONT CROSSMEMBER WELDMENT (LEFT SIDE) 4-03666 2 FRONT WHEEL STOP WELDMENT 2-09987 22 HEX NUT, 3/4"-10UNC 6-07378 26 FLAT WASHER, 3/4" I.D. 6-07389 22 WEDGE ANCHOR, 3/4"-10UNC X 5 1/2"LG. 6-137910 14 HEX HD. BOLT, 3/8"-16UNC X 1"LG. GR.8 6-066811 16 LOCKWASHER, 3/8" I.D. 6-005812 6 FLAT WASHER, 3/8" I.D. 6-062513 4 HEX HD. BOLT, 5/16"-18UNC X 1"LG. 6-029314 4 LOCKWASHER, 5/16" I.D. 6-06741/2"I.D. 6-0059 LOCKWASHER,15 1616 6 HEX HD. BOLT, 1/2"-13UNC X 1"LG. 6-0045LOCKWASHER,1/4"I.D. 6-005617 2418 8 HEX HD. BOLT, 1/4"-20UNC X 3/4"LG. 6-0178RETAININGBAR 2-139119 420 8 FLAT WASHER 2"O.D X 13/32I.D. X 3/32 6-042621 8 SHOULDER BOLT 3/8" X 5/8"LG. 6-006922 2 REAR SLIP PLATE (FULL FLOATING) 3-0197CAGE 3-019623 2BEARING24 1 SET 1/4" BALL BEARING 6-0829BEARING 2-077225 8GLIDESHEAVEASSEMBLY 2-055726 1127 21 NYLON THRUST WASHER 1-075728 1 REAR CROSSMEMBER (WELDING) 4-037129 4 LOCKING PIN ASSEMBLY 2-063730 4 SELF TAP SCREW #10 X 1/2"LG. 6-050531 4 R AMP PI N 1-188732 4 C OTTER PIN, 1/8" X 1 1/2" LG. 6-097833 1 POST WELDING (FRONT - R.S) 4-043034 4 HEX NUT, 5/16UNC GR.5 6-029435 8 FLAT WASHER, 5/16" I.D. 6-0295APPROACHRAMP 3-028536 237 2 REAR POST WELDING 3-034738 1 ALIGNMENT DECK WELDMENT, (RIGHT SIDE) 4-043839 1 SHEAVE-SPACER 2 1/2"LG. 1-079840 1 SHEAVE-SPACER 1 1/4"LG. 1-078841 4 DECK SHEAVE PIN 2-100842 2 SHOULDER BOLT 3/8"DIA. X 1"LG. 6-020643 6 SHOULDER BOLT 3/8" DIA. X 5/8"LG. 6-006944 4 LOCK SAFETY PIN (WELDING) 1-1234ROLLER 1-0766 CABLE45 446 8 TENSION SPRING 1-0768ITEM QTY. DESCRIPTION PART #49 4 SAFETY SHOE WELDMENT 2-099050 4 HEX. NYLON LOCKNUT, 1/4"-28UNF 6-156351 4COMPRESSIONSPRING 1-076752 4 HEX. NUT, 5/8"-18UNF 6-066253 4 INTERNAL TOOTH LOCKWASHER, 5/8" I.D. 6-066354 4 AIR CYLINDER (CLIPPARD #SRR-12-2-SP; 5 1/2" ROD EXT.) 6-065155 11 LOCK-SAFETY LSLOCK-SAFETY RS2-05672-147556 4PLASTICBRACKET 1-0775 57 4PLASTICGUIDE 1-077658 8 HEX NUT, 5/8"-11UNC, GR.8 6-067359 2 SHEAVE-SPACER 1 3/4"LG. 1-079960 8 SET SCREW, 1/2"-13UNC X 1" LG. GR.8 6-072661 2 SHEAVE-SPACER 2 "LG. 1-094362 16 FLAT WASHER, ¼”ID x ¾” OD, PLATED 6-006063 1 HYDRAULIC CYLINDER 3.5" 4-039364 2 SAFETY RACK WELDMENT 3-058165 1 WEAR RING 3/8" WIDE X 1/8"THK. X 3 1/2"O.D. 6-000466 1PISTON 2-103567 1 "O" RING 1 1/4"O.D. X 1"I.D. X 1/8" C/S 6-158568 1 PISTON SEAL 3 1/2"O.D. X 3"I.D. X 3/8" 6-000369 1 PISTON SEAL KIT 0-024170 1 PISTON ROD (MACHINED) 2-103671 2 HEX NUT 1 1/4"-12UNF-2A 6-145472 1CABLEFLANGE 2-103773 1 HOSE CLAMP 4 1/2"DIA. 6-066574 2 HEX. BOLT 3/8"-16UNC-1 1/4"LG. GR.8 6-066675 1 ROD WIPER 1 1/2" X 1 7/8" 6-000176 1 ROD SEAL 1 1/2"I.D. X 1 7/8"O.D. X 5/16" 6-130477 1GLAND 3-052278 1 "O" RING 3 1/2"O.D. X 1/8” C/S 6-065579 1 GLAND SEAL KIT 0-024280 4 HEX HD. BOLT 3/8"-16UNC X 3"LG. 6-138681 4SHEAVECOVER 2-0997 82 1SERIALTAG 6-1306 83 1"ALI"PLATE 6-098884 1 FRONT CROSSMEMBER WELDMENT (RIGHT SIDE) 4-036885 1 DECAL SET, ALI/WL 200 6-098888 11 LOCK SAFETY LSLOCK-SAFETY RS2-09802-142789 1 "CAUTION" TAPE, (40" LG.) 6-112590 2 HEX HD. BOLT, ½”-13UNC x 3"LG. 6-138191 16 HEX HD. BOLT, ¼”-20UNC x ¾”LG. 6-002792 10 HEX HD. BOLT, 1/2"-13UNC x 2"LG. 6-076993 20 FLAT WASHER, 1/2"I.D. SAE 6-024894 10 HEX NUT, 1/2"-13UNC 6-003595 2TOPPLATE 2-112596 1 LOCK NUT, 1 1/4”-12UNF 6-145397 1“ATTENTION”DECAL 6-1637 98 1 KEEPER WASHER, 2”DIA. x ¼” THK. 1-17667.3 HYDRAULICS AND AIR KITS ASSEMBLY7.4 HYDRAULIC AND AIR KITSITEM QTY. DESCRIPTION PART#1 9 90° ELBOW, 1/8"NPT X 1/4"POLY TUBE 6-07092 4 AIR CYLINDER 6-06513 1 1/4" DIA. POLY TUBE (50’ LG.) 6-07064 3 ADAPTER, 3/8" POLY TUBE X 1/4"NPT 6-07105 2 TERMINAL BOLT, 3/4" 6-07136 2 PLUG, 1/4"NPT 6-02827 3 1/4" NPT STREET TEE 6-00148 1 1/4" NPT STREET ELBOW 6-00159 1 3/8" DIA. POLY TUBE (25’ LG.) 6-070710 1 90° ELBOW, 3/8"JIC M X 9/16"SAE M 6-080411 1 HOSE GUARD (4’ LG.) 6-071412 1 POWER PACK 230V/1 PH/3 HP 6-13981 POWER PACK ASS’Y, 230V/3 PH 6-261413 1 HYD.HOSE ASS'Y, 3/8"SWIVELx3/8"JICM, 147"LG. 6-071514 3 CABLE TIE 6-073115 1 AIR VALVE & FILTER ASS’Y 2-139416 2 ADAPTER, 3/8"NPT M X 3/8"JIC F, SWIVEL 6-079717 1 FLOW CONTROL 6-009018 1 3-WAY AIR VALVE 6-177519 1 90° ELBOW, 1/4"NPT M X 3/8"NPT F 6-079620 3 ADAPTER, 1/4" POLY TUBE X 1/8"NPT 6-070821 1 AIR VALVE PUSHBUTTON KIT 6-177722 1 AIR FILTER ASSEMBLY 6-07721 AIR FILTER ELEMENT, (REPLACEMENT) 6-018023 1 AIR VALVE FITTING KIT 0-040524 1 VELOCITY FUSE 6-002525 1 PLUG, 1/8" NPT 6-018226 2 MANIFOLD 1-105727 4 HEX HD.CAP SCREW, 1/4"-20UNC X 2"LG. 6-017728 4 HEX NUT, 1/4"-20UNC 6-003229 4 LOCKWASHER, 1/4"I.D. 6-005630 2 1/4” POLYTUBE ADAPTER 6-074732 1 "LIFT OPERATION" DECAL 6-059333 1 ADAPTER, 1/8"NPT M X 1/4"JIC M 6-02807.5 CABLE ROUTING DIAGRAM7.6 CABLE ROUTINGITEM QTY. DESCRIPTION PART#1 1 CABLE ASSEMBLY, 387”LG. (LEFT-FRONT) 2-12872 1 CABLE ASSEMBLY, 178"LG. (LEFT-REAR) 2-10943 1 CABLE ASSEMBLY, 234"LG. (RIGHT-REAR) 2-10954 1 CABLE ASSEMBLY, 442”LG. (RIGHT-FRONT) 2-12885 8 HEX NUT, 7/8"-14UNF, GR.8 6-07246 4 CABLE SPACER, 2"LG. 1-08007 4 FLAT WASHER, 7/8" I.D. 6-07258 4 CABLE SPACER, 1"LG. 1-08017.7 POWER PACK7.8 POWER PACK PARTS LISTITEM QTY. DESCRIPTION PART#1 1 MICROSWITCH AND WIRING ASSEMBLY 6-08812 1 MICROSWITCH BOOT 6-10843 1 MOTOR, 230V AC, 1 PHASE, 60 HERTZ, 3HP 6-19591 MOTOR, 230V AC, 3 PHASE, 60 HERTZ 6-10794 1 MOTOR ADAPTER KIT 0-01975 4 SOCKET HD.CAP SCW. 1/4"-20UNC X 1 5/8"LG. 6-10856 4 LOCK WASHER, 1/4"I.D. 6-00567 4 ALLEN FLAT HD.SCW. 1/4"-20UNC X 3/4"LG. 6-10868 1 COUPLING 6-07749 1 RELEASE BRACKET & HANDLE ASSEMBLY 6-077610 1 VALVE CARTRIDGE RELEASE 6-088011 1 VALVE CARTRIDGE CHECK 6-108712 1 FIXED RELIEF VALVE ASSEMBLY (RV 23) 6-132313 1 RELIEF VALVE CAP 6-108914 1 RESERVOIR "O" RING 6-087515 1 PUMP ASSEMBLY, 2.5CC/REV 6-195816 2 PUMP MOUNTING BOLT 6-109017 1 INLET PLUMBING KIT 0-019818 1 INLET HOSE / FILTER ASSEMBLY 6-078619 1 PUMP "O" RING KIT 0-019920 1 RETURN TUBE 6-078321 1 BREATHER FILLER CAP 6-078422 1 RESERVOIR 6-078523 4 RESERVOIR SCREW 6-1091CAUTIONALL SAFETY LADDERS USED ON 4-POST LIFTS ARE PRELOADED.REMOVING THE BOLT HOLDING THE BOTTOM PORTION OF THE SAFETY LADDER WITHOUT PROPER PRECAUTIONS CAN RESULT IN INJURY. PLEASE CONTACT CUSTOMER SERVICE FOR PROPER REMOVAL INSTRUCTIONS.。
电梯零部件组装流程下载温馨提示:该文档是我店铺精心编制而成,希望大家下载以后,能够帮助大家解决实际的问题。
文档下载后可定制随意修改,请根据实际需要进行相应的调整和使用,谢谢!并且,本店铺为大家提供各种各样类型的实用资料,如教育随笔、日记赏析、句子摘抄、古诗大全、经典美文、话题作文、工作总结、词语解析、文案摘录、其他资料等等,如想了解不同资料格式和写法,敬请关注!Download tips: This document is carefully compiled by the editor. I hope that after you download them, they can help yousolve practical problems. The document can be customized and modified after downloading, please adjust and use it according to actual needs, thank you!In addition, our shop provides you with various types of practical materials, such as educational essays, diary appreciation, sentence excerpts, ancient poems, classic articles, topic composition, work summary, word parsing, copy excerpts,other materials and so on, want to know different data formats and writing methods, please pay attention!在电梯制造行业中,电梯零部件的组装流程是至关重要的环节。
上海市电梯制造单位零部件使用年限随着城市的发展和人们生活水平的提高,电梯作为现代建筑中不可或缺的交通工具,扮演着越来越重要的角色。
而电梯的质量和安全性直接关系到人们的生命安全。
电梯的零部件作为电梯的核心组成部分,其使用年限的长短直接影响着电梯的性能和寿命。
那么,上海市电梯制造单位零部件的使用年限是多久呢?我们需要了解电梯制造单位在生产电梯时所使用的零部件种类。
电梯的主要零部件包括电机、控制系统、导轨、门系统、安全装置等。
这些零部件在电梯的运行中起到不同的作用,因此其使用年限也存在差异。
电梯电机作为电梯的动力源,其使用年限一般在10年左右。
电机的使用年限主要取决于其设计和制造的质量,以及日常维护保养的情况。
电梯电机在使用过程中,会受到频繁的启停和负荷变化,因此需要定期检查和维护,以确保其正常运行。
控制系统是电梯的大脑,负责控制电梯的运行和停靠。
控制系统的使用年限一般在15年左右。
控制系统的使用年限主要取决于其电气元件的寿命和稳定性。
在电梯的使用过程中,控制系统会受到电压波动、湿度等环境因素的影响,因此需要定期检查和维护,以确保其正常工作。
导轨是电梯的运行轨道,其使用年限一般在20年左右。
导轨的使用年限主要取决于其材料的质量和制造工艺。
导轨在电梯的使用过程中,会受到电梯的运行震动和负荷变化的影响,因此需要定期检查和维护,以确保其安全可靠。
门系统是电梯的出入口,其使用年限一般在15年左右。
门系统的使用年限主要取决于其开闭机构的寿命和可靠性。
在电梯的使用过程中,门系统会频繁开关,因此需要定期检查和维护,以确保其正常运行和安全。
安全装置是保证电梯运行安全的重要组成部分,其使用年限一般在10年左右。
安全装置的使用年限主要取决于其工作原理和材料的质量。
在电梯的使用过程中,安全装置会受到电梯的震动和负荷变化的影响,因此需要定期检查和维护,以确保其正常工作和安全。
总结起来,上海市电梯制造单位零部件的使用年限是根据其不同的功能和特点而定的。
电梯钢带知识点总结一、电梯钢带的概念电梯钢带是电梯的重要零部件之一,它是安装在电梯轿厢和对重块之间的钢带,用于支撑和传递轿厢和对重块的重量。
电梯钢带通常由多股钢丝编织而成,具有优良的强度和耐磨性能,能够承受电梯的运行过程中的拉力和扭曲力。
二、电梯钢带的分类1.根据结构形式:可分为单层钢带和多层钢带两种。
单层钢带是由一层钢丝编织而成,结构简单,适用于较小承载力和速度要求较低的电梯。
多层钢带是由多层钢丝绞制而成,具有更高的承载能力和更好的耐磨性能,适用于大型高速电梯。
2.根据用途:可分为承重钢带和对重钢带两种。
承重钢带主要用于支撑轿厢和乘客重量,通常安装在轿厢上方。
对重钢带主要用于支撑对重块的重量,通常安装在对重块上方。
三、电梯钢带的特点1.强度高:电梯钢带通常采用优质的高强度钢丝绞制而成,能够承受电梯运行过程中的拉力和扭曲力,确保电梯的安全运行。
2.耐磨性好:由于电梯运行时钢带不断与导向轮、导轨等部件接触摩擦,因此对钢带的耐磨性要求较高,优质的电梯钢带通常具有较好的耐磨性能。
3.稳定性好:电梯钢带经过精密的加工和调试,具有良好的稳定性,能够确保电梯的平稳运行和安全停靠。
4.安全性高:电梯钢带作为电梯的重要承重部件,其安全性直接影响着电梯的安全性能,因此对电梯钢带的质量和工艺要求较高,一般采用国际标准生产和检测。
四、电梯钢带的安装与维护1.电梯钢带的安装电梯钢带的安装需要经过严格的工艺和操作要求,通常由专业的安装和调试人员进行。
安装前需要检查钢带的品质和尺寸,确保符合要求,然后根据电梯的设计图纸和安装要求进行安装,安装完成后需要进行调试和检测,确保钢带能够正常工作。
2.电梯钢带的维护电梯钢带在长时间的运行过程中会受到磨损和老化,因此需要进行定期的维护和检测。
维护工作主要包括润滑、清洁、检查和更换等。
润滑可以减少钢带与其他部件的摩擦,延长钢带的使用寿命;清洁可以有效去除污垢和杂质,保持钢带表面光滑;检查可以及时发现钢带的磨损和裂纹等问题,及时处理;更换则是在钢带严重磨损或老化时进行更换,确保电梯的安全运行。
电梯零件报价单范文
尊敬的客户:
感谢您选择我们的电梯零件。
作为一家专业从事电梯零部件生产和销
售的公司,我们将竭诚为您提供优质的产品和服务。
以下是我们的报价单,请您仔细阅读。
1.电梯轿厢
型号:A-1205
材质:不锈钢
尺寸:2000mm x 1500mm x 2200mm
价格:¥25,000
2.电梯门套
型号:B-850
材质:钢板
尺寸:900mm x 2000mm
价格:¥5,000(包含门锁和门套辅助装置)
3.电梯导轨
型号:C-660
材质:合金钢
尺寸:9900mm x 142mm x 65mm
价格:¥10,000
4.电梯控制板
型号:D-220
材质:塑料
功能:电梯横/纵向控制
价格:¥8,000
5.电梯驱动系统
型号:E-5000
材质:铝合金
功率:5500W
价格:¥15,000
6.电梯安全系统
型号:F-800
功能:停止开关、触发器、超速保护装置价格:¥6,000
7.电梯按钮
型号:G-50
材质:不锈钢
功能:楼层选择、紧急报警
价格:¥1,000(每个按钮)预祝生意兴隆!
此致。
电梯零部件和材料控制制度1. 目的和范围- 目的:确保电梯零部件和材料的质量,保障电梯的安全运行和维护。
- 范围:适用于公司所有电梯的零部件采购、验收、存储、使用和报废。
2. 零部件和材料的采购- 2.1 采购前需进行市场调研,选择质量可靠、信誉良好的供应商。
- 2.2 所有采购的零部件和材料必须符合国家相关标准和行业规范。
- 2.3 建立供应商评估体系,定期对供应商进行评估和筛选。
3. 验收和检验- 3.1 所有到货的零部件和材料必须进行严格的验收流程。
- 3.2 零部件和材料必须附有合格证、检验报告等相关证明文件。
- 3.3 对关键零部件进行抽检,确保其性能和质量符合要求。
4. 存储管理- 4.1 零部件和材料应存放在干燥、通风、无腐蚀性物质的环境中。
- 4.2 建立库存管理制度,定期检查库存,避免过期和损坏。
- 4.3 采用先进的库存管理系统,确保零部件和材料的可追溯性。
5. 使用和维护- 5.1 零部件在使用前应再次进行检查,确保无损坏或缺陷。
- 5.2 建立零部件使用记录,记录零部件的使用情况和更换周期。
- 5.3 定期对电梯进行维护和检查,确保零部件的正常运行。
6. 报废和回收- 6.1 对于损坏或过期的零部件,应按照规定程序进行报废处理。
- 6.2 建立报废零部件的回收机制,确保环保和资源的合理利用。
- 6.3 报废零部件的处理应符合国家环保法规和公司的相关政策。
7. 质量控制和持续改进- 7.1 建立质量控制体系,对零部件和材料的质量进行持续监控。
- 7.2 定期对电梯零部件和材料控制制度进行评审和更新。
- 7.3 鼓励员工提出改进建议,不断优化零部件和材料的管理流程。
8. 培训和教育- 8.1 对相关人员进行电梯零部件和材料管理的培训。
- 8.2 增强员工对电梯安全和质量控制的意识。
9. 记录和文档管理- 9.1 所有与零部件和材料相关的记录和文档应妥善保存。
- 9.2 确保记录和文档的准确性、完整性和保密性。
电梯零部件功能说明电梯作为交通工具的一种,起到了垂直运输人和物的作用,具有速度快、安全、便捷等优点。
电梯零部件是电梯运行所必需的,各个零部件的具体功能十分重要。
下面,将从机房、轿厢、对重、导轨、安全装置、绳张紧装置、限速器、电梯门、控制系统等方面详细介绍电梯零部件的功能。
一、机房机房是电梯承载齿轮、电机、制动器、限速器等组合成的驱动系统的主要设备设置区域,在不断地循环吊着电梯工作。
机房主要承担以下功能:1.驱动系统:机房内的电机和齿轮等是电梯的驱动系统,通过齿轮和机房里的安全制动来使电梯运行或停止。
2.制动系统:电梯运行时需要制动器控制电梯的运动状态。
在电阻释放时,制动器会自动制动,使电梯停止运动。
3.限速器:限速器是一种安全装置,在电梯运行的过程中,通过对滑块的控制,使电梯保持运行的安全状态。
二、轿厢轿厢是电梯载乘人和物的空间,是电梯运行的核心,它的安全措施也是十分必要的。
轿厢主要的功能包括:1.承载人和物:轿厢的主要功能就是承载人和物,使之进行垂直运输。
2.电梯门:轿厢的门是人和物进入和离开轿厢的通道,同时也是安全措施的重要组成部分。
3.电梯灯:轿厢内存在电梯灯,使得人们在轿厢内可以看清楼层和方向等信息。
三、对重对重位于轿厢的下方,对轿厢的加重和减轻起到重要作用。
对重主要的功能如下:1.平衡轿厢:对重是与轿厢相对的一种重量,主要是为了平衡轿厢的重量,使电梯良好地运行。
2.减轻驱动压力:对重可以减轻驱动系统的压力,确保电梯运行的稳定和顺畅。
四、导轨导轨是电梯上下运行的主要组成部分,起到支撑轿厢的作用。
导轨的主要功能包括:1.支持重量:导轨可以承受轿厢以及乘客和物品的重量,保证电梯稳定运行。
2.指导移动方向:导轨可以指导电梯的移动方向,让电梯沿垂直固定的方向运动。
五、安全装置安全装置是保证电梯运行安全的关键部分,是当电梯在发生故障或失控时,必要的保障措施。
安全装置的主要功能包括:1.紧急制动:在紧急情况下,安全装置会自动触发制动器,并迅速制动电梯,从而保证人身安全。