提高焦炉装煤水平的措施
- 格式:doc
- 大小:15.50 KB
- 文档页数:3
焦炭质量的提高与炼焦工艺的发展探讨关键词:焦炭质量炼焦工艺发展一、前言随着经济的快速发展,各种大型高炉不断出现,高炉冶炼技术不断提高,高炉对焦炭质量要求越来越高,生产出符合大型高炉要求的高质量焦炭成为焦化厂急需解决的一个重大问题。
本文就焦炭质量和炼焦工艺进行详细探讨,具体内容如下分析。
二、焦炭质量影响因素及提高方法影响因素1.炼焦煤质量炼焦煤的质量直接决定着焦炭质量,炼焦煤中的灰分几乎100%的残留在焦炭中,焦炭的灰分为配合煤灰分的1.3-1.4倍,炼焦煤中的硫分60%-70%转到焦炭中去,焦炭的硫分为配合煤硫分的80%-90%,炼焦煤的粘结性于结焦性直接决定着焦炭强度的好坏。
2.炼焦工艺条件2.1标准温度焦炉炉温的高低直接影响炼焦煤的粘结性和结焦速度,从而对焦炭质量产生影响。
特别是在半焦收缩阶段,如果炉温较低对焦炭的缩聚和最终热分解产生影响,直接影响焦炭气孔率。
温度较高使收缩速度加快,焦炭产生的裂纹较多,不利于焦炭质量的提高,因此合适的标准温度显得尤为重要,提高炼焦终温,结焦终了时采取焖炉等措施,可以使焦炭结构致密,从而降低焦炭反应性。
2.2熄焦方式焦炭的熄焦方式也对焦炭质量起着重要影响,当炼焦煤配比及其它工艺条件都相同时,干熄焦焦炭比湿熄焦焦炭的反应性及反应后强度都好。
主要原因是采用干熄焦时,焦炭的残余挥发份得到继续释放,焦炭在干熄炉内继续缩聚,使焦炭更加致密,而湿熄焦过程中水汽对焦炭气孔表面起活化反应,该活化反应可以降低焦炭的反应性。
2.3捣固工艺通过捣固煤料,使煤料的堆密度增加,煤粒间的空隙变小,从而减少结焦过程中为填充空隙所需胶质体数量。
所以,较少的胶质体就可以在煤粒之间形成较强的界面结合。
而且随着煤饼堆密度的增加,其透气性变差,结焦过程中产生的干馏气体难以析出,胶质体的膨胀压力变大,促使煤粒受压变实,进一步加强了煤粒间的结合,从而提高煤的黏结性,达到改善焦炭热性能的目的。
三、提高焦炭质量的措施1.采用煤调湿工艺煤调湿是将炼焦煤料在装炉前除掉一部分水分,保持装炉煤水分稳定且相对较低,一般为6%左右。
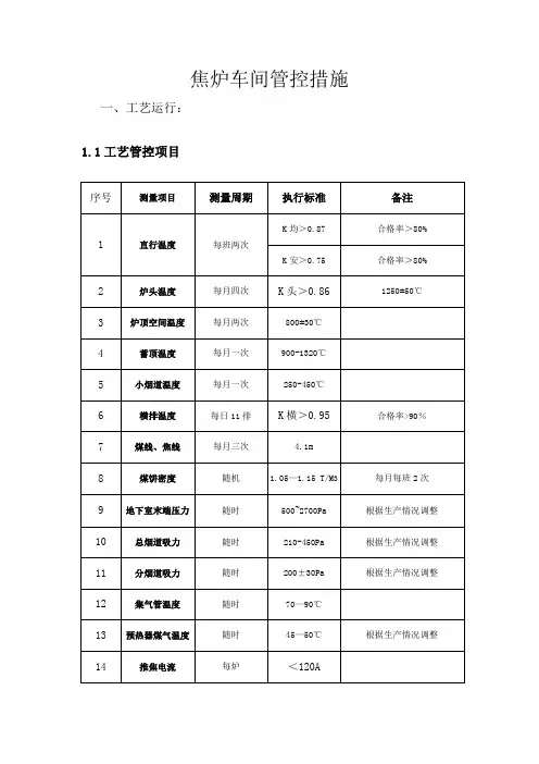
焦炉车间管控措施一、工艺运行:1.1工艺管控项目1.2工艺考核细则二、设备管理三、任务及运行四、安全环保五、节能降耗重点管控措施。
1.节电1.1捣固、装煤操作到位,降低塌煤、塌饼,减少地面站运行时间;1.2保证各作业现场照明的前提下,杜绝长明灯。
1.3强化员工节约意识,减少设备空转。
1.4大车空调、油站加热装置在满足使用前提下减少运行工作时间,杜绝高限运行。
2.节水2.1炉顶上升管水封用水循环利用,减少补水量。
2.2各用水点杜绝长流水,发现长流水列入考核。
2.3供水系统管路出现漏点及时处理。
3.节汽3.1煤气预热器温度保持下限,满足焦炉加热即可;3.2冬季各采暖、保温用汽退汽不准带压直排;3.3做好蒸汽系统保温,把管路损耗降到最低。
3.4蒸汽系统出现漏点及时处理。
4.节气4.1保证压缩空气系统无泄漏,出现漏点及时处理。
4.2地面站空气电磁阀及时维护保养,杜绝漏气。
4.3捣固站空气炮维护到位,杜绝内漏。
5.节煤气5.1合理制定加热制度,保证焦炭成熟情况下进一步的提高煤气利用率。
5.2加强焦炉加热管控,杜绝火道燃烧不尽冒黑烟现象。
5.3煤塔保温煤气火,在满足设备使用的前提下控制煤气量,杜绝大火无控制燃烧。
气温升高后及时关闭停用。
5.4在保证蒸汽压力的前提下,提高锅炉煤气利用率,依据空气过剩系数1.2来调整。
5.5茶炉定时供开水,水烧开后及时控火保温,杜绝水开后仍然开大火。
5.6煤气系统出现泄漏点及时处理。
6.管理措施6.1运行班组通过推焦装煤系数的排名,奖励先进,鼓励员工捣固、装煤规范操作,减少地面站运行时间。
6.2强化节约、成本意识,运行费用节约率排名,奖励先进,鼓励员工实现节约。
焦炉车间2018.2.11。
热风炉烧炉时加焦炉煤气安全规定热风炉作为一种常见的燃烧设备,在烧炉加热过程中使用焦炉煤气作为燃料经常遇到,然而,由于焦炉煤气具有高热值、易燃易爆等特性,使用中存在一定的安全风险。
为此,为了确保热风炉烧炉时安全使用焦炉煤气,制定了一系列的安全规定。
一、炉体安全规定1. 安装焦炉煤气监测仪:在热风炉附近安装焦炉煤气监测仪,确保及时探测焦炉煤气泄漏情况。
2. 加装防爆装置:在热风炉的进气管道、燃烧室等位置加装防爆装置,以防止焦炉煤气泄漏后形成爆炸。
3. 定期检查炉体:定期检查热风炉的炉体,确保其完好无损,避免因老化、腐蚀等问题导致燃气泄漏。
4. 清理积炭:热风炉燃烧焦炉煤气后易产生积炭,需定期清理,以免影响燃烧效率和安全性。
5. 监控火焰状态:通过火焰监视器等装置对热风炉燃烧焦炉煤气的火焰状态进行实时监控,确保燃烧稳定、安全。
二、供气系统安全规定1. 设立减压装置:在焦炉煤气进入热风炉之前安装减压装置,将焦炉煤气压力降低到安全范围内。
2. 安装安全阀:在焦炉煤气进气管道上设置安全阀,以防止过压时引发安全事故。
3. 定期检查管道密封:定期检查焦炉煤气供气管道的密封性能,防止煤气泄漏。
4. 配备气体检测仪:供气系统需要配备焦炉煤气检测仪,及时发现煤气泄漏并采取相应的措施。
三、点火系统安全规定1. 使用标准设备:使用符合国家标准和安全要求的点火器、点火装置等设备进行热风炉的点火。
2. 安全导爆管:安装安全导爆管,将点火引燃的火焰导向指定位置,避免燃烧引起的不安全因素。
3. 温度监控:监控热风炉点火过程中的温度变化,确保点火过程安全可控。
四、燃烧系统安全规定1. 燃气泄漏监测:热风炉应配备燃气泄漏监测仪器,实时监测焦炉煤气是否泄漏,以及泄漏程度。
2. 配备多重安全保护装置:热风炉应配备多重安全保护装置,包括燃气压力开关、过热保护装置、燃气流量调节器等,确保燃烧过程中的安全。
3. 燃气质量监测:监测焦炉煤气的质量,确保煤气中的有害成分在国家标准范围内。
焦化安全生产技术范本一、引言焦化工艺是将煤炭等燃料转化为焦炭和炭素材料的过程。
在焦化过程中,存在着诸多的安全隐患,如煤气泄漏、煤气爆炸、火灾等。
为了确保焦化工艺的安全生产,必须采取一系列的安全措施和技术手段。
本文将介绍焦化安全生产的技术范本,旨在提高焦化工艺的安全性和可靠性。
二、防止煤气泄漏的技术措施1. 安装可燃气体检测仪:在焦炉及相关设备附近,安装可燃气体检测仪,定期检测煤气泄漏情况。
检测仪应具备高灵敏度和快速响应的特点,在检测到可燃气体泄漏时,能够及时发出报警信号并采取紧急措施。
2. 确保瓦斯管道的密封性:对焦化装置中的瓦斯管道进行定期的检修和维护,确保其密封性能良好。
对于存在老化、破损或漏气的管道及时更换或修复,防止煤气泄漏的发生。
3. 进行泄漏检测和防护:定期对焦化装置进行泄漏检测,通过红外线、紫外线或气体追踪技术,及时发现泄漏点并进行修复。
在煤气泄漏可能发生的区域设置隔爆电器和气体泄漏报警系统,防止煤气泄漏演变为火灾或爆炸事故。
三、防止煤气爆炸的技术措施1. 加强煤气爆炸监测:在焦化装置中设置煤气爆炸监测装置,通过监测气体浓度和压力等参数,及时预警和报警。
监测装置应具备高精度、高灵敏度和高可靠性,能够有效识别和监测煤气爆炸的危险情况。
2. 控制煤气爆炸的传播:在焦炉和气体管道中设置爆炸隔离阀,一旦发生爆炸,立即关闭隔离阀,切断煤气的供应,防止爆炸向其他部位传播。
隔离阀应具备快速关闭、可靠密封的特点,确保在爆炸发生时能及时起到阻隔的作用。
3. 采取爆炸防护措施:对于焦炉、气体管道等容易发生爆炸的部位,采取防爆设备和防护措施。
例如,在焦炉上方安装煤气爆炸压力释放装置,一旦压力超过安全范围,即可释放部分气体。
同时,对焦炉进行防爆加固,提高其抗爆能力。
四、火灾预防和控制的技术措施1. 建立完善的火灾预警系统:在焦化装置各关键区域和设备周围,安装火灾报警器和烟雾探测器。
当有火灾发生时,能够及时发出警报,并启动灭火系统。
重视焦炭质量之六(顶装焦与捣固焦)顶装焦,故名思义,是从焦炉顶端装入炼焦煤的一种炼焦方式。
早期生产的焦炭都是顶装焦炭,它是从焦炉顶部装入炼焦煤,然后压制成型,焦煤堆密度一般在0.77t/m3左右,这种炼焦方式的焦炉利用率不高,而且仅适合单单用一种煤作主焦煤炼焦,浪费资源,产焦率也不高。
环境污染严重,工人操作环境恶劣。
捣固焦是随着焦煤资源日益紧缺而逐步发展起来的一种炼焦方法,它可以根据焦炭的不同用途,配入较多的高挥发分煤及弱粘结性煤,在装煤推焦车的煤箱内用捣固机将已配合好的煤捣实后,从焦炉机侧推入炭化室内进行高温干馏,从而得到化学成分、物理性质和冶金性能都符合生产要求的焦炭。
捣固焦的应用始于小高炉,实践证明小高炉使用捣固焦完全能够满足高炉生产需求,目前,捣固焦已逐步被一些大中型高炉选用,用以部分或全部替代顶装焦,国内已有诸多中型高炉以捣固焦完全取代顶装焦的成功实例。
相信,随着对捣固焦特性的不断研究和认知,以及捣固焦生产技术的不断进步,捣固焦在大型高炉上的应用也会不断取得新的进展。
因此,认识和研究捣固焦的冶金特性,成为摆在我们面前的一个迫在眉捷的课题。
应该说,通过合理配煤与捣固技术,能够得到化学成分、物理性质及冶金性能相同于或更优于顶装焦的捣固焦,这也为捣固焦替代顶装焦提供了最基本的条件,但是,部分高炉在捣固焦替代顶装焦的实践过程中,仍然是一波三折,亦或失败,究其原因,应该还是对捣固焦的一些特性认识不足或不够重视所导致的。
我们知道,影响焦炭质量的因素除了受制焦工艺、熄焦方式的影响外,主要受制焦用煤的影响。
严格意义上说,当釆用相同的制焦配煤时,捣固焦的质量要远优于顶装焦,这是由捣固焦的捣固生产工艺决定的。
无奈的是,实际生产中捣固焦都无一例外的添加了较大比例的肥煤、气煤、廋煤等不利成焦的煤种,使得虽然经过捣固工艺的强化,也能够得到化学成分、机械强度等指标都不低于顶裝焦的捣固焦,但其冶金性能或在高炉内的具体表现却又与同类别顶装焦有一定差别,也因此有必要了解一下顶装焦与捣固焦的一些区别。
采取技术措施提高焦炭质量1 前言由于高炉容积日趋增大和喷煤量日渐提高,焦炭在高炉冶炼中扮演的角色发生了很大的变化,高炉炼铁对焦炭质量的要求也越来越高,这一点随着对高炉炼铁过程的不断深入研究,广大炼铁工作者和炼焦工作者已逐渐取得共识并不断深化。
现代炼铁技术对焦炭质量的目标要求至少应当包括更高的冷热态机械强度、更低的热反应性、低灰、低硫和低且稳定的水分。
正是由于明确了焦炭质量目标要求,所以我国的广大炼焦工作者为了实现这些目标,研究、开发和应用了大量的具体技术措施,使我国生产的焦炭质量取得了显著的提高。
本文拟对这些技术措施进行较为系统的整理和分析,为进一步提高和完善这些措施,促进研发出更多的技术措施搭桥和铺路。
2 提高焦炭质量的技术措施2.1 原料的选择与预处理炼焦煤的性质是决定焦炭质量的基本因素。
所以选择适当的炼焦煤及其配比是提高焦炭的首要措施。
但是,由于我国是一个炼焦煤分布不均且优质炼焦煤短缺的国家,因此针对国情合理配煤和对煤进行一定的预处理就成为提高焦炭质量的必不可少的技术措施。
(1)优化配煤所谓优化配煤就是运用焦炭质量预测方程,在多种煤参加配比炼焦且满足一定的焦炭质量的前提下,筛选出一组成本最低的炼焦用煤及配比。
显而易见,采用优化配煤技术可以在焦炭质量一定的条件下降低炼焦用煤成本,或者在炼焦煤成本一定的条件下,提高焦炭质量。
中冶焦耐已研制出将煤场管理系统、焦炭质量预测系统、配煤优化系统紧密架构成一体的优化配煤技术。
该技术已成功地运用在天津天铁炼焦化工有限公司并稳定运行了一年多,使优质焦煤的配用量由原来的20%下降到10%,使每吨入炉煤成本下降25.7 元,其经济效益和社会效益巨大。
日本已确立使用Ca含量高达3%〜8%的煤生产高强度、高反应性的焦炭,从而降低高炉的还原剂比。
需要指出的是,优化配煤是建立在对煤性质准确分析的基础之上,而煤岩学从煤岩组成的角度出发研究煤的性质,这是一门能够更为深刻准确地揭示煤的各种性质的学科,已在选煤、煤炭分类、炼焦领域得到广泛应用,因此,煤岩学也是优化配煤的很重要理论基础。
如何加强装煤车的操作,减少排入大气中的
荒煤气量?
答:加强装煤操作,因各个焦化厂及各个不同的焦炉炉顶的装备水平不一样,而有具体的操作方法、步骤。
但其共同点是严格执行各厂制定的装煤操作规程,就其上升管、装煤车为减少泄漏荒煤气而设置的各种设施要加强维护、不断完善,开工使用率要达98%以上,对装煤操作提出基本的要求,一是装满煤。
按炭化室设计的有效容积装满煤,若不能装满,则造成炉顶空间增大,空间温度上升,煤气停留时间过长,化学产品分解,使炭化室及上升管内易结石墨,堵塞煤气导出通道,乃至往大气中泄漏;二是平好煤。
炭化室内煤料顶部是用推焦车上的平煤杆来进是证装煤系数在0.9以上。
焦化厂炼焦车间装煤车司机岗位技术操作规程一岗位职责:1,负责按规定装煤量装煤,允许与规定装煤量有土300 kg 以内的偏差。
2,装煤要求装匀、装满、装实,另外还应注意快装、少喷煤、少冒烟和平煤杆带出的余煤尽量少。
3,按规定正确使用高、低压氨水,确保无烟装煤,装煤后炉盖、上升管盖严密无烟、火。
4,煤仓闸口按规定进行循环放煤,做好记录。
5,炉顶出一炉清一炉,保证火盖、轨道根部无余煤,炉顶清洁干净,炉口无挂料。
6,桥管翻板、高、低压氨水切换到位,开正关严。
7,负责按出焦计划顺序装煤,完成计划出炉数、单孔装煤量和装煤系数。
8,负责煤仓下所有设施的使用、管理、维护、清扫工作。
9,负责余煤计量工作。
10,负责校对装煤炉号,机、焦方上门后的确认。
11,做好冬季煤塔保温,及时放空煤塔余煤料仓。
12,掌握装平煤情况,不缺角,不堵眼配合装煤工装满平透。
13,负责本岗位特殊操作及事故配合处理。
二、岗位技术操作方法:《一》岗位操作要求:负责按出焦计划顺序出焦、装煤,完成计划出炉数、单孔装煤量和装煤系数,保持炉体无挂料,炉顶清洁、严密无烟火,配合焦机方完成推焦计划。
下雨时负责炉顶排水,搞好岗位区域卫生,自觉锻炼严肃认真、精益求精的作风,不断提高技术、操作水平,争创最佳操作。
《二》技术规定1.推焦顺序为5-2串序2.装煤系数不小于0 . 9K装煤=本班实际装煤炉数一与规定装煤相差土3 0 0 kg以上的炉数/本班实际装炉数3.煤线为 3 0 0 — 5 0 0 mm4.正常推焦后装煤的时间不得超过8分钟5.空压机风压保持在0.4 — 0 . 6MP a6.棘锤清扫上升管,不得空炉清扫《三》操作前的准备(一)各车辆之间的运转传呼(详见推焦车岗位操作规程)(二)试运转1.分别按1#或2#油泵启动按钮,确定油压达到设定压力,云状时注意有无异常2.按空压机启动按钮,使空压机压力达设定压力,运转时注意有无异常3.内外套筒,取关炉盖,集尘装置,炉顶清扫等是运转根据需要确定,试运转时参照各部顺序4.按油泵停止按钮(灯灭),按空压机停止按钮(灯灭)按控制电源停按钮(灯灭)5.紧急停止按钮在操盘上,红色蘑菇按钮《四》技术操作方法(一)走行操作1.确认允许走行信号灯亮,确认前方及轨道无障碍物。
提高焦炭质量的技术途径焦炭在高炉炼铁中的地位和作用焦炭在高炉炼铁中是不可缺少的炉料,对高炉炼铁技术进步的影响率在30%以上,在高炉炼铁精料技术中占有重要的地位。
焦炭对高炉炼铁的作用是:(1)主要的热量来源。
高炉炼铁炭素(包括焦炭和煤粉)燃烧所提供的热量,占高炉炼铁总热量来源的71%。
随着喷煤比的提高,焦炭用量在逐步减少。
但是,焦炭的用量总是要大于喷煤量。
理论最低焦比为250kg/t, 焦炭在风口燃烧掉55%~65%。
(2)还原剂。
焦炭还原作用是以C和CO形式来对铁矿石起还原作用。
炉料到风口焦炭溶反应为25%~35%。
(3)生铁的溶碳。
在高炉炼铁过程中焦炭中的碳是逐步渗透到生铁中。
一般铸造生铁含碳3.9%左右,炼钢生铁在4.3%左右。
生铁渗碳消耗焦炭7%~10%。
(4)炉料的骨架作用。
焦炭在高炉内是起骨架作用,支撑着炼铁原料(烧结矿,球团矿,天然块矿),又起到煤气的透气窗作用。
焦炭的4种作用中,提供热源的主导作用不会改变,这就决定3个理论焦比最低值。
低于这个最低值,高炉炼铁就难以正常生产,或经济上就不合算了。
在各种条件下高炉炼铁中碳的还原作用和渗碳功能不会有较大的变化。
在高喷煤比条件下,焦炭的骨架作用会显得更加突出,相应对焦炭的质量要求也会越来越高。
否则,是难以实现高喷煤比,高炉炼铁不能正常生产。
焦炭从料线到风口平均粒度减少20%~40%。
劣质焦炭和热反应性差粉化率会很大。
宝钢高炉缸内的焦炭粒度可达33mm。
高炉炼铁对焦炭质量的要求各国根据资源条件,高炉炼铁要求的焦炭质量是有较大差别(详见表1)。
但是,工业发达国家的焦炭质量是明显优于中国,这是这些高炉技术经济指标优于中国的重要原因。
表1 各国冶金焦炭质量情况美国Gary厂焦炭的挥发份为1.8%,德国蒂森和瑞典SSAB分别为1.1%和1.0%。
我们认为,焦炭的挥发份应控制在0.5%~1.0%为宜。
过高会有生焦存在,焦炭强度差;过低是由于炼焦过火的原因,这时焦炭裂纹多,易碎。
提高焦炉装煤水平的措施
作者:李斌
来源:《科技风》2017年第02期
摘要:焦炉生产中装煤操作水平的高低会直接影响碳化室内入炉煤的堆密度和装煤量,进而影响焦炭的质量,本文提出了提高焦炉装煤操作水平的几项措施,能够有效地确保装煤量,提高入炉煤堆密度,达到稳定生产秩序、保证焦炭质量的目的。
关键词:焦炉;装煤;优化
在焦炉生产操作中装煤水平的高低直接影响着入炉煤的堆密度、焦炭质量等。
装煤时偏析严重,煤颗粒混合不均匀造成焦炭内部结构不均,会造成装炉是煤尘过多,进而恶化装炉环境,污染生态环境,进而降低焦炭质量。
加强对装煤过程的控制,能够提高入炉煤的堆密度,能够改善焦炭内部结构,提高入炉配合煤的结焦性,提高焦炭反应后强度。
入炉煤堆密度越高,生产出来的焦炭冷强度数值越高,如M40,M10;而焦炭的反应性随着入炉煤堆密度的提高而降低。
因此,根据焦化厂的生产实际,要增大入炉煤的堆密度,一方面要保证装煤量符合预定的装煤量;一方面也要加强推焦车与装煤车在装煤平煤过程中的配合,要求装煤车装煤时速度要快,装均匀,推焦车平煤时要压实、平头,不缺角。
一、确保装煤量
装煤车在煤塔受煤时要按顺序进行循环受煤,现焦化厂的煤塔受煤嘴普遍为3排,每排3-4眼,即在受煤时采用1排-2排-3排循环受煤方式,这是因为:
1)防止单一受一排煤,造成煤被放空,方配合煤再次送入煤塔时,容易造成煤料偏析,使入炉煤质量不均匀,进而影响焦炭质量。
2)防止因长期不使用某一排煤,其煤料变质或自然。
3)防止各排煤料煤质不均匀,对生产造成不良影响。
4)减少煤塔棚料现象。
同时要按照预定的装煤量指标进行受煤,采用煤塔秤技术,设置装煤标准值,对实时装煤情况进行读取、反馈。
步骤如下
1)确定装煤车为空车状态。
2)进行受煤。
3)受煤完毕后,将煤车开到煤塔秤进行称重。
4)进行装煤。
5)装煤完成后开至煤塔秤下再次进行称重。
步骤3)5)两次数据之差为装煤量湿重,结合当日配合煤水分,计算出此次炉号干基装煤量,与标准值进行对比,如有装煤量不足,及时进行补装煤操作。
同时,炉顶操作工对入炉煤进行煤线测量,实际所测净煤线(实测煤线减去炉顶厚度)为400mm时,符合标准;如不符合标准,及时通知装煤车进行补装煤操作。
二、优化装平煤过程
(一)优化装煤操作
装煤车司机应当定期对煤车煤斗、装煤口和螺旋给料机进行清理,保证装煤时下煤快速顺畅,提高下煤速度和冲力。
每班接班前应了解上班装煤转数、装煤量、配煤水分等情况,实际装煤时根据装煤量和所测煤线适当调整当班的装煤转数。
现在装煤车一般采用的是螺旋给煤器,装有变频调速装置,有高速和低速两种转速,在高速状态下可以提高装煤速度,增加煤的堆密度。
在保证装煤过程中不挤煤和除尘效果的情况下,尽可能提高装煤车螺旋高低转数,将煤车螺旋低转速由35转/分提高到45转/分,高转速由75转/分提高到90转/分,提高炭化室内煤料堆密度和缩短装煤时间。
经过多次试验得出结论,在向炭化室进行装煤过程中,采用低速-高速-低速的顺序进行装煤,即在装煤时,按照从机侧开始1号、2号、3号装煤口进行装煤,当低速运转到6转时,改为高速状态,当装煤至45转时,通知推焦车进行平煤操作,同时装煤状态改为低速运转装状态,当装到65转左右时结束装煤。
可以保证炭化室装煤装满,装平、装均匀,不缺角,同时,也有利于缩短平煤时间,避免炉顶空间堵塞,有效提高入炉煤的堆密度,有利于炉温管理和均衡生产,同时也可降低装煤过程中烟尘的外排,改善工作环境,实现无烟装煤。
(二)优化平煤操作
加强装平煤操作的规范性,以保证整个炭化室装煤均匀,减少缺角现象的发生。
同时将平煤操作方法设定为三长两短,即推焦车在接到装煤车发出的平煤信号时,打开小炉门进行平煤操作,在平煤时平煤杆进行三次全程平煤和两次半程平煤,然后退出炭化室,平煤结束。
正常状态下,最后一次平煤结束时平煤杆会带出约100kg余煤。
当煤槽内余煤过多需要单独回送余煤时,不得将余煤回送到炭化室底部。
这样能够将炭化室设计的有效容积都装上煤,炭化室内煤料平整,空间高度均匀,既不堆积,也不缺角。
经实际检验,机侧缺角现象基本杜绝,焦侧缺角现象明显改善,由原来的8砖缺角改善为5砖缺角,提高了炭化室的有效装煤量,达到设计单炉容量。
三、加强炉墙石墨的清理
由于焦炉日常生产会产生石墨,而炉顶空间的石墨会对装煤、推焦过程有影响,所以炉顶空间石墨得石墨需要及时清理。
对于炉墙石墨,一般采用推焦杆头安装刮刀,刮刀大小随石墨多少而调节,并且安装石墨吹扫风管,对炉墙石墨进行吹扫。
炉口部位石墨则制作长铲子,用铲子捅掉,防止石墨影响装煤车装煤,人工在出炉过程中随时检查石墨生成情况,发现石墨厚度>10mm必须用铲子清理,尽可能保证炭化室有效空间最大化,在保证装煤量的同时防止因石墨造成难推焦而恶化生产。
四、结语
针对装煤过程中出现的问题,一方面要加强对职工的教育,不仅要对其操作技能进行培训、提升,更要告知其装煤量不足的危害,让职工真正的意识到保证装煤量的重要性。
另一方面,也要加强考核制度的落实,让职工从被动转为主动,严格按照操作规程去操作,保证装煤量合格率和装煤过程的标准化。
经过加强生产操作的管理、优化装平煤操作以后,能够杜绝在装煤时煤料偏析造成炭化室内焦炭质量不均匀,能够有效提高焦炉碳化室装煤水平,能够切实提高入炉煤的堆密度和装煤量,保证装煤量达到设计标准,进而保证焦炭质量,确保焦炉生产的稳定顺行。
参考文献:
[1] 姚昭章.炼焦学[M].北京:冶金工业出版社,1995.
[2] 潘立慧,魏松波.炼焦技术问答[M].北京:冶金工业出版社,2007.
[3] 杨建华,阚兴东,石雄保.炼焦工艺与设备[M].北京:化学工业出版社,2006.。