HY系列仪表通讯协议
- 格式:doc
- 大小:93.00 KB
- 文档页数:5
永宏可程控器永宏P L C通讯协议永宏电机股份有限公司FATEK AUTOMATION CORP.永宏P L C通讯协议目录1:主仆定位与通讯互动关系 (1)2:永宏PLC通讯讯息格式 (1)3:永宏PLC之通讯错误码 (2)4:通讯命令功能详述 (3)4.1组件类别及其指定方法 (3)4.2通讯命令说明 (4)命令40:PLC概略状态读取 (6)命令41:PLC之RUN/STOP控制 (7)命令42:单一个单点之运作控制 (8)命令43:连续多个单点之抑/致能状态读取 (9)命令44:连续多个单点之状态读取 (10)命令45:连续多个单点之状态写入 (11)命令46:连续多个缓存器之资料读取 (12)命令47:连续多个缓存器之资料写入 (13)命令48:任意单点/缓存器混合之状态/资料读取 (14)命令49:任意单点/缓存器混合之状态/资料写入 (15)命令4E:测试回传 (16)命令4F:程序存盘 (17)命令50:程序加载 (18)命令53:PLC详细系统状态读取 (19)永宏P L C 通讯协定本通讯协议(Protocol)是永宏P LC主机上各通讯端口在标准通讯模式下均适用之通讯协议,任何对PLC之资料存取(自PLC内部读出或由外界写入PLC)或运作、控制等,除在硬件联机及通讯参数设定必需通讯双方一致外,在通讯讯息格式(Messa ge for ma t)方面亦必需符合本通讯协议之格式P LC才能正确响应。
在介绍通讯协议之前首先需了解永宏P LC 和与其通讯之外围设备间之角色与互动关系。
1.主仆定位与通讯互动关系在永宏PLC之通讯架构上,永宏P LC是被定位为仆系统(SLAVE)而任何与永宏P LC 联机之外围设备均为主系统(M AST ER),也就是说任何外围设备与永宏PLC间之通讯均是由主系统(外围设备)来主动发出命令,仆系统(永宏P LC)只有在收到命令讯息后才依该命令之要求响应讯息给主系统,而不能主动发出讯息给主系统,如下之关系图所示:开头字符(ST X):A SCI I码之开始字符ST X之16进制码数为02H,无论命令或响应讯息之开头字符均为ST X,接收方以此判知传输资料之开头。
赫仕仪表积算仪通讯协议一、引言赫仕仪表积算仪是一种用于测量和记录流体的仪器设备,广泛应用于石油、化工、能源等行业。
为了实现仪表与其他设备之间的数据通讯,赫仕仪表公司开发了一套通讯协议,即赫仕仪表积算仪通讯协议。
二、协议概述赫仕仪表积算仪通讯协议是一种用于仪表与其他设备之间进行数据交换的协议。
该协议定义了数据传输的格式、通讯方式、命令集等内容,以确保各种设备之间能够正常地进行数据通讯。
2.1 通讯方式赫仕仪表积算仪通讯协议支持多种通讯方式,包括串口通讯、以太网通讯等。
用户可以根据实际需求选择适合的通讯方式。
2.2 数据传输格式赫仕仪表积算仪通讯协议采用二进制数据传输格式,以提高数据传输的效率和可靠性。
数据包的格式包括帧头、数据域、校验码等部分,确保数据的完整性和正确性。
2.3 命令集赫仕仪表积算仪通讯协议定义了一套命令集,用于控制仪表的操作和获取仪表的数据。
命令集包括查询命令、设置命令、控制命令等,用户可以根据需要发送相应的命令与仪表进行交互。
三、通讯流程赫仕仪表积算仪通讯协议的通讯流程如下:1.建立通讯连接:设备之间建立通讯连接,选择合适的通讯方式进行通讯。
2.发送命令:主设备向仪表发送相应的命令,包括查询命令、设置命令等。
3.接收响应:仪表接收到命令后进行相应的处理,并将处理结果发送给主设备。
4.解析数据:主设备接收到仪表发送的数据后进行解析,获取所需的信息。
5.关闭通讯连接:通讯结束后,设备之间关闭通讯连接。
四、数据帧格式赫仕仪表积算仪通讯协议的数据帧格式如下:帧头数据长度数据校验码2字节2字节N字节1字节•帧头:用于标识数据帧的开始,固定为0xAA55。
•数据长度:表示数据域的长度,采用小端模式。
•数据:包括命令字、参数等信息。
•校验码:用于校验数据的完整性,采用CRC校验算法。
五、命令集详解赫仕仪表积算仪通讯协议的命令集包括查询命令、设置命令、控制命令等。
5.1 查询命令查询命令用于获取仪表的状态和数据信息,例如查询仪表的型号、版本号、当前数值等。
水质仪器检测数据通讯协议说明2008年8月此通讯协议根据参照《污染源在线自动监控系统数据传输标准》。
用于被检查仪器与数据采集仪之间的通讯。
通讯方式如下:●采集接口:标准RS-232串行接口。
●串口参数参数配置:波特率:9600;数据位:8位;停止位:1位;校验位:无;●系统结构:通讯方式采用被检仪器主动上传数据,上传时间根据厂家仪器制定,建议10~15分钟上传一次。
通讯协议格式:1.数据结构:2. 上传数据举例:##0076ST=32;CN=2011;PW=;MN=;CP=&&DataTime=20080731155849;011-Rt d=0.00,011-Flag=N&&84873. 例子说明:## :为包头。
0076:数据段长度。
ST=32;CN=2011;PW=;MN=;CP=&&DataTime=20080731155849;011-Rtd=0.00,011-Flag=N&&:为数据段。
8487 :为CRC 校验码。
注:1.不同参数之间采用“;”(分号)间隔,参数与标志之间用“,”(逗号)间隔。
2.CRC 校验采用标准的CRC16算法(查表法),参见本文档中提供的校验码计算程序。
3.《污染源在线自动监控系统数据传输标准》中只需要编写实时数据采集部分。
4.上传实时数据时不需要上传请求应答指令,直接上传污染物实时数据即可。
5.CRC 校验码验证的正确性可通过HJ/212-2005校验码程序验证。
6.DataTime 字段为数据产生的时间,位数为14位(年月日时分秒)。
7. 在上传数据包时注意区分字符大小写。
8. UV 测试要求上传SAC 值,标准中没有SAC 的代码,现统一规定为SAC 。
HJ/212-2005校验程序使用说明:HJ/212-2005校验程序界面如下图:将被校验的字符串输入到:被校验的字符串中,点击“计算CRC16“,在CRC输出框中得到校验码。
仪表通信协议仪表通信协议是指用于仪表与其他设备之间进行通信和数据交换的一套规定的通信规约。
在现代工业自动化系统中,各种仪表设备需要与控制系统或监控系统进行数据交换和通信,而仪表通信协议的应用就显得尤为重要。
首先,仪表通信协议的设计应该考虑到通信的稳定性和可靠性。
在工业现场环境中,存在着各种干扰和噪声,因此仪表通信协议需要具备一定的抗干扰能力,确保数据传输的稳定性和可靠性。
此外,通信协议还需要考虑到数据的实时性,尤其是在一些对实时性要求比较高的场合,如控制系统中的仪表设备,需要保证数据的及时传输和响应。
其次,仪表通信协议的设计还应该考虑到通信的灵活性和扩展性。
随着工业自动化技术的不断发展,仪表设备的种类和功能也在不断增加和更新,因此通信协议需要具备一定的灵活性,能够适应不同类型的仪表设备,并且支持设备的扩展和升级。
同时,通信协议的设计还应该考虑到不同厂家、不同类型的设备之间的互通性,以便实现设备之间的互联互通。
另外,仪表通信协议的设计还需要考虑到通信的安全性和保密性。
在工业控制系统中,一些关键数据和信息需要得到保护,因此通信协议需要具备一定的加密和认证机制,确保数据的安全传输和存储。
同时,通信协议还需要考虑到数据的完整性和可追溯性,以便对数据进行有效的监控和管理。
总的来说,仪表通信协议的设计需要综合考虑通信的稳定性、灵活性、安全性和实时性等因素,以满足工业自动化系统对通信和数据交换的需求。
同时,通信协议的设计还需要考虑到未来技术的发展和设备的更新,具备一定的扩展性和升级性,以适应工业自动化系统的不断变化和发展。
只有如此,才能更好地实现仪表设备之间的互联互通,提高工业自动化系统的效率和可靠性。
迅博电气(仪表通信协议
(原创版)
目录
1.迅博电气公司简介
2.仪表通信协议的定义和作用
3.迅博电气的仪表通信协议产品特点
4.迅博电气的仪表通信协议应用领域
5.迅博电气的仪表通信协议的优势和未来发展
正文
迅博电气是一家专注于电气设备研发和制造的企业。
其中,仪表通信协议是公司的重要产品之一。
仪表通信协议,也被称为 OPC(Open Platform Communications),是一种用于工业自动化和控制系统中的通信协议。
它定义了如何在各种设备和系统之间进行数据交换,使得不同的设备和系统可以相互通信,从而实现对工业过程的监控和管理。
迅博电气的仪表通信协议产品具有多项特点。
首先,它支持多种通信方式,如以太网、串口和无线通信,适应不同的应用场景。
其次,该产品具有强大的数据处理能力,可以实时处理大量的工业数据,提供准确的监控结果。
最后,该产品具有良好的兼容性和可扩展性,可以与各种设备和系统无缝集成,满足用户的各种需求。
迅博电气的仪表通信协议广泛应用于电力、石油、化工、冶金等多个领域。
例如,在电力行业中,该产品可以用于监测发电厂的运行状态,及时发现和处理故障;在石油行业中,该产品可以用于监测油井的产出情况,提高采油效率。
迅博电气的仪表通信协议具有多项优势,如高可靠性、高稳定性、高
安全性等,得到了用户的广泛好评。
液晶仪表通讯协议书甲方(以下简称“甲方”):地址:法定代表人:乙方(以下简称“乙方”):地址:法定代表人:鉴于甲方为液晶仪表的制造商,乙方为液晶仪表的供应商或服务提供商,双方本着平等互利的原则,经友好协商,就液晶仪表的通讯事宜达成如下协议:第一条协议目的1.1 本协议旨在明确甲乙双方在液晶仪表通讯过程中的权利、义务和责任,确保通讯的准确性、安全性和可靠性。
第二条通讯内容与方式2.1 甲方应向乙方提供液晶仪表所需的通讯协议文档,包括但不限于通讯接口、数据格式、通讯频率等。
2.2 乙方应根据甲方提供的通讯协议,确保其提供的液晶仪表能够与甲方的系统正常通讯。
第三条通讯标准与要求3.1 甲乙双方应遵守国家相关法律法规及行业标准,确保通讯过程符合技术规范。
3.2 乙方应保证其提供的液晶仪表在通讯过程中的数据准确性和完整性。
第四条通讯测试与验收4.1 乙方应负责液晶仪表的通讯测试,并在测试完成后向甲方提供测试报告。
4.2 甲方有权对乙方提供的测试报告进行审核,并在验收合格后签署验收文件。
第五条技术支持与服务5.1 乙方应提供必要的技术支持,协助甲方解决液晶仪表通讯过程中的技术问题。
5.2 甲方在通讯过程中遇到技术问题,应及时通知乙方,乙方应在接到通知后提供相应的技术支持。
第六条保密条款6.1 甲乙双方应对在本协议履行过程中知悉的对方商业秘密和技术秘密负有保密义务。
6.2 未经对方书面同意,任何一方不得向第三方披露、泄露或允许第三方使用上述保密信息。
第七条违约责任7.1 如一方违反本协议的任何条款,违约方应承担违约责任,并赔偿对方因此遭受的损失。
第八条协议的变更与解除8.1 本协议的任何变更或补充,应由甲乙双方协商一致,并以书面形式确认。
8.2 如一方因不可抗力不能履行本协议,应及时通知对方,并可免除相应的责任。
第九条争议解决9.1 本协议在履行过程中如发生争议,双方应首先通过友好协商解决。
9.2 如协商不成,任何一方均可向甲方所在地人民法院提起诉讼。
仪表通讯协议概述仪表通讯协议是一种用于仪表设备之间进行数据通信的规范。
它定义了数据的传输格式、通信方式、命令和响应等方面的规则,确保不同厂家的仪表设备能够正常交互和通信。
本文将介绍仪表通讯协议的基本原理、常见的协议类型以及在实际应用中的应用场景。
基本原理仪表通讯协议的基本原理是通过发送和接收特定格式的数据包来实现设备之间的通信。
在通信过程中,发送方将数据按照协议规定的格式打包,并通过通信介质发送给接收方。
接收方接收到数据包后,按照协议规定的解析方式提取出有效数据并进行相应的处理。
常见协议类型1. MODBUS协议MODBUS是一种串行通信协议,广泛应用于工业自动化领域。
它采用了主从结构的通信方式,主机向从机发送读写命令,并接收从机返回的响应数据。
MODBUS协议定义了数据的寻址方式、数据的读写规则以及错误处理等内容,具有简单、可靠、易于实现的特点。
2. HART协议HART(Highway Addressable Remote Transducer)协议是一种用于传感器和执行器等仪表设备的数字通信协议。
它通过叠加在4-20mA模拟信号上的数字通信方式实现双向通信。
HART协议兼容现有的4-20mA模拟信号,可以在不改变原有硬件的基础上实现设备的远程设置、状态监测和故障诊断等功能。
3. DNP3协议DNP3(Distributed Network Protocol)协议是一种用于远程监控和自动化系统的通信协议。
它在MODBUS协议的基础上进行了扩展,支持多主站、多从站的分布式网络环境。
DNP3协议具有高效、可靠的数据传输、灵活的配置和故障恢复等特点,广泛应用于电力、水务、能源等行业。
应用场景1. 工业自动化在工业自动化领域,各种仪表设备间需要进行数据交换和控制。
通过采用统一的仪表通讯协议,不同厂家的设备可以有效地进行通信,实现设备的协调工作和信息互通。
例如,在一个工业生产线上,通过MODBUS协议可以实现PLC和传感器之间的数据交互,PLC通过读取传感器的数据来控制生产过程。
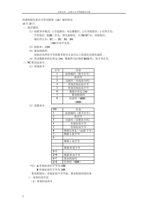
恒通电能仪表公司多功能表(2A)通讯协议10月20日一、底层通讯(1)标准异步格式:1位起始位,8位数据位,1位奇校验位,1位停止位,字符低位(LSB)在先,即先起始位,后D0-D7位,奇校验位,最后停止位:D7。
D2 D1 D0↓D0位电平先发。
(2)波特率:1200(3)累加校验码校验区内所有字节的算术和舍去8位以上的进位比特形成的。
(4)传送数据串的长度L<240,数据串为压缩的BCD码,低字节在先。
二、PC机发送命令(1)查询命令字节内容1 起始编码(握手信号)2 标识号3 功能码(查询命令码)4 查询首地址低字节5 查询首地址高字节6 数据长度L<2407 累加校验码8 结束码(0DH)(0DH)(2)设置命令NO 内容1 起始编码(握手信号)2 标识号3 功能码(设置命令码)4 首地址低字节5 首地址高字节6 数据长度L(<=128字节)7 数据1低字节8 。
数据1高字节数据N低字节L+5 。
L+6 数据N高字节L+7 累加校验码L+8 结束码(0DE)*注:AB库地址高位字节为20H累加校验区:首地址低字节开始,累加校验码前结束三、电表回送信息(1)查询回送命令NO 内容1 起始编码(握手信号)2 标识号3 功能码(查询命令码)4 首地址低字节5 首地址高字节6 数据长度L7 数据1低字节8 。
数据1高字节数据N低字节L+5 。
L+6 数据N高字节L+7 累加校验码L+8 结束码(0DH)(2字节内容1 起始编码(握手信号)2 功能码(正确码)3 结束码(0DH)(3字节内容1 起始编码(握手信号)2 功能码(错误码)3 结束码(0DH)四、通讯过程框图(1)查询命令框图(2)设置命令框查询命令确认错误命令应答命令PC机确认?PC机查询命令确认错误命令确认?确认正确命令五、功能码功能码握手信号查询设表正确错误超标识号超级功能码内容AA BB CC AD BC A6 B5六、校时和改标识号NO 内容1 握手信号2 标识号(或超标识号)3 功能码(设表命令)4 首地址低字节5 首地址高字节6 数据长度L7 数据1低字节8 。
HY114 系列数字式声级计使用说明书HY3.754.015.SY衡阳衡仪电气有限公司电声仪器厂厂址:湖南省衡阳市黄白路128号邮码:421007电话:(0734)8450846 传真:8484029目次1主要用途及适用范围 (1)2主要规格及技术参数 (1)3主要结构和工作原理 (5)3.1工作原理 (5)3.2结构原理及简图 (6)4使用和操作 (7)4.1各控制元件的作用 (7)4.2电源 (9)4.3校准 (9)4.4测量 (10)4.4.1一般测量 (10)4.4.2测量最大声级 (10)4.4.3几点说明 (11)4.5与计算机的连接 (11)4.5.1接线方法 (11)4.5.2通讯协议 (11)4.5.3PC用数据采集程序 (13)5产品的成套性 (13)5.1主要附件及其应用 (13)5.2需另订货的配套件及其用途 (14)5.3产品成套一览表 (14)6仪器的维护 (14)6.1一般注意事项 (14)6.2售后服务 (15)6.3周期检定 (15)HY114系列数字式声级计使用说明书HY0.754.015SY1主要用途及适用范围HY114系列数字式声级计是设计用于测量噪声的频率计权声压级的仪器,它可在仪器的显示器上显示被测噪声的A频率计权声压级和C频率计权声压级,并具有数字输出接口。
HY114系列数字式声级计符合国家标准GB/T 3785-1983《声级计的电、声性能及测试方法》对2型声级计的要求,同时也满足国际标准IEC 61672-1:2002《声级计第1部分:规范》对2级声级计的要求,适用于机电产品噪声、环境噪声、交通噪声、作业场所噪声以及汽车噪声的在线检测和噪声数据的采集。
HY114系列主要是应车辆安全检测线上实现计算机检测的要求而在HY104A和HY104C型数字式声级计的基础上改制而成,通过内部的计算机最小系统和RS232串行接口可将声级数据送至计算机,因此它也可用作噪声数据采集器。
HY 系列恒压供水控制器(适用于HY7A. HY7B. 型号)使 用 手 册S E RVICE MA NUAL恒压供水 智能控制专 注于 工 业 自 动 化 控 制* 端子接线简图* 主线图* 线端子说明* 供水参数基本设定1--L--AC 220V 供电电火线2--N--AC 220V 供电电零线3--Y13--未启用4--Y12--未启用5--Y11--泄压阀6--Y10--进水阀7--Y9--报警输出8--Y8--辅泵变频9--COM3--输出公共端310--Y7--泵3工频11--Y6--泵3变频12--Y5--泵2工频13--Y4--泵2变频14--Y3--泵1工频15--Y2--泵1变频16--COM2--输出公共端217--Y1--变频器启动信号18--COM1--变频器启动信号19--COM--输入公共端20--X1--泵1故障21--X2--泵2故障22--X3--泵3故障23--X4--辅泵故障24--X5--缺水故障25--X6--安全保护26--COM--输入公共端27--X7--变频故障28--X8--远程启停29--S+--RS485通讯 +30--S--RS485通讯 -31--X11--未启用32--X12--未启用33--S+--RS485通讯 +34--S---RS485通讯 -35--NTC1--泵1温度36--NTC2--泵2温度37--NTC3--泵3温度38--NTC4--辅泵温度39--GND--电源公共端40--AR2--泵入口压力变送器输入41--AV2--泵入口远传压力表(0-5V)或压力变送器(4-20MA)输入42--GND--电源公共端43--AR1--泵出口压力变送器输入44--AV1--泵出口远传压力表(0-5V)或压力变送器(4-20MA)输入45--5V--远传压力表供电46--24V--压力变送器供电47--COM--变频信号公共端48--0-10V--变频信号0-10V 输出1. 选择供水模式 “组泵方式”页面选择“水箱恒压模式”、“无负压模式”水箱恒压模式:水泵从水箱或水池中取水,入口传感器通常为液位变送器或液位开关测量水池的水量。
南京朝阳仪表产品驱动格式XMT3000/4000 驱动格式 (2)XMT3001, XMT4001 指令格式 (7)脉冲仪表 (10)XMD2000系列通讯协议 (12)XMT3000/4000 驱动格式XMT4000参数及指令XMT4000另外有60个参数(30个时间及30个温度),其参数代号从1AH 到55H ,第1段温度为1AH,第一段时间为1BH,依此排列,程序段号参数Step为00H,无SV参数。
代号56H为当前运行时间,只许读,不能写。
我们将代号、代码,以及读写属性列如下表:特别备注:在XMT4000中SV值每次都有返回,并且为只读的。
XMT4000数据返回格式和XMT3000是相同的。
其它参数和XMT3000是一样的(除了SV) 。
读指令返回数据(1) 读指令地址代号+52H+参数代号 8CH 8CH 52H 0CH (共四个字节)返回格式: CCH 09H (测量值) C4H 09H (给定值) 20H (输出值) 00H(报警值) 02H 0H (参数返回值)举例如下:如果向地址为 1 的仪表指令应该是:80H+1 80H+1 52H 0CH 也就是81H 81H 52H 0CH 共四个字节总结如下: 向地址为 N 的仪表指令 那么为 80H+N 80H+N 52H 0CH ,其中52H 是不变的 OCH 为参数代号.返回值说明(共八个字节)低字节在前,高字节在后:CCH 09H (测量值PV ) C4H 09H (给定值SV ) 20H (输出值) 00H (报警值) 02H 0H (参数返回值,)地址指令+43H+参数代号+写入值的低字节 + 写入值的高字节仪表返回:测量值PV 、给定值SV 、输出值MV+报警状态、被写入的参数值写:82H 82H 43H 02H2CH 01H返: CCH 09H C4H 09H20H00H2CH 01H(PV)(SV) (MV) (WZ) (参数值)举例如下:如果向地址为 1 的仪表写指令应该是:80H+1 80H+1 43H 02H 2CH 01H总结如下: 向地址为 N 的仪表指令那么为 80H+N 80H+N 43H 02H 2CH01H,其中43H是不变的.注:写入和输出均是低字节在前,高字节在后。
HY-8550型控制仪表(4-20mA 模拟量输出/外接置零)余姚华阳自动化工程有限公司目录第一章仪表简介一、概述 (2)二、技术性能 (2)第二章接口定义一、接口端子定义 (3)二、串行通讯协议 (4)第三章标定调试一、参数设置 (7)二、重量标定 (9)三、补偿标定 (10)四、修改标率和标定调试密码 (10)五、修改4〜20mA模拟量标率 (11)第四章操作使用一、开机置零和按键置零 (12)二、4〜20mA模拟量输出接口 (12)三、皮重操作 (12)四、信息提示 (12)第五章维护保养及注意事项一、使用 (13)二、维护 (13)第一章 仪表简介一、概述HY-8550 型控制仪表具有称重精度高、 长期稳定性好等特点。
仪表都不用重新标定,操作使用非常方便。
所有电子元件均使用工 业级元件,确保在恶劣环境下能正常工作。
二、技术性能⑴ 输入信号范围:-15〜+15mV ⑵ A/D 转换: 24 位 Sigma-Delta 模数转换⑶ 非线性: < 0.0015 % F.S.⑷ 最小分辨率:0.5uV/d⑸ 供桥电压: 5V/300mA (可接 32 个传感器) ⑹ 显示屏:6位0.5英寸超高亮LED 显示器 ⑺ 串行通讯接口: RS-232C 、RS-485⑻ 模拟量接口: 4〜 20mA 模拟量输出接口 ⑼ I/O 接口:选配开关量输入 / 输出接口(16)重量:0.5kg1200、 2400、4800、9600 可调 (11) 工作温度: -40 〜+85 C (12)相对湿度: < 90% R.H (13)供电电源:DC12〜24V(15)开孔尺寸: 92 x 46mm ⑽ 波特率:(14)功耗:10W一、接口端子定义线端子注:在采用四线制传感器时, 与必须短接,必须短接。
位接线端子注:本仪表只选配 4-20mA 模拟量输出及外接置零按钮。
-EXC 与-SEN二、串行通讯协议1、HY-8550 表⑴串行通讯的数据格式如下:11位:1位起始位,8位数据位,2位停止位。
一、通讯方式说明仪表共有两种通讯方式:RS232和RS485。
二、通讯协议说明仪表通讯协议共有两个版本:V2.0和V3.0。
1、读参数发送指令格式及内容说明★V3.0协议说明格式:XX XX XX XX XX XX XX XXNO1 NO2 NO3 NO4 NO5 NO6 NO7 NO8共有8个字节数据。
其中:NO1=80H+ADDR(每台仪表均有该参数,表示该仪表的通讯地址)NO2=80H+ADDR(每台仪表均有该参数,表示该仪表的通讯地址)NO3=52H(表示发送的指令为“读”指令)NO4=XXH(表示要读的参数的地址,见参数地址表)NO5=00H(表示补位用数据00)NO6=00H(表示补位用数据00)NO7+NO8*FFH=52H+ADDR+NO4*FFH(表示读数据的CRC校验码的数值)注:读数据的CRC校验码计算方法为:CRC=52H+ADDR+(要读的参数的地址)*FFH★V2.0协议说明格式:XX XX XX XXNO1 NO2 NO3 NO4共有4个字节数据。
其中:NO1=80H+ADDR(每台仪表均有该参数,表示该仪表的通讯地址)NO2=80H+ADDR(每台仪表均有该参数,表示该仪表的通讯地址)NO3=52H(表示发送的指令为“读”指令)NO4=XXH(表示要读的参数的地址,见参数地址表)2、写参数发送指令格式及内容说明★V3.0协议说明格式:XX XX XX XX XX XX XX XXNO1 NO2 NO3 NO4 NO5 NO6 NO7 NO8共有8个字节数据。
其中:NO1=80H+ADDR(每台仪表均有该参数,表示该仪表的通讯地址)NO2=80H+ADDR(每台仪表均有该参数,表示该仪表的通讯地址)NO3=43H(表示发送的指令为“写”指令)NO4=XXH(表示写的参数的地址,见参数地址表)NO5+NO6*FFH=XXH*FFH+XXH(表示要写的参数的数据,2个字节)NO7+NO8*FFH=43H+ADDR+NO6*FFH+NO5+NO4*FFH(表示读数据的CRC校验码的数值)注:读数据的CRC校验码计算方法为:CRC=43H+ADDR+(表示要写的参数的数据,2个字节)+(要读的参数的地址)*FFH★V2.0协议说明格式:XX XX XX XX XX XXNO1 NO2 NO3 NO4 NO5 NO6共有4个字节数据。
电力智能监控仪表通讯规约Ver1.0郑州晨元电子科技有限公司目录1.MODBUS协议概述 (1)1.1.传输格式 (1)1.2.帧格式 (1)2.通讯协议地址表及说明 (3)2.1.通讯协议地址表 (3)2.2.寄存器地址说明 (27)2.3.SOE通讯格式说明 (33)1.MODBUS协议概述MODBUS-RTU通讯协议是一种比较常用的通讯协议,主从应答式连接(半双工)。
主站(如PC机等)发出信号寻址某一台终端设备(如),被寻址的终端设备发出应答信号传输给主机。
1.1.传输格式信息传输为异步方式,并以字节为单位。
在主站和从站之间传递的通讯信息是11位的字格式:奇偶校验:起始位(1)数据位(8)奇偶校验位(1)停止位(1) 00/10/10/10/10/10/10/10/10/11无奇偶校验:起始位(1)数据位(8)停止位(1)停止位(1) 00/10/10/10/10/10/10/10/1111.2.帧格式数据帧到达终端后,该设备去掉数据帧的数据头,读取数据后如检测无误就执行要求的任务,然后将生成的数据放入数据帧中发送回请求者。
返回的数据帧中包括:终端地址、被执行命令、数据、校验码。
地址码(Address)功能码(Function)数据域(Data)校验(Check) 8-Bits8-Bits N×8-Bits16-Bits地址码:占用一个字节,地址码是每次通讯信息帧的第一字节,范围0~255(00H~FFH)。
每个从机都必须有唯一的地址码,并且只有符合地址码的从机才能响应并回送信息。
当从机回送信息时,回送数据均以各自的地址码开始。
发送的地址码表明将发送到的从机地址,而从机返回的地址码表明回送的从机地址。
相应的地址码表明该信息来自于何处。
00H为广播地址,所有子站均响应广播命令,但无返回信息。
功能码:功能码占用一个字节,范围1~127(01H~7FH),告知被寻址的终端设备执行何种操作。
6.测试线上的两个大号夹子作为电压输入端,小号夹子作为1mA 电流输入端,测量时,必须给予区分。
7.“正向”,“反向”键可切换1mA测量电流的方向。
8.通道开关不按下时,显示通道1的测量结果,通道开关按下时,显示通道2的测量结果。
9.串行通讯格式为:一位起始位,八位数据位,一位停止位,不校验,波特率为4800db,每次测量的结束代码为回车换行,传送代码为ASCII码。
一、概述HY2003B是一台双通道六位半数字式电压电阻温度测试仪。
该仪表准确度高、分辨率高、稳定性好、线性度好、抗干扰能力强、读数显示清晰。
该仪表不需要配备其它设备即可直接测量直流电压、电阻和温度值,电阻和温度测量时,采用四线制测量方式,恒流输出为1mA,测量范围、准确度及分辨率等性能指标完全满足JJG351-96热电偶检定规程,、JJG229-98热电阻检定规程的要求,因此它是一台理想的测量和检定热电偶热电阻的标准仪表。
该仪表具有RS-232C串行通讯接口,能与计算机通讯。
二、产品特点1.准确度高,长期稳定性好;2.数字显示,读数直观、清晰;3.体积小,重量轻,携带方便;4.软件校准,无需硬件调节;5.具有1mA恒流源换向功能;三、使用条件1.环境温度:5~40℃2.相对湿度:20~80%3.电源电压:~220±10%,频率50Hz±1%上海华易电子有限公司7示2000000或1999999,正电压即校准完毕。
调换电压源的输出极性,使电压源输出为-200mV,同校准正电压一样操作后,可完成负电压的校准。
2.电阻校准准备一只准确度为0。
002%阻值为100Ω的标准电阻,HY2003B 的二线电流和二线电压分别接在标准电阻的四个端子上,电压电流的正负端必须一致,待读数稳定后,同时按下前面板调零键与后面板校准键2秒钟,HY2003B应显示1000000或0999999,即校准完毕。
(注:电阻校准只校准电阻的正向)七、装箱清单1.每套HY2003B应包含如下附件(1)HY2003B整机1台(2)合格证1张(3)使用说明书1份(4)测试丝2根(5)电源线1根(6)接口线1根八、保管与保用期限1.仪表应存放在温度为0~40℃,相对湿度不大于80%,通风良好,其周围无腐蚀性气体的环境中。
第30卷 第11期2023年11月仪器仪表用户INSTRUMENTATIONVol.302023 No.11两种通讯协议智能仪表在化工试验装置的成功应用朱桂霞(中海油化工与新材料科学研究院(北京)有限公司,北京 102209)摘 要:介绍了HART 和MODBUS 两种通讯协议的智能仪表在化工试验装置的应用。
中海油材科院青岛基地有多套工业化试验装置及各类中试装置,由于是试验装置,试验方案经常变换,原料、产品随之变化。
在此情况下,常规仪表很难满足在线调整的需求。
为满足数据提取,充分使用了带有HART 和MODBUS 通讯协议的智能仪表,通过与DCS 的通讯,一表多用,实现了多参数的测量、监控,精准指导了试验过程,尤其是在国内首套溶剂脱碳组合装置的应用,对试验数据提取及试验结果评价起到了关键作用,确保了试验的成功,效果良好。
关键词:智能仪表;HART ;MODBUS ;DCS ;通讯;试验装置中图分类号:TP273 文献标志码:AThe Successful Application of Smart Instruments with TwoCommunication Protocol in Chemical Research DevicesZhu Guixia(CNOOC Institute of Chemical & Advanced Materials (Beijing) Co., LTD., Beijing,102209,China )Abstract:This paper introduces the application of HART and MODBUS smart instrument in chemical research devices. There are many sets of industrial research devices and various pilot research devices in Qingdao base of CNOOC Material Science In-stitute. Because it is a research device, the test plan is often changed, and raw materials and products change accordingly. In this case, it is difficult for conventional instruments to meet the needs of online adjustment. In order to meet the requirements of data extraction, smart instruments with HART and MODBUS communication protocols are fully used. Through communication with DCS, multi-meter is used to realize multi-parameter measurement and monitoring, and accurately guide the test process, especially the application of the first solvent decarbonization combination device in China, which plays a key role in test data extraction and test result evaluation. The experiment is successful and the effect is good.Key words:smart instrument ;hart ;Modbus ;DCS ;communication ;research devices收稿日期:2023-09-05作者简介:朱桂霞(1970-),女,山东青岛人,本科,学士,工程师,从事仪表及自动化技术工作。
HY系列仪表串行通讯接口协议说明HY系列人工智能调节器/多路巡检仪/流量积算仪的HY通讯接口协议,具备16位的求和校正码,通讯可靠,支持1200,2400,4800,9600,19200等多种波特率,并且将上位机访问一台仪表的平均时间缩短到0.1秒以下.仪表允许在一个RS485通讯接口上连接多达101台仪表。
一、接口规格HY系列仪表使用异步串行通讯接口,接口电平符合RS232C或RS485标准中的规定。
数据格式为1个起始位,8位数据,无校验位,一个或2个停止位。
通讯传输数据的波特率可调为1200--19200 bit/S(波特率为19200时需配界高速光耦的通讯模块。
HY仪表采用多机通讯协议,如果采用RS485通讯接口,则可将1—101台的仪表同时连接在一个通讯接口上。
采用RS232C通讯接口时,一个通讯接口只能联接一台仪表。
RS485通讯接口通讯距离长达1KM以上,只需两根线就能使多台HY仪表与计算机进行通讯,优于RS232通讯接口。
为使用普通个人计算机PC能作上位机,可使用RS232C/RS485型通讯接口转换器,将计算机上的RS232C通讯口转为RS485通讯口。
按RS485接口的规定,RS485通讯接口可在一条通讯线路上连接最多32台仪表或计算机。
需要联接更多的仪表时需要中继器,也可选择采用特殊芯片的通讯接口,则最多可连接100台HY仪表在一条通讯线路上,目前生产的HY仪表通讯接口模块通常采用特殊芯片,具备一定的防雷和防静电功能,且无需中继器即可连接约101台仪表。
HY仪表的RS232C及RS485通讯接口采用光电隔离技术将通讯接口与仪表的其他部分线路隔离,当通讯线路上的某台仪表损坏或故障时,并不会对其它仪表产生影响。
同样当仪表的通讯部分损坏或主机发生故障时,仪表仍能正常进行测量及控制,并可通过仪表键盘对仪表进行操作。
16位校验码不仅保证数据可靠性,并保证在通讯异常,比如网络上有地址相同的仪表或有其他公司产品时,仪表和计算机机仍能分别正常工作,不会产生数据混乱的问题,因此采用HY仪表组成的集散型控制系统具有较高工作可靠性。
由于采用普通计算机作上位机,其软件资源丰富,发展速度极快。
新的HY上位机软件广泛采用WINDOWS作为操作环境,不仅操作直观方便,而且功能强大。
二、通讯指令HY仪表采用16进制数据格式来表示各种指令代码及数据。
HY仪表软件通讯指令经过优化设计,只有两条,一条为读指令,一条为写指令,两条指令使得上位机软件编写容易。
不过却能100%完整地对仪表进行操作。
地址代号:为了在一个通讯接口上连接多台HY仪表,需要给每台HY仪表编一个互不相同的代号。
HY有效的地址为0—100。
所以一条通讯线路上最多可连接101台HY仪表。
仪表的地址代号由参数Addr决定。
仪表内部采用整型数据表示参数及测量值等,数据最大范围为:-2999—+32767。
因此采用-32768—-7160之间的数值来表示地址代号,来降低因数据与地址重复造成冲突的可能性。
HY仪表通讯协议规定,地址代号为两个字节,其数值范围(16进制数)是80H—BFH,两个字节必需相同,数值为(仪表地址+80H)。
例如,仪表参数Addr=10(16进制数为0AH,0A+80H=8AH),则该仪表的地址表示为:8AH 8AH参数代号:仪表的参数用1个8位二进制数(一个字节,写为16进制数)的参数代号来表示。
它在指令中表示要读/写的参数名。
参数代号见下表:说明:1、仪表测量值PV没有参数代号,但是只要有对仪表操作,即无论读还是写都会返回测量值,具体见后文。
2、如果向仪表读取参数代号在表格中参数以外,则仪表不会返回任何数据。
3、HY8000系列1AH为手动输出值MV。
当参数run=0时,可通过写该参数来调节手动输出值。
为保持兼容性,写HY8000型仪表1AH也为手动输出值,但建议目前编程统一到16H。
4、HY8000P型另有60个参数(30个时间及30个温度),其参数代号从1AH-55H,第1段温度为1AH,第一段时间为1BH,第二段温度为1CH,依此排列,程序段号参数SteP 为00H,无SV参数。
代号56H为当前段已运行时间,只许读,不能写。
5、15H为仪表型号的特征:15H用于表示仪表的型号特征,这样从上位机软件就能实现对下位机仪表的自动识别。
为了尽量与旧有仪表保持兼容,特作以下约定:(1)虽然HY系列仪表允许设置很低的通讯波特率,但1200及以下波特率的使用基本上没有,对于HY8000型仪表,15H仍返回波特率,这样其高位字节数通常应大于或等于5,当在软件中识别15H高字节大于5时,上位机软件可识别为HY8000型仪表。
(2)对于HY8000/8000P型仪表,15H仍返回程序控制字,其高位字节数值为0,低位字节数据如下:(X)(X)(X)(X)(STOP)(HOLD)(EV1)(EV2)前4位(B IT)目前暂不用,程序中应允许起为任意值。
HOLD 及STOP=0,则程序运行。
STOP=0,HOLD=1则程序暂停,STOP=1,HOLD=1,则程序停止EV1,EV2表示事件输出状态,为1时表示事件输出动作,为0时表示事件输出无效。
(3)HY-9000H./Y型仪表,15H的高字节为1低字节备用,应允许其为任意值。
(4)HY-9000M型仪表,15H的高字节为3低字节备用,应允许其为任意值。
读/写指令分别如下:读:地址代号+52H(82)+要读参数的代号+0+0+CRC校验码写:地址代号+43H(67)+要写参数的代号+写入数低字节+写入数高字节+CRC校验码读指令的CRC校验码为:要读参数的代号*256+82+ADDRADDR为仪表地址参数值,范围是0-100(注意不要加上80H)。
CRC为以上数做二进制16位整数加法后得到的余数(溢出部分不处理),余数为2个字节,其低字节在前,高字节在后。
写指令的CRC校验码则为:要写的参数代号*256+67+要写的参数值+ADDR。
要写得参数值用16位二进制整数表示。
无论是读还是写,仪表都返回以下数据测量值PV+给定值SV+输出值MV及报警状态+所读/写参数值+CRC校验码其中PV、SV及所读参数值均为整数格式,各占2个字节,MV占一个字节,数值范围0-220,报警状态占一个字节,CRC校验码占2个字节,共10个字节。
CRC校验码为PV+SV+(报警状态*256+MV)+参数值+ADDR,按整数加法相加后得到的余数。
每2个8位数据代表一个16位整形数,低位字节在前,高位字节在后,各温度值采用补码表示,热电偶或热电阻输入时其单位都是0.1℃,1—5V或0—5V等线性输入时,单位都是线性最小单位。
因为传递的是16位二进制数,所以无法表示小数点,要求用户在上位机处理。
输出值和报警状态各占1个字节,报警状态采用二进制代码表示各报警信号,如下:位0 为0则上限报警(ALSH)不成立,为1为上限报警成立。
位1 为0则下限报警(ALSL)不成立,为1为下限报警成立。
位2 为0则正偏差报警(ALPH)不成立,为1为正偏差报警成立。
位3 为0则负偏差报警(ALPL)不成立,为1为负偏差报警成立。
位4 为0则输入超量程报警(HHHH)不成立,为1则输入超量程报警成立。
位7 固定为0。
上位机通过分析可得到仪表当前的工作状态。
上位机每向仪表发一个指令,仪表返回一个数据。
编写上位机软件时,注意每条有效指令,仪表在0—0.1秒内作出应答,而上位机也必须等仪表返回数据后,才能发新的指令,否则将引起错误。
如果仪表超过最大响应时间仍没有应答,则原因可能无效指令、通讯线路故障,仪表没有开机,通讯地址不合等,此时上位机应重发指令。
对于流量表,累积值=MV*10000+SV 。
例如,将ADDR为1的仪表的给定值(参数代号0)写为100.0℃(整数为1000),用BASIC语言(VB)的编程方法如下:1、初始化通讯口,包括与仪表相同的波特率,数据位8,停止位2,无校验,如果采用RS485通讯口,要注意某些型号的RS485通讯口(或RS232/RS485通讯转换器)对RTS、DTR等控制线有一定的要求,上位机软件必须对这些控制线进型编程。
2、VB编程指令如下:COMM1.OUTPUT=CHR$(129)+CHR$(129)+CHR$(67)+CHR$(0)+CHR$(232)+CHR$(3)+CHR$(44)+CHR$(4)如果下传20给设定值则为:COMM1.OUTPUT=CHR$(129)+CHR$(129)+CHR$(67)+CHR$(0)+CHR$(200)+CHR$(0)+CHR$(12)+CHR$(1)数据分解如下(vb5):Dim instringDim pv as integerDim sv as integerDim mv as integerDim cs as integerDim crc as integerinstring = MSComm1.Input '设已经有数据返回Open "datafile.bin" For Binary As #1Put #1, 1, instringGet #1, 13, pv ' 因VB5字符格式为32位,所以从第三13位数据' 开始才是真实数据(可以用debug.exe 来查看datafile.bin 对照)Get #1, 15, svGet #1, 17, mvGet #1, 19, csGet #1, 21, crcForm1.Print pv, sv, mv, cs, crcClose #1注意事项:从通讯口向仪表写数据时,每个存储单元(包括给定值)的写入次数是有限的,HY仪表提供至少10万次的写入次数。
如果写入次数超出要求,仪表存储单元可能损坏。
GX软件操作手册提取码d4ceGX三菱编程软件链接: /s/1pJ19iSb 密码: 72sw松下编程软件链接: /s/1dDlE6dV 密码: 9idd欧姆龙糸列编程软件链接: /s/1c0BzdZU 密码: b4ly台达PLC编程软件链接: /s/1qWG0nsK 密码: qno7西门子编程软件链接: /s/1ntC2CfJ 密码: ns0b。