(2012)物资管理绩效考核表
- 格式:doc
- 大小:35.00 KB
- 文档页数:2
物资部绩效考核实施细则1目的1.1.保证物资供应,降低采购成本,强化物资管理。
2指标内容及分解值2010年度物资部责任目标3指标计算及奖惩3.1.物资供应及时率3.1.1.考核周期:年、月。
3.1.2.计算公式:物资供应及时率=[1-物资供应影响生产建设(工期)天数/报告期天数]×100%3.1.3.指标解释:3.1.3.1.物资供应影响生产建设(工期)天数:是指报告期内各业务科室因物资采购供应而耽误生产、检维修或工程建设的时间。
3.1.4.奖惩办法:3.1.4.1.每影响生产、检修、建设一天,扣责任科室2分。
3.1.4.2.受到公司批评一次,扣责任科室5分。
3.1.4.3.受公司扣奖等额扣科室月奖或年奖。
3.1.4.4.保证供应率低于目标值1个百分点(不含1)以下,扣业务科室2分,低于目标值1个百分点(含1)以上,扣业务科室5分。
3.2.采购物资质量合格率3.2.1.考核周期:年、月。
3.2.2.计算公式:出库物资合格批次采购物资质量合格率= ———————————×100%出库物资总批次3.2.3.指标解释:3.2.3.1.出库物资合格批次:指报告期内业务科室所采购的物资,出库后经使用单位验收合格后批次总数(不含因保管原因造成的质量问题)。
3.2.3.2.出库物资总批次:指报告期内业务科室所采购的物资,出库批次总数(不含因保管原因造成的质量问题)。
3.2.4.奖惩办法:3.2.4.1.不合格物资入库扣5分/件。
3.2.4.2.影响公司生产、检修、建设扣5分/件。
3.2.4.3.受公司批评扣科室5分/次。
3.2.4.4.受公司扣奖等额扣科室月奖或年奖。
3.2.4.5.质量合格率低于目标值1个百分点(不含1)以下,扣业务科室2分,低于目标值1个百分点(含1)以上,扣业务科室5分。
3.3.物资统一配送率3.3.1.考核周期:年、月。
3.3.2.计算公式:配送物资总额物资统一配送率=——————————×100%物资供应总额3.3.3.指标解释:3.3.3.1.配送物资总额:指由库房统一配送至使用现场的物资总金额。
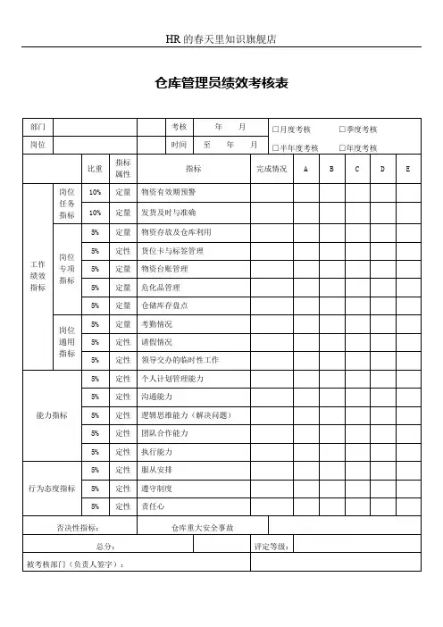
仓库管理员绩效考核表1. 考核目标及原则本考核表旨在评估仓库管理员在工作中的绩效表现,以激励其提升工作效率和质量。
考核目标主要包括以下几个方面:1. 准确率:对仓库管理员的出入库操作准确率进行评估,包括货品数量、规格、名称等信息的录入准确度。
2. 时效性:考核仓库管理员对货品出入库任务的及时处理能力,包括货品的及时上架、及时发货等。
3. 安全性:评估仓库管理员对仓库内货品及财产的安全保障能力,包括货品的防损措施和仓库的安全措施。
4. 协作性:评估仓库管理员与其他团队成员的协作能力,包括与采购部门、销售部门、物流部门等的沟通与配合。
5. 管理能力:考核仓库管理员对仓库内货品的管理能力,包括库存管理、货品摆放整齐度等。
2. 考核指标及权重根据上述考核目标,我们设定了以下考核指标及其对应的权重:3. 考核评分标准根据考核指标的权重,我们制定了相应的评分标准,来评估仓库管理员在每个指标上的表现:准确率考核仓库管理员在货品出入库操作中的准确性。
评分标准如下:时效性考核仓库管理员对货品出入库任务的及时处理能力。
评分标准如下:安全性评估仓库管理员对仓库内货品及财产的安全保障能力。
评分标准如下:协作性评估仓库管理员与其他团队成员的协作能力。
评分标准如下:管理能力考核仓库管理员对仓库内货品的管理能力。
评分标准如下:4. 考核反馈和奖惩机制根据仓库管理员在各项指标上的评分,我们将进行绩效考核反馈。
具体反馈方式为:1. 以正式文件形式向仓库管理员反馈绩效考核结果和评估意见。
2. 针对仓库管理员在某个指标上表现不佳的情况,提供针对性的培训和辅导,以帮助其改进工作。
3. 对于绩效优秀的仓库管理员,给予适当的奖励,以激励其保持好的工作表现。
对于绩效不佳的仓库管理员,我们将采取以下奖惩机制以促进其改进:1. 连续2个月绩效低于70分的,将进行面谈并制定个人改进计划。
2. 连续3个月绩效低于70分的,将扣减相应工资。
3. 连续3个月绩效低于60分的,将进行进一步的纪律处理。
XXX 有限公司专业技术人员考核表单位:XXX 有限公司 填表时间: 2013 年 4 月姓名 性别 男 现任专业技术职务 助理经济师人不学习不进步,每个人都应该不断的学习,只有不断的学习,我们的思维才会更加的活跃,视野才会更加的开阔,经验才会更加的丰富。
每一个工程的材料质量,是工程的整体质量的重要组成部分。
做好材料供应中的质量管理工作是保证工程质量的重要环节。
要干出优质工程,物资材料的购置是第一关,要严把物资材料质量关。
严把物资进货关,“同等质量比价格,同等价格比质量”,还要与施工区技术人员积极联系,在保证施工质量的同时也杜绝“质量浪费”,尽量为公司节约资金。
在材料保管上应做到分类、分期、分质、分系统、防压、防磨、防晒、防雨、防腐、防尘、防寒等;在领用上做到帐、物、卡相符;并做好材料保管质量检查记录、材料存在问题处理记录等。
为使材料发放做到不重发、不漏发。
作为一名材料管理人员,我积极配合部门及项目部主管领导,要求各施工区域指定专人领料、保管、核算,做到责任到人。
材料全部按要求进行了标识,及时做好了入库与出库统计,每月按时完成了材料统计报表工作。
这样保证了施工区域顺利地进行正常施工与生产,得到了各施工区域的好评。
总之,过去三年以来的工作经验让我改变了对材料员岗位职责最初的认识,作为一名合格的材料员不仅仅是发放材料,还要搞好材料的统计、消耗核算等工作。
要学的东西很多,不管是现场材料管理还是材料统计、消耗核算,都应熟悉每一个单位工程项目的施工流程、所需材料的要求及数量。
在这三年的时间里,虽然自己在某些方面有了一定的进步与提高,但仍存在着很多的不足,仍需要不断学习,不断总结,立足于现在,计划好未来。
在以后的工作,我定会加倍努力,认真学习新的知识,不断完善自我,努力提高自己的业务水平,争取在物资管理方面做出应有的成绩。
单位(部门、项目)考核分数评分项目(满分) 考核分数评分项目(满分) 考核分数政治思想品德(10分)工作态度(10分)学识能力(20分) 工作量(20分) 创新意识(10分)工作绩效(30分)以上六项考核分数之和Х50%专业考核小组综合考核分数(满分50分)突出贡献考核分数(每项2分)单位考核小组意见考核总分为 ,考核结果为:优秀 □ 合格 □ 不合格 □年 月 日(章)说明:1、单位(部门、项目)考核分数由专业技术人员所在单位(部门、项目)按照评分内容逐项打分后,将六项考核内容分数之和Х50%,结果即为单位(部门、项目)考核分数。