芬克式钢屋架课程设计
- 格式:docx
- 大小:348.07 KB
- 文档页数:30
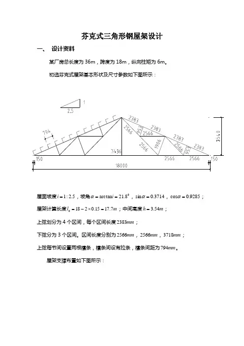
芬克式三角形钢屋架设计一、 设计资料某厂房总长度为36m ,跨度为18m ,纵向柱矩为6m 。
初选芬克式屋架基本形状及尺寸参数如下图所示:屋面坡度5.2:1=i ,坡角08.21arctan ==i α,3714.0sin =α,9285.0cos =α; 屋架计算长度m l 7.1715.02180=⨯-=;中间高度m h 54.3=; 上弦划分为4个区间,每个区间长度mm 2383;下弦分为3个区间。
区间长度分别为mm 2566,mm 2566,mm 3718; 上弦每节间设置两根檩条,檩条间设有拉条,檩条间距为mm 794。
屋架支撑布置如下图所示:1)永久荷载彩色钢板屋面:215.0m kN ; 保温层及灯具:255.0m kN ;屋架及支撑自重按经验公式20.120.011w P =+⨯(跨度)KN/m 计算;檩条重量:209.0m kN ; 2)可变荷载屋面活载 : 27.0m kN ; 雪荷载: 235.0m kN ; 积灰荷载: 20.1m kN二、荷载计算1.荷载标准值计算将沿屋面斜面分布的恒荷载换算为沿水平投影面分布的荷载,应乘以系数077.1cos 1=α。
彩色钢板屋面: 2162.015.0077.1m kN =⨯ 保温层及灯具: 2592.055.0077.1m kN =⨯ 屋架及支撑自重: 2318.018011.012.0m kN =⨯+ 檩条重量: 2097.009.0077.1m kN =⨯ 恒载合计: 2106.1m kN屋面活载 (或雪荷载,两者中取较大值): 27.0m kN ; 积灰荷载: 20.1m kN2、荷载组合由《建筑结构静力计算手册》查表可知,三角形芬克式屋架的腹杆在半跨荷载下内力不变号。
只按全跨荷载计算即可。
节点荷载kN 16.484/960.19.04.17.04.1016.12.1F 1=⨯⨯⨯⨯+⨯+⨯=)( kN 43.464/960.19.04.17.07.04.1106.135.1F 2=⨯⨯⨯⨯+⨯⨯+⨯=)(四、屋架设计1.节点集中荷载计算节点荷载取kN F F 16.481==等效荷载示意图如下示:2.屋架内力计算各杆件内力系数如下图示:各杆件内力设计值中间节点处集中荷载为檩条作用在屋架上弦杆的集中荷载,本例中根据檩条布置位置应取为F/3。
钢结构刚屋架课程设计一、教学目标本课程旨在让学生掌握钢结构刚屋架的基本概念、设计原理和计算方法,培养学生运用理论知识分析和解决实际问题的能力。
具体目标如下:1.知识目标:(1)了解钢结构刚屋架的结构特点及分类。
(2)掌握刚屋架的基本设计原理和计算方法。
(3)熟悉刚屋架的施工工艺和验收标准。
2.技能目标:(1)能够运用理论知识分析和解决钢结构刚屋架设计中的实际问题。
(2)具备一定的钢结构刚屋架计算和绘图能力。
(3)学会对钢结构刚屋架施工过程进行质量控制和验收。
3.情感态度价值观目标:(1)培养学生对钢结构的兴趣和认识,提高学生对钢结构的审美观念。
(2)培养学生勤奋学习、勇于创新的精神风貌。
(3)增强学生的团队协作能力和责任感。
二、教学内容本课程主要教学内容如下:1.钢结构刚屋架的基本概念、分类及特点。
2.刚屋架的设计原理和计算方法,包括:荷载分析、内力计算、截面设计、稳定性分析等。
3.刚屋架的施工工艺、质量控制和验收标准。
4.典型工程案例分析,提高学生运用理论知识解决实际问题的能力。
三、教学方法为了提高教学效果,本课程将采用以下教学方法:1.讲授法:系统地传授钢结构刚屋架的基本概念、设计原理和计算方法。
2.案例分析法:分析典型工程案例,使学生更好地理解和运用理论知识。
3.讨论法:学生就钢结构刚屋架的设计、施工等方面的问题进行讨论,培养学生的思辨能力和团队协作精神。
4.实验法:安排学生进行钢结构的实验操作,提高学生的动手能力和实践能力。
四、教学资源为确保教学质量,本课程将充分利用以下教学资源:1.教材:选用权威、实用的教材,为学生提供系统、全面的学习资料。
2.参考书:推荐学生阅读相关参考书籍,丰富学生的知识体系。
3.多媒体资料:制作精美的课件,运用动画、图片等形式展示钢结构刚屋架的设计和施工过程。
4.实验设备:为学生提供充足的实验设备,确保实验教学的顺利进行。
5.网络资源:引导学生利用网络资源,了解钢结构刚屋架的最新发展动态。
'芬克式三角形钢屋架设计一、 设计资料某厂房总长度为36m ,跨度为18m ,纵向柱矩为6m 。
初选芬克式屋架基本形状及尺寸参数如下图所示:屋面坡度5.2:1=i ,坡角08.21arctan ==i α,3714.0sin =α,9285.0cos =α;[屋架计算长度m l 7.1715.02180=⨯-=;中间高度m h 54.3=; 上弦划分为4个区间,每个区间长度mm 2383;下弦分为3个区间。
区间长度分别为mm 2566,mm 2566,mm 3718; 上弦每节间设置两根檩条,檩条间设有拉条,檩条间距为mm 794。
屋架支撑布置如下图所示:~1)永久荷载彩色钢板屋面:215.0m kN ; 保温层及灯具:255.0m kN ;屋架及支撑自重按经验公式20.120.011w P =+⨯(跨度)KN/m 计算;檩条重量:209.0m kN ; 2)可变荷载屋面活载 : 27.0m kN ; 雪荷载: 235.0m kN ;-积灰荷载: 20.1m kN二、荷载计算1.荷载标准值计算将沿屋面斜面分布的恒荷载换算为沿水平投影面分布的荷载,应乘以系数077.1cos 1=α。
彩色钢板屋面: 2162.015.0077.1m kN =⨯ 保温层及灯具: 2592.055.0077.1m kN =⨯ 屋架及支撑自重: 2318.018011.012.0m kN =⨯+。
檩条重量: 2097.009.0077.1m kN =⨯恒载合计: 2106.1m kN屋面活载 (或雪荷载,两者中取较大值): 27.0m kN ; 积灰荷载: 20.1m kN2、荷载组合由《建筑结构静力计算手册》查表可知,三角形芬克式屋架的腹杆在半跨荷载下内力不变号。
只按全跨荷载计算即可。
节点荷载 ~kN 16.484/960.19.04.17.04.1016.12.1F 1=⨯⨯⨯⨯+⨯+⨯=)(kN 43.464/960.19.04.17.07.04.1106.135.1F 2=⨯⨯⨯⨯+⨯⨯+⨯=)(四、屋架设计1.节点集中荷载计算节点荷载取kN F F 16.481==等效荷载示意图如下示:2.屋架内力计算…各杆件内力系数如下图示:各杆件内力设计值中间节点处集中荷载为檩条作用在屋架上弦杆的集中荷载,本例中根据檩条布置位置应取为F/3。
芬克式三角形钢屋架设计一、 设计资料某厂房总长度为49m ,跨度为18m ,纵向柱矩为7m 。
初选芬克式屋架基本形状及尺寸参数如下图所示:屋面坡度5.2:1=i ,坡角08.21arctan ==i α,3714.0sin =α,9285.0cos =α; 屋架计算长度m l 7.1715.02180=⨯-=;中间高度m h 54.3=; 上弦划分为4个区间,每个区间长度mm 2383;下弦分为3个区间。
区间长度分别为mm 2566,mm 2566,mm 3718; 上弦每节间设置两根檩条,檩条间设有拉条,檩条间距为mm 794。
屋架支撑布置如下图所示:荷载标准值(水平投影面计) 1)永久荷载彩色钢板屋面:20.15/kN m ; 保温层及灯具:20.55/kN m ;屋架及支撑自重按经验公式20.120.011w P =+⨯(跨度)KN/m 计算;檩条重量:20.09/KN m ;70007000×5 700070007000×570002) 可变荷载屋面活载 : 20.7/kN m ; 雪荷载: 20.25/kN m ; 积灰荷载: 20.8/kN m二、荷载计算1.荷载标准值计算将沿屋面斜面分布的恒荷载换算为沿水平投影面分布的荷载,应乘以系数077.1cos 1=α。
彩色钢板屋面: 21.0770.150.162/kN m ⨯= 保温层及灯具: 21.0770.550.592/kN m ⨯=屋架及支撑自重: 20.120.011180.318/kN m +⨯= 檩条重量: 21.0770.090.097/KN m ⨯= 恒载合计: 21.169/kN m屋面活载 (或雪荷载,两者中取较大值): 20.7/kN m ; 积灰荷载: 20.8/kN m2、荷载组合由《建筑结构静力计算手册》查表可知,三角形芬克式屋架的腹杆在半跨荷载下内力不变号。
只按全跨荷载计算即可。
节点荷载1(1.2 1.169 1.40.7 1.40.90.8)79/453.41F KN =⨯+⨯+⨯⨯⨯⨯= 2(1.35 1.169 1.40.70.7 1.40.90.8)79/451.54F KN =⨯+⨯⨯+⨯⨯⨯⨯=四、屋架设计1.节点集中荷载计算节点荷载取153.41F F KN ==等效荷载示意图如下示:2.屋架内力计算各杆件内力系数如下图示:53.41各杆件内力设计值中间节点处集中荷载为檩条作用在屋架上弦杆的集中荷载,本例中根据檩条布置位置应取为F/3。
三角形钢屋架课程设计1 三角形钢屋架课程设计任务书1.1 设计题目设计某市郊区某机械加工单层单跨厂房的三角形屋架。
1.2 设计资料某机械加工厂房,设有两台工作级别A4的软钩吊车,建筑平面示意图如图1所示,屋面材料采用上下两层多波形压型钢板,中间用20mm厚矿渣棉板保温层,屋面离地面高度约为图1 建筑平面示意图1.3 设计内容(1)选择钢屋架的材料;(2)确定钢屋架的几何尺寸;(3)屋架及屋盖支撑的布置;(4)檩条的设计;(5)钢屋架的设计;(6)绘制钢屋架施工图。
1.4 参考资料(1)《钢结构设计规范》(GB50017).(2)《建筑结构荷载规范》(GB50009).(3)《建筑抗震设计规范》(GB50011).(4)《建筑结构可靠度设计统一标准》(GB50068).(5)《建筑结构制图标准》(GB/T50101).(6)《建筑结构设计术语和符号标准》(G B/T50083).(7)周俐俐,姚勇等编著.土木工程专业钢结构课程设计指南. 北京:中国水利水电出版社,知识产权出版社,2007.5.2、三角形钢屋架课程设计指导书参见梯形钢结构屋架课程实际指导书。
3、三角形钢屋架课程设计实例3.1 设计资料三角形(芬克式)屋架跨度24m ,间距6m ,屋面材料为压型钢板(自重0.122kN m ),屋面坡度1/2.5,厂房长度为60m 。
基本风压0.402kN m ,雪荷载为0.352kN m ,屋面高度为(平均约)20m ,屋架支撑于钢筋混凝土柱上。
钢材采用Q235B,焊条采用E43型。
3.2 屋架尺寸和檩条、支撑布置 1.屋架尺寸屋架计算跨度:0l =l -300=24000-300=23700mm 屋面倾角: '1a r c t a n 2148,s i n0.3714,c o s0.92852.5ααα====屋架跨中的高度为:2370047402 2.5h m m ==⨯上弦长度:0127622cos l l m m α== 节间长度:'1276221276a m m ==节间水平投影长度:a='a cos α=2127×0.9285=1975mm 屋架几何尺寸见图2。
钢屋架课程设计 2.1屋盖结构的形式2.1.1 屋盖结构体系2.1.1 屋盖结构体系钢屋盖分为:无檩屋盖和有檩屋盖。
适用屋面刚度所用屋架无檩屋盖重型屋面大多为坡度平缓的梯形屋架有檩屋盖轻型屋面材料较差坡度较陡的三角形屋架2.1.2 屋架的形式2.1.2 屋架的形式屋架外形常用的有三角形,梯形,平行弦和人字形等。
屋架选型是设计的第一步,屋架的外形首先取决于建筑物的用途,其次应考虑用料经济施工方便、与其他构件的连接、屋面材料要求的排水坡度及结构的刚度等。
三角形屋架z适用于陡坡屋面(i>1/3)的有檩屋盖体系。
z腹杆布置常用的有芬克式和人字形。
梯形屋架z适用于屋面坡度较为平缓的无檩屋盖体系。
z腹杆体系可采用单斜式、人字形和再分式。
屋架主要尺寸1跨22.2屋盖支撑的布置屋架平面外,刚度和稳定性很差,不能承受水平荷载。
必须在屋架间设置支撑系统。
2.2.1 屋盖支撑的布置2.2.1 屋盖支撑的布置z1横向水平支撑z2纵向水平支撑z3垂直支撑z4系杆上弦下弦1上弦横向水平支撑设置在房屋两端或纵向温度区段两端的第一个柱间与天窗支撑配合,设置在第二个柱间间距60m,温度段长度较大,在中部设支撑≤2下弦横向水平支撑一般情况下应设置只有当屋架跨度比较小且没有悬挂式起重机,或其吨位不大,没有较大震动设备,可不设与上弦横向水平支撑布置在同一柱间,形成空间稳定体3纵向水平支撑房屋内设有托架,或有较大吨位的重级、中级工作制桥式起重机等,均在屋架下弦(三角形屋架可在下弦或上弦)端节间设置与横向水平支撑形成闭合框,加强屋盖结构的整体性,提高房屋纵、横向刚度4垂直支撑梯形屋架支撑与三角形屋架支撑均应设置与上、下弦横向水平支撑设置在同一柱间梯形屋架支撑,三角形屋架支撑,天窗架的垂直支撑天窗架的垂直支撑5系杆作用1:保证未设横向支撑的其他屋架弦杆的稳定作用2:安装时架立屋架2.2.2 支撑的计算与构造2.2.2 支撑的计算与构造除系杆外,各种支撑都是一个平面桁架。
[芬克式屋架模板]芬克式屋架1.设计资料某车间厂房总长度约为60米,跨度为15m。
车间设有两台30吨中级工作制吊车。
车间无腐蚀性的介质。
该车间为单跨双坡封闭式厂房,屋架采用三角形芬克式钢屋架。
屋面坡度为1:3,屋架间距为6m,屋架下弦标高为9米,其两端铰支于钢筋混凝土柱上,上柱截面尺寸为400mm×400mm,混泥土强度等级为c30。
屋面采用彩色压型钢屋板加保温层屋面,c型檩条,檩距为1.2~2.6米。
结构的重要度系数为γ=1.0,屋面的恒荷载的标准值为2.0kn/㎡。
屋面的活荷载为0.45kn/㎡,不考虑积灰荷载、风荷载,不考虑全跨荷载积雪不均匀分布状况。
屋架采用q235b,焊条采用e43型。
2.屋架形式及几何尺寸屋架形式及几何尺寸如图檩条支承于屋架上弦节点。
屋架坡角为α=arctan⅓=18.435º檩距为2.582m。
图1屋架形式和几何尺寸3.支撑的布置上、下弦横向水平支撑设置在厂房两端和中部的同一柱间,并在相应开间的屋架跨中设置垂直支撑,在其余开间的屋架上弦跨中设置一道通长的刚性细杆,下弦跨中设置一道通长的柔性细杆。
在下弦两端设纵向水平支撑。
支撑的布置见图2。
图2支撑的布置图4.檩条布置檩条设置在屋架上弦的每个节点上,间距2.582m。
因屋架间距为6.0m,所以在檩条跨中设一道直拉条。
在屋脊和屋檐分别设置斜拉条和撑杆。
5.荷载标准值上弦节点恒荷载标准值p1=2×2.582×6×3/√10=29.6kn上弦节点雪荷载标准值p2=0.45×2.582×6×3/√10=6.7kn由檩条传给屋架上弦节点的恒荷载如图3图3上弦节点恒荷载由檩条传给屋架上弦节点的雪荷载如图4图4上弦节点雪荷载6.内力组合内力组合见表—18.节点设计8.1杆件焊缝尺寸的计算屋架各杆件的角钢背面的距离z0’如图表-4,表中z0’为杆件重心线至角钢背面的距离8.3节点的设计8.3.1支座节点图5支座节点”1”(1)上弦杆的节点连接计算a.支座底板的计算支座反力r=4p=4*29.6kn=118.4kn设a,b取240mm,则a1=√2*120=169cm,b1=a1/2=84.5cm 锚栓孔径d=50mma0=5256.6mm2底板的承压面积a=240*240-5256.6=52343.4mm2底板下的应力q=r/an=52343.4mm2=2.32支座厚度t=√6m/f=√6*3975.69/204.25=10.81,取16mm加劲肋计算加劲肋厚度取与节点相同。
课程设计(论文)题目15米跨度三角形钢屋架设计作者班级学号指导教师设计任务分配:屋架跨度15米,柱距7.5米,屋架采用三角形屋架芬克型腹杆。
2013 年6月21 日钢屋架设计计算一、设计资料屋面采用三角形钢屋架、石棉水泥波形瓦屋面(重量200N/m2),轻钢檩条及拉条(重量100N/m2)。
钢屋架两端支撑于钢筋混凝土柱上,上柱截面为400×400(砼等级C25)。
基本风压W0=350N/m2,屋面均布活载或雪载为500N/m2,积灰荷载为100~500N/m2,无抗震要求。
钢屋架材料为Q235-B钢,焊条采用E43型,手工焊接。
该厂房横向跨度为15m,房屋长度为120m,柱距(屋架间距)为7.5m,屋面坡度为1/3。
二、屋架布置及几何尺寸屋面坡度为i=1:3,屋面倾角α=arctg(1/3)=18.435°,sinα=0.3162,cosα=0.9487屋架计算跨度 l0 =l-300=15000-300=14700mm屋架跨中高度 h= l0×i/2=14700/(2×3)=2450mm上弦长度 L=l0/2cosα≈7747mm节间长度 a=L/6=7747/6≈1291mm节间水平段投影尺寸长度 a'=acosα=1291×0.9487=1225mm根据几何关系,得屋架各杆件的几何尺寸如图1所示屋架几何尺寸图三、(1)支撑布置(2)屋面檩条及其支撑波形石棉瓦长1520mm,要求搭接长度≥150mm,且每张瓦至少要有三个支撑点,因此最大的檩条间距为amax p =mm685131501520=--半跨屋面所需檩条数np =根3.12168561291=+⨯考虑到上弦平面横向支撑节点处必须设置檩条,为了便于布置,实际取半跨屋面檩条数13根,则檩条间距为:a p =685mm=a5.64511361291<=-⨯可以满足要求。
三、荷载计算1、荷载永久荷载石棉水泥波形瓦屋面 200N/m2 =0.2 KN/m2轻钢檩条及拉条 100N/m2 =0.1 KN/m2屋架及支撑自重 282N/m2 =0.282 KN/m2小计∑0.582 KN/m2可变荷载均布活载或雪载 500N/m2=0.50 KN/m2积灰荷载 175N/m2=0.175 KN/m21)全跨屋面恒荷载作用下上弦集中恒荷载标准值P'1=0.582×7.5×0.6455×103=2.67KN上弦节点恒荷载P1=2 P'1=2×2.67=5.34KN2)全跨雪荷载和灰荷载作用下上弦节点雪荷载和灰荷载P'2=0.675×7.5×0.6455×103=3.10KN上弦集中雪荷载和灰荷载标准值P2=2 P'2=2×3.10=6.20KN假定基本组合由可变荷载效应控制,则上弦节点荷载设计值为1.2×5.34+1.4×6.2=15.09KN 若基本组合由永久荷载效应控制,则上弦节点荷载设计值为 1.35×5.34+1.4×0.7×6.2=13.29KN。
课程设计说明书课程名称:钢结构设计题目:钢屋架设计院系:土木与建筑工程学院2012年12月16日课程设计任务书三角形钢屋架课程设计摘要:本次课程设计以三角形钢屋架为材料背景,以完成屋架设计为任务,先进行屋架檩条设计和支撑布置,然后通过荷载组合和内力计算,从而完成杆件截面选择,进一步实现节点设计,最后做出施工图。
该课程设计是在钢结构厂房屋架的理解的基础上,通过对有檩体系的三角形屋架的设计,系统的明确了结构设计的方法,以及绘制施工图应掌握的技巧和方法,涉及的专业基础知识有:钢结构中的轴心受压和受拉截面的强设计,强度和稳定性验算,焊缝和螺栓的连接,理论力学计算桁架内力,以及AUTOCAD制图。
从课程设计中,培养设计从业人员应有的理论和素质。
关键词:三角形屋架檩条支撑内力计算截面设计节点目录1 设计背景 (1)1.1 设计资料 (1)1.2 屋架形式 (1)2 设计方案 (2)2.1 檩条设计 (2)2.2 屋架支撑 (3)3 方案实施 (4)3.1 荷载与内力计算 (4)3.2 杆件截面设计 (6)3.3 节点设计 (10)4 结果与结论 (15)4.1结果 (15)4.2结论 (15)5 收获与致谢 (16)5.1 收获 (16)5.2 致谢 (16)6 参考文献 (17)7 附件181 设计背景1.1 设计资料1.建筑物基本条件厂房长度90m ,檐口高度15m 。
厂房为单层单跨结构,内设有两台中级工作制桥式吊车。
拟设计钢屋架,简支于钢筋混凝土柱上,柱的混凝土强度等级为C20,钢材用Q235B 级,采用E43型焊条。
柱顶截面尺寸为400mm mm 400⨯。
钢屋架设计可不考虑抗震设防。
厂房柱距选择:6m三角形钢屋架(b)属有檩体系:檩条采用槽钢,跨度为6m ,跨中设有一根拉条φ10。
屋架屋面做法及荷载取值(荷载标准值): 永久荷载:波形石棉瓦自重 0.20 kN/m 2檩条及拉条自重 0.20 kN/m 2 保温木丝板重 0.25 kN/m 2钢屋架及支撑重 (0.12+0.011⨯跨度) kN/m 2 可变荷载:雪荷载 0.4kN/m 2屋面活荷载 0.40 kN/m 2 积灰荷载 0.30 kN/m 2 注:1、以上数值均为水平投影值;1.2 屋架形式屋架计算跨度:0l =l -300=24000-300=23700mm屋面倾角: '1arctan 2148,sin 0.3714,cos 0.92852.5ααα====屋架跨中的高度为:2370047402 2.5h mm ==⨯上弦长度:0127622cos l l mm α==节间长度:2553512762=='a mm图12 设计方案2.1 檩条设计根据屋面材料的最大容许檩距,可将檩条布置于上弦节点上(见图1),檩距为节间长度。
一、屋架选型初选芬克式屋架基本形状及尺寸参数如下图所示:屋面坡度5.2:1=i ,坡角08.21arctan ==i α,3714.0sin =α,9285.0cos =α 屋架计算长度m l 7.1715.02180=⨯-=;中间高度m h 54.3= 上弦划分为4个区间,每个区间长度mm 2383下弦分为3个区间。
区间长度分别为mm 2566,mm 2566,mm 3718 上弦每节间设置两根檩条,檩条间设有拉条,檩条间距为mm 794。
屋架支撑布置如下图所示:二、荷载计算1.恒荷载标准值计算将沿屋面斜面分布的恒荷载换算为沿水平投影面分布的荷载,应乘以系数077.1cos 1=α。
桁架沿水平投影面积分布的自重按经验公式跨度)(⨯+=011.012.0w P 计算。
两层多波压型钢板: 2/172.008.02077.1m kN =⨯⨯ 矿渣棉板保温层: 2/086.008.0077.1m kN =⨯ 桁架自重: 2/318.018011.012.0m kN =⨯+ 合计: 2/576.0m kN 2.活荷载标准值不上人屋面活载 2/5.0m kN三、檩条设计1.荷载与内力计算檩条线荷载标准值 2/854.0794.05.0794.0576.0m kN q k =⨯+⨯= 线荷载设计值:由恒载效应控制 2/006.1794.0)5.07.04.1576.035.1(m kN q =⨯⨯⨯+⨯= 由活荷载效应控制 2/105.1794.0)5.04.1576.02.1(m kN q =⨯⨯+⨯= 则 2/026.1cos m kN q q y ==α 2/410.0sin m kN q q x ==α 弯矩设计值:m kN l q M x y x ∙==617.4812,m kN l q M y x y ∙==461.0812对X 轴的净截面模量3645.2021505.110617.4cm f M W x x nx =⨯⨯==γ对Y 轴的净截面模量3604.221505.110461.0cm f M W x x nx =⨯⨯==γ选用槽钢[10 43.198cm I x = 37.39cm W nx = cm i x 94.3= 46.25cm I y = 38.7cm W ny = cm i y 42.1= 2.截面验算1) 因檩条间设有拉条,故可不验算整体稳定 2) 强度验算223636/215/160108.72.110461.0107.3905.110617.4mm N f mm N W M W M ny y y nx x x =<=⨯⨯⨯+⨯⨯⨯=+=γγσ 故强度满足要求3) 刚度验算 2/854.0m kN q k =(验算刚度时应取荷载的标准值) 檩条在垂直于屋面方向最大挠度为:mm EI l q x kx 8.32103.1981006.2384)106(9285.0854.05384545434=⨯⨯⨯⨯⨯⨯⨯⨯=⨯=ν允许最大挠度 []mm mm l 8.32401506000150>===ν 故刚度满足设计要求四、屋架设计1.节点集中荷载计算檩条作用在屋架上弦杆的集中荷载kN l F 63.626105.122q 2=⨯⨯=⨯⨯= 中间节点处集中荷载 kN F F 89.1963.633=⨯== 端节点处集中荷载 kN F 945.989.1921=⨯=等效荷载示意图如下示:2.屋架内力计算各杆件内力系数如下图示:各杆件内力设计值檩条集中荷载作用m kN Fl M ⋅=⨯⨯⨯⨯==89.4)cos 3794.0(63.63131200α 端节点弯矩 m kN M M ⋅==91.38.001其他节间的正弯矩和节点负弯矩 m kN M M ⋅±=±=93.26.002 3.上弦杆截面设计整个上弦杆采用等截面,按最大内力杆AB N N =max 设计kN N AB 36.187-=(压杆) 杆端m kN M ⋅=91.31,m kN M ⋅-=93.22选用角钢2L100×7等肢相拼成T 形截面26.27cm A n =cmi x 09.3=cmi y 46.4=3114.96cm W x =322.36cm W x = cm Z 71.20=上弦杆是压弯构件 1)强度验算223623/215/135102.362.11093.2106.271036.187mm N mm N W M A N nx x x n <=⨯⨯⨯-+⨯⨯-=+γ 杆件 上弦杆腹杆 下弦杆 ABBCCDDEBFCFCGCHDHEHGHAFFGGJ系数 -9.42-9.05 -8.68 -8.31 -0.93 1.25 -1.86 1.25 -0.93 3.75 2.50 8.75 7.50 5.00内力值-187.36-180-172.64 -165.29-18.524.86-37.024.86-18.574.5949.73 174.04 149.17 99.45故强度满足要求 2)稳定验算a. 由正弯矩控制的平面内 长细比:[]15009.771009.337940=<=⨯⨯==λλx x x i l , 绕X 轴屈曲时属于b 类截面,查表可得 707.0=x ϕkN EA N xEx53.85709.771.11006.271006.214.31.125222=⨯⨯⨯⨯⨯=='λπ 构件产生反向曲率85.0=mx β∴)103.17881036.1878.01(1014.9605.11091.385.0106.27728.01036.187)8.01(3336231⨯⨯⨯-⨯⨯⨯⨯+⨯⨯⨯='-+Exx x x mx x N N W M A N γβϕ 22/215/90.131mm N mm N <= 满足要求 较小翼缘受拉区:)1053.8571036.18725.11(102.362.11091.385.0106.271036.187)25.11(3336232⨯⨯⨯-⨯⨯⨯⨯-⨯⨯='--Exx x x mx N N W M A N γβ 22/215/37.37mm N mm N <= 满足要求 b. 由负弯矩控制的平面外由于受压弦杆侧向支撑点间距1l 为节间长度l 的2倍,且 BC AB N N ≠ 则mm N N l l y 4717)36.18718025.075.0(23794)25.075.0(1210=⨯+⨯⨯⨯=+= 8.1056.4447170===yy y i l λ 3.27100471758.058.03.1471000=⨯=<==b l t b y换算长细比[]15041.110)74717100475.01(8.105)475.01(2242204=<=⨯⨯+⨯=+=λλλtl b y y yz 绕y 轴屈曲时处于b 类截面 由41.110=yz λ查表可得 490.0=y ϕ 构件产生反向曲率85.0=tx β 翼缘受拉且腹板 18235183.14=<=y f t b 故 947.02350005.01=-=yyb f λϕ 362311014.96947.01093.285.01106.27490.01036.187⨯⨯⨯⨯⨯+⨯⨯⨯=+x b x tx y W M A N ϕβηϕ 22/215/32.167mm N mm N <= 满足要求 4.下弦杆截面设计整个下弦杆采用等截面,故按最大内力AF N N =max 设计kN N AF 04.174= mm l x 25660= mm l y 88500= 所需杆件截面积 22309.88092151004.174cm mm f N A ==⨯== 选用角钢2L70×45×5短肢相拼成T 形截面 查表可得:222.11cm A n = cm i x 33.2= cm i y 57.3= 对于拉杆 []35007.11523.26.2560=<===λλx x x i l []3500.24857.30.8850=<===λλyy y i l 2223/215/1.1551022.111004.174mm N mm N A N n <=⨯⨯==σ均满足要求,故下弦杆所选钢材满足设计要求 5.腹杆截面设计1) 腹杆EG 在节点H 处不断开,采用通长杆件kN N N EH 59.74max ==kN N GH 73.49=mm l l x 25660== mm mm l l l y 513225662210=⨯===所需杆件截面积22347.33472151059.74cm mm f N A ==⨯== 选用角钢2L45×5相拼组成T 形截面查表可得:258.8cm A n = cm i x 37.1= cm i y 26.2= 对于拉杆 []3503.18737.16.2560=<===λλx x x i l []3501.22726.22.5130=<===λλyy y i l 2223/215/871058.81059.74mm N mm N A N n <=⨯⨯==σ 均满足要求,故腹杆EG 所选钢材满足设计要求 2) 腹杆CF 和CHkN N 86.24=,m m 053256628.08.00=⨯==l l x ,mm l l y 25660==所需杆件截面积22316.11162151086.24cm mm f N A ==⨯== 查表可得:229.4cm A n = cm i x 37.1= cm i y 881.0= 对于拉杆 []3509.14937.120530=<===λλx x x i l []35025.29181.825660=<===λλyy y i l2223/215/95.571029.41086.24mm N mm N A N n <=⨯⨯==σ 均满足要求,故腹杆EG 所选钢材满足设计要求 选用单角钢L45×5可满足设计要求 3) 对于腹杆BF 和DHkNN 50.18-=(压杆),786.4m m 9538.08.00=⨯==l l x ,mm l l y 9530== 初选单角钢L45×5 229.4cm A n =,cm i x 37.1=,cm i y 881.0=,[]2004.577.134.7860=<===λλx x x i l []2002.108881.03.980=<===λλyy y i l 45.114595354.09545=⨯<==t b 换算长细比 []2008.124)85.01(2204=<=+=λλλtl b y y yz由于y yz λλ>,所以只求y ϕ,由yz λ查表可得:412.0=y ϕ223/215/67.104429412.01050.18mm N mm N A N n y <=⨯⨯==ϕσ强度、稳定性均满足要求,故所选钢材满足设计要求。
课程设计(论文)题目15米跨度三角形钢屋架设计作者班级学号指导教师设计任务分配:屋架跨度15米,柱距7.5米,屋架采用三角形屋架芬克型腹杆。
2013 年6月21 日钢屋架设计计算一、设计资料屋面采用三角形钢屋架、石棉水泥波形瓦屋面(重量200N/m2),轻钢檩条及拉条(重量100N/m2)。
钢屋架两端支撑于钢筋混凝土柱上,上柱截面为400×400(砼等级C25)。
基本风压W0=350N/m2,屋面均布活载或雪载为500N/m2,积灰荷载为100~500N/m2,无抗震要求。
钢屋架材料为Q235-B钢,焊条采用E43型,手工焊接。
该厂房横向跨度为15m,房屋长度为120m,柱距(屋架间距)为7.5m,屋面坡度为1/3。
二、屋架布置及几何尺寸屋面坡度为i=1:3,屋面倾角α=arctg(1/3)=18.435°,sinα=0.3162,cosα=0.9487屋架计算跨度 l0 =l-300=15000-300=14700mm屋架跨中高度 h= l0×i/2=14700/(2×3)=2450mm上弦长度 L=l0/2cosα≈7747mm节间长度 a=L/6=7747/6≈1291mm节间水平段投影尺寸长度 a'=acosα=1291×0.9487=1225mm根据几何关系,得屋架各杆件的几何尺寸如图1所示屋架几何尺寸图三、(1)支撑布置(2)屋面檩条及其支撑波形石棉瓦长1520mm,要求搭接长度≥150mm,且每张瓦至少要有三个支撑点,因此最大的檩条间距为amax p =mm685131501520=--半跨屋面所需檩条数np =根3.12168561291=+⨯考虑到上弦平面横向支撑节点处必须设置檩条,为了便于布置,实际取半跨屋面檩条数13根,则檩条间距为:a p =685mm=a5.64511361291<=-⨯可以满足要求。
三、荷载计算1、荷载永久荷载石棉水泥波形瓦屋面 200N/m2 =0.2 KN/m2轻钢檩条及拉条 100N/m2 =0.1 KN/m2屋架及支撑自重 282N/m2 =0.282 KN/m2小计∑0.582 KN/m2可变荷载均布活载或雪载 500N/m2=0.50 KN/m2积灰荷载 175N/m2=0.175 KN/m21)全跨屋面恒荷载作用下上弦集中恒荷载标准值P'1=0.582×7.5×0.6455×103=2.67KN上弦节点恒荷载P1=2 P'1=2×2.67=5.34KN2)全跨雪荷载和灰荷载作用下上弦节点雪荷载和灰荷载P'2=0.675×7.5×0.6455×103=3.10KN上弦集中雪荷载和灰荷载标准值P2=2 P'2=2×3.10=6.20KN假定基本组合由可变荷载效应控制,则上弦节点荷载设计值为1.2×5.34+1.4×6.2=15.09KN 若基本组合由永久荷载效应控制,则上弦节点荷载设计值为 1.35×5.34+1.4×0.7×6.2=13.29KN。
芬克式三角形钢屋架设计一、 设计资料某厂房总长度为36m ,跨度为18m ,纵向柱矩为6m 。
初选芬克式屋架基本形状及尺寸参数如下图所示:屋面坡度5.2:1=i ,坡角08.21arctan ==i α,3714.0sin =α,9285.0cos =α; 屋架计算长度m l 7.1715.02180=⨯-=;中间高度m h 54.3=; 上弦划分为4个区间,每个区间长度mm 2383;下弦分为3个区间。
区间长度分别为mm 2566,mm 2566,mm 3718; 上弦每节间设置两根檩条,檩条间设有拉条,檩条间距为mm 794。
屋架支撑布置如下图所示:1)永久荷载彩色钢板屋面:215.0m kN ; 保温层及灯具:255.0m kN ;屋架及支撑自重按经验公式20.120.011w P =+⨯(跨度)KN/m 计算;檩条重量:209.0m kN ; 2)可变荷载屋面活载 : 27.0m kN ; 雪荷载: 235.0m kN ; 积灰荷载: 20.1m kN二、荷载计算1.荷载标准值计算将沿屋面斜面分布的恒荷载换算为沿水平投影面分布的荷载,应乘以系数077.1cos 1=α。
彩色钢板屋面: 2162.015.0077.1m kN =⨯ 保温层及灯具: 2592.055.0077.1m kN =⨯ 屋架及支撑自重: 2318.018011.012.0m kN =⨯+ 檩条重量: 2097.009.0077.1m kN =⨯ 恒载合计: 2106.1m kN屋面活载 (或雪荷载,两者中取较大值): 27.0m kN ; 积灰荷载: 20.1m kN2、荷载组合由《建筑结构静力计算手册》查表可知,三角形芬克式屋架的腹杆在半跨荷载下力不变号。
只按全跨荷载计算即可。
节点荷载kN 16.484/960.19.04.17.04.1016.12.1F 1=⨯⨯⨯⨯+⨯+⨯=)( kN 43.464/960.19.04.17.07.04.1106.135.1F 2=⨯⨯⨯⨯+⨯⨯+⨯=)(四、屋架设计1.节点集中荷载计算节点荷载取kN F F 16.481==等效荷载示意图如下示:2.屋架力计算各杆件力系数如下图示:各杆件力设计值中间节点处集中荷载为檩条作用在屋架上弦杆的集中荷载,本例中根据檩条布置位置应取为F/3。
钢结构课程设计湘潭大学课程设计说明书题目:仓库三角形钢屋架设计学院:土木工程与力学学院专业:土木工程学号: 2011800813 姓名:谭振峰指导教师:尹志明完成日期:《钢结构》课程设计指导书一、本课程设计要求与目的:要求同学们通过本课程设计,能掌握钢结构屋架的设计计算方法;以及钢结构绘图的一般做法规律。
二、设计资料:某仓库跨度18m,长度36m,砖墙承重,每隔4m设有一砖半见方的砖柱墩,柱墩上设砼块以支承屋架,砼C20。
屋面采用波形石棉瓦,油毡(0.05KN/m2)、屋面板(0.07+n/100 KN/m2)(n为学号的最后两位数)、檩条按0.1 KN/ m2考虑,不全部支于节点上。
雪荷载按0.5 KN/ m2取用,不考虑积灰荷载。
试设计一三角形芬克式屋架,坡度自定。
钢材为Q235B,焊条E43型。
内容:(一)支撑布置只布置上弦横向水平支撑、下弦横向水平支撑、竖向支撑,并在下弦及上弦各布置三道系杆。
檩条、屋架设计杆件截面选择、节点设计结构施工图2#图纸一张三角形钢屋架设计1 设计资料及说明设计一位于湘潭市郊区的单跨屋架结构(封闭式),主要参数如下:1、单跨屋架,平面尺寸为36m×18m,S=4m,即单跨屋架结构总长度为36m,跨度为18m,柱距为4m。
2、屋面材料为规格1820×725×8的波形石棉瓦。
3、屋面坡度i=1:3。
恒载为0.3kN/m2 ,活(雪)载为。
4、屋架支承在钢筋混凝土柱顶,混凝土标号C20,柱顶标高6m。
5、钢材标号为Q235-B.F,其设计强度值为f=215N/mm2。
6、焊条型号为E43型。
7、荷载计算按全跨永久荷载+全跨可变荷载(不包括风荷载)考虑,荷载分项系数取:γG =1.2,γQ =1.4。
2 屋架杆件几何尺寸的计算根据所用屋面材料的排水需求及跨度参数,采用芬克式三角形屋架。
屋面坡度为i=1:3,屋面倾角α=arctg(1/3)=18.435°,sinα=0.3162,cosα=0.9487屋架计算跨度 l0 =l-300=18000-300=17700mm屋架跨中高度h= l0×i/2=17700/(2×3)=2950mm上弦长度L=l0/2cosα≈9329mm节间长度a=L/6=9329/6≈1555m m节间水平段投影尺寸长度 a'=acosα=1555×0.9487=1475mm根据几何关系,得屋架各杆件的几何尺寸如图1所示图1 屋架形式及几何尺寸3 屋架支撑布置3.1 屋架支撑1、在房屋两端第一个之间各设置一道上弦平面横向支撑和下弦平面横向支撑。
钢结构课程设计一、设计资料某车间芬克式三角形普通钢屋架,车间为单跨厂房,全长120m 。
屋架支承在钢筋混凝土柱上,柱距6m ,上柱截面尺寸为400×400mm ,混凝土强度等级为C20。
车间内设有一台起重量30t 的中级工作制桥式吊车,吊车轨顶标高为+。
屋架跨度: 21m 屋面坡度:1:屋面材料:波形石棉瓦 (m 2↓ )木丝板保温层 (m 2↓ )[10槽钢檀条 (m ) (檀条间距700~800mm )屋面活荷载:m 2(↓)屋面雪载: kN/m 2(↓)屋架材料:采用Q235-A ·F 或Q235-A 钢材(要求附加:保证冷弯试验性能和碳的极限含量),焊条采用E43系列型,手工焊。
二、屋架的形式及尺寸的确定根据屋面所采用的屋面材料的排水需要采用芬克式三角形屋架(屋架形式如图1所示),屋面坡度i=,屋面倾角=arctan5.21=2148, sin =, cos =.图:屋架跨度:L=21000mm 计算跨度:mm L L 206004000=-= 屋架跨中高度: 取n=5 H=n20600=4120mm. 屋架上弦总长L=L O /(cos×2)=20600/(2×=. 根据构造要求上弦檀条的间距为700~800mm ,为尽量使屋架受节点荷载,将上弦划分为5个节间,节间长度s=516.11093=. 节间水平投影长度为Q=S •cos=×= . 屋架各杆的几何尺寸如下表1所示:表:各杆件的几何尺寸:三、屋架、支撑及檩条布置1、屋架、支撑布置情况根据厂房总长为120mm,超过伸缩缝的最大间距100mm,需在厂中部设置伸缩缝一道。
此外,根据屋盖支撑的布置需求,在厂房两端第二车间和厂房中部伸缩缝两侧的第二开间设置四道上弦横向水平支撑和下弦横向水平支撑,在跨中设置一道垂直支撑。
该芬克式三角形普通钢屋架支撑布置图如图所示。
图:(a)上弦横向水平支撑布置图(b)下弦横向水平支撑(c) 1-1垂直支撑2、檀条的布置与计算上弦节间距离为,根据檀条间距满足要求700-800mm,每节间放置两根檀条,檀条间距为3=,并在跨中放置一道拉条。
芬克式三角形钢屋架设计一、 设计资料某厂房总长度为36m ,跨度为18m ,纵向柱矩为6m 。
初选芬克式屋架基本形状及尺寸参数如下图所示:屋面坡度5.2:1=i ,坡角08.21arctan ==i α,3714.0sin =α,9285.0cos =α; 屋架计算长度m l 7.1715.02180=⨯-=;中间高度m h 54.3=; 上弦划分为4个区间,每个区间长度mm 2383;下弦分为3个区间。
区间长度分别为mm 2566,mm 2566,mm 3718; 上弦每节间设置两根檩条,檩条间设有拉条,檩条间距为mm 794。
屋架支撑布置如下图所示:1)永久荷载彩色钢板屋面:215.0m kN ; 保温层及灯具:255.0m kN ;屋架及支撑自重按经验公式20.120.011w P =+⨯(跨度)KN/m 计算;檩条重量:209.0m kN ; 2)可变荷载屋面活载 : 27.0m kN ; 雪荷载: 235.0m kN ; 积灰荷载: 20.1m kN二、荷载计算1.荷载标准值计算将沿屋面斜面分布的恒荷载换算为沿水平投影面分布的荷载,应乘以系数077.1cos 1=α。
彩色钢板屋面: 2162.015.0077.1m kN =⨯ 保温层及灯具: 2592.055.0077.1m kN =⨯ 屋架及支撑自重: 2318.018011.012.0m kN =⨯+ 檩条重量: 2097.009.0077.1m kN =⨯ 恒载合计: 2106.1m kN屋面活载 (或雪荷载,两者中取较大值): 27.0m kN ; 积灰荷载: 20.1m kN2、荷载组合由《建筑结构静力计算手册》查表可知,三角形芬克式屋架的腹杆在半跨荷载下内力不变号。
只按全跨荷载计算即可。
节点荷载kN 16.484/960.19.04.17.04.1016.12.1F 1=⨯⨯⨯⨯+⨯+⨯=)( kN 43.464/960.19.04.17.07.04.1106.135.1F 2=⨯⨯⨯⨯+⨯⨯+⨯=)(四、屋架设计1.节点集中荷载计算节点荷载取kN F F 16.481==等效荷载示意图如下示:2.屋架内力计算各杆件内力系数如下图示:各杆件内力设计值中间节点处集中荷载为檩条作用在屋架上弦杆的集中荷载,本例中根据檩条布置位置应取为F/3。
芬克式三角形钢屋架设计设计资料某厂房总长度为49n,跨度为18m纵向柱矩为7n。
初选芬克式屋架基本形状及尺寸参数如下图所示:屋面坡度 i 1:2.5,坡角arctani 21.80, sin 0.3714, cos 0.9285 ;屋架计算长度l o 18 2 0.15 17.7m ;中间高度h 3.54m ;上弦划分为4个区间,每个区间长度2383mm ;下弦分为3个区间。
区间长度分别为2566mm, 2566mm,3718mm ;上弦每节间设置两根檩条,檩条间设有拉条,檩条间距为794mm。
屋架支撑布置如下图所示:荷载标准值(水平投影面计)1)永久荷载彩色钢板屋面:0.15kN /m 2 ; 保温层及灯具:0.55kN /m 2;屋架及支撑自重按经验公式(P w 0.12 0.011跨度)KN/m 2计算; 檩条重量:0.09KN/m 2 ;7000 7000 X5 7000t ----- 1 --------------------------------- f2) 可变荷载屋面活载 : 雪荷载: 积灰荷载:荷载计算1.荷载标准值计算将沿屋面斜面分布的恒荷载换算为沿水平投影面分布的荷载, 21.077 0.15 0.162kN/m 2 1.077 0.55 0.59NN/m 220.12 0.011 18 0.318 kN /m 1.077 0.09 0.097 KN / m 21.169kN /m20.8kN /m 22 、荷载组合由《建筑结构静力计算手册》查表可知,三角形芬克式屋架的腹杆在半跨 荷载下内力不变号。
只按全跨荷载计算即可。
节点荷载F 1 (1.2 1.169 1.4 0.7 1.4 0.9 0.8) 7 9/4 53.41KNF 2 (1.35 1.169 1.4 0.7 0.7 1.4 0.9 0.8) 7 9/4 51.54KN四、屋架设计1.节点集中荷载计算0.7kN /m 2 ; 0.25kN/m 2 ;20.8kN /m应乘以系数1.077 cos 彩色钢板屋面:保温层及灯具: 屋架及支撑自重: 檩条重量: 恒载合计:屋面活载(或雪荷载,两者中取较大值)20.7kN积灰荷载:节点荷载取F F153.41KN等效荷载示意图如下示:2. 屋架内力计算各杆件内力系数如下图示:各杆件内力设计值中间节点处集中荷载为檩条作用在屋架上弦杆的集中荷载,本例中根据檩条布置位置应取为F/3。
则檩条集中荷载作用时1 F 1M o I。
— 53.41 (0.794 3 cos ) 13.13kN m3 3 9端节点弯矩M, 0.8M0 10.50kN m其他节间的正弯矩和节点负弯矩M2 0.6M 0 7.88kN m3.上弦杆截面设计整个上弦杆采用等截面,按最大内力杆N max N AB设计N AB 503.12kN (压杆)杆端M1 10.50kN m,M27.88kN m选用角钢2L140X14等肢相拼成T形截面,(其中a=12mm为节点板厚度,根据《钢结构课程设计》P23表2-3选用)2 3 3A n 75.14cm i x 4.28cm i y 6.27cm W1x 346cm W2x 137.5cmZ0 3.98 cm上弦杆是压弯构件1)强度验算2)a .b . N M xA n W503.12 10310.5 10675.14 102 1.2 137.5 103故强度满足要求稳定验算由正弯矩控制的平面内长细比: !QXx ・l x 釈55^5130.59N/mm2215N/mm2150,绕X轴屈曲时属于b类截面,查表可得0.826 N EX2EA 3.142构件产生反向曲率mx M xx Ax W1x(1 他)N EX52.06 10 75.14 1001.1 55.6524480.1kNmx0.85503.12 1030.826 75.14 1020.85 10.5 1061.05 346 103(1 °8503・121°3)103.23N / mm2215N /mm2满足要求较小翼缘受拉区:由负弯矩控制的平面外215N /mm2满足要求0.85 10.5 1064480.1 103 1.2 137.5 1。
3(1 依503"23103)34480.1 10由于受压弦杆侧向支撑点间距h为节间长度丨的2倍,且N AB N BC(《钢结构设计规范》P51( 5.3.1 )式)116.05N / mm 2 215N /mm 2 满足要求3)上弦填板的设置(《钢结构设计规范》P43 5.1.5 查型钢表,一个角钢对于平行于填板的自身形心轴的回转 半径 i 4.28cm ,贝S 40i=171.2cm 。
上弦节间长度为238.3cm 。
每节间设一块填板,间距为 238.3/2=119.15cm<171.2cm.填板尺寸70 12 150。
(《钢结构课程设计》P23)4. 下弦杆截面设计则 l 0y l 1(0.75 0.25 山)794 3 2 (0.75 0.25483.36) 4717mmN 1503.12y雾75.23t 罟10 0.58半 0.58凹 19.54140换算长细比 (《钢结构设计规范》P41 (5.1.2-6a )式)(1 0.475b 4)yz y (1~l —2-2)l 0y- 105.8 (1 0.47521402 )78.3847172142150绕y 轴屈曲时处于 b 类截面由yz110.41查表可得 y0.698构件产生反向曲率 tx0.85翼缘受拉且腹板b 14・3 18181 0.0005y2350.962f yNy Atx M3503.12 10, 2 1 0.698 75.14 10260.85 7.88 100.962 346 103整个下弦杆采用等截面,故按最大内力 N max N AF 设计条)N AF 467.34 kN l 0x 2566mm 気3所需杆件截面积AN 467.34 10f 215均满足要求,故下弦杆所选钢材满足设计要求3)下弦填板的设置(《钢结构设计规范》P43 5.1.5条)查型钢表,一个角钢对于平行于填板的自身形心轴的回转 半径 i 2.33cm ,则 80i=186.4cm 。
下弦节间AF FG 长度为256.6cm 。
每节间设一块填板,间 距为 238.3/2=128.3cm<186.4cm.下弦节间GJ 长度为371.8cm 。
每节间设两块填板,间距为 371.8/3=123.9cm<186.4cm.填板尺寸70 12 80。
(《钢结构课程设计》P23)5. 腹杆截面设计1)腹杆EG 在节点H 处不断开,采用通长杆件选用角钢2L75X 50X 10短肢相拼成 T 形截面 查表可得:A n 23.2cm 2i x 1.38 cmi y 3.87 cm对于拉杆xi x 1.38l °x371.8xi x1.38l0y513.2 y i y 3.87256.6 269.4132.6 467.34l0xN A n185.9350350350103 23.2 102201.4N/mm 215N/mm2566 2 5132 mm2 22174mm21.74cm3所需杆件截面积 AN 200.29 10931.6mm 2 9.316cm 2选用角钢2L50X 6相拼组成T 形截面2 2A n 11.38 102176N/mm215N/mm均满足要求,故腹杆EG 所选钢材满足设计要求 填板设置按 80i 80 1.51 120.8cmGH 、HE 各设置两块,256.6/3=85.5cm<109.6cm2)腹杆CF 和CHl ox l 2566 mml oy h 2l 2 2566mm 5132mm215查表可得:A n 211.38cmi x 1.51cmi y 2.56cm对于拉杆256.6 ix1.51 169.9350i y513.2 2.56200.5 350N 200.29 103填板尺寸70 12 60。
N 66.76kN , l 0x0.81 0.8 25662053mm , 10y l 2566 mm所需杆件截面积 366.76 102152 2311 mm 3.11cm 查表可得:A n 5.69cm 2i x 1.51cmi y 0.98 cm对于拉杆l °x 2053l x 15.1 136350l °y 2566 i y9.8261.84350N 66.76呼 117.3N/mm2 215N/mm 2A 5.69 102均满足要求,故腹杆EG 所选钢材满足设计要求 选用单角钢L50X 6可满足设计要求 3)对于腹杆BF 和DH强度、稳定性均满足要求,故所选钢材满足设计要求。
4)对于腹杆CGl 0x 0.8l0.8 1906 1524.8mm初选用角钢2L50X 6相拼组成T 形截面2A n 11.38cm , i x 1.51cm , i y 2.56cm对于压杆 x 虫152.48100.98 200N 49.67kN (压杆),l0x0.8l 0.8 953 786.4mmoy953mm2, i x 1.51cm , i y0.98cm ,xl0x i x786.52.120015.1l0y95.3 97.2200yi y0.98b50 8.33 0.54 953 10.29t 650换算长细比 yz y (10.85b 4 l2t 2!0y 1200N 49.67 103y ,由yz查表可得:0.475183.78N/ 丫代 0.475 569mm 2215N / mm 2N CG99.34kN (压杆), l 0y l 1906mm初选单角钢L50X 6 A n 5.69cm ) 113.2 由于 所以只求 yz y >i x 1.51由yz 查表可得:b 0.711强度、稳定性均满足要求,故腹杆 CG 所选钢材满足设计要求 填板设置按 40i 40 1.51 60.4cm设置两块,190.6/3=63.6cm>60.4cm 。
应设3块填板,但 考虑腹杆受力不大,且两端焊于节点板上,为减小焊缝起见, 可采用两块填板。
填板尺寸 70 12 60 5)中间竖腹杆EJN EJ 0(1)按构造考虑,为安装垂直支撑,采用螺栓直径 d=18mm 选用2L70X 5,组成十字形截面。
查型钢表知i u 2.73cm;i min 1.39cm 。
(2) 容许长细比按支撑压杆考虑0.9 354/2.73 116.7200(3) 填板设置按压杆考虑40i min 55.6cm换算长细比yzl0yly50 "6 190.6 2.568.33 y (174.45 0.5819065020022.1 0.475b 4)l 0y 2t2)76.1Nb A n99.34 103 0.711 1138122.8N / mm 22215N / mm设置 4 块,354/5=70.8>55.6cm但考虑中竖杆两端有节点板,且本身亦非完全压杆,为避免焊 缝过密,只设置4块。