钢结构课程设计梯形钢屋架计算书
- 格式:doc
- 大小:979.50 KB
- 文档页数:11
梯形钢屋架设计梯形钢屋架课程设计计算书⽬录⼀、设计资料 (3)⼆、屋架⼏何尺⼨及檩条布置 (3)1、屋架⼏何尺⼨ (3)2、檩条布置 (4)三、⽀撑布置 (5)1、上弦横向⽔平⽀撑 (5)2、下弦横向和纵向⽔平⽀撑 (5)3、垂直⽀撑 (5)4、系杆 (5)四、荷载与内⼒计算 (6)1、荷载计算 (6)2、荷载组合 (6)3、内⼒计算 (7)五、杆件截⾯设计 (7)1、节点板厚度 (7)2、杆件计算长度系数及截⾯形式 (9)3、上弦杆 (9)4、下弦杆 (9)5、再分式腹杆Ig-gf (10)6、竖腹杆Ie (10)六、节点设计 (13)1、下弦节点“b” (13)2.上弦节点“C” (16)3.有⼯地拼接的下弦节点“f” (18)4.屋脊节点“K” (19)5.⽀座节点“a” (16)七、填板设计 (21)⼀、设计资料:1. 车间平⾯尺⼨为144m×30m,柱距9m,跨度为30m,柱⽹采⽤封闭结合。
车间内有两台15t/3t中级⼯作制软钩桥式吊车。
2. 屋⾯采⽤长尺复合屋⾯板,板厚50mm,檩距不⼤于1800mm。
檩条采⽤冷弯薄壁斜卷边Z形钢Z250×75×20×2.5,屋⾯坡度i=l/10。
3. 钢屋架简⽀在钢筋混凝⼟柱顶上,柱顶标⾼9.000m,柱上端设有钢筋混凝⼟连系梁。
上柱截⾯为400mm×400mm,所⽤混凝⼟强度等级为C30,轴⼼抗压强度设计值f c=14.3N/mm2。
抗风柱的柱距为6m,上端与屋架上弦⽤板铰连接。
4. 钢材⽤ Q235-B,焊条⽤ E43系列型。
5. 屋架采⽤平坡梯形屋架,⽆天窗,外形尺⼨如下图所⽰图 1 屋架外形尺⼨及腹杆布置形式Ho=1650mm6. 该车间建于深圳近郊。
7. 屋盖荷载标准值:(l) 屋⾯活荷载0.50 kN/m2(2) 基本雪压s00 kN/m 2(3) 基本风压w00.75 kN/m2(4) 复合屋⾯板⾃重0.15 kN/m2(5) 檩条⾃重0.084kN/m(6) 屋架及⽀撑⾃重0.12+0. 011L kN/m28. 运输单元最⼤尺⼨长度为15m,⾼度为4.0m。
钢结构课程设计——21m跨钢屋架设计计算书1 设计资料某厂房总长度90m,跨度L=21m,屋盖体系为无檩体系,纵向柱距6m。
1.结构形式:钢筋混凝土柱,梯形钢屋架。
柱的混凝土强度等级为C30,屋面坡度i=L/10;L为屋架跨度。
地区计算温度高于-200C,无侵蚀性介质,不考虑地震设防,屋架下弦标高为18m;厂房内桥式吊车为2台150/30t(中级工作制),锻锤为2台5t。
2. 屋架形式及荷载:屋架形式、几何尺寸及内力系数(节点荷载P=1.0作用下杆件的内力)如附图所示。
屋架采用的钢材、焊条为:用Q345钢,焊条为E50型。
3.屋盖结构及荷载无檩体系:采用1.5×6.0m预应力混凝土屋板(考虑屋面板起系杆作用)荷载:①屋架及支撑自重:按经验公式q=0.12+0.011L,L为屋架跨度,以m为单位,q 为屋架及支撑自重,以kN/m2为单位;②屋面活荷载:施工活荷载标准值为0.7kN/m2,雪荷载的基本雪压标准值为S0=0.35kN/m2,施工活荷载与雪荷载不同时考虑,而是取两者的较大值;积灰荷载0.6kN/m2。
③屋面各构造层的荷载标准值:三毡四油(上铺绿豆砂)防水层0.4kN/m2水泥砂浆找平层0.4kN/m2保温层0.7kN/m2一毡二油隔气层0.05kN/m2水泥砂浆找平层0.3kN/m2预应力混凝土屋面板 1.45kN/m22 结构形式与布置屋架形式及几何尺寸如图7.30所示。
屋架支撑布置如图7.31所示。
图7.30 屋架形式及几何尺寸3荷载计算屋面活荷载与雪荷载不会同时出现,从资料可知屋面活荷载大于雪荷载,故取屋面活荷载计算。
屋架沿水平投影面积分布的自重(包括支撑)按经验公式计算,跨度单位为m。
荷载永久荷载:预应力混凝土屋面板 958.135.145.1=⨯2/m kN 屋架及支撑自重 474.035.1)21011.012.0(=⨯⨯+2/m kN 三毡四油(上铺绿豆砂)防水层 54.035.14.0=⨯2/m kN 水泥砂浆找平层 54.035.14.0=⨯2/m kN 保温层 945.035.17.0=⨯2/m kN 一毡二油隔汽层 068.035.105.0=⨯2/m kN 水泥砂浆找平层 405.035.13.0=⨯2/m kN总计 4.9292/m kN可变荷载:屋面活荷载 98.04.17.0=⨯2/m kN 积灰荷载 0.6 1.40.84⨯=2/m kN总计 1.822/m kN设计屋架时,应考虑以下3种荷载组合: (1) 全跨永久荷载+全跨可变荷载 全跨节点永久荷载及可变荷载:(4.929 1.82) 1.5660.74F =+⨯⨯=kN (2)全跨永久荷载+半跨可变荷载全跨节点永久荷载:1 4.929 1.5644.36F =⨯⨯=kN 半跨节点可变荷载:2 1.82 1.5616.38F =⨯⨯=kN(3)全跨屋架包括支撑+半跨屋面板自重+半跨屋面活荷载 全跨节点屋架自重:30.474 1.56 4.266F =⨯⨯=kN半跨节点屋面板自重及活荷载:4(1.95750.98) 1.5626.44F =+⨯⨯=kN (1) 、(2)为使用阶段荷载情况,(3)为施工阶段荷载情况。
梯形屋架课程设计计算书一、课程目标知识目标:1. 理解梯形屋架的结构特点及其在工程中的应用。
2. 掌握梯形屋架的几何参数计算方法和力学原理。
3. 学会运用相关公式进行梯形屋架的荷载分析和内力计算。
技能目标:1. 能够运用梯形屋架的计算方法,独立完成简单梯形屋架的设计计算。
2. 培养学生运用几何知识和力学原理解决实际问题的能力。
3. 提高学生的团队协作能力和动手操作能力,通过小组讨论和实验,深化对梯形屋架计算方法的理解。
情感态度价值观目标:1. 培养学生对建筑结构工程的兴趣,激发学生学习相关知识的热情。
2. 培养学生的创新意识,鼓励学生在设计计算过程中提出自己的观点和解决方案。
3. 增强学生的安全意识,了解建筑结构在设计过程中的重要性,培养学生的责任感。
课程性质分析:本课程为八年级数学与科学跨学科综合实践课程,结合数学几何知识和物理力学原理,帮助学生掌握梯形屋架的设计计算方法。
学生特点分析:八年级学生对数学几何和物理力学有一定的了解,具备基本的运算能力和解决问题的能力,但缺乏将理论知识应用于实际问题的经验。
教学要求:1. 注重理论知识与实践操作的结合,提高学生的应用能力。
2. 采用小组合作学习方式,培养学生的团队协作能力。
3. 通过案例分析、实验演示等多种教学方法,激发学生的学习兴趣,提高教学效果。
二、教学内容1. 梯形屋架结构概述:介绍梯形屋架的结构特点、应用场景及其在建筑行业中的重要性。
相关教材章节:数学课本第四章“几何图形及应用”,科学课本第六章“简单力学原理”。
2. 梯形屋架的几何参数计算:讲解梯形屋架的边长、角度、面积等几何参数的计算方法。
相关教材章节:数学课本第四章“梯形的性质和计算”。
3. 梯形屋架的力学原理:阐述梯形屋架在受力时的内力分布,以及如何运用力学原理进行计算。
相关教材章节:科学课本第六章“受力分析及应用”。
4. 梯形屋架的荷载分析:介绍梯形屋架所承受的荷载类型,以及如何将这些荷载转化为计算参数。
梯形钢屋架课程设计计算书梯形钢屋架课程设计计算书⼀、设计资料1、某车间跨度为24m,⼚房总长度102m,柱距6m,车间内设有两台50/10t中级⼯作制软钩桥式吊车,地区计算温度⾼于-20℃,⽆侵蚀性介质,地震设防烈度为6度,屋架下弦标⾼为18m;2、采⽤1.5×6 m预应⼒钢筋混凝⼟⼤型屋⾯板,Ⅱ级防⽔,卷材屋⾯,桁架采⽤梯形钢桁架,两端铰⽀在钢筋混凝⼟柱上,3、上柱截⾯尺⼨为450×450mm4、混凝⼟强度等级为C255、屋架采⽤的钢材及焊条为:Q345钢,焊条为E50型。
结构形式与布置图屋架计算跨度:Lo=L-2×150=24000-300=23700mm。
端部⾼度Ho=1.74m屋⾯坡度i=1/12节间为3m的⼈字形式,屋⾯板传来的荷载,正好作⽤在节点上,使之传⼒更好。
⼆、荷载与内⼒计算1、荷载计算永久荷载:改性沥青防⽔层0.4kN/m220厚1:2.5⽔泥砂浆找平层0.40kN/m280厚泡沫混凝⼟保温层0.6kN/m2预应⼒混凝⼟⼤型屋⾯板(包括灌缝) 1.5kN/m2悬挂管道0.15N/m2屋架和⽀撑⾃重为(0.120+0.011L)=0.384kN/m2总计:3.434KN/m2可变荷载基本风压:0.35 kN/m2基本雪压:(不与活荷载同时考虑)0.5kN/m2积灰荷载0.5kN/m2不上⼈屋⾯活荷载0.7kN/m2(可变荷载可按⽔平投影⾯积计算)荷载与雪荷载不会同时出现,故取两者较⼤的活荷载计算。
0.7>0.5 kN/m2总计:1.2KN/m2由于屋⾯夹⾓较⼩,风载为吸⼒,起卸载作⽤,⼀般不考虑。
永久荷载设计值 1.35×3.434KN/m2=4.64KN/m2可变荷载设计值 1.4×1.2KN/m2=1.68KN/m22、荷载组合设计屋架时,应考虑以下三种组合:组合⼀:全跨永久荷载+全跨可变荷载。
屋架上弦节点荷载F=(4.64KN/m2+1.68KN/m2) ×1.5×6m=56.88kN组合⼆:全跨永久荷载+半跨可变荷载。
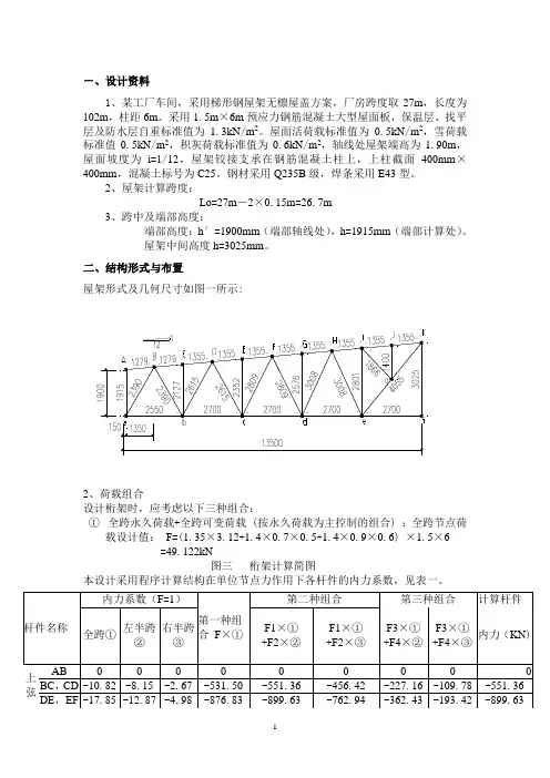
钢结构课程设计梯形钢屋架计算书所在学院建筑工程学院所属专业土木工程班级学号土木10-3 1015020324 学生春旭指导教师黄雪芳王晓东设计时间2013.11.26-、设计资料1、某工厂车间,采用梯形钢屋架无檩屋盖方案,厂房跨度取27m,长度为102m,柱距6m。
采用1.5m×6m预应力钢筋混凝土大型屋面板,保温层、找平层及防水层自重标准值为1.3kN/m2。
屋面活荷载标准值为0.5kN/m2,雪荷载标准值0.5kN/m2,积灰荷载标准值为0.6kN/m2,轴线处屋架端高为1.90m,屋面坡度为i=1/12,屋架铰接支承在钢筋混凝土柱上,上柱截面400mm×400mm,混凝土标号为C25。
钢材采用Q235B级,焊条采用E43型。
2、屋架计算跨度:Lo=27m-2×0.15m=26.7m3、跨中及端部高度:端部高度:h′=1900mm(端部轴线处),h=1915mm(端部计算处)。
屋架中间高度h=3025mm。
二、结构形式与布置屋架形式及几何尺寸如图一所示:图一屋架形式及几何尺寸屋架支撑布置如图二所示:图二-1屋架上弦支撑布置图图二-2屋架下弦支撑分布图图二-3屋架垂直支撑符号说明:GWJ-(钢屋架);SC-(上弦支撑);XC-(下弦支撑);CC-(垂直支撑);GG-(刚性系杆);LG-(柔性系杆)。
三、荷载与力计算1、荷载计算荷载与雪荷载不同时考虑,故计算时取两者较大的荷载标准值计算。
由资料可知屋面活荷载等于雪荷载,所以取0.5kN/㎡计算。
标准永久荷载:防水层、找平层、保温层1.30kN/㎡预应力混凝土大型屋面板1.40kN/㎡钢屋架和支撑自重0.12+0.011×27=0.42kN/㎡总计: 3.12kN/㎡`标准可变荷载:屋面活荷载0.50kN/㎡积灰荷载0.60kN/㎡总计: 1.1kN/㎡2、荷载组合设计桁架时,应考虑以下三种组合:①全跨永久荷载+全跨可变荷载 (按永久荷载为主控制的组合) :全跨节点荷载设计值:F=(1.35×3.12+1.4×0.7×0.5+1.4×0.9×0.6) ×1.5×6=49.122kN②全跨永久荷载+半跨可变荷载:全跨节点永久荷载设计值:对结构不利时:F1.1=1.35×3.12×1.5×6=37.908kN(按永久荷载为主的组合)F1.2=1.2×3.12×1.5×6=33.696kN(按可变荷载为主的组合)对结构有利时:F1.3=1.0×3.12×1.5×6=28.080kN半跨节点可变荷载设计值:F2.1= 1.4×(0.7×0.5+0.9×0.6)×1.5×6=11.214kN(按永久荷载为主的组合)F2.2=1.4×(0.7+0.9×0.6)×1.5×6=17.325kN(按可变荷载为主的组合)③全跨屋架包括支撑自重+半跨屋面板自重+半跨屋面活荷载(按可变荷载为主的组合):全跨节点屋架自重设计值:对结构不利时:F3.1=1.2×0.45×1.5×6=4.86kN对结构有利时:F3.2=1.0×0.45×1.5×6=4.05kN半跨节点屋面板自重及活荷载设计值:F4=(1.2×1.4+1.4×0.5) ×1.5×6= 21.42kN其中①②为使用阶段荷载情况,③施工阶段荷载情况。
目录1设计资料2结构形式与选型3荷载计算4内力计算5杆件设计6节点设计7 参考文献梯形钢屋架课程设计计算书一、设计资料:该课程设计题目为:普通梯形屋架。
车间柱网布置:长度150m ;柱距6m ;跨度27m1、屋面坡度:1:102、屋面材料:混凝土大型屋面板(包括灌浆)3、荷载标准值1)静载:屋架及支撑自重0.3KN/m²;SBS改性沥青油毛毡防水层0.4KN/m²;20厚水泥砂浆找平层0.4KN/m²;100厚水泥珍珠岩保温层0.4KN/m²冷底子油隔气层0.05KN/m²大型屋面板自重(包括灌缝) 1.4KN/m²管道设备自重0.1 KN/m²2)活载:屋面雪荷载或活荷载最大值0.65KN/m²;积灰荷载1KN/m²;屋面坡度不大,对荷载影响小,不予考虑。
风荷载对屋面为吸力,重屋盖可不考虑。
4、材质Q235B钢,焊条E43系列,手工焊。
二、结构形式与选型根据厂房长度(84m>60m)、跨度及荷载情况,设置上弦横向水平支撑3道,下弦由于跨度为18m故不设下弦支撑。
三、荷载计算荷载计算表:荷载组合方法:1、全跨永久荷载F+全跨可变荷载2F1F1+F2=(4.118+1.47)×1.5×6=50.292kN2、全跨永久荷载F+半跨可变荷载2F1F1=4.118×1.5×6=37.062 kNF2=1.47×1.5×6=13.23 kN3、全跨屋架(包括支撑)自重F+半跨屋面板自重4F+半3跨屋面活荷载F2F2=1.47×1.5×6=13.23 kNF3=0.405×1.5×6=3.645 kNF4=(1.85+0.91)×1.5×6=24.84 kN四、内力计算计算简图如下五、杆件设计:复杆最大内力为326.898 KN ,查课本表7.4,选用中间节点板厚为10mm ,支座板厚为12mm 。
课程设计--梯形钢屋架设计计算书梯形钢屋架计算书学生姓名XXX班级名称专业名称土木工程指导教师XXX目录1 设计资料 (1)1.1 基本资料 (1)1.2 荷载标准值 (1)2 结构形式与布置 (1)2.1屋架形式 (1)2.2屋架尺寸的确定 (1)2.3钢材和焊条的选用 (3)2.4屋盖支撑布置 (3)3 荷载计算 (3)3.1恒活荷载计算 (3)3.2 荷载组合 (5)4 内力计算 (5)5 杆件截面设计 (8)5.1上弦杆截面计算 (8)5.2下弦杆截面计算 (9)5.3斜杆截面计算 (9)5.3.1 斜杆aB (10)5.3.2 斜杆Bc (10)5.3.3 斜杆cD (11)5.3.4斜杆De (11)5.3.5斜杆eF (11)5.3.6斜杆Fg (12)5.4竖杆截面计算 (12)5.4.1竖杆Aa (13)5.4.2竖杆Cc (13)5.4.3竖杆Ee (13)5.4.4 竖杆Gg (14)6 节点设计 (16)6.1下弦c节点 (16)6.2上弦B节点 (18)6.3屋脊G节点 (19)6.4支座a节点 (19)1 设计资料1.1 基本资料①某厂房总长度90m ,跨度L =18m ,屋盖体系为无檩体系,纵向柱距6m 。
②结构形式:钢筋混凝土柱,梯形钢屋架。
柱的混凝土强度等级为C25,屋面坡度i =L /10;L 为屋架跨度。
地区计算温度高于-200C ,无侵蚀性介质,不考虑地震设防,屋架下弦标高为18m ;③屋盖结构为无檩体系:采用1.5×6.0m 预应力混凝土屋板(考虑屋面板起系杆作用)屋面活荷载:施工活荷载标准值为0.8kN/m 2,雪荷载的基本雪压标准值为S 0=0.5kN/m 2,施工活荷载与雪荷载不同时考虑,而是取两者的较大值;积灰荷载 0.8 kN/m 21.2 荷载标准值屋面各构造层的荷载标准值:三毡四油(上铺绿豆砂)防水层 0.4kN/m 2 水泥砂浆找平层 0.4kN/m 2保温层 0.5 kN/m 2(按选题) 一毡二油隔气层 0.05kN/m 2 水泥砂浆找平层 0.3kN/m 2 预应力混凝土屋面板 1.45kN/m 22 结构形式与布置2.1屋架形式屋面材料为预应力混凝土大型屋面板,采用无檩屋盖体系,梯形钢屋架,屋面坡度i =L /10 ,L 为屋架跨度。
单层厂房钢屋盖设计计算书一、设计计算资料梯形屋架跨度27m ,屋架间距6m ,厂房长度84m 。
屋架支撑于钢筋混凝土柱子上,节点采用焊接方式连接。
钢筋混凝土柱高12m ,其混凝土强度等级为C30。
钢材为Q235-B ,焊条E43型。
厂房内有中级工作制桥式吊车,起重量Q ≤300kN 。
屋面均布活荷载(不与雪荷载同时考虑)为:轻型屋面取0.3kN /㎡,但计算负荷面积不超过60㎡时,取0.5 kN /㎡;重型屋面取0.5 kN /㎡。
屋面材料为长尺压型钢板,屋面坡度i 8/1=,H 型钢檩条的水平间距为3.375m 。
基本风压为0.75 kN /㎡,基本雪压为0 kN /㎡。
二、屋架几何尺寸的确定屋架的计算跨度mm L l 26700300270003000=-=-=,端部高度取mm H 19900=跨中高度为mm 3680H ,36788227000190020==⨯+=+=取mm L i H H 。
跨中起拱高度为60mm (L/500)。
梯形钢屋架形式和几何尺寸如图1所示。
三、屋盖支撑布置根据厂房长度(84m>60m )、跨度及荷载情况,设置三道上、下弦横向水平支撑。
因柱网采用封闭结合,厂房两端的横向水平支撑设在第一柱间,该水平支撑的规格与中间柱间支撑的规格有所不同。
在所有柱间的上弦平面有檩条代替刚性与柔性系杆,以保证安装时上弦杆的稳定,在各柱间下弦平面的跨中及端部设置了柔、刚性系杆,以传递山墙风荷载。
在设置横向水平支撑的柱间,于屋架跨中和两端各设一道垂直支撑。
梯形钢屋架支撑布置如图2、图3、图4所示。
其中SC#为上弦支撑、XC#为下弦支撑、CC#为垂直支撑、GG#为刚性系杆、RG#为柔性系杆、GWJ#为屋架。
四、荷载计算1、永久荷载(水平投影面)压型钢板 151.086515.0=⨯kN/㎡ 檩条(0.5kN/m ) 0.148 kN /㎡屋架及支撑自重 0.01L=0.27kN /㎡ 合计 0.569kN /㎡ 2、可变荷载(水平投影面)因屋架受荷水平投影面积超过60㎡,故屋面均布活荷载为0.30 kN /㎡,无雪荷载。
目录设计资料 (3)结构形式与布置 (3)钢屋架计算简图及几何长度 (5)荷载统计计算 (5)钢屋架内力系数的计算 (5)内力组合和计算 (5)杆件截面设计 (7)屋架节点设计 (10)参考文献 (16)钢屋架设计计算书1.工程概况某个工业厂房,跨度为24m,厂房总长度75m,柱距7.5m,屋面坡度i=1:10,采用1.5×6 m太空轻质大型屋面板。
结构采用排架体系,即钢屋架铰支于排架上。
排架为混凝土柱,柱顶截面尺寸为400×400mm,混凝土强度等级为C30。
钢屋架钢材采用Q235B,E43型焊条,手工焊。
基本风压为0.6kN/㎡,基本雪压为0.30kN/㎡,积灰荷载为0.8kN/㎡。
2.结构形式与布置(1)结构平面布置图(2)钢屋架支撑体系布置简图3.钢屋架计算简图及几何长度由于采用大型屋面板和油毡防水屋面,故选用平坡梯形钢屋架,未考虑起拱时的上弦坡度i=1:10。
屋架坡度l=24m,每端支座中线缩进0.15m。
计算跨度l=l-2×0.15m=23.7m;=2.00m,中部高度H=3.20m,起拱50mm。
端部高度取H选用屋架的杆件布置和几何尺寸如图所示。
4.荷载统计计算(1)屋面永久荷载(水平投影)太空轻质大型屋面板(1.5m*6m) 0.60kN/m2防水层 0.15kN/m2屋面板排风设备平均重量 0.060kN/m2钢屋架及支撑自重q=0.12+0.011L=0.12+0.011*24=0.384kN/m2合计 1.194kN/m2(2)屋面可变荷载(水平投影)屋面活荷载 0.50kN/m2雪荷载 0.30kN/m2 取两者较大值:0.5kN/m2积灰荷载 0.80kN/m2合计 1.30kN/m2(3)风荷载 0.6kN/m2由分析得到,荷载组合一共分为两种。
其中一种是全部布满荷载和活荷载,另外一种是全部布满恒荷载和一半布满活荷载。
(1)全跨恒载+全跨活载F=(3.6+0.7)×6×3.0=77.4kN(2)全跨恒载+半跨活载全跨节点永久荷载F1=3.6×6×3.0=64.8kN半跨节点可变荷载F2=0.7×6×3.0=12.6kN5.钢屋架内力系数的计算由于,所以可仅建立半跨的计算模型,先计算半跨内力系数,然后利用半跨与全跨的关系求出全跨内力系数。
-、设计资料1、某工厂车间,采用梯形钢屋架无檩屋盖方案,厂房跨度取27m,长度为102m,柱距6m。
采用1.5m×6m预应力钢筋混凝土大型屋面板,保温层、找平层及防水层自重标准值为1.3kN/m2。
屋面活荷载标准值为0.5kN/m2,雪荷载标准值0.5kN/m2,积灰荷载标准值为0.6kN/m2,轴线处屋架端高为1.90m,屋面坡度为i=1/12,屋架铰接支承在钢筋混凝土柱上,上柱截面400mm×400mm,混凝土标号为C25。
钢材采用Q235B级,焊条采用E43型。
2、屋架计算跨度:Lo=27m-2×0.15m=26.7m3、跨中及端部高度:端部高度:h′=1900mm(端部轴线处),h=1915mm(端部计算处)。
屋架中间高度h=3025mm。
二、结构形式与布置屋架形式及几何尺寸如图一所示:2、荷载组合设计桁架时,应考虑以下三种组合:①全跨永久荷载+全跨可变荷载 (按永久荷载为主控制的组合) :全跨节点荷载设计值:F=(1.35×3.12+1.4×0.7×0.5+1.4×0.9×0.6) ×1.5×6=49.122kN图三桁架计算简图本设计采用程序计算结构在单位节点力作用下各杆件的内力系数,见表一。
1、上弦杆:整个上弦杆采用相等截面,按最大设计内力IJ 、JK 计算,根据表得: N = -1139.63KN ,屋架平面内计算长度为节间轴线长度,即:ox l =1355mm ,本屋架为无檩体系,认为大型屋面板只起刚性系杆作用,不起支撑作用,根据支撑布置和内力变化情况,取屋架平面外计算长度oy l 为支撑点间的距离,即:oy l =3ox l =4065mm 。
根据屋架平面外上弦杆的计算长度,上弦截面宜选用两个不等肢角钢,且短肢相并,如图四所示:图四 上弦杆腹杆最大内力N =-574.7KN ,查表可知,中间节点板厚度取12mm ,支座节点板厚度取14mm 。
36m 屋架1,结构形式及几何尺寸 结构形式及几何尺寸如图2,荷载计算 4.2.1恒荷载:二毡三油加小石子防水层 20.35/kN mm 60mm 厚泡沫混凝土保温层 20.36/kN mm 20厚1:2.5水泥砂浆找平层 20.40/kN mm 预应力混凝土大型屋面板(包括灌缝) 21.50/kN mm 悬挂管道等 20.05/kN mm 屋架和支撑自重 20.46/kN mm――――――――――――――――――共23.12/kN mm2.2可变荷载:屋面活荷载 20.5/kN mm雪荷载:2200.35/0.5/S kN mm kN mm =<。
由于雪荷载与屋面活荷载不同时组合,故 仅考虑活荷载作用。
风荷载:基本风压200.30/W kN mm =。
以由于屋面永久荷载较大,负风压设计值均小于永久荷载标准值,永久荷载与风荷载组合作用下不致使杆件内力变号,故不考虑风荷载的影响。
――――――――――――――――――― 共20.5/kN mm2.3上弦节点荷载 节点荷载3.62 1.5632.58P kN =⨯⨯= 支座反力 1M kN m =2.4钢接屋架固端弯矩及水平力的组合 3内力计算3.1由屋架单位荷载P=1kN 产生的内力; 见表4-1。
3.2由固端弯矩1M kN m =产生的内力; 见表4-1。
3.3屋架内力组合;屋架内力组合见表4-2; 表 1名称 杆件号 竖向荷载(t )1M t m =(逆时针) 1M t m =(顺时针) 附注 P=1t 左 右 左 右B-C -0.69 +0.457 0 0+0.457C-D3.4截面选择截面选择可根据表4-2所得到的各杆内力值,查表“轴心受力构件承载能力表”进行选用,其结果如表4-3。
根据屋架端斜杆的内力,查表得到节点板厚度t=14mm,但其支座节点板应采用16mm。
表 3再 分 杆J-4 +2.281561952505L ⨯+16.3 250 F-3 190 238 +16.3 250 N-6 +2.12173216 +16.3 250 J-5 210 262 +16.3 250 G-3 -3.2688 110 -13.8 150 C-1 112140 -12.55 150E-2 112140 -12.55 150 K-5 136 170 -11.03 150 M-6 136 170 -11.03 150 I-4160200-9.071503.5节点连接计算。
目录1 设计资料 (1)2 屋架形式及几何尺寸 (1)3 支撑的布置 (2)4 荷载计算 (2)5 内力计算 (3)6 杆件复核 (4)7 节点复核 (9)采用PKPM 软件进行设计,对杆件和部分节点进行手算复核。
1 设计资料及设计依据1.1 结构形式跨度为21 m ,总长90 m ,柱距6 m ,采用梯形钢屋架。
1.2 屋架尺寸及选材屋架端部高度设计为1.8 m ,屋面坡度为1/10,采用Q235钢,E43型焊条。
1.3 荷载标准值恒载有:防水层、找平层、保温层等 1.7 kN/m 2 预应力混凝土屋面板(含灌缝) 1.5 kN/m 2 屋架及支撑自重 ()20.120.011kN /m k g L =+ 0.351 kN/m 2活载有:屋面均布活载 0.5 kN/m 2 雪荷载 0.35 kN/m 2 积灰荷载 0.5 kN/m 2屋面为重屋面,不考虑风荷载;抗震设防烈度为6度,不考虑地震作用。
2 屋架形式及几何尺寸(1) 计算跨度0215021000215020700mm L L =-⨯=-⨯=; (2) 屋架中部高度2100018000.1=2850mm 2H =+⨯; (3) 屋架跨中起拱高度L /500=42 mm ,实取50 mm ; (4) 几何尺寸如下图1所示:1508135715081508150815081508285030003000300018152100240027002850237627092964322624552699295342ABCDEF GHI JKLM屋架几何尺寸示意图(单位:mm )图1 屋架几何尺寸示意图(单位:mm ) 3 支撑的布置根据车间长度、屋架跨度和荷载情况,上、下弦各设两道横向水平支撑,具体见支撑布置图2。
a 上弦支撑b 下弦支撑c 1-1剖面垂直支撑图2 屋面支撑布置(单位:mm )SC -上弦支撑;XC -下弦支撑;CC -垂直支撑;GG -刚性系杆;LG -柔性系杆4 荷载计算屋面活荷载与雪荷载不同时组合,屋面活荷载大于雪荷载,故只取屋面活荷载进行计算。
第一章:设计资料某单跨单层厂房,跨度L=24m,长度54m,柱距6m,厂房内无吊车、无振动设备,屋架铰接于混凝土柱上,屋面采用*6.0m太空轻质大型屋面板。
钢材采用Q235-BF,焊条采用E43型,手工焊。
柱网布置如图所示,杆件容许长度比:屋架压杆【λ】=150屋架拉杆【λ】=350。
第二章:结构形式与布置柱网布置图柱网布置图屋架形式及几何尺寸由于采用大型屋面板和油毡防水屋面,故选用平坡梯形钢屋架,未考虑起拱时的上弦坡度i=1/10。
屋架跨度l=24m,每端支座缩进0.15m,计算跨度l0=l-2*0.15m=23.7m;端部高度取H0=2m,中部高度H =3.2m;起拱按f=l0/500,取50mm,起拱后的上弦坡度为1/。
配合大型屋面板尺寸(*6m),采用钢屋架间距B=6m,上弦节间尺寸1.5m。
选用屋架的杆件布置和尺寸如施工图所示。
图屋架的杆件尺寸支撑布置由于房屋较短,仅在房屋两端5.5m开间内布置上、下弦横向水平支撑以及两端和中央垂直支撑,不设纵向水平支撑。
中间各屋架用系杆联系,上下弦各在两端和中央设3道系杆,其中上弦屋脊处与下弦支座共三道为刚性系杆。
所有屋架采用统一规格,但因支撑孔和支撑连接板的不同分为三个编号:中部6榀为WJ1a ,设6道系杆的连接板,端部第2榀为WJ1b,需另加横向水平支撑的的连接螺栓孔和支撑横杆连接板;端部榀(共两榀)为WJ1c。
图上弦平面12121---12---2图下弦平面与剖面第三章:荷载计算及杆件内力计算 屋架荷载计算表 屋架荷载计算表屋架杆件内力系数屋架上弦左半跨单位节点荷载作用下的杆件内力系数经计算如图所示。
屋架上弦左半跨单位节点荷载、右半跨单位节点荷载、全跨单位节点荷载作用下的屋架左半跨杆件的内力系数k L、k R、k(=k L+k R)按图所示,并已抄入表中。
图屋架内力系数图杆件内力组合○1组合一―――全部恒、活荷载全部恒、活荷载:q=m2,F=**6=,杆件组合内力N1=(KN)○2组合二―――全跨恒荷载、半跨活荷载(相应于全垮恒、活荷载减去半跨活荷载)活荷载:q=m2,F=**6=,杆件组合内力N2= N1-,R (KN)○3组合三―――全跨屋架和支撑重、半跨屋面板重和活荷载:屋架和支撑重:q=*=m2,F=**6=,活荷载:q=*+=m2,F=**6=,杆件组合内力N3= + k L,R(KN)杆件内力组合见表,其中第二、三组合对个别k L、k R正负号的杆件计算,因为这种情况下第二、三组合的弦杆左右节间内力差△N(设计弦杆焊缝用)将大于第一组合的△N。
钢结构课程设计钢屋架计算书.docx 范本一:1. 引言1.1 背景1.2 目的2. 钢结构设计基本要求2.1 荷载计算2.1.1 建筑荷载2.1.2 风荷载2.1.3 地震荷载2.2 材料选择2.2.1 钢材标号2.2.2 钢材强度2.3 结构计算2.3.1 根据荷载计算截面尺寸2.3.2 校核截面尺寸3. 钢屋架设计3.1 框架结构3.1.1 框架种类 3.1.2 框架构造 3.2 尺寸计算3.2.1 支撑尺寸 3.2.2 屋檐尺寸3.2.3 屋面坡度4. 结构连接4.1 螺栓连接4.1.1 螺栓种类 4.1.2 螺栓计算 4.2 焊接连接4.2.1 焊缝类型4.2.2 焊接计算5. 结构稳定性5.1 列向稳定性5.1.1 单列向稳定性5.1.2 多列向稳定性5.2 平面稳定性5.2.1 侧移稳定性5.2.2 扭转稳定性6. 结论6.1 设计结果6.2 设计建议6.3 风险评估7. 附录7.1 结构图纸7.2 荷载计算表格7.3 材料牌号表格附录:1. 附件:结构图纸、荷载计算表格、材料牌号表格。
2. 法律名词及注释:- 钢结构:指采用钢材制作的承载结构体系。
- 荷载计算:根据建筑用途、建筑地点,将各种荷载作用于结构上,并对结构产生的内力进行计算。
- 风荷载:指风对建筑物或结构的作用荷载。
- 地震荷载:指地震对建筑物或结构的作用荷载。
- 校核:对已计算出的截面尺寸进行核验,确保结构满足设计要求。
- 构件:指构成结构的单个元素,如柱、梁、板等。
范本二:1. 简介1.1 编制目的1.2 文档范围2. 钢屋架设计基本要求2.1 荷载计算2.1.1 建筑物荷载2.1.2 风荷载2.1.3 地震荷载2.2 结构分析2.2.1 框架结构2.2.2 支撑结构3. 钢屋架构造设计3.1 框架结构设计3.1.1 组成构件的选择 3.1.2 框架参数计算3.2 支撑结构设计3.2.1 支撑位置确定3.2.2 支撑构件尺寸计算4. 钢材选择与设备特殊要求4.1 钢材选择标准4.1.1 钢材强度标准4.1.2 钢材标号规范4.2 设备特殊要求4.2.1 防火涂料4.2.2 防腐蚀措施5. 结构连接设计5.1 螺栓连接5.1.1 螺栓选型5.1.2 螺栓连接计算 5.2 焊接连接5.2.1 焊接工艺选择5.2.2 焊接参数计算6. 结构稳定性分析6.1 列向稳定性6.1.1 建立稳定方程 6.1.2 列向稳定计算 6.2 平面稳定性6.2.1 建立稳定方程6.2.2 平面稳定计算7. 结论与建议7.1 结构计算结果7.2 设计建议8. 附录8.1 结构图纸8.2 荷载计算表格8.3 钢材标号表格附录:1. 附件:结构图纸、荷载计算表格、钢材标号表格。
梯形钢屋架课程设计梯形钢屋架课程设计计算书1.设计资料:1、车间柱网布置:长度96m ;柱距6m ;跨度15m。
2、屋面坡度:1:10.3、屋面材料:压型钢板。
4、荷载1)静载:屋架及支撑自重0。
45KN/m²。
2)活载:屋面活荷载0.5KN/m²。
5、材质Q235B钢,焊条E43XX系列,手工焊。
6、屋架采用平坡梯形屋架,无天窗,外形尺寸(取一半)如图1 所示图12 . 结构形式与选型屋架形式及几何尺寸如图所示根据厂房长度(96m〉60m)、跨度及荷载情况,设置上弦横向水平支撑2道,下弦由于跨度为15m故不设下弦支撑。
如图2图23、垂直支撑垂直支撑必须设置。
对于本屋架结构,在跨度中央设置一道中间垂直支撑,在屋架两端各设置一道垂直支撑。
垂直支撑只设置在有横向水平支撑的同一柱间的屋架上,如图3 所示。
图34 。
荷载计算屋面活荷载0。
5KN/m ²进行计算。
荷载名称 标准值(KN/m²) 设计值(KN/m²) 屋架及支撑自重 0。
45 0.15×1。
35=0.608 可变荷载总和 0。
50。
7荷载组合方法:1、全跨永久荷载1F +全跨可变荷载2F2、全跨永久荷载1F +半跨可变荷载2F3、全跨屋架(包括支撑)自重3F +半跨屋面板自重4F +半跨屋面活荷载2F5 内力计算杆件名称杆件编号单位荷载 F =1 静载作用(KN/m ²) 活载(KN/m ²)0.7 杆件内力 计算内力在左 在右全跨全部恒载3。
578 屋架支撑0.608大型屋面板1。
89在左在右全部组合一组合二组合三在左 在右 全部 上弦杆AB 0。
00 0.00 0.000.000。
000。
000.000.000。
00 0。
00 0。
00 0.000。
00 0。
000.00BC—4。
69-2。
16 -6.23 —22.28 —3.79 —8.86 —4.09 -11.77 —3。
盘锦啤酒厂A车间三角型角钢屋架设计说明:一、参考资料1、《钢结构设计规范》(GB50017—2002)。
2、《建筑结构荷载规范》(GB50009—2001)。
3、《建筑抗震设计规范》(GB50011—2001)。
4、《建筑结构可靠度设计统一标准》(GB50068—2001)。
5、《建筑结构制图标准》(GB—T50101—2001)。
6、《建筑结构设计术语和符号标准》(GB/T50083—97)。
二、现场实际情况1.原设计型钢结构梁较重,如不拆除车间槽型屋面板,无法吊装,考虑施工周期长而影响生产。
因此经研究决定采用轻钢结构三角屋架。
2.原设计独立基础分别在厂房南北墙内,由于车间正在生产,如果拆墙体无法保证防尘措施,所以改为牛腿柱施工补加H型钢柱。
3.由于原厂房屋面为混凝土槽型屋面板,保温层、找平层等桓荷载大于40T此屋架无法承受,所以改为压型钢板屋面。
4.处于安全性能考虑研究决定、在距此屋架东600mm处增设一榀与此屋架相同的三角形屋架,(下弦中间起拱大于70㎜)使两榀屋架焊为一体形成一梯形屋架。
在架体下两端分别设置300×250H型钢柱做为架体支座。
盘锦晨宇建安有限公司2015年5月14日计算书1、设计资料屋架跨度14.7m,屋架间距6m,屋面坡度1/6,屋面材料为C形钢檩条,檩条斜距为1477m,上下两层压型钢板中间为100厚玻璃丝棉。
基本风压为0.35kN/m2,雪荷载为0.20kN/m2。
钢材采用Q235-B,焊条采用E43型。
(所有构件均刷薄型防火涂料)2、荷载(对水平投影面)176.4(1)恒载标准值压型钢板0.2 kN/m2/0.949=0.21kN/m2玻璃丝棉 0.18kN/m2/0.949=0.19kN/m2檩条、屋架及支撑 0.20kN/m2合计0.6kN/m2(2)活荷载活荷载与雪荷载中取大值0.30kN/m2因屋架受荷水平投影面积超过60m2,故屋面均布活荷载可取为(水平投影面)0.30kN/m2。
-、设计资料1、某工厂车间,采用梯形钢屋架无檩屋盖方案,厂房跨度取27m,长度为102m,柱距6m。
采用1.5m×6m预应力钢筋混凝土大型屋面板,保温层、找平层及防水层自重标准值为1.3kN/m2。
屋面活荷载标准值为0.5kN/m2,雪荷载标准值0.5kN/m2,积灰荷载标准值为0.6kN/m2,轴线处屋架端高为1.90m,屋面坡度为i=1/12,屋架铰接支承在钢筋混凝土柱上,上柱截面400mm×400mm,混凝土标号为C25。
钢材采用Q235B级,焊条采用E43型。
2、屋架计算跨度:Lo=27m-2×0.15m=26.7m3、跨中及端部高度:端部高度:h′=1900mm(端部轴线处),h=1915mm(端部计算处)。
屋架中间高度h=3025mm。
二、结构形式与布置屋架形式及几何尺寸如图一所示:2、荷载组合设计桁架时,应考虑以下三种组合:①全跨永久荷载+全跨可变荷载(按永久荷载为主控制的组合) :全跨节点荷载设计值:F=(1.35×3.12+1.4×0.7×0.5+1.4×0.9×0.6) ×1.5×6=49.122kN图三桁架计算简图本设计采用程序计算结构在单位节点力作用下各杆件的内力系数,见表一。
1、上弦杆:整个上弦杆采用相等截面,按最大设计内力IJ 、JK 计算,根据表得:N= -1139.63KN ,屋架平面内计算长度为节间轴线长度,即:ox l =1355mm,本屋架为无檩体系,认为大型屋面板只起刚性系杆作用,不起支撑作用,根据支撑布置和内力变化情况,取屋架平面外计算长度oy l 为支撑点间的距离,即:oy l =3ox l =4065mm 。
根据屋架平面外上弦杆的计算长度,上弦截面宜选用两个不等肢角钢,且短肢相并,如图四所示:图四 上弦杆腹杆最大内力N=-574.7KN ,查表可知,中间节点板厚度取12mm ,支座节点板厚度取14mm 。
设λ=60,根据《规范》由双边角钢组成的T 行和十字形截面均属于b 类,查Q235钢轴心受力稳定系数表,ϕ=0.807,则需要截面积:233.6568215807.01063.1139mm f N A =⨯⨯==ϕ 需要回转半径cm cml i ox x 26.2605.135===λ,cm l i oy y 78.6605.406===λ 根据A 、x i 、y i 查角钢规格表,初选用2∟180×110×12,肢背间距a=12mm ,该截面特性如下:A=67.422cm , x i =3.10cm ,y i =8.75cm 。
1512/180/1==t b 按所选角钢进行验算:71.4310.3135.5ox ===x x i l λ<[λ]=150∵1512/180/1==t b >65.12180/406556.0/56.01=⨯=b l oy∴ )1807.521240651(121807.3)7.521(7.342241221⨯⨯+⨯⨯=+=b t l t b oy yz λ =57.89< []150λ=截面在x 和y 平面皆属b 类,由于 λλ>yz x ,只需求出y ϕ,查轴心受压杆稳定系数表得y ϕ=0.819,则有: 45.2066740819.01139630=⨯==A N y ϕσ<2215N mm 所需截面合适。
2 、下弦杆:整个下弦杆采用同一截面,按最大设计值计算,根据表得杆de 内力最大N=1100.50KN 。
计算长度又有:ox l =2700mm,y o l =26700/2=13350mm 。
需要截面面积2219.51m m 60.51182151100500N A cm f ====,选用 2∟160⨯100⨯12,采用短肢相并,如图五所示:图五 下弦杆该截面特性如下:A= 6011 2mm >5118.602mm , x i =28.2mm ,y i =78.2mm 。
长细比计算:[]35038.10682.2300i l ox =<===λλx x []35072.17082.71335i l oy=<===λλy ya a MP 215MP 08.183 60111100500A N <===σ满足要求。
3、端斜杆aB :已知杆件轴力N =-574.70kN ,oy ox l l ==2390mm 。
因为oy ox l l =,故采用不等肢角钢,长肢相并,使x i ≈y i ,选用角钢2 ∟ 125⨯80⨯10 ,如图六所示:图六 端斜杆 则其截面特性如下:A =39422mm ,x i =39.8mm ,y i =33.9mm对该截面验算如下:05.6039.82390i l ox ===x x λ,50.709.332390i l oy ===y y λ 又因为:34.1480/239048.0810/80/2=⨯<==t b所以:取[]15033.791023909009.1150.7009.1122422042=<=⎪⎪⎭⎫ ⎝⎛⨯⨯+⨯=⎪⎪⎭⎫ ⎝⎛+=λλλt l b y y yz 因为:yz x λλ> ,只需求y ϕ,查轴心受压杆稳定系数表得yz ϕ=0.692,于是有:68.2103942692.01070.5743=⨯⨯==A N y ϕσN/2mm <=f 215 N/2mm 所需截面合适。
4、腹杆eg-gK :此杆在g 节点处不断开,采用通长杆件。
最大拉力: kN N 84.140gK =,kN N eg 52.100=;最大压力: kN N 41.34gK =,kN N eg 96.37=;再分式桁架中的斜腹杆,在桁架平面内的计算长度取节间中心间距: ox l =2027mm 在桁架平面外的计算长度: mm N N l l oy 3960)96.3741.3425.075.0(4055)25.075.0(121=⨯+⨯=+= 选用 2 ∟100⨯10,如图七所示。
图七 腹杆eg-gK查角钢规格表得:A=38522mm , x i =30.5mm ,y i =46.0mm 。
对此截面验算如下:[]15046.665.302027=<===λλx x o x i l ,[]150 09.860.463960i oy l=<===λλyy 又因为:97.22100/396058.0/58.01010/100/=⨯=<==b l t b oy所以取:[]15070.88103960100475.0109.86475.01224224=<=⎪⎪⎭⎫⎝⎛⨯⨯+⨯=⎪⎪⎭⎫ ⎝⎛+=λλλt l b oy y yz 因为:yz x λλ> 只需求ϕyz ,查表得yz ϕ=0.630,于是有:压应力:a a MP 215MP 156 3852630.0379600A N y <=⨯==ϕσ,满足要求。
拉应力:MPa MPa A N 21556.363852140840<===σ,满足要求。
5.竖杆Ie :该杆件N =-82.85KN , l l x 8.00==0.8 ⨯2801=2241mm ,mm l l oy 2801== 由于杆件内力较小,按λ=[λ ]=150选择,需要的回转半径为:mm l i ox x 9.141502241][===λ,mm l i oy y 67.181502801][===λ , 查型钢表,选用2 L 63×8,如图八所示:图八 中竖杆其截面特性为: A=19022mm , x i =19.0mm , y i =31.0mm对此截面验算如下:[]1502.15119.42241i l ox =<===λλx x , []150 92.14.302801i l oy =<===λλy y因为:b/t=63/8=7.875<0.58oy l /b=0.58⨯2801/63=25.787 所以:9475.01224=⎪⎪⎭⎫⎝⎛+=λλt l b oy y yz 因为x yzλλ> ,只需求x ϕ,查表得x ϕ=0.463,于是有:a a MP 215MP 1.94 9021634.082850A N x <=⨯==ϕσ 其余各杆件截面选择过程不一一列出,计算结果见表二:架杆件截面选择表 表二、节点设计用E43焊条时,角焊缝的抗拉、抗压和抗剪强度设计值 160=wf f 2N/mm 。
1、下弦节点“b ”:设“Bb ”杆的肢背和肢尖焊缝f h =8mm 和6mm ,各杆件内力由表1查得 , 则所需的焊缝长度为:肢背:mm h f h N K l f w f f W 92.1938216087.021048.4557.027.02311=⨯+⨯⨯⨯⨯⨯=+⨯=',取w l '=210mm ; 肢尖:mm h f h N K l fw f f W 67.1136216067.021048.4553.027.02322=⨯+⨯⨯⨯⨯⨯=+⨯=",取`w l ''=130mm ; 设“Db ”杆的肢背与肢尖焊缝分别为8mm 和6mm ,则所需的焊缝长度为: 肢背:mm h f h N K l f w f f W 51.1668216087.021031.3857.027.02311=⨯+⨯⨯⨯⨯⨯=+⨯=',取w l =180mm ; 肢尖:mm h f h N K l f wf f W 01.986216067.021031.3853.027.02322=⨯+⨯⨯⨯⨯⨯=+⨯=",取`w l =110mm ; 竖杆“Cb ”,因其内力很小,焊缝尺寸可按构造缝确定,取焊脚尺寸f h =5mm 。
根据上面求得的焊缝长度,并考虑杆件之间应有的间隙及制作和装配等误差,按比例绘出接点详图,从而确定节点板尺寸为390mm ×500mm 。
下弦杆与节点板连接的焊缝长度为500mm ,f h =6mm 。
焊缝所受的力在左右两下弦杆的内力差△N=748.57-306.59=441.98KN ,受力较大的肢背处的焊缝应力为:()2231160/57.996250057.021098.4417.07.02mm mm N l h N K w f f <=⨯-⨯⨯⨯⨯⨯=⨯∆=τ焊缝强度满足要求。
节点板尺寸:根据以上求得的焊缝长度,并考虑杆件之间应有的间隙和制作装配等误差,按比列作出构造详图,从而定出节点尺寸。