钢结构课程设计 普通钢屋架设计(18m梯形屋架)
- 格式:doc
- 大小:1.22 MB
- 文档页数:22
1 设计资料梯形屋架,建筑跨度为18m,端部高度为1.99m,跨中高度为2.89m,屋架坡度i=1/10,屋架间距为6m,屋架两端支撑在钢筋混凝土柱上,上柱截面400mm×400mm,混凝土采用C。
屋架上、下弦布置有水平支撑和竖向支撑(如20图1-1所示)。
屋面采用 1.5×6m预应力钢筋混凝土大型屋面板,120mm厚珍珠岩(3r )的保温层,三毡四油铺绿豆沙防水层,20mm厚水泥砂浆找平kg350m/层,屋面雪荷载为2kN,钢材采用3号钢。
.0m30/2 荷载计算2.1 永久荷载预应力钢筋混凝土大型屋面板: 2/68.14.12.1m kN =⨯ 三毡四油防水层及及找平层(20mm ): 2/912.076.02.1m kN =⨯ 120mm 厚泡沫混凝土保温层: 2/504.042.02.1m kN =⨯ 屋架自重和支撑自重按经验公式(跨度l=18m )2/32181.12.11.12.1m kg l P w ≈⨯+=+= 2/384.032.02.1m kN =⨯2.2 可变荷载屋面雪荷载: 2/77.055.04.1m kN =⨯2.3 荷载组合永久荷载可变荷载为主要荷载组合,屋架上弦节点荷载为:[]kN F 25.3865.177.0)384.0504.0912.068.1(=⨯⨯++++=3 内力计算桁架杆件的内力,在单位力作用下用图解法(图2-1)求得表3-1。
表3-14 截面选择4.1 上弦杆截面选择上弦杆采用相同截面,以最大轴力G-⑨杆来选择:kN N 266.348max -= 在屋架平面内的计算长度cm l ox 8.150=,屋架平面外的计算长度cm l oy 5.301=。
选用两个不等肢角钢6801002⨯⨯L ,长肢水平。
截面几何特性(长肢水平双角钢组成T 形截面,节点板根据腹杆最大内力选用板厚8mm ):2274.21cm A = cm i cm i y x 61.4,40.2==1508.6240.28.150<===x ox x i l λ 7922.0=x ϕ 1504.6561.48.150<===yoy y i l λ 778.0=y ϕ 截面验算:22min /215/4.2104.2127778.0348266mm N f mm N AN=<=⨯=ϕ大型屋面板与上弦焊牢,起纵横向水平支撑作用,上弦杆其他节间的长细比和稳定验算均未超过上述值。
钢结构课程设计任务书一、题目某厂房总长度90m,跨度为18m,屋盖体系为无檩屋盖。
纵向柱距6m。
1.结构形式:钢筋混凝土柱,梯形钢屋架.柱的混凝土强度等级为C30,屋面坡度i=L/10;L为屋架跨度。
地区计算温度高于—200C,无侵蚀性介质,屋架下弦标高为18m。
2.屋架形式及荷载:屋架形式、几何尺寸及内力系数(节点荷载P=1.0作用下杆件的内力)如附图所示.屋架采用的钢材、焊条为:Q345钢,焊条为E50型。
3。
屋盖结构及荷载(1)无檩体系:采用1.5×6。
0m预应力混凝土屋板(考虑屋面板起系杆作用)荷载:①屋架及支撑自重:按经验公式q=0.12+0.011L,L为屋架跨度,以m为单位,q为屋架及支撑自重,以kN/m2为单位;②屋面活荷载:施工活荷载标准值为0.7kN/m2,雪荷载的基本雪压标准值为S0=0.35kN/m2,施工活荷载与雪荷载不同时考虑,而是取两者的较大值;积灰荷载为0。
7kN/m2③屋面各构造层的荷载标准值:三毡四油(上铺绿豆砂)防水层0.45kN/m2水泥砂浆找平层0.7kN/m2保温层0.4 kN/m2(按附表取)预应力混凝土屋面板1。
45kN/m2附图(a) 18米跨屋架(b)18米跨屋架全跨单位荷载几何尺寸作用下各杆件的内力值(c) 18米跨屋架半跨单位荷载作用下各杆件的内力值二、设计内容1。
屋架形式、尺寸、材料选择及支撑布置根据车间长度、屋架跨度和荷载情况,设置上、下弦横向水平支撑、垂直支撑和系杆,见下图。
因连接孔和连接零件上有区别,图中给出W1、W2和W3 三种编号(a)上弦横向水平支撑布置图(b)屋架、下弦水平支撑布置图1-1、2—2剖面图2。
荷载计算三毡四油防水层0.45 kN/m2水泥砂浆找平层0.7kN/m2保温层0。
4kN/m2预应力混凝土屋面板1。
45kN/m2屋架及支撑自重0.12+0.011L=0.318kN/m2恒荷载总和3。
318kN/m2活荷载0.7kN/m2积灰荷载0。
2016届钢结构课程设计钢屋架设计书姓名:学号:学院:水建院专业:土木工程指导教师:**总分:塔里木大学教务处制目录一、设计资料 (1)二、屋架尺寸及结构形式与选型 (2)三、荷载计算 (3)1.永久荷载 (3)2.可变荷载 (3)3.内力计算 (4)3.荷载组合 (6)四、节点荷载 (6)五、杆件设计 (6)1.上弦杆 (8)2.下弦杆 (9)3.斜腹杆 (9)六、节点设计 (13)1.屋脊节点G (13)2.下弦节点C (14)3.上弦节点B (15)4.支座节点A (16)5.参考资料 (18)6.致谢 (19)附录:钢屋架施工图梯形钢屋架课程设计计算书一、设计资料1、 屋面坡度:1:102、 屋车间柱网布置:长度90m ;柱距6m ;跨度18m3、 面材料:预应力大型屋面板4、 荷载1)永久荷载:屋面SBC 防水层 0.4KN/m ² 水泥砂浆找平层 0.4KN/m ² 保温层 0.45KN/m ² 一毡二油隔气层 0.05KN/m ²水泥砂浆找平层 0.3KN/m ² 预应力大型屋面板1.45KN/m ² 屋架及支撑自重 0.318KN/m ² 2) 可变荷载:积灰荷载标准值 1.3KN/m2屋面活荷载标准值 0.7KN/m ²3)材 质:Q235钢,焊条E43型,手工焊 5、基本要求1)据给定要求设计单跨厂房钢屋盖。
设计时间规定为一周,设计内容包括支撑布 置、屋架设计就。
要有完整的设计计算书一份(A4纸打印)、和屋架施工图一张(A0图纸打印)。
2) 单跨厂房钢屋盖具体设计内容要求屋架形式:梯形屋架,屋架跨18m,屋架间距6m,厂房长度90m. 3) 其他资料屋架支撑于钢筋混凝土柱上,钢筋混凝土强度等级为C30。
梯形屋架采用1.5×6m地区计算温度高于-200C ,无侵蚀性介质,地震设防烈度为8度,屋架下弦标高为18m ;厂房内桥式吊车为2台150/30t (中级工作制)。
梯形钢屋架课程设计设计任务书一、设计题目设计某单层工业建筑的钢屋架(采用无檩屋盖体系的梯形钢屋架)二、设计目的梯形钢屋架课程设计是《钢结构设计》课程的又一重要教学环节之一。
通过本课程设计:l. 使学生了解钢屋架设计的一般程序和内容;2. 掌握钢屋架荷载的计算;3. 掌握杆件内力的计算和组合,杆件的计算长度,截面型式,截面选择及构造要求,填板的设置及节点板的厚度;4. 掌握普通钢屋架节点设计的原则和要求,主要节点的设计及计算和构造;5. 掌握钢屋架施工图的内容和绘制。
三、设计资料某单层工业厂房,采用钢筋砼柱,梯形钢屋架。
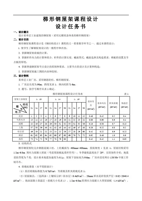
1. 厂房总长度为90m,跨度见表1,纵向柱距为6m。
2. 题号:按学号顺序从表1确定。
梯形钢屋架课程设计任务表表13. 结构形式梯形钢屋架铰支在钢筋混凝土柱,上柱截面为400mm×400mm;屋面坡度i见表1;屋面结构采用1.5m×6.0m预应力混凝土屋面(考虑屋面板起系杆作用);冬季最低温度高于-20°,无侵蚀性介质;地震设防烈度为7度,设计基本地震加速度为0.1g。
屋架下弦标高为9.6m;厂房内设有两台150/30t中级工作制吊车。
4. 荷载标准值(水平投影面计)(1)屋活荷载标准值为0.7kN/m2,雪荷载及积灰荷载见表1;(2)屋面做法:三毡四油(上铺绿豆砂)防水层(0.4kN/m2),20mm厚水泥砂浆找平层(0.02×20=0.4 kN/m2),泡沫混凝土保温层(荷载大小见表1),1.5m×6.0m的预应力混凝土大型屋面板(1.4 kN/m2),屋架及支撑自重(按经验公式q=0.12+0.11L计算),悬挂管道荷载(0.15 kN/m2)。
5. 材料(1)柱的混凝土强度等级:C30;(2)梯形钢屋架的钢材:Q235B级钢,焊条采用E43型。
四、参考文献【1】《钢结构设计规范》(GB50017—2003),中国计划出版社,2003。
评阅成绩徐州工程学院学生课程设计题目:钢结构屋架课程设计学生姓名:学号:所在院系:土木工程学院专业:房屋建筑工程班级:指导教师:年月日土木工程学院结构教研室附件一一、题目某厂房总长度90m,跨度L=18 m(按选题表取),屋盖体系为无檩体系,纵向柱距6m。
1、结构形式:钢筋混凝土柱,梯形钢屋架。
柱的混凝土强度等级为C25,屋面坡度i=1/10;地区计算温度高于-200C,无侵蚀性介质,不考虑地震设防,屋架下弦标高为18m。
2、屋架形式及荷载:屋架形式、几何尺寸及内力系数(节点荷载P=1.0作用下杆件的内力)需要自己设计和计算,参考尺寸如附图所示。
屋架采用的钢材、焊条用Q235钢,焊条为E43型。
3、屋盖结构及荷载无檩体系:采用1.5×6.0m预应力混凝土屋板(考虑屋面板起系杆作用)荷载:①屋架及支撑自重:按经验公式q=0.12+0.011L,L为屋架跨度,以m为单位,q为屋架及支撑自重,以kN/m2为单位;②屋面活荷载:施工活荷载标准值为0.8kN/m2,雪荷载的基本雪压标准值为S0=0.5kN/m2,施工活荷载与雪荷载不同时考虑,而是取两者的较大值;积灰荷载0.6 kN/m2。
③屋面各构造层的荷载标准值:三毡四油(上铺绿豆砂)防水层0.4kN/m2水泥砂浆找平层0.4kN/m2保温层0.7 kN/m2一毡二油隔气层0.05kN/m2水泥砂浆找平层0.3kN/m2预应力混凝土屋面板 1.45kN/m2(在自己所选题号上涂黑!)跨中高度按坡度及跨度计算确定。
三、参考几何尺寸及内力值18米跨51507梯形钢屋架计算书部分学生姓名学院名称土木工程学院专业名称房屋建筑工程指导教师2012年12月28日目录1 设计资料和屋架尺寸--------------------------------------------------------6 1.1 设计资料--------------------------------------------------------------62 荷载计算和内力计算-------------------------------------------------------62.1 荷载计算-------------------------------------------------------------62.2 荷载组合-------------------------------------------------------------73 内力计算------------------------------------------------------------------8 3.1 内力计算-------------------------------------------------------------8 4杆件设计------------------------------------------------------------------94.1上弦杆---------------------------------------------------------------9 4.2下弦杆---------------------------------------------------------------10 4.3斜腹杆---------------------------------------------------------------10 4.4竖杆-----------------------------------------------------------------11 5节点设计------------------------------------------------------------------125.1下弦节点-------------------------------------------------------------13 5.2上弦节点-------------------------------------------------------------13 5.3屋脊节点G------------------------------------------------------------14 5.4支座节点-------------------------------------------------------------15 5.4.1支座底板的计算---------------------------------------------------15 5.4.2加劲肋与节点板的连接焊缝计---------------------------------------16 5.4.3节点板、加劲肋与底板的连接焊缝计算-------------------------------17参考文献-----------------------------------------------------------------181 设计资料和屋架尺寸1.1 设计资料某厂房总长度90m,跨度L=18m,屋盖体系为无檩体系,纵向柱距6m。
钢结构课程设计学生姓名:学号:所在学院:机电工程学院专业班级:指导教师:2013年7月《钢结构设计》课程设计任务书1。
课程设计题目普通钢屋架设计2. 课程设计的目的和要求课程设计的目的是加深学生对钢结构课程理论基础的认识和理解,并学习运用这些理论知识来指导具体的工程实践,通过综合运用本课程所学知识完成普通钢屋架这一完整结构的设计计算和施工图的绘制等工作,帮助学生熟悉设计的基本步骤,掌握主要设计过程的设计内容和计算方法,培养学生一定的看图能力和工程图纸绘制的基本技能,提高学生分析和解决工程实际问题的能力.3. 课程设计内容和基本参数(各人所取参数应有不同)(1)结构参数:屋架跨度18m,屋架间距6m, 屋面坡度1/10(2)屋面荷载标准值(kN/m2)(3)荷载组合1)全跨永久荷载+全跨可变荷载2)全跨永久荷载+半跨可变荷载(4)材料钢材Q235B。
F,焊条E43型。
屋面材料采用1.5m×6.0m太空轻质大型屋面板。
4。
设计参考资料(包括课程设计指导书、设计手册、应用软件等)(1)曹平周,钢结构,科学文献出版社。
(2)陈绍蕃,钢结构(下)房屋建筑钢结构设计,中国建筑工业出版社。
5. 课程设计任务完成普通钢屋架的设计计算及施工图纸绘制,提交完整规范的设计技术文档。
5。
1设计说明书(或报告)(1)课程设计计算说明书记录了全部的设计计算过程,应完整、清楚、正确。
(2)课程设计计算说明书应包括屋架结构的腹杆布置,屋架的内力计算,杆件的设计计算、节点的设计计算等内容.5。
2技术附件(图纸、源程序、测量记录、硬件制作)(1)施工图纸应包括杆件的布置图、节点构造图,材料明细表等内容。
(2)图面布置要求合理,线条清楚,表达正确。
5。
3图样、字数要求(1)课程设计计算说明书应装订成一册,包括封面、目录、课程设计计算说明书正文、参考文献等部分内容。
(2)课程设计计算说明书可以采用手写。
(3)施工图纸要求采用AutoCAD绘制或者手工绘制。
. . .. ..一、设计资料:1.结构形式: 某厂房总长度90m,跨度为18m.,纵向柱距6m,采用梯形钢屋架,无檩屋盖体系,采用1.5×6.0m预应力混凝土屋面板,屋架铰支于钢筋混凝土柱上,上柱截面400x400,柱的混凝土强度等级为C30,屋面坡度i=1/10。
地区计算温度高于-200C,无侵蚀性介质,地震设防烈度为8度,屋架下弦标高为18m;厂房内桥式吊车为2台150/30t(中级工作制),锻锤为2台5t。
2. 屋架形式及荷载:屋架形式、几何尺寸及内力系数(节点荷载P=1.0作用下杆件的内力)如附图所示。
屋架采用的钢材为:Q235钢;焊条为:E43型。
3.荷载标准值(水平投影面计)荷载:①屋架及支撑自重:按经验公式q=0.12+0.011L,L为屋架跨度,以m为单位,q为屋架及支撑自重,以KN/m2为单位;②可变荷载:活荷载标准值为0.7KN/m2,雪荷载的基本雪压标准值为S=0.35KN/m2,0活荷载与雪荷载不同时考虑,而是取两者的较大值。
积灰荷载标准值: 0.7KN/m2③屋面各构造层的荷载标准值:三毡四油(上铺绿豆砂)防水层 0.4KN/m2水泥砂浆找平层 0.4KN/m2保温层: 0.4KN/m2一毡二油隔气层 0.05KN/m2水泥砂浆找平层 0.3KN/m2预应力混凝土屋面板 1.45KN/m2二、结构形式与布置图:屋架支撑布置图如下图所示。
符号说明:WGJ-钢屋架;SC-上弦支撑;XC-下弦支撑;CC-垂直支撑;GG-刚性系杆;LG-柔性系杆Aa+3.4700.000-6.221-8.993-9.102-9.102-6.502-3.382-0.690-0.462+4.739+1.884-0.462-1.0-1.0+0.812-0.5+7.962+9.279+9.279cegBC DE FG 0.5 1.0 1.0 1.0 1.01.01.a.18米跨屋架(几何尺寸)b.18米跨屋架全跨单位荷载作用下各杆件的内力值c . 18米跨屋架半跨单位荷载作用下各杆件的内力值三、荷载与内力计算:1、荷载计算荷载与雪荷载不会同时出现,故取两者较大的活荷载计算。
钢结构课程设计任务书课程设计题目:梯形钢屋架班级:设计期限:2012年12月31日~2013年1月7日指导教师:一、课程设计的意义与目的钢结构课程设计是建筑工程专业教学计划中一个重要的实践教学环节,对培养学生的基本技能、提高学生对实际结构工作情况的认识和巩固所学的理论知识有重要作用。
课程设计应达到如下目的:了解钢屋盖设计的一般程序和内容,为毕业后从事实际设计工作奠定基础:巩固钢结构课程中所学内容(例如材料性能及材料的选择,连接设计及计算,基本构件的设计计算等),并应用于课程设计中:掌握钢屋架施工图的表达方法和制图规定:学习书写结构计算书学习运用规范及有关技术资料。
二、设计资料机械厂欲建一金工车间,其平面及柱网布置如图所示,厂房的跨度分别取l8m、21m、24m,长度为54m,柱距6m。
车间内设有两台20/5吨中级工作制吊车。
采用1.5×6m预应力钢筋混凝土大型屋面板和卷材屋面。
梯形屋架,屋架端高分别为1.8m、1.9m、2.0m,屋面坡度为i=1/10,屋架支撑在钢筋混凝土柱上,上柱截面400×400mm,混凝土标号为C25;计算温度最低-20℃.L分别为18m、21m、24m。
柱网布置图1. 屋面做法:W1:二毡三油上铺小石子防水层(0.35 kN/m2)20厚水泥砂浆找平层(0.4 kN/m2)80厚泡沫混凝土保温层(0.5 kN/m2)1.5m×6m钢筋混凝土大型屋面板(1.4 kN/m2)钢屋架及支撑自重:0.12+0.011L (kN/m2)基本雪压0.25kN/m2,屋面活荷载0.30kN/m2,不考虑风荷载,积灰荷载和地震荷载。
W2:二毡三油上铺小石子防水层(0.35 kN/m2)20厚水泥砂浆找平层(0.4 kN/m2)80厚泡沫混凝土保温层(0.5 kN/m2)1.5m×6m钢肋GRC大型屋面板(0.55kN/m2)钢屋架及支撑自重:0.12+0.011L (kN/m2)基本雪压0.40kN/m2,屋面活荷载0.70kN/m2,不考虑风荷载,积灰荷载和地震荷载。
钢结构课程设计目录1. 设计资料 (1)2. 屋架形式,尺寸,材料选择 (1)3.荷载和内力计算 (1)3.1 荷载计算 (1)3.2 荷载组合 (1)3.3.内力计算 (2)4. 杆件截面选择 (2)4.1 上弦 (2)4.2 下弦 (3)4.4 斜腹杆D-c (4)5 节点设计 (6)5.1 下弦节点b,如图5 (6)5.2 上弦节点B,如图6 (7)5.3 屋脊节点 (8)5.4 下弦拼接节点d (9)5.5 支座节点,如图8 (10)6 主要参考资料 (12)1. 设计资料某车间跨度18m ,长度96m ,柱距6m ,采用梯形钢屋架,屋面材料为压型钢板复合板,檩条间距1.5m ,屋面坡度i 1/10=,屋面永久荷载标准值为0.4 kN/m 2屋面活荷载标准值为0.5 kN/m 2,当地雪荷载0.3 kN/m 2,积灰荷载(锰铬铁车间)0.75 kN/m 2,基本风压0.50 kN/m 2,屋架简支于钢筋混凝土柱上,上柱截面400mm ×400mm ,混凝土标号为C30。
2. 屋架形式,尺寸,材料选择屋架的计算跨度0L =18000-2×150=17700mm,端部高度0h 1990mm =,中部高度H=2890mm ,屋架形式如图1所示。
根据建造地区的计算温度和荷载性质,刚材采用Q235B 。
焊条采用E43型,手工焊。
` 图1屋架尺寸及内力 3.荷载和内力计算 3.1 荷载计算屋面永久荷载标准值 0.4 kN/m 2 屋架及支撑自重 0.12+0.011L=0.12+0.011×18=0.318 kN/m 2 恒荷载总和 0.718 kN/m 2 屋面活荷载标准值(不与雪荷载同时考虑) 0.50 kN/m 2 雪荷载 0.30kN/m 2 积灰荷载 0.75 kN/m 23.2 荷载组合节点荷载设计值按可变荷载效应控制的组合F d =(1.2×0.718+1.4×0.5+1.4×0.9×0.75)×1.5×6=22.56kN其中,永久荷载荷载分项系数Q γ 1.2=;屋面活荷载或雪荷载荷载分项系数Q1γ 1.4=;组合值系数,雪荷载1ψ0.7=;积灰荷载Q2γ 1.4=,1ψ0.9=。
一、设计资料:1.某单层单跨工业厂房,跨度18m,长度102 m。
2.厂房柱距6 m,钢筋混凝土柱,混凝土强度等级C20,上柱截面尺寸400⨯400,钢屋架支承在柱顶。
3.吊车一台150 T,一台30 T,吊车平台标高+12.000 m。
4.荷载标准值(1)永久荷载:屋面材料自重: 0.6 kN/m2屋架及支撑自重:按经验公式L.0+= kN/m2 计算:0.318.0q01112kN/m2(2)可变荷载:屋面活荷载标准值: 0.5 kN/m2雪荷载标准值: 0.5 kN/m2积灰荷载标准值: 0.4 kN/m2β=, 基本风压:3.0 kN/m2(3)风荷载: B类地区, 1.0z钢材采用Q235-B。
焊条采E43型,手工焊。
桁架计算跨度:lo=18-2⨯0.15=17.7m1.选用屋架的杆件布置和几何尺寸如图-115图-1桁架支撑布置如图2所示:三.荷载计算由于i=1/10,则:α=5.71°,cosα=0.995。
计算竖向节点荷载时,按水平投影面计算。
节点荷载即为1.5m*6m内的荷载。
1)永久荷载计算:预应力钢筋混凝土大型屋面板: 1.4/0.995=1.407 kN/m2屋面材料自重: 0.6/0.995=0.603 kN/m2屋架自重: 0.318/0.995=0.320 kN/m2永久荷载标准值 q k=2.33 kN/m22)可变荷载计算:屋面活载标准值 0.5 kN/m2雪荷载标准值(屋面水平投影)s k=μr∙s0=1×0.5= 0.5kN/m2积灰荷载标准值 0.4 kN/m23)风荷载标准值(垂直于受风表面)ωk=βzμsμzω0 (kN/m2))0.32=1.099;屋面倾今:风振系数βz=1.0;风压高度变化系数μz B=1.0(z10角α=21.8°可得迎风面屋面体型系数μs=-0.97,背风面μs=-0.5风荷载标准值为迎风面ωk=1.0×(−0.97)×1.099×3=-3.2 kN/m2背风面ωk=1.0×(−0.5)×1.099×3=-1.65 kN/m2由于风荷载标准值比较大,桁架应考虑以下四种组合情况:a.全跨永久荷载+全跨可变荷载全跨节点荷载设计值:F=(1.2×2.33+1.4×0.5+1.4×0.4)×1.5×6=36.504 kNb.全跨永久荷载+半跨可变荷载全跨结点永久荷载设计值:F1=1.2×2.33×1.5×6=25.164 kN半跨结点可变荷载设计值:F2=1.4×0.9×1.5×6=11.34 kNc.全跨桁架包括支撑+半跨屋面板自重+半跨屋面活荷载全跨节点桁架自重设计值:F3=1.2×0.320×1.5×6=3.45 kN半跨节点屋面板自重及活荷载设计值:F4=(1.2×1.407+1.4×0.9)×1.5×6=26.54 kNd. 全跨永久荷载+半跨风荷载全跨结点永久荷载设计值F5=1.0×2.33×1.5×6=20.97 kN半跨结点风荷载设计值F6=1.4×(−3.2)×1.5×6=-40.32 kNa,b为使用阶段荷载情况,c为施工阶段荷载情况。
土木工程学院钢结构基本原理课程设计计算书学院:专业班级:姓名:学号:指导老师:设计题目:焊接梯形钢屋架设计第一节 设计资料1.某单层单跨工业厂房,跨度L1=18m,长度102 m 。
2.厂房柱距6 m ,钢筋混凝土柱,混凝土强度等级C20,上柱截面尺寸400⨯400,钢屋架支承在柱顶。
3.吊车一台150 T ,一台30 T ,吊车平台标高+12.000 m 。
4.荷载标准值 (1)永久荷载:屋面材料自重: A4=0.8kN/m 2屋架及支撑自重: 按经验公式 L q 011.012.0+= kN/m 2q=0.318kN/m 2(2)可变荷载:屋面活荷载标准值: 0.5 kN/m 2 雪荷载标准值: B4=0.55kN/m 2 积灰荷载标准值: C4=0.40kN/m 2 (3)风荷载: B 类地区,1.0z β=, 基本风压:0.4 kN/m 2风荷载标准值:20z s k /24.04.00.10.16.0-m kN -=⨯⨯⨯==ωμβμω5.屋架计算跨度,几何尺寸及屋面坡度见图1。
(1)屋架计算跨度:l 0=18-2×0.15=17.7m(2)屋面坡度 1:10(3)跨中及端部高度:端部高度H 0=1990mm ;屋架的中间高度H=2890mm1图1 18米跨屋架几何尺寸6角钢、钢板各种规格齐全(均采用Q345钢);有各种类型焊条和C级螺栓可供选用。
7钢屋架的制造、运输荷安装条件:在金属结构厂制造,运往工地安装,最大运输长度16 m,运输高度3.85 m,工地有足够的起重安装条件。
第二节设计计算一屋架支撑系统的设置屋架的支撑系统包含四类:横向支撑、纵向支撑、垂直支撑和系杆。
在本设计中,屋架支撑系统设计如下:1.1厂房柱距6m,屋架间距取为6米。
1.2在房屋两端第一个柱间各设置一道上弦平面横向支撑和下弦平面横向支撑房屋长度较大,为102m,其两端横向支撑间距超过了60m,为增加屋盖的刚性,在长度方向正中间的柱间加设一道横向支撑。
1设计资料梯形屋架,建筑跨度为18m,端部高度为1.99m,跨中高度为2.89m,屋架坡度i=1/10,屋架间距为6m,屋架两端支撑在钢筋混凝土柱上,上柱截面400mm×400mm,混凝土采用C。
屋架上、下弦布置有水平支撑和竖向支撑(如20图1-1所示)。
屋面采用 1.5×6m预应力钢筋混凝土大型屋面板,120mm厚珍珠岩(3r )的保温层,三毡四油铺绿豆沙防水层,20mm厚水泥砂浆找平kg350m/层,屋面雪荷载为2kN,钢材采用3号钢。
.0m30/2荷载计算2.1 永久荷载预应力钢筋混凝土大型屋面板: 2/68.14.12.1m kN =⨯ 三毡四油防水层及及找平层(20mm ): 2/912.076.02.1m kN =⨯ 120mm 厚泡沫混凝土保温层: 2/504.042.02.1m kN =⨯ 屋架自重和支撑自重按经验公式(跨度l=18m )2/32181.12.11.12.1m kg l P w ≈⨯+=+= 2/384.032.02.1m kN =⨯2.2 可变荷载屋面雪荷载: 2/77.055.04.1m kN =⨯2.3 荷载组合永久荷载可变荷载为主要荷载组合,屋架上弦节点荷载为:[]kN F 25.3865.177.0)384.0504.0912.068.1(=⨯⨯++++=3 内力计算桁架杆件的内力,在单位力作用下用图解法(图2-1)求得表3-1。
表3-14 截面选择4.1 上弦杆截面选择上弦杆采用相同截面,以最大轴力G-⑨杆来选择:kN N 266.348max -= 在屋架平面内的计算长度cm l ox 8.150=,屋架平面外的计算长度cm l oy 5.301=。
选用两个不等肢角钢6801002⨯⨯L ,长肢水平。
截面几何特性(长肢水平双角钢组成T 形截面,节点板根据腹杆最大内力选用板厚8mm ):2274.21cm A = cm i cm i y x 61.4,40.2==1508.6240.28.150<===x ox x i l λ 7922.0=x ϕ 1504.6561.48.150<===yoy y i l λ 778.0=y ϕ 截面验算:22min /215/4.2104.2127778.0348266mm N f mm N AN=<=⨯=ϕ大型屋面板与上弦焊牢,起纵横向水平支撑作用,上弦杆其他节间的长细比和稳定验算均未超过上述值。
钢结构课程设计学生姓名:学号:所在学院:机电工程学院专业班级:指导教师:2013年7月《钢结构设计》课程设计任务书1. 课程设计题目普通钢屋架设计2. 课程设计的目的和要求课程设计的目的是加深学生对钢结构课程理论基础的认识和理解,并学习运用这些理论知识来指导具体的工程实践,通过综合运用本课程所学知识完成普通钢屋架这一完整结构的设计计算和施工图的绘制等工作,帮助学生熟悉设计的基本步骤,掌握主要设计过程的设计内容和计算方法,培养学生一定的看图能力和工程图纸绘制的基本技能,提高学生分析和解决工程实际问题的能力。
3. 课程设计内容和基本参数(各人所取参数应有不同)(1)结构参数:屋架跨度18m,屋架间距6m, 屋面坡度1/10(2)屋面荷载标准值(kN/m2)(3)荷载组合1)全跨永久荷载+全跨可变荷载2)全跨永久荷载+半跨可变荷载(4)材料钢材Q235B.F,焊条E43型。
屋面材料采用1.5m×6.0m太空轻质大型屋面板。
4. 设计参考资料(包括课程设计指导书、设计手册、应用软件等)(1)曹平周,钢结构,科学文献出版社。
(2)陈绍蕃,钢结构(下)房屋建筑钢结构设计,中国建筑工业出版社。
5. 课程设计任务完成普通钢屋架的设计计算及施工图纸绘制,提交完整规范的设计技术文档。
5.1设计说明书(或报告)(1)课程设计计算说明书记录了全部的设计计算过程,应完整、清楚、正确。
(2)课程设计计算说明书应包括屋架结构的腹杆布置,屋架的内力计算,杆件的设计计算、节点的设计计算等内容。
5.2技术附件(图纸、源程序、测量记录、硬件制作)(1)施工图纸应包括杆件的布置图、节点构造图,材料明细表等内容。
(2)图面布置要求合理,线条清楚,表达正确。
5.3图样、字数要求(1)课程设计计算说明书应装订成一册,包括封面、目录、课程设计计算说明书正文、参考文献等部分内容。
(2)课程设计计算说明书可以采用手写。
(3)施工图纸要求采用AutoCAD绘制或者手工绘制。
6. 工作进度计划(19周~20周)目录1、设计资料 (1)2、屋架形式、几何尺寸及支撑布置 (1)3、荷载和内力计算 (1)3.1荷载计算 (1)3.2荷载组合 (2)3.3内力计算 (2)4、杆件截面计算 (3)4.1上弦 (4)4.2下弦 (5)4.3腹杆A-a与I-e (6)4.4腹杆B-a与H-e (6)4.5腹杆B-b与H-d (6)4.6腹杆C-b与G-d (7)4.7腹杆D-b与F-d (7)4.8腹杆D-c (8)4.9腹杆F-c (8)4.10腹杆E-c (9)5、节点设计 (9)5.1下弦节点b (10)5.2上弦节点B (11)5.3上弦节点C (12)5.4上弦节点D (13)5.5下弦节点c (13)5.6上弦节点E (14)5.7上弦节点A (15)5.8支座设计 (16)6、主要参考资料 (18)1. 设计资料(1)结构参数:屋架跨度18m ,屋架间距6m, 屋面坡度1/10(2)屋面荷载标准值(kN/m 2)可变荷载:0.4KN/m 2 永久荷载:0.82 KN/m 2 (3)荷载组合:1)全跨永久荷载+全跨可变荷载2)全跨永久荷载+半跨可变荷载(4)材料:钢材Q235B.F ,焊条E43型屋面材料采用1.5m ×6.0m 太空轻质大型屋面板2. 屋架形式、几何尺寸及支撑布置梯形屋架上弦较平坦,适合于采用压型钢板和大型钢筋混凝土面板,薄坡度一般在1/12~1/8之间,依据题意要求选择了梯形屋架,其中屋架的跨度L 为18m ,又因为L H )6/1~10/1(≈,L H )10/1~16/1(0≈,取m H 4.2=,m H 5.10=。
其余杆件尺寸如下图所示:图1屋架结构图图2屋架尺寸及内力图3.荷载和内力计算 3.1 荷载计算可变荷载:0.4kN/m 2 永久荷载:0.82 KN/m 2恒载计算:恒载设计值按分项系数1.2为984.02.182.01=⨯=q KN/m 2,节点载荷284.1325.2611=⋅⨯=q p KN活载计算:分项系数1.4,活载70.04.15.02=⨯=q KN/m 2,56.725.2622=⋅⨯=q p KN3.2 荷载组合(1)全跨永久荷载+全跨可变荷载 (2)全跨永久荷载+半跨可变荷载3.3.内力计算组合分为全跨活载荷和半跨活载荷两种情形,求这两种情形的内力系数的单位荷载见图3与图4,其中“恒+全”一栏所列数值表示恒载与全跨活载的组合值,而“恒+半”一栏所列数值表示恒载与半跨活载的组合值。
图3计算内力系数的全跨荷载图4计算内力系数的半跨荷载表1屋架内力组合表4. 杆件截面选择腹杆最大内力161.7286KN(压)由屋架节点板厚度参考表可知支座支节点板厚度取8mm。
杆件截面选择见下表2表2 屋架杆件截面选择表4.1 上弦整个上弦不改变截面,按最大内力计算。
最大内力为-157.1KN ,mm l ox 2261=,则平面外计算长度:mm N N l l oy 14.443510.15703.145215.075.0452225.0075.121=⎪⎭⎫ ⎝⎛⨯+=⎪⎪⎭⎫ ⎝⎛+= 96.12261/4435014/==ox oy l l若获得平面yz x λλ=,则应有86.1/>x y l l ,选用两不等肢角钢短肢相并比较适当。
假定没有相似资料参照,故先设λ以帮助选择截面。
设70=λ,属于轴心压杆b 类,有书上附录查得751.0=ϕ。
取强度设计值f =215 KN/m 2,根据所设的λ,截面应该有223173.9)10215751.0/(101.157/cm f N A =⨯⨯⨯==ϕy y ox x i cm i l i ,23.370/1.226/===应大于cm l oy 34.670/5.443/==λ,节点板厚度mm 8=δ,有型钢表查得8801252⨯⨯L (取a=8mm ),并由短肢相并构成压杆,查得A=2×16=322cm ,cm i cm i y x 0.6,28.2==,用实际截面验算。
1502.99/9.736/5.443/<==<===x ox x y oy y i l i l λλ(容许长细比) 对此短肢相并的不等边双角钢截面,9.195.12/5.44356.01612.5/0.8t /b 1=⨯<==,可取9.73z ==x y λλ,()2.99max x y z ==λλλ,x ,查得560.0=ϕ,22231/215/7.871032560.0101.157mm N f mm N A N =<=⨯⨯⨯=ϕ 所选截面合适。
4.2 下弦整个下弦杆采用同一截面,按最大内力计算。
最大内力为161.7KN ,cm l l ox oy 450==223152.7)10215/(107.161/cm f N A =⨯⨯==选用5452⨯L (a 取8mm ),A=2×4.29=8.582cm ,cm i cm i y x 18.2,37.1== 强度和刚度验算:2223/215/5.1881058.8107.161mm N f mm N A N n Ab =<=⨯⨯==σ 容许的长细比验算:3505.32837.1/450/<===x ox x i l λ 3504.20618.2/450/<===y oy y i l λ所选截面符合要求。
4.3 腹杆A-a 与I-e最大内力为-10.42KN ,cm l l ox oy 150==223484.0)10215/(1042.10/cm f N A =⨯⨯==选用4452⨯L (a 取8mm ),A=2×3.49=6.982cm ,cm i cm i y x 16.2,38.1== 容许的长细比验算:1507.10838.1/150/<===x ox x i l λ 1504.6916.2/150/<===y oy y i l λ强度和刚度验算:根据7.108=λ查得501.0=ϕ2223/215/7.291098.6501.0104.10mm N f mm N A N=<=⨯⨯⨯==ϕσ 所选截面符合要求。
4.4 腹杆B-a 与H-e最大内力为-119.9KN ,cm l l ox oy 8.271==22358.5)10215/(109.119/cm f N A =⨯⨯==选用6702⨯L (a 取8mm ),A=2×8.16=16.322cm ,cm i cm i y x 19.3,15.2== 容许的长细比验算:1504.12615.2/8.271/<===x ox x i l λ 1502.8519.3/8.271/<===y oy y i l λ强度和刚度验算:根据4.126=λ查得404.0=ϕ2223/215/8.1811032.16404.0109.119mm N f mm N A N=<=⨯⨯⨯==ϕσ 所选截面符合要求。
4.5 腹杆B-b 与H-d最大内力为61.9KN ,cm l l ox oy 5.283==22328.2)10215/(109.61/cm f N A =⨯⨯==选用4452⨯L (a 取8mm ),A=2×3.49=6.982cm ,cm i cm i y x 16.2,38.1== 容许的长细比验算:3504.20538.1/5.283/<===x ox x i l λ 3503.13116.2/5.283/<===y oy y i l λ强度和刚度验算:2223/215/7.881098.6109.61mm N f mm N A N=<=⨯⨯==σ 所选截面符合要求。
4.6 腹杆C-b 与G-d最大内力为-20.8KN ,cm l l ox oy 195==22396.0)10215/(108.20/cm f N A =⨯⨯==选用4452⨯L (a 取8mm ),A=2×3.49=6.982cm ,cm i cm i y x 16.2,38.1== 容许的长细比验算:1503.14138.1/195/<===x ox x i l λ 1503.9016.2/195/<===y oy y i l λ强度和刚度验算:根据3.141=λ查得340.0=ϕ2223/215/76.81098.6340.0108.20mm N f mm N A N=<=⨯⨯⨯==ϕσ 所选截面符合要求。
4.7 腹杆D-b 与F-d最大内力为-24.2KN ,cm l l ox oy 9.312==22312.1)10215/(102.24/cm f N A =⨯⨯==选用6702⨯L (a 取8mm ),A=2×8.16=16.322cm ,cm i cm i y x 19.3,15.2==容许的长细比验算:1505.14515.2/9.312/<===x ox x i l λ 1501.9819.3/9.312/<===y oy y i l λ强度和刚度验算:根据5.145=λ查得324.0=ϕ2223/215/7.451032.16324.0102.24mmN f mm N A N=<=⨯⨯⨯==ϕσ 所选截面符合要求。