人字形截水骨架护坡施工技术交底之欧阳家百创编
- 格式:doc
- 大小:172.50 KB
- 文档页数:3
成昆铁路峨眉至米易段14标项目经理部人字形截水骨架施工技术交底编制:复核:交底人:中铁北京工程局集团有限公司成昆铁路峨眉至米易段14标项目经理部一、适用范围本技术交底适用于DK463+249.16~DK463+411.43段路堤人字形截水骨架护坡防护施工。
二、铁路建设项目质量安全红线管理规定要求1、严禁路基填料不符合设计要求,2、建设项目不得存在偷工减料、以次充好现场,3、内业资料不能弄虚作假。
三、施工准备1、熟悉对应工点的区间路基设计图纸和路基工程设计与专用图纸。
2、原材准备验收,对进场的原材料,送实验室验收,验收符合设计规定后,方可使用。
3、骨架护坡施工前用全站仪对边坡坡脚位置、坡脚距中线的距离、边坡坡比进行复核,清理场地,做好排水工作和安全生产的准备工作。
四、工艺流程施工准备→测量放样及挂线放坡→坡面整修、验收→拱型截水骨架现场放样→自检、报监理工程师验收→挂线,基槽开挖→截水骨架砌筑、洒水养护→砌体勾缝(凹缝)、洒水养护→客土喷播植草、种植灌木五、施工方法5.1 测量放样按照设计要求将骨架位置准确测放在坡面上。
分别在边坡坡脚、坡顶部适当位置定出四个点作为方向控制线,同时也是里程控制桩。
先用钢卷尺丈量定出每段主骨架点位,然后拉线丈量出支骨架点位。
在施工过程中用水平线和斜线随时校正骨架位置,且模板工程应进行拉线安装和检查,保证坡率及平整度满足要求。
检查合格后才允许架子队附属班组开始挖槽。
5.2 基槽开挖本段人字形截水骨架主骨架净间距4m,厚60cm,宽度60cm,顶面侧沟两侧设置0.1m厚混凝土挡水缘;主骨架和支骨架成45°,按人字型铺设,支骨架净间距3m,厚60cm,宽度50cm。
基槽开挖采用人工开挖,石质地段使用风镐配合人工开挖。
开挖前采用挂线法在人字形骨架起止里程的坡脚坡顶位于同一个里程分别打入控制桩,按图纸中的设计标高先横向挂线,再竖向挂线,确保横、竖顺直。
5.3 浆砌片石砌筑5.3.1砌筑用砂浆的原料如:水、水泥、砂、外加剂等建筑材料,必须符合设计要求和施工规范的规定,有出厂合格证书和现场抽样试验报告。
技术交底工程名称南昆铁路南宁至百色段新建二线工程NBSG-5标段技术交底单位南白二线五标一分部交底项目YDK163+770~ +795左侧人字型截水骨架护坡施工作业交底日期2015年10月6日1 适用范围及条件YDK163+770~YDK163+795左侧人字型截水骨架内灌草护坡(4×3),主骨架净距4m,支骨架净距为3m,按“南百二线施路专-0-9-1”图施工。
人字型截水骨架护坡一般适用于土质和全风化的岩石边坡,其设计由主骨架与支骨架组成。
其设计由主骨架与支骨架组成,主骨架净距 4.0m,宽0.6m、厚0.6m;支骨架和主骨架成45度,支骨架呈人字型,净距为3.0m,宽0.5m、厚0.6m,顶面下侧设0.1m厚混凝土挡水缘;主、支骨架挡水缘尺寸为0.1m×0.1m。
人字型截水骨架在膨胀土(岩)地段设计采用C25混凝土,其余普通地段采用C25混凝土或M7.5浆砌片石砌筑,主骨架的断面形式为槽型,支骨架断面形式为“L”型,用以分流排除地表水。
2 材料要求人字型截水骨架护材料主要有C25成品混凝土、片石、砂浆,其原材料主要有片石、中粗砂、水泥、碎石等,各种原材料在使用前必须有产品合格证(水泥)并经工地试验室复检合格。
施工控制时主要考虑以下几个方面:①混凝土强度和性能必须满足设计要求;砌体采用的石料应质地坚硬,不易风化,无裂纹,强度符合要求。
石料表面泥污,水锈等应清除干净。
石料中部厚度不小于15cm,当用作镶面时,表面应平整、尺寸选取较大者,边缘厚度不小于15cm。
②砌筑使用的砂浆无论是现场搅拌或搅拌站集中拌制,在使用合格原材料的基础上严格按试验室出具的配合比拌制。
③护坡起始点处0.5m宽度内采用C25混凝土或M7.5浆砌片石现场注砌技术交底工程名称南昆铁路南宁至百色段新建二线工程NBSG-5标段技术交底单位南白二线五标一分部交底项目YDK163+770~ +795左侧人字型截水骨架护坡施工作业交底日期2015年10月6日镶边加固,材料及厚度同主骨架。
人字形截水骨架护坡施工技术交底
单位:中铁十六局一公司钦防铁路工程
主送单位工程名
抄送单位日期
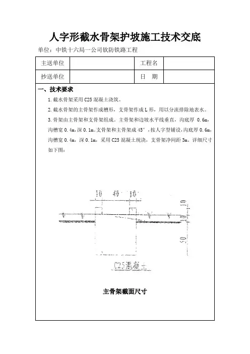
一、技术要求
1.截水骨架采用C25混凝土浇筑。
2.截水骨架的主骨架作成槽形,支骨架作成L形,用以分流排除地表水。
3.骨架由主骨架和支骨架组成。
主骨架和边坡水平线垂直,沟底厚0.6m,
沟槽宽0.4m,深0.1m。
支骨架和主骨架成45°,按人字型铺设,沟底厚0.6m,沟槽宽0.4m,深0.1m,采用C25混凝土现浇,支骨架净间距3m。
详细尺寸如下图:
主骨架截面尺寸
支骨架截面尺寸
4.护坡防护起迄点出各0.5m宽度内采用C25混凝土浇筑镶边,厚0.6m。
5.单级护坡最大高度>6m(多级护坡其总高度最大值>10m)且连续长度>50m,间距50~100米左右,沿主骨架坡面设C25混凝土踏步一处,以利养护作业,踏步宽0.6m。
剖面图如下:
二、技术要求:
1.施工前应清刷坡面浮土,填补坑凹,使坡面大致平整。
2.骨架护坡堑顶以及迄点与其他工程连接处应设镶边防护,路堑顶部镶边应嵌入坡面,且不得高出地面。
3.边坡平台截水沟应引入相邻排水设施,边坡骨架的排水槽与路堤坡脚排水沟之间应设置连接的排水槽,避免边坡集中水流冲刷坡脚。
交底人:接收人:。
技术交底书
人字形截水骨架施工技术交底
一、交底说明
1、截水骨架采用M7.5浆砌片石,嵌入坡面内0.5m,挡水缘采用C30砼现浇。
2、截水骨架的主骨架做成槽形,支骨架做成“∧”行,用以分流排除地表水。
3、骨架由支骨架和主骨架组成,主骨架和边坡或平台水平线垂直,主骨架净间距5m,宽0.6m、厚0.6m,支骨架净间距5m,宽0.5m、厚0.5m.顶面骨架两侧设置0.1m*0.1m 厚C30混凝土挡水缘,详见附图。
4、堑顶处设置混凝土镶边。
护坡防护起讫点处各0.5m宽度内采用镶边加固,厚0.6m。
5、骨架每间隔3道在支骨架拱顶处设置一道伸缩缝,缝宽2cm,缝内全断面采用沥青麻筋填充,伸缩缝均为贯通缝,严禁切割设置假缝,伸缩缝位置必须与排水槽错开布置,以确保与坡面整体和谐美观。
6、路堑堑顶镶边、平台处护坡基础及平台封闭连接详见附图。
7、主骨架排水槽必须延伸顺接至水沟,以便形成完整排水系统,排水槽两侧,底
部需用砂浆勾缝,以防雨水渗入边坡。
二、施工工艺流程图
三、施工步序与方法
(1)施工准备
各材料已经试验抽检合格;各施工机具已进场并满足施工生产要求;各作业人员
10
1
1040
10
1
5
60
坡面
主 骨 架
6
支骨架
主支骨架位置关系图
四、质量控制要点
骨架护坡各部允许偏差、检验数量及检验方法
编制:复核:审核:签收:日期:[文档可能无法思考全面,请浏览后下载,另外祝您生活愉快,工作顺利,万事如意!]。
人字型截水骨架护坡施工方案一、项目背景随着城市建设的不断发展,土地利用率的提高和自然环境保护的需求越来越突出。
护坡工程作为城市建设中不可或缺的重要环节,其施工方案的选择至关重要。
而人字型截水骨架护坡施工方案以其独特的形式和有效的功能备受青睐。
二、施工目标人字型截水骨架护坡施工旨在保护坡面,防止坡面受到雨水侵蚀,减少坡面土方的流失,达到美化环境、防止土地塌陷等效果。
三、施工流程1.方案设计:首先根据具体护坡需求确定护坡的高度、长度和坡度等参数,绘制施工方案图纸。
2.场地准备:清理施工现场,确保施工区域平整、无障碍物,为施工做好准备。
3.基础施工:开始进行基础的施工,包括基础的打桩、打地脚钉等工作,确保基础牢固。
4.立柱安装:安装人字型截水骨架的立柱,根据设计图纸的要求进行固定。
5.横梁安装:根据设计要求,安装横梁并与立柱连接,形成完整的人字型截水骨架结构。
6.填土覆盖:在人字型截水骨架内部填土,填土的选择需符合护坡的要求,确保填土均匀、牢固。
7.修整和美化:最后对施工完成的护坡进行修整,使其外观平整美观,并进行必要的绿化美化工作。
四、施工注意事项•施工过程中严格按照设计图纸要求进行,避免出现施工误差。
•确保施工现场安全,严格遵守施工现场管理规定,做好各种安全防护工作。
•施工完成后对护坡结构进行检测,确保护坡结构牢固稳定。
五、施工效果评估施工完成后,通过对护坡结构的稳定性、美观性和实用性等方面进行评估,对施工效果进行全面检查,确保护坡结构的正常使用和维护。
结语人字型截水骨架护坡施工方案是一项重要的城市建设工程,其施工过程需要严格按照设计要求进行,确保施工效果优良。
只有在做好施工方案设计、施工流程把控和施工效果评估等方面工作后,才能保证护坡工程的顺利完成和良好效果的实现。
技术交底书编号:工程名称C25混凝土人字形截水骨架护坡施工施工单位中铁十局云桂铁路五分部工程部位DK523+000~DK524+000.2 交底时间2012.12.10交底内容:DK523+000~DK524+000.2左侧长1000.2米;DK523+000~DK523+910右侧长910米,路堑边坡设置人字型截水骨架护坡。
采用C25混凝土浇筑,主骨架净距3米,支骨架净距3米。
一、作业准备(1)内业技术准备技术交底编制后,在开工前组织架子队技术人员认真学习,阅读、审核施工图纸,澄清有关技术问题,熟悉规范和技术标准。
(2)现场准备施工现场三通一平工作要完成,进入工作面等施工辅道已经修建完毕;混凝土拌合站砂、石原材料已经试验抽检合格;各施工机具已进场并满足施工生产要求;各作业人员已进场并进行技术交底培训;路堑边坡开挖完成后,人工清除表面浮土,填补坑凹,使坡面大致平整。
二、C25混凝土人字型截水骨架护坡施工工艺流程施工准备→测量放样→基槽开挖→基底检查→浇筑镶边、骨架→混凝土养护→伸缩缝设置→验收。
拱形骨架护坡施工工艺流程图施工准备坡面修整测量放样基槽开挖基底检查模板安装浇筑镶边及骨架混凝土养护伸缩缝设置验收三、C25混凝土人字型截水骨架护+坡施工过程1、施工准备a、原材料准备混凝土采用搅拌站集中拌合,截水骨架模板采用定型钢模或竹胶板。
b、施工现场准备施工现场做好临时防排水系统、安排好临时用电、配备混凝土施工、养生设备。
2、测量放样根据设计边坡与线路中心线的相对位置,由测量人员用全站仪放出边坡坡顶、坡脚线,边坡平台位置线,施工人员随后挂线进行边坡及平台的平整,清刷浮土、填补坑凹、并夯实坡面,坡面要平整、圆顺,然后根据设计形式、尺寸挂线放样(主骨架宽0.6m,人字骨架宽0.5m,净距3m,拱间净距3m,具体见附图)要求放出骨架起终点侧边,底部和顶部镶边线、主骨架及人字骨架线,并洒白灰线标示。
3、基槽开挖基槽采用人工开挖(主骨架宽0.6m,深0.5m,净距3m;人字拱骨架宽0.5m,深0.5m,拱间净距3m;骨架起终点侧边镶边宽0.5m,深0.5m),开挖时从上到下进行开挖,,并修筑方便施工人员上下的台阶。
一、交底目的为确保人字形护坡施工过程中的安全,提高施工人员的安全意识,降低事故发生的风险,特进行本次安全技术交底。
二、交底对象1. 施工单位全体施工人员2. 监理单位相关管理人员3. 项目部相关管理人员三、交底内容1. 施工人员安全意识教育(1)提高施工人员的安全意识,严格遵守国家安全生产法律法规和施工安全操作规程。
(2)加强施工现场安全教育,使施工人员充分认识到施工安全的重要性。
2. 施工现场安全措施(1)施工前,对施工现场进行全面检查,确保场地平整、排水畅通。
(2)施工过程中,严格执行“三同时”原则,即施工、安全、环保同时进行。
(3)施工现场应设置明显的警示标志,如:安全通道、危险区域、禁止通行等。
3. 人字形护坡施工安全措施(1)施工人员必须佩戴安全帽、安全带等个人防护用品。
(2)施工过程中,严禁酒后作业、疲劳作业、带病作业。
(3)施工人员应熟悉人字形护坡施工工艺,掌握施工流程。
(4)施工过程中,严禁擅自改变设计图纸和施工方案。
(5)施工过程中,应严格按照施工规范进行施工,确保施工质量。
4. 施工机械安全操作(1)施工机械操作人员必须持证上岗,熟悉机械性能和操作规程。
(2)施工机械应定期进行保养、检查,确保机械运行正常。
(3)施工机械操作过程中,严禁超负荷、超速、超范围使用。
(4)施工机械作业区域应设置安全警示标志,严禁无关人员进入。
5. 环境保护与职业健康(1)施工现场应设置污水处理设施,确保废水达标排放。
(2)施工现场应设置废弃物处理设施,确保废弃物分类存放、安全处置。
(3)施工过程中,应加强职业健康监测,确保施工人员身体健康。
四、交底要求1. 施工单位应将本次安全技术交底内容纳入施工组织设计,并做好记录。
2. 施工单位应将本次安全技术交底内容向施工人员进行详细讲解,确保施工人员充分了解。
3. 施工单位应定期对施工人员进行安全教育培训,提高施工人员的安全意识和技能。
4. 监理单位应加强对施工现场的安全监管,确保施工安全。
新建铁路林歹南至织金(新店)线XX林织铁路工程指挥部X项目部(技术交底)交底日期:2014年10月1日编号:单位工程名称路基岩溶整治分部工程名称区间路基工程部位ZDK57+380-+456里程段落路基岩溶整治交底名称ZDK57+380-+456里程段落路基岩溶整治施工技术交底交底内容摘要:岩溶钻孔、注浆交底内容附件:交底内容:ZDK57+380-+456里程段落路基岩溶整治施工技术交底附件:ZDK57+380-+456里程段落路基岩溶整治孔位平面布置图;ZDK57+380-+456里程段落路基岩溶整治孔位钻孔顺序图;注意事项:请严格按照技术交底施工。
本交底若有不明之处,请与技术负责人XX(电话:XX)联系。
编制复核审核交底对象管理人员班组负责人作业工人技术交底记录表编号:工程项目名称XX林织铁路X项目部标段/工程名称XXX路基人字形截水骨架护坡技术交底一、在进行人字形截水骨架灌草护坡施工前,须保证路基路堤、路堑边坡已修整完毕,符合设计要求及施工条件。
1、截水骨架采用M7.5水泥砂浆砌片石砌筑。
2、截水骨架的主骨架作成槽型,支骨架做成L形,可以分流排除地表水。
3、骨架由主骨架和支骨架组成,主骨架和边坡水平线垂直,沟底厚度0.6m,沟槽宽度0.4m,深0.1m,两侧沟帮后0.1m,主骨架净距6m,支骨架和主骨架成45°角,按人字形铺设,支骨架净距为4m。
4、堑顶处设臵浆砌片石镶边,骨架底部1m基础和护坡起止点处各0.5m 宽度内采用M7.5水泥砂浆砌片石加固,厚0.5m,边坡平台镶边下部设臵C25混凝土挡水缘。
5、单级护坡最大高度大于6m(多级护坡其总高度最大值>10m)且连续长度>50m,间距50-100m左右,沿坡面设浆砌片石踏步一处,以利养护作业,踏步宽0.6m,详见“踏步剖面图”。
二、灌木树种选择及栽植间距:1、骨架内采用液压喷播植草间植灌木护坡。
2、草种应选用适宜于当地气候条件且抗逆性强的混合材种,具体的草种配合比可视栽种季节,气候状况而定。
路堑边坡人字型截水骨架技术交底一、背景介绍公路建设中,路堑边坡的防护施工是非常重要的一部分。
而人字型截水骨架技术作为一种新兴的防护技术,拥有防护效果好、施工简单等优点,被越来越多的工程师和施工企业所采用。
二、技术原理人字型截水骨架技术是指在路堑边坡上设置一排人字型桩,并将钢筋网格与人字型桩和岩土体连接起来,形成一种可靠的防护结构。
具体原理如下:1.人字型桩起到支撑地面的作用,使地面不易下沉。
2.钢筋网格在水平和垂直方向上起到抗拉和抗挤压的作用。
3.桩与钢筋网格和岩土体之间的连接,将力均匀分布,保证防护结构的整体性。
三、施工流程人字型截水骨架技术的施工流程如下:1.设计方案:根据现场地质情况、路堑边坡高度、坡面倾角等进行设计,并绘制出施工草图。
2.前期准备:清理施工现场,将需要使用的材料和设备搬到现场。
3.建立桩基:在路堑边坡顶部和底部分别按照设计方案埋入人字型桩,形成桩基。
4.安装钢筋网格:将钢筋网格垂直铺设在桩基上,并根据设计方案进行连接。
5.混凝土浇筑:对钢筋网格进行灌注混凝土,形成整体的骨架结构。
6.后期处理:对施工现场的残留物进行清理,并在防护结构表面进行防腐处理和喷涂。
四、施工要点在人字型截水骨架技术的施工中,需要注意以下几个要点:1.桩基的埋设深度需要按照设计要求进行。
2.钢筋网格之间的距离需要合理设置。
3.混凝土的浇筑需要在规定的时间内完成,避免影响整体骨架结构的坚固性。
4.在施工过程中需要注意安全,避免事故的发生。
五、技术优势相对于传统的路堑边坡防护技术,人字型截水骨架技术具有以下优势:1.防护效果好:采用人字型桩与钢筋网格相结合的方式,能够有效地防止路堑边坡的塌方和滑坡等自然灾害。
2.施工简单:相比传统的路堑边坡施工技术,人字型截水骨架技术的施工难度较低,能够大幅度缩短施工周期。
3.维护成本低:在防护结构表面进行防腐处理和喷涂后,防护结构的使用寿命能够大幅度提高,维护成本也相对较低。
护坡施工技术交底范文
内容:
各位同仁:
护坡工程是公路、铁路、水利等建设项目中的重要内容,直接关系到工程质量和安全。
为了确保护坡施工的质量,现就护坡施工的主要技术要点作以下交底:
一、护坡选材
护坡所用材料必须符合设计和规范要求,如护面块石应选用耐久性强、抗压强度高的石材,混凝土护面板的强度等级不应低于设计要求。
材料进入工地后应进行全面检测,不合格品应及时清理。
二、护坡基础处理
护坡基础应进行夯实或回填压实,表面应整平、无软弱部分。
基础如有湿软地段,必须完全挖除后回填护坡筑底层。
三、护坡面处理
护坡面在施工前应进行清理,去除突出物和杂质。
混凝土护面的基层应平整,保证上层块石或护板与基层间的良好结合。
四、护坡体施工
石质护坡应根据设计规范平整排列石块,并逐级回填夯实。
混凝土护面板的连接、水平度、线形应符合要求,板间接缝应灌浆封实。
五、护坡防渗处理
护坡后方应进行防渗处理,如布设隔水毯、石方格架等,防止水土流失。
六、护坡监测
护坡施工完成后,应建立监测档案,定期检查护坡结构完整性,发现问题及时维修。
请各位施工人员务必按上述要点执行,做到心中有数,确保护坡工程质量。
如有疑问,随时请教相关技术人员。
技术交底书新建云桂铁路(广西段)YGZQ-2项目部二、工程概况平果4号明洞便线BK96+600~BK97+507.22,长907.22m ,按速度目标值≤100km/h 国铁I 级铁路设计。
该便线为路基填方,边坡防护为人字形截水骨架内客土植草护坡。
三、骨架护坡施工技术要求⑴.截水骨架采用C25混凝土浇筑。
⑵.骨架由支骨架和主骨架组成,主骨架和边坡水平线垂直,主骨架间距6m ,厚0.6m ,宽0.6m ,顶面沟槽两侧设置0.1m 厚挡水缘。
支骨架和主骨架成45°,按人字型铺设,支骨架净间距为3m ,厚0.6m ,宽0.5m ,顶面沟槽下侧设0.1m 厚砼挡水缘。
⑶.骨架每间隔3道在支骨架拱顶处设置一道伸缩缝,缝宽2cm ,缝内圈断面采用沥青麻筋填充,伸缩缝均为贯通缝,严禁设置假缝,伸缩缝位置必须和排水槽错开布置⑷.路基顶面护肩设置挡水缘,设有多级护坡的需在半坡平台处设置截水沟宽40cm ,深40cm 的截水沟,截水沟和护坡坡脚基础形成整体。
主骨架排水槽必须顺延至水沟,行成完整的排水系统⑸.根据区间路基工点图所布里程设置混凝土踏步。
四、主要机具主要机械为:振捣棒2个、小推车2辆、定型模板3套。
五、工期安排本工程项目安排于2013年10月12日开工,2013年11月30日完工。
六、预制施工工艺流程及施工方法6.1、施工工艺流程(见下页工艺流程图) 6.2、施工方法施工顺序:开挖采用自上而下开挖,混凝土采用自下而上浇筑,先浇筑基础,然后主、支骨架,最后封边。
6.2.1边坡清理当边坡高度小于6m 时,边坡从上至下一次性清理到位,大于6m 根据设计图纸从上至下分级清理到位。
清理边坡采用人工作业,对坡面及边坡平台上松散堆积物和松动的岩块进行清理,保证坡面岩块凸凹差不大于10cm 。
骨架护坡施工工艺6.2.2开挖沟槽 1)测量放样根据设计要求,先放出加固范围,确定法线方向,测定坡率,然后分片分区段定点挂线,采用石灰撒放开挖线。
人字形截水骨架护坡施工技术交底
欧阳家百(2021.03.07)
单位:中铁十六局一公司钦防铁路工程
一、技术要求
1.截水骨架采用C25混凝土浇筑。
2.截水骨架的主骨架作成槽形,支骨架作成L形,用以分流排除地表水。
3.骨架由主骨架和支骨架组成。
主骨架和边坡水平线垂直,沟底厚0.6m,
沟槽宽0.4m,深0.1m。
支骨架和主骨架成45°,按人字型铺设,沟底厚
0.6m,沟槽宽0.4m,深0.1m,采用C25混凝土现浇,支骨架净间距3m。
详细尺寸如下图:
主骨架截面尺寸
支骨架截面尺寸
4.护坡防护起迄点出各0.5m宽度内采用C25混凝土浇筑镶边,厚0.6m。
5.单级护坡最大高度>6m(多级护坡其总高度最大值>10m)且连续长度>50m,间距50~100米左右,沿主骨架坡面设C25混凝土踏步一处,以利养护作业,踏步宽0.6m。
剖面图如下:
二、技术要求:
1.施工前应清刷坡面浮土,填补坑凹,使坡面大致平整。
2.骨架护坡堑顶以及迄点与其他工程连接处应设镶边防护,路堑顶部镶边应嵌入坡面,且不得高出地面。
3.边坡平台截水沟应引入相邻排水设施,边坡骨架的排水槽与。