风云全车电路图
- 格式:doc
- 大小:798.50 KB
- 文档页数:9
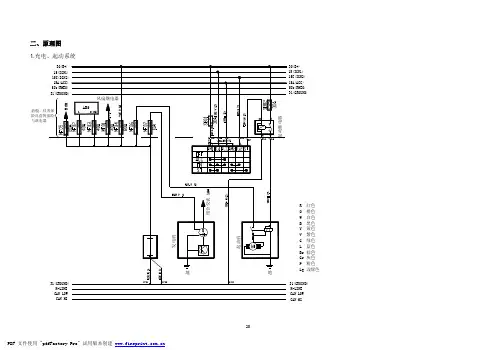
二、原理图1.充电、起动系统30(B+)15(IGN1)15C(IGN2)15A(ACC)58b(RHEO)31(GROUND) CAN HICAN LOWK-LINECAN HI31(GROUND)CAN LOWK-LINER 红色O 橙色W 白色B 黑色Y 黄色V 紫色G 绿色L 蓝色Br 棕色Gr 灰色P 粉色Lg 浅绿色前舱险丝盒的与继电器4.车身控制模块(大灯、雨刮、中控等)上30(B+)15(IGN1)15C(IGN2)15A(ACC)58b(RHEO)CAN HICAN LOW K-LINE 30(B+)15(IGN1)15C(IGN2)15A(ACC)58b(RHEO)31(GROUND)CAN HICAN LOW K-LINE5.车身控制模块(玻璃升降、喇叭、位置灯等)下、倒车雷达30(B+)15(IGN1)15C(IGN2)15A(ACC)58b(RHEO)31(GROUND)CAN HI31(GROUND)CAN LOW K-LINE30(B+)CAN HI31(GROUND)CAN LOW K-LINE R O W B Y V G L Br Gr P Lg6.组合仪表、左右辅助仪表30(B+)15(IGN1)15C(IGN2)15A(ACC)58b(RHEO)30(B+)15(IGN1)15C(IGN2)15A(ACC)58b(RHEO)31(GROUND)CAN HI31(GROUND)CAN LOW K-LINE CAN HI31(GROUND)CAN LOW K-LINE R O W B Y V G L Br Gr P Lg7.电动后视镜、倒车灯、制动灯CAN HICAN LOW K-LINE CAN HICAN LOW K-LINE8.天窗、音响CAN HICAN LOW K-LINE CAN HICAN LOW K-LINE12.空调系统(手动)、点烟器30(B+)CAN HI31(GROUND)CAN LOWK-LINE K-LINE。
二、原理图1.充电、起动系统30(B+)15(IGN1)15C(IGN2)15A(ACC)58b(RHEO)31(GROUND) CAN HICAN LOWK-LINECAN HI31(GROUND)CAN LOWK-LINER 红色O 橙色W 白色B 黑色Y 黄色V 紫色G 绿色L 蓝色Br 棕色Gr 灰色P 粉色Lg 浅绿色前舱险丝盒的与继电器2.发动机管理系统(联电)3.发动机管理系统(德尔福)30(B+)15(IGN1)15A(ACC)58b(RHEO)CAN HICAN LOW K-LINE R 红色O 橙色W 白色B 黑色Y 黄色V 紫色G 绿色L 蓝色Br 棕色Gr 灰色P 粉色Lg4.车身控制模块(大灯、雨刮、中控等)上30(B+)15(IGN1)15C(IGN2)15A(ACC)58b(RHEO)CAN HICAN LOW K-LINE 30(B+)15(IGN1)15C(IGN2)15A(ACC)58b(RHEO)31(GROUND)CAN HICAN LOW K-LINE5.车身控制模块(玻璃升降、喇叭、位置灯等)下、倒车雷达30(B+)15(IGN1)15C(IGN2)15A(ACC)58b(RHEO)31(GROUND)CAN HI31(GROUND)CAN LOW K-LINE30(B+)CAN HI31(GROUND)CAN LOW K-LINE R O W B Y V G L Br Gr P Lg6.组合仪表、左右辅助仪表30(B+)15(IGN1)15C(IGN2)15A(ACC)58b(RHEO)30(B+)15(IGN1)15C(IGN2)15A(ACC)58b(RHEO)31(GROUND)CAN HI31(GROUND)CAN LOW K-LINE CAN HI31(GROUND)CAN LOW K-LINE R O W B Y V G L Br Gr P Lg7.电动后视镜、倒车灯、制动灯CAN HICAN LOW K-LINE CAN HICAN LOW K-LINE8.天窗、音响CAN HICAN LOW K-LINE CAN HICAN LOW K-LINE9.ABS+4气囊30(B+)CAN HI CAN LOW K-LINE K-LINE10.ABS+双气囊30(B+)15A(ACC)58b(RHEO)30(B+)15(IGN1)15C(IGN2)15A(ACC)58b(RHEO)31(GROUND)CAN HI31(GROUND)K-LINE CAN HICAN LOW K-LINE 红色橙色白色黑色黄色紫色绿色蓝色棕色灰色粉色浅绿色30(B+)CAN HI31(GROUND)CAN LOWK-LINE K-LINE13.诊断接口30(B+)30(B+)。
全车电路图目录第一节继电器、保险丝位置分布图………………………………………第二节电路布置图…………………………………………………………第三节接线盒接头介绍……………………………………………………第四节电气接头零件号……………………………………………………第五节电气说明……………………………………………………………第六节检修电路图…………………………………………………………第一节继电器、保险丝位置分布图●继电器、保险丝位置分布图1(发动机室)●继电器、保险丝位置分布图2(F3/F3-R、驾驶室-仪表台、地板)①接线盒总成②闪光继电器③倒车雷达④A/C控制器⑤A/C控制模块⑥接插件固定支架Ⅰ(挂继电器)⑦发动机ECM ⑧车身防盗控制器⑨GPS主机及支架总成⑩安全气囊电子控制单元车速转换器●继电器、保险丝位置分布图 4(配电盒总成)接线盒总成背面(如右图) 序号 内容 序号内容1空位(保险丝) 131#点火电源保险丝(25A ) 2 车载 ECU 保险丝(10A ) 14 后雾灯保险丝(15A ) 3 仪表保险丝(10A ) 15 前雾灯保险丝(10A ) 4 电动座椅保险丝(25A ) 16 起动电源保险丝(7.5A ) 5 空位(保险丝) 17 空调保险丝(10A ) 6 空位(保险丝) 18 2#点火保险丝(20A ) 7车 载 诊 断 系统 保 险丝 (7.5A )19除霜补偿保险丝(10A )8 雨刮保险丝(20A ) 20 大灯控制系统保险丝(5A ) 9 小灯保险丝(15A ) 21 点烟器保险丝(15A ) 10 制动灯保险丝(15A ) 22 暖风熔断器(40A ) 11 车门保险丝(25A )23 后窗除霜熔断器(30A )12 2#门窗电源保险丝(30A ) 24 1#门窗电源熔断器(30A ) 配电盒总成(如右图) 序号 内容 序号内容1 A/C 电磁离合器继电器 20 左前远光保险丝(10A )2 前大灯继电器 21 右前远光保险丝(10A )3 备用保险丝(10A ) 22 右前近光保险丝(10A )4 备用保险丝(15A ) 23 左前近光保险丝(10A )5 备用保险丝(20A ) 24 空位(保险丝)6 备用保险丝(25A ) 25 空位(保险丝)7 3 号风扇继电器 26 前大灯熔断器(40A )8 空位(继电器) 27 空位(保险丝)9 电喇叭继电器 28 电喷保险丝(德尔福系统为 15A ,联电系统为 30A ) 10 2 号风扇继电器 29 室内灯保险丝(15A ) 11 空位(继电器) 30 IG2#电源保险丝(30A ) 12 1 号风扇继电器 31 空位(保险丝) 13 空位(保险丝) 32 电喇叭保险丝(10A ) 14 电子风扇保险丝(30A )33 警示灯保险丝(10A ) 15 空位(保险丝) 34 空位(保险丝) 16 ABS 保险丝(60A ) 35 AT 保险丝(25A) 17 备用保险丝(30A ) 36 主电源熔断器(100A )18 备用保险丝(7.5A ) 37 AT 继电器 19拔片器(保险丝)38电喷主继电器●继电器、保险丝位置分布图5(接线盒总成)●继电器、保险丝位置分布图6(接插件固定支架Ⅰ)①燃油泵继电器②门窗继电器③空位(继电器)④后除霜继电器⑤1#点火继电器⑥闪光继电器安装支架①前雾灯继电器②启动继电器③小灯继电器④暖风继电器(除霜除雾)电路图F3/F3R 轿车维修手册第二节电路布置图●电路布置图1——F3 全车电路布置图1(F3 全车)序号内容序号内容1 发动机线束9 左后门线束2 翼子板线束10 后风窗玻璃加热线束搭铁线3 仪表板线束11 后保险杠小线4 地板线束12 光照强度传感器小线5 顶棚线束13 日光照射传感器小线6 右前门线束14 空调小线7 左前门线束15 左后轮轮速传感器线束8 右后门线束16 右后轮轮速传感器线束电路图F3/F3R 轿车维修手册●电路布置图2——F3-R 全车:电路布置图2(F3-R 全车)序号内容序号内容1 发动机线束9 左后门线束2 翼子板线束10 玻璃小线3 仪表板线束11 后保险杠小线4 地板线束12 光照强度传感器小线5 顶棚线束13 后盖连接线束6 右前门线束14 后盖线束7 左前门线束15 左后轮轮速传感器线束8 右后门线束16 右后轮轮速传感器线束电路图F3/F3R 轿车维修手册●电路布置图3——发动机线束电路布置图3(德尔福系统)序号件号内容序号件号内容A2 0447104 接压缩机I7 15305086 接3 号喷嘴A3 12052643 接碳罐控制阀I8 15305086 接4 号喷嘴A8 12162833 接进气温度压力传感器I9 12162188 接怠速控制阀A11 3724321(φ8.5)接发电机 B 端K1 12052644 接爆震传感器A12 6195-0030 接发电机N1 PB625-02027 接倒车灯开关A13 PP2006901 接蓄电池电瓶端P2 DJ3011A-4-21 接动力转向开关C1 12059595 接凸轮轴位置传感器S2 DJ4341(φ8.5)接启动机端C3 12110293 接曲轴位置传感器S3 0338102 接启动机E2 282191-1 接冷却液温度传感器T1 12065287 接节气门位置传感器E3 0338102 接机油压力T2 DJ7031-3.5-21 接车速传感器E6 15357131 接电喷ECU BG1 DJ4355A-2SnDJ4355A-1Sn搭铁H6 1216-2144 接前氧传感器BL1 7283-1405-40 接仪表板线束I1 DJ7023-3.5-20 接1#点火线圈BL2 0446004 接仪表板线束I2 DJ7023-3.5-20 接2#点火线圈BL3 7283-1405-40 配电盒1# I5 15305086 接1 号喷嘴EA1 J0504701 配电盒3# I6 15305086 接2 号喷嘴EA2 J0504501 配电盒2#● 电路布置图 3-1——发动机线束(适用于AT 车型)电路图F3/F3R 轿车维修手册电路图F3/F3R 轿车维修手册● 电路布置图 4——翼子板线束电路图F3/F3R 轿车维修手册电路布置图4序号件号内容序号件号内容A1 7283-7028-30 接室外温度传感器H4 DJ7013-6.3-2195 接2#电喇叭A4 DJ7042Y-2.2-21 接空调压力开关H11 DJ7029D-2.8-21 接左前组合灯A5 54210064 接 ABS ECU H12 DJ7029Y-2.8-21 接左前组合灯A6 DJ7021-2.2-11 接左前轮轮速传感器H13 DJ7029D-2.8-21 接右前组合灯A7 DJ7021-2.2-11 接右前轮轮速传感器H14 DJ7029Y-2.8-21 接右前组合灯B2 M23374 接制动液位警告开关R1 DJ7021Y-4.8-11 接冷却风扇F1 DJ7023-2-21 总成接左前位置灯R2 DJ7021Y-4.8-21 接电子风扇调节电阻F2 DJ7023-2-21 总成接右前位置灯R3 DJ7021Y-4.8-21 接冷凝风扇F3 DJ7023-2-21 总成接左前雾灯W1 M23334 接洗涤液电机F4 DJ7023-2-21 总成接右前雾灯BG2 DJ4355A-2Sn 搭铁F5 DJ7021-2.2-21 接左前转向灯BG3 DJ4355A-1Sn 搭铁F6 DJ7021-2.2-21 接右前转向灯BG4 DJ4355A-2Sn 搭铁F7 0445205 接前雨刮器BG5 DJ4355A-1Sn 搭铁F12 DJ7024-3.5-20 接左侧转向灯BJ4 6520-0349 接地板线束F13 DJ7024-3.5-20 接右侧转向灯BK1 DJ7221-2/6.3-21 接仪表板线束H1 DJ7013-6.3-2195 接1#电喇叭2A DJ7021-9.5-21 接接线盒H2 DJ7013-6.3-2195 接1#电喇叭2C MG651080 接接线盒H3 DJ7013-6.3-2195 接2#电喇叭● 电路布置图 5——仪表板线束(适用于F3 经济、舒适型)● 电路布置图 6——仪表板线束(适用于F3-R 休闲型、活力型)电路图F3/F3R 轿车维修手册电路图F3/F3R 轿车维修手册电路图F3/F3R 轿车维修手册●电路布置图 7——仪表板线束(适用于F3 尊贵、旗舰型)● 电路布置图 8——仪表板线束(适用于F3-R 时尚型)电路图F3/F3R 轿车维修手册● 电路布置图 8-1 ——仪表板线束(适用于AT 型)● 电路布置图 9——地板线束(适用于F3-R)电路图F3/F3R 轿车维修手册电路布置图9序号件号内容序号件号内容A32 7282-7424 接左后轮轮速传感器R18 6189-0891 接左后雾灯A33 7282-7424 接右后轮轮速传感器R19 6189-0891 接右后雾灯B15 DJ7061-1.8-21 接左后组合灯R20 7282-1022 接左后扬声器B16 DJ7061-1.8-21 接右后组合灯R21 7282-1022 接右后扬声器C15 DJ7081-2.3-21 接CD 牒盒T15 0436001 接警报器D5 6520-0564 接左前门门灯开关U4 7283-8226-30 接倒车探头总成D7 6520-0564 接左后门门灯开关U6 7283-8226-30 接倒车探头总成D8 6520-0564 接右后门门灯开关BG6 DJ4355-1Sn 搭铁F11 0440601 接燃油箱BG7 DJ4355-2Sn 搭铁H10 7283-8123 接高位制动灯BG8 DJ4355-1Sn 搭铁L1 7283-8123 接左牌照灯BG9 DJ4355-2Sn 搭铁L2 7283-8123 接右牌照灯BA1 DJ7141-4.8/2.3-11 接左后门线束L3 7282-1010 行李舱灯开关BJ1 7282-1405-40 接仪表板线束L4 7283-8123 接后行李箱灯BJ2 7282-5831 接仪表板线束N3 DJ7022-6.3-21 接噪声滤波器BJ3 DJ7141-4.8/2.3-11 接仪表板线束R10 0338102 接后风窗加热丝BJ4 7282-1641 接翼子板线束R11 0338102 接后风窗加热丝2E MG651074 接接线盒● 电路布置图 10——地板线束(适用于F3-R)电路图F3/F3R 轿车维修手册电路布置图10(F3-R)序号件号内容序号件号内容A32 7282-7424接右后轮轮速传感器BA1 DJ7141-4.8/2.3-11 接左后门线束A33 7282-7424 接左后轮轮速传感器BJ2 7282-5831 接仪表板线束B15 DJ7062-2-21 接左后组合灯BJ3 DJ7141-4.8/2.3-11 接仪表板线束B16 DJ7062-2-21 接右后组合灯BJ4 7282-1641 接翼子板线束D5 6520-0564 接左前门门灯开关2E MG651074 接接线盒D7 6520-0564 接左后门门灯开关RB1 DJ7062-2.3-11 接后保险杠小线D8 6520-0564 接右后门门灯开关RC1 DJ7061-2.2-11 接后盖连接线束F11 PP0440601 接燃油箱RC2 DJ7041-6.3-11 接后盖连接线束L4 DJY7021-2-21 接后行李箱灯RC3 DJ7072-3-21 接后盖连接线束N3 DJ7022-6.3-21 接噪声滤波器T15 PP0436001 接警报器BG6 DJ4355-1Sn 搭铁BG7 DJ4355-2Sn 搭铁BG8 DJ4355-1Sn 搭铁BG9 DJ4355-2Sn 搭铁电路图F3/F3R 轿车维修手册● 电路布置图 11——顶棚线束电路布置图11序号件号内容序号件号内容D13 7183-7322-30 接二极管M2 6240-1120 接天窗电机E4 DJ7021A-2.8-21 接出租车帽M3 DJ7021A-2.8-21 接内后视镜I13 DJ7031J-2.3-21 接后室内灯BE1 DJ7021L-4.8-21 接仪表板线束M1 0442103 接前室内灯2D 6240-5160 接接线盒电路图F3/F3R 轿车维修手册● 电路布置图 12——右前门线束电路布置图12序号件号内容序号件号内容D9 DJ7021-2.2-21 接右前门门锁电机P10 DJ7061-2.3-2120 接右前门玻璃升降器电机D15 7283-8123 接右门内板灯R14 DJ7068-2.3-11 接右前门电动后视镜电机F10 0443401 接右前门低音扬声器T6 DJ7021-2.2-11 接右前门高音扬声器P5 1300-3111 接右前门玻璃升降器开关BD1 DJ7141-4.8/2.3-21 接仪表板线束● 电路布置图 13 ——左前门线束电路布置图13序号件号内容序号件号内容D10 7283-1968-30 接左前门门锁电机R13 DJ7068-2.3-11 接左前门电动后视镜电机D14 7283-8123 接左门内板灯T5 DJ7021-2.2-11 接左前门高音扬声器F9 0443401 接左前门低音扬声器BC1 DJ7241-4.8/2.3-21 接仪表板线束P8 7283-7475 接左前门电动升降器开关BC2 DJ7061-2.3-21 接仪表板线束P9 DJ7061-2.3-2120 接左前门玻璃升降器电机● 电路布置图 14——右后门线束电路布置图14序号件号内容序号件号内容D12 DJ7021-2.2-21 接右后门门锁电机P12 DJ7061-2.3-2120 接右后门玻璃升降器电机P7 1300-3111 接右后门玻璃升降器开关BB1 DJ7141-4.8/2.3-21 接接仪表板线束● 电路布置图 15——左后门线束电路图F3/F3R 轿车维修手册电路布置图15序号件号内容序号件号内容D11 DJ7021-2.2-21 接左后门门锁电机P11 DJ7061-2.3-2120 接左后门玻璃升降器电机P6 1300-3111 接左后门玻璃升降器开关BA1 DJ7141-4.8/2.3-21 接地板线束● 电路布置图 16——后盖线束电路图F3/F3R 轿车维修手册电路布置图16序号件号内容序号件号内容L1 7283-8123 接左牌照灯R18 MG610392 接后雾灯L2 7283-8123 接右牌照灯R19 MG610392 接倒车灯L3 DJ7013-6.3-2195 接后盖锁机构BG14 DJ413-3B 搭铁L5 DJ7042-6.3-21 接后盖锁电机RC4 DJ7072-3-21 接后盖连接线束R10 0333501 接玻璃小线RC5 DJ7061-2.2-11 接后盖连接线束R11 0333501 接玻璃小线RC6 DJ7041-6.3-11 接后盖连接线束第三节接线盒接头介绍2A 2B 2C2D 2E 2F2G 2H 2I●电气接头表12电路图F3/F3R 轿车维修手册第四节电气接头零件号电路图F3/F3R 轿车维修手册第五节电气说明●本系列包括F3 经济、舒适、尊贵、旗舰,F3-R 休闲、活力、时尚配置车型●本系列适用于DELPHI-MT20U、DELPHI-MT20U2 和联电M7 电喷系统电路图F3/F3R 轿车维修手册第六节检修电路图11 F01 电源启动、点火*1:经济型*2:舒适型、尊贵型、旗舰型2 2G1 AM1ACCIG15 AM2IG2 6 B/W R6 2H ST2 4I11 点火开关 B/RB J10 2G1 2F 19BK1 319BL1 T12启动 继电 器14 322 2A4 23 2FB50 B131#点 火器 2#点 火器 3#点 4#点 火器 火器2 2L/B1 W/G7 BL1 EA2 B *2 至防 盗ECU 〈F17〉至组合 仪表〈F24-1〉B RA*1 BG12/13至发动机ECMS2 A S3 B 启动机1. 1、电源、启动和点火(德尔福系统)I2 2#点火线圈B/OB/O20A 2#点火I11#点火线圈B/WB/W7.5A 启动电源W/BBB/WBB B/R30A 2#点火 开关电源WW25A I#点火 开关电源100A 主电源蓄电池1. 2 电源、启动和点火( 联电系统)1. 3 电源、启动和点火( AT 型)F01 自动档电源启动、点火1 AM1ACCIG12 2G5AM2I11点火开关 B/RIG2 6 ST2 4B/W R10 2G 6 2HB J11 2F2 2A19BK1 3 1T12启动 继电 器425BL1 3 2FB/W9BL1 B/W33B50B131BL17BL1至档位开关 F03-41B/G2 2 1 BBB/Y1#点 火器2#点 火器3#点 火器4#点 火器EA2 B至档位开关 F03-4至组合仪表F24CT40B至防盗ECU RAF17至发动机ECU F03-4S2 A S3 B 启动机至发动机ECMI22/3缸点火线圈B/O20A 2#点火I11/4缸点火线圈B/W7.5A 启动电源WBBB/R30A 2#点火 开关电源WW25A I#点火 开关电源100A 主电源蓄电池2. 1、电源、充电、后除霜2. 2电源、充电、后除霜(AT 型)10A 仪表发动机故障灯燃油泵F03-1电源发动机控制1 AM1AACCIG1 2 B J15 AM2IG26 ST2I11 点火开关B/W9 BL1B/O 3217 BL2H61#氧传感器λ19 B K12 2G5 BL322 2 2A31 2F8 2F1 BL3I5 1#喷 33油器I62#喷 油器 I7 3#喷 油器 I8 4#喷 油器 碳罐 B 吸附 控制 A4 3 1 211 1 1阀B63 B19B/WR/W R/W B/O R/YR/YR/BO Gr/YR/YP P/L Y2 2A电喷主62H 58 17 18 1315570567163E6 ECM-delphi(MT20U)61 662继电器47 38 64 73 3 G/RWBrW/BV/WB50 B13B16B18 B177 2H 9 2E 7 2F20 BL219 BL2 7 BL210 BL2 13 2F3T2 P/L WBrB 车速 EA2 14BK1 B J110 BL14 F11 M 燃油泵1A BC DλH711 2F W/B1#点火传感 器22 BL212V/WBBL3 4W/B8 BL1 2#氧传感器14 2F 12A3 BL1BG6/7BG1BBG12/13自组合仪表<F24>WBC7组合仪表B/R20A 2#点火B/OB/WB/O BR/WR/W15A 电喷B/RB/R7.5A 车载 诊断系统30A 2#点火 开关电源R/GW25A I#点火 开关电源100A 主电源蓄电池B。
三、奇瑞风云系列轿车整车电路系统电路分析(一)电路图中的符号和数字下面以“蓄电池、交流发电起动机”电路为例,说明其他符号和数字的含义,如图7—10所示。
1一继电器位置号:4表示继电器在中央电器盒的第4号位置。
2一中央电器盒上的继电器或控制器符号:图中的J59表示X一卸荷继电器。
3一中央电器盒上的插接件符号;图中3/30表示为多空插头的一个触点,其中:3为中央电器盒上4号继电器的3号触点;30为继电器/控制器上触点30。
4一电源线号:“30'’为常火线(电压为12V),即与蓄电池直接相连,中间不经过任何开关,不论是停车时还是发动机熄火时均有电。
专供发动机熄火时也需要用电的电器使用,例如,停车灯、制动灯、顶灯、及散热器风扇电动机等;“15”为小容量电器火线,只有在点火开关接通后方能有电;“X”为汽车起步时才接通的大容量电器火线,例如供启动机用;“31”为中央电器盒内的搭铁线。
5一中央电器盒。
6一中央电器盒上的连接件符号:指出一个带线束的多空或单空插头的位置。
例如:D/1表示多空插头D的1号触点。
7一导线截面积(mm2):例如0.5表示导线截面积为0.5mm2。
其中:G代表黄色、B代表白色、R代表红色、Z代表紫色、A代表蓝色、H代表灰色、V代表绿色、M代表棕色、N代表黑色。
8一导线连接端:方框内的数字99表明电路图中接续的导线是99。
9一插接件符号。
10一零件符号:图中D表示零件是点火开关。
11一接线柱符号:例如“15”,表示D(点火开关)的“15”接线柱。
可在零件上找到标记。
12—8、9、10……表示电器元件在电路图中的位置,便于用户根据此号迅速查找电器元件的位置。
13一搭铁点标记符号:可在说明书中查到搭铁点在车身上的位置。
(二)继电器、熔断器1.继电器奇瑞轿车继电器在中央电器盒内,如图7—11和表7—7所示。
1)空调继电器(外壳上的号码为13)空调继电器为双继电器,一路为启动空调鼓风机工作,一路为启动空调压缩机工作。
长丰猎豹飞腾汽车全车电路图手册(一)电路图 3-93-10 电路图多功能保险丝(在接线盒中)电源电路编号额定容量(A) 箱颜色负荷电路蓝色 ETACS-ECU,后雨刮器马达,远距控制镜 1 152 - - -ACC 3 - - -4 15 蓝色点烟器点火四轮驱动指示器装置,ABS-ECU,ABS-警开报灯继电器,A/T-ECU,鼓风机继电器,鼓关风机开关,组合仪,除雾器继电器,前-ECU,红色 IG2 5 10 手动A/C开关,G 传感器,车内/车外空气选择阻尼器控制马达,电磁阀A,电磁阀B,SRS-ECU和遮阳篷顶-ECU副铰窝继电器,A/T-ECU,组合仪,柱开关,红色 6 10 ETACS-ECU和后组合灯点火IG1 7 - - - 开关A/T-ECU,ETACS-ECU,速度传感器和8 10 红色SRS-ECU9 - - -蓝色 ETACS-ECU和诊断接头 10 1511 30 绿色除雾器,鼓风机开关和手动A/C开关电池除雾器,鼓风机开关和手动A/C开关和电阻12 30 绿色器13 10 红色14 15 蓝色 - 空闲保险丝黄色 15 2016 30 绿色电路图 3-113-12 电路图集中继电器连接器编号名称连接器编号名称 A-37X 前-ECU A-43X 发动机控制继电器A-38X 前-ECU A-44X 喷油器驱动器继电器 A-39X 喇叭继电器 A-45X 检查接头 A-40X 雾灯继电器 A-46X -A-41X 燃料泵继电器 A-47X A/C压缩机继电器 A-42X 风扇控制继电器(发动机室的继电器盒)电路图 3-13注3-14 电路图配电系统电路图 3-153-16 电路图配电系统(续)电路图 3-173-18 电路图配电系统(续)电路图 3-193-20 电路图起动系统电路图 3-21起动系统(查阅3-26页)修理故障线索操作<M/T>当点火开关转向ST位置时,起动器接触点1. 修理故障马达根本不运转 (电磁开关)转向ON,启动器马达开始运转。
奇瑞风云2维修手册(电器部份)安徽奇瑞汽车销售有限公司售后服务部目录第一章读图说明 (1)一、主要线束插接件定义 (1)二、车身搭铁点定义 (1)三、电路中主要符号说明 (4)四、电路图辅助说明 (4)五、保险丝定义 (5)六、仪表电器盒 (7)第二章原理图 (9)一、启动、充电系统 (9)二、发动机管理系统 (10)三、组合仪表、辅助仪表 (11)四、车身控制系统(BCM)上 (12)五、车身控制系统(BCM)下 (13)六、音响系统 (14)七、天窗、诊断接口 (15)八、电动后视镜 (16)九、安全气囊、防盗模块 (17)十、ABS系统 (18)第三章线束图 (19)一、前舱线束总成(A13-3724010F)及插件针脚说明 (19)二、发动机电喷线束总成(A13-3724180FA)及插件针脚说明 (24)三、仪表线束总成(A13-3724030FA)及插件针脚说明 (31)四、室内地板线束总成(A13-3724050FA)及插件针脚说明 (43)五、顶棚线束接(A13-3724370)及插件针脚说明 (53)六、右后门线束总成(A13-3724520)及插件针脚说明 (55)七、右前门线束总成(A13-3724080)及插件针脚说明 (57)八、后背门线束总成(A13-3724160)及插件针脚说明 (59)九、后背门转接线束总成(A13-3724163)及插件针脚说明 (60)十、后保险杠线束总成(A13-3724320)及插件针脚说明 (61)十一、左后门线束总成(A13-3724510)及插件针脚说明 (62)十二、左前门线束总成(A13-3724070)及插件针脚说明 (64)十三、洗涤罐转接线束总成(A13-3724015)及插件针脚说明 (67)十四、安全气囊线束总成(A13-3724310)及插件针脚说明 (68)十五、除霜正极线束总成(A13-3724164)及插件针脚说明 (70)十六、除霜负极线束总成(A13-3724165) (70)十七、电瓶正极线束总成(A13-3724110FA) (70)十八、电瓶负极线束总成(A13-3724040) (71)第一章读图说明一、主要线束插接件定义相关定义说明插接件针脚端:完整插接件一般有两端构成,我们这里将带针脚的一端定义为插接件针脚端。
二、原理图1.充电、起动系统30(B+)15(IGN1)15C(IGN2)15A(ACC)58b(RHEO)31(GROUND) CAN HICAN LOWK-LINECAN HI31(GROUND)CAN LOWK-LINER 红色O 橙色W 白色B 黑色Y 黄色V 紫色G 绿色L 蓝色Br 棕色Gr 灰色P 粉色Lg 浅绿色前舱险丝盒的与继电器3.发动机管理系统(德尔福)30(B+)15(IGN1)15A(ACC)58b(RHEO)CAN HICAN LOW K-LINE R 红色O 橙色W 白色B 黑色Y 黄色V 紫色G 绿色L 蓝色Br 棕色Gr 灰色P 粉色Lg4.车身控制模块(大灯、雨刮、中控等)上30(B+)15(IGN1)15C(IGN2)15A(ACC)58b(RHEO)CAN HICAN LOW K-LINE 30(B+)15(IGN1)15C(IGN2)15A(ACC)58b(RHEO)31(GROUND)CAN HICAN LOW K-LINE5.车身控制模块(玻璃升降、喇叭、位置灯等)下、倒车雷达30(B+)15(IGN1)15C(IGN2)15A(ACC)58b(RHEO)31(GROUND)CAN HI31(GROUND)CAN LOW K-LINE30(B+)CAN HI31(GROUND)CAN LOW K-LINE R O W B Y V G L Br Gr P Lg6.组合仪表、左右辅助仪表30(B+)15(IGN1)15C(IGN2)15A(ACC)58b(RHEO)30(B+)15(IGN1)15C(IGN2)15A(ACC)58b(RHEO)31(GROUND)CAN HI31(GROUND)CAN LOW K-LINE CAN HI31(GROUND)CAN LOW K-LINE R O W B Y V G L Br Gr P Lg7.电动后视镜、倒车灯、制动灯CAN HICAN LOW K-LINE CAN HICAN LOW K-LINE8.天窗、音响CAN HICAN LOW K-LINE CAN HICAN LOW K-LINE12.空调系统(手动)、点烟器30(B+)CAN HI31(GROUND)CAN LOWK-LINE K-LINE。
风云2 行车电控制策略详解全车电路控制详解后风窗后视镜除霜电源条件:ON1、点火开关打在 ON 有效,除霜按钮按下15 分钟后自动关闭。
2、如在 15 分钟内再次按下除霜按钮,则取消除霜。
3、发动机点火时除霜中断。
室内灯控制电源条件:301、前顶灯开关包括 ON/ OFF / DOOR 档,开关打在ON 档前顶灯亮,开关打在OFF 档前顶灯灭。
2、当开关打在DOOR 档且IGN=OFF,若司机门/副驾驶门/乘客门中任何一个门开则顶灯亮,门关闭后顶灯延时点亮15s 后经过3s 渐灭。
3、在顶灯延时和渐灭的过程中如果IGN=ON,则顶灯立即熄灭。
4、当开关打在DOOR 档且IGN=ON,若司机门/副驾驶门/乘客门/中任何一个门开则顶灯亮,门关闭后顶灯立即熄灭。
钥匙照明电源条件:301、当IGN=OFF,若司机门开则钥匙照明灯点亮,司机门关闭后,钥匙照明灯延时8s 熄灭。
2、在钥匙照明灯延时过程中如果IGN=ON 则钥匙照明灯立即熄灭。
3、当IGN=OFF,若司机门开则钥匙照明灯点亮,如果IGN=ON 则钥匙照明灯立即熄灭。
钥匙未拔报警电源条件:301、IGN=ON,司机门开无报警。
2、IGN=OFF,如果钥匙未拔且司机门开则仪表报警,此时将司机门关闭或者将钥匙拔出或者将点火钥匙打到ON 档可以停止报警。
小灯未关报警电源条件:301、钥匙未拔出,且在IGN=ON 挡,此时小灯打开,司机门打开无报警。
2、打开小灯后,钥匙拔出,若司机门开则仪表报警,此时将司机门关闭或者将小灯关闭或者将点火钥匙打到ON 档可以停止报警。
转向灯、危险灯控制电源条件:转向灯:ON;危险灯:301、点火开关为 ON 时激活转向信号输出,一个周期内360ms 亮, 360ms 灭。
2、当某一侧转向灯有灯泡损坏时,该侧转向灯工作时频率增加一倍,一个周期内190ms 亮,190ms 灭,当有一只或多只转向灯泡损坏时,危险灯闪烁的频率增加一倍,一个周期内190ms 亮,190ms 灭。
三、奇瑞风云系列轿车整车电路系统电路分析
(一)电路图中的符号和数字
下面以“蓄电池、交流发电起动机”电路为例,说明其他符号和数字的含义,如图7—10所示。
1一继电器位置号:4表示继电器在中央电器盒的第4号位置。
2一中央电器盒上的继电器或控制器符号:图中的J59表示X一卸荷继电器。
3一中央电器盒上的插接件符号;图中3/30表示为多空插头的一个触点,其中:3为中央电器盒上4号继电器的3号触点;30为继电器/控制器上触点30。
4一电源线号:“30'’为常火线(电压为12V),即与蓄电池直接相连,中间不经过任何开关,不论是停车时还是发动机熄火时均有电。
专供发动机熄火时也需要用电的电器使用,例如,停车灯、制动灯、顶灯、及散热器风扇电动机等;“15”为小容量电器火线,只有在点火开关接通后方能有电;“X”为汽车起步时才接通的大容量电器火线,例如供启动机用;“31”为中央电器盒内的搭铁线。
5一中央电器盒。
6一中央电器盒上的连接件符号:指出一个带线束的多空或单空插头的位置。
例如:D/1表示多空插头D的1号触点。
7一导线截面积(mm2):例如0.5表示导线截面积为0.5mm2。
其中:G代表黄色、B代表白色、R代表红色、Z代表紫色、A代表蓝色、H代表灰色、V代表绿色、M代表棕色、N代表黑色。
8一导线连接端:方框内的数字99表明电路图中接续的导线是99。
9一插接件符号。
10一零件符号:图中D表示零件是点火开关。
11一接线柱符号:例如“15”,表示D(点火开关)的“15”接线柱。
可在零件上找到标记。
12—8、9、10……表示电器元件在电路图中的位置,便于用户根据此号迅速查找电器元件的位置。
13一搭铁点标记符号:可在说明书中查到搭铁点在车身上的位置。
(二)继电器、熔断器
1.继电器
奇瑞轿车继电器在中央电器盒内,如图7—11和表7—7所示。
1)空调继电器(外壳上的号码为13)空调继电器为双继电器,一路为启动空调鼓风机工作,一路为启动空调压缩
机工作。
2)X一触点卸荷继电器,(外壳上的号码为18)当起动机工作时,由点火开关切断X一触点卸荷继电器,进而切断通
过X一触点卸荷继电器主触点提供电源的空调、前风窗玻璃刮水器及洗涤泵、雾灯,后风窗加热开关、杂物箱照明灯的电路,保证足够的电力用于起动发动机。
3)危险报警灯继电器(也称闪光器,外壳上的号码为21)控制转向灯和尾灯开启和关闭。
4)间歇刮水继电器(外壳上的号码为19)控制刮水器间歇工作。
5)前雾灯继电器(外壳上的号码为53)控制前雾灯的开启和关闭。
表7-7 中央配电盒继电器的功能及代号说明
位置零件号代号功能位置零件号代号功能
1 A11—3735015 (13) 空调继电器10 All——3735023 (53) 前雾灯继电器
2 (一) 备用11 A11—373503
3 (15) 双音喇叭继电器
3 (一) 备用12 All一3735021 (1) 进气预热继电器
4 All一3735019 (18) x一卸荷继电器13 All———3735011 (11) 冷却风扇启动继电器
5 (一) 备用14 A11—3735015 (53) 电喷系统双继电器
6 A11—373501
7 (21) 危险报警继电器15
2.熔断器
在中央电器盒的下部有22个熔断丝,如图7—11和表7—8所示。
另外,在中央继电器盒外还有6个熔断丝,在发动机舱中还有2个熔断丝(S27、S28),如表7—9所示。
表7-8中央电器盒下部的熔断丝
表7-9 附加熔断丝
25 空调风扇30 29 VCD 5
26 风窗玻璃及中央门锁30 30 防盗器20
(三)奇瑞风云系列轿车整车电路
奇瑞风云系列轿车整车电路如图7—12至图7—16所示。