汽车电路图全集
- 格式:pdf
- 大小:570.65 KB
- 文档页数:6
汽车电气设备总线路图一、汽车电系特点与组成一汽车电系特点1 低压直流:6V、12V、24V 2单线并联 3 负极搭铁二汽车电系组成1 电源系统:蓄电池、发电机、调节器等;2 起动系统:起动开关、起动继电器、起动机;3 点火系统:点火开关、点火线圈、火花塞等;4 照明系统5 信号与报警系统:6 仪表与显示系统:电流表、水温表、燃油表、机油压力表、充电指示灯等;7 辅助电器:电动雨刮器、空调等;8 电子控制系统:传感器、电控单元、执行器等二、汽车电路图的形式1、汽车布线图2、汽车线束图3、汽车电路原理图4、位置图:电器位置图、线束位置图等;三\桑塔纳轿车电路图的特点1.基本电路按系统依次排列整个电路都是纵向排列,同一系统的电路归纳在一起,在电路图中所占的篇幅局限在某一范围;2.整个电路很少转折交叉有些线路比较复杂的电器,为了使它们有机地连贯起来而不破坏图面的纵向性,采用断线代号法加以解决;小方框、底部电路号码3.整个电路突出以中央接线盒为中心1电路图上方第5条横线以上的部分表明了中央接线盒中安装的器件与导线; 4条横线,用来表示压装在中央接线盒塑料盘身内的成型铜片;“30”:常火线;直接与蓄电池正极相接的火线;“15”:小容量火线;从点火开关15接柱引出的,受点火开关控制的小容量用电器的供电线;“X”:大容量火线;受减荷继电器控制的大容量用电器的供电线,只有当减荷继电器触点闭合时,才能将30线的电流引入X线;“31”:搭铁线;它与中央接线盒支架搭铁点相连接;2第5条横线上标有中央接线盒背面插接器的代号,后面的数字表明了该插接器连接的导线在插接器中的插孔位置;D23 ;凡是接点标有同一代号的导线都在车上的同一线束内 ;继电器表示方法:继电器-J、数字-位置、分数分母-插脚的标号,分子-相应的插孔熔断器的表示方法:熔断器-S、数字-位置、额定电流;S5连接插头表示方法:连接插头-T、分数分子-插座孔数,分母-连接导线对应的孔的序号T29/15搭铁线表示方法:底部横线,带圈的数字代号接地部位;不是所有电器都直接与金属车体相连接而搭铁的,有的通过接地插座,有的则通过其它电器或电子设备再接地连接;。
汽车电⼦电路设计图集锦—电路图天天读(144)-全⽂标签:智能硬件(883)物联⽹(2)汽车电⼦(4) TOP1智能汽车控制系统电路设计攻略 智能车⼜称为⽆⼈驾驶汽车,属于轮式移动机器⼈的⼀种,是⼀个集环境感知、路径规划、⾃动驾驶等多功能于⼀体的综合系统。
智能汽车技术将许多领域联系在⼀起,如计算机科学、⼈⼯智能、图像处理、模式识别和控制理论等。
智能汽车与⼀般所说的⾃动驾驶有所不同,它更多指的是利⽤GPS 和智能公路技术实现的汽车⾃动驾驶。
这种汽车不需要⼈去驾驶,因为它装有相当于⼈的“眼睛”、“⼤脑”和“脚”的电视摄像机、电⼦计算机和⾃动操纵系统之类的装置,这些置都装有⾮常复杂的电脑程序,所以这种汽车能和⼈⼀样会“思考”、“判断”、“⾏⾛”,可以⾃动启动、加速、刹车,可以⾃动绕过地⾯障碍物在复杂多变的情况下,能随机应变,⾃动选择最佳⽅案,指挥汽车正常、顺利地⾏驶。
电路系统是智能汽车硬件系统的核⼼,对于本硬件电路系统⽽⾔,稳定性是需要优先保证的性能指标,毕竟跑完全程才是取得成绩的前提。
在此基础上,还应当综合考虑智能汽车的动⼒性、重⼼及电路板的紧凑性等其他指标。
电机驱动模块 电机驱动模块为智能汽车的⾏驶提供动⼒,它的性能直接影响到后轮电机的控制性能,包括加速、减速与制动等性能。
本⽂采⽤MOSFET 驱动芯⽚加全桥驱动⽅案,只需合理的选择MOSFET驱动芯⽚和功率MOSFET 以保证性能即可。
电路图如图6 所⽰。
舵机驱动模块 舵机负责智能汽车的转向,舵机模块能否稳定⼯作直接影响到智能汽车在赛道上⾼速⾏驶时的稳定性以及转向时的灵敏度和精确度。
舵机⼯作原理为:舵盘⾓位由单⽚机发出的PWM 控制信号的脉宽决定,舵机内部电路通过反馈控制调节舵盘⾓位。
由于⾃⾝即为⾓度闭环控制,⽽且性能较好,故系统中就不必考虑外加舵机闭环。
舵机驱动模块电路如图7 所⽰。
舵机驱动模块同样属于功率部分,⽤6N137($0.2394)光耦进⾏信号隔离。
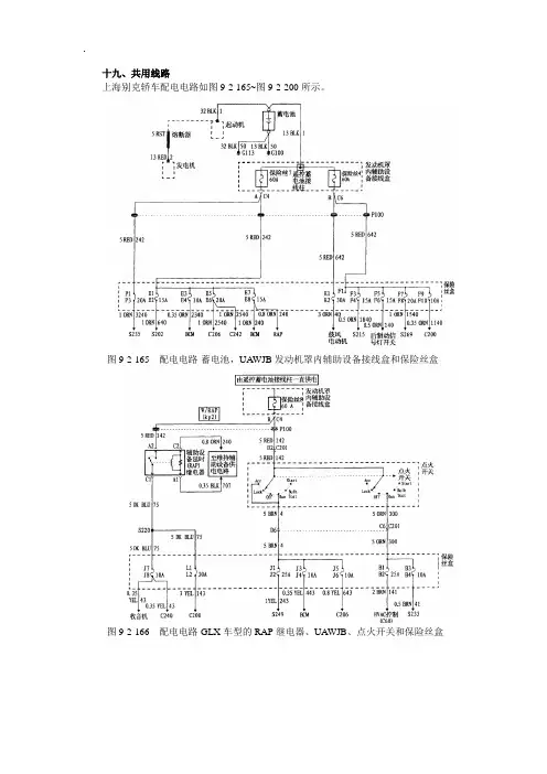
十九、共用线路上海别克轿车配电电路如图9-2-165~图9-2-200所示。
图9-2-165 配电电路-蓄电池,UAWJB发动机罩内辅助设备接线盒和保险丝盒图9-2-166 配电电路-GLX车型的RAP继电器、UAWJB、点火开关和保险丝盒图9-2-167 配电电路-GL车型的RAP继电器、UAWJB、点火开关和保险丝盒图9-2-168 配电电路-UAWJB、点火开关和保险丝盒图9-2-169 配电电路-UAWJB和G117图9-2-170 配电电路-GLX车型的UAWJB、EBCM/EBTCM和保险丝盒图9-2-171 配电电路-GL车型的UAWJB、EBCM/EBTCM和保险丝盒图9-2-172 配电电路-UAWJB、PNP开关、发电机、自动灯控制模块和大灯开关图9-2-173 配电电路-UAWJB发动机罩内辅助设备接线盒图9-2-174 配电电路-UAWJB、后制动信号灯开关、A/T和ICM图9-2-175 配电电路-UAWJB和喷油器图9-2-176 配电电路-保险丝盒、外侧后视镜和PCM图9-2-177 配电电路-保险丝盒和HV AC部件图9-2-178 配电电路-保险丝盒、EBCM/EBTCM和后制动信号灯开关图9-2-179 配电电路-保险丝盒、UAWJB、PCM和BCM图9-2-180 配电电路-保险丝盒、BCM、IC、收音机和DLC图9-2-181 配电电路-保险丝盒细部详图图9-2-182 配电电路-保险丝盒、UAWJB、收音机和IC图9-2-183 配电电路-保险丝盒和后部照明图9-2-184 配电电路-保险丝盒、刮水/冲洗器、BCM和收音机控制图9-2-185 配电电路-保险丝盒、大灯和左前(LF)窗开关图9-2-186 搭铁分布电路-G101、车大灯、后雾灯、侧中继电器灯和喇叭图9-2-187 搭铁分布电路-G101、G113、G117和G119图9-2-188 搭铁分布电路-G113图9-2-189 搭铁分布电路图-G200(一)图9-2-190 搭铁分布电路图-G200图9-2-191 搭铁分布电路图-G201图9-2-192 搭铁分布电路图-G203图9-2-193 搭铁分布电路图-G301(一)图9-2-194 搭铁分布电路图-G301(二)图9-2-195 搭铁分布电路图-G301(三)图9-2-196 搭铁分布电路图-G401和G402图9-2-197 搭铁分布电路图-G402图9-2-198 搭铁分布电路图-G402图9-2-199 点烟器/备用电源插座电路图-保险丝盒、C206、前点烟器和灯、G200图9-2-200 点烟器/备用电源插座电路图-保险丝盒、后点烟器和G301。
全车电路图目录第一节继电器、保险丝位置分布图………………………………………第二节电路布置图…………………………………………………………第三节接线盒接头介绍……………………………………………………第四节电气接头零件号……………………………………………………第五节电气说明……………………………………………………………第六节检修电路图…………………………………………………………第一节继电器、保险丝位置分布图●继电器、保险丝位置分布图1(发动机室)●继电器、保险丝位置分布图2(F3/F3-R、驾驶室-仪表台、地板)①接线盒总成②闪光继电器③倒车雷达④A/C控制器⑤A/C控制模块⑥接插件固定支架Ⅰ(挂继电器)⑦发动机ECM ⑧车身防盗控制器⑨GPS主机及支架总成⑩安全气囊电子控制单元车速转换器●继电器、保险丝位置分布图 4(配电盒总成)接线盒总成背面(如右图) 序号 内容 序号内容1空位(保险丝) 131#点火电源保险丝(25A ) 2 车载 ECU 保险丝(10A ) 14 后雾灯保险丝(15A ) 3 仪表保险丝(10A ) 15 前雾灯保险丝(10A ) 4 电动座椅保险丝(25A ) 16 起动电源保险丝(7.5A ) 5 空位(保险丝) 17 空调保险丝(10A ) 6 空位(保险丝) 18 2#点火保险丝(20A ) 7车 载 诊 断 系统 保 险丝 (7.5A )19除霜补偿保险丝(10A )8 雨刮保险丝(20A ) 20 大灯控制系统保险丝(5A ) 9 小灯保险丝(15A ) 21 点烟器保险丝(15A ) 10 制动灯保险丝(15A ) 22 暖风熔断器(40A ) 11 车门保险丝(25A )23 后窗除霜熔断器(30A )12 2#门窗电源保险丝(30A ) 24 1#门窗电源熔断器(30A ) 配电盒总成(如右图) 序号 内容 序号内容1 A/C 电磁离合器继电器 20 左前远光保险丝(10A )2 前大灯继电器 21 右前远光保险丝(10A )3 备用保险丝(10A ) 22 右前近光保险丝(10A )4 备用保险丝(15A ) 23 左前近光保险丝(10A )5 备用保险丝(20A ) 24 空位(保险丝)6 备用保险丝(25A ) 25 空位(保险丝)7 3 号风扇继电器 26 前大灯熔断器(40A )8 空位(继电器) 27 空位(保险丝)9 电喇叭继电器 28 电喷保险丝(德尔福系统为 15A ,联电系统为 30A ) 10 2 号风扇继电器 29 室内灯保险丝(15A ) 11 空位(继电器) 30 IG2#电源保险丝(30A ) 12 1 号风扇继电器 31 空位(保险丝) 13 空位(保险丝) 32 电喇叭保险丝(10A ) 14 电子风扇保险丝(30A )33 警示灯保险丝(10A ) 15 空位(保险丝) 34 空位(保险丝) 16 ABS 保险丝(60A ) 35 AT 保险丝(25A) 17 备用保险丝(30A ) 36 主电源熔断器(100A )18 备用保险丝(7.5A ) 37 AT 继电器 19拔片器(保险丝)38电喷主继电器●继电器、保险丝位置分布图5(接线盒总成)●继电器、保险丝位置分布图6(接插件固定支架Ⅰ)①燃油泵继电器②门窗继电器③空位(继电器)④后除霜继电器⑤1#点火继电器⑥闪光继电器安装支架①前雾灯继电器②启动继电器③小灯继电器④暖风继电器(除霜除雾)电路图F3/F3R 轿车维修手册第二节电路布置图●电路布置图1——F3 全车电路布置图1(F3 全车)序号内容序号内容1 发动机线束9 左后门线束2 翼子板线束10 后风窗玻璃加热线束搭铁线3 仪表板线束11 后保险杠小线4 地板线束12 光照强度传感器小线5 顶棚线束13 日光照射传感器小线6 右前门线束14 空调小线7 左前门线束15 左后轮轮速传感器线束8 右后门线束16 右后轮轮速传感器线束电路图F3/F3R 轿车维修手册●电路布置图2——F3-R 全车:电路布置图2(F3-R 全车)序号内容序号内容1 发动机线束9 左后门线束2 翼子板线束10 玻璃小线3 仪表板线束11 后保险杠小线4 地板线束12 光照强度传感器小线5 顶棚线束13 后盖连接线束6 右前门线束14 后盖线束7 左前门线束15 左后轮轮速传感器线束8 右后门线束16 右后轮轮速传感器线束电路图F3/F3R 轿车维修手册●电路布置图3——发动机线束电路布置图3(德尔福系统)序号件号内容序号件号内容A2 0447104 接压缩机I7 15305086 接3 号喷嘴A3 12052643 接碳罐控制阀I8 15305086 接4 号喷嘴A8 12162833 接进气温度压力传感器I9 12162188 接怠速控制阀A11 3724321(φ8.5)接发电机 B 端K1 12052644 接爆震传感器A12 6195-0030 接发电机N1 PB625-02027 接倒车灯开关A13 PP2006901 接蓄电池电瓶端P2 DJ3011A-4-21 接动力转向开关C1 12059595 接凸轮轴位置传感器S2 DJ4341(φ8.5)接启动机端C3 12110293 接曲轴位置传感器S3 0338102 接启动机E2 282191-1 接冷却液温度传感器T1 12065287 接节气门位置传感器E3 0338102 接机油压力T2 DJ7031-3.5-21 接车速传感器E6 15357131 接电喷ECU BG1 DJ4355A-2SnDJ4355A-1Sn搭铁H6 1216-2144 接前氧传感器BL1 7283-1405-40 接仪表板线束I1 DJ7023-3.5-20 接1#点火线圈BL2 0446004 接仪表板线束I2 DJ7023-3.5-20 接2#点火线圈BL3 7283-1405-40 配电盒1# I5 15305086 接1 号喷嘴EA1 J0504701 配电盒3# I6 15305086 接2 号喷嘴EA2 J0504501 配电盒2#● 电路布置图 3-1——发动机线束(适用于AT 车型)电路图F3/F3R 轿车维修手册电路图F3/F3R 轿车维修手册● 电路布置图 4——翼子板线束电路图F3/F3R 轿车维修手册电路布置图4序号件号内容序号件号内容A1 7283-7028-30 接室外温度传感器H4 DJ7013-6.3-2195 接2#电喇叭A4 DJ7042Y-2.2-21 接空调压力开关H11 DJ7029D-2.8-21 接左前组合灯A5 54210064 接 ABS ECU H12 DJ7029Y-2.8-21 接左前组合灯A6 DJ7021-2.2-11 接左前轮轮速传感器H13 DJ7029D-2.8-21 接右前组合灯A7 DJ7021-2.2-11 接右前轮轮速传感器H14 DJ7029Y-2.8-21 接右前组合灯B2 M23374 接制动液位警告开关R1 DJ7021Y-4.8-11 接冷却风扇F1 DJ7023-2-21 总成接左前位置灯R2 DJ7021Y-4.8-21 接电子风扇调节电阻F2 DJ7023-2-21 总成接右前位置灯R3 DJ7021Y-4.8-21 接冷凝风扇F3 DJ7023-2-21 总成接左前雾灯W1 M23334 接洗涤液电机F4 DJ7023-2-21 总成接右前雾灯BG2 DJ4355A-2Sn 搭铁F5 DJ7021-2.2-21 接左前转向灯BG3 DJ4355A-1Sn 搭铁F6 DJ7021-2.2-21 接右前转向灯BG4 DJ4355A-2Sn 搭铁F7 0445205 接前雨刮器BG5 DJ4355A-1Sn 搭铁F12 DJ7024-3.5-20 接左侧转向灯BJ4 6520-0349 接地板线束F13 DJ7024-3.5-20 接右侧转向灯BK1 DJ7221-2/6.3-21 接仪表板线束H1 DJ7013-6.3-2195 接1#电喇叭2A DJ7021-9.5-21 接接线盒H2 DJ7013-6.3-2195 接1#电喇叭2C MG651080 接接线盒H3 DJ7013-6.3-2195 接2#电喇叭● 电路布置图 5——仪表板线束(适用于F3 经济、舒适型)● 电路布置图 6——仪表板线束(适用于F3-R 休闲型、活力型)电路图F3/F3R 轿车维修手册电路图F3/F3R 轿车维修手册电路图F3/F3R 轿车维修手册●电路布置图 7——仪表板线束(适用于F3 尊贵、旗舰型)● 电路布置图 8——仪表板线束(适用于F3-R 时尚型)电路图F3/F3R 轿车维修手册● 电路布置图 8-1 ——仪表板线束(适用于AT 型)● 电路布置图 9——地板线束(适用于F3-R)电路图F3/F3R 轿车维修手册电路布置图9序号件号内容序号件号内容A32 7282-7424 接左后轮轮速传感器R18 6189-0891 接左后雾灯A33 7282-7424 接右后轮轮速传感器R19 6189-0891 接右后雾灯B15 DJ7061-1.8-21 接左后组合灯R20 7282-1022 接左后扬声器B16 DJ7061-1.8-21 接右后组合灯R21 7282-1022 接右后扬声器C15 DJ7081-2.3-21 接CD 牒盒T15 0436001 接警报器D5 6520-0564 接左前门门灯开关U4 7283-8226-30 接倒车探头总成D7 6520-0564 接左后门门灯开关U6 7283-8226-30 接倒车探头总成D8 6520-0564 接右后门门灯开关BG6 DJ4355-1Sn 搭铁F11 0440601 接燃油箱BG7 DJ4355-2Sn 搭铁H10 7283-8123 接高位制动灯BG8 DJ4355-1Sn 搭铁L1 7283-8123 接左牌照灯BG9 DJ4355-2Sn 搭铁L2 7283-8123 接右牌照灯BA1 DJ7141-4.8/2.3-11 接左后门线束L3 7282-1010 行李舱灯开关BJ1 7282-1405-40 接仪表板线束L4 7283-8123 接后行李箱灯BJ2 7282-5831 接仪表板线束N3 DJ7022-6.3-21 接噪声滤波器BJ3 DJ7141-4.8/2.3-11 接仪表板线束R10 0338102 接后风窗加热丝BJ4 7282-1641 接翼子板线束R11 0338102 接后风窗加热丝2E MG651074 接接线盒● 电路布置图 10——地板线束(适用于F3-R)电路图F3/F3R 轿车维修手册电路布置图10(F3-R)序号件号内容序号件号内容A32 7282-7424接右后轮轮速传感器BA1 DJ7141-4.8/2.3-11 接左后门线束A33 7282-7424 接左后轮轮速传感器BJ2 7282-5831 接仪表板线束B15 DJ7062-2-21 接左后组合灯BJ3 DJ7141-4.8/2.3-11 接仪表板线束B16 DJ7062-2-21 接右后组合灯BJ4 7282-1641 接翼子板线束D5 6520-0564 接左前门门灯开关2E MG651074 接接线盒D7 6520-0564 接左后门门灯开关RB1 DJ7062-2.3-11 接后保险杠小线D8 6520-0564 接右后门门灯开关RC1 DJ7061-2.2-11 接后盖连接线束F11 PP0440601 接燃油箱RC2 DJ7041-6.3-11 接后盖连接线束L4 DJY7021-2-21 接后行李箱灯RC3 DJ7072-3-21 接后盖连接线束N3 DJ7022-6.3-21 接噪声滤波器T15 PP0436001 接警报器BG6 DJ4355-1Sn 搭铁BG7 DJ4355-2Sn 搭铁BG8 DJ4355-1Sn 搭铁BG9 DJ4355-2Sn 搭铁电路图F3/F3R 轿车维修手册● 电路布置图 11——顶棚线束电路布置图11序号件号内容序号件号内容D13 7183-7322-30 接二极管M2 6240-1120 接天窗电机E4 DJ7021A-2.8-21 接出租车帽M3 DJ7021A-2.8-21 接内后视镜I13 DJ7031J-2.3-21 接后室内灯BE1 DJ7021L-4.8-21 接仪表板线束M1 0442103 接前室内灯2D 6240-5160 接接线盒电路图F3/F3R 轿车维修手册● 电路布置图 12——右前门线束电路布置图12序号件号内容序号件号内容D9 DJ7021-2.2-21 接右前门门锁电机P10 DJ7061-2.3-2120 接右前门玻璃升降器电机D15 7283-8123 接右门内板灯R14 DJ7068-2.3-11 接右前门电动后视镜电机F10 0443401 接右前门低音扬声器T6 DJ7021-2.2-11 接右前门高音扬声器P5 1300-3111 接右前门玻璃升降器开关BD1 DJ7141-4.8/2.3-21 接仪表板线束● 电路布置图 13 ——左前门线束电路布置图13序号件号内容序号件号内容D10 7283-1968-30 接左前门门锁电机R13 DJ7068-2.3-11 接左前门电动后视镜电机D14 7283-8123 接左门内板灯T5 DJ7021-2.2-11 接左前门高音扬声器F9 0443401 接左前门低音扬声器BC1 DJ7241-4.8/2.3-21 接仪表板线束P8 7283-7475 接左前门电动升降器开关BC2 DJ7061-2.3-21 接仪表板线束P9 DJ7061-2.3-2120 接左前门玻璃升降器电机● 电路布置图 14——右后门线束电路布置图14序号件号内容序号件号内容D12 DJ7021-2.2-21 接右后门门锁电机P12 DJ7061-2.3-2120 接右后门玻璃升降器电机P7 1300-3111 接右后门玻璃升降器开关BB1 DJ7141-4.8/2.3-21 接接仪表板线束● 电路布置图 15——左后门线束电路图F3/F3R 轿车维修手册电路布置图15序号件号内容序号件号内容D11 DJ7021-2.2-21 接左后门门锁电机P11 DJ7061-2.3-2120 接左后门玻璃升降器电机P6 1300-3111 接左后门玻璃升降器开关BA1 DJ7141-4.8/2.3-21 接地板线束● 电路布置图 16——后盖线束电路图F3/F3R 轿车维修手册电路布置图16序号件号内容序号件号内容L1 7283-8123 接左牌照灯R18 MG610392 接后雾灯L2 7283-8123 接右牌照灯R19 MG610392 接倒车灯L3 DJ7013-6.3-2195 接后盖锁机构BG14 DJ413-3B 搭铁L5 DJ7042-6.3-21 接后盖锁电机RC4 DJ7072-3-21 接后盖连接线束R10 0333501 接玻璃小线RC5 DJ7061-2.2-11 接后盖连接线束R11 0333501 接玻璃小线RC6 DJ7041-6.3-11 接后盖连接线束第三节接线盒接头介绍2A 2B 2C2D 2E 2F2G 2H 2I●电气接头表12电路图F3/F3R 轿车维修手册第四节电气接头零件号电路图F3/F3R 轿车维修手册第五节电气说明●本系列包括F3 经济、舒适、尊贵、旗舰,F3-R 休闲、活力、时尚配置车型●本系列适用于DELPHI-MT20U、DELPHI-MT20U2 和联电M7 电喷系统电路图F3/F3R 轿车维修手册第六节检修电路图11 F01 电源启动、点火*1:经济型*2:舒适型、尊贵型、旗舰型2 2G1 AM1ACCIG15 AM2IG2 6 B/W R6 2H ST2 4I11 点火开关 B/RB J10 2G1 2F 19BK1 319BL1 T12启动 继电 器14 322 2A4 23 2FB50 B131#点 火器 2#点 火器 3#点 4#点 火器 火器2 2L/B1 W/G7 BL1 EA2 B *2 至防 盗ECU 〈F17〉至组合 仪表〈F24-1〉B RA*1 BG12/13至发动机ECMS2 A S3 B 启动机1. 1、电源、启动和点火(德尔福系统)I2 2#点火线圈B/OB/O20A 2#点火I11#点火线圈B/WB/W7.5A 启动电源W/BBB/WBB B/R30A 2#点火 开关电源WW25A I#点火 开关电源100A 主电源蓄电池1. 2 电源、启动和点火( 联电系统)1. 3 电源、启动和点火( AT 型)F01 自动档电源启动、点火1 AM1ACCIG12 2G5AM2I11点火开关 B/RIG2 6 ST2 4B/W R10 2G 6 2HB J11 2F2 2A19BK1 3 1T12启动 继电 器425BL1 3 2FB/W9BL1 B/W33B50B131BL17BL1至档位开关 F03-41B/G2 2 1 BBB/Y1#点 火器2#点 火器3#点 火器4#点 火器EA2 B至档位开关 F03-4至组合仪表F24CT40B至防盗ECU RAF17至发动机ECU F03-4S2 A S3 B 启动机至发动机ECMI22/3缸点火线圈B/O20A 2#点火I11/4缸点火线圈B/W7.5A 启动电源WBBB/R30A 2#点火 开关电源WW25A I#点火 开关电源100A 主电源蓄电池2. 1、电源、充电、后除霜2. 2电源、充电、后除霜(AT 型)10A 仪表发动机故障灯燃油泵F03-1电源发动机控制1 AM1AACCIG1 2 B J15 AM2IG26 ST2I11 点火开关B/W9 BL1B/O 3217 BL2H61#氧传感器λ19 B K12 2G5 BL322 2 2A31 2F8 2F1 BL3I5 1#喷 33油器I62#喷 油器 I7 3#喷 油器 I8 4#喷 油器 碳罐 B 吸附 控制 A4 3 1 211 1 1阀B63 B19B/WR/W R/W B/O R/YR/YR/BO Gr/YR/YP P/L Y2 2A电喷主62H 58 17 18 1315570567163E6 ECM-delphi(MT20U)61 662继电器47 38 64 73 3 G/RWBrW/BV/WB50 B13B16B18 B177 2H 9 2E 7 2F20 BL219 BL2 7 BL210 BL2 13 2F3T2 P/L WBrB 车速 EA2 14BK1 B J110 BL14 F11 M 燃油泵1A BC DλH711 2F W/B1#点火传感 器22 BL212V/WBBL3 4W/B8 BL1 2#氧传感器14 2F 12A3 BL1BG6/7BG1BBG12/13自组合仪表<F24>WBC7组合仪表B/R20A 2#点火B/OB/WB/O BR/WR/W15A 电喷B/RB/R7.5A 车载 诊断系统30A 2#点火 开关电源R/GW25A I#点火 开关电源100A 主电源蓄电池B。
第十章全车电路图及线束图1.电路图符号说明(图10-0-1、图10-0-2)2.总成电气原理示意图/插接件图(图10-0-3、图10-0-4)3.起动和充电系统电路图及线束图(图10-0-5、图10-0-6)4.发动机控制系统电路图及线束图(图10-0-7~图10-0-16)5.冷却系统电路图及线束图(图10-0-17、图10-0-18)6.组合仪表、警告灯电路图及线束图(图10-0-19~图10-0-24)7.雨刷、洗涤总成电路图及线束图(图10-0-25、图10-0-26)8.前照灯电路图及线束图(图10-0-27、图10-0-28)9.尾灯、牌照灯、示廓灯电路图及线束图(图10-0-29、图10-0-30)10.前雾灯、后雾灯电路图及线束图(图10-0-31、图10-0-32)11.转向警告闪光灯单元电路图及线束图(图10-0-33、图10-0-34)12.喇叭、制动灯、倒车灯电路图及线束图(图10-0-35、图10-0-36)13.暖风、空调系统电路图及线束图(图10-0-37~图10-0-40)14.自动变速器控制系统电路图及线束图(图10-0-41~图10-0-44)15.室内灯、行李箱灯、数字电子钟、点烟器电路图及线束图(图10-0-45、图10-0-46) 16.照明灯电路及线束图(图10-0-47、图10-0-48)17.后除霜器电路图及线束图(图10-0-49、图10-0-50)18.音响电路图及线束图(图10-0-51、图10-0-52)19.电动门窗系统电路图及线束图(图10-0-53、图10-0-54)20.中央门锁系统电路图及线束图(图10-0-55、图10-0-56)21.电控镜系统电路图及线束图(图10-0-57、图10-0-58)22.ABS系统电路图及线束图(图10-0-59、图10-0-60)23.安全气囊控制单元电路图及线束图(图10-0-61、图10-0-62)24.诊断插接件示意图(图10-0-63)25.通用插接件示意图(图10-0-64~图10-0-67)图 10-0-1图 10-0-2图10-0-3图10-0-4图 10-0-5图10-0-6图10-0-7图10-0-8图10-0-9图10-0-10图10-0-11图10-0-12图10-0-13图10-0-14图10-0-15图10-0-16图10-0-7图10-0-18图10-0-19图10-0-20图10-0-21图10-0-22图10-0-23图10-0-24图10-0-25图10-0-26图10-0-27图10-0-28图10-0-29图10-0-30图10-0-31图10-0-32图10-0-33图10-0-34图10-0-35图10-0-36图10-0-37图10-0-38图10-0-39图10-0-40图10-0-41图10-0-42图10-0-43图10-0-44图10-0-45图10-0-46图10-0-47图10-0-48图10-0-49图10-0-50图10-0-51图10-0-52图10-0-53图10-0-54图10-0-55图10-0-56图10-0-57图10-0-58图10-0-59图10-0-60图10-0-61图10-0-62图10-0-63图10-0-64图10-0-65图10-0-66图10-0-67。
新手篇—轻松看懂汽车电路图(7)第十节中央门锁系统一、中央门锁系统概述汽车中央门锁系统的最基本功能是钥匙联动锁门和开锁。
驾驶员可以在锁住或打开自己车门的同时锁住或打开其他的车门,这样既为驾驶员提供了方便,又提高了汽车安全性。
二、中央门锁系统的组成及工作原理汽车中央门锁系统按照中央门锁控制器可以分为继电器式、集成电路一继电器式、中央门锁控制单元控制式等。
中央门锁系统一般由门锁控制开关、钥匙操纵开关、各门锁总成、行李箱开启器和门锁控制器等组成。
中央门锁系统常和汽车防盗系统联合使用。
当用钥匙转动驾驶员侧锁芯进行开锁或锁止时,门锁开关中的开锁或锁止触点闭合,把开锁或锁止信号输送到中央门锁控制单元或直接控制其他门锁总成打开或锁止车门。
当用遥控器打开或锁止车门时,遥控门锁接受器接收遥控器发出的信号,并把该信号输送到中央门锁控制单元,门锁控制单元控制各车门门锁总成打开或锁止车门。
三、中央门锁系统识图示例一汽丰田威驰汽车中央门锁系统电路如图4-79所示。
1.中央门锁控制继电器电路(1)中央门锁控制继电器电源电路蓄电池“+”→熔断器盒熔断器ALT (100A)→熔断器D/L(25A)→中央门锁控制继电器端子4→中央门锁控制继电器。
(2)中央门锁控制继电器接地电路中央门锁控制继电器→中央门锁控制继电器端子8→1B接地。
2.汽车中央门锁系统开锁电路(1)中央门锁系统开锁信号电路中央门锁控制继电器→中央门锁控制继电器端子7→中央门锁控制开关“UNLOCK”触点→I B接地。
(2)中央门锁系统开锁电路左前门锁开锁电路:中央门锁控制继电器→中央门锁控制继电器端子ACT+→左前门锁锁电动机车门钥匙锁和未锁开关端子4→左前门锁电动机电阻→左前门锁电动机→左前门锁电动机端子1→中央门锁控制继电器端子ACT→中央门锁控制继电器。
右前门锁开锁电路:中央门锁控制继电器→中央门锁控制继电器端子ACT+→右前门锁电动机端子4→右前门锁电动机电阻→右前门锁电动机→右前门锁电动机端子ACT-→中央门锁控制继电器端子1→中央门锁控制继电器。
汽车电路图全集一.温度自动控制系统电路图(广州本田雅阁2L/2.3L轿车)二.发动机转速计电路图· [图文] 分立元件组成的烙铁电路· [图文] Knightrider lights for model cars· [图文] 汽车12V至正负20V的转换器电路 (音频放大器电源电路)· [图文] Automotive 12V to +-20V converter (for audio amplifier)· [图文] 黑夜骑士灯电路-Nite Rider Lights· [图文] 同步多火花模块(SMSM)的电子点火装置(Eid)· [组图] Synchronized multi-spark module (SMSM) for Electronic Ignition Devices (EID)· [图文] 简单而可靠的汽车电池测试仪电路 Simple but reliable car battery tester · [图文] 汽车电子点火电路 (Electronic car ignition)· [组图] 汽车电池充电器电路 (Car Battery Charger)· [图文] 自动大灯亮度开关电路 (Automatic Headlight Brightness Switch)· [图文] 公园急救电路-Park-Aid· [组图] 汽车电池指示器电路--Car battery Indicator· [组图] 200W音频放大器 (200W audio amplifier)· [组图] 遥控汽车电路图· [图文] 雪铁龙爱丽舍轿车ABS电路· [图文] 车用音频功率放大器电路· [图文] 摩托车转弯频闪灯电路· [图文] 汽车收音机用简易WWV变换器· [组图] 汽车电池和交流发电机监视器· [图文] 汽车电池启动电流检测器· [图文] RF型电池充电器· [图文] 铅酸涓流充电器· [组图] 汽车前照灯报警器· [图文] 汽车保险管检测器· [组图] 车灯接通提示器· [图文] 汽车发电机调节器· [图文] 刹车和转弯指示器· [图文] 带声响的汽车转弯指示灯· [图文] 汽车前照灯闪光器· [图文] 汽车转弯提示关断提示器· [图文] 汽车立体声辅助放大器· [图文] 延时自动停机开关电路(续)· [图文] 延时自动停机开关电路· [图文] 汽车直流工作设备的电源适配器· [图文] 电源控制器(汽车附件)· [组图] 闪光式刹车灯电路· [图文] 汽车电扇恒温控制开关电路· [图文] 汽车前照灯 小灯手动控制电路· [图文] 新颖的汽车转弯信号电路(续)· [图文] 新颖的汽车转弯信号电路· [图文] 车辆转速表电路· [图文] 信号 转弯信号灯电路· [图文] 汽车CD点火系统· [图文] 采用单片机控制的联网传汽车防盗器电路 · [图文] HWD2190功放电路图· [图文] 汽车会车光控电路图· [图文] 列车灯日控开关电路图· [图文] 行车安全警示器电路图· [图文] 无触点汽车方向灯闪光器电路图· [图文] 声音宏亮的汽车倒车提醒器电路图· [图文] 汽车雨刷自动控制器电路图· [图文] 汽车会车用前灯自动开关电路图· [图文] 简单的电子汽车限速器电路图· [图文] 转弯信号告知器电路图· [图文] 运输车辆拖斗轮胎无气报警器电路图 · [图文] 行车万里计程器电路图· [图文] 轻型客车里程表电路图· [图文] 轻便摩托车无触点闪光器电路图· [图文] 汽车转弯告知器电路图· [图文] 汽车振动报警器电路图· [图文] 汽车用日光灯变换器电路图· [图文] 汽车刹车灯监视器电路图· [图文] 汽车空调电子漏控器电路图· [图文] 汽车驾驭室延时照明装置电路图· [图文] 汽车刮雨器自动控制电路图· [图文] 汽车电子语音喇叭电路图· [图文] 汽车电压调节器电路图· [图文] 汽车倒车防撞告警器电路图· [图文] 摩托车霹雳灯电路图· [图文] 摩托车工具箱用LED闪爆板电路图· [图文] 摩托车防盗报警器电路图· [图文] 摩托车防盗报警喇叭电路图· [图文] 摩托车电压调节器电路图· [图文] 进口摩托车电压调节器电路· [图文] 简易汽车电压调节器电路图· [图文] 固定电路汽车稳压器电路图· [图文] 防止蓄电池过充电的摩托车电压调节器电路 · [图文] 电子式车用油量表电路· [图文] 电动自行车蓄电池声光监视器电路图· [图文] 车速限制器电路图· [图文] 车前灯自动转换装置电路图· [图文] 车距语言提示器电路图· [图文] 125摩托车电子点火电路图· [图文] 12V汽车电池电压指示器电路图· [图文] 自行车转弯方向灯电路图· [图文] 自动雨刷控制器电路图· [图文] 袖珍移频机车信号发送盒电路图· [图文] 误踩汽车油门控制器电路图· [图文] 无触点汽车转弯蜂鸣器电路图· [图文] 太阳牌汽车报警器电路图· [图文] 汽车转向指示器电路图· [图文] 汽车找寻装置电路图· [图文] 汽车雨刷自动控制器电路图· [图文] 汽车前大灯自动控制器电路图2· [图文] 汽车前大灯自动控制器电路图1· [图文] 汽车前大灯控制器电路图· [图文] 汽车空调控制器电路图· [图文] 汽车方向灯闪光、自动关灯电路图· [图文] 汽车多用告警器电路图· [图文] 汽车电子点火器电路图· [图文] 汽车低成本直流灯调光器电路图· [图文] 摩托车直流点火器电路图· [图文] 摩托车用前灯调变器电路图· [图文] 摩托车测速显示报警器电路图· [图文] 列车照明灯自动开关电路图· [图文] 交通信号控制机电路图· [图文] 交通路口红绿灯自动控制器电路图2· [图文] 交通路口红绿灯自动控制器电路图1· [图文] 简单的汽车防盗报警电路图· [图文] 检测车速的汽车路码表电路图· [图文] 关灯提醒器电路图· [图文] 刮水器延时控制电路图· [图文] 公共汽车站途指示器电路图· [图文] 公共汽车关门自动通报器电路图· [图文] 公共汽车多功能电子自动控制器电路图· [图文] 电动自行车脉冲调速装置电路图· [图文] 电动自动车限流调速器电路图· [图文] 触摸式脚踏车“请让路”语言铃电路图· [图文] 城建路障用闪光保安灯电路图· [图文] 车内温度控制器电路图· [图文] 车辆倒车防撞报知器电路图· [图文] DS1821在汽车空调制冷控制中的应用 · [图文] 硅扩频振荡器在汽车电子产品中的应用· [图文] 汽车线性稳压器静态电流最小化-Automotive Linear Regulators Minimize Quiescent Current· [图文] LVDS为汽车应用提供可靠的视频接口· [图文] Active High-Voltage Transient Protectors Trump Conventional Approaches in Automotive Electronics· Automotive Infotainment Goes Mainstream: High-Integration Solutions Enable Value-Added Features· [图文] How to Use the MAX15005 Current-Mode Controller as a Boost Circuit for an Automotive Cold-Crank Condition· [图文] Robust Contact Monitor Simplifies Design of Body Control Computers · [图文] 真空荧光显示器件参考设计为汽车应用-Vacuum Fluorescent Display (VFD) Reference Design for Automotive Applications· [图文] 超低静态电流线性调节器的汽车安全气囊-Ultra-Low Quiescent-Current Linear Regulator for Automotive Air Bags· [图文] LVDS为汽车应用提供可靠的视频接口· [图文] 音频报警解调器电路图· [图文] 双音频解调器电路图· [图文] 采用继电器输出的音频解调器电路图· [图文] 伴音解调器电路图· [图文] 24%带宽音频解调器电路图· [图文] 10.8MHz移频键控解调器电路图· [图文] 自动亮灯保持电路图· [图文] 用于自动调谐信号顺序的闪烁装置电路图· [图文] 通用刮水器延时电路图· [图文] 条图(Bargraph)汽车电压表电路图· [图文] 速度计电路图· [图文] 前车灯延时装置电路图· [图文] 汽车蓄电池使用状况监测仪电路图· [图文] 汽车蓄电池监测器电路图 · [图文] 汽车蓄电池监测器电路图 · [图文] 汽车风挡洗涤液监测器电路图 · [图文] 汽车风挡刮水器控制电路图。