压铆件底孔规格表
- 格式:xls
- 大小:59.00 KB
- 文档页数:3
序号名称规格底孔适用板厚名称规格底孔适用板厚1S-M3-0φ4.20.8-1.0S-M6-0φ8.75 1.2以上2S-M3-1φ4.2 1.0-1.2S-M6-1φ8.75 1.5/2.0以上3S-M3-2φ4.2 1.4以上S-M6-2φ8.75 2.3以上4S-M4-0φ5.40.8-1.0S-M8-1φ10.5 1.5/2.0以上5S-M4-1φ5.4 1.0-1.2S-M8-2φ10.5 2.3以上6S-M4-2φ5.4 1.4以上S-M10-1φ14 2.3以上7S-M5-0φ6.40.8-1.0S-M10-2φ14 3.2以上8S-M5-1φ6.40.8-1.09S-M5-2φ6.4 1.4以上序号名称规格底孔适用板厚名称规格底孔适用板厚1Z-M3-1.2φ5.0 1.2以上Z-M5-2φ8.02以上2Z-M3-1.5φ5.0 1.5以上Z-M5-3φ8.03以上3Z-M3-2φ5.02以上Z-M6-2φ9.02以上4Z-M4-1.2φ6.0 1.2以上Z-M6-3φ9.03以上5Z-M4-1.5φ6.0 1.5以上Z-M8-2φ11.02以上6Z-M4-2φ6.02以上Z-M8-3φ11.03以上序号名称规格底孔1FH-M3-H φ3.02FH-M4-H φ4.03FH-M5-H φ5.04FH-M6-H φ6.05FH-M8-H φ8.0序号名称规格底孔适用板厚名称规格底孔适用板厚1BSO-M3-H Φ4.2 1.0以上SO-M3-H Φ4.21.0以上2BSO-3.5M3-H φ5.41.0以上SO-3.5M3-H φ5.41.0以上3BSO-M4-H φ6.01.0以上SO-M4-Hφ6.01.0以上4BSO-M4-H φ7.21.0以上SOO-3.5M4-Hφ7.2 1.3以上5BSO-M5-H φ7.2 1.3以上SOO-M5-H φ7.2 1.3以上6BSO-M6-H φ8.8 1.3以上SOO-M6-Hφ8.8 1.3以上常用压铆五金件及底孔表深圳市联赢激光设备有限公司3:H 为螺钉的高度(包括螺钉头的高度)4.压铆螺母柱及底孔一览表1.压铆螺母及底孔一览表备注:1规格中S 表示压铆螺母材质为碳钢,当标注为CLS 时则为不锈钢 2:适用板厚表示最小板材厚度,压铆螺母(S/CLS)备注: 1:规格中FH 表示压铆螺钉材质为碳钢,当标注为FHS 时则为不锈钢涨铆螺母(Z/ZS/ZRN/ZHN)压铆螺母(S/CLS)备注:1规格中Z 表示涨铆螺母材质为碳钢,当标注为ZS 时则为不锈钢2.涨铆螺母及底孔一览表3.工程师在绘制工程图纸时通常会标注压铆M4X12的螺柱,按要求应该是标注压铆螺母柱(BSO-M4-12-ZC),表示为涨铆螺母(Z/ZS/ZRN/ZHN) 2:规格ZRN 为圆形涨铆螺母,ZHN 为六角形涨铆螺母5.五金件在压铆时,先打合适的底孔(具体大小见上述表单),再压铆。
紧固件材质经过热处理的低碳钢表面处理标准镀锌安装板的硬度HRB80以下螺纹InternalANSI B1.12B/ANS I/ASMEB1.13M,6H 型号S-M3-1螺纹编码S-M3-1柄长编码S-M3-1螺纹尺寸类型A(柄长)C E T *紧固件材质柄长最大最大尺寸±0.25±0.25螺距碳钢编码00.770.8-110.9712 1.38 1.400.770.8-110.9712 1.38 1.400.770.8-110.9712 1.38 1.400.770.8-110.9712 1.38 1.400.770.8-110.9712 1.38 1.400.770.8-110.9712 1.38 1.400.890.920 1.15 1.21 1.38 1.422.21 2.31 1.38 1.422.21 2.3原材料和表面处理规格产品表述及编号内容螺纹编码安装板最小厚度安装板孔径+0.08孔中心与安装板边缘最小距离M2*0.4SM24.224.26.31.54.8M2.5*0.45SM2.54.224.26.31.54.8M3*0.5SM34.224.26.31.54.8M3.5*0.6SM3.54.754.737.11.55.6M4*0.7SM45.415.387.926.9M5*0.8SSM56.356.338.727.1M6*1SM68.758.7211.054.088.6M8*1.25SM810.510.4712.655.479.7类别:压铆螺母材质:碳钢形状:圆形螺纹规格:M2到M10外径:6.3-17.35(mm )1 2.21 2.3123.053.18安装力推出力扭出力(KN)(N)(N.m)M202800.9M2.51400 1.13M32750 1.470470 1.471550 1.721010 2.030280 1.81400 1.922840 2.50480 1.81570 2.321210 2.30300 2.371470 2.6297040490 2.951645421250 5.1030031480 3.62845 5.70530 3.61800 4.5211126.8M10*1.5S M101413.9717.357.4813.5产品类型螺纹编码柄长编码安装板材质S5052-H34铝材 6.7-8.9 冷轧钢11.2-15.6SM3.55052-H34铝材11.2-13.5 冷轧钢13.4-26.7SM45052-H34铝材11.2-13.4 冷轧钢18-27SSM55052-H34铝材11.2-15.6 冷轧钢18-38产品与板的铆接自扣紧螺母在薄板上提供承载螺纹,用于铝材,冷轧钢材,以及其它韧性材料。
为了减轻我司工艺工程师画展开图的工作量,同时也为了规范华为设计、文档管理以及方便后续更改,希望华为提供Pro/E模块.提供之模块必须按我方提供的如下参数建模:
1>折弯内R角统一为R0.5(除特殊情况外).
2>Pro/E模型按标准建,都能展开.
3>工艺缺口以2mm宽,孔一般为F2或F3为建模标准.
4>Pro/E模型必须与图面文档一致.
5>基本按我方提供的折弯参数表建模(参数表已发师菁处)
6>压铆类及攻丝类底孔应与我司提供的参数一致.(见下表)
压铆件、攻丝、抽牙底孔表。
压铆螺件底孔尺寸表-实用版,要收藏!
问:我也是钣金人,怎么加入组织?
答:点击标题下方蓝色“钣金学习网”关注!
进入公众号按照下图点击精品文章查看更多钣金知识
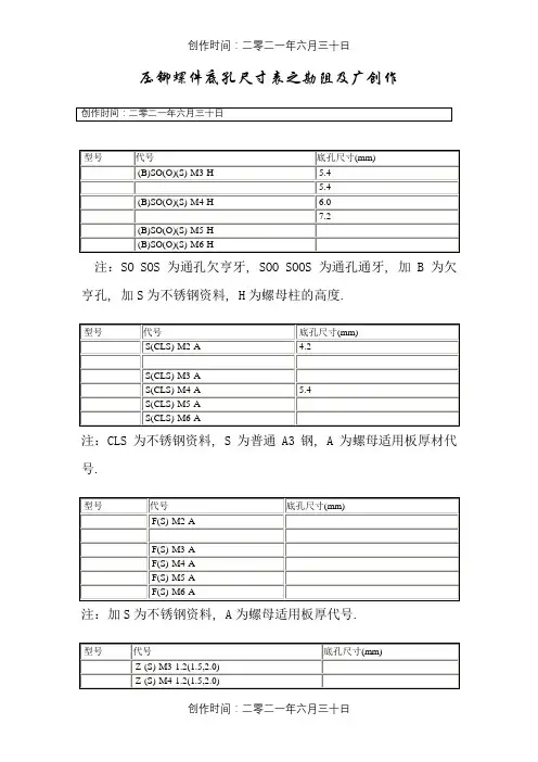
压铆螺件底孔尺寸表
1.压铆螺母柱
注:SO SOS 为通孔不通牙,SOO SOOS 为通孔通牙,加B为不通孔,
加S为不锈钢材料,H为螺母柱的高度。
2.压铆螺母
注:CLS为不锈钢材料,S为普通A3钢,A为螺母适用板厚材代号。
3.镶入螺母
注:加S为不锈钢材料,A为螺母适用板厚代号。
4.涨铆螺母
注:加S为不锈钢材料,1.2、1.5、2.0为常用适用板厚。
5.压铆螺钉
注:加S为不锈钢材料,FH为圆头,NFH为六角头,L为螺钉总长度。