齿轮齿形齿向测量说明书
- 格式:doc
- 大小:9.83 MB
- 文档页数:38
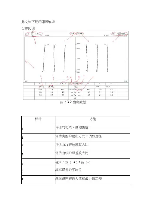
图13.2 齿廓数据图13.3 螺旋线数据螺旋线报告单上数据的意思同齿廓数据报告单。
扭曲检查报告单上各个数据的意思。
图 13.4 扭曲检查报告单扭曲检查除齿号的表示方式与正常检查有些不一样,其余的通上。
6a代表的意思是测量的是第6号齿靠齿根的曲线,6b代表的意思是测量的是第6号齿靠近齿轮中间的曲线,6c代表的意思是测量的是第6号齿靠近齿顶的曲线。
齿距测量报告单测量曲线的量值数据包含以下量值:《单个齿距误差》 fpt(max)《齿距累积误差》Fp《相邻齿距误差》fu《齿距变化范围》Rp《K个齿距累积误差》Fpz/8《跳动误差》Fr超差的量值以粗体显示,量值的右列为允许的公差和评定出来的质量等级,图标如图13.5。
图 13.5 齿距测量报告单14 齿轮同侧齿面偏差的定义14.1 齿廓(齿形)形状偏差αf f齿廓(齿形)形状偏差是指在计值范围内,包容实际齿廓(齿形)迹线的两条与平均齿廓(齿形)迹线完全相同的曲线间的距离,且两条曲线与平均齿廓(齿形)迹线的距离为常数。
一齿面的齿廓(齿形)形状偏差αf f 等于该齿轮基圆的二条渐开线之间的距离,此二渐开线贴紧齿廓(齿形)检查范围内的实际齿廓(齿形),并计入渐开线形状的予计偏差。
齿廓(齿形)形状偏差还包括齿廓(齿形)起伏的深度。
αf f齿廓(齿形)形状偏差αL 齿廓(齿形)检查范围 BB 实际渐开线的平均线''B B , ''''B B 实际渐开线的平均线的包络平行线14.2 齿廓(齿形)角度偏差αH f齿廓(齿形)斜率偏差是指在计值范围内的两端与平均齿廓(齿形)迹线相交的两条设计齿廓(齿形)迹线间的距离。
齿廓(齿形)角度偏差αH f 为二条名义齿廓(齿形)''C C 和''''C C 之间的距离,它们与平均齿廓(齿形)相交于齿廓(齿形)检查范围的始点或终点,即名义齿廓(齿形)被一斜线修正。
齿轮检测报告单说明(完整资料).doc齿轮检测报告单以下是齿轮检测报告单中各项数据的意义:1.齿廓数据:用于评估齿轮的形状,包括评估类型、输出方式、长度放大比、误差放大比、材料、斜率误差的平均值、斜率误差的最大值和最小值之差。
2.螺旋线数据:用于评估齿轮的螺旋线形状,包括测量齿的编号、左齿面的评估等级、标准类型、右齿面的评估等级以及对应等级的公差。
3.扭曲检查报告单:除了齿号表示方式与正常检查不同外,其余数据与齿廓数据报告单相同。
例如,6a代表测量的是第6号齿靠齿根的曲线,6b代表测量的是第6号齿靠近齿轮中间的曲线,6c代表测量的是第6号齿靠近齿顶的曲线。
4.齿距测量报告单:包括单个齿距误差、齿距累积误差、相邻齿距误差、齿距变化范围、K个齿距累积误差和跳动误差等量值数据。
超差的量值以粗体显示,右列为允许的公差和评定出来的质量等级。
5.齿轮同侧齿面偏差的定义:包括齿廓(齿形)形状偏差和齿廓(齿形)角度偏差。
其中,齿廓(齿形)形状偏差是指在计值范围内,包容实际齿廓(齿形)迹线的两条与平均齿廓(齿形)迹线完全相同的曲线间的距离,且两条曲线与平均齿廓(齿形)迹线的距离为常数。
齿廓(齿形)角度偏差是指在计值范围内的两端与平均齿廓(齿形)迹线相交的两条设计齿廓(齿形)迹线间的距离。
The length (in microns) within the n range L is often used to describe the tooth profile。
The positive and negative ns of the tooth profile angle fHα are defined as follows: Positive ns occur when the actual involute protrudes ard (on the air side) in the XXX the actual involute retracts inward (on the gear material side) in the n of increasing rolling length。
JD 系列齿轮测量中心测量控制及误差评值软件说明书(圆柱齿轮)哈尔滨精达测量仪器有限公司1.软件简介欢迎使用哈尔滨精达测量仪器有限公司JD型齿轮测量中心测量控制及齿轮微机误差数据采集及误差评值软件系统。
齿轮量仪测控及齿轮误差评值软件系统GIES(Aotomated Gear Inspecting & Evaluating Software System)是齿轮量仪应用通用微机进行高精度闭环轨迹数控、测量数据采集、数据处理,按国际齿轮精度标准对齿轮检测控制及对测量结果进行误差评值的软件系统。
该系统结合齿轮测量中心的测量特点,全汉化弹出式结构,人机接口方便实用。
电子展成式齿轮测量中心系统简介电子展成式齿轮测量中心是依据坐标测量原理。
由Φ、X、Y、Z四个高精度测量坐标轴组成的测量系统。
根据被测对象的需要可分别采用直角坐标、法向极坐标、柱面坐标等不同坐标系,建立测量对象的数学模型,通过计算机闭环数字控制,插补实现测量头的空间轨迹,由测微式测量头测量被测参数的实际误差、高速测量数据采集,并由计算机测量软件完成测量数据分析,按照齿轮误差理论及齿轮精度标准对测量数据进行误差评值、生成测量报告、输出测量结果,对齿轮加工机床进行调整或对齿轮质量进行验收。
图1-1是齿轮测量中心系统组成1、测量主机2、计算机系统3、打印机4、微机工作台GIES软件系统的特点1)全自动控制仪器测量动作、数据采集、误差补偿、测量结果误差评值及测量结果输出等功能;2)通用弹出式菜单完成测量参数输入、测量方式设置、误差评值标准选择,测量数据存盘等功能,屏幕显示彩色测量报告单;3)根据输入齿轮基本参数(齿数、模数、压力角、变位系数等)自动计算出测量评定长度等测量数据、可自动和人工选择长度和误差放大比;4)手工选齿、四分或三分左右面测量及测量结果存盘、打印;按GB10095-2001标准、ISO标准、或其他可选的齿轮标准(如DIN、ANSI/AGMA等)对凸形、修缘等设计齿形、齿向、齿距进行误差评值;具有齿廓、螺旋线修缘量及修缘长度评定功能;5)可对被测齿轮的受检范围精确确定,微机自动确定起测、起评、终评、终测四点位置,其中齿形测量起评位置按标准齿条啮合确定,并且误差评定范围可由用户根据图纸或测量要求在菜单上改变;6)齿廓、螺旋线误差测量结果评定位置(起评、终评点)可以在屏幕上方便改变,重新设定;7)具有“K”形框图误差评定功能;8)具有“三压力角”误差评定功能;9)精度等级评定按照 GB10095-2001标准、ISO标准,预先确定精度等级,对超差误差项目作出标记;10)激光打印机输出测量结果(误差曲线及数值),可选择输出各种国际通用格式或用户要求格式的齿轮测量报告单;11)按用户要求特殊提供测量软件输出格式(如在测量报告单上输出用户方厂名、名标及产品编号、日期、检验员签字等);硬件组成:1)精密测量主机(圆回转转台及X、Y、Z直线坐标舟);2)测微式测量传感器、高精度光栅编码;3)CNC闭环数控系统;4)系统微机及激光针打印机;5)数据采集电路(光栅记数、A/D转换、接口);软件功能齿轮:齿廓(Fα、ffα、fHα、Cα)、螺旋线(Fβ、ffβ、fHβ、Cβ)、齿距(fpt、fu、Fp)、径跳(Fr);2.软件结构分类.软件系统所要求的软、硬件环境:JD型齿轮测量软件系统所要求的硬件环境为 PII、128M内存以上的微机系统,软件应采用MS-DOS 以上版本。
齿轮齿形齿向测量说明书-CAL-FENGHAI.-(YICAI)-Company One1JD 系列齿轮测量中心测量控制及误差评值软件说明书(圆柱齿轮)哈尔滨精达测量仪器有限公司1.软件简介欢迎使用哈尔滨精达测量仪器有限公司JD型齿轮测量中心测量控制及齿轮微机误差数据采集及误差评值软件系统。
齿轮量仪测控及齿轮误差评值软件系统GIES(Aotomated Gear Inspecting & Evaluating Software System)是齿轮量仪应用通用微机进行高精度闭环轨迹数控、测量数据采集、数据处理,按国际齿轮精度标准对齿轮检测控制及对测量结果进行误差评值的软件系统。
该系统结合齿轮测量中心的测量特点,全汉化弹出式结构,人机接口方便实用。
电子展成式齿轮测量中心系统简介电子展成式齿轮测量中心是依据坐标测量原理。
由Φ、X、Y、Z四个高精度测量坐标轴组成的测量系统。
根据被测对象的需要可分别采用直角坐标、法向极坐标、柱面坐标等不同坐标系,建立测量对象的数学模型,通过计算机闭环数字控制,插补实现测量头的空间轨迹,由测微式测量头测量被测参数的实际误差、高速测量数据采集,并由计算机测量软件完成测量数据分析,按照齿轮误差理论及齿轮精度标准对测量数据进行误差评值、生成测量报告、输出测量结果,对齿轮加工机床进行调整或对齿轮质量进行验收。
图1-1是齿轮测量中心系统组成1、测量主机2、计算机系统3、打印机4、微机工作台GIES软件系统的特点1)全自动控制仪器测量动作、数据采集、误差补偿、测量结果误差评值及测量结果输出等功能;2)通用弹出式菜单完成测量参数输入、测量方式设置、误差评值标准选择,测量数据存盘等功能,屏幕显示彩色测量报告单;3)根据输入齿轮基本参数(齿数、模数、压力角、变位系数等)自动计算出测量评定长度等测量数据、可自动和人工选择长度和误差放大比;4)手工选齿、四分或三分左右面测量及测量结果存盘、打印;按GB10095-2001标准、ISO标准、或其他可选的齿轮标准(如DIN、ANSI/AGMA等)对凸形、修缘等设计齿形、齿向、齿距进行误差评值;具有齿廓、螺旋线修缘量及修缘长度评定功能;5)可对被测齿轮的受检范围精确确定,微机自动确定起测、起评、终评、终测四点位置,其中齿形测量起评位置按标准齿条啮合确定,并且误差评定范围可由用户根据图纸或测量要求在菜单上改变;6)齿廓、螺旋线误差测量结果评定位置(起评、终评点)可以在屏幕上方便改变,重新设定;7)具有“K”形框图误差评定功能;8)具有“三压力角”误差评定功能;9)精度等级评定按照 GB10095-2001标准、ISO标准,预先确定精度等级,对超差误差项目作出标记;10)激光打印机输出测量结果(误差曲线及数值),可选择输出各种国际通用格式或用户要求格式的齿轮测量报告单;11)按用户要求特殊提供测量软件输出格式(如在测量报告单上输出用户方厂名、名标及产品编号、日期、检验员签字等);硬件组成:1)精密测量主机(圆回转转台及X、Y、Z直线坐标舟);2)测微式测量传感器、高精度光栅编码;3)CNC闭环数控系统;4)系统微机及激光针打印机;5)数据采集电路(光栅记数、A/D转换、接口);软件功能齿轮:齿廓(Fα、f fα、f Hα、Cα)、螺旋线(Fβ、f fβ、f Hβ、Cβ)、齿距(fpt、fu、Fp)、径跳(Fr);2.软件结构分类.软件系统所要求的软、硬件环境:JD型齿轮测量软件系统所要求的硬件环境为 PII、128M内存以上的微机系统,软件应采用MS-DOS 以上版本。
此文档下载后即可编辑齿廓数据图13.2 齿廓数据螺旋线数据图13.3 螺旋线数据螺旋线报告单上数据的意思同齿廓数据报告单。
扭曲检查报告单上各个数据的意思。
图13.4 扭曲检查报告单扭曲检查除齿号的表示方式与正常检查有些不一样,其余的通上。
6a 代表的意思是测量的是第6 号齿靠齿根的曲线,6b 代表的意思是测量的是第6 号齿靠近齿轮中间的曲线,6c代表的意思是测量的是第6 号齿靠近齿顶的曲线。
齿距测量报告单测量曲线的量值数据包含以下量值:《单个齿距误差》fpt(max) 《齿距累积误差》Fp 《相邻齿距误差》fu 《齿距变化范围》Rp 《K 个齿距累积误差》Fpz/8 《跳动误差》Fr超差的量值以粗体显示,量值的右列为允许的公差和评定出来的质量等级,图标如图13.5。
图13.5 齿距测量报告单14 齿轮同侧齿面偏差的定义14.1 齿廓(齿形)形状偏差f f 齿廓(齿形)形状偏差是指在计值范围内,包容实际齿廓(齿形)迹线的两条与平均齿廓(齿形)迹线完全相同的曲线间的距离,且两条曲线与平均齿廓(齿形)迹线的距离为常数。
一齿面的齿廓(齿形)形状偏差 f f等于该齿轮基圆的二条渐开线之间的距离,此二渐开线贴紧齿廓(齿形)检查范围内的实际齿廓(齿形),并计入渐开线形状的予计偏差。
齿廓(齿形)形状偏差还包括齿廓(齿形)起伏的深度。
f 齿廓(齿形)形状偏差齿廓(齿形)检查范围BB 实际渐开线的平均线B'B', B''B''实际渐开线的平均线的包络平行线14.2 齿廓(齿形)角度偏差f H 齿廓(齿形)斜率偏差是指在计值范围内的两端与平均齿廓(齿形)迹线相交的两条设计齿廓(齿形)迹线间的距离。
齿廓(齿形)角度偏差f H 为二条名义齿廓(齿形)C'C'和 C ''C'' 之间的距离,它们与平均齿廓(齿形)相交于齿廓(齿形)检查范围的始点或终点,即名义齿廓(齿形)被一斜线修正。
JD 系列齿轮测量中心测量控制及误差评值软件说明书(圆柱齿轮)哈尔滨精达测量仪器有限公司1.软件简介欢迎使用哈尔滨精达测量仪器有限公司JD型齿轮测量中心测量控制及齿轮微机误差数据采集及误差评值软件系统。
齿轮量仪测控及齿轮误差评值软件系统GIES(Aotomated Gear Inspecting &Evaluating Software System)是齿轮量仪应用通用微机进行高精度闭环轨迹数控、测量数据采集、数据处理,按国际齿轮精度标准对齿轮检测控制及对测量结果进行误差评值的软件系统。
该系统结合齿轮测量中心的测量特点,全汉化弹出式结构,人机接口方便实用。
1.1电子展成式齿轮测量中心系统简介电子展成式齿轮测量中心是依据坐标测量原理。
由Φ、X、Y、Z四个高精度测量坐标轴组成的测量系统。
根据被测对象的需要可分别采用直角坐标、法向极坐标、柱面坐标等不同坐标系,建立测量对象的数学模型,通过计算机闭环数字控制,插补实现测量头的空间轨迹,由测微式测量头测量被测参数的实际误差、高速测量数据采集,并由计算机测量软件完成测量数据分析,按照齿轮误差理论及齿轮精度标准对测量数据进行误差评值、生成测量报告、输出测量结果,对齿轮加工机床进行调整或对齿轮质量进行验收。
图1-1是齿轮测量中心系统组成1、测量主机2、计算机系统3、打印机4、微机工作台1.2 GIES软件系统的特点1)全自动控制仪器测量动作、数据采集、误差补偿、测量结果误差评值及测量结果输出等功能;2)通用弹出式菜单完成测量参数输入、测量方式设置、误差评值标准选择,测量数据存盘等功能,屏幕显示彩色测量报告单;3)根据输入齿轮基本参数(齿数、模数、压力角、变位系数等)自动计算出测量评定长度等测量数据、可自动和人工选择长度和误差放大比;4)手工选齿、四分或三分左右面测量及测量结果存盘、打印;按GB10095-2001标准、ISO标准、或其他可选的齿轮标准(如DIN、ANSI/AGMA等)对凸形、修缘等设计齿形、齿向、齿距进行误差评值;具有齿廓、螺旋线修缘量及修缘长度评定功能;5)可对被测齿轮的受检范围精确确定,微机自动确定起测、起评、终评、终测四点位置,其中齿形测量起评位置按标准齿条啮合确定,并且误差评定范围可由用户根据图纸或测量要求在菜单上改变;6)齿廓、螺旋线误差测量结果评定位置(起评、终评点)可以在屏幕上方便改变,重新设定;7)具有“K”形框图误差评定功能;8)具有“三压力角”误差评定功能;9)精度等级评定按照GB10095-2001标准、ISO标准,预先确定精度等级,对超差误差项目作出标记;10)激光打印机输出测量结果(误差曲线及数值),可选择输出各种国际通用格式或用户要求格式的齿轮测量报告单;11)按用户要求特殊提供测量软件输出格式(如在测量报告单上输出用户方厂名、名标及产品编号、日期、检验员签字等);1.3 硬件组成:1)精密测量主机(圆回转转台及X、Y、Z直线坐标舟);2)测微式测量传感器、高精度光栅编码;3)CNC闭环数控系统;4)系统微机及激光针打印机;5)数据采集电路(光栅记数、A/D转换、接口);1.4软件功能齿轮:齿廓(Fα、f fα、f Hα、Cα)、螺旋线(Fβ、f fβ、f Hβ、Cβ)、齿距(fpt、fu、Fp)、径跳(Fr);2.软件结构分类2.1.软件系统所要求的软、硬件环境:JD型齿轮测量软件系统所要求的硬件环境为PII、128M内存以上的微机系统,软件应采用MS-DOS V5.0以上版本。
JD 系列齿轮测量中心测量控制及误差评值软件说明书(圆柱齿轮)哈尔滨精达测量仪器有限公司1.软件简介欢迎使用哈尔滨精达测量仪器有限公司JD型齿轮测量中心测量控制及齿轮微机误差数据采集及误差评值软件系统。
齿轮量仪测控及齿轮误差评值软件系统GIES(Aotomated Gear Inspecting &Evaluating Software System)是齿轮量仪应用通用微机进行高精度闭环轨迹数控、测量数据采集、数据处理,按国际齿轮精度标准对齿轮检测控制及对测量结果进行误差评值的软件系统。
该系统结合齿轮测量中心的测量特点,全汉化弹出式结构,人机接口方便实用。
1.1电子展成式齿轮测量中心系统简介电子展成式齿轮测量中心是依据坐标测量原理。
由Φ、X、Y、Z四个高精度测量坐标轴组成的测量系统。
根据被测对象的需要可分别采用直角坐标、法向极坐标、柱面坐标等不同坐标系,建立测量对象的数学模型,通过计算机闭环数字控制,插补实现测量头的空间轨迹,由测微式测量头测量被测参数的实际误差、高速测量数据采集,并由计算机测量软件完成测量数据分析,按照齿轮误差理论及齿轮精度标准对测量数据进行误差评值、生成测量报告、输出测量结果,对齿轮加工机床进行调整或对齿轮质量进行验收。
图1-1是齿轮测量中心系统组成1、测量主机2、计算机系统3、打印机4、微机工作台1.2 GIES软件系统的特点1)全自动控制仪器测量动作、数据采集、误差补偿、测量结果误差评值及测量结果输出等功能;2)通用弹出式菜单完成测量参数输入、测量方式设置、误差评值标准选择,测量数据存盘等功能,屏幕显示彩色测量报告单;3)根据输入齿轮基本参数(齿数、模数、压力角、变位系数等)自动计算出测量评定长度等测量数据、可自动和人工选择长度和误差放大比;4)手工选齿、四分或三分左右面测量及测量结果存盘、打印;按GB10095-2001标准、ISO标准、或其他可选的齿轮标准(如DIN、ANSI/AGMA等)对凸形、修缘等设计齿形、齿向、齿距进行误差评值;具有齿廓、螺旋线修缘量及修缘长度评定功能;5)可对被测齿轮的受检范围精确确定,微机自动确定起测、起评、终评、终测四点位置,其中齿形测量起评位置按标准齿条啮合确定,并且误差评定范围可由用户根据图纸或测量要求在菜单上改变;6)齿廓、螺旋线误差测量结果评定位置(起评、终评点)可以在屏幕上方便改变,重新设定;7)具有“K”形框图误差评定功能;8)具有“三压力角”误差评定功能;9)精度等级评定按照GB10095-2001标准、ISO标准,预先确定精度等级,对超差误差项目作出标记;10)激光打印机输出测量结果(误差曲线及数值),可选择输出各种国际通用格式或用户要求格式的齿轮测量报告单;11)按用户要求特殊提供测量软件输出格式(如在测量报告单上输出用户方厂名、名标及产品编号、日期、检验员签字等);1.3 硬件组成:1)精密测量主机(圆回转转台及X、Y、Z直线坐标舟);2)测微式测量传感器、高精度光栅编码;3)CNC闭环数控系统;4)系统微机及激光针打印机;5)数据采集电路(光栅记数、A/D转换、接口);1.4软件功能齿轮:齿廓(Fα、f fα、f Hα、Cα)、螺旋线(Fβ、f fβ、f Hβ、Cβ)、齿距(fpt、fu、Fp)、径跳(Fr);2.软件结构分类2.1.软件系统所要求的软、硬件环境:JD型齿轮测量软件系统所要求的硬件环境为PII、128M内存以上的微机系统,软件应采用MS-DOS V5.0以上版本。
JD 系列齿轮测量中心测量控制及误差评值软件说明书(圆柱齿轮)哈尔滨精达测量仪器有限公司1.软件简介欢迎使用哈尔滨精达测量仪器有限公司JD型齿轮测量中心测量控制及齿轮微机误差数据采集及误差评值软件系统。
齿轮量仪测控及齿轮误差评值软件系统GIES(Aotomated Gear Inspecting &Evaluating Software System)是齿轮量仪应用通用微机进行高精度闭环轨迹数控、测量数据采集、数据处理,按国际齿轮精度标准对齿轮检测控制及对测量结果进行误差评值的软件系统。
该系统结合齿轮测量中心的测量特点,全汉化弹出式结构,人机接口方便实用。
1.1电子展成式齿轮测量中心系统简介电子展成式齿轮测量中心是依据坐标测量原理。
由Φ、X、Y、Z四个高精度测量坐标轴组成的测量系统。
根据被测对象的需要可分别采用直角坐标、法向极坐标、柱面坐标等不同坐标系,建立测量对象的数学模型,通过计算机闭环数字控制,插补实现测量头的空间轨迹,由测微式测量头测量被测参数的实际误差、高速测量数据采集,并由计算机测量软件完成测量数据分析,按照齿轮误差理论及齿轮精度标准对测量数据进行误差评值、生成测量报告、输出测量结果,对齿轮加工机床进行调整或对齿轮质量进行验收。
图1-1是齿轮测量中心系统组成1、测量主机2、计算机系统3、打印机4、微机工作台1.2 GIES软件系统的特点1)全自动控制仪器测量动作、数据采集、误差补偿、测量结果误差评值及测量结果输出等功能;2)通用弹出式菜单完成测量参数输入、测量方式设置、误差评值标准选择,测量数据存盘等功能,屏幕显示彩色测量报告单;3)根据输入齿轮基本参数(齿数、模数、压力角、变位系数等)自动计算出测量评定长度等测量数据、可自动和人工选择长度和误差放大比;4)手工选齿、四分或三分左右面测量及测量结果存盘、打印;按GB10095-2001标准、ISO标准、或其他可选的齿轮标准(如DIN、ANSI/AGMA等)对凸形、修缘等设计齿形、齿向、齿距进行误差评值;具有齿廓、螺旋线修缘量及修缘长度评定功能;5)可对被测齿轮的受检范围精确确定,微机自动确定起测、起评、终评、终测四点位置,其中齿形测量起评位置按标准齿条啮合确定,并且误差评定范围可由用户根据图纸或测量要求在菜单上改变;6)齿廓、螺旋线误差测量结果评定位置(起评、终评点)可以在屏幕上方便改变,重新设定;7)具有“K”形框图误差评定功能;8)具有“三压力角”误差评定功能;9)精度等级评定按照GB10095-2001标准、ISO标准,预先确定精度等级,对超差误差项目作出标记;10)激光打印机输出测量结果(误差曲线及数值),可选择输出各种国际通用格式或用户要求格式的齿轮测量报告单;11)按用户要求特殊提供测量软件输出格式(如在测量报告单上输出用户方厂名、名标及产品编号、日期、检验员签字等);1.3 硬件组成:1)精密测量主机(圆回转转台及X、Y、Z直线坐标舟);2)测微式测量传感器、高精度光栅编码;3)CNC闭环数控系统;4)系统微机及激光针打印机;5)数据采集电路(光栅记数、A/D转换、接口);1.4软件功能齿轮:齿廓(Fα、f fα、f Hα、Cα)、螺旋线(Fβ、f fβ、f Hβ、Cβ)、齿距(fpt、fu、Fp)、径跳(Fr);2.软件结构分类2.1.软件系统所要求的软、硬件环境:JD型齿轮测量软件系统所要求的硬件环境为PII、128M内存以上的微机系统,软件应采用MS-DOS V5.0以上版本。
齿廓数据标号功能评估的类型,例如齿廓1评估类型的输出方式,例如直径23评估曲线的长度放大比4评估曲线的误差放大比5材料:正(+)/负(-)斜率误差的平均值67斜率误差的最大值和最小值之差测量齿的编号89评估曲线的左齿面的评估等级螺旋线数据图13.3螺旋线数据螺旋线报告单上数据的意思同齿廓数据报告单扭曲检查报告单上各个数据的意思。
图13.4扭曲检查报告单扭曲检查除齿号的表示方式与正常检查有些不一样,其余的通上。
6a代表的意思是测量的是第6号齿靠齿根的曲线,6b代表的意思是测量的是第6号齿靠近齿轮中间的曲线,6c代表的意思是测量的是第6号齿靠近齿顶的曲线。
齿距测量报告单测量曲线的量值数据包含以下量值:单个齿距误差》fpt(max)〈齿距累积误差》Fp相邻齿距误差》f u〈齿距变化范围》Rp〈K个齿距累积误差》Fpz/8〈跳动误差》Fr超差的量值以粗体显示,量值的右列为允许的公差和评定出来的质量等级,图标如图13.5图13.5齿距测量报告单岭臥国智达测挖枚术自阻瓷呵* * £T1 *« * 1 * ucKn■■ 1b ' ' 4-■ 7 *'t"■ W4U =■•*<3PTTO■ *«■*<■ El *^***nm1 ■■亠 ASRI *■屮盘毀幣 -------------- :•僭曲・aniMMiq *■ ar 43»Tf JMR*1 IffJfftveo1H*ABd.TaE |14*IT I a f 聖16 Q - ■ i 4 El ■ — ■粛 i 怙&A!» ■耐尊兰5 ~ZTT■w S F 5 阿匚8 * ・:K 39C”"BT--~3"Z?TH14齿轮同侧齿面偏差的定义14.1齿廓(齿形)形状偏差ff :・齿廓(齿形)形状偏差是指在计值范围内,包容实际齿廓(齿形)迹线的 两条与平均齿廓(齿形)迹线完全相同的曲线间的距离,且两条曲线与平均齿 廓(齿形)迹线的距离为常数。
JC25型齿形齿向测量仪技术介绍哈尔滨智达测控技术有限公司一、仪器说明作为采用国际流行的以“单盘直尺”原理完成齿轮测量的机械展成式齿轮量仪,JC25型齿廓螺旋线测量仪产品,对产品进行了全新的结构布局设计,应用进口精密光栅、角向数显分度、数据采集、光栅定位、通用微机和激光打印机进行测量结果的误差评值输出等最新技术,配备符合多种齿轮误差评值标准,为用户提供一种适用性强、操作简便、高精度、高效率的新型齿轮量仪。
该类仪器广泛应用于汽车、摩托车齿轮制造行业完成齿轮和剃齿刀、插齿刀的齿形(渐开线)、齿向(螺旋线)误差的测量。
1、仪器主要技术参数被测齿轮模数----------------------------------------- 0.5~6 mm工件最大外圆直径------------------------------------- 280 mm工件基圆直径 ---------------------------------------- 6~235 mm上下顶尖距离----------------------------------------- 10~340 mm测头至下顶尖距离------------------------------------- 0~240 mm工件最大齿宽----------------------------------------- 50 mm工件最大螺旋角--------------------------------------- 80°工件最高精度等级------------------------------------- (4)5级2、主要精度指标:见附表13、 仪器主要测量功能渐开线(齿形)Fα、f fα、f Hα、Cα;螺旋线(齿向)Fβ、f fβ、f Hβ、Cβ;4、 仪器特点齿轮测量仪硬件组成主要包括:机械主机、测微电感测量传感器、高精度定位光栅系统、数据采集误差评值系统及通用微机打印机等部分组成;4.1机械主机主机采用台式布局,包括一个密珠轴系、X、Y、Z三个直线导轨、直尺、斜锲机构等组成的单盘式齿轮测量系统、电感测微测量头、上下顶尖座、操作指示面板等几个主要部件。
JD 系列齿轮测量中心
测量控制及误差评值软件
说明书
(圆柱齿轮)
哈尔滨精达测量仪器有限公司
1.软件简介
欢迎使用哈尔滨精达测量仪器有限公司JD型齿轮测量中心测量控制及齿轮微机误差数据采集及误差评值软件系统。
齿轮量仪测控及齿轮误差评值软件系统GIES(Aotomated Gear Inspecting &Evaluating Software System)是齿轮量仪应用通用微机进行高精度闭环轨迹数控、测量数据采集、数据处理,按国际齿轮精度标准对齿轮检测控制及对测量结果进行误差评值的软件系统。
该系统结合齿轮测量中心的测量特点,全汉化弹出式结构,人机接口方便实用。
1.1电子展成式齿轮测量中心系统简介
电子展成式齿轮测量中心是依据坐标测量原理。
由Φ、X、Y、Z四个高精度测量坐标轴组成的测量系统。
根据被测对象的需要可分别采用直角坐标、法向极坐标、柱面坐标等不同坐标系,建立测量对象的数学模型,通过计算机闭环数字控制,插补实现测量头的空间轨迹,由测微式测量头测量被测参数的实际误差、高速测量数据采集,并由计算机测量软件完成测量数据分析,按照齿轮误差理论及齿轮精度标准对测量数据进行误差评值、生成测量报告、输出测量结果,对齿轮加工机床进行调整或对齿轮质量进行验收。
图1-1是齿轮测量中心系统组成
1、测量主机
2、计算机系统
3、打印机
4、微机工作台。
JD 系列齿轮测量中心测量控制及误差评值软件说明书(圆柱齿轮)哈尔滨精达测量仪器有限公司1.软件简介欢迎使用哈尔滨精达测量仪器有限公司JD型齿轮测量中心测量控制及齿轮微机误差数据采集及误差评值软件系统。
齿轮量仪测控及齿轮误差评值软件系统GIES(Aotomated Gear Inspecting &Evaluating Software System)是齿轮量仪应用通用微机进行高精度闭环轨迹数控、测量数据采集、数据处理,按国际齿轮精度标准对齿轮检测控制及对测量结果进行误差评值的软件系统。
该系统结合齿轮测量中心的测量特点,全汉化弹出式结构,人机接口方便实用。
电子展成式齿轮测量中心系统简介电子展成式齿轮测量中心是依据坐标测量原理。
由Φ、X、Y、Z四个高精度测量坐标轴组成的测量系统。
根据被测对象的需要可分别采用直角坐标、法向极坐标、柱面坐标等不同坐标系,建立测量对象的数学模型,通过计算机闭环数字控制,插补实现测量头的空间轨迹,由测微式测量头测量被测参数的实际误差、高速测量数据采集,并由计算机测量软件完成测量数据分析,按照齿轮误差理论及齿轮精度标准对测量数据进行误差评值、生成测量报告、输出测量结果,对齿轮加工机床进行调整或对齿轮质量进行验收。
图1-1是齿轮测量中心系统组成1、测量主机2、计算机系统3、打印机4、微机工作台GIES软件系统的特点1)全自动控制仪器测量动作、数据采集、误差补偿、测量结果误差评值及测量结果输出等功能;2)通用弹出式菜单完成测量参数输入、测量方式设置、误差评值标准选择,测量数据存盘等功能,屏幕显示彩色测量报告单;3)根据输入齿轮基本参数(齿数、模数、压力角、变位系数等)自动计算出测量评定长度等测量数据、可自动和人工选择长度和误差放大比;4)手工选齿、四分或三分左右面测量及测量结果存盘、打印;按GB10095-2001标准、ISO标准、或其他可选的齿轮标准(如DIN、ANSI/AGMA等)对凸形、修缘等设计齿形、齿向、齿距进行误差评值;具有齿廓、螺旋线修缘量及修缘长度评定功能;5)可对被测齿轮的受检范围精确确定,微机自动确定起测、起评、终评、终测四点位置,其中齿形测量起评位置按标准齿条啮合确定,并且误差评定范围可由用户根据图纸或测量要求在菜单上改变;6)齿廓、螺旋线误差测量结果评定位置(起评、终评点)可以在屏幕上方便改变,重新设定;7)具有“K”形框图误差评定功能;8)具有“三压力角”误差评定功能;9)精度等级评定按照GB10095-2001标准、ISO标准,预先确定精度等级,对超差误差项目作出标记;10)激光打印机输出测量结果(误差曲线及数值),可选择输出各种国际通用格式或用户要求格式的齿轮测量报告单;11)按用户要求特殊提供测量软件输出格式(如在测量报告单上输出用户方厂名、名标及产品编号、日期、检验员签字等);硬件组成:1)精密测量主机(圆回转转台及X、Y、Z直线坐标舟);2)测微式测量传感器、高精度光栅编码;3)CNC闭环数控系统;4)系统微机及激光针打印机;5)数据采集电路(光栅记数、A/D转换、接口);软件功能齿轮:齿廓(Fα、f fα、f Hα、Cα)、螺旋线(Fβ、f fβ、f Hβ、Cβ)、齿距(fpt、fu、Fp)、径跳(Fr);2.软件结构分类.软件系统所要求的软、硬件环境:JD型齿轮测量软件系统所要求的硬件环境为PII、128M内存以上的微机系统,软件应采用MS-DOS 以上版本。
JD型齿轮测量软件系统要求使用高端内存,微机起动时在文件中应包括由MS-DOS提供的文件。
.软件系统的安装操作如下:首先,将带有程序的优盘与电脑连接;然后将软件释放到D盘的根目录下;之后将软件目录下C盘文件夹中的、文件拷到C盘的根目录下覆盖原来的文件;最后,察看硬盘的最后一个磁盘分区的盘符,并回到D盘中的软件的安装目录中打开sysset.$$$文件,找到第98个参数将其改为最后一个盘符英文字母的下一个字母(假如最后一个硬盘的盘符为F,这将第98个参数改为98:Ram_D =g: ; )。
到此软件安装完成,重新启动计算机后就可以进入软件了。
(此过程由技术人员完成).该软件系统从结构上分类包括以下内容:和测量对象相关人机操作界面模块:数据输入、测量选择、系统设置、数据计算、参数入库等;和测量任务相关的测量控制模块:包括系统复位、测头校正、系统自检、操作提示,过程显示等;和闭环数控系统相关的动作控制模块:是实现自动测量任务的基础;和精密基准传感器相关数据采集模块:包括实时数据锁存采集,A/D转换、接口驱动、数据传输,数据保存;和齿轮误差理论相关的齿轮误差评值软件模块:按齿轮误差评定标准进行误差评值,处理测量结果(包括曲线和数值);测量结果输出模块:以通用激光打印机输出国际标准格式的测量结果报告单;.从测量功能上划分,该软件系统包括:(1)仪器基准样板精度校正功能;(2)圆柱齿轮误差评值(包括误差分离、形状误差、角度误差、鼓形量、“K”曲线等);(3)齿轮刀具测量误差评值功能(插齿刀、剃齿刀、齿轮滚刀、拉刀等);(4)直齿锥齿轮测量误差评值功能;(5)弧锥齿轮测量误差评值功能;(6)圆柱回转体测量误差评值功能;(7)蜗轮蜗杆测量误差评值功能;3.软件功能、齿轮软件的测量项目齿形profile: f fα 齿形形状误差Profile form error f fαf Hα 齿形斜率误差Profile angle error f HαFα 齿形总误差Profile total error FαCα 齿形鼓形评定Profile crowning Cα齿向lead: f fβ 齿向形状误差Lead form error f fβf Hβ 齿向斜率误差Lead angle error f HβFβ 齿向总误差Lead total error FβCβ 齿向鼓形评定Lead crowning Cβ齿形齿向的均值f Hαm / f Hβm Mean vale f Hαm / f Hβm角度差值V Angle error variance V周节pitch: F p累计误差Cumulative pitch error Fpf pt齿距误差Adjacent pitch error fptf u相邻齿距差Difference between adjacent pitchs fu径跳Fr:F r径跳Runout error Fr齿轮同侧齿面的误差定义3.2.1、齿形形状误差f fα齿形形状误差是指在计值范围内,包容实际齿形迹线的两条与平均齿形迹线完全相同的曲线间的距离,且两条曲线与平均齿形迹线的距离为常数。
一齿面的齿形形状误差ffα等于该齿轮基圆的二条渐开线之间的距离, 此二渐开线贴紧齿形检查范围内的实际齿形, 并计入渐开线形状的予计误差.齿形形状误差还包括齿形起伏的深度.B‘B B“B‘f fαBB“Lαf fα齿形形状误差Lα齿形检查范围BB 实际渐开线的平均线B’B’, B”B”实际渐开线的平均线的包络平行线3.2.2、齿形角度误差f Hα齿形斜率误差使指在计值范围内的两端与平均齿形迹线相交的两条设计齿形迹线间的距离。
齿形角度误差fHα为二条名义齿形C’C’和C”C”之间的距离, 它们与平均齿形相交于齿形检查范围的始点或终点, 即名义齿形被一斜线修正. 齿形角度误差fHα常在齿形检查范围Lα内以长度(微米)给出.齿形角度误差fHα的正负规定如下:正: 在滚动长度增大的方向上, 实际渐开线向外(空气侧)突出.负: 在滚动长度增大的方向上, 实际渐开线向内(齿轮材料侧)缩入.f Hα齿形角度误差Lα齿形检查范围BB 实际齿形中线C’C’,C”C”名义齿形, 与齿形在检查范围的始点或终点3.2.3、齿形总误差Fα齿形总误差是指在计值范围内,包容实际齿形迹线的两条设计齿形迹线间的距离。
一齿面的齿形总误差fα为二名义齿形AA 和A”A”间的距离, 它们在齿形检查范围内紧贴齿面.予计的渐开线形状误差, 已计入AA和A”A”与直线的误差.Fα齿形总误差Lα齿形检查范围AA,A”A”包络实际齿面的名义齿形、齿形鼓形量Cα对有特殊坡度形状的齿形, 可给出称为深度鼓形量Cα, 它可为正值, 也可为负值。
下图表示由有鼓形Canom 的齿形评估图定出的Fα,fHα和ffα值。
在评估范围算出一回归抛物线, 作评估之用,此抛物线与评估范围二边线的交点连成一弦,与此弦平行的回归抛物线切线与弦之间的距离即为鼓形深度Cα, 它必须在Y 轴方向上。
Root TipLα齿形评估范围L AE包括齿顶部分的齿形评估范围L AF齿形测量范围(取量值的齿形范围)P1,P2通过最高点或最低点的名义包络抛物线(它们决定总误差Fα值)P1,P3通过最高点或最低点的实际包络抛物线(它们决定形状误差f fα)设计齿形(profile):设计齿廓是指符合设计规定的齿廓。
平均齿廓(profile):平均齿廓是指设计齿廓迹线的纵坐标减去一条斜直线的纵坐标后得到的一条迹线。
这条斜直线使得在计值范围内,实际齿廓迹线对平均齿廓迹线偏差的平方和最小,因此,平均齿廓迹线的位置和斜率可以用“最小二乘法”求得。
:设计齿廓:实际齿廓:平均齿廓ⅰ)设计齿廓:未修形的渐开线实际齿廓:在减薄区内具有偏向体内的负偏差ⅱ)设计齿廓:修形的渐开线(举例)实际齿廓:在减薄区内具有偏向体内的负偏差ⅲ)设计齿廓:修形的渐开线(举例)实际齿廓:在减薄区内具有偏向体外的正偏差a)齿廓总偏差b)齿廓形状偏差c)齿廓斜率偏差3.2.5、齿向形状误差ffβ齿向形状误差是指在计值范围内,包容实际螺旋线的两条与平均螺旋线迹完全相同的曲线间的距离,且两条曲线与平均螺旋线迹线的距离为常数。
一齿面的齿向形状误差ffβ是与实际齿向线平行的二包络线之间的距离, 这二线在齿向评估范围内紧贴实际的齿向(已考虑斜线形状的予计误差)。
齿向形状误差包含齿向起伏的深度。
ffβ齿向形状误差Lβ评估范围b 齿面宽BB 实际齿面的平均直线B’B’,B”B”实际齿向平均线的包络平行线(名义齿向)3.2.6、齿向角度误差fHβ齿向倾斜偏差是指在计值范围的两端与平均螺旋线迹线相交的设计螺旋线迹线间的距离。
齿向角度误差fHβ为二条名义齿向线之间的距离, 它们与实际齿向平均斜线相交于齿向评估范围的始点或终点它一般在齿向评估范围Lβ内以长度(微米) 给出fHβ齿向角度误差Lβ评估范围b 齿面宽BB 实际齿向的平均线C’C’,C”C”名义齿向线,与齿向线在评估范围的始点或终点相交3.2.7、齿向总误差Fβ齿向总误差是指在计值范围内,包容实际螺旋线的两条设计螺旋线迹线间的距离一齿面的齿向总误差Fβ为二名义齿向线间的距离, 该二线在齿向评估范围内与齿面包络紧贴.AA 和A”A”离开直线的误差已计入螺旋线的予计误差.Fβ齿向总误差Lβ评估范围b 齿面宽AA,A”A”包络实际齿面的名义齿向线3.2.8、齿向鼓形Cβ对有特殊坡度形状的齿向, 可给出称为齿向鼓形量Cβ ,它可为正值, 也可为负值。