配电与照明节能工程
- 格式:docx
- 大小:17.63 KB
- 文档页数:6
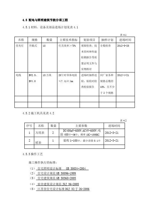
4.5 配电与照明建筑节能分项工程4.5.1材料、设备及部品进场计划见表4.14.5.2施工机具见表4.24.5.3操作工艺施工操作执行的标准:(1)住宅照明设计标准 GB 50034-2004 (2)住宅设计规范GB 50096-1999(3)住宅建筑规范GB 50368-2005(4)宿舍建筑设计规范JGJ 36-2005(5)江苏省住宅设计标准DGJ 32/J 26-2006(6)民用建筑电气设计规范JGJ 16-2008(7)江苏省民用建筑工程施工图设计文件(节能专项)编制深度规定1、工艺流程材料进场验收→管道预埋敷设→穿绝缘导线→线路检查及绝缘摇测→配电箱(柜安装)→灯具安装→面板安装→通电试验图4.1配电与照明系统施工流程2、准备工作(1)材料、设备进入施工现场时,查验、检查方法:照明光源、灯具,进场验收时应对其技术性能进行核查,并经监理工程师(建设单位代表)检查认可,形成相应的验收、核查记录。
质量证明文件和相关技术资料应齐全,并应符合国家现行有关标准和规定。
(2)材料进入施工现场卸车、堆放时,为避免材料破损所采取的措施:搬运设备及管材时,应小心轻放,避免油污,严禁剧烈撞击、与尖锐物品碰触和抛、摔、滚,不得在其上堆压重物。
(3定位放线、放线的依据、方法、要求:安装灯具根据施工图纸放线定位,弹线确定房间中各个灯的位置,成排灯具应统一弹线,确保横平竖直。
3、施工操作(1)施工前应对其管材、管件等材料进行检验。
管材、管件应有产品质量合格证和性能检测报告,管材应表有规格、生产厂名及执行的标准号。
阻燃PVC 塑料管其材质应具有阻燃、耐冲击性能,氧指数不应低于27%的阻燃指标。
管材内外壁应光滑,无凸棱、凹陷,无针孔、气泡及裂纹,管壁薄厚均匀,色泽一致。
(2)管道敷设:线管采用阻燃PVC塑料管,均暗敷在吊顶内或墙体内。
管道连接采用套管粘接法,套管的长度不应小于管直径的三倍,接口处用胶粘剂粘接牢固。
配电与照明工程节能方案一、配电系统的节能方案1. 灵活运用智能配电设备配电系统智能化是提高能效的关键。
通过使用智能断路器、智能电表、智能开关等设备,可以实现对配电系统的远程监测、智能调节和高效运行。
例如,智能断路器可以根据负载情况进行动态调节,实现精准供电,避免不必要的能量浪费。
2. 采用高效节能变压器变压器在配电系统中起着重要作用,常规变压器存在着能量损耗较大的问题。
因此,选择高效节能变压器是提高配电系统能效的重要措施。
目前市场上已经有多款低损高效的变压器产品,使用这些产品可以显著降低配电系统的能量消耗。
3. 优化供电结构和负载分配在实际工程中,合理的供电结构和负载分配对于节能至关重要。
通过科学规划供电结构,避免无谓的线损和能量浪费;同时,合理分配负载,使得各个负载均衡运行,避免某一单元的能量过载浪费。
4. 引入可再生能源在配电系统中引入可再生能源,如太阳能、风能等,可以有效减少对传统能源的依赖,实现能源的多元化和可持续利用。
此外,配电系统与可再生能源的结合也是符合现代环保理念的重要举措。
二、照明系统的节能方案1. 使用高效节能照明设备照明系统是建筑能耗的重要组成部分。
采用高效节能的照明设备可以显著降低能耗。
比如,LED照明灯具相比传统灯具具有更高的能效和更长的使用寿命,可以有效降低照明系统的能耗。
2. 合理设计灯光布局和控制系统在照明系统的设计中,应根据不同场所的需求合理布置灯具,避免照明过度和能量浪费。
此外,采用灯光控制系统,根据不同时间、不同场景和不同光线需求进行精细控制,也是节能的有效手段。
3. 定期维护和检测照明设备照明设备的定期维护和检测是保证照明系统高效运行的关键。
定期清洁灯具,更换老化灯泡,保持照明设备的良好状态,可以避免灯具能效下降和能耗增加。
4. 采用自然采光和节能照明结合在建筑设计中,合理利用自然采光,结合节能照明系统,可以实现白天照明系统的关闭或部分关闭,充分利用自然光源,减少人工照明的使用时间,从而降低能耗。
配电与照明节能工程检验批质量验收记录在配电与照明节能工程的质量验收中,真是个让人心里七上八下的过程。
想象一下,项目刚刚完工,大家都热火朝天,兴致勃勃地想着能不能顺利通过验收。
工人们从早到晚忙得不可开交,像上了发条的玩具,连水都顾不上喝。
可是,真正验收的时候,心里那种忐忑,哎呀,简直比走在悬崖边缘还要紧张。
咱们先来说说配电部分。
这可是工程的“心脏”,出点问题可就麻烦了。
设备摆放得整整齐齐,像小学生的书桌一样,谁敢乱动。
电缆的铺设必须像绳子一样笔直,不能有个弯弯曲曲的地方,免得日后影响使用。
检验的时候,检测人员像侦探一样,仔细检查每个接头,仿佛在寻找隐藏的宝藏。
大家的心都提到嗓子眼,生怕哪个接头没做好,一查就查出个大问题。
其实只要细心点,肯定能过的。
然后就是照明部分,咱们可不能掉以轻心。
灯具的选择就像挑衣服一样,得合适又好看,亮度要够,还得省电。
这个可要考虑周全,毕竟谁不想在晚上开灯的时候,钱包里还能多留点钱呢?检查时,工作人员可不是随便看看,得实际打开每个灯,看看光线是不是柔和,颜色是不是自然,真是个细致活。
万一灯光不均匀,像个马戏团一样,别说美观,使用起来也会让人头疼。
整个检验过程就像是在做一场大考试,大家都在小心翼翼,生怕答错了。
特别是最后一步,验收报告的生成,简直是“终极boss”啊。
报告里面得写清楚每个环节的检查情况,像写作业一样,细致入微,绝不能马虎。
只要一出问题,整个工程就像是翻了船,白忙活一场。
可要是顺利通过验收,那种心里的放松啊,简直就像是考完试后的感觉,轻松得能飞起来。
大家聚在一起,像过年一样欢呼,庆祝这来之不易的成果。
喝点小酒,聊聊天,都是满脸的笑容,真是开心得不行。
不过呢,这个过程也不是没有挑战的,偶尔出现的小插曲,反而让人觉得特别有意思。
比如,有一次检查时,灯具的包装没拆,结果一打开,大家都笑了,里面的灯泡像个小孩儿似的,一脸懵懂。
那种瞬间的无奈与幽默,让整个检验过程变得更加轻松愉快。
配电与照明节能工程施工方案一、项目背景与目的能源是国家的宝贵资源,为了促进能源的有效利用,降低能源消耗,提高能源利用效率,需要进行配电与照明节能工程的施工。
本施工方案旨在提供一种有效的方式,通过对配电与照明系统的改造,实现能源的节约和使用效率的提高。
二、施工内容1.配电系统改造(1)查找并更换老旧的电缆和电缆配件,减少电缆线路中的传输损耗。
(2)更换电力设备中的老旧和低效电器元件,选择高效率的电气设备,减少能耗。
(3)增加电力监测设备,实时监测电能的使用情况,提供节能的数据参考。
(4)根据用电负荷的变化,重新设计配电线路,减少输电损耗。
2.照明系统改造(1)更换传统的白炽灯和荧光灯,选择LED照明产品,提高照明效果和能源利用率。
(2)在不同区域设置照明控制器,根据灯光亮度需求和人流情况,调整照明设备的开关与亮度。
(3)设置智能照明系统,根据自然光照的变化,调整照明设备的亮度,实现自动节能。
三、施工步骤1.施工准备(1)编制施工计划,确定施工周期和工作流程。
(2)购买所需的电缆、电器元件、LED灯具等施工材料。
(3)组织施工人员,培训他们的安全意识和专业技能。
2.配电系统改造施工步骤(1)拆除旧的电缆和电器元件,清理施工现场。
(2)根据新的设计图纸,铺设新的电缆线路。
(3)安装新的电器元件,连接电缆线路。
(4)调试配电系统,确保电力设备运行正常。
3.照明系统改造施工步骤(1)拆除旧的照明设备,清理施工现场。
(2)安装新的LED照明设备,连接电源线路。
(3)安装照明控制器,根据设计要求调整照明设备的开关与亮度。
(4)安装智能照明系统,调试系统,确保照明设备能够根据需要自动调节亮度。
四、安全措施1.执行施工现场的安全管理制度,确保施工人员的人身安全。
2.在施工现场设置警示标志,提醒人员注意安全。
3.使用符合标准和规范的电缆和电器元件,确保施工质量和安全。
4.根据现场情况做好现场的通风和防火措施,防止事故发生。
配电与照明节能工程配电与照明节能工程设计为单管荧光灯效率及谐波含量限值,电缆、电线截面和每芯导体电阻值,低压配电电源,测试照明系统的照度和功率密度值。
对于进场材料,必须做好检验工作,符合节能设计要求的材料方可使用,下附进场复检以及现场检验表。
本节能工程主要进场材料进场复检及现场检验表4.1 施工准备4.1.1材料要求1、电线电缆和单管荧光灯1)、单管荧光灯、电线电缆的型号、规格必须符合设计要求,并应有和国家标准的规定。
配件齐全,无机械损伤,变形等现象,并应有出厂合格证、“CCC”认证标志和认证证书复印件,进场时做验收检查并做好记录。
2)、单管荧光灯、导线及支架:导线严禁外露,电压等级不低于交流500V,引向灯的导线线芯最小不小于1.0MM2;支架无机械损伤、变形、破裂等现象,并选用相应规格的镀锌材料做支架。
3)、安全型压线帽:根据导线的截面和根数正确选择使用压线帽,并必须有合格证。
4)、接线端子:根据导线的根数和总截面选择相应规格的连接端子。
5)、其它材料及辅助材料:绝缘带、软塑料管、螺栓、螺母、垫圈等。
4.1.2主要机具1)、卷尺、小线、线坠、水平尺、铅笔、安全带等。
2)、手锺、刻丝钳、扎锥、剥线钳、压线钳、扁口钳、电工刀、尖嘴钳、丝锥、一字或十字改锥等。
3)、放线架、放线车、电钻、电锺、工具袋、高凳等。
4)、万用表、兆欧表等。
5)、电工常用工具等。
4.1.3作业条件1)、建筑和混凝土结构工程必须符合质理验收规范中的有关规定。
2)、砖混结构工程必须初装修完成以后。
3)、作好成品保护、箱、盒及导线不应破损及被灰浆污染。
4)、穿线后线管内不得有积水及潮气侵入,必须保证导线绝缘强度符合规范要求。
5)、灯安装前建筑工程必须应满足:对单管荧光灯妨碍的模板、脚手架必须拆除;顶棚、地面等抹灰工作必须完成,地面清理工作应结束,房门可以关锁的情况下安装。
6)、安装灯的接线盒已修好。
7)、成排或对称及组成几何形状的灯安装前应进行测量画线。
配电与照明能源效率施工方案背景能源效率是现代建筑设计和施工中至关重要的考虑因素之一。
在配电和照明系统中采取有效的能源管理和节能措施,可以显著降低建筑物的能源消耗,并减少对环境的影响。
因此,制定一份配电与照明能源效率施工方案对于优化建筑的能源使用具有重要意义。
目标本施工方案的主要目标是改善建筑的配电和照明系统,以提高能源效率并减少能源消耗。
具体目标包括:1. 优化配电系统,确保电力供应稳定可靠;2. 采用高效照明设备,减少照明能耗;3. 通过灯光控制系统和传感器,实现智能照明管理,提高能源利用率;4. 减少能源浪费,提高建筑的可持续性。
执行方案1. 评估现有配电系统:对建筑物的配电系统进行全面评估,包括供电容量、电缆线路和配电板的状态等。
根据评估结果,提出必要的改进措施。
2. 安装高效照明设备:选择节能型照明器具,如LED灯泡和节能灯具。
这些照明设备具有更高的效能和更长的寿命,能够显著降低照明能耗。
3. 应用智能照明控制系统:安装灯光控制系统和传感器,实现自动化的照明管理。
通过调整照明亮度和自动关闭未使用的照明区域,能够最大限度地减少能源浪费。
4. 优化配电系统布局:重新布置配电系统,以提高电力供应效率。
通过优化电缆线路和配电板的安装位置,减少能源损耗和线路阻抗,提高供电稳定性。
5. 建立能源监测系统:安装能源监测设备,对建筑的能源消耗进行实时监控和数据记录。
通过分析数据,可以识别能源浪费的领域并采取相应措施。
预期效果实施配电与照明能源效率施工方案后,预计能够获得以下效果:1. 能源消耗减少:通过优化配电和照明系统,可降低能源消耗量,实现节能效果。
2. 成本节约:减少能源使用将带来能源成本的降低,从而降低运营成本。
3. 提高舒适度:智能照明控制系统可根据环境需求和使用情况调整照明亮度,提高室内舒适度。
4. 环保可持续:减少能源消耗有助于减少温室气体排放,提升建筑的环保可持续性。
结论本配电与照明能源效率施工方案旨在优化建筑的能源利用,减少能源浪费,并为建筑物提供稳定有效的电力供应和高效照明系统。
配电照明节能工程方案一、前言目前,全球范围内能源资源日益紧缺,能源消耗对环境和生态系统造成了不可逆转的破坏。
因此,加强能源节约和资源的合理利用已经成为全社会的共识。
对于配电照明系统来说,节能环保已经成为其改造与升级的主要任务。
因此,我们需要制定完善的配电照明节能工程方案,通过技术手段和管理措施,实现配电照明系统的节能目标,以及为环境保护和可持续发展做出贡献。
二、配电照明节能工程方案的概念和意义1. 概念配电照明节能工程方案是指在配电和照明系统中,采用先进技术和有效管理手段,降低能源消耗,提高能源使用效率,从而达到节约能源、减少污染、降低成本的目的。
2. 意义(1)环保意义:节能工程方案的实施可以减少能源消耗,减缓全球气候变化,降低对环境的污染。
(2)经济意义:节能工程方案的实施可以降低企业的生产成本,提高企业的竞争力,增强企业的可持续发展能力。
(3)社会意义:节能工程方案的实施可以改善生活环境,提高人民生活质量,促进社会的和谐发展。
三、配电照明节能工程方案的实施步骤1. 能耗分析通过对现有配电和照明系统的能耗情况进行分析,了解系统的能耗结构,找出系统中存在的能耗大户和能耗浪费现象,并建立能源消耗的计量管理体系。
2. 技术改造(1)改善设备:采用更加节能的设备,如高效电机、节能灯具等,提高设备的能效比,降低能耗。
(2)控制智能化:采用先进的控制技术,实现设备的智能化控制,提高设备的使用效率,降低不必要的能耗。
(3)照明设计:优化照明系统的设计,采用合理的照明方案,降低照明设备的能耗,提高能源利用效率。
3. 管理措施(1)监测管理:建立能耗监测系统,实时监测设备的能耗情况,发现能耗异常情况,及时进行调整。
(2)能源管理:建立能源管理体系,制定能源管理计划,明确能源管理职责,加强能源管理宣传教育,推广能源管理知识。
(3)培训管理:加强员工的能源管理培训,提高员工的节能意识和管理水平,培养员工主动参与节能工作的意识和能力。
配电与照明节能工程规范条文12.2 主控项目12.2.1照明光源、灯具及其附属装置的选择必须符合设计要求,进场验收时应对下列技术性能进行核查,并经监理工程师(建设单位代表)检查认可,形成相应的验收、核查记录。
质量证明文件和相关技术资料应齐全,并应符合国家现行有关标准和规定。
1 荧光灯灯具和高强度气体放电灯灯具的效率不应低于表12.2.1-1的规定;2 管型荧光灯镇流器能效限定值应不小于表12.2.1-2的规定。
检验方法:观察检查;技术资料和性能检测报告等质量证明文件与实物核对。
检查数量:全数核查。
12.2.2 低压配电系统选择的电缆、电线截面不得低于设计值,进场时应对其截面和每芯导体电阻值进行见证取样送检。
每芯导体电阻值应符合表12.2.2的规定。
检验方法:进场时抽样送检,验收时核查检验报告。
检验数量:同厂家各种规格总数的10%,且不少于2个规格。
12.2.3工程安装完成后应对低压配电系统进行调试,调试合格后应对低压配电电源质量进行检测。
其中:1 供电电压允许偏差:三相供电电压允许偏差为标称系统电压的±7%;单相220V为+7%、-10%。
2 公共电网谐波电压限值为:380V的电网标称电压,电压总谐波畸变率(THDu)为5%,奇次(1~25次)谐波含有率为4%,偶次(2~24次)谐波含有率为2%。
3 谐波电流不应超过表12.2.3中规定的允许值。
4 三相电压不平衡度允许值为2%,短时不得超过4%。
检验方法:在已安装的变频和照明等可产生谐波的用电设备均可投入的情况下,使用三相电能质量分析仪在变压器的低压侧测量。
检查数量:全部检测12.2.4在通电试运行中,应测试并记录照明系统的照度和功率密度值。
1 照度值不得小于设计值的90%。
2 功率密度值应符合《建筑照明设计标准》GB50034中的规定。
检验方法:在无外界光源的情况下,检测被检区域内平均照度和功率密度。
检查数量:每种功能区检查不少于2处。
配电与照明节能施工方案为了实现电力资源的合理利用和节能减排的目标,结合本工程的实际情况,设计了配电与照明节能施工方案。
主要包括以下几个方面的内容:一、配电方案1. 选用高效低耗电的变压器和电缆线材,提高输电效率和降低线损;2. 安装电能计量装置,实时监测用电情况,为后续能源管理提供数据支持;3. 采用分段供电方式,对不同用电区域进行分段控制,避免空闲区域的浪费;4. 使用智能电力管理系统,进行用电监测和控制,实时调节负荷,降低能耗。
二、照明方案1. 选择高效节能的LED灯具,将传统灯具进行替换,提高光效和寿命;2. 设置光感应装置,自动控制灯具的开关,根据环境光照情况调节亮度;3. 安装定时开关,对不必要的照明可以进行定时控制,避免长时间空转;4. 利用光管天窗等自然光源,充分利用自然光照,减少人工照明的使用。
三、设备管理方案1. 对配电设备进行定期检查和维护,保持设备的正常工作状态;2. 设置温度和湿度传感器,实时监测设备运行状态,保障设备的安全运行;3. 对设备进行能效评估,及时更换老化故障设备,提高设备的能效水平;4. 建立设备巡检制度,定期巡检设备,检查设备的耗能情况,及时发现问题并予以解决。
四、员工培训方案1. 组织员工参加节能知识培训,提高员工的节能意识和能力;2. 配备设备使用说明书和操作手册,培训员工正确使用设备,减少能源浪费;3. 设立节能奖励制度,激励员工参与节能活动,促进节能意识的形成;4. 定期组织节能交流会,分享节能经验,倡导节能文化,形成良好的节能氛围。
综上所述,通过优化配电方案、改进照明设备和强化设备管理以及培训员工节能意识,可以在不影响正常生产的前提下,实现能源的合理利用和节能减排的目标,为企业的可持续发展做出贡献。
配电与照明节能工程施工方案1.1.编制说明电气节能工程是一项“四新”(新材料,新设备,新工艺,新技术)工程,为认真贯彻和落实《建筑节能工程施工质量验收标准》GB50411-2007的相关规定,加强本建筑节能工程的施工质量管理,提高节能工程施工质量,使电气节能工程在一次验收合格的基础上,再上一个新台阶,提高一个新档次。
为此,我们编写了本施工方案。
本方案一经监理单位核实,即作为本工程的指导性文件和施工依据。
1.2.编制依据1.2.1经过审批有效的全套施工图纸和设计说明、图纸会审记录以及设计变更;1.2.2《住宅设计规范》GB50091-2011、《住宅建筑规范》GB500318-2005、《民用建筑电气设计规范》JGJ11-2008、《高层民用建筑设计防火规范》GB50045-95、《建筑照明设计标准》GB50034-2013、《新建住宅供配电设施建设标准》DB31/J001-2011/T、《住宅建筑电气设计规范》JGJ242-2011等相关规范。
1.3.施工部署1.3.1施工组织的确定为保证电气节能工程顺利实施,我们选派了具有多年施工经验,技术水平高责任心强,接受新生事物快的施工队长,为负责人。
挑选数名敬业爱岗,勇于吃苦耐劳,有责任心的人来担任施工骨干力量。
1.3.2技术准备1)组织所有施工人员,共同熟悉和审查图纸,提出问题,分类整理,通过图纸会审或设计变更,得到答复和解决2)技术负责人应根据施工现场的特点,编制出一套施工方案,能“用内业去指导外业”,提高施工质量。
3)技术负责人应根据工程特点,编写出施工质量,技术交底,并向作业班全体施工人员逐一进行交接,做到交的清楚,接的明白,不走过场。
1.3.3工程材料1)电气节能工程所用的材料,其规格,型号和材质,必须符合设计要求,质量符合国家现行技术标准。
2)工程所用的材料和设备,在进场前应先将样品和产品质量证明文件,检验报告等报送监理工程师进行审定,一经监理单位认定后,方准组织材料进场。
12配电与照明节能工程简介随着社会经济的发展和人民生活水平的提高,对电能质量的要求越来越高,同时也带来了越来越高的能源消耗。
因此,加强能源消耗的管理,提高能源使用的效率,促进节能减排,已经成为现代化工程建设的基本要求。
本文将围绕12配电与照明节能工程展开讨论。
配电节能工程现状当今我国配电系统中,发现了一些常见的问题。
比如,配电线路存在散热器功率采用全功率计算和变压比不当等问题。
此外,由于制造技术水平落后和标准不统一等因素的影响,国内配电系统的损失较大。
这种状况我们称之为低效配电现状。
解决办法在解决低效配电现状的过程中,可以采取以下措施:1.优化配电设计,调整变压器的容量和变比,减少电损失;2.确保配电线路的端部接头紧固,以降低接头电阻;3.配电线路必须遵循安全规范,以防过载、短路、地震等意外;4.加强配电系统的维修和管理,定期检查、维护配电系统。
带来的好处通过以上的措施,配电节能工程可以带来以下好处:1.降低电能损耗和配电系统的故障率,提高配电系统的运行效率;2.减轻了电网的负荷,确保电力供应的稳定性;3.降低企业的能源消耗,节约能源成本;4.改善环境保护和可持续发展,减少碳排放和温室气体排放。
照明节能工程现状在现有地区中,有许多室内外照明系统,都存在诸多问题。
例如,照明系统使用过时的灯具和设备,同时也存在大量没有及时更新的照明设备。
这些问题导致的能源浪费不可避免,成为当前需要解决的绿色环保问题。
解决办法为了解决绿色环保问题和节能减排问题,需要采取以下实施方案:1.确保照明系统的最大适应性,包括光线和灯光的颜色;2.安装智能控制照明灯泡和传感器,以减少能源消耗;3.改变国内的照明理念,鼓励人们使用情境照明,而非一般的均匀照明;4.定期维护和管理现有的灯具和系统,更新灯泡和其他能源技术,以期最大化系统的使用寿命。
带来的好处通过以上的措施,照明节能工程可以带来以下好处:1.节约能源,缩减能源成本;2.减少空气污染,改善城市的环境质量;3.增加室内舒适性,提高照明质量和照明效果;4.减少光线污染,改善人们的眼睛健康。
配电与照明节能工程检验批质量验收记录范文一、工程概况首先呢,我们得说说这个工程的基本情况。
就像讲故事一样,你得先把故事发生的背景交代清楚对吧?这个配电与照明节能工程啊,是在[具体工程名称]里的一部分。
这个工程规模可不小呢,涵盖了好多区域,像是办公区、生活区还有生产车间之类的。
我觉得吧,把工程的范围和大概情况先说清楚,就像给后面的验收记录打个底,这样别人看的时候心里就有个数啦。
二、验收依据三、检验批划分那这检验批该怎么划分呢?这也是个值得好好琢磨的事儿。
一般我会根据不同的系统或者区域来划分。
比如说,按照照明系统的类型,像普通照明和应急照明就可以分开作为不同的检验批;再或者按照建筑物的楼层划分也行。
但是啊,你得根据实际情况来灵活调整哦!我就碰到过那种特别复杂的工程,按照常规方法划分就不太合适,最后只能重新想办法。
所以在这一步你可得多花点心思,看看哪种划分方式最能准确反映工程的质量状况。
这是不是有点像拼图要找到最合适的那块才能拼得完美呢?四、主控项目验收(一)照明光源、灯具及其附属装置的选择必须符合设计要求这一点可不能含糊!设计要求就像是灯塔,指引着整个工程的方向。
比如说,设计规定了要用某种高效节能的灯具,那我们在验收的时候就得仔细检查是不是真的用了这种灯具。
而且啊,灯具的型号、规格这些细节也要对得上才行。
我见过有些工程,在这方面就马马虎虎的,结果后面就出问题了。
咱们可不能学他们呀!你可以想象一下,如果灯具选错了,那整个照明节能的效果不就大打折扣了吗?这就好比你做饭的时候,材料都没选对,还怎么能做出美味佳肴呢?(二)照明系统的照度值应符合设计要求照度值这个东西听起来有点专业,简单来说呢,就是灯光够不够亮。
设计上对每个区域都有相应的照度要求,我们验收的时候就得拿着测量仪器去测一测。
这个测量过程可不能敷衍了事哦!我觉得呢,多测几个点比较好,这样能更全面地反映照明的实际情况。
要是有的地方照度不够,那可能就要找找原因了,是灯具安装的高度不对呢,还是灯泡本身有问题?你看,这就像侦探破案一样,得一点点排查。
配电与照明工程节能方案1. 背景介绍随着全球能源需求的不断增长和能源资源的日益紧缺,节能已成为当今世界所面临的重要问题之一。
在各个行业中,配电与照明系统的能耗一直占据相当大的比例。
因此,实施有效的配电与照明工程节能方案具有重要意义。
本文将介绍一些常见的配电与照明工程节能方案,旨在为相关行业提供参考和指导。
2. 配电工程节能方案2.1 优化配电系统设计传统的配电系统中,存在能量损耗、线路不平衡等问题,这些问题会导致能耗的增加和系统的效率降低。
通过优化配电系统的设计,可以有效减少能耗并提高系统的运行效率。
具体措施如下:•选用高效的变压器和电缆材料;•合理设计电流回路,减少功率损耗;•采用合适的配电设备,确保系统的稳定性和安全性。
2.2 电力电子技术应用电力电子技术在配电系统中的应用可以显著提高系统的能量利用率和调节能力。
常见的电力电子技术应用包括:•变频器技术:通过变频器调节电机的转速,使其在实际工作负载下实现最佳功率输出;•谐波滤波器技术:减少谐波对电网和设备的干扰,提高系统的工作效率;•电容补偿技术:通过补偿电容器来提高功率因数,减少无功功率的损耗。
3. 照明工程节能方案3.1 LED照明技术与传统的白炽灯和荧光灯相比,LED照明具有更高的光效、更长的使用寿命和更低的能耗。
因此,广泛应用于各种照明场景中。
在照明工程中,采用LED照明技术可以实现较大的节能效果。
具体措施如下:•替换传统照明设备为LED灯具;•使用智能照明控制系统,根据实际照明需求调整亮度和开关状态。
3.2 光电器件的应用在照明工程中,光电器件的应用可以有效减少能耗并提高照明效果。
以下是常见的光电器件的应用措施:•采用光敏控制器,根据光照强度自动调节灯具的亮度;•安装人体红外感应器,根据人员的存在自动开关灯具。
4. 节能效益与前景实施配电与照明工程节能方案的节能效益是显著的。
通过优化配电系统设计和运用先进的电力电子技术,可以大大降低能耗和能源损失。
五)、配电照明工程施工方法1、电缆敷设1)、施工准备(1)、设计图纸已经节能机构审查合格;配电与照明节能工程采用的材料、设备等产品进场时,按照设计、规范、标准要求对其类型、材质、规格、有关技术性能参数及外观等进行检查验收,并形成验收记录。
(2)、主要设备、材料、成品与半成品出厂合格证和检验报告根据设计和相关标准规定进行核查,并分类整理,逐一编号,并做好合格证汇总表。
(3)、低压配电系统选择的电缆、电线应进行复验,复验见证取样送检,经有资质的实验室复试合格后,方可使用。
(4)、机具准备:电缆牵引端、电缆滚轮、电动滚轮、卷扬机、滑轮、钢丝绳、大麻绳皮尺皮尺绝缘摇表无线电对讲机钢锯。
2)、作业条件(1)电缆线路的安装工程应按施工图进行施工。
(2)电缆安装前,土建工作应具备下列条件:a.预留孔洞、预埋件符合设计要求,预埋件埋设牢固。
b.电缆沟、隧道、竖井及人孔等处的地坪及抹面工作结束。
c.电缆层、电缆沟、隧道等处的施工临时设施、模板及筑废料等清理干净,施工用道路畅通,盖板齐全。
d.电缆线路敷设前,土建应完成的工作必须完成。
e.电缆桥架、电缆托盘、电缆支架及电缆管道已安装完毕,并验收合格。
f.敷设电缆施工机具及施工用料已准备好,支架已搭设完毕,且符合安全要求。
g.电缆线路施工方案或施工组织设计已经编制,并已审批,工程任务单已下达。
h.电缆型号规格及长度与设计资料核对无误。
i.敷设前,应对电缆进行外观检查及绝缘电阻试验,6kV及以上的电缆应作耐压及泄漏电流试验。
试验结果满足规范要求。
j.施工人员组织:敷设电缆既要统一指挥又要明确分工,通常电缆盘的管理为一组,土方的挖掘为一组,卷扬机的牵引为一组,电缆接头为一组,测绘为一组。
由于电缆线路较长,敷设时各小组间用对讲机相互联系。
3)、施工方法工艺流程:准备工作→电缆沿桥架敷设→水平敷设或垂直敷设→挂标志牌。
(1)、水平敷设:a.电缆沿桥架或托盘敷设时,应将电缆单层敷设,排列整齐。
建筑节能规范配电与照明 The following text is amended on 12 November 2020.配电与照明1一般规定本章适用于建筑配电与照明节能工程的施工质量验收。
建筑配电与照明节能工程的施工质量验收,除应符合本规范和《建筑电气工程施工质量验收规范》GB 50303的有关规定外,还应按照批准的设计图纸,合同约定的内容和相关技术规定进行。
必须采用设计要求的高效节能照明光源和灯具及其附属装置,其光参数应在现场进行见证取样检测,每种照明光源不少于3套,灯具至少1套。
2 主控项目在工程竣工验收前,应对低压配电电源质量进行检测,主要检测供电电压、电流、频率、功率因数、谐波含量,其中供电电源偏差、电压允许波动和闪变、公共电网谐波、三相电压允许不平衡度,应符合相应的国家标准。
检验方法:在大功率用电设备安装完成并经过试运行后,以及所有安装的变频设备、照明设备、计算机等均可投入的情况下,使用三相功率计测量电压、电流、频率、功率因数、谐波含量。
检查数量:全部检测条文说明此项检测主要是对建筑的配电电源质量情况,当建筑内使用了变频器、计算机等用电设备时,如果施工安装不当会造成电源质量下降,谐波含量增加,谐波电流危害较大,当其通过变压器时,会明显增加铁心损耗,使变压器过热;当其通过电机,令电机铁心损耗增加,转子产生振动,影响工作质量;谐波电流还增加线路能耗与压损,尤其增加零线上电流,并对电子设备的正常工作和安全产生危害。
《供电电源偏差》GB12325-90、《电压允许波动和闪变》GB12326-2000、《公共电网谐波》GB/T14549-93、《三相电压允许不平衡度》GB/T15543-95。
照明光源、灯具及其附属装置的选择必须符合设计要求,当设计无要求时,应符合《建筑照明设计标准》GB50034的相关规定。
除满足上述规定外,安装前还应符合下列要求:1 镇流器自身功耗不大于光源标称功率的15%,谐波含量不大于20%;2气体放电灯的整体功率因数不得低于;检验方法:现场使用数字功率计检测。
配电与照明节能工程
1建筑配电与照明节能工程检验批划分及验收
1.1建筑配电与照明节能工程验收的检验批按低压配电电源;照明光源、灯具;附属装置;控制功能;调试等划分。
当需要重新划分检验批时,可按照系统、楼层、建筑分区划分为若干个检验批。
1.2建筑配电与照明节能工程的施工质量验收,应符合《建筑节能工程施工质量验收规范》和《建筑电气工程施工质量验收规范》GB50303的有关规定、设计图纸等要求。
2照明光源、灯具及其附属装置的选择必须符合设计要求,进场验收时应对下列技术性能进行核查,形成相应的验收、核查记录。
质量证明文件和相关技术资料应齐全,并应符合国家现行有关标准和规定。
2.1荧光灯具的效率不应低于下表的规定:
荧光灯灯具的效率允许值
2.2管型荧光灯镇流器能效限定值不小于下表的规定:
镇流器能效限定值
3低压配电系统选择的电缆、电线截面不得低于设计值,进场时应对其截面和每芯导体进行见证取样送检。
每芯导体电阻值应符合下表的规定:
不同标称截面的电缆、电线每芯导体最大电阻值
检验方法:进场时抽样送检,验收时核查检验报告。
检查数量:同厂家各种规格总数的10%,且不少于2个规格。
4工程安装完成后应对低压配电系统进行调试,调试合格后应对低压配电电源质量进行检测。
其中:
4.1供电电压允许偏差:三相供电电压允许偏差为标称系统电压的
±7%;单相220V为±7%、–10%;
4.2公共电网谐波电压限值为:380V的电网标称电压,电压总谐波
畸变率(THDu)为5%,奇次(1~25次)谐波含有率为4%,偶次(2~24次)谐波含有率为2%。
4.3 谐波电流不应超过下表中规定的允许值。
谐波电流允许值
4.4三相电压不平衡度允许值为2%,短时不得超过4%。
检验方法:在已安装的变频和照明等可产生谐波的用电设备均可投入的情况下,使用三相电能质量分析仪在变压器的低压侧测量。
检验数量:全部检测。
5在通电试运行中,应测试并记录照明系统的照度和功率密度值。
①照度值不得小于设计值的90%;
②功率密度值应符合《建筑照明设计标准》GB50034中的规定。
检验方法:在无外界光源的情况下,检测被检区域内平均照度和功率密度。
检验数量:每种功能区检查不少于2处。
6 母线与母线或母线与电器接线端子,当采用螺栓搭接连接时,应采
用力矩扳手拧紧,制作应符合《建筑电气工程施工质量验收规范》GB50303标准中有关规定。
检验方法:使用力矩扳手对压接螺栓进行力矩检测。
检验数量:母线按检验批抽查10%。
7其它要求:
7.1 交流单芯电缆或分相后的每相电缆宜品字型(三叶型)敷设,
且不得形成闭合铁磁回路。
检验方法:观察检查。
检验数量:全数检查。
7.2 三相照明配电干线的各相负荷宜分配平衡,其最大相负荷不宜超过三相负荷平均值的115%,最小相负荷不宜小于三相负荷平均值
的85%。
检验方法:在建筑物照明通电试运行时开启全部照明负荷,使用三相功率计检测各相负载电流、电压和功率。
检验数量:全数检查。