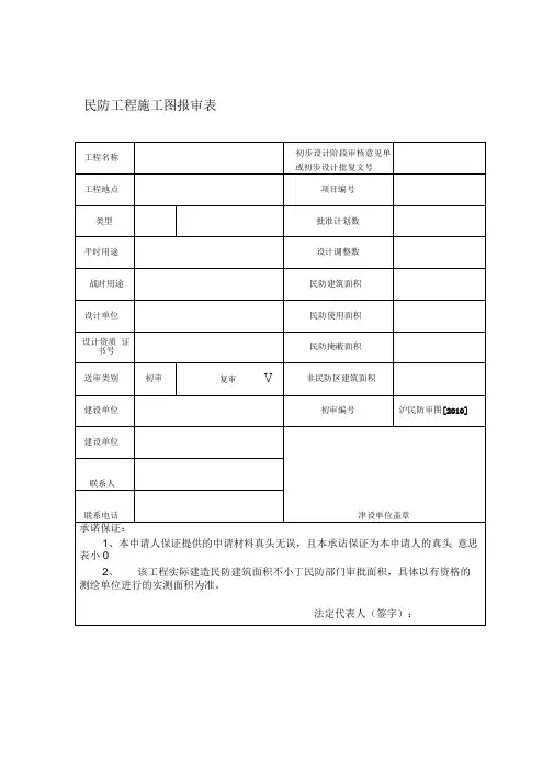
民防工程施工图报审表
- 格式:doc
- 大小:40.00 KB
- 文档页数:1
宁波市人防工程施工图审查咨询申报表编号:本表于2006年7月试行人防工程施工图设计注意事项(仅供参考):人防建筑专业:主要由总平面图、战时/平时平面图、剖面图、战时功能转换设计图等组成。
J1、总平面图:除按地面建筑内容外,增加人防工程位置,主要出入口的位置及标高,防爆电缆井位置,人防进排风口位置等;J2、人防通道应满足规范要求;人防功能房间应有检修措施;J3、平战功能转换设计图:战时使用的房间、设施应按战时要求设计。
需临战设置的房间应在预留位置,绘制安装详图或编制安装说明。
J4、上部建筑为钢砼结构的防空地下室顶板不应高出室外地面;J5、口部战时封堵地沟内侧与地面三边结构应位于同一平面且应有详图及所用材料清单;人防结构设计:主要由底板结构图、顶板结构图、内外侧墙(柱)结构图、口部结构图、防倒塌楼梯结构图等组成;G1、人防各种墙板(含顶底板、梯板平台)应设梅花形拉接筋;G2、人防主要结构应有计算书和荷载分布图;G3、人防结构应有连接大样;G4、出入口楼梯板及平台应考虑防倒塌设计,范围应到一层顶;G5、战时封堵和战时水箱位置应在相应结构图上有设计;人防通风专业:主要由通风平面图、通风系统图、局部详图、口部平剖面图及设备材料表等组成。
F1、人防暖通专业说明:平时、战时通风形式和系统平时功能转换主要技术措施;战时各系统设计指标及数据的选用;主要设备及材料;战时通风方式的转换方式及施工安装要求。
F2、平时通风系统应结合防护单元独立设计,平时风管不应穿越人防顶板及人防密闭隔墙;F3、人防排风系统应平时安装就位,进风系统中滤毒设备和进风机可战时安装;人防给排水专业:给排水总图、给排水系统平面图、消防平面图、施工详图与大样组成。
S1、给排水说明:水池容量、水质要求;平时给排水设施防护密闭措施;战时使用的洗消、给水等设备的预留设计和临战施工安装图或编制施工安装说明。
S2、给排水总平面图:标明人防水源和排水(污)系统,绘制给排水管的管径、标高、阀门及排水井位置等。
工程施工报审表是施工单位在工程施工过程中,向项目监理机构或建设单位提交的关于施工方案、施工组织设计、工程材料、施工机械设备、施工资质等相关内容的审批表格。
本文将详细介绍工程施工报审表的填写要求和注意事项。
一、工程施工报审表的填写要求1. 工程名称:填写工程项目的全称,应与工程合同或工程批准文件上的名称一致。
2. 编号:填写工程施工报审表的序列号,由项目监理机构或建设单位统一编号。
3. 致:填写项目监理机构或建设单位的名称,应与工程合同或工程批准文件上的名称一致。
4. 施工单位信息:填写施工单位的名称、地址、联系方式等,应与施工单位资质证书上的信息一致。
5. 施工内容:根据工程施工的实际情况,选择相应的施工内容,如土方开挖、基础施工、主体结构施工等。
6. 施工方案:简要描述施工方案的主要内容,包括施工方法、施工工艺、施工步骤等。
7. 施工组织设计:简要描述施工组织设计的主要内容,包括施工平面布置、施工进度计划、施工人员配置等。
8. 工程材料:列出工程施工中所使用的工程材料,包括材料名称、型号、数量等,并附上质量证明文件。
9. 施工机械设备:列出工程施工中所使用的施工机械设备,包括设备名称、型号、数量等,并附上设备合格证或鉴定文件。
10. 施工资质:提交施工单位的资质证书复印件,并加盖单位公章。
11. 附件:提交与工程施工相关的其他文件,如施工图纸、设计文件等。
二、工程施工报审表的注意事项1. 填写工程施工报审表时,要求字迹清楚、内容真实、完整,不得有虚假记载。
2. 施工单位应按照工程施工的实际进度,及时向项目监理机构或建设单位提交工程施工报审表。
3. 工程施工报审表需经施工单位的项目负责人签字,并加盖单位公章。
4. 项目监理机构或建设单位应在收到工程施工报审表后,按照相关规定进行审查,并在规定时间内提出审查意见。
5. 审查意见为同意的,项目监理机构或建设单位应签发开工令,允许施工单位进行相应的工程施工。
人民防空工程
施工图设计文件审批表
项目名称:
设计单位:
设计资质:
工程项目设计概况项目名称
建设单位建设地点
可行性研究报告编制单位 可行性研究报
告审批单位
可行性研究报
告审批时间
初步设计 设计单位 初步设计
审批单位
初步设计
审批时间
工程类型 防护等级
战时用途
平时用途
建筑面积 使用面积 出入口数量
进风口数量 排风口数量
主要设计者
项目负责人 建筑 结构 防护 通风空调 给排水 电气 通信 防化 防电磁脉冲 设计单位意见:
负责人签字 ( 单位盖章) 年 月 日
填表说明:(1)“工程类型”填写坑道、地道、单建掘开式、防空地下室等。
(2)“战时用途”填写防护单元数量、各防护单元掩蔽人数、储存物资容积等。
(3)“设计单位意见”填写需要说明的事项。
云南省人防施工图审查接件资料一览表人防办公室相关文件及设计单位资质1、云南省各地州人民防空办公室关于“XX防空地下室报建的批复”(复印件)2、设计资质证书复印件(加盖该单位公章)相关资料(纸质或蓝图)1、建筑、结构、水、暖、电、需按平时功能和战时功能分别单独成册。
2、结构、水、暖、电,人防计算书各一份(A4纸制、设计单位盖章、专业设计签字)电子文件或电子光盘1、与人防地下室相关施工图的电子光盘(DWG.t3格式,天正7和AUTOCAD2004)。
2、与人防地下室相关的结构计算模型。
联系方式项目全称:建设单位名称:建设单位负责人:建设方传真、电话:备注:收件人:收件日期:年月日云南省人防工程施工图设计文件专项审查内容附表一建筑专业1、人防建施目录;2、防空地下室建筑设计说明(包括防护设备表、平战功能转换时限及工程量表、战封堵构件一览表);3、人防总平面图;4、地面首层平面图;5、防空地下室平面图(包括平时平面图、战时平面图);6、防空地下室所在层与地面首层之间的各层平面图;7、防空地下室剖面图(不少于两个方面);8、防空地下室口部若设置在汽车坡道旁,汽车坡道应有平、剖面详图;9、防空地下室各出入口、通风口和各设备房间平、剖面详图;10、室外出入口、室外通风口立面图;11、柴油电站平、剖面图;12、各专业顶、底板和墙体的预留、预埋孔况图;13、其它必要的详图和相关的建筑通用图。
结构专业1、人防结施目录;2、防空地下室结构设计计算书(主要包括人防顶板、底板、墙体、主要出入口车(或楼梯)及沿途结构构件加强等);3、防空地下室结构设计总说明,人防地下室主体结构模型;4、防空地下室主体结构平面布置及配筋图(含顶、底板、中间楼板、内、外墙、空墙、柱、梁等);5、战时各出入口、连通口、通风口、人防电站、防爆波电缆井结构配筋图;防密密闭门、防爆波活门门框墙配筋大样图;(注明:比例宜不小于1:50)6、防空地下室附属结构详图(含主要出入口楼梯、防倒塌棚架、战时使用的电缆通风竖井等);7、各专业预留孔洞与防护结构相关临战封堵措施大样图。
人防工程施工图文件报审必备资料综合资料1 人防工程施工图文件审查报审表一式3份建设和设计单位盖章2 防空地下室工程范围线图一式3份范围线用红色虚线标注、白图A3纸、设计单位盖章3 建设工程规划许可证复印件有地上建筑时4 勘察及设计单位资质证书复印件5 防空地下室设计条件通知单复印件6 人防主管部门对初步设计方案的审批意见复印件7 工程勘察报告原件8 结构计算书及其它专业计算书原件9 防空地下室各专业施工图设计文件需提供两套全套图纸叠成A4大小。
10 人防专项图纸目录包括建筑、结构、暖通、给排水、电气专业一式一份白图A4纸设计单位盖章11 光盘包括建筑、结构、暖通、给排水、电气各专业平时、战时全部图纸防空地下室范围线图电子版建筑专业1 防空地下室建筑设计说明包括防护设备表、平战功能转换时限及工作量表2 总平面图人防地下室位置、范围、室外出入口、通道、通风竖井定位尺寸等3 首层平面图附建式必需4 防空地下室平时平面图5 防空地下室战时平面图6 防空地下室所在层与首层之间的各层平面图附建式必需7 防空地下室剖面图8 防空地下室各出入口、通风口和各设备房间平、剖面详图9 室外出入口、室外通风口立面图10 柴油电站平、剖面图11 各专业顶、底板和墙体的预留、预埋孔况图含平、战时所有管线及孔口防护措施12 其他和相关的建筑通用图必要的详图结构专业1 防空地下室结构设计计算书2 岩土工程勘察报告3 防空地下室结构设计总说明4 防空地下室主体结构墙、柱平面布置和配筋图5 顶板梁配筋图6 中间楼板梁配筋图多层防空地下室必需7 底板梁配筋图8 基础图9 战时各出入口、连通口、通风口等构件结构配筋图10 防空地下室附属构件配筋图含主要出入口楼梯、防倒塌棚架、防倒塌挑檐、战时使用的电缆井、通风竖井、集水井、沟等11 设备各专业的综合预留孔洞图12 平战转换设计详图明确转换部位、方法及具体实施措施通风专业1 防空地下室战时暖通空调设计计算书或计算结果2 防空地下室暖通空调设计及施工说明3 战时通风系统图4 战时通风平面图5 战时进、排风口部平、剖面图附主要设备材料表6 防空地下室通风大样通用图7 柴油电站通风平面图、剖面图8 柴油电站通风系统图9 地下室平时暖通、空调平面图10 平战功能转换通风平面图11 战时通风密闭管道平时预埋图给排水专业1 防空地下室给水排水设计计算书或计算结果2 防空地下室给水排水设计说明3 防空地下室给水排水主要设备材料表4 战时给水排水平面图、战时给排水管道设备平时预埋平面图5 战时给水排水系统原理轴测图6 机房、卫生间等的放大平、剖面图7 防空地下室给水排水大样通用图8 防空地下室平时给水排水平面图9 防空地下室平时给水排水系统原理轴测图10 人防层平时消防消火栓系统平面图11 人防层平时消防自动喷水灭火系统平面图12 人防层平时消防系统消火栓与喷淋图13 人防层的上一层平时给水排水平面图电气专业1 说明工程概况、设计依据、负荷等级、配电、照明、设备安装、管线敷设、接地保护、电站等2 平、战时负荷计算书3 主要设备材料表4 配电系统图5 平时照明、动力、消防、弱电平面图6 战时照明、动力、通信、通风方式平面图7 接地平面图8 电气控制原理图战时通风方式9 变配电所平、剖面图10 电站平、剖面图附注:本审图机构负责人防工程防护、防化等技术方面及相关的政策符合性的审查有关防空地下室的消防、抗震、环保等方面的设计问题应依据相关的工程建设标准由相关部门进行审查。
审查编号:无锡市建筑工程施工图设计文件审查报审表报审单位:项目名称:填报日期:无锡市建设局印制项目名称项目地址建设单位单位地址法定代表人联系人联系电话邮政编码传真电话项目概况建筑规模建筑面积建筑类别场地类别容积率建筑层数建筑高度防火等级设防烈度抗震等级人防等级结构体系基础形式有无热水需求热源形式集热器面积设计单位资质等级勘察单位资质等级设计合同额(万元)勘察合同额(万元)初设审批机关批文号日期审查部门经办人联系电话审查部门受理意见:年月日注:报审表一式三份,审查部门两份,报审单位一份施工图设计文件审查报审材料清单序号送审材料名称材料页数送审份数1 勘察单位资质证书副本(复印件)2 设计单位资质证书副本(复印件)3 勘察、设计合同及履行情况证明材料4 工程项目立项审批文件(复印件)5 建设单位方案设计批准文件(复印件)6 初步设计批准文件(复印件)7 建设工程规划许可证副本(复印件)8 岩土工程勘察报告勘察原始资料(复印件)(盖章)勘察纲要9 全套施工图设计文件二套(装订成册)10 结构计算书、使用软件名称及授权书(复印件)11 依法进行的专项设计审查的有关部分审批(审查)意见书(复印件)11-1 无锡市建设工程抗震设计专项审查文件11-2 无锡市人民防空办工室结合民用建筑修建防11-3 如需“防空地下室”审查的项目需报地下室施工图一套及计算书12 报审施工图清单一份13 建筑节能热工计算书14 住宅公建配套项目立项的批复15 住房套型结构比例表和说明(盖章)16 室外给水排水施工图17 江苏省建设工程勘察设计合同备案表报送人:接受人:日期:日期:。