接触网维修作业指导书
- 格式:doc
- 大小:2.46 MB
- 文档页数:53
一、施工准备1、劳力组织2、工机具3、材料设备、操作程序1、测量1)、根据测量区段位置和现场实际情况,选择车站中心标、道岔岔心或者人防门等处为起测点。
道岔处定位点位置严格按照设计图纸要求。
2)、纵向测量:根据设计图纸跨距,从起测点开始按照跨距值依次进行纵向测量,在每个定位点钢轨侧面和轨枕上做好标记,并标记好定位点编号和拉出值方向,定位点编号写在轨腰处,拉出值方向在轨枕上以箭头方向标识。
一个整锚段测量后,对此锚段全长进行复核,无误后继续进行测量。
3)、测量定位遇到隧道伸缩缝、隧道连接缝、盾构区间管片接缝、或明显渗水、漏水等情况时,可适当调整跨距,但应保证跨距最大值不大于10米,且相邻跨距只差不得大于2m,对跨距调整的地方应做好记录。
4)、横向测量:根据纵向测量结果,在定位点位置将激光测量仪垂直于轨道中心线放置于两轨道之间,挡板抵紧两钢轨内缘•激光测量仪拉出值置于0,保证激光束与机车受电弓中心重合,激光束在隧道顶位置即为悬吊槽钢安装中心位置。
当拉出值较大时, 悬吊槽钢中心位置应向拉出值侧适当偏移,保证拉出值能调整到位。
测量记录好每个定位点处的隧道类型、净空高度、外轨超高(曲线),作为每个悬挂点悬挂方式及零部件选型之用。
5)、每天测量结束后,对测量记录进行整理,形成电子表格及时上报工程部,记录原件由测量负责人妥善保管备查。
6)、应使用钢卷尺进行测量,严禁使用皮卷尺。
7)、曲线上应沿曲线外轨进行测量,并适当增加跨距测量值。
8)、测量应力求准确,卷尺应沿钢轨拉直,读数准确,测量过程中应医用隧道内的各种里程标志随时核对测量结果,防止产生偏差。
2、隧道内钻孔1)、技术人员根据测量数据,编制悬挂钻孔类型表和钻孔技术要求,向施工班组下达施工安装表。
2)、施工班组检查核对现场定位点情况无误后,按悬挂钻孔类型选用冲击钻头和钻孔模板,根据钻孔深度设置好深度尺。
3)、以施工测量时标记在隧道顶壁的标记为基准点(受电弓中心点及拉出值),套用钻孔模板,画出钻孔孔位。
接触线检调一、周期200km/h及以下区段正线检调周期为12个月,侧线为24个月。
二、适用范围适用于接触线的线面校正、校直、磨耗测量和调整接触线位置、接触线补强等作业。
三、作业项目校正接触导线线面、校正接触导线波浪弯、测量接触导线磨耗、检调接触线拉出值(之字值)、检调接触线高度、检查接触线补强四、技术标准1、在曲线区段,接触线与承力索的连线应该垂直于轨平面,直线区段接触线呈“之”字型布置。
2、接触线之字值、拉出值(含最大风偏时跨中偏移值)应符合:200km/h以下区段:直线区段200-300mm;曲线区段根据曲线半径不同在0-350mm之间选用。
200km/h及以上区段:设计值±20mm,并保证在0-300mm间。
同时,应满足受电弓动态包络线的要求。
3、接触线高度应符合:(1)最高高度不得大于6500mm,最低高度不得小于5700mm。
(2)当隧道间距不大于1000m时,隧道内、外的接触线可取同一高度。
(3)符合设计要求,并结合接触线坡度同时调整。
4、接触线坡度(工作支)应符合:(1)标准值:120km/h及以下区段≤3‰;120~160km/h区段≤2‰;200km/h区段≤2‰;坡度变化率不大于1‰;安全值:120km/h及以下区段≤5‰;120~160km/h区段≤4‰其他同标准值。
(2)160km/h及以上区段定位点两侧第1根吊弦应等高,相对定位点的高度允许偏差±10mm;但不得出现V字型。
(3)200km/h区段相邻两吊弦的高差不得大于10mm。
相邻两悬挂点的高差不得大于30mm。
5、接触线不得偏磨和扭面。
6、接触线硬弯不得超过0.2mm。
7、200km/h及以上区段,正线接触线不允许接头。
200km/h以下区段,正线接触线接头不超过2个,接头处必须有负驰度。
8、接触线接头距悬挂点的距离应不小于2m。
9、中心锚结所在跨距内避免出现接头,各接头距离不小于150m。
10、接触线磨耗和损伤后不能满足规定的机械强度安全系数时,若系局部磨耗和损伤,可以加补强线或切除损坏部分重新接续,若系普遍磨耗和损伤则应更换;接触线接头、补强处过渡平滑。
接触网检修作业指导书一、检修内容1.检修部位:接触网设备。
2.检修内容:(1)清理接触网上的积尘,检查网杆、网距、网板等部件是否有损坏、变形等情况;(2)检查接触网上的螺栓、连接件是否松动;(3)检查接触网的支持和绝缘设施是否完好;(4)检查接触网的电气接触是否正常;(5)检查接触网的接地设备是否正常;(6)检杳接触网控制系统是否正常。
二、操作流程1.开始检修前,应当对检修部位进行必要的标识,设置工作范围,并且通知相关人员并进行安全交底。
2.进行接触网设备的接地操作,确保电气安全。
3.分工协作,对接触网上的各个部件进行检查。
4.清理积尘:使用纸巾或者软毛刷进行清理,避免使用金属刷或者硬毛刷,以免刮伤接触网上的部件。
5.检查螺栓、连接件的松紧程度,并按照需要进行加固。
6.检杳接触网的支持和绝缘设施:检查支持杆是否有破损、变形等情况,检查绝缘设施是否完好并保持良好状态。
7.检杳接触网的电气接触:使用万用表等工具进行检杳,确保接触良好。
8.检查接触网的接地设备是否正常:检查接地设施是否接地良好、接地电阻是否正常。
9.检查接触网控制系统是否正常:检查设备的控制开关是否灵敏、接线是否正确,进行功能测试等。
10.确认所有检修工作已经完成,将设备恢复原状。
三、安全提示1.切勿进行带电检修,必要时应断开电源并进行接地操作。
2.在进行接触网检修时,必须佩戴绝缘手套、绝缘鞋和安全带等个人防护装备。
3.当进行高空操作时,应使用防护网、安全绳等安全设备,并注意登高作业中的平衡和固定。
4.在进行接触网检修时,必须确保工作人员之间的配合,集中注意力,加强沟通,并随时保持警惕。
5.在检修工作中,切勿随意修改或者拆卸设备上的零部件,必要时应得到确认并进行记录。
6.在检修结束后,必须保持现场清洁,并将设备恢复原样。
四、总结接触网设备是电气系统中重要的元件之一,其安全和稳定运行直接关系到线路的正常运行和生产效率。
因此,在进行接触网检修时,必须高度重视安全,全面检查设备的各个部分,确保安全、高效、稳定运行。
接触网柔性分段绝缘器检修作业指导书2014-01-23发布 2014-01-24实施目录1编制依据 (1)2作业条件 (1)3准备工作 (1)4安全注意事项及危险点控制措施 (3)5作业标准、内容与周期 (3)6作业内容 (4)接触网柔性分段绝缘器检修作业指导书1编制依据1.1设计资料:接触网平面布置图、安装图等。
1.2设备及零部件资料。
2作业条件2.1环境条件2.1.1 环境温度:-10℃~+40℃(隧道外);-5℃~+40℃(隧道内)2.1.2 最大风速:30m/s2.1.3 覆冰厚度:5mm2.1.4 海拔高度:≤1000m2.1.5 相对湿度:日平均值不大于95%;月平均值不大于90%;有凝露2.1.6 污秽等级:重污区2.1.7 地震烈度:7度2.1.8 雷暴级别:中雷区2.2对人员的要求2.2.1 现场工作人员的身体状况、精神状态良好。
2.2.2 检修作业人员应具备高压电工证、进网许可证、岗位资格证、安全合格证,工作领导人还应具备施工负责人证。
2.2.3 施工负责人必须是经公司施工负责人资格考试合格批准。
3准备工作3.1人员组织及分工4安全注意事项及危险点控制措施4.1作业过程中严格遵守《接触网安全作业规程》规定。
4.2高空作业人员扎好安全带选好站立方向,作业一定要系好安全带,检查锁扣是否到位。
4.3使用车梯作业要有防滑、防倾倒措施。
4.4作业组人员要严格穿戴防护用品,设置防护的安全措施要完善正确,所使用的安全用具、防护工具要完好。
4.5推动车梯通过道岔时,推梯人员须确认道岔开通位置正确,以防车梯掉道倾倒。
4.6曲线半径区段作业时,作业人员注意必须站在曲线外侧,以防线索滑脱伤人。
4.7车辆段作业时,严禁将金属体工器具、材料同时接触两根钢轨,车梯不得短接轨道绝缘。
4.8受力部件螺栓的拆卸和调整,必须先卸载后再进行。
5作业标准、内容与周期5.1柔性分段绝缘器检修标准5.1.1 分段绝缘器的安装方式和绝缘性能应符合产品安装使用说明书要求;5.1.2 分段绝缘器上的两极靴枝间距应为65mm,允许误差+5mm;5.1.3 分段绝缘器中点偏离线路中心线不应大于50mm;5.1.4 分段绝缘器接头处过渡平滑、连接牢固,无偏磨和滑移;绝缘器接头处接触线磨耗须满足规定的机械强度安全系数;5.1.5 分段器整体框架不扭曲,工作面平行于轨平面,受电弓通过时过渡平稳。
接触网全面检查作业指导书附件:全面检查作业指导书1 主题内容与适用范围1.1 本指导书按照状态修的管理方法而制定。
1.2 本指导书规定了接触网全面检查作业程序和质量标准。
1.3 本指导书适用于接触网全面检查作业。
2 全面检查目的全面检查具有巡视检查和保养维护的双重职能。
巡视检查内容包括不易通过间接测量手段掌握设备运行状态的所有项目,如接触悬挂、附加悬挂及支撑装置的内在质量,螺栓是否紧固等。
保养维护内容主要是在巡检过程中必要的防腐处理、注油和零部件的紧固、更换等。
全面检查可以在轨道作业车的作业平台上、车梯或支柱上进行。
3 全面检查安全措施3.1 高空作业必须设专人监护。
作业时必须把安全带扎到可靠位置。
3.2 车梯、安全带、工具应按规定检修、试验,妥善保管,使之经常保持良好状态。
冰、雪、霜、雨等天气条件下,接触网作业用的车梯、梯子以及检修车应有防滑措施。
3.3 车梯、安全带、工具在使用前应进行检查,确认良好方可使用。
3.4 车梯作业时,应指定车梯负责人,工作台上的人员不得超过2名,所有零件、工具等均不得放置在工作台台面上。
使用的小型工具、材料应放置在工具材料袋内。
作业中应使用专门的用具传递工具、零部件和材料,不得抛掷传递。
3.5 推动车梯要服从工作台上人员的指挥,作业台上有人时,车梯推行速度不得超过5km/h,并不得发生冲击和急剧起、停车。
3.6 车梯在曲线上、坡道上或遇大风时,应采取措施防止倾倒、滑移。
人员不得位于线索受力方向的反侧,并采取防止线索滑脱的措施。
在曲线区段进行接触网悬挂的调整工作时,要有线索滑跑的后备保护措施。
作业结束后,车梯不得就地存放,须稳固在建筑限界以外不影响了望信号的地方。
3.7 各部螺栓应按标准力矩紧固(见附件)。
3.8 使用接触网作业车进行巡检的要求:3.8.1车辆在运行期间,人员不得飞上飞下。
乘坐轨道车平板时,应坐好扶稳,不得将身体超出平板车以外。
作业平台严禁向未封锁的线路侧旋转。
目录检修作业指导书 (2)一、支撑定位装置检修作业指导书 (2)二、线岔检查作业指导书 (7)(1)无交叉线岔检查作业指导书 (7)(2)交叉线岔检查作业指导书 (13)三、分相检修作业指导书 (18)(1)七跨三断口分相检修作业指导书 (18)(2)元件式分相检修作业指导书 (22)四、补偿装置检查作业指导书 (23)五、避雷器检查作业指导书 (28)六、电连接线检查整治作业指导书 (32)七、分段(分相)绝缘器检修作业指导书 (35)八、附加悬挂检修作业指导书 (43)九、隔离开关设备检修作业指导书 (46)十、接地装置检查作业指导书 (54)十一、接触悬挂作业指导书 (57)十二、空气绝缘距离作业指导书 (61)检修作业指导书一、支撑定位装置检修作业指导书1 范围本作业指导书规定了支撑装置巡检作业程序、项目、内容及技术要求。
本作业指导书适用于接触网定位支撑装置巡检作业。
2 引用规范性文件2.1 《接触网运行检修实施细则》(铁运[2007]69号)2.2 《接触网安全作业规程》3 作业目的3.1 对接触网支撑装置各零部件进行检修,以保证这些部件在运用中保持良好的状态;明确各检修部位及工序的作业步骤,以实现作业过程有效可控;4 作业程序(流程图)4.1 作业流程:作业车到达支柱定位点处—质检员向支柱侧旋转作业平台到合适位置—开始作业5 作业内容与要求:5.1 作业准备:5.1.1 人员准备:注:其它作业人员(如地线)在此不一一列出。
5.1.2 材料准备说明:开口销、各种垫片、螺母可根据需要配带,其他可放置在作业车上材料箱,如有需要再上作业平台。
5.1.3 工具准备5.2 设备分A、B、C、D、E区进行检查,如下图:5.2.1 A区主要负责上下部腕臂底座、回流线等部位的检修,注意检查各部螺栓紧固情况,上下部底座及抱箍有没有滑移、变形等现象,回流线肩架是否完好,回流线鞍子处是否有损伤等。
5.2.2 B区主要负责支持装置处的检修,主要检查各部螺栓是否紧固,有无缺失,棒式绝缘子有无闪烙、破损,腕臂以及腕臂支撑有无弯曲变形等现象。
目录检修作业指导书 (2)一、支撑定位装置检修作业指导书 (2)二、线岔检查作业指导书 (7)(1)无交叉线岔检查作业指导书 (7)(2)交叉线岔检查作业指导书 (13)三、分相检修作业指导书 (18)(1)七跨三断口分相检修作业指导书 (18)(2)元件式分相检修作业指导书 (22)四、补偿装置检查作业指导书 (23)五、避雷器检查作业指导书 (28)六、电连接线检查整治作业指导书 (32)七、分段(分相)绝缘器检修作业指导书 (35)八、附加悬挂检修作业指导书 (43)九、隔离开关设备检修作业指导书 (46)十、接地装置检查作业指导书 (54)十一、接触悬挂作业指导书 (57)十二、空气绝缘距离作业指导书 (61)检修作业指导书一、支撑定位装置检修作业指导书1 范围本作业指导书规定了支撑装置巡检作业程序、项目、内容及技术要求。
本作业指导书适用于接触网定位支撑装置巡检作业。
2 引用规范性文件2.1 《接触网运行检修实施细则》(铁运[2007]69号)2.2 《接触网安全作业规程》3 作业目的3.1 对接触网支撑装置各零部件进行检修,以保证这些部件在运用中保持良好的状态;明确各检修部位及工序的作业步骤,以实现作业过程有效可控;4 作业程序(流程图)4.1 作业流程:作业车到达支柱定位点处—质检员向支柱侧旋转作业平台到合适位置—开始作业5 作业内容与要求:5.1 作业准备:5.1.1 人员准备:注:其它作业人员(如地线)在此不一一列出。
5.1.2 材料准备2 定位环个 23 承力索座个 2 单槽、双槽各一个4 开口销个105 螺母各种型号套各56 电力复合脂盒 17 定位器组 1说明:开口销、各种垫片、螺母可根据需要配带,其他可放置在作业车上材料箱,如有需要再上作业平台。
5.1.3 工具准备序号名称规格或型号单位数量备注1 作业车(或车梯)台 12 力矩扳手0-200N.m 个 2 配8、12、16、20套筒子各2个放置在作业车上3 力矩扳手0-100N.m 个 2 含套筒头4 大绳φ18mm 条 1 放置在作业车上5 锉刀把 1 放置在作业车上6 扭面器套 2 放置在作业车上7 五轮直弯器台 1 放置在作业车上8 梅花板手8-20mm 套 2 放置在作业平台上9 链式手扳葫芦 1.5t 台 1 放置在作业车上10 水平尺600mm 把 1 放置在作业平台上11 安全带条 1 现场作业人员每人1条12 短接线套 1 放置在作业平台上13 弹簧秤20KG 套 1 放置在作业平台上5.2 设备分A、B、C、D、E区进行检查,如下图:5.2.1 A区主要负责上下部腕臂底座、回流线等部位的检修,注意检查各部螺栓紧固情况,上下部底座及抱箍有没有滑移、变形等现象,回流线肩架是否完好,回流线鞍子处是否有损伤等。
目录一、接触网一日作业流程及作业标准 (2)(一)作业前一天的准备 (2)(二)出工前的准备工作 (3)(三)要令及验电接地程序 (4)(四)作业过程 (5)(五)撤出地线及消令 (6)(六)收工 (7)二、岗位作业指导书 (10)(一)工作票签发人作业指导书 (10)(二)工作领导人作业指导书 (11)(三)安全员作业指导书 (13)(四)驻站联络员作业指导书 (14)(五)现场行车防护员作业指导书 (15)(六)地线监护人及操作人作业指导书 (16)(七)高空作业人员作业指导书 (17)(八)平台操作员作业指导书 (18)(九)车梯推扶人作业指导书 (19)三、接触网巡视作业指导书 (20)四、接触网检修作业指导书 (25)(一)整体吊弦检修作业指导书 (25)(二)两跨式中心锚结检修作业指导书 (28)(三)交叉线岔检修作业指导书 (30)(四)电联结检修作业指导书 (34)(五)支持装置检修作业指导书 (37)(六)定位装置检修作业指导书 (41)(七)滑轮补偿装置检修作业指导书 (44)(八)棘轮补偿装置检修作业指导书 (46)(九)弹簧补偿装置检修作业指导书 (48)(十)绝缘子检修作业指导书 (50)(十一)附加导线检修作业指导书 (52)(十二)隔离开关检修作业指导书 (55)(十三)避雷器检修作业指导书 (58)(十四)吸上线检修作业指导书 (61)(十五)分段绝缘器检修作业指导书 (63)(十六)扭力扳手使用作业指导书 (67)一、 接触网一日作业流程及作业标准(一)作业前一天的准备1、作业计划的接收与传达1及道岔编号一致。
2、工作票签发人及工作领导人查阅AT 分区所、AT 满足V 停作业条件。
1.工作领导人宣读工作票。
2.支柱号、行车防护、轨道车运行段、作业小组人数、线路情况等。
工时要将本次作业任务和安全措 知轨道车当班司机。
1票人签认。
2签字的票(二)出工前的准备工作)。
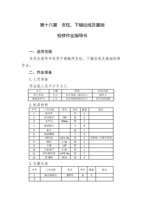
第十八章支柱、下锚拉线及基础检修作业指导书一、适用范围本作业指导书适用于接触网支柱、下锚拉线及基础检修作业。
二、作业准备1.人员准备作业组人员不少于3人2.机具材料3.仪器仪表4.劳保用品序号工具名称型号单位数量备注1安全帽-顶32安全带双钩根1三、质量标准1.支柱位置。
支柱跨距符合设计要求,一般不大于55米,误差±500mm。
200km/h及以上有碴高速铁路,接触网支柱侧面限不应小于3.1m,允许误差+50mm、-0mm;站场内困难条件下直线地段不小于2.5m,站场内仅动车走行区段考虑工务拔道裕留量40mm,不小于2.19。
曲线区段接触网支柱侧面限界应相应加宽,其加宽度计算公式如下:曲线内侧加宽度:曲线外侧加宽度:侧面限界:2440——最基本侧面限界;Hx——支柱侧面限界;R——设计线路的曲线半径;H——接触线对轨面的高度;h——外轨超高值2.支柱本体钢柱:支柱本体不得弯曲、扭转、变形,各焊接部分不得有裂纹、开焊;表面热镀锌层剥落面积不得超过5%。
混凝土支柱:支柱本体不得有横向裂纹,混凝土与法兰盘底座连接部分不应有开裂现象。
混凝土支柱本体支柱法兰盘底座3.支柱倾斜率。
(1)支柱横线路面应垂直于线路中心线,允许偏差不应大于2度。
(2)单腕臂、双腕臂和中心锚结支柱顺线路方向应直立,允许斜率为±2‰;横线路方向,允许向受力反向的倾斜率为5‰。
顺线路方向民横线路方向(3)硬锚锚柱横线路方向,向受力反向的倾斜率为0~5‰,顺线路方向,向下锚拉线侧倾斜率为0~5‰。
(4)补偿下锚柱横线路方向,向受力反向的倾斜率为0~5‰。
下锚柱横线路方向(5)曲线内侧的支柱、装设开关的支柱、双边悬挂的支柱、硬横跨支柱、均应直立,允许向受力的反向倾斜,其倾斜率不超过5‰。
(6)接触网各种支柱,均不得向线路侧和受力方向倾斜。
4.支柱基础支柱基础面应高出地面。
基础帽完整无破损、无裂纹,支柱根部和基础周围应保持清洁,不得有积水和杂物。
接触网检修作业车作业机构标准化操作指导书接触网检修作业车作业机构标准化操作指导书第一节适用范围时本指导书适用于操作接触网检修作业车作业机构进行作业的要求,规范了接触网作业车作业机构操作的作业程序。
第二节准备工作人员:接触网作业车司机、副司机、接触网检修工。
第三节作业指导书1.轨道起重设备操作人员须持有起重设备操作证上岗,轨道起重设备进行装卸作业时,须指派有经验的施工负责人现场指挥,并设有专人防护,严格执行起重作业的相关规定。
⑴严格执行“十不吊”规定①非指挥人员指挥,指挥信号不明,违章指挥不吊。
②超重或质量不明不吊。
③安全保护装置不明不吊。
④货件上有人或浮摆物件不吊。
⑤6米以上大货件无牵引绳不吊。
⑥货件钩连其他物件或埋藏地下物不吊。
⑦简化挂索、货件捆绑不牢不吊。
⑧光线不明,视线不清不吊。
⑨金属货物尖锐楞角无衬垫不吊。
⑩未试吊不吊(重要货件顿钩试吊)。
⑵严格执行“八不准”规定:①不准无“特种设备作业人员证”人员操作。
②不准酒后操作。
③不准机械代柄操作。
④不准大件货物起吊后变幅。
⑤不准负重快速转向或行走。
⑥不准突然制动和猛放吊物。
⑦不准重物不臂杆下站人。
⑧不准擅离起重司机操作岗位。
2.升降回转作业平台⑴作业过程中车辆移动时,动车前平台上的作业人员蹲下并把牢扶稳,平台操作人员适当降低作业平台高度。
车速不得超过10km/h。
⑵使用作业平台在外轨超高超过125mm的曲线上作业时,必须使用抓轨器或自动调平装置。
⑶作业平台在使用时不得超过载重规定(前端承重300kg,中心柱端承重1000kg)。
作业时平台下严禁站人和通行。
第四节作业流程1.使用接触网作业车随车吊起重作业流程⑴确认被吊物重量,严禁超载、偏载作业。
⑵启动发动机,运行正常后,将发动机转速控制在1100r/min左右,带动油泵工作,扳动“作业取力”钥匙开关至得电位。
⑶将手动换向阀扳到“随车吊位”。
⑷升起吊臂,作空载的变幅、伸缩、回转、卷扬等动作的运转,以检查有无异常现象,检查吊具是否完好。
接触网专业施工作业指导书编制:审核:批准:目录第一节简单链型悬挂施工工艺流程 (4)第二节支柱及拉线基础检查 (5)第三节基坑开挖 (11)第四节支柱组立及整正 (22)第五节供电线基础浇筑 (30)第六节硬横梁架设 (37)第七节硬横梁吊柱安装 (42)第八节隧道内化学锚栓预埋 (46)第九节化学锚栓拉拔试验 (52)第十节隧道内吊柱安装 (56)第十一节附加线架设—肩架安装 (61)第十二节附加线架设—底座安装(隧道内) (65)第十三节附加线架设—拉线安装 (69)第十四节支柱装配—测量计算 (81)第十五节支柱装配—腕臂安装 (102)第十六节隧道内补偿装置安装 (108)第十七节补偿下锚—拉线安装 (111)第十八节补偿下锚—滑轮安装 (116)第十九节补偿下锚—棘轮安装 (122)第二十节承力索架设—线索展放 (130)第二十一节承力索架设—承力索归位 (138)第二十三节接触线架设 (149)第二十四节接触线中心锚结安装 (156)第二十五节吊弦预配 (158)第二十六节接触网吊弦安装 (167)第二十七节绝缘锚段关节(关节式电分相)调整 (171)第二十八节接触网接地及回流引线 (176)第二十九节分段绝缘器安装 (183)第三十节隔离开关安装 (187)第三十一节避雷器安装 (196)第三十二节 27.5kV电缆敷设 (199)第三十三节电缆头制作安装 (204)第一节 简单链型悬挂施工工艺流程。
预配车间施工现场工程技术部腕臂结构预配预留基础检查和整改支柱安装整正腕臂结构安装 拉线安装附加线架设安装 硬横梁及吊柱安装 下锚补偿装置安装 隧道测量、锚栓安装拉拨实验、吊柱安装腕臂计算参数测量腕臂结构计算、数据提供预配车间承力索架设、中锚安装、倒鞍子整体吊弦安装 定位装置初安装接触线架设、检测 接触悬挂精调电连接安装、AB 值调整 设备、接地、回流安装标识牌安装 静态检测 动态检测承力索悬挂点测量整体吊弦计算、数据提供给预配车间整体吊弦预配基坑开挖第二节支柱及拉线基础检查1 适用范围适用于怀邵衡铁路桥梁、路基地段接触网支柱基础和拉线基础检查配合2 作业准备2.1内业技术准备(1)组织技术人员学习设计图纸和相关设计文件,熟练掌握国家规范和技术标准;施工前制定当天施工计划,制定施工安全保障措施;对施工人员进行技术交底和培训;各施工人员经过专业培训,考核合格后上岗;(2)制定接口预留检查制度、检查记录表;(3)制作基础螺栓检查确认工具,准备测量工具。
接触网检修作业车库内整备标准化作业指导书第一节 适用范围本指导书规范了接触网检修作业车在出库运用前(收车后)静态检查、动态实验的项目和技术指导。
适用于接触网检修作业车(JW-2、JW-3、JW-4、JW-4G、DA-7、DA-8、DA-11、DA-12、TY-2、TY-5型等)在库内进行整备作业时的指导作业程序。
第二节 作业准备人员:接触网作业车司机、副司机。
工具:检车锤、棉纱、卷尺、电筒、油润工具等。
第三节 作业指导书按接触网作业车日常维护保养作业指导书执行。
第四节 作业流程1.车辆检查分工:由司机对上车部分及车辆动态检查,副司机对下车部分及平车进行检查、调整、润滑、紧固。
(图1接触网作业车司机、副司机检查路线)2.车辆检查顺序(如图1所示):车辆Ⅰ端→左侧车体及走行部→车辆Ⅱ端→右侧车体及走行部→车辆底部→驾驶室内→作业平台及随车吊→发动机动态→制动机试验→行车安全装备(三项设备)。
3.出库前整备作业流程:(图2 Ⅰ端检查) (图3 车钩三态检查)⑴Ⅰ端检查处所(如图2~图3所示)瞭:上大灯、雨刮器、望窗玻、扶手、下大灯、铭牌号、百叶窗、脚踏板、排障器、排石器、直流电源插座、车钩及三态、制动软管等。
⑵走行部左侧检查(如图4~图9所示):车体外观、前端裙板内侧、抓轨器、轮对、燃油箱、制动缸、总风缸、后端裙板内侧等。
(图4 空压机检查) (图5 车轮检查及技术测量) (图6 轴箱减震弹簧检查)⑶后端检查:扶手、平台栏杆、随车起重机机座、大灯、脚踏板、排障器、扫石器、直流电源插座、车钩及三态、制动软管等。
(图7 牵引拉杆检查) (图8 油水分离器检查)⑷走行部右侧检查:车体外观、后端裙板内侧、抓轨器、轮对、轴箱装置、制动装置、消音器、前端裙板内侧等。
(图9 制动机分配阀外观检查) (图10 传动轴检查)⑸底部检查(如图10所示):机车信号接收器、空压机、发动机、动轮及转向架、变速箱、燃油箱、传动轴、换向分动箱、车轴齿轮箱、制动装置、手制动机、总风缸、车钩缓冲装置、作业平台回转机构等。
接触网作业指导书接触网作业指导书编制:复核:审批:一、基坑开挖施工1、人员组织2、工机具3、施工步骤基础施工采用软土路基接触网支柱基础类型。
(1).工艺流程(2).操作方法①、施工准备确认基坑类型、支柱限界,清理工作面;将需要开挖的路肩面整理平整,去除杂物,安设防道碴挡板;如遇到下雨等恶劣天气,禁止开挖基坑,已开挖未成形的基坑除加强支护、回填外,还应加强巡视、监测力度,确保路基稳定性。
基础与既有水沟位置重叠堵塞水沟时,基础浇筑完成后,及时进行水沟改移,改移后的水沟过水断面与既有保持一致。
②、基础坑开挖临线基坑开挖时,利用无列车时段开挖。
基坑开挖分两步走,第一步,按照基坑开口尺寸开挖至设计深度后,用编织袋装土将已开挖部分回填;第二步,第二天进行基坑放大角开挖、基础浇筑。
限界3.1米H型独立钢支柱基础开挖限界2.870米,基坑开挖,基础坑开挖尺寸0.7*0.7米,安装防护板。
下挖约200mm~500mm 后,开始安装防护板;随时用碎石或土将防护板与坑壁的间隙填满;按上述程序每挖200mm安装一层防护板,直至坑深达到标准为止。
基坑开挖深度为1.5米。
③、开挖放大角:基础开挖尺寸达到要求后(深1.5米)坑底用支护木板于坑四周支护,拆除坑底防护挡板,开挖放大角,中间柱放大角为开挖0.75米,下锚柱放大角为开挖0.95米。
每开挖一个放大角后用编织袋装土将放大角回填。
当四个放大角全挖好后,取出装土编织袋立即浇筑基础。
④、接触网基坑坍塌防范措施:(1)基础坑开挖下挖约500mm后,开始安装防护板;随时用碎石或土将防护板与坑壁的间隙填满;按上述程序每挖500mm安装一层防护板,直至坑深达到标准为止。
(2)防护板安装防护板安装顺序应由坑口向坑底安装;基坑开挖先挖四周一层,再往中间挖,每下挖约500mm,设置一层防护板;随时用碎石或土将防护板与坑壁的间隙填满;按上述程序挖一层,安装一层防护板,下层防护板的交错方式应与上层相反(即上层为b向坑中心缩进顶住a,下层为a向坑中心缩进顶住b)直到直到坑深达到标准为止。
接触网基础施工作业指导书1、合用范围合用接触网基础及拉线基础施工。
2、作业准备2.1、内业技术准备作业指导书编制后,在开工前组织技术人员阅读、审核施工图纸,澄清有关技术问题,熟悉规范和技术标准。
制定施工安全保证措施,提出应急预案。
对施工人员进行技术交底,对参加施工人员进行上岗前技术培训,考核合格后持证上岗。
2.2、外业技术准备施工作业段中所涉及的各种施工条件调查、外部技术数据采集。
暂时居住场所修筑、材料存放区域、施工机械准备等。
3、技术要求3.1、接触网支柱基础宜在路基基床表层填筑完成后开始施工。
如要在基床表层填筑前开始施工,则基床表层施工时应特殊注意接触网支柱基础周边的级配碎石压实效果。
3.2、施工前按设计的混凝土等级设计配合比,并进行室内试验,将试验结果形成书面报告,报监理审批。
3.3、在多工点开始同时施工前,根据初选的机械、设备和人员配置选取不小于 2 个接触网支柱基础作为试验性施工,检验施工方案的可行性,确定施工工艺参数,并报监理确认。
4、施工程序与工艺流程4.1、施工程序施工程序为:施工准备→试验性施工→工艺确定→测量放样→挖孔 (钻孔) →清孔→成孔检查→钢筋笼安装→下锚螺栓预埋与固定→接地端子焊接→立模→下锚螺栓位置复核→浇筑混凝土→养护。
4.2、工艺流程工艺流程图具体见下图 15、施工要求5.1、施工准备施工前应对设计要求进行明确,接触网基础的位置、标高、结构形式、预埋件位置及数量、结构尺寸的允许偏差等关键参数必须清晰明了,所使用的预埋件要有检验合格证书方可使用,试验室应对现场的钢筋等原材料进行抽样检查。
试验性施工方案:根据设计图纸,接触网支柱基础分为地上部份与地下部份。
为了保证接触网支柱基础的施工质量和施工便利,初步选定按照地下部份先定位、先浇筑,地上部份后立模、后浇筑的施工工艺进行,以期达到预埋螺栓组定位准确,基础外露部份整齐、美观的效果。
5.2、施工工艺5.2.1、测量放样技术人员应对施工段落内的所有接触网支柱基础及拉线基础的设计里程位置进行统计,建立台账,然后书面交底于测量人员。
电连接检修作业指导书作业工具短封线/单绳/力矩扳手/手锤/接触网多功能检测仪/钢卷尺/扁油刷/钢丝刷/断线钳/压接钳(备选)作业材料砂纸/导电膏/接触线电连接线夹/承力索电连接线夹/并沟式电连接线夹/电连接线/零配件(螺栓、螺母、垫片、开口销等)/铜绑扎线安全风险卡控关键1.移位检查或更换隔离开关、避雷器等设备的引线时,应采取旁路等电位措施,须事先用同等载流能力的短接线将电分段设备(•如电分段锚段关节、分段绝缘器、分段绝缘子串等)短接。
2.安装夹板式三螺栓电连接线夹时,应从中间螺栓开始依次交替逐渐拧紧至标准力矩,双螺栓要匀称紧固至标准力矩。
五色图要素1.红色:安全关键;2.橙色:检测修技术标准;3.蓝色:关键工艺控制;绿色:材料、工具准备及使用;5.黑色:作业项目、作业流程、作业时间。
一、工具材料工具:短封线/单绳/力矩扳手/手锤/接触网多功能检测仪/钢卷尺/扁油刷/钢丝刷/断线钳/压接钳(备选)材料:砂纸/导电膏/接触线电连接线夹/承力索电连接线夹/并沟式电连接线夹/电连接线/零配件(螺栓、螺母、垫片、开口销等)/铜绑扎线二.技术标准1 在锚段关节、线岔、链形悬挂与简单悬挂的衔接处、加强线(载流承力索)的终端、车站电力机车(动车组)经常起动处的股道之间、站场同一供电单元不同方向线路之间等处所,应装设电连接。
1.1 锚段关节在两转换柱与锚柱跨距内的两支悬挂间,装设纵向电连接。
1.2 线岔处两支悬挂间,装设1组电连接,其中车站两端最外方2组正线线岔装设2组电连接。
1.3 载流承力索区段每150-200m装设1组横向电连接,非载流承力索区段每隔250-300m装设1组横向电连接,在锚段内均匀装设。
承力索电联结线接触线1.4 在车站电力机车经常起动处同一供电臂的各股道悬挂之间,装设1组股道电连接;大型车站可根据情况适当增加股道电连接。
1.5 牵出线、专用线接触悬挂与相邻股道为同一供电臂,且共同安装在一组软横跨上,并无隔断绝缘子时,在软横跨牵出线、专用线来电方向安装1组股道电连接。
接触网无交叉线岔检测、检查、维修作业1 适用范围本作业指导书适用于高速铁路接触网18#无交叉线岔维修作业2 准备工作及要求(1)工具(2)材料(3)资料:接触网平面图、无交叉线岔安装图、示意图。
3 作业程序1.测量线岔(1)用激光接触网检测仪(或测杆、线坠等)测量线岔区各定位点及吊弦处导高和拉出值等技术参数是否符合设计要求。
(2)检查始触区是否符合技术要求,其范围内有无线夹。
(3)记录线岔对应的道岔号、现场测量数据及对设备的观察情况,整理后记录台帐。
2.维修线岔(1)检查各部件线夹及止动垫片。
(2)检查线岔处电连接器状态及有无测温贴片。
(3)必要时测量岔后曲线跨中处接触线偏移值。
3.线岔超标处理办法始触区范围内两接触线高差不满足要求或非支抬高不够。
在保证正线接触线高度的情况下,调整邻近吊弦的长度直至达到要求。
4 维修标准1.对1/18 无交叉线岔,其技术状态应符合以下要求:(1)岔心两端的定位柱距岔心的距离符合设计规定。
(2)在开口方向第一个道岔柱处正侧线接触线等高,第二个道岔柱处侧线导高比正线抬高80-120mm,第三个道岔柱处侧线导高比正线抬高500mm。
(3)腕臂顺线路偏移应符合设计要求,允许偏差为±20mm。
(4)两承力索交叉点处间距不应小于60mm。
(5)拉出值、导高应符合设计要求,任何情况下拉出值不大于450mm。
(6)正线接触线距侧线线路中心,侧线接触线距正线线路中心水平投影600~1050mm 范围为始触区。
始触区不允许安装除吊弦线夹以外的任何线夹类金具。
(7)当机车从正线驶入侧线,在侧线始触区范围侧线比正线导高高10-20mm,当机车从侧线驶入正线,在正线始触区范围正线比侧线导高高10-20mm。
(8)交叉吊弦应安装在正线接触线距侧线线路中心线,侧线接触线距正线线路中心线水平投影550~600mm 的范围内,两交叉吊弦间距一般为2m。
交叉吊弦与其他吊弦间距(始触区反侧)不大于6~8m;(9)交叉吊弦的承力索端采用滑动吊弦线夹时,绝缘垫块应安装正确,保证滑动灵活;交叉吊弦接触线端的吊弦线夹螺栓及载流环应朝向远离另一支接触线的方向,线夹倾斜角最大不得超过15°。
接触线检调一、周期200km/h及以下区段正线检调周期为12个月,侧线为24个月。
二、适用范围适用于接触线的线面校正、校直、磨耗测量和调整接触线位置、接触线补强等作业。
三、作业项目校正接触导线线面、校正接触导线波浪弯、测量接触导线磨耗、检调接触线拉出值(之字值)、检调接触线高度、检查接触线补强四、技术标准1、在曲线区段,接触线与承力索的连线应该垂直于轨平面,直线区段接触线呈“之”字型布置。
2、接触线之字值、拉出值(含最大风偏时跨中偏移值)应符合:200km/h以下区段:直线区段200-300mm;曲线区段根据曲线半径不同在0-350mm之间选用。
200km/h及以上区段:设计值±20mm,并保证在0-300mm间。
同时,应满足受电弓动态包络线的要求。
3、接触线高度应符合:(1)最高高度不得大于6500mm,最低高度不得小于5700mm。
(2)当隧道间距不大于1000m时,隧道内、外的接触线可取同一高度。
(3)符合设计要求,并结合接触线坡度同时调整。
4、接触线坡度(工作支)应符合:(1)标准值:120km/h及以下区段≤3‰;120~160km/h区段≤2‰;200km/h区段≤2‰;坡度变化率不大于1‰;安全值:120km/h及以下区段≤5‰;120~160km/h区段≤4‰其他同标准值。
(2)160km/h及以上区段定位点两侧第1根吊弦应等高,相对定位点的高度允许偏差±10mm;但不得出现V字型。
(3)200km/h区段相邻两吊弦的高差不得大于10mm。
相邻两悬挂点的高差不得大于30mm。
5、接触线不得偏磨和扭面。
6、接触线硬弯不得超过0.2mm。
7、200km/h及以上区段,正线接触线不允许接头。
200km/h以下区段,正线接触线接头不超过2个,接头处必须有负驰度。
8、接触线接头距悬挂点的距离应不小于2m。
9、中心锚结所在跨距内避免出现接头,各接头距离不小于150m。
10、接触线磨耗和损伤后不能满足规定的机械强度安全系数时,若系局部磨耗和损伤,可以加补强线或切除损坏部分重新接续,若系普遍磨耗和损伤则应更换;接触线接头、补强处过渡平滑。
该处接触线高度不应低于相邻吊弦点,允许高于相邻吊弦点0—10mm,必要时加装吊弦。
(查表待定)11、200km/h及以上区段,在电连接、中心锚结等集中负载处,接触线高度比相邻吊弦分别高出0-10mm、10-15mm。
12、接触网动态检测应符合:(1)200km/h以下区段:硬点<50g;200km/h及以上区段:硬点<60g。
(2)弓网接触力在40-200N范围内。
13、一个锚段内接触线和承力索接头、补强和断股的总数量应符合下表的规定(不包括分段、分相及接头距悬挂点应不小于2m,同一跨距内不允许有两个接头。
14、各部螺栓紧固力矩符合要求。
五、作业组织人员:6—8人(不包含地线及防护人员)。
工具:激光测量仪、钢卷尺、滑轮组、手锤、钢丝套子、校正扳手、温度计、工具包、游标卡尺、手扳葫芦、紧线器、平挫、断线钳、五轮电车线校直器、力矩扳手、塞尺、平板尺等。
材料:定位环、定位线夹、开口销、Φ3.5软态不锈钢丝、吊弦线夹、吊弦、接头线夹、接触导线、各种型号螺栓等。
技术资料:接触网平面布置图、接触网装配图、安装曲线图、接触线导线磨耗换算表。
六、作业程序(一)校正接触导线线面1、接触线线面不正时,易造成线夹偏斜和打、碰弓,可利用校正扳手整正线面。
2、若一跨距内线面普通偏斜,则需用两个校正扳手从一个定位开始,一步一步校正至另一个定位。
作业时,一个校正扳手卡着导线固定不动,用另一个校正扳手卡着导线向相反方向轻轻扭动,随后放开扳手,观察导线线面是否平整。
如果不平整,反复校正,直至使线面平整。
3、若一个跨距内只有少数地方线面不正,则可以用3个校正扳手,两个扳手固定两边不动,中间一个校正扳手扭动,直至使线面平整。
注意事项:1、在使用校正扳手时,要2—3人同时校正,每人负责一个校正扳手。
2、校正导线时要轻轻给扳手加力或减力,不可急剧加、减力,避免扳手反弹或脱落。
3、在校正导线时,避免产生新的导线扭面。
(二)校正接触导线波浪弯当接触导线有波浪弯时,可使用1米的平板尺紧靠接触线的下面,使用塞尺测量接触线与平板尺之间的间隙,当间隙>0.2mm时,使用五轮导线校直器校正导线波浪弯。
首先将五轮校直器卡在导线波浪弯平顺的一端,给五轮校直器加力,顺导线方向轻轻推动五轮校直器,直至推到导线平顺的部分为止。
一般均需要反复校直,且向硬弯两侧分别扩大1米,直至接触线硬弯小于0.2mm的标准为止。
注意事项:1、在给校直器加力或卸力时,要逐步逐次进行,调节转盘每次旋转60°,避免加力过大或卸力过快产生新的波浪弯。
2、在推动校直器时,要保持校直器运行角度一致。
(三)测量接触导线磨耗1、测量方法:将游标卡尺上下卡在导线上,调整游标卡尺,使游标卡尺垂直于导线,读取导线厚度值。
2、查接触导线磨耗换算表:将测量导线厚度值对照接触导线磨耗换算表,查找导线磨耗值。
3、使用导磨测量仪时,按照使用方法直接读数。
注意事项:1、在查磨耗换算表时,要注意不同型号接触导线对应的数值。
2、使用导磨测量仪时,注意导线入槽。
(四)调整接触线位置1、检调接触线拉出值(之字值)首先,调整前要进行修前测量,依据设计值与实际值确定调整量及调整方案,调整前要测量接触线导高值。
其次,按事先确定的调整量,在定位管上调整定位器安装位置,对于小限界使用的特型定位器,要在斜腕臂上调整定位器的安装位置。
调整完毕后,重新测量接触线拉出值(之字值),直至符合要求为止。
注意事项:1、在静态测量接触导线拉出值(之字值)时,要尽量使用激光测量仪等先进测量手段,减少人为因素造成测量误差。
2、若使用测杆测量拉出值时,要严格按照计算公式计算拉出值,切不可按照估算的方式进行拉出值计算。
3、对于半斜链型悬挂方式,调整拉出值(之字值)后,要检查定位线夹及其两侧吊弦线夹偏斜是否打弓。
4、调整拉出值(之字值)后,要对接触线高度进行复测,避免检调引起导高的变化。
2、检调接触线高度首先,调整前要进行修前测量,测量接触线拉出值(之字值)、定位器坡度、结构高度、上下部腕臂底座位置和相临2跨接触导线的坡度,依据设计值与实际值确定调整量并制定调整方案。
第二,当整跨导高超出设计值±30mm时,可以通过调整平腕臂高度进行导高调整,实际导高与设计值高差在±30mm以内时,可以直接通过调整吊弦达到要求。
最后,要测量接触线导高、定位器坡度和拉出值(之字值),使其均符合要求。
注意事项:1、在静态测量接触导线导高时,要尽量使用激光测量仪等先进测量手段,减少人为因素造成测量误差。
2、调整后的定位点两侧第一根吊弦等高,定位点与两侧吊弦高差小于5mm。
3、导高调整后,要使相邻2跨内的各吊弦受力均匀。
4、接触线拉出值(之字值)、导高和定位器坡度的调整要结合起来,不可顾此失彼。
(五)接触线补强1接触线因局部损伤或局部磨耗超标时,需要对其进行电气机械补强。
2在损伤或磨耗部件,通过接触线接头线夹,直接在该处进行补强。
3、接触线夹状态检查。
4、导线外观检查。
(六)接触线局部更换(图一)图一局部更换接触线示意图1、2、3、4—紧线器;A、B—手扳葫芦;5—旧接触线(需要更换地段旧接触线);6—新接触线;7—新、旧接触线接头;C—旧接触线断开点1、利用接触网作业车在旧接触线上合适位置(局部更换的第一端)打紧两个紧线器1、2,并挂手搬葫芦A紧线,紧手搬葫芦A至两紧线器间的旧接触线松弛后,在该处将旧接触线断开后(图中C点)将旧接触线一端头整平,做好新旧接触线的第一个接头7。
2、作业车摸着新接触线线面,缓缓移动至需另做接头处位置(局部更换的第二端),在新接触线安装紧线器3,在旧接触线上安装紧线器4,利用手扳葫芦B将新旧线相连。
3、紧手扳葫芦B直至新接触线完全受力,旧线完全松驰后,松手扳葫芦A,在需做第二个接头的合适位置切断该处的旧接触线,并将手扳葫芦A、旧线以及紧线器1、2拆除,做好新旧接触线的第二个接头。
4、两个接头均做好后,松手扳葫芦B使新接触线完全受力,检查所制作接头的状态,确认受力良好后拆除紧线器及手扳葫芦。
5、撤除旧接触线上的吊弦和定位,将旧接触线放至地面,将吊弦及定位安装在新接触线上。
6、接触线夹状态检查。
7、导线外观检查。
七、注意事项1、人员机具必须保证规定的安全距离,不得进入邻线,不得影响相邻轨道电路。
2、两部车梯同时作业时,要加强联系,相互配合。
3、高空作业人员作业时要认真分析接触线受力方向,避免线索弹回伤人。
4、作业时禁止作业人员踩踏接触线和定位器,禁止作业平台碰挂接触线。
支撑装置检调一、周期200km/h及以下区段,检修周期为12个月。
二、适用范围适用于腕臂底座、拉杆底座、压管底座、吊柱、隧道(跨线桥)内埋入杆件、棒瓶、腕臂等各种支撑装置部件的检调和更换。
三、作业项目(1)检查支撑装置状态,斜腕臂和平腕臂偏斜、弯曲变形、锈蚀。
(2)检查绝缘子是否脏污、击穿、闪络、破损。
(3)检查套管双耳有无裂纹、沙眼等缺陷。
(4)检查各连接部件螺栓是否紧固。
(5)检查隧道内埋入杆件有无变形锈蚀松动,周围水泥填充物状态是否良好。
四、技术标准1、结构高度:采用区段的设计值200km/h以下区段,跨中最短吊弦长度不小于300mm,200km/h及以上区段,跨中最短吊弦长度不小于600mm。
2、腕臂的安装位置应满足承力索悬挂点(或支撑点)距轨面的距离(即导线高度加结构高度)允许偏差±50mm;保证承力索与导线的连线垂直于轨面。
3、棒式绝缘子排水孔应向下,腕臂各部件均应组装正确,腕臂上的各部件(不包括定位装置)应与腕臂同一垂直面内,铰接处要转动灵活。
腕臂不得弯曲且永久性变形,腕臂端部非受力部分长度200—300 mm,管帽安装牢固。
双线路腕臂应保持水平状态,其允许仰高不超过100mm,无永久性变形。
定位立柱应保持铅垂状态。
4、腕臂偏移标准值:无偏移温度时垂直于线路中心线,温度变化时腕臂顶部的偏移要和该处的承力索伸缩量相对应。
安全值:标准值±100mm。
限界值:任何情况下不得超过腕臂垂直投影长度的1/3。
5、拉杆(压管)或水平腕臂的安装位置要满足承力索的悬挂需要,安装误差与腕臂相同。
拉杆(压管)或水平腕臂应呈水平状态,拉杆必须连接可靠无弯曲,且处于受拉状态。
允许悬挂点侧仰高不超过100mm。
6、桥梁、隧道内的埋入杆件(包括立柱)应安装牢固,无断裂、变形,其填充物不得剥落和裂纹,对杆件要适时做好防腐处理。
隧道内“V”形、“人”字形简单悬挂滑动环与滑动杆不卡滞。
7、硬横梁吊柱、隧道(跨线桥)立柱应保持铅垂状态,其倾斜角不得大于1°;立柱地脚螺栓必须是双螺帽,拧紧螺帽后螺栓外露长度不得大于30mm;调整立柱用的垫片不得超过3片;立柱垂直线路的位置符合规定,允许偏差如无规定时,按50mm执行。