接触网基础施工作业指导书
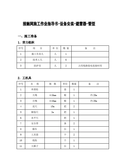
- 格式:docx
- 大小:55.84 KB
- 文档页数:9
南钦铁路NQ1标段路基工程编号:010路基接触网基础及拉线基础施工作业指导书单位:编制:审核:批准:2011年2月28日发布2011年3月1日执行路基接触网基础及拉线基础施工作业指导书1。
编制目的明确中铁十九局集团有限公司南钦铁路NQ1标工程指挥部管段内路基接触网基础和拉线基础的工艺流程、施工要点和相应的工艺标准,指导、规范路基接触网基础及拉线施工。
2。
编制依据2.1 《客运专线铁路路基工程施工技术指南》(TZ212—2005)。
2。
2 《客运专线铁路路基工程施工质量验收暂行标准》铁建设[2005]160号。
2。
3 五象南至大塘区间接触网路基基础平面布置图.2.4 大塘至小董西区间接触网路基基础平面布置图。
2。
5 接触网支柱钻孔基础构造图(广西沿海施网507—Ⅵ)。
3。
适用范围广西沿海铁路南宁至钦州北段扩能改造工程NQ1标管段内路基接触网基础及拉线基础施工.4。
施工程序与工艺流程4.1 施工工艺流程施工准备桩位测设旋挖钻机就位干法钻孔(人工挖孔)成孔检查钢筋笼安装预埋件安装质量检验安装串筒、立模灌注砼养生4.2施工程序1、场地清理在路基基床施工完成并检验合格后,清理平整出施工场地,并尽量减少对路基基床的破坏。
2、测量放样接触网支柱基础及下锚拉线基础距线路中线距离为Cx+175+50mm(Cx为支柱侧面界限,具体数值见相关的接触网平面布置图)。
采用全站仪进行放样,定出控制轴线,钉木桩标出接触网立柱中心位置,并设置护桩。
埋设护桩时必须用水泥砂浆(或砼)包裹并标识明确,钻机就位前认真核对桩位。
3、钻孔(人工挖孔)成孔接触网支柱基础及下锚拉线基础采用旋挖钻机钻孔或人工挖孔成孔,在成孔过程中随时检查桩孔轴线位置、桩径和垂直度。
在钻至桩顶以下3。
5m处时,检测基底承载力,以确定桩长.基底承载力不得小于150kpa,若发现地质情况与设计不符,须及时将情况反馈。
钻孔(人工挖孔)时在桩孔四周铺设彩条布,用于钻孔渣土的临时堆放,避免渣土污染路基基床顶面级配碎石,堆放的渣土及时清理,采用自卸车运出施工场地,堆放至合适的位置。
接触网施工作业指导书1000字接触网施工作业指导书一、前言接触网是电气化铁路的重要组成部分,施工安全和质量的保证与日常维护密不可分。
本作业指导书的编制,是为了提高接触网的施工效率,保证施工安全、质量有效开展工作。
二、施工前准备1.组织人员:根据施工任务单,进行施工计划,确定施工人员组成和分工,实行班次制度,确定值班人员,做好安全防护措施。
2.施工材料:按照接触网施工计划,准备好所需材料,合理存放和保管,严禁放置在高空位置和电力设备上方。
3.施工设备:准备好所需机具和器材,包括施工用车、吊装设备、回路检测仪等,严格检查设备的安全性和可靠性,确保施工设备符合安全标准要求。
4.施工现场:仔细勘察接触网施工现场,确定施工范围、施工器材、设备放置位置、跨越道路绝缘支架、支撑物位置等,做好施工标识和区域防护措施。
三、施工过程1.施工安全:严格遵守电气设备安全规程,严禁吸烟、火种、明火进入施工现场,施工人员的施工位置一定要符合安全要求。
在施工过程中,对施工现场的人员和行人进行安全防护,确保施工过程中不发生安全事故。
2.施工质量:按照接触网的设计规范,材料的质量要达到规定标准,严格按照设计图纸和施工说明进行施工。
在施工过程中,注意进行验收,严格按照质量要求验收,并及时记录好施工情况。
3.施工量的控制:施工量的控制是保证施工质量的重要手段,严格控制施工量并及时记录,确保施工量与任务量一致,不超过设计标准。
4.施工人员的管理:严格要求施工人员进入施工现场前必须进行专业培训,合格后才能进行施工,做到人员合理配置,合理轮换工作,对值班人员进行安排。
对施工过程中的人员制订相应的安全考核和奖惩办法,确保施工人员的积极性和责任心。
四、施工后收尾1.材料和设备的归还:施工结束后及时清理施工现场,归还在施工过程中所使用的机具、器材、安全设施等,存放在指定的位置。
2.施工档案的建立:对施工过程中的重要工作环节、质量评定、验收、工作量统计等情况进行记录,建立施工档案,作为今后接触网的维护与管理参考。
接触网施工作业指导书-设备安装-避雷器-管型一、施工准备1.劳力组织2.工机具3.材料设备二、操作程序一.工艺流程图二.操作方法1、准备(1)对待安装的管型避雷器进行外观检查。
(2)在驻地,按照设计要求,根据支柱类型,将避雷器支架和其它配件预配成套。
检验无误后,分别包装。
2、安装、调整(1)一人带安全带、皮尺攀上支柱,扎好安全带。
(2)上、下两人配合,测量避雷器支架在支柱上的安装位置。
作好标记。
(3)一人从支柱另一面攀上去,扎好安全带。
放下小绳。
下面一人将斜撑角钢和底座U螺栓用小绳拴牢。
(4)上面二人将斜撑角钢吊上来,在支柱上装好。
然后再将固定角钢及底座U螺栓吊上来,安装好。
(5)将固定角钢与斜撑角钢用螺栓联结固定。
用水平尺检查固定角钢是否水平,经调整达到水平后,一人爬下支柱。
(6角钢上。
一人爬上梯子,先把梯子绳从固定角钢上跨过去。
(7)下面一人将避雷器调节板、极棒与避雷器装配好。
梯子上面的人用小绳将避雷器吊上来。
(8)上面两人配合在固定角钢上安装避雷器。
(9)下面一人将棒式绝缘子、连接板、极棒装好。
梯子上的人用小绳将棒式绝缘子吊上来。
小绳跨在固定角钢上,下面的人拉住。
与梯子上的人配合,将棒式绝缘子安装好。
3、安装电连接(1)实测棒式绝缘子固定板至接触网安装避雷器电连接线的位置之间的距离。
(2)按设计要求的线材裁好电连接线。
在电连接线一端安装单孔设备线夹。
(3)梯子上的人把电连接线吊上来,用单孔设备线夹与棒式绝缘子固定板相连接。
然后调整棒式绝缘子与避雷器的两极棒。
(4)经防护员同意,梯车上道,安装电连接线。
4、安装地线(1)实测避雷器斜撑角钢U螺栓至接地极和钢轨的径路,用φ12圆钢预制避雷器至钢轨和接地极的引线。
(2)安装避雷器接地线和接地极引线。
5、结束操作结束,检查现场,安装工作正确无误,填写工程记录。
三、技术标准1. 管型避雷器检查标准:①产品说明书及铭牌应与设计图纸相符。
②管型避雷器的管体表面漆层应完整,不得有剥落,管体应无损坏、无裂纹、等缺陷。
接触网基础及拉线基础施工作业指导书1、适用范围适用于接触网基础及拉线基础施工。
2、作业准备2.1、内业技术准备在开工前组织技术人员阅读、审核施工图纸,澄清有关技术问题,熟悉规范和技术标准。
制定施工安全保证措施,提出应急预案。
对施工人员进行技术交底,对参加施工人员进行上岗前技术培训。
2.2、外业技术准备施工作业段中所涉及的各种施工条件调查、外部技术数据收集。
临时居住场所修建、材料存放区域、施工机械准备等。
3、技术要求3.1、接触网支柱基础宜在路基基床表层填筑完成后开始施工。
如要在基床表层填筑前开始施工,则基床表层施工时应特别注意接触网支柱基础周边的级配碎石压实效果。
3.2、施工前按设计的混凝土等级设计配合比,并进行室内试验,将试验结果形成书面报告,报监理审批。
3.3、在多工点开始同时施工前,根据初选的机械、设备和人员配置选取不小于2个接触网支柱基础作为试验性施工,检验施工方案的可行性,确定施工工艺参数,并报监理确认。
4、施工程序与工艺流程4.1、施工程序施工程序为:施工准备→试验性施工→工艺确定→测量放样→钻孔→清孔→成孔检查→钢筋笼安装→下锚螺栓预埋与固定→接地端子焊接→立模→下锚螺栓位置复核→浇筑混凝土→养护。
4.2、工艺流程工艺流程图具体见下图15、施工要求5.1、施工准备施工前应对设计要求进行明确,接触网基础的位置、标高、结构形式、预埋件位置及数量、结构尺寸的允许偏差等关键参数必须清楚明了,所使用的预埋件要有检验合格证书方可使用,试验室应对现场的钢筋等原材料进行抽样检查。
试验性施工方案:根据设计图纸,接触网支柱基础分为地上部分与地下部分。
为了保证接触网支柱基础的施工质量和施工便利,初步选定按照地下部分先定位、先浇筑,地上部分后立模、后浇筑的施工工艺进行,以期达到预埋螺栓组定位准确,基础外露部分整齐、美观的效果。
5.2、施工工艺5.2.1、测量放样技术人员应对施工段落内的所有接触网支柱基础及拉线基础的设计里程位置进行统计,建立台账,然后书面交底于测量人员。
目录一、接触网一日作业流程及作业标准 (2)(一)作业前一天的准备 (2)(二)出工前的准备工作 (3)(三)要令及验电接地程序 (4)(四)作业过程 (5)(五)撤出地线及消令 (6)(六)收工 (7)二、岗位作业指导书 (10)(一)工作票签发人作业指导书 (10)(二)工作领导人作业指导书 (11)(三)安全员作业指导书 (13)(四)驻站联络员作业指导书 (14)(五)现场行车防护员作业指导书 (15)(六)地线监护人及操作人作业指导书 (16)(七)高空作业人员作业指导书 (17)(八)平台操作员作业指导书 (18)(九)车梯推扶人作业指导书 (19)三、接触网巡视作业指导书 (20)四、接触网检修作业指导书 (25)(一)整体吊弦检修作业指导书 (25)(二)两跨式中心锚结检修作业指导书 (28)(三)交叉线岔检修作业指导书 (30)(四)电联结检修作业指导书 (34)(五)支持装置检修作业指导书 (37)(六)定位装置检修作业指导书 (41)(七)滑轮补偿装置检修作业指导书 (44)(八)棘轮补偿装置检修作业指导书 (46)(九)弹簧补偿装置检修作业指导书 (48)(十)绝缘子检修作业指导书 (50)(十一)附加导线检修作业指导书 (52)(十二)隔离开关检修作业指导书 (55)(十三)避雷器检修作业指导书 (58)(十四)吸上线检修作业指导书 (61)(十五)分段绝缘器检修作业指导书 (63)(十六)扭力扳手使用作业指导书 (67)一、 接触网一日作业流程及作业标准(一)作业前一天的准备1、作业计划的接收与传达1及道岔编号一致。
2、工作票签发人及工作领导人查阅AT 分区所、AT 满足V 停作业条件。
1.工作领导人宣读工作票。
2.支柱号、行车防护、轨道车运行段、作业小组人数、线路情况等。
工时要将本次作业任务和安全措 知轨道车当班司机。
1票人签认。
2签字的票(二)出工前的准备工作)。
接触网基础施工作业指导书1.作业准备根据审核的设计图纸、设计文件及站前提供的交桩资料为依据,由工程技术人员组织,现场定测放样(分纵向、横向、高程)标记控制桩(编号),制作施工表、制定安全质量保证措施、文明施工措施,施工前作详尽的单项施工技术交底。
2.施工组织2.1.劳力组织2.2.工机具组织2.2.1.基坑开挖工机具2.2.2.基础浇制工机具2.3.基础材料原材料应符合设计要求,设计未明确的应符合验标要求,水宜采用饮用水,砂采用干净河砂,石子强度应符合设计要求,并通过法定计量单位检测。
水泥应采用普通硅酸盐水泥425#,并通过检测。
根据设计混凝土标号(强度)委托有试验资质的混凝土试验单位选定配合比,出具有效的配合比报告。
混凝土配合比报告已选定,根据施工表及基础类型,准备基础螺栓、钢筋笼、砂子、石碴、水泥等。
3.工艺流程4.基坑开挖对照技术交底进行开挖,并对照施工表的地质情况,若地质情况与设计不符合,立即与技术联系;遇到沙、土质松软等情况,立即停止作业,向工班长汇报并采用挡板、支撑进行防护,作业时,一人在坑下作业,一人在坑上防护。
注意文明施工,不得污染道床和堵塞水沟。
根据设计施工图纸的基础类型,对于挖孔桩、钻孔桩的基坑,按设计要求,做好护壁桩。
5.基础浇制基坑开挖完毕后,检查坑深和限界,按照施工表复查基础类型,检查螺栓型号和数量,并按照基础框架、基础螺栓固定模具、按标准按装钢筋笼、固定基础螺栓,复核完毕,进行基础浇制。
所用材料提前检查,根据水灰比和配合比,材料要用磅秤计量。
6.施工工艺6.1.复测基坑(1)清理基坑位置。
(2)复核基坑人员根据测量资料复核基坑位置。
6.2.开挖施工作业人员根据施工表内容确定坑位及大小,复核人员确认后开始挖坑。
6.3.测量坑深当坑深度目测差不多时,复核人员测量坑深,并与施工人员沟通,直至达到设计深度。
6.4.清坑(1)清理平整坑底、坑壁。
(2)复核坑深。
6.5.安钢筋笼(1)将先予制好的钢筋网,放置设计位置。
接触网施工作业指导书-设备安装-避雷器-阀式一、施工准备1.劳力组织2.工机具3.材料设备二、操作程序一.工艺流程图二.操作方法1、准备⑴对待安装的阀式避雷器进行外观检查。
⑵由试验人员对阀式避雷器作绝缘电阻值和泄漏电流值测试。
并作记录,存档。
⑶用沙纸将阀式避雷器各连接处的金属接触表面上的氧化膜及油漆清除干净,再涂一层凡士林。
2、安装、调整⑴阀式避雷器包装好,安全运至安装地点。
⑵检查避雷器托架安装是否水平,托架孔距是否正确。
⑶一人带安全带、小绳爬到杆上合适的高度。
扎好安全带。
⑷用小绳把钢丝套子、滑轮吊上来。
在支柱上高于托架角钢1.5米处挂好滑轮。
再用小绳把大绳吊上来,穿过滑轮放下去。
⑸下面的人把避雷器下节和底座连接好,用大绳拴牢,再在避雷器上系一条小绳作晃绳。
经上面的人员同意,下面人员拉绳,将避雷器吊上去。
⑹杆上、杆下人员互相配合,将避雷器徐徐拉起高于托架角钢后,杆上人员将避雷器推向安装位置落下。
杆上另一人配合穿螺栓、紧固。
⑺用同样方法,安装避雷器上节。
然后再安装另一套避雷器。
3、安装电连接⑴用皮尺测量避雷器顶端至吸流变压器台上柱顶绝缘子到双极隔离开关之间电连接线的距离。
⑵按测量尺寸预制电连接线。
用并沟线夹和设备线夹将电连接线把柱顶绝缘子至双极隔离开关之间的连接线和避雷器顶接线柱连接起来。
4、安装地线⑴测量避雷器底座上方带标记沿支柱至接地极之间的径路距离。
⑵将φ12圆钢一端绕成φ10~12的圆环,用螺栓在避雷器带标记处连接固定。
沿测量好的径路,安装接地极引线至接地极。
5、结束⑴安装完毕,收拾滑轮、钢丝套子,大绳等工具,检查现场安全无误。
⑵施工负责人填写工程记录。
三、技术标准1、绝缘电阻的测量对35kV及以下氧化锌避雷器用2500V兆欧表摇测,每节的绝缘电阻应不低于1000MΩ。
进口氧化锌避雷器每节的绝缘电阻一般按厂家的标准。
2、测量直流和泄漏电流测量直流电压U1mA及75%U1mA电压下的泄漏电流,目的是为了检查其非线性特性及绝缘性能。
接触网专业施工作业指导书编制:审核:批准:目录第一节简单链型悬挂施工工艺流程 (4)第二节支柱及拉线基础检查 (5)第三节基坑开挖 (11)第四节支柱组立及整正 (22)第五节供电线基础浇筑 (30)第六节硬横梁架设 (37)第七节硬横梁吊柱安装 (42)第八节隧道内化学锚栓预埋 (46)第九节化学锚栓拉拔试验 (52)第十节隧道内吊柱安装 (56)第十一节附加线架设—肩架安装 (61)第十二节附加线架设—底座安装(隧道内) (65)第十三节附加线架设—拉线安装 (69)第十四节支柱装配—测量计算 (81)第十五节支柱装配—腕臂安装 (102)第十六节隧道内补偿装置安装 (108)第十七节补偿下锚—拉线安装 (111)第十八节补偿下锚—滑轮安装 (116)第十九节补偿下锚—棘轮安装 (122)第二十节承力索架设—线索展放 (130)第二十一节承力索架设—承力索归位 (138)第二十三节接触线架设 (149)第二十四节接触线中心锚结安装 (156)第二十五节吊弦预配 (158)第二十六节接触网吊弦安装 (167)第二十七节绝缘锚段关节(关节式电分相)调整 (171)第二十八节接触网接地及回流引线 (176)第二十九节分段绝缘器安装 (183)第三十节隔离开关安装 (187)第三十一节避雷器安装 (196)第三十二节 27.5kV电缆敷设 (199)第三十三节电缆头制作安装 (204)第一节 简单链型悬挂施工工艺流程。
预配车间施工现场工程技术部腕臂结构预配预留基础检查和整改支柱安装整正腕臂结构安装 拉线安装附加线架设安装 硬横梁及吊柱安装 下锚补偿装置安装 隧道测量、锚栓安装拉拨实验、吊柱安装腕臂计算参数测量腕臂结构计算、数据提供预配车间承力索架设、中锚安装、倒鞍子整体吊弦安装 定位装置初安装接触线架设、检测 接触悬挂精调电连接安装、AB 值调整 设备、接地、回流安装标识牌安装 静态检测 动态检测承力索悬挂点测量整体吊弦计算、数据提供给预配车间整体吊弦预配基坑开挖第二节支柱及拉线基础检查1 适用范围适用于怀邵衡铁路桥梁、路基地段接触网支柱基础和拉线基础检查配合2 作业准备2.1内业技术准备(1)组织技术人员学习设计图纸和相关设计文件,熟练掌握国家规范和技术标准;施工前制定当天施工计划,制定施工安全保障措施;对施工人员进行技术交底和培训;各施工人员经过专业培训,考核合格后上岗;(2)制定接口预留检查制度、检查记录表;(3)制作基础螺栓检查确认工具,准备测量工具。
接触网作业指导书接触网作业指导书编制:复核:审批:一、基坑开挖施工1、人员组织2、工机具3、施工步骤基础施工采用软土路基接触网支柱基础类型。
(1).工艺流程(2).操作方法①、施工准备确认基坑类型、支柱限界,清理工作面;将需要开挖的路肩面整理平整,去除杂物,安设防道碴挡板;如遇到下雨等恶劣天气,禁止开挖基坑,已开挖未成形的基坑除加强支护、回填外,还应加强巡视、监测力度,确保路基稳定性。
基础与既有水沟位置重叠堵塞水沟时,基础浇筑完成后,及时进行水沟改移,改移后的水沟过水断面与既有保持一致。
②、基础坑开挖临线基坑开挖时,利用无列车时段开挖。
基坑开挖分两步走,第一步,按照基坑开口尺寸开挖至设计深度后,用编织袋装土将已开挖部分回填;第二步,第二天进行基坑放大角开挖、基础浇筑。
限界3.1米H型独立钢支柱基础开挖限界2.870米,基坑开挖,基础坑开挖尺寸0.7*0.7米,安装防护板。
下挖约200mm~500mm 后,开始安装防护板;随时用碎石或土将防护板与坑壁的间隙填满;按上述程序每挖200mm安装一层防护板,直至坑深达到标准为止。
基坑开挖深度为1.5米。
③、开挖放大角:基础开挖尺寸达到要求后(深1.5米)坑底用支护木板于坑四周支护,拆除坑底防护挡板,开挖放大角,中间柱放大角为开挖0.75米,下锚柱放大角为开挖0.95米。
每开挖一个放大角后用编织袋装土将放大角回填。
当四个放大角全挖好后,取出装土编织袋立即浇筑基础。
④、接触网基坑坍塌防范措施:(1)基础坑开挖下挖约500mm后,开始安装防护板;随时用碎石或土将防护板与坑壁的间隙填满;按上述程序每挖500mm安装一层防护板,直至坑深达到标准为止。
(2)防护板安装防护板安装顺序应由坑口向坑底安装;基坑开挖先挖四周一层,再往中间挖,每下挖约500mm,设置一层防护板;随时用碎石或土将防护板与坑壁的间隙填满;按上述程序挖一层,安装一层防护板,下层防护板的交错方式应与上层相反(即上层为b向坑中心缩进顶住a,下层为a向坑中心缩进顶住b)直到直到坑深达到标准为止。
接触网基础施工作业指导书1、合用范围合用接触网基础及拉线基础施工。
2、作业准备2.1、内业技术准备作业指导书编制后,在开工前组织技术人员阅读、审核施工图纸,澄清有关技术问题,熟悉规范和技术标准。
制定施工安全保证措施,提出应急预案。
对施工人员进行技术交底,对参加施工人员进行上岗前技术培训,考核合格后持证上岗。
2.2、外业技术准备施工作业段中所涉及的各种施工条件调查、外部技术数据采集。
暂时居住场所修筑、材料存放区域、施工机械准备等。
3、技术要求3.1、接触网支柱基础宜在路基基床表层填筑完成后开始施工。
如要在基床表层填筑前开始施工,则基床表层施工时应特殊注意接触网支柱基础周边的级配碎石压实效果。
3.2、施工前按设计的混凝土等级设计配合比,并进行室内试验,将试验结果形成书面报告,报监理审批。
3.3、在多工点开始同时施工前,根据初选的机械、设备和人员配置选取不小于 2 个接触网支柱基础作为试验性施工,检验施工方案的可行性,确定施工工艺参数,并报监理确认。
4、施工程序与工艺流程4.1、施工程序施工程序为:施工准备→试验性施工→工艺确定→测量放样→挖孔 (钻孔) →清孔→成孔检查→钢筋笼安装→下锚螺栓预埋与固定→接地端子焊接→立模→下锚螺栓位置复核→浇筑混凝土→养护。
4.2、工艺流程工艺流程图具体见下图 15、施工要求5.1、施工准备施工前应对设计要求进行明确,接触网基础的位置、标高、结构形式、预埋件位置及数量、结构尺寸的允许偏差等关键参数必须清晰明了,所使用的预埋件要有检验合格证书方可使用,试验室应对现场的钢筋等原材料进行抽样检查。
试验性施工方案:根据设计图纸,接触网支柱基础分为地上部份与地下部份。
为了保证接触网支柱基础的施工质量和施工便利,初步选定按照地下部份先定位、先浇筑,地上部份后立模、后浇筑的施工工艺进行,以期达到预埋螺栓组定位准确,基础外露部份整齐、美观的效果。
5.2、施工工艺5.2.1、测量放样技术人员应对施工段落内的所有接触网支柱基础及拉线基础的设计里程位置进行统计,建立台账,然后书面交底于测量人员。
目录1.编制依据 (1)2.适用范围 (1)3.工程概况 (1)4.技术要求 (2)5.材料要求 (3)5.1钢筋 (3)5.2混凝土 (3)5.3模板 (6)5.4钢板、螺栓、螺母及垫圈 (6)6.作业准备 (7)6.1内业技术准备 (7)6.2外业技术准备 (7)7.劳动力组织 (8)8.施工程序与工艺流程 (8)8.1施工程序 (8)8.2施工工艺流程 (8)9.施工要求 (9)9.1施工准备 (9)9.2测量放样 (10)9.3混凝土凿毛、调整预埋钢筋 (10)9.4调整螺栓及安装预埋钢板 (10)9.5模板制作及安装 (11)9.6浇筑混凝土 (11)9.7混凝土养护 (12)9.8模板拆除 (13)10.质量控制及检验 (13)10.1质量控制 (13)10.2质量检验 (13)11.安全要求 (15)12.环水保要求 (15)大西客运专线站前13标段大荔特大桥接触网支柱基础施工作业指导书1.编制依据(1)《无砟轨道后张法预应力混凝土简支箱梁(双线)跨度:23.5m(直曲线)》(通桥(2008)2322A-V)(2)《无砟轨道后张法预应力混凝土简支箱梁(双线)跨度:31.5m(直曲线)》(通桥(2008)2322A-Ⅱ)(3)《新建铁路大同至西安客运专线运城至西安段接触网施工图—永济北至大荔区间接触网基础预留平面布置图》(4)《高速铁路桥涵工程施工质量验收标准》(TB10752-2010)(5)《高速铁路桥涵工程施工技术指南》(铁建设[2010]241号)(6)《铁路混凝土工程施工质量验收标准》(TB10424-2010)(7)《铁路混凝土工程施工技术指南》(铁建设[2010]241号)(8)《高速铁路电力牵引供电工程施工质量验收标准》(TB10758-2010)(9)《高速铁路电力牵引供电工程施工技术指南》(铁建设[2010]241号)2.适用范围适用于中交二公局大西铁路客运专线站前13标大荔特大桥桥面附属设施接触网支柱基础(含下锚拉线基础)施工。
接触网基础施工作业指导书接触网支柱基础施工方案一、编制说明1.1编制依据1、《合福线合肥至福州段DK588+588.21~DK636+661.62接触网基础预留接口设计图》(合福施图(路)-HFMG-07-J00)2、《高速铁路桥涵工程施工质量验收标准》(TB10752-2010)3、《高速铁路路基工程施工质量验收标准》(TB10751-2010)4、《铁路混凝土工程施工质量验收标准》(TB10424-2010)5、《高速铁路桥涵工程施工技术指南》(铁建设(2010)241号)6、《高速铁路路基工程施工技术指南》(铁建设(2010)241号)7、《路基接触网基础》(合福客专施(房)-2001)8、《无砟轨道后张法预应力混凝土简支箱梁(双线)》(通桥(2008)2322A-V)9、《无砟轨道后张法预应力混凝土简支箱梁(双线)》(通桥(2008)2322A-II)10、《铁路综合接地系统》(通号(2009)9301)11、路基段CPIII控制桩基础施工图1.2编制原则本方案遵循有关规范、标准、设计文件、招标文件等,并严格按照各相关施工和设计规范、验收标准中各项规定进行编制。
1.3编制范围本施工方案仅适用于京福客专合肥至福州铁路段HFMG-V标段桥梁公司分部施工管段DK607+813.97~DK619+000内接触网支柱基础施工。
二、工程概况2.1工程概况京福合肥至福州铁路客运专线采用CRTSI型板式无砟轨道结构型式,设计速度为250km/h,采用电力牵引动车组双线运营模式。
中铁一局集团合福铁路客运专线福建段V标桥梁公司分部,起讫里程为:DK607+813.97~DK619+000,位于福建省南平市境内,总长11.2km。
2.2主要工程数量我分部管段内路基接触网H型钢支柱基础分六种:ZJ-A1、B1、C1桩基础和DJ-A(二)、B(二)、C(二)独立基础。
拉线基础有两种,分别是ZJLX和DJLX。
桥梁接触网H型钢支柱基础分三种QJ-A2,QJ-B,QJ-C,拉线基础为QJLX-1基础一种。
接触网工程作业指导书编制:审核:批准:第一章基础施工作业指导书1. 适用范围适用于接触网基础施工。
2. 作业准备2.1 内业技术准备认真组织学习实施性施工组织设计,阅读、审核有关设计图纸、设计文件,澄清有关技术问题;熟悉有关规范、规程和技术标准;熟悉采用的新工艺、新标准、新材料;讲解基坑开挖和基础浇制的施工表和技术交底注意事项。
制定针对基坑开挖、基础浇制时的施工安全保证措施,提出应急预案并实际演练,对施工人员进行技术交底,并对施工人员进行上岗前技术培训及安全培训,考核合格后方可持证上岗作业。
2.2 外业技术准备施工作业层中所涉及的各种支柱、各类基础技术数据的收集,熟悉现场和线路情况。
准备好施工机具,满足基坑开挖和基础浇制时的施工需要。
3. 技术要求3.1 按照技术部门下发的技术交底及下部施工表施工;3.2 确认现场地质情况是否与设计一致,不符处及时与技术部门联系;3.3 根据支柱类型及基础类型确定基坑大小尺寸,施工尺寸可比设计尺寸略大0~100mm;3.4 对于易塌方区段的基坑可采取大开挖的方式,保证基础浇注后的尺寸不小于设计尺寸;3.5 基坑开挖施工过程中多次复核限界、坑深等数据,以免基坑偏斜;软横跨、硬横梁基础还要符合成对的两个基础中心线,拉线基础是否在锚支延长线上;3.6 基坑开挖前后坑口尺寸应比支柱底端尺寸大至少各200mm;3.7 基坑限界允许+60mm,坑深允许+100mm;3.8 检查基础浇制所需的材料、工具是否齐全满足施工需要;3.9 施工中,严格掌握混凝土的水灰比和配合比。
4. 施工程序与工艺流程4.1 施工程序施工程序为:施工准备→复测基坑位置→基坑开挖→复核坑深→清坑→安钢筋网→安装模板→固定螺栓→基础浇制→养护→清理场地4.2 工艺流程图5. 施工要求5.1 施工准备施工前检查基坑开挖和基础浇制需要的工具、材料,对大绳进行检查,发现断股的,不得采用;对发电机、震动棒、电缆线、漏电开关箱要提前进行试验,对影响施工和安全因素的要立即更换。
接触网支柱基础施工方案一、编制说明1.1编制依据1、《合福线合肥至福州段DK588+588.21~DK636+661.62接触网基础预留接口设计图》(合福施图(路)-HFMG-07-J00)2、《高速铁路桥涵工程施工质量验收标准》(TB10752-2010)3、《高速铁路路基工程施工质量验收标准》(TB10751-2010)4、《铁路混凝土工程施工质量验收标准》(TB10424-2010)5、《高速铁路桥涵工程施工技术指南》(铁建设(2010)241号)6、《高速铁路路基工程施工技术指南》(铁建设(2010)241号)7、《路基接触网基础》(合福客专施(房)-2001)8、《无砟轨道后张法预应力混凝土简支箱梁(双线)》(通桥(2008)2322A-V)9、《无砟轨道后张法预应力混凝土简支箱梁(双线)》(通桥(2008)2322A-II)10、《铁路综合接地系统》(通号(2009)9301)11、路基段CPIII控制桩基础施工图1.2编制原则本方案遵循有关规范、标准、设计文件、招标文件等,并严格按照各相关施工和设计规范、验收标准中各项规定进行编制。
1.3编制范围本施工方案仅适用于京福客专合肥至福州铁路段HFMG-V标段桥梁公司分部施工管段DK607+813.97~DK619+000内接触网支柱基础施工。
二、工程概况2.1工程概况京福合肥至福州铁路客运专线采用CRTSI型板式无砟轨道结构型式,设计速度为250km/h,采用电力牵引动车组双线运营模式。
中铁一局集团合福铁路客运专线福建段V标桥梁公司分部,起讫里程为:DK607+813.97~DK619+000,位于福建省南平市境内,总长11.2km。
2.2主要工程数量我分部管段内路基接触网H型钢支柱基础分六种:ZJ-A1、B1、C1桩基础和DJ-A(二)、B(二)、C(二)独立基础。
拉线基础有两种,分别是ZJLX和DJLX。
桥梁接触网H型钢支柱基础分三种QJ-A2,QJ-B,QJ-C,拉线基础为QJLX-1基础一种。
各型号接触网基础数量见表2.1、2.23.1技术准备3.1.1线路中心线和螺栓组中心间距复测复测架设完成的预制箱梁以及连续梁和现浇梁的线路中心线,并复测接触网预埋螺栓组中心到线路中心线的距离。
3.1.2混凝土及原材料试验混凝土原材料、钢筋及预埋件已经进场,并且经过试验和报验合格。
3.2主要机械设备配备3.3人员基本配备表3.3 主要人员安排现场施工人员:现场调度1名、汽车吊司机1名、起重信号指挥1名、电工1名、技术员2名、质检员1名、试验员2名、专职安全员1名、电焊工6名、施工作业人员10~20名。
四、桥梁上接触网支柱施工4.1施工工艺流程接触网基础施工前需在防护墙浇注完成,并且遮盖板安装已经完成的前提下施工。
桥面附属设施接触网支柱基础施工工艺过程为模板工序和混凝土工序。
施工工艺流程见图4.1。
图4.1 桥梁上接触网支柱基础施工工艺流程图4.2主要施工工序说明4.2.1测量放线进行接触网支柱基础结构尺寸放线,并复测接触网支柱中心到线路中心线的距离,设计距离为3.15m。
4.2.2钢筋加工及绑扎(1)钢筋绑扎前应对原梁体预埋钢筋进行除锈、调整。
对接触网支柱与桥面接茬部分混凝土进行凿毛,露出新鲜混凝土面,并清理干净。
(2)钢筋原材的品种、规格、质量必须符合相关规范要求,保证原材的可使用性。
(3)钢筋应严格安照设计图纸及相关规范进行加工。
(4)钢筋绑扎必须牢固,保证横平竖直、间距准确,局部不得弯曲,垫块数量及保护层厚度满足设计要求。
(5)钢筋如需焊接严禁熔伤钢筋,焊接长度应满足单面焊不小于10d,双面焊不小于5d,焊缝宽度不小于0.8d,焊缝厚度不小于0.3d。
(6)严禁在已绑扎好的钢筋网片上来回踩踏。
4.2.3模板工程(1)接触网支柱基础采用定型钢模,安装模板前应对模板进行全面检查,平整度是否合格、有无弯曲变形,检查合格后,进行打磨除锈和涂刷脱模机。
(2)模板支立前应对梁面砼标高进行测量,模板底部的梁面应为标准标高(否则应进行切割打磨或打砂浆垫层),保证模板顶面即为混凝土标高面,以方便于混凝土顶面压实、收光、抹平。
对模板底部空缺处用干沙子或木板条填塞严实,保证混凝土浆不流出。
(3)桥上的接触网基础应于相应的竖墙A同时进行施工,以保证砼的连续整体性。
模板用上拉条和穿墙丝(Φ20㎜塑料管包裹)进行连接,通过调整上拉条和穿钢丝保证模板上下宽度。
模板底部用水平横向撑杆进行顶压保证底模的位置准确。
模板的稳定采用斜拉杆进行调节,保证模板的垂直、坚固、稳定。
(4)安装接触网基础预埋钢板,保证预埋螺栓组中心与结构中线重合,并用锚栓螺母进行固定。
4.2.4混凝土工程模板报验合格后即可进行混凝土工序。
(1)桥面附属设施接触网支柱基础为C50高性能混凝土,在施工前混凝土配合比必须经过审批合格,并根据理论配合比确定施工配合比。
(2)混凝土原材及各项控制指标必须符合规范要求。
混凝土采用在拌合站集中拌制,混凝土运输车运输到施工现场。
(3) 混凝土采用混凝土运输车上桥,人工滑槽入模。
混凝土采用分层连续浇注,每层浇筑厚度不得大于30cm。
第一层可浇至槽口下约10cm处,将底角混凝土气泡充分排出。
混凝土浇筑应慢速均匀,防止振动过大,破坏模板外形尺寸。
混凝土振捣采用插入式振捣棒,型号为Φ30mm或Φ50mm。
操作振动棒时宜快插慢拔,垂直点振,不得平拉,不得漏振,谨防过振;振捣时以混凝土不再沉落,不出现气泡,表面平坦浮浆为宜。
振动棒移动距离应不超过振动棒作用半径的1.5倍,每点振动时间约10~20s,振动时振动棒上下略为抽动。
振捣过程中应派专人检查模板的宽度、垂直度和预埋件的位置,发现问题应及时通知模板工并进行调整。
(4)混凝土顶面应收光抹平至少两次,保证顶面光洁平整。
浇注完后应及时清理撒落、剩余的混凝土。
(5)当混凝土强度达到设计强度50%以上时,可拆除模板,拆模过程中要力度适中,防止出现磕损和掉角。
并对根部进行整修,凿除多余的混凝土,对磕损严重的地方用专门的修补砂浆进行修补。
(6)模板拆除完毕后采用塑料薄膜覆盖滴浇养护,养护时间不得少于14天。
4.3施工质量检查要求基础施工误差要求见表4.3。
表4.3 桥梁接触网基础施工检查标准接触网支柱基础必须弹好控制线,而且模板支放的混凝土面必须平整。
如果混凝土面比较高,则应该对混凝土面进行打磨,以保证模板顶面的平顺。
五、路基上接触网支柱施工5.1 技术要求接触网支柱基础宜在路基基床表层填筑完成后开始施工。
如要在基床表层填筑前开始施工,则基床表层施工时应特别注意接触网支柱基础周边的级配碎石压实效果。
5.2施工要求施工前应对设计要求进行明确,接触网基础的位置、标高、结构形式、预埋件位置及数量、结构尺寸的允许偏差等关键参数必须清楚明了,所使用的预埋件要有检验合格证书方可使用,试验室应对现场的钢筋等原材料进行抽样检查。
5.3施工工艺接触支柱基础施工流程见图1。
5.3.1测量放样技术人员应对施工段落内的所有接触网支柱基础及拉线基础的设计里程位置进行统计,建立台账,然后书面交底于测量人员。
测量人员按照交底的里程位置,对接触网基础中心位置进行准确放样(基础中心距离线路中线3.15m),并在基础的大小里程及线路中心方向各放置一个辅助定位点(距离基础中心点70cm),记录辅助定位点的里程、距离、标高,书面交底技术人员。
所有定位点必须用铁钉、红漆作出显著标示,同时技术人员应对测量放样的定位点进行现场复核,确认无误后方可用于施工。
5.3.2钻机成孔成孔采用旋挖钻机挖孔。
钻到设计深度后,必须在孔底处进行空转清土、然后停止转动,提出钻杆。
孔桩开挖到位后,人工开挖修整上部的承台基础,同时清除孔底的松土。
弃土在钻孔完成后立刻清除运走。
成孔后如因特殊情况不能及时灌注混凝土,应对孔口采取有效的防水措施,防止雨水进入孔内,且对孔口做好标识,做好防护措施,防止造成人员伤害。
钻孔时应注意保持孔口的垂直度,需使用铅垂线吊线检验。
同时要控制孔径,避免超挖。
5.3.3 成孔检查钻孔深度到位后,应对孔深、垂直度、孔位进行检验。
钻孔深度和垂直度测定:用测绳(锤)测量孔深,孔深应满足设计要求;用吊绳测定成孔垂直度,不符合要求时应由人工进行修孔,直到符合设计要求。
孔位检验由测量人员进行检查。
5.3.4 钢筋笼安放①钢筋笼加工。
钢筋笼采用集中加工,由技术人员按设计要求对现场施工人员进行书面交底,现场施工人员按交底作业。
②钢筋笼就位。
钢筋笼检查合格后,运送到工点,绑好混凝土垫块,下放钢筋笼,吊放钢筋笼时,要对准孔位,垂直吊入,缓慢入孔,避免碰撞孔壁。
钢筋笼放到设计位置时,进行固定。
5.3.5承台、 CPⅢ辅助立柱钢筋笼连接①根据设计要求,CPⅢ辅助立柱与接触网支柱基础是连接在一起的整体,因此在施工完基础的地下部分后应开始着手CPⅢ辅助立柱的施工。
②首先测量放样定位CPⅢ辅助立柱的基础位置,人工持风镐进行开挖,同时按相关图纸要求进行钢筋笼绑扎。
路基段CPⅢ布设于接触网基础大里程端线路中心一侧,当施工中遇到接触网下锚拉线基础时,其CPⅢ控制桩应设置在接触网拉线基础一侧。
③按照图纸要求将CPⅢ辅助立柱钢筋笼与接触网支柱基础的钢筋笼进行连接。
5.3.6 地上部分立模为保证外露部分的混凝土外观质量,应专门制作模板进行地上部分的浇筑。
模板在安装前应进行检查,检验合格的模板进行清洁并涂刷脱模剂。
模板安装后应对安装位置、断面形状尺寸进行复核,确认无误后固定模板。
5.3.7 预埋地脚螺栓①定位板制作。
定位板用槽钢制作,设两排螺栓定位孔,可通过上层的螺杆调节定位板的高度。
定位板可水平、上下移动,从而实现地脚螺栓的精确定位。
②螺栓组预埋。
定位装置放置在模板上,将每根地脚螺栓通过上下两个螺母固定在定位板上。
使每组六根地脚螺栓与定位板成为一个整体。
③粗调。
利用辅助定位点将定位板与螺栓组整体对中,然后通过上层的螺杆调节定位板的高程(定位板高程即基础顶面高程)并保证螺栓的外露长度,高程到位后调节定位板的水平,确认已经保持水平后粗调工作完成。
④精调。
粗调完成后由测量人员对预埋螺栓的位置、高程、间距等进行复核,如有偏差则通过调整定位装置对定位板进行细微的调节。
复核无误后将螺栓组与钢筋笼进行连接焊接,然后固定定位装置与钢筋笼。
5.3.8接地端子焊接每个接触网基础预埋两个接地端子,一个接地端子位于靠线路中线侧,距离接触网基础顶面以下100mm 处,另一个位于靠水沟电缆槽一侧,距离接触网基础顶面550mm。
在接地端子的连接钢筋水平引出焊接短筋且与独立基础主筋双面焊接,焊接长度不小于6d(d为短筋直径),焊缝饱满,焊缝高度不小于4mm。
接地端子表面与混凝土面平齐,接地端子表面进行封堵,防止水泥砂浆等进入端子内。