给排水预留预埋方案yp
- 格式:docx
- 大小:395.15 KB
- 文档页数:11
给排水暖通工程预留预埋工程1、预留预埋工艺流程准备工作→制作模具→放线标记→安装模具→防腐复核检查→砼浇筑→拆模2、准备工作认真熟悉图纸,参看给排水专业、通风空调专业、电气专业及建筑装修图纸及现场实际情况核对各管道坐标、标高、走向是否合理可行,管道排列空间是否合理,是否有交叉或排列位置不当,编制预留预埋方案图,必要时与各专业及设计、发包人、监理协商设计变更,办理变更洽商记录,进行技术交底。
这一步应当在结构施工之前解决,保证预留预埋工作顺利进行,为管道设备安装打下良好基础。
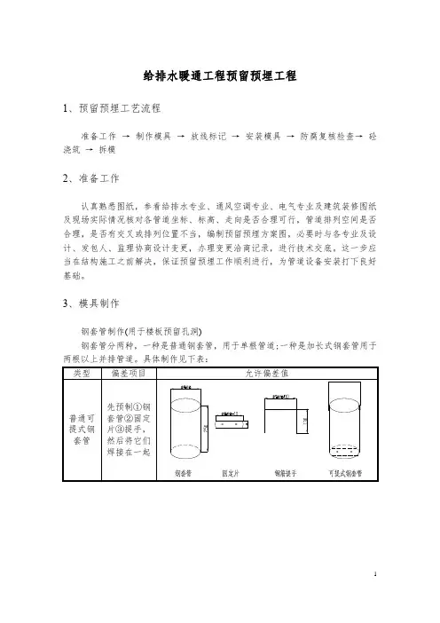
3、模具制作钢套管制作(用于楼板预留孔洞)钢套管分两种,一种是普通钢套管,用于单根管道;一种是加长式钢套管用于两根以上并排管道。
具体制作见下表:竹胶板方盒加工(用于梁、墙体预留孔洞)用铁钉将切如大小的竹胶板、小方木钉在一起,就制作成了一个竹胶板方盒。
竹胶板制木盒由木工加工制作,要保证木盒主正且外表光滑、坚固耐用、稳定性好。
根据工程梁、墙体预留洞的规格数量,加工制作适当数量的竹胶板方盒,预留孔洞按设计图纸配合土建进行,其尺寸设计无要求时,按如下规定执行:钢管、铸铁管穿越地下室外墙时,均应采用柔性防水套管。
套管、翼环刷底漆一道;套管必须一次浇筑于墙体内;套管长度等于墙厚且不小于300mm。
柔性防水套管制作安装参见91S B图集。
4、预埋套管加工根据图纸中的设计(特别强调要参看结构图中的墙体厚度及建筑图中的饰面成品后的厚度)、国家标准图集及相关技术交底,进行预埋套管的制作加工。
加工制作刚性防水套管、柔性防水套管、穿楼板普通填料套管,当安装管道管径小于150mm时,套管管径比安装管径大2号;管径大于等于150mm时,套管管径大一号即可。
当套管安装于钢筋混凝土墙中时,为保证木工支模,穿墙套管下料时按墙厚减去5mm。
在加工套管过程中,要求下料准确、端面平正,合理调配,减少材料浪费。
对于焊接部位,要求焊接严密,焊缝平整,焊波均匀、饱满,焊缝表面无结瘤、夹渣和气孔。
给排水暖通预留预埋工程方案排水暖通预留预埋工程是指在建筑物或房屋装修建设过程中,提前将排水暖通设备所需的管道、管件、阀门等预先埋设或预留在墙体、地面或顶板内,以便后续使用。
接下来,我将为你提供一份排水暖通预留预埋工程方案。
一、前期准备工作1.确定建筑物的类型和功能,了解排水暖通系统的需求。
2.调查建筑物结构和泵站位置,确定预埋管道的走向和位置。
3.编制排水暖通预留预埋工程建设方案,包括管道走向、管径、管材、阀门类型等。
二、施工方案1.确定主管道、分支管道和支管道的布置,根据需求确定每个管道的长度和位置。
2.根据建筑物结构和泵站位置确定管道的走向和高度,尽量减少弯头和支管。
3.选择合适的管道材质,如PVC管道或铸铁管道,根据需要选择不同的管径和厚度。
4.根据建筑设计图纸和孔洞图纸准确定位预埋孔洞的位置和尺寸。
5.在墙体、地面或顶板上开孔,保证孔洞位置准确、孔洞尺寸合适。
6.将预埋管道按照设计要求穿过孔洞,并使用适当的密封材料固定。
三、施工要点1.在进行预埋过程中,要注意管道与建筑构件的安装质量,确保管道的平整度和省略段的修直度。
2.管道之间应保持一定的间隔距离,以便后续安装和维护。
3.在预埋过程中,要注意管道与建筑构件之间的距离,避免破坏构造强度。
4.在预埋管道之前,要进行清理和防腐处理,以延长使用寿命。
5.在完成预埋工程后,要进行验收,确保管道安装质量和位置准确。
四、安全措施1.施工现场要设置警示标志,提醒工人和其他人员注意安全。
2.进行施工前,要对施工区域进行检查,清理障碍物和杂物。
3.施工过程中,要正确使用施工工具和设备,保证施工现场的安全。
4.施工人员要接受相关安全培训和操作指导,提高施工作业的安全意识。
综上所述,以上是一份排水暖通预留预埋工程方案,该方案包含了前期准备工作、施工方案、施工要点以及安全措施等内容,旨在保证预埋工程的顺利进行和质量的保证。
给排水专业预留预埋施工方案在建筑工程中,给排水系统是一个至关重要的部分,它直接关系到日常生活用水和废水排放的顺畅与否。
为了确保给排水系统的稳定性和高效性,提前进行预留预埋施工是必不可少的一环。
本文将就给排水专业预留预埋施工方案做详细探讨。
1. 施工前的准备工作在进行给排水专业预留预埋施工前,首先需要完整详细的设计图纸,其中应包括给排水系统的布置图、管线走向、连接点等相关信息。
在确定好设计方案后,要对相关施工人员进行专业培训,确保施工过程中的准确性和高效性。
2. 管路预留的要求在给排水系统的预留预埋施工中,管路预留是至关重要的一环。
首先要考虑管路的材质选择,应根据实际使用情况和环境特点选择耐用、耐腐蚀的管道材料。
其次要确保管路的预留位置和坡度适当,避免未来使用中出现倒流或积水现象。
3. 设备设施的预留要求除了管路预留,对于给排水系统的设备设施也需要进行合理的预留。
例如,厨房、浴室等区域需要预留下水管口和插座位置,以便未来安装水槽、洗衣机等设备时不需重新开挖,节省人力物力成本。
4. 施工过程中的注意事项在给排水专业预留预埋施工过程中,施工人员需严格按照设计图纸要求进行施工,确保管路走向、连接处的准确性。
同时,要注意施工过程中的防水、防火措施,确保施工现场的安全和整洁。
5. 施工质量验收要求施工完成后,必须进行严格的质量验收。
验收过程中要对管路的材质、连接牢固程度以及设备设施的位置等进行检查,确保整个给排水系统的质量符合标准要求。
只有通过了验收,才能进行后续的使用和封盖。
结语给排水专业预留预埋施工是整个建筑工程中不可或缺的一部分,它直接关系到建筑物后期的使用效果和维护成本。
因此,在进行这一过程时,务必做到严格按照设计要求施工,并进行严格的验收,以确保整个给排水系统的高效稳定性。
排水管道预留预埋施工方案1. 引言排水管道预留预埋施工方案是指在建筑或基础设施施工过程中,为日后安装排水管道做好预留和预埋工作。
本文档将详细介绍排水管道预留预埋施工的流程和要点。
2. 施工流程2.1 确定施工范围在施工之前,需要确定排水管道的布置和走向,并划定施工范围。
这需要结合建筑设计图纸以及排水系统设计方案来确定。
2.2 预留工作排水管道预留工作主要包括对地面或墙体进行预留。
在进行预留之前,需要确认管道的尺寸、材质和走向。
预留时,应留有足够的空间以便后续施工人员安装管道。
2.3 预埋工作在完成预留之后,进行排水管道的预埋工作。
预埋工作包括以下几个步骤:2.3.1 清理施工区域在进行预埋工作之前,需要清理施工区域,确保施工现场整洁。
移除杂物和障碍物,以确保施工的顺利进行。
2.3.2 进行土方开挖根据设计图纸和施工要求,进行土方开挖。
开挖时需要保持施工现场的安全,并确保开挖到设计要求的深度和宽度。
2.3.3 设置管道支架在土方开挖完成后,需要设置管道支架。
支架的设置需要符合设计要求,以确保排水管道的稳定性和安全性。
2.3.4 安装管道及配件在设置好管道支架之后,进行排水管道的安装。
根据设计要求,逐段安装排水管道,并连接相应的配件,如法兰、弯头等。
2.3.5 进行密封处理完成管道安装后,需对管道进行密封处理,以确保排水系统的密封性。
这包括使用密封胶或橡胶圈等材料对管道连接处进行密封处理。
2.3.6 进行回填在管道安装和密封完成之后,进行回填作业。
回填时,需要按照要求使用合适的土壤材料,将土方填平并进行压实,以确保地面的平整性和稳定性。
3. 施工要点3.1 安全注意事项在进行排水管道预埋施工过程中,需要注意以下安全事项:•施工现场应设置明确的安全标志,并采取相应的安全防护措施。
•施工人员应佩戴合适的个人防护装备,如安全帽、安全鞋等。
•施工过程中,需确保施工现场的通风和照明良好,以便操作人员正常工作。
给排水预留预埋施工方案方法与技术措施1.预留孔洞预留预埋是给排水专业在主体施工中的工作重点,主要含管道穿越剪力墙、梁、板的刚性套管,洁具器具排水口的预留洞,设备基础留洞及预埋件等。
在充分熟悉施工图的基础上,项目负责绘制详尽的各专业预留预埋孔洞综合图纸,由各专业工长负责跟踪指导检查,列出配合清单,标出配合部位,并预制好预埋件、套管和模盒。
积极配合土建,及时准确进行预埋、预留,以保证工程质量和施工进度。
待土建施工到预留孔洞部位时,立即按施工图中给定或专业会审协调确定的穿管坐标和标高,在钢筋下方的模板上,按标出的轴线,量尺测出预留孔洞中心至坐标并画出"+”标记。
在土建扎钢筋时,将事先做好的模具中心对准标注好的“+”后进行模具的固定安装,用钉子或铁丝绑靠在周围钢筋上,并考虑方便拆除临时模具。
当遇有较大的孔洞与剪力墙多根钢筋或剪力墙暗柱相碰时,专业工长必须及时与土建技术人员和监理工程师磋商,釆取相对应加固或变更措施后。
对用砖石砌筑的预留孔洞,派人和土建密切配合。
随时检查洞上尺寸,预留出所要求的空隙量。
2.设备基础的预留预埋给排水设备基础待设备或选定型号的设备说明到货核实后与底板一起施工,基础尺寸,预埋件的位置详核施工图或设备说明以及水泵隔震及安装标准95SS103o所有预留预埋都须进行二次复核。
3.套管安装1)管道穿钢筋混凝土水池(水箱)壁及其底板、顶板、地下室外墙或者在防水要求较高的部位均应在土建施工时配合预埋刚性防水套管或柔性防水套管。
其它管道穿剪力墙、楼板及梁上均应安装普通钢制套管。
2)以下以刚性防水套管的简要说明为例,说明套管的安装工艺要求:管道穿楼板处需预埋比管道直径大二号的钢质套管,管外壁与套管间的空隙用油麻和石棉水泥封填。
套管安装及制作见下图:图3-1-1套管填封和安装穿楼板套管长度=楼板厚度+底板抹灰厚度+地面抹灰及装饰厚度+20mm(厨卫为50mm);穿墙套管长度T啬厚+墙两面抹灰厚度。
、预留预埋工艺流程二、施工准备(1)技术准备:①审核管道及设备安装图纸是否符合现场作业条件,有无尺寸标注、标高失误,以及图纸上没有明确管径的部位,管道与结构之间是否存在空间冲突,确定预留预埋的加工和固定形式。
②各专业之间进行图纸会审及时核对设计图纸在空间布局上是否存在交叉,及时调整。
③技术资料;根据施工进度提前绘制留洞图,绘制的图纸做到预留预埋的参数明确,详细。
④结合土建图纸,确定每个预留洞、预埋件的位置、尺寸,预埋件要以图纸和有关技术资料为依据,绘制出加工大样图,并进一步核定尺寸、位置,作详细标注。
提出阶段性的加工计划,保证预埋件成品及时到位。
作业前进行书面专项技术交底,技术交底应详细、具体、具有针对性和实用性。
(2)物资准备①材料进场程序应按物资报验具体标准执行。
②主要材料应选样报审,预埋件、刚性、柔性防水套管等加工成品提前报建设及监理单位检验,报验合格后方可进行施工。
③根据工程进度;提前提出阶段的施工材料和加工计划,保证工程的正常施工。
三、施工工艺(1)预留洞木模预留应用于洞口大于或等于 300*300的立管及水平管道的预留洞。
木模加工材料;采用模板边角料或成品板材加工,为了避免跑模,板材的厚度必须大于 10mm木模的制作与固定;木模加工应规整齐平,楼板洞上安装木盒应高于混凝土表面大于30mm 墙体木模两端应预留1~2mm 余量,防止木模影响结构模板的固定,与模板接口处应加 设渗水海绵条,防止跑摸漏浆。
木模固定采用铁丝四周捆扎牢固,土建合模前应有专人配合防止移位(安装及固定见下 图)木模固定后应采用聚苯板严密封堵盒口,防止浇注时漏浆。
② 预留钢模钢模预留洞主要使用于小于300*300的立管或穿核心筒的结构预留洞、楼板洞。
钢模的材质使用普通焊接钢管,钢管上口用①8圆钢焊接提手以便于拔除。
钢模底断应齐平,打磨光滑,外壁刷机油或清油,缠油毡两层,用铅丝绑紧,放至洞位, 待混凝土初凝结后拔出。
预留钢模大于钢筋间距的部位应进行特殊处理或加强,以保证结构的安全性。
预留预埋施工方案第一节 预留预埋主要工作内容4.1.1 本工程建筑属于民用建筑结构,预留预埋工作较为繁重,主要集中在四个部分:生活给排水管穿墙、楼板孔洞的预留预埋,电气管道的预留预埋,设备安装基础的预留预埋。
4.1.2主要施工条件4.1.2.1材料要求所需材料主要有镀锌钢管、螺旋卷焊管、无缝钢管、钢板、木方、木条等。
4.1.2.2主要施工机具 主要施工机具有弯管弹簧、开孔器、电焊机、电钻、刚锯、电动开槽机、砂轮切割机、手动弯管器、液压弯管机等一些常用机具。
4.1.2.3作业条件根据土建楼层基准线,将隔墙线及墙厚度线弹好,在土建底层钢筋绑扎完后而上层钢筋未铺设前进行步管,根据施工图尺寸位置确定施工点位。
第二节 管道工程预留预埋4.2.1预留、预埋4.2.1.1责任工长应按审定后的管道设计图向预留班组进行全面的技术交底,预埋班组应在工长交底的基础进一步熟悉图纸,熟悉所有预留孔洞、预埋套管的位置、规格,以确保准确无误地预留预埋。
专业工长根据建施、水施及设施图纸要求,绘制专业予留予埋图,其予留孔洞尺寸为:DN25及以下管道 预留孔: Ф100mmDN32~50 预留孔: Ф150mmDN70~125 预留孔: Ф200mmDN150 预留孔: Ф250mm所有予留孔的中心座标及标高,偏移设计位置应不大于20mm 。
4.2.1.2预留工作随施工进度分区同步进行。
4.2.1.3穿越剪力墙的套管采用刚性防水套管,根据设计和规范要求制作套管,防水翼环的焊接应按标准图集严格要求焊缝的质量。
预埋时应作好定位处理,在土建关模板前,有关各方应对套管位置进行复核,若有偏移应及时调整,并重新定位,以保证预留准确。
4.2.1.4孔洞的预留采用长20cm的UPVC短管外缠塑料布确定预留位置后固定于墙体或板体钢筋上,并应及时复核其位置,保证位置准确无误。
密切配合土建,待砼板初凝后,应及时从板上将套管抽出,以保证预留孔洞的成形,同时,套管也可多次重复利用,剪力墙上的套管待土建拆模后进行复查清理。
目录一、工程概况 (1)二、编制依据 (2)三、工作流程 (2)四、工作内容 (3)1、绘制深化图纸及建立预留预埋清单表: (3)2、套管预埋 (3)3、底板预埋管安装 (7)4、卫生间给水管道暗敷 (9)5、预埋件安装 (10)五、施工中的注意事项 (11)六、劳动力及设备 (12)1、机具准备 (12)2、人员要求 (12)七、安全及文明施工措施 (12)1、安全保护措施 (12)2、文明施工措施 (14)八、动火作业管理制度 (15)1.目的 (15)2.范围 (15)3.职责 (15)4.工作程序 (15)给排水预留预埋施工方案一、工程概况本工程主要由两座主塔楼及商业裙房组成,是集商业、办公于一体的超大型综合性的建筑群。
工程项目总用地面积xxxx㎡,拟建三座塔楼和相连的裙楼,总建筑面积xxxxx㎡,其中地上建筑面积xxxx㎡,地下建筑面积xxxxx㎡。
二期塔楼为超高层办公楼和酒店,三期塔楼为公寓式酒店,地下室均为三层,为车库及机电用房。
给排水工程施工内容包括生活给水系统、热水系统、排水系统、雨水系统、中水系统、直饮水系统和泳池系统。
预留预埋是在主体结构施工中的工作重点。
积极配合结构施工,及时、准确地进行预埋、预留,是保证该专业工程进度和质量的前提与基础。
二、编制依据《给水排水管道工程施工及验收规范》GB50268-97《建筑给水排水及采暖工程施工质量验收规范》GB50242-2002总承包合同文件工艺和规范要求设计施工图纸给排水专业深化图及管线综合留洞图给排水安装进度计划三、工作流程四、工作内容1、绘制深化图纸及建立预留预埋清单表:施工准备期间,专业技术人员认真熟悉施工图纸,编制相应的深化图纸报审计划和材料报审计划,以工程联系函的方式送业主顾问审批,审批合格后,找出所有预埋预留点,并统一编号,列出各层段配合结构留洞、套管及预埋件清单,并在深化设计的预留预埋图中标注清晰,同时与其他专业沟通,以避免今后安装有冲突、交叉现象,减少不必要的返工。
给排水预留预埋方案给排水预留预埋方案一、项目背景随着城市规模的不断扩大和人口的增加,给排水系统的建设变得越来越重要。
为了确保给排水系统的有效运行,必须在工程建设过程中做好预留预埋工作。
本旨在提供给排水预留预埋方案的详细指南,以确保系统的顺利建设。
二、设计原则1. 安全性原则:在预留预埋工作中,必须符合安全标准,并采取必要的安全措施,以保障工作人员的安全。
2. 实用性原则:预留位置和长度应能满足未来的给排水系统的需求,并考虑到系统的运维方便性。
3. 可拓展性原则:应预留足够的空间,以适应未来可能的扩充和改造需求。
三、预留预埋方案1. 给水管道预留预埋方案1.1 预留位置:根据设计要求,在道路两侧的合适位置进行给水管道的预留。
预留位置应与欲设置给水支管的位置相对应。
1.2 预留长度:根据当前需求和未来的扩充预测,确定给水管道的预留长度。
预留长度应包括预留段的长度及延伸段的长度。
1.3 预留管道规格:根据给水管道的规格和流量要求,确定预留段和延伸段的管道规格。
应考虑到未来可能的需求增加。
2. 排水管道预留预埋方案2.1 预留位置:根据设计要求,确定合适的位置进行排水管道的预留。
预留位置应满足排水系统的布置要求。
2.2 预留长度:根据设计要求和未来的需求,确定排水管道的预留长度。
预留长度应足够满足未来的排水系统需求。
2.3 预留管道规格:根据设计要求和流量要求,确定预留段和延伸段的管道规格。
应考虑到未来可能的需求增加。
四、本所涉及附件如下:1. 图纸:包括预留预埋位置图、预留预埋段设计图等。
2. 技术规范:包括给水、排水管道的规范标准等。
五、本所涉及的法律名词及注释:1. 给水管道:供应饮用水的管道系统。
2. 排水管道:用于将废水排放到污水处理系统的管道系统。
3. 预留预埋:在工程建设过程中事先安排好位置和长度,以便未来系统的连接或扩充。
汉口北国际商品交易中心FII 区 机电施工方案1、预留预埋工艺流程二、施工准备 (1) 技术准备:① 审核管道及设备安装图纸是否符合现场作业条件,有无尺寸标注、标高失误,以及图 纸上没有明确管径的部位,管道与结构之间是否存在空间冲突,确定预留预埋的加工和固定 形式。
② 各专业之间进行图纸会审及时核对设计图纸在空间布局上是否存在交叉,及时调整。
③ 技术资料;根据施工进度提前绘制留洞图,绘制的图纸做到预留预埋的参数明确,详 细。
④ 结合土建图纸,确定每个预留洞、预埋件的位置、尺寸,预埋件要以图纸和有关技术 资料为依据,绘制出加工大样图,并进一步核定尺寸、位置,作详细标注。
提出阶段性的加工计划,保证预埋件成品及时到位。
作业前进行书面专项技术交底,技术交底应详细、具体、具有针对性和实用性。
(2) 物资准备① 材料进场程序应按物资报验具体标准执行。
② 主要材料应选样报审,预埋件、刚性、柔性防水套管等加工成品提前报建设及监理单 位检验,报验合格后方可进行施工。
③ 根据工程进度;提前提出阶段的施工材料和加工计划,保证工程的正常施工。
汉口北国际商品交易中心 F n 区项目经理部Date:2012.03中国建筑一局(集团)有限公司China Construction First Group LTD.三、施工工艺 (1) 预留洞 ① 预留木模木模预留应用于洞口大于或等于 300*300的立管及水平管道的预留洞。
木模加工材料;采用模板边角料或成品板材加工,为了避免跑模,板材的厚度必须大于 10mm 木模的制作与固定;木模加工应规整齐平,楼板洞上安装木盒应高于混凝土表面大于 30mm 墙体木模两端应预留1~2mm 余量,防止木模影响结构模板的固定,与模板接口处应加 设渗水海绵条,防止跑摸漏浆。
木模固定采用铁丝四周捆扎牢固,土建合模前应有专人配合防止移位(安装及固定见下 图)木模固定后应采用聚苯板严密封堵盒口,防止浇注时漏浆。
给排水预留预埋技术方案范本一:预留预埋技术方案1.引言1.1 目的本技术方案旨在详细说明给排水系统预留预埋的技术要求和方案,确保工程质量和施工进度。
1.2 背景随着城市建设的快速发展,给排水系统的建设日益重要。
预留预埋工作对于未来系统扩展和自由开辟具有重要意义。
2.技术要求2.1 预留预埋定位2.1.1 确定给排水设备的定位,包括水表、阀门等。
2.1.2 按照设计要求,预留给排水系统的管道走向和深度。
2.2 管道预留预埋2.2.1 预留预埋管道材料应满足国家相关标准和设计要求。
2.2.2 预留预埋管道应采用必要的保护措施,避免损坏。
2.2.3 预留预埋管道应具备足够的承载能力,以支撑未来的系统扩展和开辟。
3.施工步骤3.1 施工准备3.1.1 制定施工计划,确保施工进度和质量控制。
3.1.2 准备所需的施工材料和设备。
3.2 管道预留预埋3.2.1 进行地面勘探,确定管道预留的位置和深度。
3.2.2 在预留位置挖掘合适的坑,根据设计要求安装管道。
3.2.3 对预留的管道进行测试和检查,确保质量达到要求。
4.施工指导书4.1 人员需求4.1.1 指导员: 负责指导施工过程。
4.1.2 施工人员: 负责具体的施工工作。
4.2 施工流程4.2.1 确定预留位置和深度。
4.2.2 进行管道预留预埋施工。
4.2.3 进行测试和检查,确保质量合格。
5.验收标准5.1 管道预留位置和深度符合设计要求。
5.2 管道预留预埋符合相关技术标准和要求。
5.3 验收合格的预留预埋工程才干按照后续的施工步骤进行。
6.附件本所涉及附件如下:1. 设计图纸2. 工程施工计划3. 相关技术标准和规范7.法律名词及注释本所涉及的法律名词及注释如下:1. 施工单位:承担具体施工的企事业单位或者个人。
2. 技术标准:对给排水系统预留预埋进行规范和约束的文件或者文件集合。
范本二:预留预埋技术方案1.引言1.1目的本技术方案的目的是为了详细说明给排水系统预留预埋的技术要求和方案,以确保工程质量和施工进度的控制。
给排水预埋施工方案1. 引言给排水预埋施工方案是指在建筑物或者其他工程项目中,对给水管道和排水管道进行预先布置和安装的施工方案。
本文将详细介绍给排水预埋施工的步骤、方法及注意事项。
2. 施工步骤给排水预埋施工包括以下主要步骤:2.1 布置设计方案在进行给排水预埋施工前,需根据建筑物平面布置的需求制定设计方案。
设计方案应包括管道走向、管径、连接方式等详细信息。
同时,需遵循有关法律法规和相关标准。
2.2 材料准备根据设计方案,准备所需的给水管道和排水管道的材料。
通常使用的材料包括PVC、PE、玻璃钢等。
材料的选择应根据使用环境和管道功能进行合理选择。
2.3 管道埋设首先,在建筑物结构混凝土浇筑前,在地板和墙体的对应位置预留出给水和排水管道的埋设空间。
然后,根据设计方案,进行管道的安装和固定。
在安装过程中,应保证管道的水平和垂直度以及连接的牢固性。
2.4 管道连接在管道安装完成后,进行管道连接工作。
根据管道材料的不同,连接方式也会有所差异。
常见的连接方式有法兰连接、螺纹连接和热熔连接等。
连接时,应注意密封性和牢固性。
2.5 防腐处理给水管道和排水管道在埋设过程中容易受到潮湿和腐蚀的影响,因此需要进行防腐处理。
常见的防腐方法有涂抹防腐漆、包裹防腐材料以及使用防腐涂层等。
2.6 试验检查在完成给排水预埋施工后,进行试验检查以确保管道的安全和完好。
试验检查主要包括水压试验和泄露检查。
水压试验可通过向管道中注入一定压力的水进行,泄露检查则通过检查管道连接处是否有漏水来判断。
3. 施工方法3.1 给水管道施工方法•根据设计方案,在建筑物内进行水源准备和给水管道的引入。
•通过法兰连接或其他适当的方式,将给水管道与建筑物内部的水龙头、水箱等设备连接。
•根据需要,在建筑物内设置分水器和阀门等配件。
3.2 排水管道施工方法•根据设计方案,在建筑物内设置下水口和排水管道的引出口。
•根据需要,设置排水井和检查井等设施。
•通过法兰连接或其他适当的方式,将排水管道与建筑物内的下水道连接。
给排水预留预埋施工方案完整版.doc 范本一:正文:预埋施工方案一:引言本文档是关于给排水预留预埋施工方案的详细说明,旨在为相关施工人员提供指导和参考。
下面将分别介绍施工方案的设计、施工流程和注意事项。
二:设计1. 前期准备工作在进行给排水预留预埋施工之前,需要进行详细的设计规划。
这包括确定给排水设备的布置及尺寸,确定管道的走向和施工深度等。
2. 给排水设备布置根据项目需求和实际情况,进行给排水设备的布置设计。
要考虑设备的维护和维修空间,以及与其他设备的协调布置。
3. 管道走向设计根据施工区域的地形和建筑结构,确定给排水管道的走向。
通常情况下,优先选择走向简单、施工便利的路径。
4. 施工深度设计根据地下管道的排水要求和地质条件,确定施工深度。
通常情况下,大致为离地面0.3-0.5米。
三:施工流程1. 施工准备进行施工前的准备工作,包括准备所需工器具、材料和人员,确保施工现场的安全和整洁。
2. 布置水平控制点根据设计要求,在施工区域内布置水平控制点,以保证给排水管道的水平度和坡度。
3. 开挖和铺设管道按照设计走向和深度,在施工区域内进行开挖和铺设管道的工作。
要注意施工中的安全和环境保护。
4. 固定和连接管道将铺设好的管道固定牢固,然后进行管道的连接工作。
使用耐用的接头和密封材料,确保管道的连接处不漏水。
5. 水平度和坡度调整根据水平控制点的测量结果,调整管道的水平度和坡度。
确保水流能够顺畅流动,不积水和倒流。
6. 完善施工对已铺设好的管道进行清理和检查,确保施工质量符合要求。
如有问题,及时进行修复和调整。
四:注意事项1. 安全第一施工人员必须严格遵守安全操作规程,佩戴好个人防护装备,确保施工现场的安全。
2. 环境保护3. 工艺标准根据相关标准和规范进行施工,确保施工质量和使用寿命。
4. 定期检查和维护定期对给排水系统进行检查和维护,及时发现问题并进行修复,确保系统的正常运行。
附件:1. 给排水设备布置图纸2. 施工现场平面图3. 管道连接材料清单法律名词及注释:法律名词1:施工许可证注释:施工许可证是进行建筑施工必须的合法证件,由城市规划部门颁发。
给排水工程预留、预埋
本工程预留预埋工作量主要在设备间、卫生间,以及给排水支管在穿过楼板时预留孔洞和管道穿墙、穿楼板钢套管的预埋工作。
预埋完成以后进行技术复核,确保浇注砼之前完成位置、标高、尺寸等的复核工作,保证下步安装顺利进行,并及时向监理工程师报验。
(1)预留孔洞
施工前,熟悉图纸绘制管道留洞图,并同其它专业共同复核,如发现有专业交叉,管道“打架”现象,及时进行处理,以保证管道预埋工作准确、连续的实施。
根据施工图中给定的管道坐标在模板上作好十字线标记,将事先准备好的模具,用钉子钉在模板上或用铁丝绑扎在周围的钢筋上,固定牢固。
在土建施工过程中,派专门管道预埋人员值班,随时检查模具是否有跑位、损坏和漏留情况。
(2)预埋套管
根据图纸确定好套管的位置和标高,按照国标S312进行制作安装。
安装在楼板内的套管,其顶部要高出装饰地面20mm;安装在卫生间及厨房内的套管,其顶部要高出装饰地面50mm,底部要与楼板底面相平;安装在墙壁内的套管其两端与饰面相平。
穿过楼板的套管与管道之间缝隙用阻燃密实材料和防水油膏填实,端面光滑;穿墙套管与管道之间缝隙用阻燃密实材料填实,且端面也要光滑。
管道的接口不得设在套管内。
钢套管等预埋件,要固定牢固,并两端封堵好,派专人检查,以防浇注砼时出现移位或进入砼堵塞套管的情况。
1、编制依据 (1)2、工程概况 (1)3、工程前期质量工作的较底与指导 (1)4、给排水预留预埋关键工序及质量控制保证 (1)4.1 预留预埋工艺流程.............................................. 1..4.2施工准备....................................................................... 2.. .4.2.1 技术准备 .................................................................. 2..4.2.2 物资准备 .................................................................. 2..4.3施工工艺....................................................................... 2.. .4.3.1 预留洞................................................................................. 2...4.3.2 预埋套管 .................................................................. 4..4.3.3 直埋密闭管 ................................................................5..4.3.4 地下敷设管道 .............................................................. 6..4.3.5 预埋件6...4.3.6 套管的安装要求 ............................................................. 7..4.3.7 施工配合 .................................................................. 8..5、安全文明施工 (8)1编制依据1.1工程招标文件、工程承包合同、补充协议明确的施工内容和范围1.2中煤科工集团重庆设计研究院提供的施工图纸(水施图)。
1.3《91SB-通用图集》等相关规范规定及施工标准图集,2、工程概况2.1本工程建筑面积45638平米(法院26122讥检察院10970讥人武部8546 m2)0共三部分:法院为地上十二层,地下一层;检察院为地上八层,地下一层;人武部为地上六层,地下一层。
2.2给排水管道穿过楼板、剪力墙、屋面、结构梁等部位的预留孔洞、套管、直埋管道、埋件等。
3、工程前期质量工作的交底与指导为了保证本工程质量有一个良好的开端,保障质量保证严格运作,在项目开工之初并且项目管理人员基本配备齐全后,进行交底和指导,包括质量运行实施、质量资料、台帐的建立及要求等。
4. 给排水预留预埋关键工序及质量控制保证措施4.1预留预埋工艺流程4.2 施工准备4.2.1 技术准备:A、审核管道及设备安装图纸是否符合现场作业条件,有无尺寸标注、标高失误, 以及图纸上没有明确管径的部位,管道与结构之间是否存在空间冲突,确定预留预埋的加工和固定形式。
B、各专业之间进行图纸会审及时核对设计图纸在空间布局上是否存在交叉,及时调整。
C、技术资料;根据施工进度提前绘制留洞图,绘制的图纸做到预留预埋的参数明确,详细。
D结合土建图纸,确定每个预留洞、预埋件的位置、尺寸,预埋件要以图纸和有关技术资料为依据,绘制出加工大样图,并进一步核定尺寸、位置,作详细标注。
B、提出阶段性的加工计划,保证预埋件成品及时到位。
C、作业前进行书面专项技术交底,技术交底应详细、具体、具有针对性和实用性。
4.2.2 物资准备A、材料进场程序应按物资报验具体标准执行。
B、主要材料应选样报审,预埋件、刚性、柔性防水套管等加工成品提前报建设及监理单位检验,报验合格后方可进行施工。
C、根据工程进度;提前提出阶段的施工材料和加工计划,保证工程的正常施工。
4.3 施工工艺4.3.1 预留洞1)预留木模A、木模预留应用于洞口大于或等于300*300的立管及水平管道的预留洞。
B、木模加工材料;采用模板边角料或成品板材加工,为了避免跑模,板材的厚度必须大于10mmC 、木模的制作与固定;木模加工应规整齐平,楼板洞上安装木盒应高于混凝土 表面大于30mm 墙体木模两端应预留1~ 2mm 余量,防止木模影响结构模板的固 定,与模板接口处应加设渗水海绵条,防止跑摸漏浆。
D 木模固定采用铁丝四周捆扎牢固,土建合模前应有专人配合防止移位(安装 及固定见下图)木模固定后应采用聚苯板严密封堵盒口,防止浇注时漏浆。
2)预留钢模A. 钢模预留洞主要使用于小于 300*300的立管或穿核心筒的结构预留洞、楼板 洞。
B. 钢模的材质使用普通焊接钢管,钢管上口用 ①8圆钢焊接提手以便于拔除。
C. 钢模底断应齐平,打磨光滑,外壁刷机油或清油,缠油毡两层,用铅丝绑紧, 放至洞位,待混凝土初凝结后拔出。
D. 预留钢模大于钢筋间距的部位应进行特殊处理或加强,以保证结构的安全性。
加固木方四周设加强筋木盒\钢筋弓!模板 .配筋L 大于300*300时须加固渗水海绵条__________________铁丝绑1)刚性防水套管 A 、刚性防水套管见下图B 、套管及翼环的材质应符合施工规范规定要求,翼环的厚度满足规范规定,焊接饱满,焊渣清理干净。
防水套管内外壁应清理干净,管内壁刷防腐漆两道5C 、刚性防水套管两段应齐平,安装固定后与模板的间预留1~2mm 余量,与模板432预埋套管 L --------------- r-. \ 'rJ---........... i 口—-i卩)_■ _■■■ ■ J *-JJL/3IL/:LU/3^........... 「•’4楼板预留钢管混凝土墙预留钢管钢套管DL/2u 型翼环钢管 石棉水泥 油麻 挡圈h结合的部位加设渗水海绵条。
法兰盘翼盘2)柔性防水套管A、柔性防水套管做法必须符合施工规范规定要求。
B、加工的零配件应规整,打磨光滑,内壁防腐到位,法兰轴线垂直C、预埋时应只预埋管体,法兰内口与模板内壁在同一垂直面上。
433直埋密闭管1)穿越墙体和楼板处的密闭墙须设直埋密闭管。
2)直埋闭管的制作与安装见右图。
3)管制作长度应大于墙体或楼板两端100mm翼环采用10mn厚钢板制作,高度为50mm旱接饱满牢固,焊口用钢丝刷清理干净,水平管应按系统坡度设定坡向。
4)密闭镀锌管加工完后应彻底清理焊渣,进行热镀锌处理,方可安装。
434地下敷设管道1)地下室部分的废污水采用直埋给水铸铁管,承插连接。
2)管道埋设前应将给水铸铁管分段进行预制和加工,在底板底筋绑扎时插入施工。
3) 管道的坡度应按设计的坡度进行敷设,当设计未明确时不得小于 3%4) 管道固定采用①12螺纹钢焊接支撑固定牢固,坐标标高准确。
5) 钢管固定安装图上图用于钢模、刚性、柔性防水套管、密闭管的加强固定。
4.3.5预埋件1) 对管道大于DN200以上比较集中的钢管、设备机房承重处应考虑预埋件。
2) 预埋件钢板的厚度不得小于10mm 厚,预埋件与结构配筋应形成一个整体, 保证吊装的安全性。
加强配筋焊接固定套管固定大样预埋件加工大样3) 预埋件固定必须与模板板面平整,预埋钢板的长宽比应满足支架的安装。
4) 预埋件要以图纸和有关技术资料为依据,绘制出加工大样图,并进一步核定 尺寸、位置作详细标注。
5) 明确具体施工时间,特别是预埋件一定要在预埋前制作完成。
6) 明确土建构筑施工工序,保证预埋件成品及时到位。
7) 加强与建设单位、监理单位、设计单位及结构施工单位的协作配合,一些预 埋件成品可提前报建设及监理单位检验。
8) 设备吊装的埋件应考虑设备的荷载和施工时吊装和运输的方便。
436套管的安装要求 1) 凡穿过楼板、墙体基础等处,必须设置套管(水施图)。
2) 套管管径应比穿墙、穿楼板的管径大 2号。
过墙套管长度二墙厚+墙两面抹灰 厚度。
3) 过楼板套管长度=楼板厚度+板底抹灰厚度+地面抹灰厚度+20m (卫生间、厨 厕间50mm 。
4) 套管两端平齐,管内外应刷防锈漆一道。
5) 垂直套管应采用线坠统一吊线找好垂直度后方可固定 。
6) 钢套管预留前应考虑管道保温的厚度,保证保温厚度与套管之间的余量。
7)穿墙套管两端应与墙面平齐。
穿楼板套管下端应与楼板面平齐,上端高出地面20-30mm钢筋钢板配筋钢板 焊口437施工配合1) 将预制好的防水套管、复用套管及其它套管统一保存好,放在防水的地方以 备用,各种套管按标高、坐标位置放好后,设专人看护,以免在土建浇注砼 时被错动而位置不准确。
2) 套管就位后,塞编织袋或废纸于管内,以免砼进入其中而被堵塞。
在砼凝固 24小时后,及时将复用套管拔出,清理干净。
3) 配合土建对结构洞大于300*300的管道井、楼板洞、核心筒竖向墙体的消防 箱、管道预留洞的复核与检查,确保预留洞的坐标标高及洞口尺寸的无误。
4) 预留预埋人员应同土建施工人员随时沟通,及时掌握动态信息,保证工序的 及时衔接。
5) 预留预埋人员应随土建进度留守专职看护人员, 保证施工完成的成品不被破 坏。
6. 安全文明施工6.1实行新工人入场教育制度,考核上岗,定期培训。
6.2每周参加项目组织的安全生产会。
6.3特殊工种必须持证上岗。
6.4 施工现场使用电气焊严格执行用火证制度,电气焊工持证上岗,非电气焊工 或无证人员禁止电气焊作业。
6.5 施工现场严禁吸烟,严禁酒后或带病作业。
攀高作业须系安全带。
6.6 电焊机及施工用机械必须安全绝缘可靠。
圆钢钢套管豆石填充层6.7在钢筋作业面上施工时,应走专用钢跳板通道。
6.8钢管套丝时管子压钳案子要放平稳,用力要均衡,防止锯条折断或套丝扳手崩滑伤人。
6. 9 焊接时,应注意避免弧光伤害其他工作人员的眼睛,清理药渣时要注意防止烫伤眼睛。
6.10电焊把线和零线不准搭在氧气瓶子上面,更不准从金属绳上面拉过,也不准和氧气胶管及乙炔管混合在一起。
不用时,电焊把线和零线必须分开放着,以防短路。
下班后要对所有电气机具拉闸断电。
6.11搬运大管径钢管时,不能直接用手抬管子,应在管两端插入木棒或钢管进行抬运。
6.12钢管套丝时用铁皮盒子接住铁屑和润滑油,集中处理避免污染地面。
6.13施工现场不得随意乱放材料,保证施工现场清洁。