普通车工技能大赛图纸
- 格式:docx
- 大小:254.82 KB
- 文档页数:14
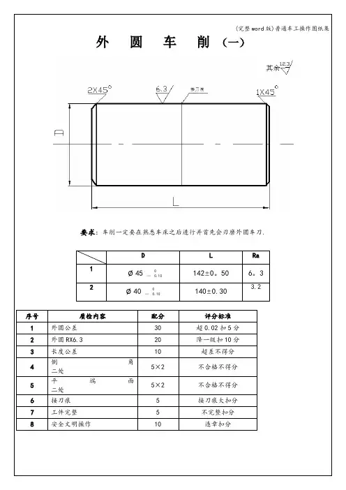
外圆车削(一)要求:车削一定要在熟悉车床之后进行并首先会刃磨外圆车刀.D L Ra1Ø45 —0 0.10142±0。
506。
32Ø40 —0 0.10140±0.30 3.2序号质检内容配分评分标准1外圆公差30超0.02扣5分2外圆RX6.320降一级扣10分3长度公差10超差不得分4倒角二处5×2不合格不得分5平端面二处5×2不合格不得分6接刀痕5接刀痕大扣分7工件完整5不完整扣分8安全文明操作10违章扣分第三次课件请保留阶台车削(二)序号质检内容配分评分标准1外圆公差三处10x3超0.01扣2分2外圆Ra3。
2 三处6x3降一级扣3分3长度公差三处4x3超差不得分4倒角二处3x2不合格不得分5平端面二处4x2不合格不得分材料毛坯时间45Ø50x145清角去锐边四62x4不合格不得分处7工件完整5不完整扣分8安全操作10违章扣分材料毛坯时间45Ø50x150多阶台车削(三)序号质检内容配分评分标准1外圆公差六处5x6超0。
01扣2分,超0。
02不得分2外圆Ra3.2 六处3x6降一级扣2分3长度公差六处3x6超差不得分4倒角二处2x2不合格不得分5清角去锐边十处10不合格不得分6平端面二处2x2不合格不得分7工件外观6不完整扣分8安全文明操作10违章扣分此件用上次课件改制材料毛坯时间45一夹一顶车削(四)序号质检内容配分评分标准1外圆公差四处8x4超0。
01扣2分,超0.02不得分序号质检内容配分评分标准1外圆公差四处6x4超0.01扣2分,超0。
02不得分2外圆Ra3。
2 四处3x4降一级扣2分3外沟槽四处6x4超差槽壁不直扣分4长度公差四处3x4超差不得分5倒角二处2x2不合格不得分6清角去锐边5一处不合格扣0。
5分7平端面二处2x2不合格不得分8中心孔2不合格不得分9工件外观5不完整扣分10安全文明操作7违章扣分要求:会刃磨槽刀及切断刀。
车工(学生中级组)实际操作竞赛项目
附件2
实际操作竞赛准备清单和要求
表一选手准备清单和要求
表二赛场准备清单和要求
表三材料准备清单和要求
附件3
车工(学生中级组)实际操作竞赛评分说明
1.工件由江苏省竞赛组委会组织检测。
2.未注公差尺寸按GB/T 1804-2000m级加工和检验。
3.检测时按工件中部尺寸检测为准,忽略机床本身精度
造成的形状误差。
4.配合检验时,以两顶尖定位检验组合件的圆跳动。
5.工件有严重不符合图纸要求或严重缺陷的情况时,应
扣除有关项目配分。
6.在加工过程中,发现参赛者使用砂布、锉刀抛光修饰,
则工件该表面尺寸和表面粗糙度按零分计。
7.选手竞赛违反安全文明操作规程时,现场裁判需将违
规现象记录在册,并由选手签名确认,扣分情况由现
场裁判组决定。
8.对于考试中出现的作弊行为将严肃处理,并取消竞赛
资格。
9.未尽事宜,由现场裁判组裁决。
附件4
车工(学生中级组)实际操作竞赛评分表。
普车技能大赛目录一、操作顶目说明 (2)二、操作顶目图纸 (3)三、操作顶目评分表 (8)四、车工推荐工具清单 (11)五、车工理论知识复习指导大纲 (13)六、应知应会比赛规则 (14)车工决赛操作顶目说明一、赛件名称:偏心锥度组合件二、赛件图样:1、组合装配图(见XBQJNDS – C000)2、丝杆轴(见XBQJNDS – C001)3、偏心锥度(见XBQJNDS – C002)4、丝杆盖(见XBQJNDS – C003)5、滚花螺钉(见XBQJNDS – C004)注意:决赛时,以赛场下发的图纸为准三、考核内容:(1)考核项目:所有考核项目评分(见竞赛项目评分表)(2)使用设备:CY6140(30台)(3)决赛所用棒料由赛场统一发放(4)评分说明:1、加工项合格得满分,超差扣分按超差量对照评分表内要求或等级进行。
2、装配项按评分表内要求评分3、评分表内未指定的尺寸和表面粗糙度达不到要求时,按表内规定的数值扣分。
4、未注公差尺寸按IT12级标准加工和检测,超差不得分。
23456新北区首届制造业五项技能竞赛车工专业操作技能考核评分表8新北区首届制造业五项技能竞赛车工专业操作技能考核评分表(续)9新北区首届制造业五项技能竞赛车工专业操作技能考核评分记录表评分人:年月日核分人:年月日10新北区首届制造业五项技能竞赛车工推荐工具清单表(选手自备)11新北区首届制造业五项技能竞赛车工推荐工具清单表(续)(选手自备)12新北区首届制造业五项技能竞赛车工理论知识复习指导大纲一、命题标准本次大赛理论试题依据劳动和社会保障部制定的《国家职业标准》中的车工高级工标准制定。
二、试题范围、比重及类型本次技能大赛决赛将根据本工种工艺知识为主,相关知识为辅的原则命题。
试题范围和比重是:1、本工种工艺知识,占试卷部分的70%。
2、机械基础知识,占试卷部分的30%。
试题类型:试题主要分四个类型,是非题、选择题、计算题和简答题。
普车技能大赛目录
一、................................. 操作顶目说明2
二、................................. 操作顶目图纸3
三、............................... 操作顶目评分表8
四、车工推荐工具清单 (11)
五、......................... 车工理论知识复习指导大纲
13
六、应知应会比赛规则 (14)
车工决赛操作顶目说明
一、赛件名称:
偏心锥度组合件
二、赛件图样:
1、组合装配图(见XBQJNDS- C000)
2、丝杆轴(见XBQJNDS- C001 )
3、偏心锥度(见XBQJNDS- C002)
4、丝杆盖(见XBQJNDS- C003)
5、滚花螺钉(见XBQJNDS- C004)注意:决赛时,以
赛场下发的图纸为准
三、考核内容:
(1)考核项目:
所有考核项目评分(见竞赛项目评分表)
(2)使用设备:
C 丫6140 (30 台)
(3)决赛所用棒料由赛场统一发放
(4)评分说明:
1、加工项合格得满分,超差扣分按超差量对照评分表内要
求或等级进行。
2、装配项按评分表内要求评分
3、评分表内未指定的尺寸和表面粗糙度达不到要求时,按
表内规定的数值扣分。
4、未注公差尺寸按IT12级标准加工和检测,超差不得分。
2
3
注
备
cooQ 1 SQZ~>CtoX
5
会
员委赛大能技项五区北新
5
5
5 5
料 材
i i i i
量 数 号 量 料 材
X B Q G N D S 1 O O C X 0
X B Q G N D S 1 C O C K )
X B Q G N D S 1 O O O ^
号 图
件合组度锥心偏
页 第
对校
期日
页 共
h
钉螺花滚
盖杆丝 度锥心偏
轴杆丝
计 设 图制
时工
定额
4
3
2 1
号 件
匸
O -H "<
j
【
•
验
检 ,工^加!-按差公寸
尺注未4
;
工 加
饰
修
石
油
,布砂,刀锂用使 许允不面表,具刀寸尺定,
具 夹心偏用使许允不时工加
3
;量测向方个三取动跳向径
4
•,收验考监交后成总
4
:求要术技
”
—
_
§o + 二Tr36xl?<P6)LH-7P
1OOC - SDNJQBX54会员委赛大能技项
五
区
北
新
号量料
轴
杠
丝
Hn
第
对
校
期
日
Ho
共
计
设
图
制
时
工
定
额
工
加
级
1^
按
差
公
注
末
3
量
测
针
三
用
径
中
纹
螺
形
梯
2
土
差
允
角
锥
l.n
二
几
〕
3
求
要
术
技
S
3
山
-0
D
o
-
二
O
O
5
X
钝
倒
棱
锐
角
倒
注
未
—
—
心
二
r
1
G
OJ
O
+I
9
f
E
M
cr
nj
o
4
5
2UOC - QS ^NJQBX
^1
54
会员委赛大能技项五区北新
号 图 量 数
料
材
套 锥 心 偏
页 第
对校
期
日
共
计设
图制
时工定额
—kit
■ 4-DJ035
----- — -------- -
钝倒棱锐
-未
一
处余其
工加^4—T r 按差公注
末、 学> 面触毕件与 、
:求要术技
6
cocoO 1 C/3QKOC0X
54
会员委赛大能技项五区北新
号 量 料
盖杆丝
^4
第
对
校
期日
MO
共
计 设 图制
时工定额
勺毕角倒注未
余苴八
工加级1
-按差公
注末
• •求要术技
07O Z 83-OJP 5
7
4UOC - QS ^NJQBX
54
会员委赛大能技项五区北新
号 量 料
钉 螺 花 滚
第
对校
期
日 共
计
图制
时工定额。
一5
毕角倒注未
——余苴八
工加^级
1-按差公注末
2
用卩O ~
3 oE
纹网彳
••求要术技
新北区首届制造业五项技能竞赛车工专业操作技能考核评分表
新北区首届制造业五项技能竞赛车工专业操作技能考核评分表(续)
9
新北区首届制造业五项技能竞赛车工专业操作技能考核评分记录表
10
新北区首届制造业五项技能竞赛车工推荐工具清单表
11
新北区首届制造业五项技能竞赛车工推荐工具清单表(续)
(选手自备)
新北区首届制造业五项技能竞赛车工理论知识复
习指导大纲
一、命题标准
本次大赛理论试题依据劳动和社会保障部制定的《国家职业标准》中的车工高级工标准制定。
二、试题范围、比重及类型
本次技能大赛决赛将根据本工种工艺知识为主,相关知识为辅的
原则命题。
试题范围和比重是:
1、本工种工艺知识,占试卷部分的70%
2、机械基础知识,占试卷部分的30%
试题类型:试题主要分四个类型,是非题、选择题、计算题和简
答题
三、试题考试时间120分钟,试题以100分为满分。
四、复习参考资料:《车工技术》(JJJ高级)
车工参考用书:《车工技能鉴定考核试题库》、《机械基础》(高级工适用)、《机械基础技能鉴定考核试题库》
注:上述书籍由机械工业职业技能鉴定指导中心编写、机械工业出版社出版。
(理论试题将在所在试题库中抽取)
13
应知比赛规则
1 、参赛选手提前10分钟进赛场。
入赛场前,由监考人员查验参赛
证、身份证或工作证,经认可后方可进场。
2、参赛选手应对号入座。
入座后将参赛证、身份证或工作证放在桌
面右上角,以便监考人员查验。
3、应知比赛采用笔试闭卷考试方法。
试卷由监考人员统一发放,除
考试用具外,选手不得携带其它物品进入考场,违反者取消参赛资格。
4、参赛选手按监考人员在赛前宣布的规定,在试卷指定位置上填写
参赛证号码、单位、姓名等,试卷其它位置不得有任何暗示选手身份的记号或符号,否则试卷作废。
5、参赛选手应自学遵守赛场纪律,服从监考人员指挥。
选手应保持
肃静,不准吸烟,不准交头接耳、传递纸条、偷看他人试卷,不准进行其它作弊行为,违反者取消参赛资格。
6、应知比赛过程中有事可向监考人员举手示意,由监考人员负责处
理。
7、正式开赛后迟到30分钟及以上者,一律按自动弃权处理。
开赛30分钟后方允许离开赛场,但不得在赛场周围高声谈论、逗留。
8、应知比赛结束时间一到立即停止答题,将试卷和草稿纸一起放在
桌面上。
除考试用具外,赛场内的任何物品严禁携带出赛场。
9、应知比赛结束后,由监考人员在赛场内装订、密圭寸试卷号码、
签字后交考务人员。
10、赛场中除指定的监考人员外,其他人员应佩带大赛组委会制作的
工作证件方可进入。
14
应会比赛规则
1、参赛选手提前10分钟进赛场。
入赛场前,由监考人员查验参赛证、身份证或工作证,经认可后方可进场。
2、参赛选手应自备劳动保护用品及辅助工具,进入赛场时,应主
动出示所带工具。
选手不得携带与比赛有关的预制件进入赛场,违反
者取消参赛资格。
3、参赛选手必须服从监考人员指挥,按“安全操作规程”进行操作。
4、应会比赛过程中,选手若需休息、饮水、上洗手间,时间计入应会比赛用时。
5、机器设备出现故障,参赛选手向监考人员举手示意,由监考人员负责处理。
修理时间不计入比赛时间,由监考人员计时,向后顺延。
6、正式开赛后迟到30分钟及以上者,一律按自动弃权处理。
开赛30分钟后方允许离开赛场,但不得在赛场周围高声谈论、逗留。
7、应会比赛完毕,选手认真清理赛件后,通知监考人员,由考评员验收。
&赛场中除指定的监考人员外,其他人员应佩带大赛组委会制作的工作证件方可进入。
允许进入赛场的人员,一律不准与参赛选手交谈,发现监考及其他工作人员营私舞弊,立即清退出赛场。
15。