高级车工图纸
- 格式:doc
- 大小:18.03 MB
- 文档页数:66
外圆车削(一)要求:车削一定要在熟悉车床之后进行并首先会刃磨外圆车刀。
D L Ra1 Ø45 —0 0.10142±0.50 6.32 Ø40 —0 0.10140±0.30 3.2序号质检内容配分评分标准1 外圆公差30 超0.02扣5分2 外圆RX6.3 20 降一级扣10分3 长度公差10 超差不得分4 倒角二处5×2 不合格不得分5 平端面二处5×2 不合格不得分6 接刀痕 5 接刀痕大扣分7 工件完整 5 不完整扣分8 安全文明操作10 违章扣分材料毛坯时间第三次课件请保留45 Ø50x145阶台车削(二)序号质检内容配分评分标准1 外圆公差三处10x3 超0.01扣2分2 外圆Ra3.2 三处6x3 降一级扣3分3 长度公差三处4x3 超差不得分4 倒角二处3x2 不合格不得分5 平端面二处4x2 不合格不得分6 清角去锐边四处2x4 不合格不得分7 工件完整 5 不完整扣分8 安全操作10 违章扣分材料毛坯时间45 Ø50x150多阶台车削(三)序号质检内容配分评分标准1 外圆公差六处5x6 超0.01扣2分,超0.02不得分2 外圆Ra3.2 六处3x6 降一级扣2分3 长度公差六处3x6 超差不得分4 倒角二处2x2 不合格不得分5 清角去锐边十处10 不合格不得分6 平端面二处2x2 不合格不得分7 工件外观 6 不完整扣分8 安全文明操作10 违章扣分此件用上次课件改制材料毛坯时间45一夹一顶车削(四)序号质检内容配分评分标准1 外圆公差四处8x4 超0.01扣2分,超0.02不得分2 外圆Ra3.2 四处4x4 降一级扣2分3 长度公差四处3x4 超差不得分4 倒角二处3x2 不合格不得分5 清角二处2x3 不合格不得分6 平端面二处3x2 不合格不得分7 中心孔 5 不合格不得分8 工件外观7 不完整扣分9 安全文明操作10 违章扣分要求:会正确使用A.B型中心钻。
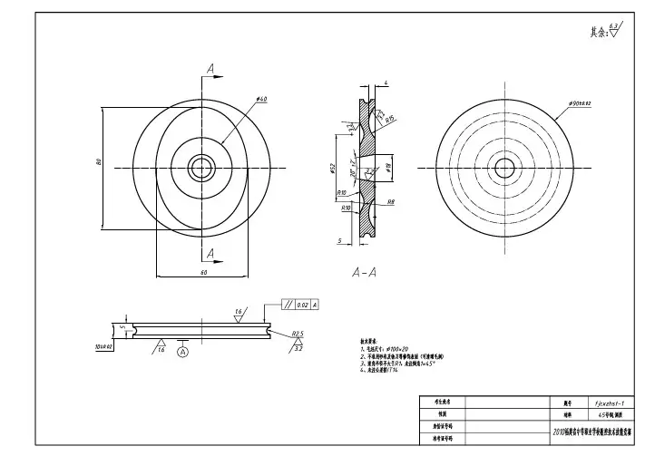
2010年福建省中等职业技术学校技能大赛数控车铣组合竞赛试题01评分标准 竞赛批次 机床编号 姓 名总分工 种 数控车铣工组合 图 号 fjcxzhst-1、2、3、4、5、6、7、8、9 检测号序号 项目 图号 考核内容 特征 Ra IT 检测结果 得分备注1 轮廓 fjcxzhst-1 φ90±0.02;10±0.02 2 1 1 轮廓2 fjcxzhst-1 20°±2’;φ18 2 1 1 定位锥孔3 fjcxzhst-1 80;60;φ40;4 3 1 曲面4 fjcxzhst-1 R10;R8;R10 2 1 曲面5 fjcxzhst-1 R2.5;5 4 1 柱面槽6 轮廓 fjcxzhst-2 87±0.04;φ22±0.02 1 2 轮廓7 fjcxzhst-2 φ20±0.016;11 1 1 轴承位8 fjcxzhst-2 20°±2’;φ18;14 2 1 1 定位锥面9 fjcxzhst-2 M12X1;φ20;2 1 1 螺纹10 fjcxzhst-2 R10;R6;R10;φ14 1 1 曲面11 fjcxzhst-2 R1;φ19.8±0.02 1 1 凸起12 fjcxzhst-2 2±0.02;深1mm(三处); 1 1 槽 13 fjcxzhst-2 φ18016.0043.0−− 1 圆柱面14 fjcxzhst-2 C0.5(两处) 1 倒角15 轮廓 fjcxzhst-3 13±0.02;φ70±0.02 1 1 1 轮廓16 fjcxzhst-3 57.45±0.02 1 1 阶梯面17 fjcxzhst-3 30±0.02;4-M6 2 2 沉头孔18 fjcxzhst-3 φ42003.0042.0−−;深12 1 1 圆槽19 fjcxzhst-3 φ42±0.02 1 阶梯面20 轮廓fjcxzhst-4 58±0.02;40±0.02;8±0.02 1 1 1 轮廓21 fjcxzhst-4 2-φ1004.00+;26±0.02;37.25 1 1 1 孔22 fjcxzhst-4 6.5±0.02;30±0.02 1 位置23 fjcxzhst-4 4-φ604.00+;;90°;6(四处) 2 1 1 锥孔2010年福建省中等职业技术学校技能大赛数控车铣组合试题01主要刀具、毛坯准备清单1.刀具名称 规格 数量 备 注平底立式铣刀 φ3mm、φ4mm、φ6mm、φ8mm、φ10mm、φ12mm、φ16mm、φ20mm自定球形立式铣刀 φ4mm、φ6mm、φ8mm、φ10mm、φ12mm自定铰刀 φ10mm 自定 φ10H7倒角刀 自定 0.5~2倒角车刀 外圆车刀、内孔车刀、端面车刀 自定切槽刀 自定 槽宽2mm螺纹刀 内螺纹、外螺纹 自定 M12X1、M6、M8 钻头 自定 φ6、φ8、φ10、φ18孔有关注意事项:(1)如果需要对刀仪,建议由考生自备。
9.1数控车削(高级)技能实训示例练习一一、实训目的(1)能根据零件图的要求,合理编制加工程序。
(2)保证零件的加工精度及表面粗糙度。
(3)培养学生综合应用的思考能力。
二、加工操作步骤参见GJLX一01图,加工该零件时一般先加工零件左端,然后调头加工零件右端。
加工零件左端时,编程零点设置在零件左端面的轴心线上。
加工零件右端时,编程零点设置在零件右端面的轴心线上。
1.零件左端加工步骤(1)夹零件毛坯,伸出卡盘长度50mm。
(2)钻孔(Φ20 X 29mm)。
(3)车端面。
(4)粗、精加工零件左端轮廓至尺寸要求。
(5)粗加工内孔。
(6)精加工内孔至尺寸要求。
(7)回参考点,程序结束。
2.零件右端面加工步骤(1)夹Φ40外圆。
(2)车端面保证零件总长。
(3)粗加工零件右端轮廓。
(4)精加工零件右端轮廓至尺寸要求。
(5)切槽5 X 1.5至尺寸要求。
(6)粗、精加工螺纹至尺寸要求。
(7)回换刀点,程序结束。
三、注意事项(1)工作需调头加工,注意工件的装夹部位和程序零点设置的位置。
(2)合理选择刀具、切削用量,提高零件加工质量。
(3)注意圆弧坐标点的计算。
刀具选择表五、加工参考程序O0001 (零件左端)N05 T0101 M03 S600 G0 X100 Z100 (主轴正转、换1号刀)N10 G0 X52 Z0N15 G1 X-1 F0.2 (车端面)N20 G0 X100 Z100N25 T0505N30 G0 X19 Z2 (循环起点)N35 G71 U1 R1 (内孔粗加工循环)N40 G71 P45 Q80 U-0.5 W0.1 F0.3N45 G0 X32N50 G1 Z0 F0.1N55 X30 Z-1N60 Z-9N65 X26 Z-16N70 Z-24N75 X20N80 Z-29N85 G0 X100 Z100 (返回换刀点)N90 M05N95 M00 (暂停、测量、补偿)N100 M03 S1000 T0505N105 G0 X19 Z2N110 G70 P45 Q80 (内孔精加工循环)N115 G0 X100 Z100 (返回换刀点)N120 M05N125 M00N130 M03 S600 T0202 (换2号刀车外圆)N135 G0 X52 Z2 (循环起点)N140 G71 U1 R1 (外圆粗加工循环)N145 G71 P150 Q180 U0.5 W0.1 F0.3N150 G0 X37N155 G1 Z0 F0.1N160 X40 Z-1.5N165 Z-24N170 X46N175 X48 Z-25N180 Z-40N185 G0 X100 Z100N190 M05N195 M00N200 M03 S1000 T0202N205 G0 X52 Z2N210 G70 P150 Q180 (外圆精加工循环)N215 G0 X100 Z100N220 M05 (返回换刀点)N225 M30;(程序结束、机床复位)调头加工O0002 (零件右端)N05 T0101 M03 S600 G0 X100 Z100 (主轴正转、换1号刀)N10 G0 X52 Z0 (循环起点)N15 G1 X-1 F0.2 (车端面)N20 G0 X100 Z100N25 T0202 (换2号刀)N30 G0 X52 Z2 (循环起点)N35 G73 U10 R15 (外圆轮廓粗加工循环)N40 G73 P45 Q110 U0.5 W0.1 F0.3N45 G0 X21N50 G1 Z0 F0.1N55 X23.8 Z-1.5N60 Z-25N65 X24N70 Z-30N75 G2 X28 Z-44 R10N80 G1 Z-52N85 X30N90 G3 X40 Z-57 R5N95 G1 Z-64N100 X46N105 X48 Z-65N110 G0 U5N115 X100 Z100 (返回换刀点)N120 T0303 S400 (切槽)N125 G0 X25 Z-25N130 G1 X21 F0.15N135 G0 X25N140 Z-24N145 G1 X21 F0.15N150 Z-25N155 G0 X100N160 Z100N165 M05N170 M00 (暂停、测量、补偿)N175 M03 S1000 T0202N180 G0 X52 Z2N185 G70 P45 Q110 (外圆轮廓精加工循环)N190 G0 X100 Z100N195 T0404 S700 (换4号刀)N200 G0 X26 Z2 (循环起点)N205 G92 X23 Z-22 F1.5 (螺纹切削固定循环)N210 X22.725N215 X22.425N220 X22.125N225 G0 X100 Z100;(返回换刀点)N230 M05N235 M30;(程序结束、机床复位)练习一零件图练习二一、实训目的(1)能根据零件图的要求,合理编制加工程序。
不准用锉刀,砂布等修饰表面
园锥半角/
用什锦锉刀去毛刺
其余
未注倒角
軸向齒形
:
未注公差尺寸按
不准用锉刀,砂布等修饰表面
三針直徑
用什锦锉刀去毛刺
未注倒角
軸向齒形
:
未注公差尺寸按
不准用锉刀,砂布等修饰表面
园锥涂色接触率大于
用什锦锉刀去毛刺
园锥半角,未注倒角
未注公差尺寸按
件
. 园锥涂色接触率大于
. 各件尺寸及形位公差满组合要求
. 园锥半角,园锥涂色接触率大于. 三针直径未注公差尺寸按
未注倒角
锐边倒角
未注倒角
锐边倒角
锥度按件配作
其余
件、件、件
组合后,不允许再加工
组合后需保证尺寸、形位公差的要求
三针直径未注公差尺寸按
未注倒角锐边倒角
未注倒角
锐边倒角
未注公差尺寸按
其余。
车工技能大赛图纸一、操作顶目说明...................................................2 二、操作顶目图纸...................................................3 三、操作顶目评分表................................................8 四、车工推荐工具清单.............................................11 五、车工理论知识复习指导大纲.................................13 六、应知应会比赛规则 (14)车工决赛操作顶目说明一、赛件名称:偏心锥度组合件二、赛件图样:1、组合装配图(见XBQJNDS – C000)2、丝杆轴(见XBQJNDS – C001)3、偏心锥度(见XBQJNDS – C002)4、丝杆盖(见XBQJNDS – C003)5、滚花螺钉(见XBQJNDS – C004)注意:决赛时,以赛场下发的图纸为准三、考核内容:(1)考核项目:所有考核项目评分(见竞赛项目评分表)(2)使用设备:CY6140(30台)(3)决赛所用棒料由赛场统一发放(4)评分说明:1、加工项合格得满分,超差扣分按超差量对照评分表内要求或等级进行。
2、装配项按评分表内要求评分3、评分表内未指定的尺寸和表面粗糙度达不到要求时,按表内规定的数值扣分。
4、未注公差尺寸按IT12级标准加工和检测,超差不得分。
2XBQJNDS - C000新北区五项技能大赛委员会XBQGNDS - C001XBQGNDS - C002XBQGNDS - C003 5h额定工时共5页第1页偏心锥度组合件XBQGNDS - C004日期制图数量件号零件名称材料图号设计校对45材料45丝杆轴11数量2偏心锥度145图号345丝杆盖1备注14滚花螺钉45 检验.4.未注尺寸公差按IT12加工,工;使用锉刀,砂布,油石修饰加具,定尺寸刀具,表面不允许3.加工时不允许使用偏心夹2.径向跳动取三个方向测量;1.总成后交监考验收;技术要求:3′12级加工锐棱倒钝 0.3x45?ITXBQJNDS - C001未注倒角 1x45?其余1. 锥角允差?43.末注公差按技术要求2. 梯形螺纹中径用三针测量新北区五项技能大赛委员会丝杠轴共5页第2页额定工时日期制图设计校对45材料数量图号1.61.6''4锐棱倒钝XBQJNDS - C002未注倒角 1x45? 其余新北区五项技能大赛委员会偏心锥套第3页共5页额定工时日期制图设计校对45材料数量1图号2、末注公差按75%>12级加工IT1、与件1接触面技术要求:545?X未注倒角 1其余XBQJNDS - C003丝杆盖额定工时共5页第4页日期制图设计校对45材料数量1图号新北区五项技能大赛委员会末注公差按IT12级加工技术要求:645?XXBQJNDS - C004未注倒角 1其余0.4~第5页共5页额定工时网纹 m0.3日期制图设计校对45材料数量1图号新北区五项技能大赛委员会滚花螺钉2、末注公差按IT12级加工1、网纹m0.3~0.4可用 P=1.2代替技术要求:7姓名考号开工时间单位停工时间件序考核项目检查结果配分评分标准号号25 组装成型能()不能()不能完成组装不得分01 10 157.5?0.2 mm 15 超差0.05以内扣5分 74.5 mm 超差0.05以内扣5分 0.1,2 ,0.053 0.5 mm 15 超差0.01以内扣5分 0总成,0.054 0.1 mm 15 超差0.01以内扣5分 05 0.05 A 20 ? 超差不得分06 4/2 超差不得分Ф44 mm Ra1.6 0.025,07 4/2 超差不得分Ф38 mm Ra1.6 0.039,,0.028 4/2 超差不得分Ф20 mm Ra1.6 ,0.03309 ,36 mm Ra3.2 2/2 超差不得分 0.375,,0.11810 10/8 超差不得分Ф33 mm Ra1.6 ,0.453011 2/1 ,29 mm Ra3.2 超差不得分件0.537,112 4 40?0.025 mm 超差不得分 13 4 6?0.025 mm 超差不得分014 50 mm 4 超差不得分 0.20,15 A-B ◎ Ф0.02 8 超差0.01扣4分16 ? 0.02 8 超差0.01扣4分17 8/3 锥度1:5?4ˊ Ra1.6 超差2ˊ扣4分 18 8 M12螺纹配作间隙不大于0.10 mm 优,良,中、差每降一级扣2分19 2 Ф29 mm 超差不得分 20 4 26 mm 、 3 mm 超差不得分 21 146 mm 2 超差不得分22 0Ф 8/4 超差不得分 44 mm Ra1.6 件0.025,2,0.02523 8/4 超差不得分Ф34 mm Ra1.6 08件序考核项目检查结果配分评分标准,0.021 8/4 超差不得分 20 mmRa1.6 号号 024 25 63?0.025 mm 8 超差不得分Ф,0.0526 10 mm 6 超差不得分 0锥度1:5配作接触面积大于75% 27 15/5 接触面积达: % 超差不得分件Ra1.6 228 15 e=2?0.02 mm 超差0.01扣5分29 0.025 15 ? 超差0.01扣5分030 12/6 超差不得分Ф44 mm Ra1.6 0.025,,0.02531 12/6 超差不得分Ф34 mm Ra1.6 ,0.041,0.02132 12/6 超差不得分Ф20 mm Ra1.6 033 8 15?0.05 mm 超差不得分件334 e=2?0.02 mm 20 超差0.01扣10分 35 5 mm 2 超差不得分36 4 1×45? 4处不符合要求不得分37 0.03 12 ? 超差0.01扣6分 38 25/10 M12—5g6g Ra1.6 超差不得分 39 10 Ф36 mm 超差不得分 40 28 mm 10 超差不得分件41 9 mm 10 超差不得分 4花纹:饱满, 42 25 网纹m0.3~0.4 每降一级扣10分不饱满,乱纹43 5×1.3 mm 4 不符合要求不得分44 6 1×45?二处不符合要求不得分9姓名考号单位序号考件名称得分系数实际成绩备注 1 0.25 总成2 0.3 丝杆轴3 偏心锥套 0.24 0.12 丝杆盖5 0.08 螺钉6 考前准备 0.057 实际总分评分人:年月日核分人:年月日10序号名称型号与规格单位数量备注1 外径千分尺0~25mm(0.01)把 1 1 操作设备 CY6140型普通车床台1 外径千分尺25~50 mm(0.01)把游标卡尺0~200 mm(0.02)把 11 深度游标卡尺0~200 mm(0.02)把1 内径百分表18~35 mm(0.01)套1 万能角度尺0~320?(2?)套检1 公法线千分尺0~25 mm(0.01)把测公法线千分尺25~50 mm(0.01)把 1 量 2 1 量针Ф3.108 mm 付具1 量针Ф1.009mm 付1 百分表0~10mm 只1 磁性表座套塞尺0.02~1mm 把 11 杠杆百分表(0.01)只90º车刀把自定45º车刀把自定切槽刀4×20mm 把自定切断刀5×30mm 把自定内孔车刀Ф20×55 把自定刀3 内孔车刀Ф20×20 把自定内孔车刀Ф28×45 把自定外三角形螺纹车刀 6mm 把自定具外梯形螺纹车刀P=6 mm、Ψ=13.2º、左把自定麻花钻Ф10.2 mm 、Ф18mm 、Ф28mm 支各11 网纹滚花刀 m=0.3~0.4或P=1.2 把1 中心钻 A3.15mm 支11序号名称型号与规格单位数量备注 C型套只自定辅偏心垫片 e=2mm 块自定助夹鸡心夹头Ф45 mm 只自定 4 具1 自车固定顶尖Ф35×60 mm 个#1 活动顶尖 5莫氏只活动扳手把自定螺丝刀(一字)把自定1 三角锉刀把通 #钻夹头Ф1~13mm 51 莫氏只用 5 1 毛刷把工 1 铁钩把具刀垫块自定红丹粉自定铜皮条自定油枪只 1Ф50×145 mm 段 1 备6料Ф50×125 mm 段 1计算器等自定其 7它劳动防护用品自定12新北区首届制造业五项技能竞赛车工理论知识复习指导大纲一、命题标准本次大赛理论试题依据劳动和社会保障部制定的《国家职业标准》中的车工高级工标准制定。
不准用锉刀,砂布等修饰表面
园锥半角/
用什锦锉刀去毛刺
其余
未注倒角
軸向齒形
:
未注公差尺寸按
不准用锉刀,砂布等修饰表面
三針直徑
用什锦锉刀去毛刺
未注倒角
軸向齒形
:
未注公差尺寸按
不准用锉刀,砂布等修饰表面
园锥涂色接触率大于
用什锦锉刀去毛刺
园锥半角,未注倒角
未注公差尺寸按
件
. 园锥涂色接触率大于
. 各件尺寸及形位公差满组合要求
. 园锥半角,园锥涂色接触率大于. 三针直径未注公差尺寸按
未注倒角锐边倒角
未注倒角
锐边倒角
锥度按件配作
其余
件、件、件
组合后,不允许再加工
组合后需保证尺寸、形位公差的要求
三针直径未注公差尺寸按
未注倒角锐边倒角
未注倒角
锐边倒角
未注公差尺寸按
其余
-------------精选文档-----------------。
不准用锉刀,砂布等修饰表面
园锥半角/
用什锦锉刀去毛刺
其余
未注倒角
軸向齒形
:
未注公差尺寸按
不准用锉刀,砂布等修饰表面
三針直徑
用什锦锉刀去毛刺
未注倒角
軸向齒形
:
未注公差尺寸按
不准用锉刀,砂布等修饰表面
园锥涂色接触率大于
用什锦锉刀去毛刺
园锥半角,未注倒角
未注公差尺寸按
件
. 园锥涂色接触率大于
. 各件尺寸及形位公差满组合要求
. 园锥半角,园锥涂色接触率大于. 三针直径未注公差尺寸按
未注倒角
锐边倒角
未注倒角
锐边倒角
锥度按件配作
其余
件、件、件
组合后,不允许再加工
组合后需保证尺寸、形位公差的要求
三针直径未注公差尺寸按
未注倒角锐边倒角
未注倒角
锐边倒角
未注公差尺寸按
其余。