现浇钢筋混凝土结构钢筋加工及安装检验批质量验收记录表
- 格式:docx
- 大小:38.83 KB
- 文档页数:4
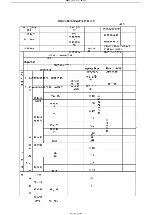
钢筋安装检验批质量验收记录单位(子单位) 分部(子分 工程名称 部) 施工单位 项目负责人分包单位 / 分包单位项 目负责人施工依据《混凝土结构施工规范》GB50666-2011/ 验收依据 编号: 分项工程名称 检验批容量 检验批部位 《混凝土结构工程施工质量验收规范》GB50204-2015验收项目主 控 项 1 受力钢筋的牌号、规格和数量目 2 受力钢筋安装位置、锚固方式长、宽 绑扎钢 筋网网眼尺寸 绑扎钢 长 筋骨架宽、高 锚固长度 钢 纵向受 间距 筋 力钢筋 一 安 排距装般1 允 项 纵向受许 基础 目 力钢 偏筋、箍差 筋的混 柱、梁 ㎜ 凝土保护层板、墙、厚 壳 度 绑扎箍筋、横向钢筋间距钢筋弯起点位置 中心线位置 预埋件 设计要求及 规范规定 第 5.5.1条 第 5.5.2 条 ± 10 ± 20± 10±5-20± 10±5± 10±5±3 ± 20205最小 / 实际 抽样数量 / 全/ 全检查记录检查结果水平高差+3,0专业工长(施工员):施工单位检查结果项目专业质量检查员:年月日专业监理工程师:监理单位(建设单位)验收结论(建设单位项目专业技术负责人)年月日钢筋加工检验批质量验收记录单位(子单位)分部(子分工程名称 部) 施工单位项目负责人分包单位/ 分包单位项/目负责人施工依据 《混凝土结构施工规范》验收依据 GB50666-2011最小 / 实际验收项目设计要求及 规范规定 抽样数量1 钢筋弯折的弯弧内直径第 5.3.1 条/主 2 纵向受力钢筋弯折要求第5.3.2 条全/ 全 控 项 目3 箍筋、拉筋的末端弯钩要求第5.3.3 条盘卷钢筋调直应进行力学性能第 5.3.4条4和重量偏差检验受 力钢 筋沿长 度 ± 10方向的净尺寸一编号:分项工程名称检验批容量检验批部位《混凝土结构工程施工质量验收规范》 GB50204-2015检查记录 检查结果般1 钢筋加工的允 弯 起钢 筋的弯折± 20项 许偏差㎜ 位置目箍筋外廓尺寸± 5施工单位检查结果专业工长(施工员):项目专业质量检查员:年月日监理单位(建设单位)验收结论专业监理工程师:(建设单位项目专业技术负责人)年月日钢筋连接检验批质量验收记录编号:单位(子单位)分部(子分分项工程名称工程名称部)施工单位项目负责人检验批容量分包单位/分包单位项检验批部位目负责人施工依据《混凝土结构施工规范》验收依据《混凝土结构工程施工质量GB50666-2011验收规范》 GB50204-2015最小 / 实际验收项目设计要求及检查记录检查结果规范规定抽样数量1 钢筋的连接方式第 5.4.1 条/主控项机械连接或焊接连接接头的力第 5.4.2 条全/ 全目2学性能、弯曲性能3 螺纹接头拧紧扭矩值,挤压接头第 5.4.3 条压痕直径1钢筋接头的位置机械连接的接头、焊接接头的外2观质量一般机械连接的接头、焊接接头的接项 3 头面积百分率目4绑扎搭接接头的设置5搭接长度范围内的箍筋施工单位检查结果监理单位(建设单位)验收结论第5.4.4 条第5.4.5 条第5.4.6 条第5.4.7 条第5.4.8 条专业工长(施工员):项目专业质量检查员:年月日专业监理工程师:(建设单位项目专业技术负责人)年月日钢筋原材料检验批质量验收记录编号:单位(子单位)分部(子分分项工程名称工程名称部)施工单位项目负责人检验批容量分包单位/ 分包单位项/ 检验批部位目负责人施工依据《混凝土结构施工规范》验收依据《混凝土结构工程施工质量GB50666-2011验收规范》 GB50204-2015 验收项目设计要求及最小 / 实际检查记录检查结果规范规定抽样数量1 钢筋力学性能和重量偏差检验第 5.2.1 条/主控项成型钢筋力学性能和重量偏差第 5.2.2 条全/ 全目2检验3 抗震用钢筋强度实测值第 5.2.3 条1 钢筋外观质量第 5.2.4 条一般项 2 成型钢筋外观质量和尺寸偏差第 5.2.5 条目钢筋机械连接套筒、锚固板及预第5.2.6 条3 埋件外观质量专业工长(施工员):施工单位检查结果项目专业质量检查员:年月日专业监理工程师:监理单位(建设单位)验收结论(建设单位项目专业技术负责人)年月日混凝土拌合物检验批质量验收记录单位(子单位)分部(子分工程名称部)施工单位项目负责人分包单位分包单位项目负责人施工依据《混凝土结构施工规范》验收依据GB50666-2011验收项目设计要求及最小 / 实际规范规定抽样数量1 预拌混凝土进场质量第 7.3.1 条/ 主控 2 混凝土拌合物不应离析第 7.3.2 条全/ 全项目3混凝土中氯离子和碱总含量第 7.3.3 条首批使用的混凝土配合比开盘4 第 7.3.4 条鉴定编号:分项工程名称检验批容量检验批部位《混凝土结构工程施工质量验收规范》GB50204-2015检查记录检查结果1 混凝土拌合物稠度要求第 7.3.5 条一般项 2 混凝土耐久性检验第 7.3.6 条目3 抗冻混凝土含气量检验第 7.3.7 条专业工长(施工员):施工单位检查结果项目专业质量检查员:年月日监理单位(建设单位)验收结论专业监理工程师:(建设单位项目专业技术负责人)年月日混凝土设备基础外观及尺寸偏差检验批质量验收记录编号:单位(子单位) 分部(子分部) 分项工程名称工程名称施工单位 项目负责人 检验批容量分包单位/分包单位项目检验批部位负责人施工依据《混凝土结构施工规范》 验收依据《混凝土结构工程施工质量GB50666-2011 验收规范》 GB50204-2015 最小 / 实际 主 验收项目设计要求及规 检查记录 检查结果 范规定 抽样数量控/ 项 1外观质量 第 8.2.1 条目 2 影响结构性能或使用功能的第 8.3.1 条 全/ 全 尺寸偏差 1 外观质量一般缺陷 第 8.2.2 条 坐标位置 20 不同平面的标高 0,-20平面外形尺寸 ± 20 凸台上平面外形尺寸 0,-20 凹槽尺寸 +20,0 平面 每米 5 现 水平全长 10 浇 度每米 5 结 垂直 构 度 全高 10 一位中心位置2置 般 预埋、 顶标高 +20,0 项 2 尺 地脚中心距± 2目 寸 螺栓垂直度5允 许 预埋 中心线位置 10 偏 截面尺寸+20,0差 地 脚㎜ 螺 栓 深度 +20,0孔 垂直度H/100 ,且≤ 10预 埋 中心线位置 5 标高+20,0 设 施 中 心 带槽锚板平整度5线 位 带螺纹孔锚板平置 2整度施工单位检查结果 专业工长(施工员):项目专业质量检查员:年月 日 监理单位(建设单位)验收结论 专业监理工程师: (建设单位项目专业技术负责人)年月 日混凝土施工检验批质量验收记录编号:单位(子单位)分部(子分分项工程名称工程名称部)施工单位项目负责人检验批容量分包单位分包单位项检验批部位目负责人施工依据《混凝土结构施工规范》验收依据《混凝土结构工程施工质量GB50666-2011验收规范》 GB50204-2015验收项目主控项目混凝土强度等级及试件的取样1和留置后浇带的留设位置,后浇带和施1工缝的留设及处理方法一般项目2养护措施施工单位检查结果监理单位(建设单位)验收结论设计要求及最小 / 实际检查记录检查结果规范规定抽样数量第 7.4.1 条/第7.4.2 条第7.4.3 条专业工长(施工员):项目专业质量检查员:年月日专业监理工程师:(建设单位项目专业技术负责人)年月日模板安装工程检验批质量验收记录编号:单位(子单位) 分部(子分 分项工程名称 工程名称 部)施工单位 项目负责人 检验批容量分包单位 分包单位项检验批部位目负责人施工依据 《混凝土结构施工规范》 验收依据 《混凝土结构工程施工质量 GB50666-2011 验收规范》 GB50204-2015 最小 / 实际 验收项目 设计要求及 检查记录 检查结果 规范规定 抽样数量主 1 模板及支架材料质量 第 4.2.1条/现浇混凝土模板及支架安装质 全/ 全 控 2 第 4.2.2条量 项后浇带处的模板及支架独立设 目 3 第 4.2.3 条置 4 土层上安装的支架竖杆和竖向第 4.2.4 条模板安装要求 1 模板安装的一般要求 第 4.2.5条2 隔离剂的品种和涂刷方法质量 第 4.2.6条3 模板起拱高度 第 4.2.7 条4 现浇混凝土结构多层连续支模、 第 4.2.8 条 支架的竖杆、垫板要求5 固定在模板上的预埋件和预留第 4.2.9 条 孔洞 预 预埋钢板中心线位置㎜ 3 埋 预埋管、预留孔中心线位置 mm 3 件 中心线位置( mm ) 5 、 插筋 预 外露长度( mm ) +10, 0一 6 留 预埋螺 中心线位置( mm ) 2孔 栓 外露长度( mm ) +10,0 般 允中心线位置( mm ) 10 项 许目 偏预留洞 尺寸( mm ) +10,0差轴线位置㎜5现底模上表面标高㎜± 5浇结基础± 10模板内构柱、墙、梁± 5部尺寸模楼梯相邻踏步高㎜7 板差5安柱、墙层高≤ 6m 8装垂直度层高> 6m 10允㎜许相邻模板表面高差㎜2偏表面平整度㎜5专业工长(施工员):施工单位检查结果项目专业质量检查员:年月日专业监理工程师:监理单位(建设单位)验收结论(建设单位项目专业技术负责人)年月日现浇结构及外观尺寸偏差检验批质量验收记录编号:单位(子单位)分部(子分分项工程名称工程名称部)施工单位项目负责人检验批容量分包单位分包单位项检验批部位目负责人施工依据《混凝土结构施工规范》验收依据《混凝土结构工程施工质量GB50666-2011验收规范》 GB50204-2015最小 / 实际主验收项目设计要求及检查记录检查结果规范规定抽样数量控1 外观质量第 8.2.1 条/项影响结构性能或使用功能的尺目2第 8.3.1 条全/ 全寸偏差1 外观质量一般缺陷第 8.2.2 条轴线位整体基础15独立基础10置墙、柱、梁8柱、墙≤6m 10垂直度层高>6m 12全高( H)≤300m H/30000+2现浇全高( H)>300mH/10000 且结层高≤80 构标高±10全高±30 一位置般基础+15, -10、项2截面尺柱、梁、板、墙+10, -5尺目寸寸楼梯相邻踏步高±6允差许电梯井中心线位置10 偏洞 长、宽尺寸 +25,0差 ㎜ 表面平整度 8 预埋板10 预埋设 预埋螺栓 5 施中心 预埋管 5 线位置 其他 10预留洞、孔中心线位置15施工单位检查结果专业工长(施工员):项目专业质量检查员: 年 月 日监理单位(建设单位)验收结论专业监理工程师:(建设单位项目专业技术负责人)年 月 日。
现浇钢筋混凝土检验批质量检验记录范本1:一、检验项目及编号1.1 混凝土配合比及材料试验(编号:XXXX)1.2 钢筋编号及验收记录(编号:XXXX)1.3 现浇混凝土柱检验(编号:XXXX)1.4 现浇混凝土梁检验(编号:XXXX)1.5 现浇混凝土板检验(编号:XXXX)1.6 现浇混凝土墙检验(编号:XXXX)二、混凝土配合比及材料试验(编号:XXXX)2.1 水泥及矿物掺合料试验2.2 粗骨料试验2.3 细骨料试验2.4 混凝土添加剂试验2.5 泵送混凝土试验2.6 高性能混凝土试验三、钢筋编号及验收记录(编号:XXXX)3.1 钢筋品种及规格验收记录3.2 钢筋加工及连接验收记录3.3 钢筋合格证明文件四、现浇混凝土柱检验(编号:XXXX)4.1 罗纹钢筋绑扎及间距检验4.2 模板安装及拆除验收记录4.3 钢筋混凝土浇筑过程检验4.4 混凝土柱表面质量检查记录4.5 混凝土柱尺寸及偏差检验五、现浇混凝土梁检验(编号:XXXX)5.1 罗纹钢筋绑扎及间距检验5.2 模板安装及拆除验收记录5.3 钢筋混凝土浇筑过程检验5.4 混凝土梁表面质量检查记录5.5 混凝土梁尺寸及偏差检验六、现浇混凝土板检验(编号:XXXX)6.1 罗纹钢筋绑扎及间距检验6.2 模板安装及拆除验收记录6.3 钢筋混凝土浇筑过程检验6.4 混凝土板表面质量检查记录6.5 混凝土板尺寸及偏差检验七、现浇混凝土墙检验(编号:XXXX)7.1 罗纹钢筋绑扎及间距检验7.2 模板安装及拆除验收记录7.3 钢筋混凝土浇筑过程检验7.4 混凝土墙表面质量检查记录7.5 混凝土墙尺寸及偏差检验八、附件本文档涉及相关附件,请参阅附件列表。
九、法律名词及注释1. 混凝土:指由水泥、骨料、掺合料、外加剂等按照一定比例配制成浆状物质的建造材料,并在固化后具备一定的力学性能。
2. 钢筋:指用于混凝土或者砌体结构中构造部件的金属材料,主要用于增强结构抗拉强度和抗弯强度。
钢筋加工工程检验批质量验收记录表GB50204—2002(I)GD2401052□□说明(I)主控项目:1、按现行国家标准GB1499等规定,抽取试件作力学性能实验;检查产品合格证和复验报告。
2、有抗震要求的框架结构,纵向受力钢筋的强度,当设计无要求时,对一、二级抗震等级应符合下列要求:(1)、钢筋抗拉强度实测值与屈服强度实测值的比值不小于1.25;(2)、钢筋屈服强度实测值与强度标准值的比值不大于1.3;检查钢筋复试报告。
3、当钢筋发生脆断,焊接性能不良或力学性能显著不正常时,应对该批钢筋进行化学成分检验或其他专项检验。
检查化学成分等专项检验报告。
4、受力钢筋弯钩和弯折应符合下列规定:(1)、HPB235钢筋末端应做180°弯钩,其弯钩径不小于钢筋直径的2.5倍,弯后平直部分不小于钢筋直径的3倍。
(2)、135°弯钩,HRB335、HRB400钢筋的弯钩直径不小于钢筋直径的4倍,弯后平直长度符合设计要求。
(3)、不大于90°的弯折时,弯弧径不小于钢筋直径的5倍。
尺量检查。
5、除焊接封闭环式箍筋外,末端均应弯钩,形式符合设计要求,设计无要求时,应符合下列规定:(1)、弯弧直径应满足第5.3.1条项的要求,尚应不小于受力钢筋直径;(2)、弯折角度:一般结构不小于90°,有抗震要求结构应为135°;(3)、弯后平直副本长度:一般结构不小于箍筋直径的5倍,有抗震要求的结构,不小于箍筋直径的10倍。
一般项目:1、钢筋应平直、无损伤、表面不得有裂纹、油污、颗粒或片状老锈。
观察检查。
2、钢筋调直采用冷拉法时,HPB235钢筋冷拉率不大于4%;HRB335、HRB400、HRB400钢筋的冷拉率不大于1%。
观察及尺量检查。
3、钢筋加工的形状尺寸应符合设计要求,偏差率应符合下列表要求。
尺量检查。
钢筋安装工程检验批质量验收记录表GB50204-2002(II)GD2401053□□说明(I)主控项目:1、受力钢筋的连接方式应符合设计要求。
水泥混凝土面层检验批质
量验收记录表
The following text is amended on 12 November 2020.
水泥混凝土面层检验批质量验收记录表
编
号:__________
水泥混凝土原材料检验批质量验收记录表
编号:__________
填土方路基检验批质量验收记录表Ⅲ
(支路及其他小路)
编
号:__________
填土方路基检验批质量验收记录表
编号:__________
填土方路基检验批质量验收记录表Ⅱ
(次干路)
编号:__________
土工材料处理软土路基检验批质量验收记录表
编
号:__________
挖石方路基检验批质量验收记录表
编号:__________
挖土方路基检验批质量验收记录表
编号:__________
现浇钢筋混凝土挡土墙钢筋加工与安装检验批质量验收记录表
编
号:__________
现浇钢筋混凝土挡土墙混凝土主体检验批质量验收记录表
编
号:__________
现浇钢筋混凝土挡土墙栏杆制作与安装检验批质量验收记录表
编
号:__________
现浇钢筋混凝土人行地道结构检验批质量验收记录表
编
号:__________
雨水支管与雨水口检验批质量验收记录表
编
号:__________
预制安装钢筋混凝土人行地道结构地基检验批质量验收记录表
编
号:__________。
混凝土浇筑申请表钢筋报审、报验表工程名称:编号:注:本表一式二份,项目监理机构、施工单位各存一份。
现场验收检查原始记录监理校核:记录:验收日期:年月日钢筋安装报审、报验表工程名称:编号:注:本表一式二份,项目监理机构、施工单位各存一份。
钢筋安装检验批质量验收记录本表由施工单位填写,建设单位、施工单位、城建档案馆各保存一份。
现场验收检查原始记录监理校核:记录:验收日期:年月日模板安装报审、报验表工程名称:编号:注:本表一式二份,项目监理机构、施工单位各存一份。
模板安装检验批质量验收记录现场验收检查原始记录共1页第1 页监理校核:记录:验收日期:年月日混凝土施工报审、报验表工程名称:编号:混凝土施工检验批质量验收记录现场验收检查原始记录现浇结构外观及尺寸偏差报审、报验表工程名称:编号:注:本表一式二份,项目监理机构、施工单位各存一份。
现浇结构外观及尺寸偏差检验批质量验收记录现场验收检查原始记录监理校核:记录:验收日期:年月日钢筋安装报审、报验表工程名称:编号:钢筋安装检验批质量验收记录本表由施工单位填写,建设单位、施工单位、城建档案馆各保存一份。
现场验收检查原始记录监理校核:记录:验收日期:年月日模板安装报审、报验表工程名称:编号:注:本表一式二份,项目监理机构、施工单位各存一份。
模板安装检验批质量验收记录现场验收检查原始记录共1页第1 页监理校核:记录:验收日期:年月日混凝土施工报审、报验表工程名称:编号:混凝土施工检验批质量验收记录现场验收检查原始记录现浇结构外观及尺寸偏差报审、报验表工程名称:编号:注:本表一式二份,项目监理机构、施工单位各存一份。
现浇结构外观及尺寸偏差检验批质量验收记录现场验收检查原始记录监理校核:记录:验收日期:年月日。
钢筋(原材料及加工)检验批质量验收记录表(Ⅰ)说明主控项目1.钢筋进场时,必须按批抽取试件作力学性能(屈服强度、抗拉强度和伸长率)和工艺性能(冷弯)试验,其质量必须符合《钢筋混凝土用热轧光圆钢筋》(GB13013)和《钢筋混凝土用热轧带肋钢筋》(GB1499)等现行国家标准的规定和设计要求。
检验数量:以同牌号、同炉罐号、同规格、同交货状态的钢筋,每60 t为一批,不足60 t也按一批计。
施工单位每批抽检一次。
监理单位见证取样检测或平行检验抽检次数为施工单位抽检次数的20%或10%,但至少一次。
检验方法:施工单位检查每批质量证明书和进行试验。
监理单位检查全部质量证明书和试验报告并进行见证取样检测或平行检验。
2.钢筋的加工应符合设计要求。
当设计未提出要求时,应符合下列规定:(1)受拉热轧光圆钢筋的末端应作180°弯钩,其弯曲直径d m不得小于钢筋直径的2.5倍,钩端应留有不小于钢筋直径3倍的直线段。
(2)受拉热轧光圆和带肋钢筋的末端,当设计要求采用直角形弯钩时,直钩的弯曲直径d m不得小于钢筋直径的5倍,钩端应留有不小于钢筋直径3倍的直线段。
(3)弯起钢筋应弯成平滑的曲线,其弯曲半径不得小于钢筋直径的10倍(光圆钢筋)或12倍(带肋钢筋)。
(4)光圆钢筋制成的箍筋,其末端应作不小于90°的弯钩,有抗震等特殊要求的结构应作135°或180°的弯钩;弯钩的弯曲直径应大于受力钢筋直径,且不得小于箍筋直径的2.5倍;弯钩端直线段的长度,一般结构不得小于箍筋直径的5倍,有抗震等特殊要求的结构,不得小于箍筋直径的10倍。
检验数量:施工单位按钢筋编号各抽检10%,且各不少于3件。
监理单位平行检验数量为施工单位抽检数量的10%,且各不少于一件。
检验方法:尺量。
一般项目1.钢筋应平直、无损伤,表面无裂纹、油污、颗粒状或片状老锈。
检验数量:施工单位全部检查。
检验方法:观察。
2.钢筋加工允许偏差和检验方法应符合下表的规定。
钢筋加工检验批质量验收记录表GB50204-2002(Ⅰ)钢筋安装工程检验批质量验收记录表GB50204-2002(Ⅱ)钢筋加工、安装验报表A9工程名称:闽侯县第六中学食堂宿舍楼编号:GB50204-2002(Ⅰ)模板安装验表A9工程名称:闽侯县第六中学食堂宿舍楼编号:混凝土浇捣令编号05本表一式三份,建设、监理、施工单位各一份。
浇捣要求:1、浇捣前模板清理干净;浇水湿润;2、后台主计量器具校核,保证计量准确;3、施工缝处浇水湿润,按要求接浆;4、严格控制水灰比,配合比,振捣密实等。
本表由施工单位,经监理单位检查合格签字,总监签发批准后方可进行操作施工。
钢筋及预埋件隐蔽验收记录混凝土开盘鉴定质控(建)表4.1.6.8 共 1 页第 1 页混凝土原材料及配合比设计混凝土施工检验批质量报验表A9工程名称:闽侯县第六中学食堂宿舍楼编号:混凝土原材料及配合比设计检验批质量验收记录表GB50204-2002(Ⅰ)混凝土施工检验批质量验收记录表GB50204-2002(Ⅱ)混凝土工程(现场搅拌)施工记录质控(建)表4.1.6.9-1 共页第页模板拆除工序申请表工程名称:闽侯县第六中学食堂宿舍楼编号:本表由施工承包单位填报,一式二份,监理单位和施工承包单位各一份。
(附件:砼压强报告)模板拆除工程检验批质量验收记录表GB50204-2002(Ⅲ)钢筋安装工程检验批质量验收记录表GB50204-2002(Ⅱ)钢筋安装工程检验批质量验收记录表GB50204-2002(Ⅱ)GB50204-2002(Ⅱ)GB50204-2002(Ⅱ)钢筋安装工程检验批质量验收记录表GB50204-2002(Ⅱ)钢筋安装工程检验批质量验收记录表GB50204-2002(Ⅱ)钢筋安装工程检验批质量验收记录表GB50204-2002(Ⅱ)钢筋安装工程检验批质量验收记录表GB50204-2002(Ⅱ)(Ⅱ)(Ⅱ)钢筋安装工程检验批质量验收记录表GB50204-2002(Ⅱ)钢筋安装工程检验批质量验收记录表GB50204-2002(Ⅱ)钢筋安装工程检验批质量验收记录表GB50204-2002(Ⅱ)钢筋安装工程检验批质量验收记录表GB50204-2002(Ⅱ)钢筋安装工程检验批质量验收记录表GB50204-2002(Ⅱ)钢筋安装工程检验批质量验收记录表GB50204-2002(Ⅱ)钢筋安装工程检验批质量验收记录表GB50204-2002(Ⅱ)钢筋安装工程检验批质量验收记录表GB50204-2002(Ⅱ)钢筋安装工程检验批质量验收记录表GB50204-2002(Ⅱ)钢筋安装工程检验批质量验收记录表GB50204-2002(Ⅱ)钢筋安装工程检验批质量验收记录表GB50204-2002(Ⅱ)钢筋安装工程检验批质量验收记录表GB50204-2002(Ⅱ)钢筋安装工程检验批质量验收记录表GB50204-2002(Ⅱ)钢筋安装工程检验批质量验收记录表GB50204-2002(Ⅱ)钢筋安装工程检验批质量验收记录表GB50204-2002(Ⅱ)钢筋安装工程检验批质量验收记录表GB50204-2002(Ⅱ)钢筋安装工程检验批质量验收记录表GB50204-2002(Ⅱ)钢筋安装工程检验批质量验收记录表GB50204-2002(Ⅱ)钢筋安装工程检验批质量验收记录表GB50204-2002(Ⅱ)钢筋安装工程检验批质量验收记录表GB50204-2002(Ⅱ)钢筋安装工程检验批质量验收记录表GB50204-2002(Ⅱ)钢筋安装工程检验批质量验收记录表GB50204-2002(Ⅱ)钢筋安装工程检验批质量验收记录表GB50204-2002(Ⅱ)钢筋安装工程检验批质量验收记录表GB50204-2002(Ⅱ)。
钢筋安装检验批质量验收记录1. 引言本文档是对钢筋安装工程进行质量验收的记录。
钢筋安装是建筑工程中十分重要的一项工作,对于建筑结构的稳定性和耐久性起到关键作用。
为了确保钢筋安装质量符合相关标准和规范,本次验收通过对钢筋安装的材料、尺寸、位置等方面进行检查,记录检验结果,并提出相关问题和建议。
2. 验收对象本次验收的对象为建筑工地A栋楼翼墙的钢筋安装工程。
3. 验收内容本次验收主要从以下几个方面对钢筋安装进行检验:•钢筋安装材料的质量和规格是否符合要求;•钢筋安装的尺寸和位置是否符合设计要求;•钢筋连接的可靠性和执行标准要求;•钢筋间的间距、绑扎质量等是否符合规范要求。
4. 验收方法本次验收采用目视检查和测量工具进行检验。
5. 验收结果经过对钢筋安装工程进行详细检查,以下是验收结果的总结:•钢筋安装材料的质量和规格均符合要求,没有发现明显的缺陷;•钢筋安装的尺寸和位置基本符合设计要求,未发现明显的偏差;•钢筋连接的可靠性符合标准要求,连接部位未发现明显的裂纹或错位;•钢筋间的间距和绑扎质量也符合规范要求,未发现明显的问题。
6. 存在问题及建议在钢筋安装的过程中,我们也发现了一些问题,并提出了以下建议:1.部分钢筋位置未达到设计要求,存在偏移的情况。
建议施工方加强工人的操作培训,提高钢筋安装的准确性和精度。
2.部分钢筋连接处存在细微的裂纹,虽然不影响结构的安全性,但建议施工方和钢筋供应商共同解决该问题,以确保连接的可靠性。
3.钢筋间的绑扎质量不够牢固,存在松动的情况。
建议施工方加强对工人的培训和监督,确保绑扎工作的质量。
7. 验收结论根据以上的检验结果和存在的问题及建议,对于本次钢筋安装工程的质量验收,我们得出以下结论:•钢筋安装质量整体上符合要求,各项指标均在可接受范围内;•存在的问题虽然不是严重的质量问题,但仍需要施工方和相关人员重视并及时改进。
8. 验收人员•验收人员1:XXX•验收人员2:XXX9. 附件•钢筋安装图纸及相关规范文件•验收照片以上就是本次钢筋安装检验批质量验收的记录。
模板安装检验批质量验收记录***********单位(子单位)工程名称 筑业科技产业园综合 楼分部(子分部) 工程名称 主体结构/混凝土结构分项工程名称检验批容量检验批部位 模板 云南工程建设总承包 公司 27间板.30件梁施工单位分包单位施工依据 项目负责人曾小墨/ 分包单位项目 负责人/1层梁板《混凝土结构工程施工规范》 GB50666-2011 《混凝土结构工程施工质量 验收规范》GB50204-2015验收依据设计要求及 样本 最小/实际 规范规定 总数 抽样数量检查验收项目 检查记录结果合格证2份.材料进场检验记录2份.进场检验合格 1 模板及支架材料质量 第4.2.1条 第4.2.2条 第4.2.3条 //主 控 项 目现浇混凝土模板及支架安装质 量 全数检查.安装牢固、稳定. 符合模板施工方案要求 2 后浇带处的模板及支架独立设 置 共2处.全数检查.后浇带模板 及支架独立设置3 2 全 / / 24 支架竖杆和竖向模板安装要求 第4.2.4条 1 模板安装的一般要求2 脱模剂的品种和涂刷方法质量 第4.2.6条 / 共57处.全数检查.模板接缝严密.模内无杂物第4.2.5条5757 52 全 / 57576共57处.全数检验.脱模剂涂刷符合要求.合格证1份全 / 6 / 抽查3间板.3件梁.模板起拱符合要求3 模板起拱高度 第4.2.7条 第4.2.8条 共57处.全数检查.模板支设全 / 57符合施工方案.上下层竖杆基本对准.且设垫板 现浇混凝土结构多层连续支模 、支架的竖杆、垫板要求 4 5727固定在模板上的预埋件和预留 孔洞5第4.2.9条3 / 3 抽查3间.预留洞模板固定牢固预埋板中心线位置3 3 / / / / 预埋管、预留孔中心线位 预埋 置 件、预留 插筋 中心线位置 5 +10.0 2 / / / 一般 6 孔洞 项 目外露长度/ /允许 偏差 mm 中心线位置 外露长度/ 预埋 螺栓 +10.0 10 / /中心线位置27 27 30 57 3 / 3 / 3 / 6 //3 3 3 6抽查3处.合格3处 抽查3处.合格3处 抽查3处.合格3处 抽查6处.合格6处/100% 100% 100% 100% 预留洞尺寸 轴线位置+10.0 5 底模上表面标高基础±5 ±10 ±5 模板内柱、墙、梁部尺寸楼梯相邻踏步高 差 30 2 3 / 3 2 抽查3处.合格3处 100% 100%模板 安装 7 允许 偏差mm ±5 3 / 共2处.全数检查.合格2处柱、墙层高≤6m 垂直度8 10 2 / // /柱、墙层高>6m相邻两块模板表面高差 表面平整度27 57 3 / 6 / 3 6 抽查3处.合格3处 抽查6处.合格6处100% 100%5专业工长:李晓梅施工单位 检查结果检查评定合格同意验收项目专业质量检查员:张晓2014年6月8日监理单位 验收结论专业监理工程师:刘淇预制构件模板安装检验批质量验收记录02010102 001单位(子单位) 工程名称筑业科技产业园综合楼云南工程建设总承包公司分部(子分部)工程名称主体结构/混凝土结构分项工程名称检验批容量检验批部位模板施工单位分包单位施工依据项目负责人曾小墨/100件分包单位项目负责人/ 预制过梁《混凝土结构工程施工规范》GB50666-2011《混凝土结构工程施工质量验收规范》GB50204-2015验收依据设计要求及样本最小/实际验收项目检查记录检查结果规范规定总数抽样数量材料进场检验记录2份.进场检验合格主 1 模板及支架材料质量控第4.2.1条/项目现浇混凝土模板及支架安装质量2 第4.2.2条///支架竖杆和竖向模板安装要求3 第4.2.4条第4.2.5条第4.2.6条第4.2.7条第4.2.9条/1 模板安装的一般要求100100全 /100 共100件.全数检查.符合要求100% 脱模剂的品种和涂刷方法质量共100件.全数检验.脱模剂涂刷符合要求.合格证1份2 全/1003 模板起拱高度////固定在模板上的预埋件和预留孔洞4梁、板±4±810010010 / 1010抽查10处.合格10处/100%100% 薄腹梁、桁架长度柱/0.-100.-50.-5//////墙板板、墙板宽度梁、薄腹梁、桁架+2.-5 10 / 抽查10处.合格10处预制构件模板5 安装允一般项目板+2.-30.-5////高(厚)度墙板梁、薄腹梁、桁架、柱+2.-5 10010010 /10 //1010抽查10处.合格10处100%100% 梁、板、柱L/1000且≤15L/1500且≤15抽查10处.合格10处/侧向许偏差弯曲墙板、薄腹梁、桁架mm 板的表面平整度相邻两板表面高低差31////对角板线差墙板75//////翘曲板、墙板L/1500设计薄腹梁、桁架、起拱梁±3/ /专业工长:李晓梅施工单位检查结果检查评定合格项目专业质量检查员:张晓2014年4月21日专业监理工程师:刘淇监理单位验收结论同意验收02010201 001单位(子单位) 工程名称筑业科技产业园综合楼分部(子分部)工程名称主体结构/混凝土结构分项工程名称钢筋云南工程建设总承包公司施工单位分包单位施工依据项目负责人曾小墨/检验批容量检验批部位135t分包单位项目负责人1~5层主体结构/《混凝土结构工程施工规范》GB50666-2011《混凝土结构工程施工质量验收规范》GB50204-2015验收依据设计要求及样本最小/实际规范规定总数抽样数量验收项目检查记录检查结果钢筋力学性能和重量偏差检验1 第5.2.1条第5.2.2条第5.2.3条第5.2.4条135 3 / 3 复验报告3份.复验合格主控项成型钢筋力学性能和重量偏差检验目 2 /3 /全 // /3 抗震用钢筋强度实测值1 钢筋外观质量1351353 复验报告3份.复验合格全数检查.钢筋平直、无损伤.无锈蚀、油污全一般项目2 成型钢筋外观质量和尺寸偏差第5.2.5条钢筋机械连接套筒、锚固板及/ /3 第5.2.6条/预埋件外观质量施工单位检查结果专业工长:李晓梅检查评定合格项目专业质量检查员:张晓2014年4月22日监理单位验收结论同意验收专业监理工程师:刘淇02010202 001单位(子单位) 工程名称筑业科技产业园综合楼分部(子分部)工程名称主体结构/混凝土结构分项工程名称检验批容量检验批部位钢筋云南工程建设总承包公司施工单位分包单位施工依据项目负责人曾小墨/9.5t分包单位项目负责人/ 1层梁柱箍筋《混凝土结构工程施工规范》GB50666-2011《混凝土结构工程施工质量验收规范》GB50204-2015验收依据设计要求及样本最小/实际规范规定总数抽样数量验收项目检查记录检查结果7种箍筋.抽查21件.符合要求21件1 钢筋弯折的弯弧内直径第5.3.1条第5.3.2条7500 21 /21主 2 纵向受力钢筋弯折要求/ / 控项目3 箍筋、拉筋的末端弯钩要求第5.3.3条盘卷钢筋调直应进行力学性7500 21 / 21抽查21件.符合要求21件4 第5.3.4条/// / / /能和重量偏差检验受力钢筋沿长度方向的净尺寸±10一般项目钢筋加工的允弯起钢筋的弯折位许偏差置mm1 ±20箍筋外廓尺寸±57500 21 / 21抽查21件.合格21件100%施工单位检查结果专业工长:李晓梅项目专业质量检查员:张晓检查评定合格2014年4月22日监理单位验收结论同意验收专业监理工程师:刘淇02010203001单位(子单位) 工程名称 筑业科技产业园综合楼 分部(子分部) 工程名称 主体结构/混凝土结构分项工程名称检验批容量 检验批部位钢筋 云南工程建设总承包公司施工单位 分包单位项目负责人 曾小墨 /650个 分包单位项目负责人/1层梁板《混凝土结构工程施工质量验收规范》GB50204-2015 《钢筋机械连接技术规程》JGJ107-2010 《混凝土结构工程施工规范》GB50666-2011施工依据验收依据设计要求及 样本 最小/实际 规范规定 总数 抽样数量 验收项目检查记录检查结果共30件梁.纵向钢筋接头均为 直螺纹套筒连接1 钢筋的连接方式第5.4.1条 第5.4.2条 第5.4.3条 第5.4.4条 第5.4.5条第5.4.6条第5.4.7条第5.4.8条 650 65065030 全 / 303主 控 项机械连接或焊接连接接头的 力学性能、弯曲性能接头抽样检验合格.试验报告3份目 23 /螺纹接头拧紧扭矩值.挤压 接头压痕直径3 65 / 65抽查65个.符合要求65个 全 / 30共30处.全数检查.合格30处65 / 65抽查65个.符合要求65个1 钢筋接头的位置100%100%100%机械连接接头、焊接接头的 外观质量265030一 般 项 目机械连接接头、焊接接头的 接头面积百分率 3 3 / 3 抽查3处.符合要求3处4 绑扎搭接接头的设置5 搭接长度范围内的箍筋 / / //专业工长:李晓梅施工单位 检查结果检查评定合格项目专业质量检查员:张晓2014年4月22日监理单位 验收结论同意验收专业监理工程师:刘淇02010204 001单位(子单位) 工程名称筑业科技产业园综合楼分部(子分部)工程名称主体结构/混凝土结构分项工程名称检验批容量检验批部位钢筋云南工程建设总承包公司施工单位分包单位施工依据项目负责人曾小墨/27间板.30件梁1层梁板分包单位项目负责人/《混凝土结构工程施工规范》GB50666-2011《混凝土结构工程施工质量验收规范》GB50204-2015验收依据设计要求及样本最小/实际规范规定数量抽样数量验收项目检查记录检查结果主控项目全数检查.钢筋的牌号、规格全 / 全、数量符合设计要求.隐蔽验收合格受力钢筋的牌号、规格和数量12第5.5.1条第5.5.2条5757受力钢筋安装位置、锚固方式共57处.全数检查.符合设计要求全 / 57长、宽±10±20±10±52727303057573 /3 /3 /3 /6 /6 //333366抽查3处.合格3处100%100%100%100%100%100% 绑扎钢筋网网眼尺寸抽查3处.合格3处长抽查3处.合格3处绑扎钢筋骨架宽、高抽查3处.合格3处锚固长度纵向受力-20 抽查6处.合格6处钢筋安装1 允许间距±10±5抽查6处.合格6处钢筋一般项目排距/基础±10±5/ /纵向受力钢筋、箍筋的混凝土保护层厚度偏差mm柱、梁板、墙、壳3027303 /3 /3 //333抽查3处.合格3处100%100%100%±3抽查3处.合格3处绑扎箍筋、横向钢筋间距±2020抽查3处.合格3处钢筋弯起点位置///中心线位置预埋件水平高差5 /+3.0 /专业工长:李晓梅施工单位检查结果检查评定合格项目专业质量检查员:张晓2014年4月22日监理单位验收结论同意验收专业监理工程师:刘淇预应力原材料检验批质量验收记录02010401 001单位(子单位) 工程名称筑业科技产业园综合楼分部(子分部)工程名称主体结构/混凝土结构分项工程名称检验批容量检验批部位预应力云南工程建设总承包公司施工单位分包单位施工依据项目负责人曾小墨/12件分包单位项目负责人/ 2层梁板《混凝土结构工程施工规范》GB50666-2011《混凝土结构工程施工质量验收规范》GB50204-2015验收依据设计要求及样本最小/实际规范规定总数抽样数量验收项目检查记录检查结果1 预应力筋力学性能检验第6.2.1条150150150150 ////////复试报告3份.复试合格√无粘结预应力钢绞线应进行2 防腐润滑脂量和护套厚度的第6.2.2条检验有防腐润滑脂量和保护套厚度检验报告.复试合格√√√主控项目锚具、夹具和连接器的性能检验有锚固区传力性能试验报告.试验合格345第6.2.3条第6.2.4条第6.2.5条第6.2.6条第6.2.7条第6.2.8条无粘接预应力筋用锚具系统的防水性能检验有锚具系统防水性能检验报告.试验合格孔道灌浆用水泥和外加剂质量检验/无粘结预应力钢绞线保护套光滑、无裂缝和褶皱1 预应力筋外观质量150150150√√√一般项目锚具、夹具和连接器和外观质量表面无污物、锈蚀、机械损伤和裂纹2成孔管道外观质量、径向刚度和抗渗漏性能检验有抗渗漏性检验报告.试验合格3施工单位检查结果专业工长:李晓梅检查评定合格项目专业质量检查员:张晓2014年4月23日监理单位验收结论同意验收专业监理工程师:刘淇02010402 001单位(子单位) 工程名称筑业科技产业园综合楼分部(子分部)工程名称主体结构/混凝土结构分项工程名称检验批容量检验批部位预应力云南工程建设总承包公司施工单位分包单位施工依据项目负责人曾小墨/48件分包单位项目负责人/ 2层顶板《混凝土结构工程施工规范》GB50666-2011《混凝土结构工程施工质量验收规范》GB50204-2015验收依据设计要求及样本最小/实际规范规定总数抽样数量验收项目检查记录检查结果预应力筋的品种、规格、级别和数量符合设计要求.隐蔽验收合格主控项目预应力筋品种、规格、级别和数量1 第6.3.1条第6.3.2条第6.3.3条第6.3.4条48484848全 /全 /5 /全 /全全5√2 预应力筋安装位置全数检查.符合设计要求抽查5件.符合要求5件√预应力筋端部锚具的制作质量1 100%100% 预应力筋或成孔管道安装质量共48处.全数检查.符合要求48处2 48一般项目预应力筋或成孔管3 道定位控制点竖向位置h≤300300<h≤1500h>1500±5±10±15/5 ///截面高(厚)度mm48 5 抽查5件.合格5件/100%施工单位检查结果专业工长:李晓梅检查评定合格项目专业质量检查员:张晓2014年4月23日监理单位验收结论同意验收专业监理工程师:刘淇02010403 001单位(子单位) 工程名称筑业科技产业园综合楼分部(子分部)工程名称主体结构/混凝土结构分项工程名称检验批容量检验批部位预应力云南工程建设总承包公司施工单位分包单位施工依据项目负责人曾小墨/128根分包单位项目负责人/ 2层顶板《混凝土结构工程施工规范》GB50666-2011《混凝土结构工程施工质量验收规范》GB50204-2015验收依据设计要求及样本最小/实际规范规定总数抽样数量验收项目检查记录检查结果有混凝土同条件养护试件试验报告.混凝土抗压强度达到设计强度的114%1 张拉或放张时的混凝土强度第6.4.1条// √主控项后张法预应力构件.钢绞线断裂或滑脱数量目 2 第6.4.2条第6.4.3条先张法预应力筋实际预应力值控制3 128128 3 / 3 抽查3根.符合要求3根√√共128根.全数检查.符合要求128根.有预应力筋张拉记录1 预应力筋张拉质量第6.4.4条第6.4.5条全 / 全一般项目先张法预应力筋张拉后的位2 128 4 / 4 抽查4根.符合要求4根100%置偏差施工单位检查结果检查评定合格专业工长:李晓梅项目专业质量检查员:张晓2014年4月23日监理单位验收结论同意验收专业监理工程师:刘淇预应力灌浆与封锚检验批质量验收记录02010404001单位(子单位) 工程名称 筑业科技产业园综合楼 分部(子分部) 工程名称 主体结构/混凝土结构分项工程名称检验批容量 检验批部位预应力 云南工程建设总承包公司施工单位 分包单位 施工依据项目负责人 曾小墨 / 48件 分包单位项目负责人/2层顶板《混凝土结构工程施工规范》GB50666-2011《混凝土结构工程施工质量验收规范》GB50204-2015 验收依据设计要求及 样本 最小/实际 规范规定 总数 抽样数量验收项目检查记录检查结果全数检查.孔道内水泥浆饱满、密实1 孔道灌浆的一般要求 第6.5.1条 第6.5.2条48 全 / 全√有水泥浆配合比性能试验报告.符合设计要求2 现场搅拌灌浆水泥浆性能 /√√主 控 项 目孔道灌浆料试件留置和抗压 强度检验有试件抗压强度检测报告.试件强度等级35.2MPa3 第6.5.3条 第6.5.4条第6.5.5条 /5 //4 锚具封闭保护措施要求485抽查5处.符合要求5处√一 般 项 目后张法预应力筋锚固后锚具外的外露长度 1 /施工单位 检查结果检查评定合格 专业工长:李晓梅项目专业质量检查员:张晓2014年4月23日监理单位 验收结论同意验收专业监理工程师:刘淇02010301 001单位(子单位) 工程名称筑业科技产业园综合楼分部(子分部)工程名称主体结构/混凝土结构分项工程名称检验批容量检验批部位混凝土云南工程建设总承包公司施工单位分包单位施工依据项目负责人曾小墨/125分包单位项目负责人/ 2层梁板《混凝土结构工程施工规范》GB50666-2011《混凝土结构工程施工质量验收规范》GB50204-2015验收依据设计要求及样本总最小/实际验收项目检查记录检查结果规范规定数抽样数量2份质量证明文件.进场检验合格.1份抽样复验报告.复验合格1 水泥进场检验第7.2.1条48t / √主控项目1份质量证明文件.进场检验合格.1份抽样复验报告.复验合格2 混凝土外加剂进场检验第7.2.2条第7.2.3条第7.2.4条第7.2.5条第7.2.6条1.22t /////√水泥、外加剂进场.检验批容量3 /1 矿物掺合料进场检验2 粗细骨料的质量/一般项目中砂100t.碎石2份抽样检验报告.试验合格√√150t采用中水进行.1份水质检验报告.试验合格3 混凝土拌制及养护用水施工单位检查结果专业工长:李晓梅检查评定合格项目专业质量检查员:张晓2014年4月24日监理单位验收结论同意验收专业监理工程师:刘淇02010302001单位(子单位) 工程名称 筑业科技产业园综合楼 分部(子分部) 工程名称 主体结构/混凝土结构分项工程名称检验批容量 检验批部位混凝土 云南工程建设总承包公司施工单位 分包单位 施工依据项目负责人 曾小墨 / 125m 3 分包单位项目负责人/2层梁板《混凝土结构工程施工规范》GB50666-2011《混凝土结构工程施工质量验收规范》GB50204-2015 验收依据设计要求及 样本 最小/实际 规范规定 总数 抽样数量验收项目检查记录检查结果配合比通知单1份.强度试验报 告1份.合格证1份.搅拌运输单15份1 预拌混凝土进场质量2 混凝土拌合物不应离析 第7.3.1条 第7.3.2条 125 15/√共浇筑125m3混凝土(15罐车).无离析现象主 控 项 目15 / 15√√经检查原材料试验报告和氯离 子、碱的总含量计算书.符合要求3 混凝土中氯离子和碱总含量 第7.3.3条 首次使用的混凝土配合比开 /4 第7.3.4条第7.3.5条第7.3.6条 第7.3.7条/2 ///盘鉴定1 混凝土拌合物稠度要求2 混凝土耐久性检验 1252 抽查2次.符合要求 √一般 项 目//3 抗冻混凝土含气量检验/施工单位 检查结果专业工长:李晓梅检查评定合格项目专业质量检查员:张晓2014年4月24日监理单位 验收结论同意验收专业监理工程师:刘淇02010303 001单位(子单位) 工程名称筑业科技产业园综合楼分部(子分部)工程名称主体结构/混凝土结构分项工程名称检验批容量检验批部位混凝土云南工程建设总承包公司施工单位分包单位施工依据项目负责人曾小墨/125m3分包单位项目负责人/ 2层梁板《混凝土结构工程施工规范》GB50666-2011《混凝土结构工程施工质量验收规范》GB50204-2015验收依据设计要求及样本最小/实际规范规定总数抽样数量验收项目检查记录检查结果主控项目混凝土强度等级及试件的取样和留置留置同条件养护试块1组、标养试块2组.取样方法符合要求1 第7.4.1条第7.4.2条第7.4.3条125 ///√后浇带的留设位置.后浇带和施工缝的留设及处理方法1 施工缝处理符合施工方案√一般项目洒水养护.符合施工技术方案要求2 养护措施√施工单位检查结果检查评定合格专业工长:李晓梅项目专业质量检查员:张晓2014年4月24日监理单位验收结论同意验收专业监理工程师:刘淇现浇结构外观及尺寸偏差检验批质量验收记录02010501 001单位(子单位) 工程名称筑业科技产业园综合楼分部(子分部)工程名称主体结构/混凝土结构分项工程名称检验批容量检验批部位现浇结构云南工程建设总承包公司27间板.30件梁.18件柱施工单位分包单位施工依据项目负责人曾小墨/分包单位项目负责人/ 2层梁板柱《混凝土结构工程施工质量验收规范》GB50204-2015 《混凝土结构工程施工规范》GB50666-2011 验收依据设计要求及样本最小/实际验收项目检查记录检查结果规范规定总数抽样数量主控项目全数检查.混凝土外观无严重缺陷1 外观质量第8.2.1条757575全 /全 /全 /全全全√√√影响结构性能或使用功能的尺寸偏差全数检查.无影响结构性能或使用功能的尺寸偏差2 第8.3.1条第8.2.2条全数检查.混凝土外观无一般缺陷1 外观质量一般缺陷整体基础1510////轴线独立基础位置墙、柱、梁梁抽查3件.合格3件;柱抽查3件.合格3件8 48 6 / 6 100%柱、墙≤6m10 ////层高>6m 12垂直H/30000+20全高(H)≤300m度////(H= mm)H/10000且≤80全高(H)>300m现(H= mm)浇结构位置、尺寸允许偏层高全高基础±10±303 / 39抽查3处.合格3处100%100% 标高////一般项目+15.-10板抽查3间.合格3间;梁抽查3件.合格3件;柱抽查3件.合格3件2 截面柱、梁、板、墙尺寸+10.-5 75 9 /楼梯相邻踏步高差±6/ /差电梯中心线位置mm 井洞长、宽尺寸10 ////+25.0板抽查3间.合格3间;梁抽查3件.合格3件;柱抽查3件.合格3件表面平整度8 75 9 / 9 100% 预埋预埋板105////////设施中心预埋螺栓线位预埋管 5置其他10预留洞、孔中心线位置15 / /专业工长:李晓梅施工单位检查结果检查评定合格同意验收项目专业质量检查员:张晓2014年4月24日监理单位验收结论专业监理工程师:刘淇混凝土设备基础外观及尺寸偏差检验批质量验收记录02010502 001单位(子单位) 工程名称筑业科技产业园综合楼分部(子分部)工程名称主体结构/混凝土结构分项工程名称检验批容量检验批部位现浇结构2个云南工程建设总承包公司施工单位分包单位施工依据项目负责人曾小墨/分包单位项目负责人/ 水泵基座《混凝土结构工程施工质量验收规范》GB50204-2015 《混凝土结构工程施工规范》GB50666-2011 验收依据设计要求及样本最小/实际验收项目检查记录检查结果规范规定总数抽样数量主控项目全数检查.混凝土外观无严重缺陷1 外观质量第8.2.1条 22全 /全 /全 /全全全数检查.无影响结构性能或使用功能的尺寸偏差2 混凝土设备基础尺寸偏差第8.3.1条全数检查.混凝土外观无一般缺陷1 外观质量一般缺陷第8.2.2条 22全2坐标位置200.-20±200.-20+20.053 / 共2个.全部检查.合格2个100%不同平面的标高平面外形尺寸凸台上平面外形尺寸凹槽尺寸/ /2223 / 222共2个.全部检查.合格2个100%100%100%/ //3 ///平面水每米共2个.全部检查.合格2个/平度全长10现浇设垂直度每米 5 /全高10 3 //共2个.全部检查.合格2个备基础位置和尺寸允许偏差mm中心位置 2 /一般项目预埋地顶标高脚螺栓中心距+20.0±2/ /2 / /垂直度中心线位置5 / /10 2223 /3 /3 /222共2个.全部检查.合格2个共2个.全部检查.合格2个共2个.全部检查.合格2个100%100%100% 预埋地截面尺寸脚螺栓深度孔+20.0+20.0h/100且≤10(h=150 mm)垂直度 2 3 / 2 共2个.全部检查.合格2个100%中心线位置 5 ////预埋活动地脚螺栓锚板标高+20.0带槽锚板平整度带螺纹孔锚板平整度52////专业工长:李晓梅施工单位检查结果检查评定合格项目专业质量检查员:张晓2014年4月24日专业监理工程师:刘淇监理单位验收结论同意验收02010601 001单位(子单位) 工程名称筑业科技产业园综合楼分部(子分部)工程名称主体结构/混凝土结构分项工程名称检验批容量检验批部位装配式结构56件云南工程建设总承包公司施工单位分包单位施工依据项目负责人曾小墨/分包单位项目负责人/ 2层顶板《混凝土结构工程施工质量验收规范》GB50204-2015 《混凝土结构工程施工规范》GB50666-2011 验收依据设计要求及规范规定样本最小/实际验收项目检查记录检查结果总数抽样数量2份质量证明文件.进场检验合格1预制构件质量检验第9.2.1条第9.2.2条/主控项目1份结构性能检验报告.符合要求2预制构件进场结构性能检验/外观质量的严重缺陷.影响结3构性能和安装、使用功能的尺寸偏差全数检查.外观质量无缺全/ 全陷.无影响结构性能和安装、使用功能的尺寸偏差第9.2.3条56预埋件等材料质量、规格和数量.预留孔、洞的数量4 第9.2.4条第9.2.5条/ /全数检查.预制构件标识1预制构件标识565656全/全清晰2外观质量一般缺陷第9.2.6条±5全/全全数检查.预制构件外观质量无一般缺陷<12m楼板、粱3 ////////3 抽查3件.合格3件100%、柱≥12m且<18m ±10±20±4/、桁架长度≥18m/墙板/楼板、梁、柱、桁预宽度±556563333抽查3件.合格3件100%100% 架高(厚)度一般项目制构件尺寸的允许偏差mm墙板±4/楼板、梁、柱、墙表面板内表面3 5 抽查3件.合格3件/平整度墙板外表面 3L/750且≤20楼板、梁、柱565633////33抽查3件.合格3件100%100%(L=4500mm)侧向弯曲L/1000且≤20墙板、桁架/(L= mm)L/750楼板翘曲抽查3件.合格3件/(L=4500mm)L/1000续表 02010601001设计要求及 样本 最小/实际 检查记录 验收项目 检查结果 规范规定 总数 抽样数量对角 楼板 10 5 563 /3抽查3件.合格3件100%线墙板/ / / / / / / / / / 预留 中心线位置 5 孔孔尺寸±5 10 预留 中心线位置 洞洞口尺寸、深度 ±10 预埋板中心线位 置5 0.-5 2 / / / / / / / / 预 制 构 件 的允 许 偏 差mm预埋板与混凝土 面平面高差 一般 项目预埋螺栓3 预 埋 预埋螺栓外露长 件 度 +10.-5预埋套筒、螺母 中心线位置2/ // /预埋套筒、螺母 与混凝土面平面 高差 ±5 预留 中心线位置 插筋 外露长度中心线位置 5 +10.-55 56 563 / 3 3抽查3件.合格3件 100% 100%3 /抽查3件.合格3件/ / // / /键槽 长度、宽度深度±5 ±10预制构件粗糙面质量及键槽数量共56件.全数检查.符合设计要求4第9.2.8条56 全 / 56 100%专业工长:李晓梅施工单位 检查结果检查评定合格项目专业质量检查员:张晓2014年4月25日监理单位 验收结论同意验收专业监理工程师:刘淇2014年4月25日。
钢筋加工检验批质量验收记录
表5.10.7 工程编号:04-17-15-00-03-01
混凝土原材料及配合比设计检验批质量验收记录
表5.10.7 编号:
混凝土施工检验批质量验收记录
表5.10.8 编号:
现浇混凝土结构外观及尺寸偏差检验批质量验收记录表5.10.9 编号
预制构件检验批质量验收记录
表5.10.10 编号:
滑模混凝土结构外观及尺寸偏差检验批质量验收记录
表5.10.11 编号
预应力原材料检验批质量验收记录
预应力制作与安装检验批质量验收记录
表5.10.13 编号
预应力筋张拉和放张检验批质量验收记录
表5.10.14 编号
预应力灌浆及封锚检验批质量验收记录
表5.10.1 5 编号:
装配式结构施工检验批质量验收记录。
现浇钢筋混凝土结构钢筋加工及安装检验批质量验收记录
接下表
现浇钢筋混凝土结构钢筋加工及安装质量检验标准
(本检验标准条文摘自GB50204—2002\CJJ1—2008)
主控项目
(GB50204—2002)
14.2.4 钢筋安装应符合下列规定:
1 钢筋的品种、级别、规格和数量必须符合设计要求。
当受力钢筋需作变更时,必须办理变更设计
手续。
检查数量:全数检查。
检验方法:观察检查,用钢尺复测。
2 受力钢筋的力学性能检验必须符合现行国家标准《砼结构工程施工质量验收规范》GB50204及《钢
筋砼用热轧光圆钢筋》GB13013、《钢筋砼用热轧带肋钢筋》GB1499的规定。
检查数量:按产品进场批次和产品检验方案确定。
检验方法:查产品合格证,出厂检验报告和进场复检报告。
3 当发现钢筋脆断、焊接性能不良或力学性能显著不正常等现象时,应该对该批钢筋进行钢筋化学
成分等专项检验。
检查数量:有则必检。
检验方法:检查化学成分等专项检验报告。
4 受力钢筋的弯钩、弯折必须符合下列规定。
(1)HPB235级钢筋末端应作180°弯钩,其弯弧内直径不应小于钢筋直径的2.5倍,弯钩的弯后平直长度部分不应小于钢筋直径的3倍。
(2)当设计要求钢筋末端需作135°弯钩时,HRB335级、HRB400级钢筋的弯弧内直径不应小于钢筋直径的4倍,弯钩的弯后平直长度应符合设计要求;
(3)钢筋作不大于90°的弯折时,弯折处的弯弧内直径不应小于钢筋直径的5倍。
检查数量:按每工作班同一类型钢筋,同一加工设备抽查不少于3件。
检查方法:钢尺检查。
5、绑扎箍筋的末端应作弯钩,弯钩形式应符合设计要求,当设计无具体要求时,应符合下列规定:
(1)箍筋弯钩的弯弧内直径除应满足上述第4项的规定外,尚应不小于受力钢筋直径;
(2)箍筋弯钩的弯折角度一般不应小于90°;
(3)箍筋弯后平直部分长度对一般结构,不宜小于箍筋直径的5倍。
检查数量:按每工作班同一类型钢筋,同一加工设备抽查不少于3件。
检验方法:钢尺检查。
6 纵向受力钢筋的连接方式应符合设计要求。
检查数量:全数检查。
检验方法:观察检查。
7 钢筋机械连接接头、焊接接头的力学性能检验应符合国家现行标准《钢筋机械连接通用技术规程》
JGJ107,《钢筋焊接及验收规程》JGJ18的有关规定。
检查数量:按有关规程确定。
检验方法:查机械连接接头,焊接接头力学性能检验报告。
一般项目
8 钢筋的外观质量应符合下列要求:钢筋应平直,表面不得有裂纹、损伤、油污、颗粒状或片状老
锈。
检查数量:全数检查。
检验方法:观察检查。
9 钢筋采用冷拉法调直加工时,其冷拉率应符合下列要求:
(1)HPB235级钢筋不宜大于4%;
(2)HRB335级、HRB400级、RRB400级钢筋不宜大于1%。
检查数量:每工作班同类型钢筋,同一加工设备抽查不少于3件。
检验方法;观察检查,钢尺复测。
10 钢筋接头的宜设置在受力较小处。
同一纵向受力钢筋不宜设置2个或2个以上的接头。
接头末端
至钢筋起弯点的距离不应小于钢筋直径的10倍。
检查数量:全数检查。
检验方法:观察检查,钢尺复测。
11 钢筋机械连接接头、焊接接头的外观质量应符合国家现行标准《钢筋机械连接通用技术规程》
JGJ107,《钢筋焊接及验收规程》JGJ18的规定。
检查数量:全数检查。
检验方法:观察检查。
12 受力钢筋机械连接接头及焊接接头宜相互错开。
其接头连接区长度为35倍d(d为纵向受力筋的
较大直径),且不小于500mm。
同一连接区内其接头截面积的百分率不应大于50%。
检查数量:同一验收批内,抽查构件(代表区间)数量的10%,且不少于3件(间)。
检查方法:观察检查,钢尺量测、计算。
13 受力钢筋绑扎搭接接头宜相互错开。
其接头连接区长度为1.3LL(LL为搭接长度),其横向径距
不应小于25mm,其接头截面积的百分率应符合现行国家标准《砼结构工程施工质量验收规范》GB50204的规定。
检查数量:同一验收批内,抽查构件(或代表区间)数量的10%,且不少于3件(间)。
检查方法:观察检查,钢尺量测、计算。
(CJJ1—2008)
14.2.4 钢筋加工成型与安装除应符合国家现行标准《城市桥梁工程施工与验收规范》CJJ2的有关规定外,尚应符合下列规定:
1 钢筋加工允许偏差应符合表14.2.4—1的规定。
2 钢筋成型与安装允许偏差应符合表14.2.4—2的规定。