钢筋加工检验批质量验收记录表表格
- 格式:doc
- 大小:46.00 KB
- 文档页数:1
表118钢筋原材料检验批质量验收记录编号:010002010201001
填表说明
1、检验批容量填写:钢筋重量、钢筋机械连接套筒、钢筋锚固板以及预埋件个数。
2、最小/实际检查数量栏中,最小数量填写:统一标准或专业验收规范条款中规定的检查数量;实际检查数量填写:实际检查批量。
3、表头中“施工依据”栏目应依照实际的施工操作依据填写,如施工企业的操作规程、工法、施工工艺标准等。
4、主控项目:《混凝土结构工程施工质量验收规范》GB50204-2015规定钢筋原材料按进场的批次和产品的抽样检验方案确定。
5、一般项目:钢筋的表面质量进场时和使用前应全数检查。
其他一般项目按每工作班同一类型钢筋、同一加工设备抽查不应少于3件。
α=135°l≥10dα≥90°l≥5dα=135°l≥10dα≥90°l≥5dα=135°l≥10dα≥90°l≥5dα=135°l≥10dα≥90°l≥5dα=135°l≥10dα≥90°l≥5dα=135°l≥10dα≥90°l≥5dα=135°l≥10dα≥90°l≥5dα=135°l≥10dα≥90°l≥5dα=135°l≥10dα≥90°l≥5d钢筋工程检验批质量平行检验记录表(原材料、钢筋加工)α=135°l≥10dα≥90°l≥5d—钢筋抗拉强度实测值;—钢筋屈服强度实测值;—钢筋强度标准值。
钢筋工程检验批质量平行检验记录表(原材料、钢筋加工)α=135°l≥10dα≥90°l≥5d注:表中字母含义:α—弯曲角;r—弯弧内径;l—弯钩后平直长度;d—受力钢筋直径;d—箍筋直径;—钢筋抗拉强度实测值;—钢筋屈服强度实测值;—钢筋强度标准值。
钢筋工程检验批质量平行检验记录表(原材料、钢筋加工)α=135°l≥10dα≥90°l≥5d注:表中字母含义:α—弯曲角;r—弯弧内径;l—弯钩后平直长度;d—受力钢筋直径;d—箍筋直径;—钢筋抗拉强度实测值;—钢筋屈服强度实测值;—钢筋强度标准值。
钢筋工程检验批质量平行检验记录表(原材料、钢筋加工)α=135°l≥10dα≥90°l≥5d—钢筋抗拉强度实测值;—钢筋屈服强度实测值;—钢筋强度标准值。
钢筋工程检验批质量平行检验记录表(原材料、钢筋加工)α=135°l≥10dα≥90°l≥5d—钢筋抗拉强度实测值;—钢筋屈服强度实测值;—钢筋强度标准值。
钢筋工程检验批质量平行检验记录表(原材料、钢筋加工)α=135°l≥10dα≥90°l≥5d注:表中字母含义:α—弯曲角;r—弯弧内径;l—弯钩后平直长度;d—受力钢筋直径;d—箍筋直径;—钢筋抗拉强度实测值;—钢筋屈服强度实测值;—钢筋强度标准值。
钢筋报验申请表之吉白夕凡创作
工程名称:新加坡御苑三期27#楼
钢筋加工检验批质量验收记录
(GB50204-2002)
(Ⅰ)编号:
六安市建设工程质量监督站印
钢筋报验申请表
工程名称:新加坡御苑三期27#楼
钢筋装置工程检验批质量验收记录(GB50204-2002)
Ⅱ
监理(建设)单位结论验收
专业监理工程师
(建设单位项目专业技术负责人):年月日
六安市建设工程质量监督站印
隐蔽工程检检验收记录
编号:共页第页年月日
工程名称或编号:新加坡御苑三期27#楼建设单位:安徽凯胜置业有限公司
分部分项工程名称:六层框架柱隐蔽验收日期:2011年03月27日隐蔽项目单位数量完成情况和质量检查钢筋安装钢筋的品种、级别、规格、数量
符
合设计要求,装置绑扎、搭接长度、
呵护层支垫均符合规范要求
隐蔽简图(或设计施工变动记录):
按图施工
检检验收意见:
建设单位:
监理单位:
施工单位:
本表一式三份六安市建设工程质量监督站印。
钢筋工程检验批质量平行检验记录表(原材料、钢筋加工)GB50204—2002α=135°l≥10dα≥90°l≥5d注:表中字母含义:α—弯曲角;r—弯弧内径;l—弯钩后平直长度;d—受力钢筋直径;d—箍筋直径;—钢筋抗拉强度实测值;—钢筋屈服强度实测值;—钢筋强度标准值。
钢筋工程检验批质量平行检验记录表(原材料、钢筋加工)GB50204—2002α=135°l≥10dα≥90°l≥5d注:表中字母含义:α—弯曲角;r—弯弧内径;l—弯钩后平直长度;d—受力钢筋直径;d—箍筋直径;—钢筋抗拉强度实测值;—钢筋屈服强度实测值;—钢筋强度标准值。
钢筋工程检验批质量平行检验记录表(原材料、钢筋加工)GB50204—2002α=135°l≥10dα≥90°l≥5d注:表中字母含义:α—弯曲角;r—弯弧内径;l—弯钩后平直长度;d—受力钢筋直径;d—箍筋直径;—钢筋抗拉强度实测值;—钢筋屈服强度实测值;—钢筋强度标准值。
钢筋工程检验批质量平行检验记录表(原材料、钢筋加工)GB50204—2002α=135°l≥10d α≥90°l≥5d注:表中字母含义:α—弯曲角;r—弯弧内径;l—弯钩后平直长度;d—受力钢筋直径;d—箍筋直径;—钢筋抗拉强度实测值;—钢筋屈服强度实测值;—钢筋强度标准值。
钢筋工程检验批质量平行检验记录表(原材料、钢筋加工)GB50204—2002α=135°l≥10dα≥90°l ≥5d注:表中字母含义:α—弯曲角;r —弯弧内径;l —弯钩后平直长度;d —受力钢筋直径;d —箍筋直径;—钢筋抗拉强度实测值;—钢筋屈服强度实测值;—钢筋强度标准值。
钢筋工程检验批质量平行检验记录表(原材料、钢筋加工)GB50204—2002α=135°l≥10dα≥90°l≥5d注:表中字母含义:α—弯曲角;r—弯弧内径;l—弯钩后平直长度;d—受力钢筋直径;d—箍筋直径;—钢筋抗拉强度实测值;—钢筋屈服强度实测值;—钢筋强度标准值。
钢筋加工检验批质量验收记录注:本表内容的填写需依据《现场验收检验批检查原始记录》。
本检验批质量验收的规范依据见本页背面。
填写说明一、填写依据1 《混凝土结构工程施工质量验收规范》GB50204-2015。
2 《建筑工程施工质量验收统一标准》GB50300-2013。
二、检验批划分混凝土结构工程采用的材料、构配件、器具及半成品应按进场批次进行检验。
属于同一工程项目且同期施工的多个单位工程,对同一厂家生产的同批材料、构配件、器具及半成品,可统一划分检验批进行验收。
如:钢筋加工,可按工作台班,同规格钢筋、同生产设备、同工艺、每班工作量为一个检验批。
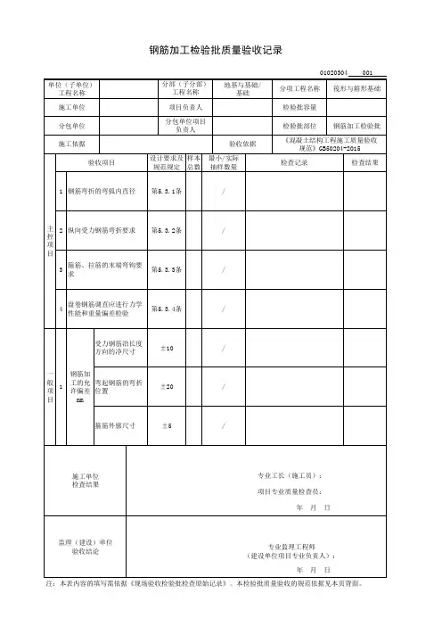
三、GB50204-2015规范摘要主控项目5.3.1 钢筋弯折的弯弧内直径应符合下列规定:1 光圆钢筋,不应小于钢筋直径的2.5倍;2 335MPa级、400MPa级带肋钢筋,不应小于钢筋直径的4倍;3 500MPa级带肋钢筋,当直径为28mm以下时不应小于钢筋直径的6倍,当直径为28mm及以上时不应小于钢筋直径的7倍;4 箍筋弯折处尚不应小于纵向受力钢筋的直径。
检查数量:按每工作班同一类型钢筋、同一加工设备抽查不应少于3件。
检验方法:尺量。
5.3.2 纵向受力钢筋的弯折后平直段长度应符合设计要求。
光圆钢筋末端作180°弯钩时,弯钩的平直段长度不应小于钢筋直径的3倍。
检查数量:按每工作班同一类型钢筋、同一加工设备抽查不应少于3件。
检验方法:尺量。
5.3.3 箍筋、拉筋的末端应按设计要求作弯钩,并应符合下列规定:1 对一般结构构件,箍筋弯钩的弯折角度不应小于90°,弯折后平直段长度不应小于箍筋直径的5倍;对有抗震设防要求或设计有专门要求的结构构件,箍筋弯钩的弯折角度不应小于135°,弯折后平直段长度不应小于箍筋直径的10倍;2 圆形箍筋的搭接长度不应小于其受拉锚固长度,且两末端弯钩的弯折角度不应小于135°,弯折后平直段长度对一般结构构件不应小于箍筋直径的5倍,对有抗震设防要求的结构构件不应小于箍筋直径的10倍;3 梁、柱复合箍筋中的单肢箍筋两端弯钩的弯折角度均不应小于135°,弯折后平直段长度应符合本条第1款对箍筋的有关规定。
钢筋(原材料及加工)检验批质量验收记录表(Ⅰ)说明主控项目1.钢筋进场时,必须按批抽取试件作力学性能(屈服强度、抗拉强度和伸长率)和工艺性能(冷弯)试验,其质量必须符合《钢筋混凝土用热轧光圆钢筋》(GB13013)和《钢筋混凝土用热轧带肋钢筋》(GB1499)等现行国家标准的规定和设计要求。
检验数量:以同牌号、同炉罐号、同规格、同交货状态的钢筋,每60 t为一批,不足60 t也按一批计。
施工单位每批抽检一次。
监理单位见证取样检测或平行检验抽检次数为施工单位抽检次数的20%或10%,但至少一次。
检验方法:施工单位检查每批质量证明书和进行试验。
监理单位检查全部质量证明书和试验报告并进行见证取样检测或平行检验。
2.钢筋的加工应符合设计要求。
当设计未提出要求时,应符合下列规定:(1)受拉热轧光圆钢筋的末端应作180°弯钩,其弯曲直径d m不得小于钢筋直径的2.5倍,钩端应留有不小于钢筋直径3倍的直线段。
(2)受拉热轧光圆和带肋钢筋的末端,当设计要求采用直角形弯钩时,直钩的弯曲直径d m不得小于钢筋直径的5倍,钩端应留有不小于钢筋直径3倍的直线段。
(3)弯起钢筋应弯成平滑的曲线,其弯曲半径不得小于钢筋直径的10倍(光圆钢筋)或12倍(带肋钢筋)。
(4)光圆钢筋制成的箍筋,其末端应作不小于90°的弯钩,有抗震等特殊要求的结构应作135°或180°的弯钩;弯钩的弯曲直径应大于受力钢筋直径,且不得小于箍筋直径的2.5倍;弯钩端直线段的长度,一般结构不得小于箍筋直径的5倍,有抗震等特殊要求的结构,不得小于箍筋直径的10倍。
检验数量:施工单位按钢筋编号各抽检10%,且各不少于3件。
监理单位平行检验数量为施工单位抽检数量的10%,且各不少于一件。
检验方法:尺量。
一般项目1.钢筋应平直、无损伤,表面无裂纹、油污、颗粒状或片状老锈。
检验数量:施工单位全部检查。
检验方法:观察。
2.钢筋加工允许偏差和检验方法应符合下表的规定。
钢筋制作、安装工程报验申请表工程名称:XX市坪东轻工业园区(洒金核心区)C型3号厂房编号:GB50204-2002(Ⅰ)GB50204-2002模板安装工程报验申请表工程名称:XX市坪东轻工业园区(洒金核心区)C型3号厂房编号:GB50204-2002(Ⅰ)混凝土工程报验申请表工程名称:XX市坪东轻工业园区(洒金核心区)C型3号厂房编号:GB50204-2002(Ⅰ)GB50204-2002(Ⅱ)模板拆除工程报验申请表工程名称:XX市坪东轻工业园(洒金核心区)C型3号厂房编号:GB50204-2002(Ⅲ)钢筋制作、安装工程报验申请表工程名称:XX市坪东轻工业园区(洒金核心区)C型3号厂房编号:GB50204-2002(Ⅰ)GB50204-2002模板安装工程报验申请表工程名称:XX市坪东轻工业园区(洒金核心区)C型3号厂房编号:GB50204-2002(Ⅰ)混凝土工程报验申请表工程名称:XX市坪东轻工业园区(洒金核心区)C型3号厂房编号:GB50204-2002(Ⅰ)GB50204-2002(Ⅱ)模板拆除工程报验申请表工程名称:XX市坪东轻工业园(洒金核心区)C型3号厂房编号:GB50204-2002(Ⅲ)钢筋制作、安装工程报验申请表工程名称:XX市坪东轻工业园区(洒金核心区)C型3号厂房编号:GB50204-2002(Ⅰ)GB50204-2002模板安装工程报验申请表工程名称:XX市坪东轻工业园区(洒金核心区)C型3号厂房编号:GB50204-2002(Ⅰ)混凝土工程报验申请表工程名称:XX市坪东轻工业园区(洒金核心区)C型3号厂房编号:GB50204-2002(Ⅰ)GB50204-2002(Ⅱ)模板拆除工程报验申请表工程名称:XX市坪东轻工业园(洒金核心区)C型3号厂房编号:GB50204-2002(Ⅲ)。
钢筋加工检验批质量验收记录表 5.10.7 工程编号: 04-17-15-00-03-01混凝土原材料及配合比设计检验批质量验收记录表 5. 10.7 编号混凝土施工检验批质量验收记录表 5. 10.8 编号施工单位检查结果项目专业质量检查员:项目专业技术负责人:年月日监理(建设)单位验收结论(建设单位项目专业技术负责人)专业监理工程师:年月日现浇混凝土结构外观及尺寸偏差检验批质量验收记录表5. 10 . 9单位(子单位)工程名称分项工程名称l外观质量☆不应有,“熏缺陷。
对已经出现的,重缺陷,应由施工单位提出技术处理方案,并经监理(建设)、设计单位认可后进行处理,对经处理的部位,应重新榆杏验收2 尺寸偏差☆不应有影响结构性能和使用功能的尺寸偏差。
对超过尺寸允许偏差且影响结构性能和安装、使用功能的部位,应由旋工单位提出技术处理方案,并经监理(建设)、设计单位认可后进行处理。
对经处理的部位,应重新检1 外观质量不宜有一般缺陷。
对已经出现的一般缺陷,应由施工单位按技术处理方案进行处理,并重新检查验收2 轴线位移独立基础≤ 10mm其它基础≤ 15mm墙、柱、梁≤8mm剪力墙≤5mm3 垂商度层高≤ 5m ≤8mm>5m ≤ 10mm全高(H4)≤H4/lO00且≤ 30mm4 标青同偏差杯形基础杯底0 ~一lOmm其它基础顶面± 10mm层高± 10mm全高± 30mm—截面尺寸偏著+Smm~一5mm6 表面平整度≤8mm7 电梯井井筒长,宽对定位中心线偏筹+25rnm~0监理(建设)单位验收记录施工单位自检记录施工质量验收规范的规定主控项目般项口编号施工班组长施工单位施工执行标准名称及编号分包单位项目经理分部(子分部)工程名称验收部位电力建设施工质量验收及评定规程第l 部分专业工长(施工员)分包项目经预制构件检验批质量验收记录表 5. 10.10 编号滑模混凝土结构外观及尺寸偏差检验批质量验收记录表 5. 10.11 编号预应力原材料检验批质量验收记录表 5. 10.12 编号金属螺旋管内外农皿应清沽,无锈蚀,4 外观质量不应有洞和不规则的褶皱,咬口不应有开裂或预应力制作与安装检验批质量验收记录表 5. 10.13 编号预应力筋张拉和放张检验批质量验收记录表 5. 10.14 编号预应力灌浆及封锚检验批质量验收记录表 5.10.1 5编号检查结果项目专业质量检查员:项目专业技术负责人:年月日监理 (建设 )单位验收结论专业监理工程师:建设单位项目专业技术负责人 )年月日装配式结构施工检验批质量验收记录表 5. 10.16 编号。