钢筋加工质量检验批验收记录表
- 格式:doc
- 大小:426.50 KB
- 文档页数:20
钢筋加工工程检验批质量验收记录钢筋加工工程是建筑工程中不可或缺的一环,保证其质量是十分重要的。
为了保证钢筋加工工程的质量,每一道工序都需要进行检验批质量验收记录。
以下是一份标准的钢筋加工工程检验批质量验收记录样本。
工程名称:钢筋加工工程工程地点:XX市XX区XX街道XX小区施工单位:XX建筑公司质量检验员:XX工程师日期:XXXX年XX月XX日编号:001检查内容:1. 筛选钢筋:对从供应商处购买的钢筋进行筛选,保证钢筋表面无裂纹、毛刺,由于钢筋表面锈蚀而导致的变形不超过要求。
2. 弯曲钢筋:对钢筋进行弯曲,观察弯曲后的钢筋表面有无裂纹,弯曲角度符合要求。
3. 钢筋加工和固定:对钢筋进行加工和固定,确保钢筋与模板之间的距离符合施工图纸要求。
4. 钢筋之间的距离和间隔:检验钢筋之间的距离和间隔是否符合要求,确保钢筋排列紧密。
5. 钢筋的保护:对加工好的钢筋进行包裹保护,防止表面锈蚀。
检查结果:1. 筛选钢筋:经检查,钢筋表面无裂纹、毛刺,钢筋表面锈蚀而导致的变形未超过要求。
2. 弯曲钢筋:经检查,弯曲后的钢筋表面无裂纹,弯曲角度符合要求。
3. 钢筋加工和固定:经检查,钢筋与模板之间的距离符合施工图纸要求,加工和固定方式符合标准规范。
4. 钢筋之间的距离和间隔:经检查,钢筋排列紧密,钢筋之间的距离和间隔符合要求。
5. 钢筋的保护:经检查,加工好的钢筋进行了包裹保护,防止表面锈蚀。
总结:经本次检验批质量验收,施工单位所加工的钢筋质量优良,符合建设标准要求。
本工程的过程质量控制得到了严格的执行,为下一步的施工打下了良好的基础。
以上是一份标准的钢筋加工工程检验批质量验收记录,在实际操作中,检验批的具体内容可能会根据不同的工程情况进行调整。
这份记录的制作和评定,也需要专业的质量检验员进行操作,严格按照标准操作程序的流程来检验批质量验收记录的内容,才能保证钢筋加工工程在质量方面符合建设标准的要求,提高建筑工程的安全性和经济性。
钢筋验收记录表日期:xxxx年xx月xx日工地名称:xxxx工地施工单位:xxxx公司监理单位:xxxx监理公司验收人员:xxxx一、基本情况本次钢筋验收是针对xxxx工地的xxxx部位进行的。
工地位于xxxx 地区,施工单位为xxxx公司,监理单位为xxxx监理公司。
二、验收内容1. 钢筋数量验收根据设计要求,对xxxx部位的钢筋数量进行验收。
通过对工地现场的实际情况进行核对,确认钢筋数量符合设计要求。
2. 钢筋规格验收对xxxx部位的钢筋规格进行验收。
根据设计图纸和施工图纸要求,检查现场所使用的钢筋规格是否符合要求。
3. 钢筋间距验收根据设计要求,对xxxx部位的钢筋间距进行验收。
通过测量实际间距,并与设计要求进行比对,确认钢筋间距符合设计要求。
4. 钢筋质量验收对xxxx部位的钢筋质量进行验收。
通过对现场钢筋进行目测和手触,检查钢筋的表面是否平整、无裂纹、无锈蚀等质量问题。
三、验收结果经过以上的验收工作,确认如下结果:1. 钢筋数量符合设计要求,没有缺漏情况。
2. 钢筋规格符合设计要求,没有使用错误的规格。
3. 钢筋间距符合设计要求,没有超出或不足的情况。
4. 钢筋质量符合要求,没有出现质量问题。
四、存在问题及处理情况在钢筋验收过程中,发现以下问题:1. 部分钢筋的表面有轻微的锈蚀情况。
处理措施:对受影响的钢筋进行清理和防锈处理,并进行二次验收。
2. 部分钢筋间距略有偏差,超出设计要求。
处理措施:对超出间距的钢筋进行调整和修正,并进行二次验收。
五、验收结论经过本次钢筋验收,确认xxxx部位的钢筋符合设计要求,具备施工条件。
施工单位应按照相关要求进行后续施工工作,并及时处理存在的问题。
验收人员:xxxx。
α=135°l≥10dα≥90°l≥5dα=135°l≥10dα≥90°l≥5dα=135°l≥10dα≥90°l≥5dα=135°l≥10dα≥90°l≥5dα=135°l≥10dα≥90°l≥5dα=135°l≥10dα≥90°l≥5dα=135°l≥10dα≥90°l≥5dα=135°l≥10dα≥90°l≥5dα=135°l≥10dα≥90°l≥5d钢筋工程检验批质量平行检验记录表(原材料、钢筋加工)α=135°l≥10dα≥90°l≥5d—钢筋抗拉强度实测值;—钢筋屈服强度实测值;—钢筋强度标准值。
钢筋工程检验批质量平行检验记录表(原材料、钢筋加工)α=135°l≥10dα≥90°l≥5d注:表中字母含义:α—弯曲角;r—弯弧内径;l—弯钩后平直长度;d—受力钢筋直径;d—箍筋直径;—钢筋抗拉强度实测值;—钢筋屈服强度实测值;—钢筋强度标准值。
钢筋工程检验批质量平行检验记录表(原材料、钢筋加工)α=135°l≥10dα≥90°l≥5d注:表中字母含义:α—弯曲角;r—弯弧内径;l—弯钩后平直长度;d—受力钢筋直径;d—箍筋直径;—钢筋抗拉强度实测值;—钢筋屈服强度实测值;—钢筋强度标准值。
钢筋工程检验批质量平行检验记录表(原材料、钢筋加工)α=135°l≥10dα≥90°l≥5d—钢筋抗拉强度实测值;—钢筋屈服强度实测值;—钢筋强度标准值。
钢筋工程检验批质量平行检验记录表(原材料、钢筋加工)α=135°l≥10dα≥90°l≥5d—钢筋抗拉强度实测值;—钢筋屈服强度实测值;—钢筋强度标准值。
钢筋工程检验批质量平行检验记录表(原材料、钢筋加工)α=135°l≥10dα≥90°l≥5d注:表中字母含义:α—弯曲角;r—弯弧内径;l—弯钩后平直长度;d—受力钢筋直径;d—箍筋直径;—钢筋抗拉强度实测值;—钢筋屈服强度实测值;—钢筋强度标准值。
钢筋验收记录表日期:XXXX年XX月XX日验收项目:钢筋验收地点:工地名称/具体位置验收人员:XXX、XXX、XXX一、验收钢筋的基本信息1. 钢筋类型:(例如HRB400、HRB500等)2. 钢筋直径:(例如10mm、12mm等)3. 钢筋长度:(例如6m、12m等)4. 钢筋数量:(例如100根、200根等)二、验收结果经过对钢筋的验收,我们得出以下结果:1. 外观质量:钢筋表面应光洁平整,无明显的锈蚀、裂纹或变形。
经验收,本次钢筋外观质量良好,符合要求。
2. 尺寸偏差:钢筋的直径和长度应符合设计要求。
经测量,本次钢筋的直径和长度均在允许范围内,没有发现明显的尺寸偏差。
3. 钢筋标识:钢筋上的标识应清晰可辨,包括钢筋种类、规格等信息。
经查验,本次钢筋的标识完整清晰,无误。
4. 强度性能:钢筋的强度应符合相关标准要求。
经过拉力试验,本次钢筋的强度满足设计要求,具备良好的承载能力。
三、验收结论根据以上验收结果,我们得出以下结论:本次钢筋验收合格,符合设计要求和相关标准。
钢筋的外观质量良好,尺寸偏差在允许范围内,标识清晰无误,强度满足设计要求。
经过验收的钢筋可以安全使用于工程中。
四、存在的问题及建议在钢筋验收过程中,我们未发现任何明显的质量问题或不合格情况。
然而,为了进一步提高钢筋的质量和安全性,建议在使用钢筋时注意以下几点:1. 运输和储存:在钢筋运输和储存过程中,要防止碰撞、湿度过高等情况对钢筋造成损害。
2. 安装注意事项:在钢筋的安装过程中,要确保正确的接头方式和连接质量,以确保结构的稳定和安全。
3. 防护措施:在使用钢筋时,要注意采取适当的防护措施,避免钢筋与其他材料发生腐蚀或损伤。
以上是本次钢筋验收的记录和结论,希望能对工程的顺利进行提供参考和保障。
如有其他问题或需要进一步了解,请及时与相关部门联系。
谢谢!。
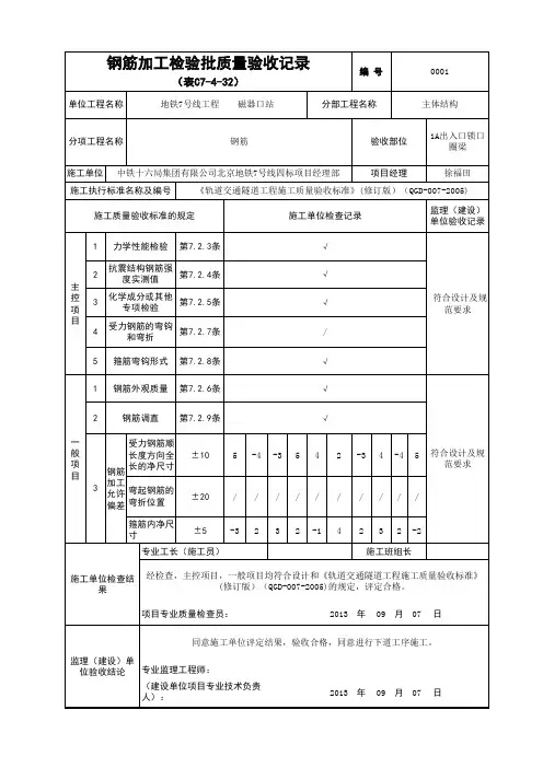
钢筋(原材料及加工)检验批质量验收记录表(Ⅰ)说明主控项目1.钢筋进场时,必须按批抽取试件作力学性能(屈服强度、抗拉强度和伸长率)和工艺性能(冷弯)试验,其质量必须符合《钢筋混凝土用热轧光圆钢筋》(GB13013)和《钢筋混凝土用热轧带肋钢筋》(GB1499)等现行国家标准的规定和设计要求。
检验数量:以同牌号、同炉罐号、同规格、同交货状态的钢筋,每60 t为一批,不足60 t也按一批计。
施工单位每批抽检一次。
监理单位见证取样检测或平行检验抽检次数为施工单位抽检次数的20%或10%,但至少一次。
检验方法:施工单位检查每批质量证明书和进行试验。
监理单位检查全部质量证明书和试验报告并进行见证取样检测或平行检验。
2.钢筋的加工应符合设计要求。
当设计未提出要求时,应符合下列规定:(1)受拉热轧光圆钢筋的末端应作180°弯钩,其弯曲直径d m不得小于钢筋直径的2.5倍,钩端应留有不小于钢筋直径3倍的直线段。
(2)受拉热轧光圆和带肋钢筋的末端,当设计要求采用直角形弯钩时,直钩的弯曲直径d m不得小于钢筋直径的5倍,钩端应留有不小于钢筋直径3倍的直线段。
(3)弯起钢筋应弯成平滑的曲线,其弯曲半径不得小于钢筋直径的10倍(光圆钢筋)或12倍(带肋钢筋)。
(4)光圆钢筋制成的箍筋,其末端应作不小于90°的弯钩,有抗震等特殊要求的结构应作135°或180°的弯钩;弯钩的弯曲直径应大于受力钢筋直径,且不得小于箍筋直径的2.5倍;弯钩端直线段的长度,一般结构不得小于箍筋直径的5倍,有抗震等特殊要求的结构,不得小于箍筋直径的10倍。
检验数量:施工单位按钢筋编号各抽检10%,且各不少于3件。
监理单位平行检验数量为施工单位抽检数量的10%,且各不少于一件。
检验方法:尺量。
一般项目1.钢筋应平直、无损伤,表面无裂纹、油污、颗粒状或片状老锈。
检验数量:施工单位全部检查。
检验方法:观察。
2.钢筋加工允许偏差和检验方法应符合下表的规定。
钢筋制作、安装工程报验申请表工程名称:XX市坪东轻工业园区(洒金核心区)C型3号厂房编号:GB50204-2002(Ⅰ)GB50204-2002模板安装工程报验申请表工程名称:XX市坪东轻工业园区(洒金核心区)C型3号厂房编号:GB50204-2002(Ⅰ)混凝土工程报验申请表工程名称:XX市坪东轻工业园区(洒金核心区)C型3号厂房编号:GB50204-2002(Ⅰ)GB50204-2002(Ⅱ)模板拆除工程报验申请表工程名称:XX市坪东轻工业园(洒金核心区)C型3号厂房编号:GB50204-2002(Ⅲ)钢筋制作、安装工程报验申请表工程名称:XX市坪东轻工业园区(洒金核心区)C型3号厂房编号:GB50204-2002(Ⅰ)GB50204-2002模板安装工程报验申请表工程名称:XX市坪东轻工业园区(洒金核心区)C型3号厂房编号:GB50204-2002(Ⅰ)混凝土工程报验申请表工程名称:XX市坪东轻工业园区(洒金核心区)C型3号厂房编号:GB50204-2002(Ⅰ)GB50204-2002(Ⅱ)模板拆除工程报验申请表工程名称:XX市坪东轻工业园(洒金核心区)C型3号厂房编号:GB50204-2002(Ⅲ)钢筋制作、安装工程报验申请表工程名称:XX市坪东轻工业园区(洒金核心区)C型3号厂房编号:GB50204-2002(Ⅰ)GB50204-2002模板安装工程报验申请表工程名称:XX市坪东轻工业园区(洒金核心区)C型3号厂房编号:GB50204-2002(Ⅰ)混凝土工程报验申请表工程名称:XX市坪东轻工业园区(洒金核心区)C型3号厂房编号:GB50204-2002(Ⅰ)GB50204-2002(Ⅱ)模板拆除工程报验申请表工程名称:XX市坪东轻工业园(洒金核心区)C型3号厂房编号:GB50204-2002(Ⅲ)。