机械设计课程设计计算说明书-带式输送机传动装置(含全套图纸)
- 格式:doc
- 大小:804.50 KB
- 文档页数:41
机械设计课程设计说明书 机械设计课程设计说明书题号:43一、 传动方案-—V 带传动原始题目:课程设计题目五:带式运输机传动装置工作条件:连续单向运转,载荷平稳,空载起动,使用期限10年,小批量生产,两班制工作,运输带速度允许误差为±5%。
滚筒效率:ηj =0。
96(包括滚筒与轴承的效率损失)。
1-电动机 2-带传动 3-减速器 4-联轴器 5-滚筒 6-传送带原始数据题 号 41 42 4344 45 46 47 4849 50运输带工作拉力(N)1100 1150 1200 1250 1300 1350 1450 1500 1500 1600 运输带工作速度(m ·s -1) 1.50 1。
60 1。
70 1。
50 1.55 1.60 1.55 1。
65 1。
70 1.80 卷筒直径(mm) 250 260 270 240 250 260 250 260 280 300已知条件: 1.工作参数运输带工作拉力F = 1200N 。
运输带工作速度V =1。
70 m/s(允许带速误差±5%)。
滚筒直径D = 270 mm. 滚筒效率0。
96(包括滚筒与轴承的效率损失). 2.使用工况两班制工作,连续单向运转,载荷平稳,空载起动。
3.工作环境室内,灰尘较大,环境最高温度35℃。
4.动力来源三相交流电,电压380/220V. 5.寿命要求使用期限10年,其工作期限(使用折旧期)为10年,大修期4年,中修期2年,小修Fν期半年。
6.制造条件一般机械厂制造,小批量生产.二、选择电动机(1)确定电动机额定功率、工作功率(输出功率)动力来源:三相交流电,电压380/220V电动机是标准件,根据要求两班制,灰尘较大,最高温度35度,三相交流电,笼型异步,封闭式结构,电压380v,Y型根据,可得电动机额定功率因为总效率——为闭式齿轮传动效率(0.97);——带传动效率(0.96)--为滚动轴承效率(0。
机械设计基础课程设计设计计算说明书题目:带式输送机传动装置设计 设计者:设计者:___ ________ ___ ________ 学号:号:__ _______ __ _______班 级:级:级: _ __ _ _ __ _ 学 院:院:院:______航空科学与工程学院航空科学与工程学院 指导教师:指导教师:___ ___ _ ___ ___ _ 起止时间:起止时间: 2012.2.24 2012.2.24 2012.2.24~~4.10 成 绩:绩:绩:____________________ ____________________录目 录目录错误!未定义书签。
目 录 (1)1、 课程设计任务课程设计任务 (2)2、 电动机的选择电动机的选择 (3)3、 计算总传动比及分配各级传动比 (4)4、 传动装置的运动和动力参数计算 (4)5、 传动零件之带传动的设计计算传动零件之带传动的设计计算 (6)6、 传动零件之齿轮传动的设计计算 (8)7、 减速器低速轴的设计计算减速器低速轴的设计计算 (13)8、 减速器低速轴的校核 (15)9、 减速器低速轴轴承的选择及校核 (18)10、 低速轴键联接的选择 (19)11、 联轴器的选择联轴器的选择 (19)12、 润滑与密封润滑与密封 (20)13、 减速器箱体及附件选择减速器箱体及附件选择 (21)14、 参考文献参考文献 (22)1、 课程设计任务1.1 1.1 传动装置简图传动装置简图传动装置简图如图所示:传动装置简图如图所示:7F v654321带式输送机传动装置1—电动机—电动机 2—传动带—传动带 3—圆柱齿轮减速器—圆柱齿轮减速器 4—联轴器—联轴器 5—滚筒—滚筒 6—轴承—轴承 7—输送胶带—输送胶带1.2 1.2 已知条件已知条件1) 工作情况:两班工作制,单向连续运转,载荷较平稳。
作情况:两班工作制,单向连续运转,载荷较平稳。
计算计算内容计算结果项目(一)、设计任务书(一)设计题目设计带式运输机的传动装置,其工作条件是:1.鼓轮直径D=420mm2.传送带运行速度v=0.9m/s3.鼓轮上的圆周力F=3.3KN4.工作年限10年每天8小时5.小批生产参考方案:电动机→V带传动→二级圆柱齿轮减速器→工作机(鼓轮带动运输带)图(1)传动方案示意图1——电动机 2——V带传动 3——展开式双级齿轮减速器4——链传动 5—连轴器 6——滚筒传送带(二)设计任务:设计一带式运输机的传动装置,按照给定的传动方案:1.选择适当的原动机2.设计计算传动零件(带、齿轮及选择联轴器)3.设计计算部分支承零件和连接件4.完成减速器设计装配图一张,零件图一张Z330 120 128 1158Z490 360 368 355传动传动比i中心距a模数mn螺旋角β计算齿宽b4(mm) 3.0 240 4 096(四)传动轴的设计轴的大致布局(1)高速轴的设计k为齿轮与内壁的距离k=10mm c为保证滚动轴承放入想以内c=5mm 初取轴承宽度n1=20mm n2=24mm n3=24mm轴的受力分析简图,弯矩扭矩图轴的受力计算水平面受力计算垂直面的受力计算a. 确定各轴段长度L1=20mmL2=15mmL3=45mmL4=126mmL5=20mmL6=36mmL7=48mm(带)则轴承跨距为L= L1+ L2+L3+L4+L5=20+15+45+126+20采用齿轮轴结构轴的材料采用45号钢调质处理轴的受力分析如图L AB=L=236mmL AC=n12+c+k+22.5=10+5+10+22.5L BC=L AB−L AC=236−47.5L BD=L6+L7=36+48a 计算齿轮的啮合力F t0=2000T0d∅=2000×30.7732F t1=2000T1d1=2000×47.5142.151F r1=F t1tanαcos18。
机械设计课程设计计算阐明书设计题目: 带式输送机旳传动装置设计任务序号 2-3专业班学号设计者指导教师目录一、课程设计任务 .................................................... 错误!未定义书签。
二、传动装置总体设计 ............................................ 错误!未定义书签。
三、传动件设计 ........................................................ 错误!未定义书签。
四、装配草图设计 .................................................... 错误!未定义书签。
五、轴旳计算与校核 ................................................ 错误!未定义书签。
六、轴承基本额定寿命计算 .................................... 错误!未定义书签。
七、键旳挤压强度校核计算 .................................... 错误!未定义书签。
八、箱体构造旳设计 ................................................ 错误!未定义书签。
九、设计小结............................................................. 错误!未定义书签。
附件一......................................................................... 错误!未定义书签。
一、课程设计任务设计题目: 带式输送机旳传动装置设计1 。
传动系统示意图方案2: 电机→带传动→两级展开式圆柱齿轮(斜齿或直齿)减速器→工作机1—电动机;2—带传动;3—圆柱齿轮减速器;4—联轴器;5—输送带;6—滚筒2. 原始数据设计带式输送机传动装置中旳二级圆1 2 3 4 5 6 7 柱齿轮减速器, 原始数据如表所示:皮带旳有效拉力F4000 4500 3000 4000 3000 3200 4200 N输送带工作速度v0.8 0.85 1.20 1.00 1.40 1.30 1.00 m/s输送带滚筒直径d315 355 400 400 355 300 375 mm3. 设计条件1.工作条件: 机械厂装配车间;两班制, 每班工作四小时;空载起动、持续、单向运转, 载荷平稳;2.有效期限及检修间隔:工作期限为8年, 每年工作250日;检修期定为三年;3.生产批量及生产条件:生产数千台, 有铸造设备;4.设备规定: 固定;5.生产厂: 减速机厂。
机械设计课程设计计算说明书设计题目:带式运输机传动装置设计者:陈劲军指导老师杨金勇设计时间:2010年1月设计单位:中国矿业大学目录一课程设计任务书 (2)二设计要求 (2)三设计步骤 (2)1. 传动装置总体设计方案 (2)2. 电动机的选择 (3)3. 确定传动装置的总传动比和分配传动比 (4)4. 齿轮的设计 (6)5. 滚动轴承和传动轴的设计 (8)附:两根轴的装配草图 (16)6.键联接设计 (18)7. 箱体结构的设计 (19)8.润滑密封设计 (20)四设计小结 (20)五参考资料 (21)一课程设计任务书课程设计题目:设计带式运输机传动装置(简图如下)1——输送带2——滚筒3——联轴器4——减速器5——V带传动6——电动机1.设计条件:1)机器功用由输送带运送物料,如:沙石,砖,煤炭,谷物等;2)工作情况单项运输,载荷轻度振动,环境温度不超过40℃;3)运动要求输送带运动速度误差不超过7%;4)使用寿命 8年,每年350天,每天8小时;5)检修周期一年小修,三年大修;6)生产厂型中小型机械制造厂;7)生产批量单件小批量生产;2.原始数据:运送带工作拉力F/KN 运输带工作速度v/(m/s) 卷筒直径D/mm5 1.2 190二. 设计要求1.减速器装配图一张。
(三视图,A1图纸)2.绘制轴、齿轮零件图各一张。
(A3图纸)3.设计计算说明书一份。
三. 设计步骤1. 传动装置总体设计方案1)外传动机构为V 带传动。
2)减速器为一级展开式圆柱齿轮减速器。
3) 方案简图如下图:1——输送带;2——滚筒;3——联轴器; 4——减速器;5——V 带传动;6——电动机4)该方案的优缺点:该工作机有轻微振动,由于V 带有缓冲吸振能力,采用V 带传动能减小振动带来的影响,并且该工作机属于小功率、载荷变化不大,可以采用V 带这种简单的结构,并且价格便宜,标准化程度高,大幅降低了成本。
减速器部分一级圆柱齿轮减速,这是一级减速器中应用最广泛的一种。
机械设计基础课程设计带式输送机传动装置12020年4月19日机械设计基础课程设计计算说明书设计题目:带式输送机传动装置文档仅供参考,不当之处,请联系改正目录一、课程设计任务书1.1 设计要求二、传动装置运动学计算2.1 电动机的选择2.2 确定总传动比、分配传动比2.3 计算各轴功率、转速和扭矩三、带传动设计3.1 选择带的剖面型号3.2 计算带传动的主要尺寸和带的根数四、齿轮传动计算4.1 选择齿轮材料4.2 计算和确定齿轮传动的主要参数4.3 确定齿轮的结构和主要尺寸五、轴的设计计算5.1 轴的初步计算5.2 轴的结构设计5.3 轴的强度计算六、联轴器选择七、键的选择、计算八、滚动轴承选择计算九、减速器结构设计9.1 确定箱体的结构和主要尺寸9.2 减速器附件的选择9.3 减速器主要零件配合性质的确定十、减速器的润滑10.1 润滑方式的确定10.2 选择润滑牌号10.3 确定润滑油量十一、设计心得十二、参考资料11一课程设计任务书课程设计题目:设计带式运输机传动装置(简图如下)1 ------ V带传动2 ------- 运输带3 --------- 单级斜齿圆柱齿轮减速器4――联轴器5 ――电动机6 ――卷筒原始数据:运输带工作拉力F/N 4200运输带工作速度v/(m/s) 1.9卷筒直径D/mm 4501)工作条件:两班制,连续单向运转,载荷较平稳;2)使用折旧期:8年;3)检修间隔期:四年一次大修,两年一次中修,半年一次小修;4)动力来源:电力,三相交流,电压380/220V;5)运输带速度允许误差土5%6)制造条件及生产批量:一般机械厂制造,小批量生产。
1.1设计要求1. 减速器装配图一张(A1)。
2. 零件图1~2张。
3. 设计说明书一份。
机械设计课程设计计算说明书设计题目:带式输送机传送装置目录一.题目及总体分析 (1)二.各主要部件选择 (2)三.电动机的选择 (3)四.分配传动比 (4)五.传动系统的运动和动力参数计算 (5)六.设计高速级齿轮 (7)1.选精度等级、材料及齿数,齿型 (7)2.按齿面接触强度设计 (7)3.按齿根弯曲强度设计 (8)4.几何尺寸计算 (10)5.验算 (10)七.设计低速级齿轮 (10)1.选精度等级、材料及齿数,齿型 (10)2.按齿面接触疲劳强度设计 (11)3.按齿根弯曲强度设计 (12)4.几何尺寸计算 (13)5.验算 (13)八.链传动的设计 (14)九.减速器轴及轴承装置、键的设计 (16)1.Ⅰ轴(输入轴)及其轴承装置、键的设计 (16)2.Ⅱ轴(中间轴)及其轴承装置、键的设计 (19)3.Ⅲ轴(输出轴)及其轴承装置、键的设计 (22)十.润滑与密封 (27)十一.箱体结构尺寸 (28)十二.设计总结 (29)十三.参考文献 (29)一.题目及总体分析题目:设计一个带式输送机的传动装置给定条件:传动简图如图1-1所示,设计参数列于表1-1。
工作条件:连续单向运转,,工作时有轻微振动,使用期为10年(每年300个工作日),小批量生产,两班制工作,输送机工作轴转速允许误差为5%。
带式输送机的传动效率为0.96。
减速器类型选择:选用展开式两级圆柱齿轮减速器。
特点及应用:结构简单,但齿轮相对于轴承的位置不对称,因此要求轴有较大的刚度。
高速级齿轮布置在远离转矩输入端,这样,轴在转矩作用下产生的扭转变形和轴在弯矩作用下产生的弯曲变形可部分地互相抵消,以减缓沿齿宽载荷分布不均匀的现象。
高速级一般做成斜齿,低速级可做成直齿。
整体布置如下:图1-1 带式输送机传动简图图示:1为电动机,2为联轴器,3为减速器,4为高速级齿轮传动,5为低速级齿轮传动,6为链传动,7为输送机滚筒。
辅助件有:观察孔盖,油标和油尺,放油螺塞,通气孔,吊环螺钉,吊耳和吊钩,定位销,启盖螺钉,轴承套,密封圈等。
《机械设计基础》课程设计说明书题目:学院:机电工程学院专业:工业工程班级:学号:姓名:指导教师:机电工程学院2011年3月4 日机电工程学院课程设计任务书专业工业工程课程设计名称机械设计基础课程设计一、设计题目:带式运输机传动装置(减速器)设计(直齿、同侧、卧式)二、设计数据与要求如图1所示。
胶带运输机由电动机通过减速器减速后,再通过链条传动(传动比1:3~1:5,传动效率0.9),连续单向运转输送谷物类散粒物料,工作载荷较平稳,设计寿命10年,每天工作8小时,每年300个工作日,运输带速允许误差为±5%。
已知条件如表1所示。
图1 带式输送机传动方案图表1 带式输送机设计条件三、设计内容及任务1、传动装置原理方案设计对比分析各种传动方案,确定本次设计的方案;选择并计算电动机;确定各级传动比;计算其他相关运动参数;绘制包括电动机、联轴器、减速器、链传动和胶带主卷筒部分的传动原理方案图。
2、减速器结构方案设计结构设计与计算(包括健、轴承、齿轮、轴等),绘制出总装配图1张(建议:A1号图纸)。
3、绘制主要零件(箱体、齿轮、轴等)工作图2~3张(建议:A3、A4号图纸)。
4、编制设计计算说明书1份。
5、要求用计算机绘制图纸,计算机打印说明书。
四、计划与时间安排2011.2.21: 布置课程设计任务;2011.2.21~2011.2.25: 总体方案设计、运动及结构参数设计计算;2011.2.25~2011.3.3:绘制装配图、零件图;2011.3.3~2011.3.6:撰写设计说明书。
时间安排可交叉进行。
班级学号学生姓名日期指导教师日期2011.2.21目录一、前言 (4)1.设计目的及意义2.设计任务及分析二、原理方案设计及论证 (5)1. 传动方案设计及分析2. 电动机选择3. 运动分析及计算4. 总体布置设计及评价三、结构设计及计算 (8)1. 齿轮的设计计算2. 轴的设计计算3. 轴承的选择及计算4. 键的计算5. 链条的设计及计算6. 其他零部件设计7. 结构设计四、制造、安装及使用说明 (16)1. 制造要求2. 安装要求3. 使用说明五、设计结果 (17)六、设计总结 (18)七、致谢 (19)一、前言1、设计目的及意义此次课程设计的主要内容是进行一级圆柱直齿轮的设计计算,在设计计算中运用到了《机械设计基础》、《机械制图》、《工程力学》、《材料力学》等多门课程知识,并运用《AUTOCAD》软件进行绘图,因此是一个非常重要的综合实践环节,也是一次全面的、规范的实践训练。
机械设计课程设计报告——V带式输送机传动系统设计院系及专业:设计者:指导老师:目录一、设计任务书 (4)二、传动装置的总体设计 (5)(一)、电动机的选择 (5)(二)、传动比的分配及转速校核 (7)(三)、减速器各轴转速、功率、转矩的计算 (10)三、传动零件的设计计算 (12)(一)、V带设计 (12)(一)、V带轮的结构设计 (12)(二)、V带的计算设计 (13)(二)、齿轮传动的设计 (16)(一)、高速级齿轮传动设计计算 (16)(二)、高速级齿轮传动的几何尺寸 (21)(三)、低速级齿轮传动设计计算 (21)(四)、低速级齿轮传动的几何尺寸 (26)四、轴的设计: (26)(一)、高速轴 (26)(一)、高速轴的设计 (26)(二)、高速轴的计算与校核 (29)(二)、中间轴 (32)(一)、中间轴的设计 (32)(二)、中间轴的计算与校核 (34)(三)、低速轴 (36)(一)、低速轴的设计 (36)(二)、低速轴的计算与校核 (38)五、轴承校核: (40)六、箱体的设计计算 (44)七、减速器的润滑设计 (45)(一)齿轮的润滑设计 (45)(二)、轴承的润滑及设计 (46)八、密封 (46)九、结束语 (47)一、设计任务书带式输送机传动系统设计1.设计任务设计带式输送机传动系统。
采用V带传动及两级圆柱齿轮减速器。
2.传动系统参考方案(见图)带式输送机由电动机驱动。
电动机1通过V带传动将动力传入两级圆柱齿轮减速器3,再通过联轴器4将动力传至输送机滚筒5,带动输送带6工作。
3.原始数据:输送带有效拉力F= 6800N输送带工作速度v= 0.48m/s (允许误差±5%) 输送机滚筒直径d= 425 mm 减速器设计寿命为5年。
4、工作条件:两班制,常温下连续工作;空载起动,工作载荷平稳;三相交流电源,电压为380/220伏。
二、传动装置的总体设计(一)、电动机的选择一、选择电动机,确定传动方案及计算运动参数:(一) 电动机的选择:(1)、选择电动机类型:按工作要求和条件,选用三箱笼型异步电动机,封闭式结构,电压380V ,Y 型。
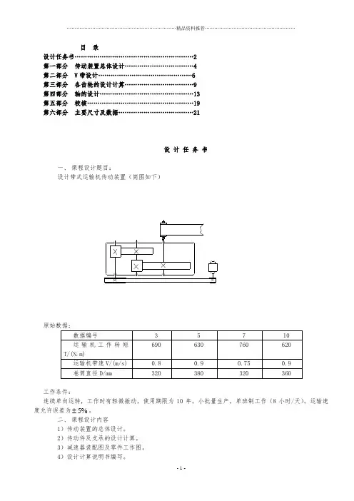
目 录设计任务书.........................................................2 第一部分 传动装置总体设计.................................4 第二部分 V 带设计.............................................6 第三部分 各齿轮的设计计算.................................9 第四部分 轴的设计.............................................13 第五部分 校核...................................................19 第六部分 主要尺寸及数据 (21)设 计 任 务 书一、 课程设计题目:设计带式运输机传动装置(简图如下)原始数据:工作条件:连续单向运转,工作时有轻微振动,使用期限为10年,小批量生产,单班制工作(8小时/天)。
运输速度允许误差为%5 。
二、 课程设计内容1)传动装置的总体设计。
2)传动件及支承的设计计算。
3)减速器装配图及零件工作图。
4)设计计算说明书编写。
每个学生应完成:1)部件装配图一张(A1)。
2)零件工作图两张(A3)3)设计说明书一份(6000~8000字)。
本组设计数据:第三组数据:运输机工作轴转矩T/(N.m) 690 。
运输机带速V/(m/s) 0.8 。
卷筒直径D/mm 320 。
已给方案:外传动机构为V带传动。
减速器为两级展开式圆柱齿轮减速器。
第一部分传动装置总体设计一、传动方案(已给定)1)外传动为V带传动。
2)减速器为两级展开式圆柱齿轮减速器。
3)方案简图如下:二、该方案的优缺点:该工作机有轻微振动,由于V带有缓冲吸振能力,采用V带传动能减小振动带来的影响,并且该工作机属于小功率、载荷变化不大,可以采用V带这种简单的结构,并且价格便宜,标准化程度高,大幅降低了成本。
目录设计任务书 (2)第一部分传动装置总体设计 (4)第二部分V带设计 (6)第三部分各齿轮的设计计算 (9)第四部分轴的设计 (13)第五部分校核 (19)第六部分主要尺寸及数据 (21)设计任务书一、课程设计题目:设计带式运输机传动装置(简图如下)原始数据:工作条件:连续单向运转,工作时有轻微振动,使用期限为10年,小批量生产,单班制工作(8小时/天)。
运输速度允5 。
许误差为%二、课程设计内容1)传动装置的总体设计。
2)传动件及支承的设计计算。
3)减速器装配图及零件工作图。
4)设计计算说明书编写。
每个学生应完成:1)部件装配图一张(A1)。
2)零件工作图两张(A3)3)设计说明书一份(6000~8000字)。
本组设计数据:第三组数据:运输机工作轴转矩T/(N.m) 690 。
运输机带速V/(m/s) 0.8 。
卷筒直径D/mm 320 。
已给方案:外传动机构为V带传动。
减速器为两级展开式圆柱齿轮减速器。
第一部分传动装置总体设计一、传动方案(已给定)1)外传动为V带传动。
2)减速器为两级展开式圆柱齿轮减速器。
3)方案简图如下:二、该方案的优缺点:该工作机有轻微振动,由于V带有缓冲吸振能力,采用V带传动能减小振动带来的影响,并且该工作机属于小功率、载荷变化不大,可以采用V带这种简单的结构,并且价格便宜,标准化程度高,大幅降低了成本。
减速器部分两级展开式圆柱齿轮减速,这是两级减速器中应用最广泛的一种。
齿轮相对于轴承不对称,要求轴具有较大的刚度。
高速级齿轮常布置在远离扭矩输入端的一边,以减小因弯曲变形所引起的载荷沿齿宽分布不均现象。
原动机部分为Y系列三相交流异步电动机。
总体来讲,该传动方案满足工作机的性能要求,适应工作条件、工作可靠,此外还结构简单、尺寸紧凑、成本低传动效率高。
结工作机所需功率:Pw ηw=0.96 (见课设P9)min .14832.014.38.0•-=⨯==R D V n π 传动装置总效率:ηa(见课设式2-4)ηηηηηηηηη87654321•••••••=a99.01=η99.02=η 99.03=η 97.04=η99.05=η97.06=η 99.07=η95.08=η(见课设表12-8)85.095.099.097.099.097.099.099.099.0=⨯⨯⨯⨯⨯⨯⨯=ηa电动机的输出功率:Pd(见课设式2-1)Kw aW dPP23.485.06.3≈==η取K P w d 5.5= 选择电动机为Y132M1-6型 (见课设表19-1) 技术数据:额定功率(Kw) 4 满载转矩(minr) 960额定转矩(m N ⋅) 2.0 最大转矩(m N ⋅) 2.0 Y132M1-6电动机的外型尺寸(mm ): (见课设表19-3)A :216B :178C :89D :38E :80F :10G :33H :132 K :12 AB :280 AC :AD :210 HD :315 BB :238 L :235四、传动装置总体传动比的确定及各级传动比的分配1、 总传动比:ia(见课设式2-6)2048960===nnima2、 各级传动比分配: (见课设式2-7)ii i i a321⋅⋅=5.207.362.220⨯⨯==ia初定 62.21=i07.32=i5.23=i第二部分 V 带设计外传动带选为 普通V 带传动1、 确定计算功率:Pca1)、由表5-9查得工作情况系数1.1=KA2)、由式5-23(机设) k K PwA caP 65.55.51.1=⨯=⋅=2、选择V 带型号查图5-12a(机设)选A 型V 带。
目录1.选择电动机 (4)2.分配传动比 (5)3.传动装置的运动和动力参数的计算 (6)4.蜗杆传动的设计 (7)5.轴的设计计算 (10)6.键的选择与强度校核 (20)7.轴承的选择与校核 (21)8.联轴器的选择 (26)9.减速箱的润滑与密封 (27)10.减速箱的结构尺寸 (27)11.设计总结 (29)12.参考文献 (29)课程设计题目:带式运输机的传动装置如图为带式输送机传动简图,已知滚筒直径为200mm,输送带速1.1m/s,传动速度误差±5%,运输带工作压力为2600N。
工作8小时,连续单向运转,载荷平稳,有粉尘,使用年限10年,3年大修,生产10台,中等规模企业,加工7,8级精度齿轮。
1——电动机2、5——联轴器3——蜗轮4——蜗杆6——减速箱7——卷筒2有全套图纸QQ蜗杆减速器传动装置的总体设计一. 选择电动机有全套图纸QQ4电动机的相关尺寸:二.分配传动比1. 由选定的电动机满载的转速m n 和 工作机的转速w n 可以传动装置总传动比为:7.1304.1051440===w m a n n i 2. 分配传动装置各级传动比减速器的传动比i 为i =a i =13.7十.减速器箱体结构尺寸有全套图纸QQ有全套图纸QQ十一.设计总结1.实际动手设计的时候才发现自己学得知识太少,而且就算上课的时候再认真听课,光靠课堂上学习的知识根本就无法解决实际问题,必须要靠自己学习。
2.设计的时候总是有很多不确定的参数,而且大多不能靠理论来确定,而是要从一定的范围内任选的,所以实际设计的时候一定要先准备好相应的资料。
3.做设计时,存在很多问题,碰到很多麻烦。
因为是第一次自己做设计,所以一开始很多都没考虑周全,只是按着书本照样画葫芦,结果发现情况不同,只好又从头来过。
开始的计算很多尺寸没有从箱体总体结构去分析,当画装配图时才发现很多不能相配合,所以又回到前面去改。
虽然现在完成了,可能还存在很多不合理的地方。
目录设计任务书 (2)第一部分传动装置总体设计 (4)第二部分V带设计 (6)第三部分各齿轮的设计计算 (9)第四部分轴的设计 (13)第五部分校核 (19)第六部分主要尺寸及数据 (21)设计任务书一、课程设计题目:设计带式运输机传动装置(简图如下)原始数据:工作条件:连续单向运转,工作时有轻微振动,使用期限为10年,小批量生产,单班制工作(8小时/天)。
运输速度允许误差为%5 。
二、 课程设计内容 1)传动装置的总体设计。
2)传动件及支承的设计计算。
3)减速器装配图及零件工作图。
4)设计计算说明书编写。
每个学生应完成:1) 部件装配图一张(A1)。
2) 零件工作图两张(A3)3) 设计说明书一份(6000~8000字)。
本组设计数据:第三组数据:运输机工作轴转矩T/(N.m) 690 。
运输机带速V/(m/s) 0.8 。
卷筒直径D/mm 320 。
已给方案:外传动机构为V带传动。
减速器为两级展开式圆柱齿轮减速器。
第一部分传动装置总体设计一、传动方案(已给定)1)外传动为V带传动。
2)减速器为两级展开式圆柱齿轮减速器。
3)方案简图如下:二、该方案的优缺点:该工作机有轻微振动,由于V带有缓冲吸振能力,采用V带传动能减小振动带来的影响,并且该工作机属于小功率、载荷变化不大,可以采用V带这种简单的结构,并且价格便宜,标准化程度高,大幅降低了成本。
减速器部分两级展开式圆柱齿轮减速,这是两级减速器中应用最广泛的一种。
齿轮相对于轴承不对称,要求轴具有较大的刚度。
高速级齿轮常布置在远离扭矩输入端的一边,以减小因弯曲变形所引起的载荷沿齿宽分布不均现象。
原动机部分为Y系列三相交流异步电动机。
总体来讲,该传动方案满足工作机的性能要求,适应工作条件、工作可靠,此外还结构简单、尺寸紧凑、成本低传动效率高。
结A :216B :178C :89D :38E :80F :10G :33H :132 K :12 AB :280 AC :270 AD :210 HD :315 BB :238 L :235四、传动装置总体传动比的确定及各级传动比的分配1、 总传动比:ia(见课设式2-6)2048960===nnima2、 各级传动比分配: (见课设式2-7)ii i i a321⋅⋅=5.207.362.220⨯⨯==ia初定 62.21=i 07.32=i5.23=i第二部分 V 带设计外传动带选为 普通V 带传动1、 确定计算功率:Pca1)、由表5-9查得工作情况系数1.1=KA2)、由式5-23(机设) k K PwA caP 65.55.51.1=⨯=⋅=2、选择V 带型号查图5-12a(机设)选A 型V 带。
机械设计课程设计计算说明书设计题目:带式输送机班级:设计者:学号:指导老师:日期:2011年01月06日目录一、题目及总体分析 (1)二、选择电动机 (2)三、传动零件的计算 (7)1)带传动的设计计算 (7)2)减速箱的设计计算 (10)Ⅰ.高速齿轮的设计计算 (10)Ⅱ.低速齿轮的设计计算 (14)四、轴、键、轴承的设计计算 (20)Ⅰ.输入轴及其轴承装置、键的设计 (20)Ⅱ.中间轴及其轴承装置、键的设计 (25)Ⅲ.输出轴及其轴承装置、键的设计 (29)键连接的校核计算 (33)轴承的校核计算 (35)五、润滑与密封 (37)六、箱体结构尺寸 (38)七、设计总结 (39)八、参考文献 (39)一、题目及总体分析题目:带式输送机传动装置设计参数:设计要求:1).输送机运转方向不变,工作载荷稳定。
2).输送带鼓轮的传动效率取为。
3).工作寿命为8年,每年300个工作日,每日工作16小时。
设计内容:1.装配图1张;2.零件图3张;3.设计说明书1份。
说明:1.带式输送机提升物料:谷物、型砂、碎矿石、煤炭等;2.输送机运转方向不变,工作载荷稳定;3.输送带鼓轮的传动效率取为;4.工作寿命为8年,每年300个工作日,每日工作16小时。
装置分布如图:二、选择电动机1. 选择电动机类型和结构形式按工作条件和要求选用一般用途的Y 系列三相异步电动机,卧式封闭。
2. 选择电动机的容量电动机所需的工作效率为:dwd P P η=三相电压380V结构和带传动,以及减速箱的传动比,认为选择三、传动零件的计算1)带传动的设计计算2)减速箱的设计计算[1E H u σ ⎝)确定公式内的各计算数值)根据高速级齿轮大小齿轮都为软齿面,两支承相对于小齿轮做不对称布[1E H u σ ⎝2189.84.90mm ⎫= ⎪⎝这样计算出的齿轮传动既满足了齿面接触疲劳强度,又满足了齿根弯曲疲劳[1E H u σ ⎝)根据高速级齿轮大小齿轮都为软齿面,两支承相对于小齿轮做不对称布[1E H u σ ⎝2189.83.60mm ⎫⎪⎝由于 *11(2)(3021) 3.099160a d z h m mm mm mm =+=+⨯⨯=≤*22(2)(10721) 3.0327500a d z h m mm mm mm =+=+⨯⨯=≤所以小齿轮做成实心结构齿轮,大齿轮做成腹板式结构齿轮。
目录第一章绪论第二章课题题目及主要技术参数说明2.1 课题题目2.2 主要技术参数说明2.3 传动系统工作条件2.4 传动系统方案的选择2.5 相关说明第三章减速器结构选择及相关性能参数计算3.1 减速器结构3.2 电动机选择3.3 传动比分配3.4 动力运动参数计算第四章V带的设计计算4.1 V带的相关设计第五章齿轮的设计计算(包括小齿轮和大齿轮)4.1 齿轮材料和热处理的选择4.2 齿轮几何尺寸的设计计算4.2.1 按照接触强度初步设计齿轮主要尺寸4.2.2 齿轮弯曲强度校核4.2.3 齿轮几何尺寸的确定4.3 齿轮的结构设计第六章轴的设计计算(从动轴)5.1 轴的材料和热处理的选择5.2 轴几何尺寸的设计计算5.2.1 按照扭转强度初步设计轴的最小直径5.2.2 轴的结构设计5.2.3 轴的强度校核第七章轴承、键和联轴器的选择6.1 轴承的选择及校核6.2 键的选择计算及校核6.3 联轴器的选择第八章减速器润滑、密封及附件的选择确定以及箱体主要结构尺寸的计算7.1 润滑的选择确定7.2 密封的选择确定7.3减速器附件的选择确定7.4箱体主要结构尺寸计算第九章总结参考文献第一章绪论本论文主要内容是进行一级圆柱直齿轮的设计计算,在设计计算中运用到了《机械设计基础》、《机械制图》、《材料力学》、《理论力学》、《公差与互换性》等多门课程知识,并运用《AUTOCAD》或《Solidworks》软件进行绘图,因此是一个非常重要的综合实践环节,也是一次全面的、规范的实践训练。
通过这次训练,使我们在众多方面得到了锻炼和培养。
(1)培养了我们理论联系实际的设计思想,训练了综合运用机械设计课程和其他相关课程的基础理论并结合生产实际进行分析和解决工程实际问题的能力,巩固、深化和扩展了相关机械设计方面的知识。
(2)通过对通用机械零件、常用机械传动或简单机械的设计,使我们掌握了一般机械设计的程序和方法,树立正确的工程设计思想,培养独立、全面、科学的工程设计能力和创新能力。
机械设计课程设计计算说明书设计题目:带式输送机班级:设计者:学号:指导老师:日期:2011年01月06日目录一、题目及总体分析 (1)二、选择电动机 (2)三、传动零件的计算 (7)1)带传动的设计计算 (7)2)减速箱的设计计算 (10)Ⅰ.高速齿轮的设计计算 (10)Ⅱ.低速齿轮的设计计算 (14)四、轴、键、轴承的设计计算 (20)Ⅰ.输入轴及其轴承装置、键的设计 (20)Ⅱ.中间轴及其轴承装置、键的设计 (25)Ⅲ.输出轴及其轴承装置、键的设计 (29)键连接的校核计算 (33)轴承的校核计算 (35)五、润滑与密封 (37)六、箱体结构尺寸 (38)七、设计总结 (39)八、参考文献 (39)一、题目及总体分析题目:带式输送机传动装置设计参数:设计要求:1).输送机运转方向不变,工作载荷稳定。
2).输送带鼓轮的传动效率取为0.97。
3).工作寿命为8年,每年300个工作日,每日工作16小时。
设计容:1.装配图1;2.零件图3;3.设计说明书1份。
说明:1.带式输送机提升物料:谷物、型砂、碎矿石、煤炭等;2.输送机运转方向不变,工作载荷稳定;3.输送带鼓轮的传动效率取为0.97;4.工作寿命为8年,每年300个工作日,每日工作16小时。
装置分布如图:1. 选择电动机类型和结构形式按工作条件和要求选用一般用途的Y 系列三相异步电动机,卧式封闭。
2. 选择电动机的容量电动机所需的工作效率为:dwd P P η=d P -电动机功率;w P -工作机所需功率;工作机所需要功率为:w FvP 1000=传动装置的总效率为:42d 1234ηηηηηη=按表2-3确定各部分效率:V 带传动效率97.01=η,滚动轴承传动效率20.97η=,三相电压380V2w n 3932183r/min 4)(35)=符合条件的电动机有三种,但综合考虑电动机和传动装置的尺寸,结构和带传动,以及减速箱的传动比,认为选择电动机较为合理。
其主要技术参数如下:同步转速(r/min ) 满载转速(r/min ) 额定转矩堵转转矩1000 960 2三、传动零件的计算1)带传动的设计计算2)减速箱的设计计算 [11E H Z u u σ⎛± ⎝mmmm)根据高速级齿轮大小齿轮都为软齿面,两支承相对于小齿轮做不对称布(课本表10-7)根据配对齿轮材料都是锻钢,由查表得E Z[11E H Z u u σ⎛± ⎝48.1810 4.901189.81 4.90⨯+⎛ ⎝55.9793841000mπ⨯⨯1155.979t d =⨯142,这样计算出的齿轮传动既满足了齿面接触疲劳强度,又满足了齿根弯曲疲劳[11E H Z u u σ⎛± ⎝mmmm)根据高速级齿轮大小齿轮都为软齿面,两支承相对于小齿轮做不对称布[11E H Z u u σ⎛± ⎝53.77710 3.601189.81 3.60⨯+⎛ ⎝91.74678.371000msπ⨯⨯1187.125td=⨯。
87.12524=(2h h==四、轴、键、轴承的设计计算布置图如下(此图主要表现轴的形状,齿轮、键、键槽等和一些交线没有画出)Ⅰ.输入轴的设计计算 1.轴上的功率1P 、转速1n 和转矩1T 。
由电动机的选择可知:m n n 384r/min i I 带== d 01d 1P P P 3.50KW ηηI ===d 01T T i N m 87080N mm ηI ⋅⋅带==87.08=2、求作用在齿轮上的力。
轴(高速级)的小齿轮的直径158d mm =,有112287080300258t d T N mm F N d mm ⨯==≈tan 3002α=在安装从动带轮处作用在轴上压轴力:0min 2()z F ≈001.3()F F =(2)根据轴向定位的要求确定轴的各段直径和长度。
1)初步选择滚动轴承。
因轴承仅承受径向力的作用,故可以采用 深沟球轴承。
参照工作要求并根据min 29.5d mm =,由轴承产品目录中 初步选取0基本游隙组、0级公差等级的深沟球轴承6406,其尺寸 为309023d D B mm mm mm ⨯⨯=⨯⨯,故30A E I H d d mm --==,而23DE GH l l mm ==。
2)为了满足齿轮和轴承的轴向定位要求,AE 右端和IF 左端需制出轴 肩,因为定位轴肩的高度(0.07~0.1)A E h d -=,取0.1A E h d -=,所以36E I d mm -=。
轴的左端用轴端挡圈定位,按轴端直径取挡圈直径为34D mm =,为了保证轴端挡圈只压在从动带轮上的轮毂上不压在轴的端面上的缘故。
3)从动带轮的宽度80B mm =,23DE GH l l mm ==,齿轮的宽度165B mm =。
根 据轴承端盖的装拆及便于对轴承添加润滑脂的要求,取从动带轮右端 与轴承端盖外端面键的距离30B C l mm -=。
轴承端盖的的宽度为20mm 。
所 以: (80302023)153A E l mm mm -=+++=取FG=20mm,EI根据中间轴的设计:EI=(20+95+25)mm=140m(7).按弯扭合成应力校核轴的强度进行校核时,通常只校核轴上的承受最大弯矩和扭矩的截面的强度。
根据教材式(15-5)及上表中的数据,以及轴单向旋转,扭转切应 力为脉动循环变应力,取0.6α=,轴的计算应力:()()()2222332257.4bh d h d d M T M T ca W MPa παασI I I I -++-===前面已选定轴的材料为45钢,调质处理,由教材表15-1查得:[]160a MP σ-=因为:[]1ca σσ-≤ 所以选择轴直径d =30mm 满足要求。
此时:36E I d mm -=Ⅱ.中间轴的设计计算 2827N mm mm≈8921N mm ≈2tan 3463tan 20tan 8921tan 20αα︒︒=⨯≈=⨯≈15-2)初步估算轴的最小直径。
选取轴的钢,调质处理。
根据表15-3装配方案如下图所示,AB 段为轴承,BC 段为套筒,CD 齿轮2,DE 为光轴,EF 为齿轮1,FG 为套筒,GH 轴承,QA 和HP 都是轴承端盖。
(2)根据轴向定位的要求确定轴的各段直径和长度。
1)初步选择滚动轴承。
因轴承仅承受径向力的作用,故可以采用深 沟球轴承。
参照工作要求并根据min 48.0d mm =,由轴承产品目录中初步 选取0基本游隙组、0级公差等级的深沟球轴承6210,其尺寸为: 509020d D B mm mm mm ⨯⨯=⨯⨯,故50A D E H d d mm --==,而20A B G H l l mm --==。
2)为了满足两齿轮的轴向定位要求,CD 右端和EF 左端需制出轴肩, 因为定位轴肩的高度(0.07~0.1)h d =,取0.1h d =,5h mm =所以53D E d mm -=。
3)齿轮1的宽度为面58mm ,齿轮2的宽度为95mm,由输入轴的长度 可知:减速箱的宽度为225mm ,FG =24mm,EF =58mm ,DE =28mm , CD =95mm ,BC =20mm 。
(3)轴上零件的周向定位。
两个齿轮与齿轮的周向定位均采用平键连接。
由教材《机械设计》中 的表6-1得,平键截面149b h mm mm ⨯=⨯,键槽用盘铣刀加工,左端键 长取为90mm ,右端键长取为50mm ,同时为了保证齿轮和轴配合有6、按弯扭合成应力校核轴的强度 进行校核时,通常只校核轴上的承受最大弯矩和扭矩的截面的强度。
根据教材式(15-5)及上表中的数据,以及轴单向旋转,扭转切应力 为脉动循环变应力,取0.6α=,轴的计算应力为:222223()422088(0.6401470)38.90.150ca a a M T MP MP W ασII ++⨯==≈⨯ 前面已选定轴的材料为45钢,调质处理,由教材表15-1查得: []160a MP σ-=。
因此[]1ca σσ-≤,故安全。
Ⅲ.输出轴的设计1、轴上的功率2P 、转速2n 和转矩2T 。
由前面的计算知道:8473N mm ≈tan 8473tan 203084α︒=≈、初步确定轴的最小直径。
按教材《机械设计》式(15-2)初步估算轴的最小直径。
选取轴的钢,调质处理。
根据表2039835mm N mm =应小于联轴器公称转矩的条件,选用6HL 型弹性柱mm 。
半联轴器的孔径70d mm =,半,半联轴器与轴配合的毂长度1107L mm =。
1)拟定轴上零件的装配方案装配方案如下图所示,AB 段为滚动轴承,BC 段为套筒,CD 齿轮,DE 为轴肩,FG 为滚动轴承,GH 为轴承端盖,IJ 为半联轴器和轴 配合。
2)根据轴向定位的要求确定轴的各段直径和长度。
为了满足齿轮和轴承以及联轴器的轴向定位要求,AB 、BD 的右端 和FH 、IJ 的左端需制出轴肩,70I Jd mm -=,因为定位轴肩的高度:(0.07~0.1)h d=,取125,8h mm h mm ==。
所以有:75A B F H d d mm --==,83D E P F d d mm --==,轴的右端用轴端挡圈定位,按轴端直径取挡圈直径为75D mm =,为了 保证轴端挡圈只压在从动带轮上的轮毂上而不压在轴的端面上, 故I-J 段略短于I-K ,取104I J l mm -=。
3)初步选择滚动轴承。
因轴承仅承受径向力的作用,故可以采用深沟球轴承。
参照工作要 求并根据75A B F Hd d mm --==,由轴承产品目录中初步选取0基本游隙组、0级公差等级的深沟球轴承61915,其尺寸为:7510516d D B mm mm mm ⨯⨯=⨯⨯,故16A B F G l l mm --==。
max max 22max 23()440876()160436()440876160436469160T T i N m 1359890N mmH V M N mm M N mmM N mm N mm ηIII II =⋅=⋅=+⋅=⋅⋅⋅齿2==1359.89=2)输出轴的计算简图。
6、按弯扭合成应力校核轴的强度进行校核时,通常只校核轴上的承受最大弯矩和扭矩的截面的强度。
根据教材式(15-5)及上表中的数据,以及轴单向旋转,扭转切应力 为脉动循环变应力,取0.6α=,轴的计算应力为:2222max 3()469160(0.61359890)12.90.190ca a a M T MP MP WασIII ++⨯==≈⨯ 前面已选定轴的材料为45钢,调质处理,由教材表15-1查得:[]160a MP σ-=。