机械设计课程设计计算说明书1
- 格式:doc
- 大小:3.53 MB
- 文档页数:21
机械设计课程设计说明书一、教学目标本课程旨在让学生掌握机械设计的基本原理和方法,培养学生的创新意识和实践能力。
通过本课程的学习,学生将能够:1.理解机械设计的基本概念、原理和流程。
2.掌握机械设计中常用的数学计算和力学分析方法。
3.熟悉机械设计中常用的材料和工艺。
4.能够运用CAD软件进行简单的机械设计。
5.培养学生的创新思维和团队协作能力。
二、教学内容本课程的教学内容主要包括以下几个部分:1.机械设计的基本概念和原理:包括机械设计的目标、原则和方法等。
2.机械设计的数学计算和力学分析:包括尺寸计算、强度计算、运动学分析等。
3.机械设计中的材料和工艺:包括材料的选用、加工方法等。
4.CAD软件在机械设计中的应用:学习如何运用CAD软件进行机械设计。
5.创新设计和团队协作:培养学生的创新思维和团队协作能力。
三、教学方法为了提高教学效果,我们将采用多种教学方法,包括:1.讲授法:通过讲解机械设计的基本概念和原理,使学生掌握相关知识。
2.案例分析法:通过分析典型的机械设计案例,使学生了解机械设计的实际应用。
3.实验法:通过实验,使学生掌握机械设计中的材料和工艺。
4.讨论法:通过分组讨论,培养学生的创新思维和团队协作能力。
四、教学资源为了支持教学内容和教学方法的实施,我们将准备以下教学资源:1.教材:选用权威、实用的教材,为学生提供系统的学习资料。
2.参考书:提供相关的参考书籍,丰富学生的知识体系。
3.多媒体资料:制作精美的多媒体课件,提高学生的学习兴趣。
4.实验设备:准备齐全的实验设备,确保学生能够顺利进行实验操作。
5.CAD软件:为学生提供CAD软件,方便学生进行机械设计实践。
五、教学评估为了全面、客观地评估学生的学习成果,我们将采取以下评估方式:1.平时表现:通过观察学生在课堂上的参与度、提问回答等情况,评估学生的学习态度和理解程度。
2.作业:布置适量的作业,要求学生按时完成,通过作业的完成质量评估学生的掌握程度。
机械设计课程设计计算说明书设计题目:带式输送机的传动装置设计任务序号 2-3专业班学号设计者指导教师目录一、课程设计任务 ............................................................................... - 3 -二、传动装置总体设计 ....................................................................... - 4 -三、传动件设计 ................................................................................... - 8 -四、装配草图设计 ............................................................................. - 18 -五、轴的计算与校核 ......................................................................... - 20 -六、轴承基本额定寿命计算 ............................................................. - 27 -七、键的挤压强度校核计算 ............................................................. - 29 -八、箱体结构的设计 ......................................................................... - 30 -九、设计小结...................................................................................... - 32 - 附件一.................................................................................................. - 33 -一、课程设计任务设计题目:带式输送机的传动装置设计1 。
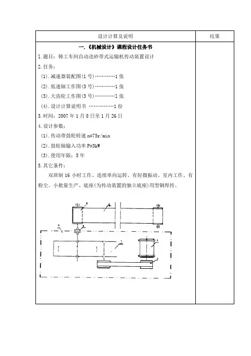
一.《机械设计》课程设计任务书l.题目:铸工车间自动送砂带式运输机传动装置设计2.任务:(1).减速器装配图(1号)…………1张(2).低速轴工作图(3号)…………1张(3).大齿轮工作图(3号)…………l张(4).设计计算说明书……………1份3.时间:2007年1月8日至1月26日4.设计参数:(1).传动带鼓轮转速n=75r/min(2).鼓轮轴输入功率P=3kW(3).使用年限:5年5.其它条件:双班制16小时工作、连续单向运转、有轻微振动、室内工作、有粉尘。
小批量生产、底座(为传动装置的独立底座)用型钢焊抟。
2.2.4选择电动机的型号综合考虑电动机和传动装置的尺寸、重量、价格和带传动、减速器的传动比,可见方案2比较合适。
因此选用电动机型号为Y112M-42.2.5 电动机外形简图和主要安装尺寸电动机外形示意图(1).电动机的主要技术数据表:电动机型号额定功率(kW)电动机转速(r/min) 质量(kg)同步满载Y112M-4 4 1500 1440 43(2).电动机的外型和安装尺寸表:H=112 mm A=190 mm B=140 mm C=70 mm D=28 mmE=60 mm F×GD=8×7 mm G=24 mm K=12 mmAB=245 mm AD=190 mm AC=115 mm HD=265 mm AA=50 mmBB=180 mm HA=15 mm L=400 mm2.3 总传动比的确定和各级传动比的分配2.3.1 理论总传动比i总=n m/n w=1440/75=19.22.3.2各级传动比的分配及其说明取V带传动比:i带=3.5电动机型号Y112M-4i总=19.2i带=3.53.2 低速级齿轮传动设计计算3.2.1 低速级齿轮的设计计算1、齿轮传动设计计算(1)选择齿轮类型、材料、精度等级及齿数[1]选用斜齿圆柱齿轮传动。
[2]选用软齿面、闭式传动。
机械设计课程设计计算阐明书设计题目: 带式输送机旳传动装置设计任务序号 2-3专业班学号设计者指导教师目录一、课程设计任务 .................................................... 错误!未定义书签。
二、传动装置总体设计 ............................................ 错误!未定义书签。
三、传动件设计 ........................................................ 错误!未定义书签。
四、装配草图设计 .................................................... 错误!未定义书签。
五、轴旳计算与校核 ................................................ 错误!未定义书签。
六、轴承基本额定寿命计算 .................................... 错误!未定义书签。
七、键旳挤压强度校核计算 .................................... 错误!未定义书签。
八、箱体构造旳设计 ................................................ 错误!未定义书签。
九、设计小结............................................................. 错误!未定义书签。
附件一......................................................................... 错误!未定义书签。
一、课程设计任务设计题目: 带式输送机旳传动装置设计1 。
传动系统示意图方案2: 电机→带传动→两级展开式圆柱齿轮(斜齿或直齿)减速器→工作机1—电动机;2—带传动;3—圆柱齿轮减速器;4—联轴器;5—输送带;6—滚筒2. 原始数据设计带式输送机传动装置中旳二级圆1 2 3 4 5 6 7 柱齿轮减速器, 原始数据如表所示:皮带旳有效拉力F4000 4500 3000 4000 3000 3200 4200 N输送带工作速度v0.8 0.85 1.20 1.00 1.40 1.30 1.00 m/s输送带滚筒直径d315 355 400 400 355 300 375 mm3. 设计条件1.工作条件: 机械厂装配车间;两班制, 每班工作四小时;空载起动、持续、单向运转, 载荷平稳;2.有效期限及检修间隔:工作期限为8年, 每年工作250日;检修期定为三年;3.生产批量及生产条件:生产数千台, 有铸造设备;4.设备规定: 固定;5.生产厂: 减速机厂。
机械设计课程设计原始资料一、设计题目热处理车间零件输送设备的传动装备二、运动简图图11—电动机2—V带3—齿轮减速器4—联轴器5—滚筒6—输送带三、工作条件该装置单向传送,载荷平稳,空载起动,两班制工作,使用期限5年(每年按300天计算),输送带的速度容许误差为±5%.四、原始数据滚筒直径D(mm):320运输带速度V(m/s):0。
75滚筒轴转矩T(N·m):900五、设计工作量1减速器总装配图一张2齿轮、轴零件图各一张3设计说明书一份六、设计说明书内容1。
运动简图和原始数据2。
电动机选择3. 主要参数计算4. V带传动的设计计算5。
减速器斜齿圆柱齿轮传动的设计计算6. 机座结构尺寸计算7。
轴的设计计算8. 键、联轴器等的选择和校核9。
滚动轴承及密封的选择和校核10。
润滑材料及齿轮、轴承的润滑方法11。
齿轮、轴承配合的选择12。
参考文献七、设计要求1. 各设计阶段完成后,需经指导老师审阅同意后方能进行下阶段的设计;2. 在指定的教室内进行设计.一. 电动机的选择一、电动机输入功率二、电动机输出功率其中总效率为查表可得Y132S—4符合要求,故选用它。
Y132S—4(同步转速,4极)的相关参数表1二。
主要参数的计算一、确定总传动比和分配各级传动比传动装置的总传动比查表可得V带传动单级传动比常用值2~4,圆柱齿轮传动单级传动比常用值为3~5,展开式二级圆柱齿轮减速器。
初分传动比为,,。
二、计算传动装置的运动和动力参数本装置从电动机到工作机有三轴,依次为Ⅰ,Ⅱ,Ⅲ轴,则1、各轴转速2、各轴功率3、各轴转矩表2三 V带传动的设计计算一、确定计算功率查表可得工作情况系数故二、选择V带的带型根据,由图可得选用A型带。
三、确定带轮的基准直径并验算带速1、初选小带轮的基准直径。
查表8—6和8—8可得选取小带轮的基准直径2、验算带速按计算式验算带的速度因为,故此带速合适。
3、计算大带轮的基准直径。
机械设计基础课程设计计算说明书全文共3篇示例,供读者参考机械设计基础课程设计计算说明书1经过两周的奋战我们的课程设计终于完成,在这次课程设计中我学到得不仅是专业的知识,还有的是如何进行团队的合作,因为任何一个作品都不可能由单独某一个人来完成,它必然是团队成员的细致分工完成某一小部分,然后在将所有的部分紧密的结合起来,并认真调试它们之间的运动关系之后形成一个完美的作品。
这次课程设计,由于理论知识的不足,再加上平时没有什么设计经验,一开始的时候有些手忙脚乱,不知从何入手。
在设计过程中,我通过查阅大量有关资料,与同学交流经验和自学,并向老师请教等方式,使自己学到不少知识,也经历不少艰辛,但收获同样巨大。
在整个设计中我懂得许多东西,树立对自己工作能力的信心,相信会对今后的学习工作生活有非常重要的影响。
而且大大提高动手的.能力,使我充分体会到在创造过程中探索的艰难和成功时的喜悦虽然这个设计做的可能不太好,但是在设计过程中所学到的东西是这次课程设计的最大收获和财富,使我终身受益。
在这次课程设计中也使我们的同学关系更进一步,同学之间互相帮助,有什么不懂的大家在一起商量,听听不同的看法对我们更好的理解知识,所以在这里非常感谢帮助我的同学。
在这种相互协调合作的过程中,口角的斗争在所难免,关键是我们如何的处理遇到的分歧,而不是一味的计较和埋怨。
这不仅仅是在类似于这样的协调当中,生活中的很多事情都需要我们有这样的处理能力,面对分歧大家要消除误解,相互理解,增进解,达到谅解。
也许很多问题没有想象中的那么复杂,关键还是看我们的心态,那种处理和解决分歧的心态,因为我们的出发点都是一致的。
经过这次课程设计我们学到很多课本上没有的东西,它对我们今后的生活和工作都有很大的帮助,所以,这次的课程设计不仅仅有汗水和艰辛,更的是苦后的甘甜。
机械设计基础课程设计计算说明书2紧张而辛苦的两周课程设计结束了。
当我快要完成设计的时候感觉全身心舒畅,眼前豁然开朗。
实用标准文档机械设计课程设计原始资料一、设计题目热处理车间零件输送设备的传动装备二、运动简图图11—电动机 2—V带 3—齿轮减速器 4—联轴器 5—滚筒 6—输送带三、工作条件该装置单向传送,载荷平稳,空载起动,两班制工作,使用期限5年(每年按300天计算),输送带的速度容许误差为±5%.四、原始数据滚筒直径D(mm):320运输带速度V(m/s):0.75滚筒轴转矩T(N·m):900五、设计工作量1减速器总装配图一张2齿轮、轴零件图各一张3设计说明书一份六、设计说明书内容1. 运动简图和原始数据2. 电动机选择3. 主要参数计算4. V带传动的设计计算5. 减速器斜齿圆柱齿轮传动的设计计算6. 机座结构尺寸计算7. 轴的设计计算8. 键、联轴器等的选择和校核9. 滚动轴承及密封的选择和校核10. 润滑材料及齿轮、轴承的润滑方法11. 齿轮、轴承配合的选择12. 参考文献七、设计要求1. 各设计阶段完成后,需经指导老师审阅同意后方能进行下阶段的设计;2. 在指定的教室内进行设计.一. 电动机的选择一、电动机输入功率w P60600.75244.785/min 22 3.140.32w v n r Rn π⨯⨯===⨯⨯90044.785 4.21995509550w w Tn P kw ⨯===二、电动机输出功率d P其中总效率为32320.960.990.970.990.960.833v ηηηηηη=⨯⨯⨯⨯=⨯⨯⨯⨯=带轴承齿轮联轴滚筒4.2195.0830.833wd P P kw η=== 查表可得Y132S-4符合要求,故选用它。
Y132S-4(同步转速1440min r ,4极)的相关参数 表1二. 主要参数的计算一、确定总传动比和分配各级传动比传动装置的总传动比144032.1544.785m w n i n ===总 查表可得V 带传动单级传动比常用值2~4,圆柱齿轮传动单级传动比常用值为3~5,展开式二级圆柱齿轮减速器()121.3~1.5i i ≈。
机械设计课程设计计算说明书一、传动方案拟定(1)工作条件:使用年限8年,三班制工作,载荷平稳。
(2)原始数据:滚筒圆周力F=5KN;带速V=1.6m/s;滚筒直径D=500mm。
二、电动机的选择1、电动机类型和结构型式的选择:按已知的工作要求和条件,选用Y系列三相异步电动机。
2、确定电动机的功率:(1)传动装置的总效率:η总=η带×η2轴承×η齿轮×η联轴器×ηw×η搅油=0.96×0.99×0.99×0.97×0.99×0.96×0.98=0.85(2)电机所需的工作功率:Pd=FV/1000η总=5000×1.6/1000×0.85=9.41KW3、确定电动机转速:滚筒轴的工作转速:Nw=60×1000V/πD=60×1000×1.6/π×500=61.15r/min根据推荐的合理传动比范围,取V带传动比i1=2~4,单级圆柱齿轮传动比范围i2=3~6,则合理总传动比i的范围为i=6~24,故电动机转速的可选范围为nd=i×nw=(6~24)×61.15=366.9~1467.6r/min符合这一范围的同步转速有750 r/min和1000r/min。
由《机械设计课程设计手综合考虑电动机和传动装置尺寸、重量、价格和带传动、减速器的传动比,比较两种方案可知:方案1转速、质量适中。
故选择电动机型号Y160L-6。
三、计算总传动比及分配各级的传动比1、总传动比:i总=n电动/n筒=970/61.15=15.862、分配各级传动比(1)取i带=3.17(2)∵i总=i齿×i 带π∴i齿=i总/i带=15.86/3.17=5四、运动参数及动力参数计算1轴(电动机轴)n1=970r/minp0=pd=9.41kwTd=9550×pd/n1=9550×9.41/970=92.64N·m2轴(减速器高速轴)n2=n1/i1=970/3.17=306 r/minP2=P0·n带=9.41×0.96=9.03kwT2=9550·P2/n2=9550×9.03/306=281.82 N·m 3轴(减速器低速轴)N3=n2/i2=306/5=61.2 r/minP3=P2×0.99×0.97×0.98=8.5kwT3=9550·P3/n3=9550×8.5/61.2=1326.39 N·m 4轴(工作轴)N4=n3=61.2 r/minP4=P3×0.99=8.42kwT3=9550·P3/n3=9550×8.42/61.2=1313.91 N·m五、传动零件的设计计算1、皮带轮传动的设计计算(1)选择普通V带截型由已知传送带运动平稳取kA=1.3 P=9.41KWPC=KAP=1.3×9.41=12.23KW据PC=12.23KW和n1=306r/min由课本P136图7-8得:选用A型V带(2)确定带轮基准直径,并验算带速取dd1=160mmdd2=i带dd1(1-ε)=3.17×160×(1-0.02)=497.01mm由课本得取dd2=500mm带速V:V=πdd1n1/60×1000=π×160×970/60×1000=8.12m/s在5~25m/s范围内,带速合适。
机械设计课程设计设计计算说明书设计题目:带式输送机的减速器学院:班级:姓名:学号:指导教师:日期:目录一、设计任务书····································二、传动方案拟定··································三、电机的选择····································四、传动比分配····································五、传动系统运动及动力参数计算·······················六、减速器传动零件的计算····························七、轴及轴承装置设计································八、减速器箱体及其附件的设计·······················九、减速器的润滑与密封方式的选择··················十、设计小结····························一、设计任务书1、设计任务:设计带式输送机的传动系统,采用单级圆柱齿轮减速器和开式圆柱齿轮传动。
机械设计课程设计说明书设计内容——( )专业:班级:姓名:学号:指导老师:吕梁学院学院矿业工程系完成时间:年月日2013 级机械设计制造及其自动化专业《机械设计课程设计》任务书学生姓名:班级:学号:一、设计题目:设计一用于带式运输机上的两级圆柱齿轮减速器二、给定数据及要求已知条件:运输带工作拉力F= 12000 N;运输带工作速度v= m/s(允许运输带速度误差为±5%);滚筒直径D= 450 mm,滚筒长度L=800mm;两班制,连续单向运转,载荷轻微冲击;工作年限5年;环境最高温度350C;小批量生产。
三、应完成的工作1.减速器装配图1张;2.零件工作图2—4张(从动轴、齿轮);3.设计说明书1份。
系主任:教研室负责人:指导教师:发题日期完成日期目录任务书.............................................................................................................................. 第一章机械传动装置的总体设计................................................................................1.1 选择电动机........................................................................................................1.1.1 电动机类型的选择..................................................................................1.1.2 电动机容量的选择..................................................................................1.1.3 电动机转速的选择..................................................................................1.2 传动比的分配....................................................................................................1.3传动系统的运动和动力参数计算.....................................................................1各轴的转速、功率和扭矩计算.....................................................................1.3.2各轴的运动参数表................................................................................... 第二章V带传动的设计..............................................................................................2.1 V带的参数设计.................................................................................................2.2 V带的主要参数表............................................................................................. 第三章齿轮的设计........................................................................................................3.1齿轮传动设计.....................................................................................................3齿轮参数设计.................................................................................................3.1.2齿轮的主要参数表................................................................................... 第四章轴的设计(输入轴)........................................................................................4.1高速轴(输入轴)的设计.................................................................................4.材料的选择和热处理.....................................................................................4..........................................................................................................................4.轴的结构设计并绘制结构草图.....................................................................4.2低速轴(输出轴)的设计.................................................................................4.材料的选择和热处理.....................................................................................4..........................................................................................................................4.轴的结构设计并绘制结构草图.....................................................................4.4低速轴(输出轴)的校核.................................................................................4..........................................................................................................................4.......................................................................................................................... 第五章联轴器的选择....................................................................................................5.1.联轴器的选择和参数......................................................................................... 第六章键联接的选择和计算........................................................................................6.1 键的选择和参数................................................................................................ 第七章滚动轴承的选择................................................................................................7.1轴承的选择......................................................................................................... 第八章箱体结构尺寸....................................................................................................8.1 箱体的结构尺寸................................................................................................ 设计小结.......................................................................................................................... 参考文献.......................................................................................................................... 附表.................................................................................................................................. 附图..................................................................................................................................min参考文献[1] —[2] —附表1 第一章各轴的运动参数表附表2 第二章V带传动的主要参数表附表3第三章齿轮的主要参数表附表4 第八章箱体的结构尺寸表附录16。
第1章机械设计基础课程设计计算说明书1.1 概述1.1.1机械设计课程设计的目的原理及特点(1)通过课程设计实践,树立正确的设计思想,增强创新意识,培养综合运用机械设计基础课程和其他先修课程的理论与生产实际知识去分析与解决机械设计问题的能力;(2)学习机械设计的一般方法,掌握机械设计的一般规律;(3)进行机械设计基本技能的训练,例如计算、绘图、查询设计资料和手册、运用标准和规范等。
1.1.2机械设计课程设计的内容本次机械设计课程设计的内容为带式运输机传动装置,其装置如图1所示。
图1.1带式运输机传动装置简图设计参数:输送带的有效拉力F=1500N,输送线速度v=1.00m/s,卷筒直径d=250mm,载荷平稳,常温下连续运转,工作环境有灰尘,电源为三相交流电,电压为380V。
本次课程设计的工作量:(1) 减速器装配工作图1 张(A0 图纸);(2) 零件工作图2 张(低速轴、轴承透盖,A2 图纸);(3) 设计计算说明书1 份。
1.1.3机械设计课程设计的方法和步骤(1) 设计准备;(2) 传动装置的总体设计;(3) 传动零件的设计计算;(4) 装配草图的设计;(5) 装配工作图的设计;(6) 零件工作图的设计;(7) 撰写设计计算说明书;(8) 设计总结和答辩。
1.1.4机械设计课程设计中应该注意的问题(1) 正确处理参考已有资料与创新的关系;(2) 正确处理设计计算与结构设计和工艺要求等方面的关系;(3) 熟练掌握边画图、边计算、边修改的设计方法,力求精益求精;(4) 正确使用标准和规范;(5) 图纸应符合机械制图规范,说明书要求计算正确,书写工整,内容完整;(6) 要充分发挥主观能动性,要勤于思考、深入专研的学习精神和严肃认真、一丝不苟、有错必改、精益求精的工作态度;(7) 要注意掌握设计进度,保质保量地按期完成设计任务。
1.2 传动方案的拟定采用一级圆柱齿轮减速器,其传动比一般小于6,传递功率可达到数万千瓦,效率较高,工艺简单,精度易于保证,一般工厂均能制造,应用广泛。
机械设计课程设计计算说明书一、传动方案拟定 (3)二、电动机的选择 (4)三、确定传动装置总传动比及分配各级的传动比 (6)四、传动装置的运动和动力设计 (7)五、普通V带的设计 (10)六、齿轮传动的设计 (15)七、传动轴的设计 (18)八、箱体的设计 (27)九、键连接的设计 (29)十、滚动轴承的设计 (31)十一、润滑和密封的设计 (32)十二、联轴器的设计 (33)十三、设计小结 (33)设计题目:单级圆柱齿轮减速器机械系:设计者:学号:指导教师:(一)电动机的设计电动机主要外形和安装尺寸:综合考虑电动机和传动装置的尺寸、重量、价格和带传动、减速器传动比,可见第2方案比较适合。
此选定电动机型号为Y132M2-6,其主要性能:1)计算各轴的转数:Ⅰ轴:nⅠ=nm/ i0=960/4=305.73 (r/min)Ⅱ轴:nⅡ= nⅠ/ i1=305.73/4=76.4 r/min卷筒轴:nⅢ= nⅡ(2)计算各轴的功率:Ⅰ轴:PⅠ=Pd×η01 =Pd×η1综合以上数据,得表如下:(二)V带的设计(三)齿轮的设计综上可知,齿轮的设计参数如下:小齿轮分度圆直径:d1=70mm大齿轮分度圆:d2=340mm中心距a=210mm小齿轮齿宽:b1=70mm大齿轮齿宽:b2=75mm模数m=2(四)主动轴的设计1,齿轮轴的设计(四)从动轴的设计2,齿轮轴的设计(五)轴承计算根据条件,轴承预计寿命(六)键联接的选择根据轴径的尺寸,由课本表8.9可选择主动轴与平带轮联接的键为:平键b×h=8×7,长度系列L=80mm ,GB1096-79,从动轴与齿轮连接的键为:键b×h=14×9,长度系列L=70mm,GB1096-79,从动轴与联轴器的键为:键b×h=14×9长度系列L=63mm,GB1096-79九、润滑与密封1.齿轮的润滑采用浸油润滑,由于为单级圆柱齿轮减速器,速度ν<12m/s,当m<20 时,浸油深度h 约为1个齿高,但不小于10mm。
上海理工大学机械工程学院课程设计说明书减速箱设计计算机械四班杨浩07140003222010/1/22设计题目:设计一带式输送机的传动装置,传动简图如下:工作条件如下:用于输送碎料物体,工作载荷有轻微冲击(使用系数、工况系数),输送带允许速度误差±4%,二班制,使用期限10年(每年工作日300天),连续单向运转,大修期三年(轴承寿命),原始数据为:运输带工作拉力F w(N) 运输带工作速度V w(m/s) 卷筒直径D(mm) 1600 1.1 220一、电动机的选择1.选用电动机1)选择电动机类型按工作要求和工作条件选用Y系列封闭式三相异步电动机。
2)电动机的输出功率P电动机所需的输出功率为:P=kW式中:P w为工作装置所需功率,kW;为由电动机至工作装置的传动装置的总效率。
工作装置所需功率P w应由机器工作阻力和运行速度经计算求得:P w===1.76kW式中:为工作装置的阻力,N;v w为工作装置的线速度,m/s。
由电动机至工作装置的传动装置总效率按下式计算:查《机械设计》表2-4,得:取0.96,取0.995,取0.97,取0.99,取0.97则0.96×0.9952×0.97×0.99×0.97=0.885所以P0==1.99kW3)确定电动机转速工作装置的转速为:n w=60×=95.5r/min由于普通V带轮传动比为:i1≈2~4圆柱齿轮传动比为:i2≈3~5故总的传动比为:i=i1i2≈6~20则电动机所需转速为:n=in w≈(6~20)×95.5=(573~1910)r/min查《机械设计课程设计》表8-184,选取电动机Y112M-6,技术数据如下:型号额定功率P(kW)满载转速n(r/min)质量(kg)Y112M-6 2.2 940 2.0 2.2 45 2.计算传动装置的总传动比及分配各级传动比1)总传动比为:i a===9.842)分配传动比:I a=i外i内考虑减速器结构,故:i外=3 ;i内=3.283.计算传动装置的运动和动力参数1)各轴转速n电=n=940r/minn1==313r/minn2==95r/minn w= n2=95r/min2)各轴输入功率P1=P0带=1.99×0.96≈1.910kWP2=P1齿滚=1.910×0.97×0.995≈1.843kWP w=P2联滚=1.843×0.99×0.995≈1.815kW3)各轴输入转矩T1=9550=9550=58.28N·mT2=9550=9550=185.27N·mT w=9550=9550=182.46N·m电动机轴输出转矩T0=9550=9550=20.22N·m将以上算得的运动和动力参数列表如下:电动机轴1轴2轴工作轴轴名参数转速n(r/min) 940 313 95 95功率P(kW) 1.99 1.910 1.843 1.815转矩T(N·m) 20.22 58.28 185.27 182.46传动比i 3 3.28 10.96 0.965 0.985效率二、V带轮设计1.确定计算功率P ca由《机械设计》表8-7查得工作情况系数K A=1.1,故P ca=K A P=1.1×2.2kW=2.42kW2.选择V带的带型根据P ca、n1由图8-10选用A型。
3.确定带轮的基准直径d d并验算带速v1)初选小带轮的基准直径d d1。
由《机械设计》表8-6和《机械设计》表8-8,取小带轮的基准直径d d1=106mm2)验算带速v。
v==m/s=5.22m/s因为5m/s<v<30m/s,故带速合适。
3)计算大带轮的基准直径。
d d2=id d1=3×106mm=318mm根据《机械设计》表8-8,圆整为d d2=315mm。
4.确定V带的中心距a和基准长度L d1)一般初选带传动的中心距为0.7(d d1+d d2)≤a0≤2(d d1+d d2)式中,a0为初选的带传动中心距,mm。
故0.7(106+315)mm≤a0≤2(106+315)mm即294.7mm≤a0≤842mm初选中心距a0=500mm。
2)计算带所需的基准长度L d0L d0≈2a0+(d d1+d d2)+=[2×500+×(106+315)+]mm≈1683mm由《机械设计》表8-2选带的基准长度L d=1600mm。
3)传动的实际中心距近似为a≈a0+=( 500+)mm≈460mm考虑到带轮的制造误差、带长误差、带的弹性以及因带的松弛而产生的补充张紧的需要,常给出中心距的变动范围故中心距的变化范围为436~508mm。
5.验算小带轮上的包角α1α1≈180︒-=180︒(315-106)≈156︒≥90︒6.计算带的根数z1)计算单根V带的额定功率P r。
由d d1=106mm和n1=940r/min,查《机械设计》表8-4a得P0=1.15kW。
根据n1=940r/min,i=3和A型带,查《机械设计》表8-4b得ΔP0=0.11kW。
=0.93,《机械设计》表8-2得K L=0.99,于是查《机械设计》表8-5得KαP r=( P0+ΔP0)·Kα·K L=(1.15+0.11)×0.93×0.99kW=1.16kW2)计算V带的根数z。
z===2.09取3根。
7.计算单根V带的初拉力和最小值(F0)min由《机械设计》表8-3得A型带的单位长度质量q=0.1kg/m,所以(F0)min=500+qv2=[500×]N=133.16N应使带的实际初拉力F0>(F0)min。
8.计算压轴力F p压轴力的最小值为(F p)min=2z(F0)min sin=2×3×133.16×sin N=781.5N9.带轮结构设计根据《机械设计》表8-6,取带宽75mm。
三、齿轮设计1.选定齿轮类型、精度等级、材料及齿数1)选用斜齿圆柱齿轮传动。
2)由于速度不高,故选用8级精度。
3)材料选择。
由《机械设计》表10-1选择小齿轮材料为40Cr(调质),硬度为280HBS,大齿轮材料为45钢(调质),硬度为240HBS,二者材料硬度差为40HBS。
4)选小齿轮齿数z1=20,大齿轮齿数z2=3.28×20=65.6,取z2=66。
5)选取螺旋角。
初选螺旋角β=14︒。
2.按齿面接触强度设计d1t=(1)确定公式内的各计算数值1)试选载荷系数K t=1.6。
2)由《机械设计》表10-7选取齿宽系数=1。
3)由《机械设计》表10-6查得材料的弹性影响系数Z E=189.8。
4)由《机械设计》图10-21d按齿面硬度查得小齿轮的接触疲劳强度极限σHlim1=600MPa;大齿轮的接触疲劳强度极限σHlim2=550MPa。
5)计算应力循环次数。
N1=60n1jL h=60×940×1×(2×8×300×10)=9.01×108N2===2.75×1086)由《机械设计》图10-19取接触疲劳寿命系数K HN1=1.01,K HN2=1.06。
7)由《机械设计》图10-30选取区域系数Z H=2.433。
8)由《机械设计》图10-26查得=0.750,=0.860则=+=1.61。
9)计算接触疲劳许用应力。
取安全系数S=1,得1==1.01×600MPa=606MPa2==1.06×550MPa=583MPa 则==594.5MPa(2)计算1)试算小齿轮分度圆直径d1t,由计算公式得d1t≥mm=45.00mm2)计算圆周速度。
v==m/s=2.21m/s3)计算齿宽b及模数m nt。
b=d1t=1×45mm=45mmm nt===2.18mmh=2.25 m nt=2.25×2.18=4.91mmb/h=45/4.91=9.164)计算纵向重合度εβ。
=0.318z1tanβ=0.318×1×20×tan14︒=1.59εβ5)计算载荷系数K。
由《机械设计》表10-2查得使用系数K A=1.25;根据v=2.21m/s,8级精度,由《机械设计》图10-8查得动载系数K v=1.1;由《机械设计》表10-4查得K Hβ=1.466;由《机械设计》图10-13查得K Fβ1.35;由《机械设计》表10-3查得K Hα=K Fα=1.2。
故载荷系数K=K A K v K HαK Hβ=1.25×1.1×1.2×1.466=2.426)按实际的载荷系数校正所算得的分度圆直径,得d1= d1t=45×mm=51.65mm7)计算模数m n。
m n== 2.51mm3.按齿根弯曲强度设计m n≥(1)确定计算参数1)计算载荷系数。
K=K A K v K FαK Fβ=1.25×1.1×1.2×1.35=2.232)由《机械设计》图10-20c查得小齿轮的弯曲疲劳强度极限σFE1=500MPa;大齿轮的弯曲疲劳强度极限σFE2=380MPa。
3)由《机械设计》图10-18取弯曲疲劳寿命系数K FN1=0.85,K FN2=0.92。
4)计算弯曲疲劳许用应力。
取弯曲疲劳安全系数S=1.4,得===303.57MPa===244.29MPa5)根据纵向重合度εβ=1.59,从《机械设计》图10-28查得螺旋角影响系数Yβ=0.886)计算当量齿数。
z v1===21.89z v2===72.257)查取齿形系数。
由《机械设计》表10-5查得Y Fa1=2.72;Y Fa2=2.248)查取应力校正系数。
由《机械设计》表10-5查得Y Sa1=1.57;Y Sa2=1.759)计算大、小齿轮的并加以比较。
==0.01407==0.01605。
(2)设计计算m n≥mm=1.75mm对比计算结果,由齿面解除疲劳强度计算的法面模数m n大于由齿根弯曲疲劳强度计算的法面模数,取m n=2.0mm,已可满足弯曲强度。
但为了同时满足接触疲劳强度,需按接触疲劳强度算得分度圆直径d1=51.65mm来计算应有的齿数。
于是由z1==25.05取z1=25,则z2=uz1=3.2825=82。
4.几何尺寸计算(1)计算中心距a===110.28mm将中心距圆整为110mm。
(2)按圆整后的中心距修正螺旋角β=arccos=arccos=13︒24’43”因β值改变不多,故参数、K、Z H等不必修正。