内力组合
- 格式:doc
- 大小:10.26 MB
- 文档页数:24
九 内力组合本章中单位统一为:弯矩kN∙m ,剪力kN ,轴力kN 。
根据前面第四至八章的内力计算结果,即可进行框架各梁柱各控制截面上的内力组合,其中梁的控制截面为梁端柱边及跨中,由于对称性,每层梁取5个控制截面。
柱分为边柱和中柱,每根柱有2个控制截面。
内力组合使用的控制截面标于下图。
(一)梁内力组合1.计算过程见下页表中,弯矩以下部受拉为正,剪力以沿截面顺时针为正 注:(1)地震作用效应与重力荷载代表值的组合表达式为:Eh G E 3S .12S .1S +=其中,S GE 为相应于水平地震作用下重力荷载代表值效应的标准值。
而重力荷载代表值表达式为:∑=+=n1i ik Qi k Q G G ψG k ——恒荷载标准值; Q ik ——第i 个可变荷载标准值;ΨQi ——第i 个可变荷载的组合之系数,屋面活荷载不计入,雪荷载和楼面活荷载均为0.5。
考虑到地震有左震和右震两种情况,而在前面第八章计算地震作用内力时计算的是左震作用时的内力,则在下表中有 1.2(①+0.5②)+1.3⑤和1.2(①+0.5②)-1.3⑤两列,分别代表左震和右震参与组合。
(2)因为风荷载效应同地震作用效应相比较小,不起控制作用,则在下列组合中风荷载内力未参与,仅考虑分别由恒荷载和活荷载控制的两种组合,即1.35①+1.4×0.7③和1.2①+1.4③两列。
ABC D123452211梁内力组合计算表梁内力组合计算表(续)梁内力组合计算表(续)2.根据上表计算所得的弯矩值计算V b ,并同上表的结果比较得梁剪力设计值V ,计算过程见下表 计算公式为:G b n r b l b vb bV l /)M M (V ++=η梁剪力设计值计算表(二)柱内力组合1.计算过程见下表,弯矩以顺时针为正,轴力以受压为正柱内力组合计算表2.根据上表计算所得的弯矩值计算柱剪力设计值,计算见下表计算公式为:n rc l c vc c H /)M M (V +=η(1.1vc =η)3.根据以上计算结果,由式∑∑>b c c M M η验算强柱弱梁,若不满足,则由∑∑=b c cM Mη调整柱端弯矩设计值(ηc =1.1)计算过程见下表(M’cb 和M ’c 分别为调整后的柱端弯矩设计值)(三)内力设计值汇总1.梁内力设计值汇总2.柱内力设计值汇总。
7 内力组合及内力调整7.1内力组合各种荷载情况下的框架内力求得后,根据最不利又是可能的原则进行内力组合。
当考虑结构塑性内力重分布的有利影响时,应在内力组合之前对竖向荷载作用下的内力进行增幅。
分别考虑恒荷载和活荷载由可变荷载效应控制的组合和由永久荷载效应控制的组合,并比较两种组合的内力,取最不利者。
由于构件控制截面的内力值应取自支座边缘处,为此,进行组合前,应先计算各控制截面处的(支座边缘处的)内力值。
1)、在恒载和活载作用下,跨间max M 可以近似取跨中的M 代替,在重力荷载代表值和水平地震作用下,跨内最大弯矩max M 采用解析法计算:先确定跨内最大弯矩max M 的位置,再计算该位置处的max M 。
当传到梁上的荷载为均布线荷载或可近似等效为均布线荷载时,按公式7-1计算。
计算方式见图7-1、7-2括号内数值,字母C 、D 仅代表公式推导,不代表本设计实际节点标号字母。
2max182M M M ql +≈-右左 且满足2max 116M ql = (7-1) 式中:q ——作用在梁上的恒荷载或活荷载的均布线荷载标准值;M 左、M 右——恒载和活载作用下梁左、右端弯矩标准值;l ——梁的计算跨度。
2)、在重力荷载代表值和地震作用组合时,左震时取梁的隔离体受力图,见图7-1所示, 调幅前后剪力值变化,见图7-2。
图7-1 框架梁内力组合图图7-2 调幅前后剪力值变化图中:GC M 、GD M ——重力荷载作用下梁端的弯矩; EC M 、CD M ——水平地震作用下梁端的弯矩C R 、D R ——竖向荷载与地震荷载共同作用下梁端支座反力。
左端梁支座反力:()C 1=2GD GC EC ED ql R M M M M l--++;由0M ddx=,可求得跨间max M 的位置为:1C /X R q = ; 将1X 代入任一截面x 处的弯矩表达式,可得跨间最大弯矩为: 弯矩最大点位置距左端的距离为1X ,1=/E X R q ;()101X ≤≤; 最大组合弯矩值:2max 1/2GE EF M qX M M =-+;当10X <或11X >时,表示最大弯矩发生在支座处,取1=0X 或1=X l ,最大弯矩组合设计值的计算式为:2max C 11/2GE EF M R X qX M M =--+; 右震作用时,上式中的GE M 、EF M 应该反号。
第7章 框架结构的内力组合§7.1框架结构梁内力组合§7.1.1. 框架结构梁的内力组合在竖向荷载作用下,可以考虑梁端塑性变形内力重分布而对梁端负弯距进行调幅,调幅系数为现浇框架:0.8-0.9,本设计取0.85。
计算结果见表7-1 横梁弯矩调幅。
由于风荷载作用下的组合与考虑地震组合相比,一般较小,对于结构设计不起控制作用,故不考虑。
只考虑以下三种组合形式: 一.由可变荷载效应控制的组合:1.2 1.4QK QKS S S =+(71)-二.由永久荷载效应控制的组合:1.35 1.40.7QK QK S S S =+⨯⨯ (72)-三.竖向荷载与水平地震作用下的组合:1.2(0.5) 1.3QK QK EK S r S S =+⨯+ (73)-具体组合过程见表7.2,其中弯矩KN.m ,剪力KN ,弯矩的上部受拉为负,剪力的产生顺时针为正。
表7-1 横梁弯矩调幅§7.1.2 梁端弯矩控制值梁的支座截面考虑了柱支撑宽度的影响,按支座边缘截面的弯矩计算,即:`/2=-⨯(7-4),M M V b式中:M为梁内力组合表中支座轴线的弯矩值;V为相应的支座剪力;b为相应的柱的宽度;计算结果见表7-3表7-3 梁端弯矩控制值§7.1.3梁端截面组合的剪力设计值调整为防止梁在弯曲屈服前发生剪切破坏,即保证“强剪弱弯”截面设计须对有地震作用的组合剪力设计值按(7-5)进行调整。
()/lr vb b b n GB V M M l V η=-+ (7-5)式中:n l 为梁的净跨;GB V :为梁的重力荷载代表值,按简支梁分析的梁端截面剪力设计值;,l r b b M M :分别为梁左右净截面,逆时针或顺时针方向的弯矩设计值;vb η:为梁端剪力增大系数,对于二级框架取1.2 计算结果见表7-4§7.2框架结构柱的内力组合§7.2.1框架结构柱的内力组合柱上端控制值截面在梁底,下端在梁顶,应按轴线计算简图所得的柱端内力值换成控制截面的相应值,此计算为简化起见,采用轴线处内力值。
框架梁内力组合考虑了三种内力组合,wk Gk 4S .12S .1 这种内力组合与考虑地震作用的组合相比一般较小,对结构设计不起控制作用,故不予考虑。
对于活荷载作用下的跨中弯矩M 还乘以弯矩调幅系数1.1,再进行内力组合。
各层梁的内力组合结果见表。
表中Gk S ,Qk S 两列中的梁端弯矩M 为经过调幅后的弯矩(调幅系数取0.9)。
框架柱内力组合框架柱在恒荷载、活荷载作用下的轴力应包括纵向框架梁、横向框架梁传来的剪力和框架传来的剪力和框架柱自重。
框架梁内力组合表梁 截面 内力 恒荷载 活荷载 风荷载 1.35恒+1.4x0.7活1.2恒 +1.4活 +1.4x0.6风 1.2恒+1.4x0.7活+1.4风E2B2 E2B2M -43.21 -4.45 -1.47 -62.69 -59.32 -58.27V 37.93 13.32 0.13 64.26 64.27 58.75跨中 M 92.46 31.59 0.23 155.78 155.37 142.23B2E2M -94.17 -15.27 -1.01 -142.09 -135.23 -129.38V 69.39 15.98 0.19 109.34 105.80 99.19 B2A2 B2A2M -74.03 -14.60 -0.46 -114.25 -109.66 -103.79V 51.78 12.34 0.25 82.00 79.62 74.58跨中 M 16.15 6.74 0.51 28.41 29.24 26.70A2B2M -23.99 -5.73 -1.47 -38.00 -38.04 -36.46V 35.10 9.38 0.08 56.58 55.32 51.42 E1B1 E1B1M -71.53 -5.41 -6.10 -101.87 -98.53 -99.68V 90.99 13.39 0.46 135.96 128.32 122.95跨中 M 137.18 30.88 1.17 215.46 208.83 196.52B1E1M -166.57 -15.61 -3.76 -240.17 -224.90 -220.45V 114.45 15.91 0.75 170.10 160.24 153.98 B1A1 B1A1M -139.07 -15.08 -2.34 -202.52 -189.96 -184.94V 96.88 11.03 1.02 141.60 132.55 128.49跨中 M 63.43 16.10 1.88 101.41 100.24 94.53A1B1M -46.24 -6.94 -4.63 -69.23 -69.09 -68.77V 65.93 8.32 0.39 97.16 91.09 87.82框架柱内力组合表柱截面 内力 恒荷载 活荷载 风荷载 1.35恒+1.4x0.7活 1.2恒+1.4活+1.4x0.6风 1.2恒+1.4x0.7活+1.4风E2E1上M 43.21 4.45 1.47 62.69 59.32 58.27 N 59.19 13.32 0.13 92.96 89.79 84.26 下 M 48.68 3.74 1.47 69.38 64.89 64.14 N 59.19 13.32 0.13 92.96 89.79 84.26 E1E0上M 22.86 1.67 4.63 32.50 33.66 35.55 N 190.57 26.71 0.59 283.45 266.57 255.69 下 M 11.43 0.84 9.26 16.25 22.67 27.50 N 190.57 26.71 0.59 283.45 266.57 255.69 B2B1上M 20.13 0.66 1.47 27.82 26.31 26.86 N 146.63 28.32 0.43 225.70 215.97 204.31 下 M 18.90 0.38 1.47 25.89 24.45 25.11 N 146.63 28.32 0.43 225.70 215.97 204.31 B1B0上M 8.60 0.15 4.63 11.76 14.42 16.95 N 384.78 55.26 2.20 573.61 540.95 518.97 下 M 4.30 0.08 9.26 5.88 13.05 18.20 N 384.78 55.26 2.20 573.61 540.95 518.97 A2A1上M 23.99 5.73 1.47 38.00 38.04 36.46 N 56.38 9.38 0.08 85.31 80.86 76.96 下 M 31.86 5.15 1.47 48.06 46.68 45.34 N 56.38 9.38 0.08 85.31 80.86 76.96 A1A0上M 14.35 1.77 4.63 21.11 23.59 25.44 N 162.86 17.70 0.47 237.21 220.61 213.44 下M 7.18 0.09 9.26 9.78 16.52 21.67 N162.86 17.70 0.47 237.21 220.61 213.44截面设计1框架梁配筋计算21c C 30,H R B335α=1.0,f =14.3N /m m ,混凝土钢筋级,22t y f =1.43N/mm ,f =300N/mm ,ξ=0.550由于计算过程较复杂,在框架梁截面设计时,一般近似将框架梁视为矩形.E2B2梁 bxh=250x650(1)跨中正截面m ax 155.78.M K N m =062221040,65040610155.78100.117N /m m ,1.014.3250610s s s c f m m h h m m Mf b h αααα'==-=-=⨯===⨯⨯⨯10.1250.550bξξ=-=<=2s 1010.12514.3250610A /909300c f y f b h f m mξα'⨯⨯⨯⨯===验算适用条件:9090.59%0.2%250610s oA b h ρ===>⨯⨯满足要求。
7 内力组合及内力调整7.1内力组合各种荷载情况下的框架内力求得后,根据最不利又是可能的原则进行内力组合。
当考虑结构塑性内力重分布的有利影响时,应在内力组合之前对竖向荷载作用下的内力进行增幅。
分别考虑恒荷载和活荷载由可变荷载效应控制的组合和由永久荷载效应控制的组合,并比较两种组合的内力,取最不利者。
由于构件控制截面的内力值应取自支座边缘处,为此,进行组合前,应先计算各控制截面处的(支座边缘处的)内力值。
1)、在恒载和活载作用下,跨间max M 可以近似取跨中的M 代替,在重力荷载代表值和水平地震作用下,跨内最大弯矩max M 采用解析法计算:先确定跨内最大弯矩max M 的位置,再计算该位置处的max M 。
当传到梁上的荷载为均布线荷载或可近似等效为均布线荷载时,按公式7-1计算。
计算方式见图7-1、7-2括号内数值,字母C 、D 仅代表公式推导,不代表本设计实际节点标号字母。
2max182M M M ql +≈-右左 且满足2max 116M ql = (7-1) 式中:q ——作用在梁上的恒荷载或活荷载的均布线荷载标准值;M 左、M 右——恒载和活载作用下梁左、右端弯矩标准值;l ——梁的计算跨度。
2)、在重力荷载代表值和地震作用组合时,左震时取梁的隔离体受力图,见图7-1所示, 调幅前后剪力值变化,见图7-2。
图7-1 框架梁内力组合图图7-2 调幅前后剪力值变化图中:GC M 、GD M ——重力荷载作用下梁端的弯矩; EC M 、CD M ——水平地震作用下梁端的弯矩C R 、D R ——竖向荷载与地震荷载共同作用下梁端支座反力。
左端梁支座反力:()C 1=2GD GC EC ED ql R M M M M l--++;由0M ddx=,可求得跨间max M 的位置为:1C /X R q = ; 将1X 代入任一截面x 处的弯矩表达式,可得跨间最大弯矩为: 弯矩最大点位置距左端的距离为1X ,1=/E X R q ;()101X ≤≤; 最大组合弯矩值:2max 1/2GE EF M qX M M =-+;当10X <或11X >时,表示最大弯矩发生在支座处,取1=0X 或1=X l ,最大弯矩组合设计值的计算式为:2max C 11/2GE EF M R X qX M M =--+; 右震作用时,上式中的GE M 、EF M 应该反号。
5.7 内力组合: 5.7.1 确定抗震等级:结构抗震等级应根据烈度、结构类型和房屋高度确定。
对于框架—剪力墙结构,还应判别总框架承受的地震倾覆力矩是否大于总地震倾覆力矩(0M )的50%,为此,应计算总框架承受的地震倾覆力矩(0v M )。
由前表得:1001111417.037v fii i M Vh KN m ==⋅=∑0235322.937311.55240.5247940.793M KN m =+⨯=则有:0011417.0130.0.4490.50247940.793v M M ==< 因此,本工程应按框架—剪力墙结构中的框架确定抗震等级,查规范得本工程的框架抗震等级为三级,剪力墙抗震等级为二级。
5.7.2 组合表见附录 5.8 截面设计: 5.8.1 内力调整:对第1、7、9层构件内力进行调整,且为实现大震不倒的目标仅对有地震力参与的内力进行调整.5.8.1.1 强柱弱梁的调整——放大柱端弯矩顶层柱柱端弯矩不必放大,一层柱下端直接乘以放大系数1.15,其余层柱对轴压比0.15≥的进行柱端弯矩放大,放大系数 1.1c η=。
下面以第7层A 柱上端截面为例说明计算方法,其余计算过程从略,计算结果见表1-47。
柱轴压比31803.71100.310.1519.1550550c Nf A μ⨯===>⨯⨯,可见需调整内力' 1.1421.30463.43224.79''463.43260.61224.79174.94174.94''463.43202.82224.79174.94ccbcb cb c cb ct ct ct c cb ct MMKN mM M M KN m M M M M M KN mM M η==⨯===⨯=++==⨯=++∑∑∑∑表1-47 强柱弱梁内力调整计算表)m调整后-189.80 表中:弯矩正、负号同内力组合值。
5.4 内力组合《抗震规范》第5.4条规定如下。
5.4截面抗震验算5.4.1 结构构件的地震作用效应和其他荷载效应的基本组合,应按下式计算:G GE Eh Ehk Ev Evk w w wkS S S S S γγγψγ=+++ (5.4.1)式中: S ——结构构件内力组合的设计值,包括组合的弯矩、轴向力和剪力设计值;γG ——重力荷载分项系数,一般情况应采用1.2,当重力荷载效应对构件承载能力有利时,不应大于1.0; γEh 、γEv ——分别为水平、竖向地震作用分项系数,应按表5.4.1 采用; γw ——风荷载分项系数,应采用1.4;s GE ——重力荷载代表值的效应,有吊车时尚应包括悬吊物重力标准值的效应; s Ehk ——水平地震作用标准值的效应,尚应乘以相应的增大系数或调整系数; s Evk ——竖向地震作用标准值的效应,尚应乘以相应的增大系数或调整系数; s wk ——风荷载标准值的效应 ;ψw ——风荷载组合值系数,一般结构取0.0,风荷载起控制作用的高层建筑应采用0.2。
注:本规范一般略去表示水平方向的下标。
表5.4.1 地震作用分项系数5.4.2 结构构件的截面抗震验算,应采用下列设计表达式:RE RS γ=式中: γRE ——承载力抗震调整系数,除另有规定外,应按表5.4.2采用;R ——结构构件承载力设计值。
表5.4.2 承载力抗震调整系数5.4.3 当仅计算竖向地震作用时,各类结构构件承载力抗震调整系数均宜采用1.0。
本次毕业设计,各截面不同内力的承载力抗震调整系数取值如下表结构安全等级设为二级,故结构重要性系数为0 1.0γ=根据《建筑结构荷载规范》和《建筑抗震设计规范》,组合三种工况:恒荷载控制下、活荷载控制下和有地震作用参加的组合。
其具体组合方法如下: 恒荷载控制下:Gk Qk S 1.35S 1.40.7S =+⨯ 活荷载控制下:Gk Qk S 1.2S 1.4S =+有地震作用参加的:Gk Qk Ehk S 1.2(S 0.5S ) 1.3S =+± Gk Qk Ehk S 1.0(S 0.5S ) 1.3S =+±对柱进行非抗震内力组合时,根据规范,对活载布置计算的荷载进行折减,折减系数由上而下分别为 1.0,0.85,0.85,0.7,0.7。
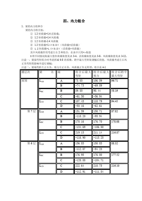
四、内力组合
1、梁的内力组和合
梁的内力组合按:
① 1.2恒荷载+1.4活荷载;
② 1.2恒荷载+1.4风荷载
③ 1.2恒荷载-1.4风荷载
④ 1.2恒荷载+1.4×0.8×(风荷载+活荷载)
⑤ 1.2恒荷载+1.4×0.8×(活荷载-风荷载)
其中风荷载作用考虑左右2种组合,在表中只用+.-取值
5种不同情况取最大值恒荷载取值见表3-4,活荷载取值见表3-8,风荷载取值见表3-12;注意一:梁端弯矩组合时考虑折减0.8的系数,跨中最大弯矩取调幅后的值,风荷载考虑左右风正负弯矩的影响不进行调幅;
注意二:梁端弯距左正右负,剪力左正右负,风荷载正负无所谓;组合表4-1
2、柱的内力组合
柱的轴力计算:N=P+V,N柱顶=N上柱底+V上层梁,N柱底=N柱顶+P
P为结点集中荷载加柱自重
V为主梁传给柱的剪力
柱A的内力组合: 表4-2
柱B的内力组合:表4-3
柱C的内力组合:表3-4。
附录2 内力组合表附录2.1 框架梁的内力组合表层次截面内力S GK S QKS EK S EK组合一组合二组合三组合四组合五组合六组合七组合八组合九组合十组合十一组合十二组合十三剪力调整左风右风左震右震一层AM -92.23-24.57(-24.74)43.80 -27.30 160.80 -171.40 -145.06 -49.35 -148.89 -86.43 -176.02 -111.79 -171.51 -30.91 -130.45 62.65 -261.25 78.34 -245.56144.04 V94.1024.4(24.4)-10.40 6.50 -38.30 40.90 147.08 98.36 122.02 130.56 151.85 142.21 156.41 79.54 103.20 66.10 153.62 48.03 135.55跨中M120.4835.52(35.64)2.65 -1.65 9.50 -10.10 194.30 148.29 142.27 192.67 187.25 199.68 196.07 124.19 118.17 133.73 114.62 112.99 93.88B左M-110.84-31.03(-30.77)-38.50 24.00 -141.80 151.20 -176.44 -186.91 -99.41 -220.61 -141.86 -212.38 -159.88 -164.74 -77.24 -251.86 33.82 -232.92 52.75 V99.6026.3(26.2)-10.40 6.50 -38.30 40.90 156.34 104.96 128.62 139.55 160.85 151.50 165.69 85.04 108.70 72.63 160.15 53.47 140.99B右M-20.91-5.78(-5.36)21.10 -13.20 77.50 -82.90 -33.18 4.45 -43.57 -5.79 -49.01 -16.17 -44.98 8.63 -39.39 54.33 -102.06 57.87 -98.52121.80 V23.905.8(4.7)-18.90 11.50 -69.40 74.30 36.80 2.22 44.78 12.17 50.48 22.07 47.61 -2.56 40.00 -49.91 108.88 -54.37 104.41跨中M 1.20-0.36(-1.08)-2.60 1.65 -9.45 10.15 0.94 -2.20 3.75 -2.29 3.07 -0.92 2.65 -2.44 3.51 -8.62 10.49 -8.72 10.39CM-0.17-0.255(-0.77)-26.30 16.50 -96.40 103.20 -0.56 -37.02 22.90 -33.66 20.26 -22.57 13.38 -36.99 22.93 -93.80 100.81 -93.83 100.78 V 3.700.1(1.1)-18.90 11.50 -69.40 74.30 4.58 -22.02 20.54 -19.25 19.06 -10.78 14.75 -22.76 19.80 -72.35 86.44 -73.07 85.71二层AM-89.17-24.31(-24.99)31.50 -19.70 137.20 -142.80 -141.03 -62.90 -134.58 -97.94 -162.45 -117.74 -160.74 -45.07 -116.75 42.28 -230.72 57.53 -215.48110.30 V93.8024.4(24.4)-7.60 4.70 -32.90 34.30 146.72 101.92 119.14 133.73 149.23 144.16 154.49 83.16 100.38 71.77 146.02 53.75 128.00跨中M123.6036(35.28)1.55 -1.00 7.10 -7.35 198.72 150.49 146.92 195.63 192.42 203.44 201.30 125.77 122.20 134.04 119.95 112.85 98.76B左M-109.57-30.77(-31.03)-28.40 17.70 -123.00 128.10 -174.56 -171.24 -106.70 -206.03 -147.95 -201.92 -163.20 -149.33 -84.79 -232.49 12.33 -213.73 31.09 V99.9026.3(26.2)-7.60 4.70 -32.90 34.30 156.70 109.24 126.46 143.44 158.94 154.26 164.59 89.26 106.48 78.91 153.16 59.70 133.95B右M-22.95-6.035(-5.19)15.20 -9.50 66.10 -68.90 -35.99 -6.26 -40.84 -15.99 -47.11 -24.13 -44.88 -1.67 -36.25 41.46 -90.17 45.29 -86.33101.40 V25.60 6(4.6) -13.40 8.30 -58.40 60.90 39.12 11.96 42.34 21.40 48.74 29.18 47.41 6.84 37.22 -5.95 95.75 -40.82 91.01跨中M 2.28-0.48(-0.96)-1.60 1.00 -7.05 7.35 2.06 0.50 4.14 0.12 3.39 1.26 3.45 0.04 3.68 -5.25 8.79 -5.52 8.52CM-1.190.34(0.68)-18.40 11.50 -80.20 83.60 -0.95 -27.19 14.67 -24.18 13.49 -16.73 8.39 -26.95 14.91 -78.96 80.75 -78.83 80.87 V 2.00 0.3 (1) -13.40 8.30 -58.40 60.90 2.82 -16.36 14.02 -14.11 13.24 -8.26 9.97 -16.76 13.62 -61.98 69.84 -62.41 69.42注:表中组合一到组合十三的荷载组合式子以及剪力的调整见计算书的4.6.2节()中的数值为雪荷载作用下的内力;弯矩M的单位为kN·m,剪力V的单位为kN。
3.4内力组合
为了进行预应力钢束的计算,在不考虑预加力引起的结构次内力及混凝土收缩徐变次内力的前提下,按《通规》第4.1.6条和4.1.7条规定,根据可能出现的荷载进行第一次内力组合。
3.4.1 按承载能力极限状态设计
基本组合。
永久作用的设计效应和可变作用设计值效应相组合,其效应组合表达式为:
式中:——承载能力极限状态下作用基本组合的效应泽合设计值;
——结构重要性系数,按《通规》表1.0.9规定的结构设计安全等级采用,对应于设计安全等级一级、二级、三级分别
取1.1、1.0、0.9;
——第i个永久作用效应的分项系数,应按《通规》表4.1.6的规定采用;
——第i个永久作用效应的标准值和设计值;
——汽车荷载效应(含汽车冲击力、离心力)的分项系数取rq1=1.4;
——汽车荷载效应(含汽车冲击力、离心力)的标准值和设计值;
——作用效应组合中除汽车荷载效应(含汽车冲击力、离心力)、风荷载外的其他第j个可变作用效应的分项系数,
取rq1=1.4,但风荷载的分项系数去rq1=1.1;
——作用效应组合中除汽车荷载效应(含汽车冲击力、离心力)
外的其他第j个可变作用效应的标准值和设计值;
——作用效应组合中除汽车荷载效应(含汽车冲击力、离心力)外的其他可变作用效应的组合系数,取值见《通规》第
4.1.6条。
根据《通规》第4.1.6条规定,各种作用的分项系数取值如下:
结构重要性系数取。
5.2梁的内力组合首先要确定好构件的控制截面。
对于梁,其控制截面为梁端和跨中;对于柱子,其控制截面在柱底及柱顶。
考虑到对称的因素,每层梁的控制截面只需选取1、2、3、4、5个控制截面柱子选取6、7两个控制截面,具体选取如下:为了使表格制作的更美观简洁,下面将比较繁琐的文字叙述替换成字母:A=1.2*×恒荷载+1.4×活荷载B=1.2×恒载+0.9×1.4×(活荷载+左风荷载)C=1.2×恒载+0.9×1.4×(活荷载+右风荷载)D=1.35×恒载+0.7×1.4×活荷载E=1.2×(恒载+0.5×活载)+1.3×地震作用F=1.2×(恒载+0.5×活载)+1.3×地震作用梁的内力设计值如下表所示:首层梁内力组合(单位:弯矩KN.M,剪力KN)5.3柱的内力组合首层柱内力组合(单位:弯矩KN.M,轴力KN,剪力KN)二层柱内力组合(单位:弯矩KN.M,轴力KN,剪力KN)三层柱内力组合(单位:弯矩KN.M,轴力KN,剪力KN)四层柱内力组合(单位:弯矩KN.M,轴力KN,剪力KN)顶层柱内力组合(单位:弯矩KN.M,轴力KN,剪力KN)5.4 内力最不利组合设计由以上各种内力组合可得各层梁、柱的最大组合内力设计值,如下表:5.5内力调整为了保证框架结构具有满足工程要求的抗震性能,考虑到框架结构强柱弱梁、强剪弱弯、强结点弱构件的抗震设计原则,保证梁端的破坏要先于柱端的破坏,弯曲破坏要先于剪切破坏,构件的破坏要先于节点的破坏,因此应对以上最大内力组合设计值进行调整。
1 首先根据强柱弱梁原则对梁柱端弯矩进行内力调整。
⑴框架柱上、下端的截面弯矩设计值按下式计算:∑∑=b cM M1.1且不应小于由公式算得的Mc 值。
(其中,∑M c 为节点上下柱端截面顺时针或反时针方向组合的弯矩设计值之和∑M b 为节点左右梁端截面反时针或顺时针方向组合的弯矩设计值之和,当节点左右梁端的弯矩均为负时,绝对值较小的弯矩应取零。
内力组合一、框架梁内力组合1.梁控制截面内力标准值下表是一层至六层梁在恒荷载、活荷载和风荷载标准值作用下,梁支座中心处及支座边缘处(控制截面)的弯矩值和剪力值,其中支座中心处的弯矩和剪力值以在内力计算中算出,支座边缘处的弯矩值和剪力值按下述方法计算:(1) 在均布荷载作用下时2b V M M b ⋅-=, 2b q V V b ⋅-= (2) 在三角形荷载作用下时 2b V M M b ⋅-=, 22b q V V b ⋅-= (3) 在风荷载作用下时 2b V M M b ⋅-=, V V b =式中: 2b ——梁支座宽度(柱截面高度)的一半; 在恒荷载作用下,第六层B 支座边缘处的内力为m KN b V M M b ⋅-=⨯+-=⋅-=4.67255.03.634.842 222122041b l b q b q V b q V V b ⋅⋅⋅-⋅-=⋅-=KN 9.61255.095.1255.067.1721255.081.33.63=⨯⨯⨯-⨯-=在活荷载作用下,第六层B 支座边缘处的内力为m KN b V M M b ⋅-=⨯+-=⋅-=1.20255.07.211.262 222122041b l b q b q V b q V V b ⋅⋅⋅-⋅-=⋅-= KN 56.21255.095.1255.087.1021255.065.27.21=⨯⨯⨯-⨯-=在风荷载作用下,第六层B 支座边缘处的内力为m KN b V M M b ⋅=⨯+=⋅-=4.6255.05.18.62 KN V V b 5.1==2.梁控制截面的内力组合值1)框架梁端控制截面的内力组合值内力组合时,竖向荷载作用下的梁支座截面负弯矩乘以调幅系数0.8,而跨中截面弯矩由平衡条件确定。
当风荷载作用下支座截面为正弯矩且与永久荷载组合时,永久荷载的效应是有利的,组合时可简单地分别乘以1.0和1.2的分项系数考虑。
下面以第六层框架梁为例,说明在WK GKS S 4.12.1±组合项中各控制截面内力组合值的计算过程。
当左吹风( )作用时,由上表可得各控制截面的弯矩和剪力组合值: WK GK B M M M 4.12.1+=m KN ⋅-=⨯+-⨯⨯=73.5539.64.1)37.67(8.02.1 WK GK Cl M M M 4.12.1+=m KN ⋅=⨯+⨯⨯=69.7729.44.168.748.02.1KN M M V WK GK B 38.765.14.19.618.02.14.12.1=⨯+⨯⨯=+= KN M M V WK GK Cl 44.755.14.1)62.64(8.02.14.12.1-=⨯+-⨯⨯=+=当右吹风( )作用时,由上表可得各控制截面的弯矩和剪力组合值: WK GK B M M M 4.12.1-=m KN ⋅-=⨯--⨯⨯=07.6639.64.1)37.67(8.02.1 WK GK Cl M M M 4.12.1-=m KN ⋅=⨯-⨯⨯=29.7029.44.168.748.02.1KN M M V WK GK B 18.725.14.19.618.02.14.12.1=⨯+⨯⨯=+=KN M M V WK GK Cl 64.795.14.1)62.64(8.02.14.12.1-=⨯+-⨯⨯=+=2)框架梁支座中心处的内力组合值3)梁跨中截面最大弯矩值梁跨间截面最大弯矩值可近似根据梁端截面弯矩组合值及作用在梁上的荷载设计值由平衡条件确定。
下面分别按左吹风和右吹风作用两种情况分别求各梁跨间最大正弯矩。
BC 跨(以第一层为例):左吹风时BC 跨最大弯矩值的计算简图 当左吹风( )作用且按WK GKS S 4.12.1+组合时,梁上的荷载设计值为m KN q /82.1785.142.11=⨯= m KN q /35.1829.152.14=⨯=查框架梁支座中心处内力组合值表,WK GK S S 4.12.1+组合项对应的内力为m KN M B ⋅-=43.56 m KN M C ⋅=52.164KN V B 61.135=BC 跨梁的计算跨度m l 5.7=,荷载分布第一段长度m a 95.11=。
假定梁跨间最大弯矩至B 端的距离为x 且位于荷载分布的第一段内,如上图所示,则是最大弯矩处的剪力应满足095.1235.1882.1761.135222141)(=⨯--=--=x x x a q x q V V B x 由此得m m x 95.180.3>=,其数值与初始假定不符。
再设梁跨间最大弯矩至B 端的距离为x 且位于荷载分布的第二段内,则最大正弯矩处的剪力应满足0)(2111141)(=----=a x q a q x q V V B x 即m m q q a q V x B 95.124.4)35.1882.17(295.135.1861.1352)(224114>=+⨯⨯+⨯=++= 则梁跨中最大弯矩为21411421max )(21)32(2121a x q a x a q x q x V M M B B -----+= )95.13224.4(95.135.182124.482.172124.461.13543.562⨯-⨯⨯⨯-⨯⨯-⨯+-= 2)95.124.4(35.1821-⨯⨯- m KN ⋅=06.132 当左吹风( )作用且按)(4.19.02.1WK GK GKS S S +⨯+组合时,梁上的荷载设计值为m KN q /82.1785.142.11=⨯=m KN q /18.288.74.19.029.152.14=⨯⨯+⨯=查框架梁支座中心处内力组合值表,)(4.19.02.1WK GK GK S S S +⨯+组合项对应的内力为m KN M B ⋅-=15.94 m KN M C ⋅=11.189KNV B 31.162=采取同样的假设,通过类似的步骤可得m m q q a q V x B 95.113.4)18.2882.17(295.118.2831.1622)(224114>=+⨯⨯+⨯=++=则梁跨中最大弯矩为21411421max )(21)32(2121a x q a x a q x q x V M M B B -----+=)95.13213.4(95.118.282113.482.172113.431.16215.942⨯-⨯⨯⨯-⨯⨯-⨯+-=2)95.113.4(18.2821-⨯⨯- m KN ⋅=50.279左吹风时BC 跨最大弯矩值的计算简图当右吹风( )作用且按WK GK S S 4.12.1-组合时,梁上的荷载设计值为m KN q /82.1785.142.11=⨯=m KN q /35.1829.152.14=⨯=查框架梁支座中心处内力组合值表,WK GK S S 4.12.1-组合项对应的内力为m KN M B ⋅-=75.187 m KN M C ⋅=76.61KN V B 53.104=BC 跨梁的计算跨度m l5.7=,荷载分布第一段长度m a 95.11=。
假定梁跨间最大弯矩至B 端的距离为x 且位于荷载分布的第一段内,如上图所示,则是最大弯矩处的剪力应满足095.1235.1882.1753.104222141)(=⨯--=--=x x x a q x q V V B x 由此得m m x 95.118.3>=,其数值与初始假定不符。
再设梁跨间最大弯矩至B 端的距离为x 且位于荷载分布的第二段内,则最大正弯矩处的剪力应满足 0)(2111141)(=----=a x q a q x q V V B x即m m q q a q V x B 95.138.3)35.1882.17(295.135.1853.1042)(224114>=+⨯⨯+⨯=++=则梁跨中最大弯矩为21411421max )(21)32(2121a x q a x a q x q x V M M B B -----+=)95.13238.3(95.135.182138.382.172138.353.10475.1872⨯-⨯⨯⨯-⨯⨯-⨯+-=2)95.138.3(35.1821-⨯⨯- m KN ⋅=79.7当右吹风( )作用且按)(4.19.02.1WK GK GK S S S -⨯+组合时,梁上的荷载设计值为m KN q /82.1785.142.11=⨯=m KN q /18.288.74.19.029.152.14=⨯⨯+⨯=查框架梁支座中心处内力组合值表,)(4.19.02.1WK GK GK S S S -⨯+组合项对应的内力为m KN M B ⋅-=34.121 m KN M C ⋅=63.96KN V B 34.134=采取同样的假设,通过类似的步骤可得m m q q a q V x B 95.152.3)18.2882.17(295.118.2834.1342)(224114>=+⨯⨯+⨯=++=则梁跨中最大弯矩为21411421max )(21)32(2121a x q a x a q x q x V M M B B -----+=)95.13252.3(95.118.282152.382.172152.334.13434.1212⨯-⨯⨯⨯-⨯⨯-⨯+-=2)95.152.3(18.2821-⨯⨯- m KN ⋅=41.145CD 跨(以第一层为例):左吹风时CD 跨最大弯矩值的计算简图当左吹风( )作用且按WK GK S S 4.12.1+组合时,梁上的荷载设计值为m KN q /18.365.22.12=⨯=m KN q /29.1141.92.15=⨯=查框架梁支座中心处内力组合值表,WK GK S S 4.12.1+组合项对应的内力为m KN M C ⋅=28.3m KN M D ⋅=46.93KN V D 51.42=BC 跨梁的计算跨度m l 4.2=,荷载分布第一段长度m a 2.11=。
由于051.42>=KN V D ,故x 不出现在CD 跨间,梁跨间的最大弯矩为m KN M M D ⋅==20.72max (取上表中梁支座边缘处的正弯矩)当右吹风( )作用且按WK GK S S 4.12.1-组合时,梁上的荷载设计值为m KN q /18.365.22.12=⨯=m KN q /29.1141.92.15=⨯=查框架梁支座中心处内力组合值表,WK GK S S 4.12.1-组合项对应的内力为m KN M C ⋅-=60.86m KN M D ⋅-=50.69KN V C 58.41-=BC 跨梁的计算跨度m l 4.2=,荷载分布第一段长度m a 2.11=。