框架内力组合表.xls
- 格式:xls
- 大小:31.50 KB
- 文档页数:2
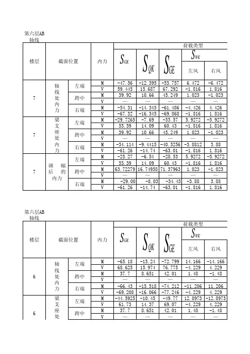
内力调 幅载0活恒荷载活荷载重力代表值风荷载地震M左47.5612.39553.757M左 6.47252.7中39.9210.6645.249右 4.42636.06右54.3114.34561.486V 1.81614.79V左59.44515.68767.292右67.3216.34569.868Q20.19 5.3422.86L666恒载+活载0活恒荷载活荷载重力代表值风荷载地震M左65.1815.2472.799M左14.16671.25中37.78.65142.01右11.20659.34右66.4315.51874.212V 4.22921.77V左68.62515.97476.775右69.20816.06677.246Q23 5.3425.67L666载0活恒荷载活荷载重力代表值风荷载地震M左63.8814.79871.279M左23.09693.98中38.598.94143.056右18.24874.97右65.9515.3874.639V 6.89128.13V左68.65515.92376.617右69.34516.11777.403Q23 5.3425.67L666恒载+活载0活恒荷载活荷载重力代表值风荷载地震M左63.8814.79871.279M左30.76114.57中38.598.94143.056右25.42395.15右65.9515.3874.639V9.36434.95V左68.65515.92376.617右69.34516.11777.403Q23 5.3425.67L666载0活恒荷载活荷载重力代表值风荷载地震M左63.8814.79871.279M左39.553138.25中38.598.94143.056右31.577110.71右65.9515.3874.639V11.84741.49V左68.65515.92376.617右69.34516.11777.403Q23 5.3425.67L666恒载+活载0活恒荷载活荷载重力代表值风荷载地震M左64.1414.85971.572M左43.67143.78中38.398.89642.836右35.264116.43右66.0815.4173.787V22.37643.37V左68.67715.92876.641右69.32316.11277.379Q23 5.3425.67L666载0活恒荷载活荷载重力代表值风荷载地震M左59.8213.85466.747M左51.258157.59中41.729.65946.545右38.194117.77右63.7514.88871.194V14.90945.89V左68.34515.84876.269右69.65516.19277.751Q23 5.3425.67L666。
框架梁的内力组合:层次截面位置内力GKSQKSwKSEKSwKGKSS4.12.1+)85.0(2.1wKQKGKSSS++QKGKSS4.12.1+EKGKSS3.12.1+控制值调幅后的值第六层FM-75.96 -23.92- ±5.31 ±19.34 -83.72 -98.59 -106.17 -116.79 -124.64 -66.01 -116.29 ±124.64 ±105.94 V86.30 27.74 μ0.99 μ3.65 102.17 104.95 126.15 128.13 142.40 98.82 108.31 142.40 170.88左LM-139.82 -44.89- ±3.04 ±11.28 -163.53 -172.04 -202.90 -208.98 -230.63 -153.12 -182.45 ±230.63 ±196.04 V101.50 32.74 μ0.99 μ3.65 120.41 123.19 148.64 150.62 167.64 117.06 126.55 167.64 201.17右LM-108.77 -35.14- ±5.16 ±17.41 -123.30 -137.75 -155.23 -165.55 -179.72 -107.89 -153.16 ±179.72 ±152.76 V80.67 26.05 μ1.87 μ6.58 94.18 99.42 117.08 120.82 133.27 88.25 105.36 132.27 159.92 'FM-27.15 -8.47 ±6.06 ±22.06 -21.4 -41.06 -33.72 -45.84 -44.44 -3.90 -61.26 ±45.84 ±38.96 V53.47 17.15 μ1.87 μ6.58 61.55 66.78 76.87 80.61 88.17 52.61 69.72 88.17 105.86 跨中FLM89.29 29.09 1.14 -4.03 108.74 133.01 121.97 112.39 133.01 159.61 LRM32.64 10.59 -0.45 -2.33 38.54 47.72 53.99 36.14 53.99 64.79第五层FM-117.00 -32.74 ±14.43 ±33.92 -120.20 -160.60 -153.80 -182.66 -186.24 -96.30 -184.50 ±186.24 ±158.30 V102.93 28.78 μ2.29 μ6.03 120.31 126.72 145.69 150.27 163.81 115.68 131.36 163.81 196.57左LM-160.53 -45.04 ±4.78 ±16.73 -185.94 -199.33 -226.14 -235.70 -255.69 -170.89 -214.39 ±255.69 ±217.34 V113.25 31.70 μ2.29 μ6.03 132.69 139.11 160.56 165.14 180.28 128.06 143.74 180.28 216.34右LM-109.96 -30.67 ±18.63 ±53.07 -105.87 -158.03 -139.39 -176.65 -174.89 -62.96 -200.94 ±200.94 ±170.80 V85.90 24.57 μ5.90 μ16.25 94.82 111.34 118.06 129.86 137.48 81.96 124.21 137.48 164.98 'FM-45.90 -12.84 ±16.79 ±41.41 -31.57 -78.59 -49.20 -82.78 -73.06 -1.25 -108.91 ±108.91 ±92.57 V66.54 18.63 μ5.90 μ16.25 71.59 81.11 89.78 101.58 105.93 58.72 100.97 105.93 127.12 跨中FLM88.26 24.61 4.83 8.60 112.67 131.66 140.37 117.09 140.37 168.44 LRM37.9 10.64 0.92 5.83 46.77 55.44 60.38 53.06 60.38 72.46第四层FM-118.43 -33.13 ±24.89 ±64.04 -107.27 -176.96 -145.39 -195.17 -188.50 -58.86 -225.37 ±225.37 ±191.56 V103.14 28.85 μ5.07 μ11.40 116.67 130.87 143.22 153.36 164.16 108.95 138.59 164.16 196.99左LM-160.14 -44.80 ±17.71 ±31.76 -167.37 -216.96 -204.54 -239.96 -254.89 -149.88 -234.46 ±254.89 ±216.66 V113.08 31.63 μ5.07 μ11.40 128.60 142.79 157.51 167.65 179.98 120.88 150.52 179.98 215.98右LM-110.24 -30.83 ±19.35 ±61.93 -105.20 -159.38 -139.14 -177.78 -175.45 -51.78 -212.80 ±212.80 ±180.88 V87.78 24.55 μ7.99 μ22.39 94.15 116.52 117.21 134.19 139.71 76.23 134.44 139.71 167.65 'FM-46.87 -13.12 ±28.59 ±72.42 -16.22 -96.25 -38.81 -95.99 -74.61 34.90 -147.39 ±147.39 ±125.28 V66.66 18.65 μ7.99 μ22.39 68.81 91.18 81.15 103.83 106.10 50.89 109.10 109.10 130.92 跨中FLM87.74 24.53 3.59 16.14 110.31 129.73 139.63 126.27 139.63 167.56 LRM37.27 10.42 -4.62 -5.25 38.26 48.96 59.31 37.90 59.31 71.17第三层FM-124.09 -34.09 ±34.75 ±75.81 -100.26 -197.56 -143.13 -212.63 -196.63 -50.36 -247.46 ±247.46 ±210.34 V103.95 29.33 μ7.39 μ14.10 114.39 135.09 142.38 157.06 165.80 106.41 143.07 165.80 198.96左LM-159.05 -41.77 ±27.30 ±42.65 -152.64 -229.08 -199.06 -253.66 -249.34 -135.42 -246.31 ±253.66 ±215.61 V112.27 31.15 μ7.39 μ14.10 124.38 145.07 153.81 168.59 178.33 116.39 153.05 178.33 214.00右LM-106.39 -31.68 ±28.36 ±80.59 -87.59 -167.75 -126.24 -182.96 -172.02 -22.90 -232.44 ±232.44 ±197.57 V86.54 24.53 μ11.62 μ28.64 87.58 120.12 113.08 136.32 138.19 66.62 141.08 141.08 169.30 'FM-50.50 -14.13 ±41.36 ±91.27 -2.70 -118.50 -31.25 -113.97 -80.38 58.05 -179.25 ±179.25 ±152.36 V67.90 18.67 μ11.62 μ28.64 65.21 97.75 85.73 108.97 107.62 44.25 118.71 118.71 142.45 跨中FLM85.46 25.57 3.73 16.58 107.77 128.02 138.35 124.11 138.35 166.19 LRM37.38 9.47 -6.50 -5.34 35.76 46.41 58.11 37.91 58.11 69.73第二层FM-127.59 -35.44 ±42.21 ±88.54 -94.01 -212.20 -141.02 -225.44 -202.72 -38.01 -268.21 ±268.21 ±227.98 V104.41 29.18 μ9.50 μ16.12 111.99 139.22 140.60 159.60 166.14 104.34 146.25 166.14 199.37左LM-158.65 -44.38 ±37.63 ±46.84 -137.70 -243.06 -190.47 -265.73 -252.51 -129.49 -251.27 ±265.73 ±225.87 V111.81 31.30 μ9.50 μ16.12 120.87 147.47 151.28 170.28 177.99 113.22 155.13 177.99 213.59 右L M-103.04 -28.93 ±45.22 ±96.70 -60.34 -186.96 -102.93 -193.37 -164.01 2.06 -249.36 ±249.36 ±211.96框架外柱的内力组合:层次控制截面内力A 轴 外 柱GK SQK SwK S EK S wK GK S S 4.12.1+ )85.0(2.1wK QK GK S S S ++ QK GK S S 4.12.1+)(3.12.1max M S S EK GK +控制值调幅后的值第六层 上M -75.96 -23.92 ±5.31 ±19.34 -83.72 -98.59 -106.17 -116.79 -124.64 -66.01 -116.29 -124.64 137.10 N 86.30 27.74 ±0.99 ±3.65 104.95 102.17 128.13 126.15 142.40 108.31 98.82 142.40 142.40 下M -58.50 -13.67 μ3.04 μ11.05 -74.46 -65.94 -84.86 -78.78 -89.34 -84.57 -55.84 -89.34 -98.27 N 106.93 48.73 ±0.99 ±3.65 129.74 126.97 170.73 168.75 196.54 133.10 123.61 196.54 196.54 V 86.30 27.74 μ0.99 μ3.65 102.17 104.95 126.15 128.13 196.54 98.82 108.31 142.40 156.64 第五 层上M -58.50 -13.67 ±11.39 ±22.87 -54.25 -86.15 -70.43 -93.21 -89.34 -40.47 -99.93 -99.93 109.92 N 209.86 77.15 ±3.28 ±9.68 256.42 247.24 320.69 314.13 359.84 264.42 239.25 359.84 359.84 下M -63.91 -17.88 μ8.25 μ31.58 -108.24 -85.14 -100.14 -83.64 -101.72 -117.75 -35.64 -117.75 -129.53 N 230.91 97.78 ±3.28 ±9.68 281.18 272.00 362.98 356.42 413.48 289.17 260.00 413.48 413.48 V 102.93 28.78 μ2.29 μ6.03 120.31 126.72 145.69 150.27 163.81 115.68 131.36 163.81 180.19 第四层上M -54.52 -12.25 ±16.64 ±32.46 -33.13 -97.72 -67.75 -90.03 -86.77 -23.23 -107.62 -107.62 118.38 N 333.63 126.63 ±8.35 ±21.08 412.05 388.67 516.34 499.64 539.65 427.76 372.95 539.65 539.65 下M -55.28 -15.04 μ13.62 μ39.67 -85.40 -47.29 -92.74 -65.50 -87.39 -117.91 -14.77 -117.91 -129.70 N 354.26 147.26 ±8.35 ±21.08 436.80 413.42 558.63 541.93 631.28 452.52 397.71 631.28 631.28 V 103.14 28.85 ±5.07 ±11.40 120.67 134.87 143.22 153.36 164.16 108.95 138.59 164.16 180.57 第三层上M -68.81 -19.05 ±21.13 ±36.14 -52.99 -112.15 -80.63 -122.89 -112.24 -38.59 -132.55 -132.55 145.81 N 458.21 176.59 ±15.74 ±35.18 571.89 527.82 715.69 684.21 797.08 595.59 504.12 797.08 797.08 下M -63.80 -19.02 μ17.29 μ44.17 -100.77 -52.35 -110.02 -75.44 -103.19 -133.98 -19.14 -133.98 147.38 N483.17201.55±15.74 ±35.18620.11557.77766.86735.38861.97625.54534.07861.97861.97框架外柱的内力组合:层次控制截面内力C 轴 外 柱GK SQK SwK S EK S wK GK S S 4.12.1+ )85.0(2.1wK QK GK S S S ++ QK GK S S 4.12.1+)(3.12.1max M S S EK GK + 控制值调幅后的值第六层 上M -27.15 -8.47 ±6.06 ±22.06 -24.10 -41.06 -33.72 -45.84 -44.44 -3.90 -61.26 -61.26 67.39 N 53.47 17.15 ±1.87 ±6.58 66.78 61.55 80.61 76.87 88.17 72.72 55.61 88.17 151.83 下M -22.95 -6.42 μ4.04 μ14.71 -33.20 -21.88 -37.04 -28.96 -36.53 -46.66 -8.42 -46.66 51.33 N 74.10 37.78 ±1.87 ±6.58 91.54 86.30 122.90 119.16 141.81 97.47 80.37 205.47 205.47 V 53.47 17.15 μ1.87 μ6.58 61.55 66.78 76.87 80.61 88.17 55.61 72.72 88.17 167.01 第五 层上M -22.95 -6.42 ±12.75 ±26.70 -9.69 45.39 -20.25 -45.75 -36.53 7.17 62.25 62.25 68.48 N 140.64 56.41 ±7.77 ±22.83 179.65 157.89 224.49 208.95 247.74 198.46 139.07 247.74 389.27 下M -25.54 -7.15 μ9.62 μ35.40 -44.12 -17.18 -46.35 -27.11 -40.66 -76.67 15.37 -76.67 84.34 N 161.27 77.04 ±7.77 ±22.83 204.40 182.65 226.78 251.24 301.38 223.22 163.83 301.38 442.91 V 66.54 18.63 μ5.90 μ16.25 71.59 88.11 89.78 101.58 105.93 58.72 100.97 105.93 206.58 第四层上M -21.33 -5.97 ±18.97 ±37.02 0.96 -52.15 -11.70 49.64 -33.95 22.53 -73.72 -73.72 81.09 N 227.93 95.69 ±15.76 ±45.22 295.58 251.45 370.61 339.09 407.48 332.30 214.73 407.48 626.88 下M -22.73 -6.36 μ15.52 μ45.24 -49.00 -5.55 -48.20 -17.16 -36.18 -86.09 31.54 -86.09 94.70 N 248.56 116.32 ±15.76 ±45.22 320.34 276.21 412.90 381.38 461.12 257.06 239.49 461.12 680.51 V 66.66 18.65 ±7.99 ±22.39 68.81 91.18 87.85 103.83 106.10 50.89 109.10 109.10 202.37 第三层上M -27.77 -7.77 ±25.84 ±46.30 2.85 -69.50 -14.09 -65.77 -44.20 -26.87 -93.51 -93.51 102.86 N 316.46 134.99 ±27.38 ±73.86 418.08 341.42 521.87 467.11 568.74 475.77 283.73 568.74 866.00 下M-26.40-7.38μ22.01 μ54.03-62.49-0.87-59.96-15.94-42.01-101.9238.56-101.92112.11N 341.42 159.95 ±27.38 ±73.86 448.04 371.37 573.04 518.28 633.63 505.72 313.69 633.63 753.52 V 67.90 18.67 μ11.62 μ28.64 65.21 97.75 85.73 108.97 107.62 44.25 118.71 118.71 204.04 第二 层上M -26.40 -7.38 ±33.52 ±55.28 15.25 -78.61 -4.43 -71.47 -42.01 40.18 -103.54 -103.54 113.89 N 410.27 179.20 ±47.73 ±108.20 559.15 425.50 692.37 596.91 743.20 632.98 351.66 743.20 1118.33 下M -30.09 -8.41 μ28.55 μ55.28 -76.08 3.86 -71.81 -14.71 -47.88 -107.97 35.76 -107.97 118.78 N 453.23 204.16 ±47.73 ±108.20 589.10 455.45 743.54 648.08 767.27 662.94 381.62 767.27 1183.23 V 68.85 19.25 μ16.35 μ34.34 59.73 105.51 82.63 86.08 115.33 37.98 127.26 127.26 206.18 第一层上M -18.16 -5.07 ±0.00 ±40.57 -21.79 -21.79 -26.10 -26.10 -28.89 30.68 -74.53 -74.53 81.98 N 503.08 223.21 ±0.00 ±138.28 603.70 603.70 793.42 793.42 916.19 783.46 423.93 916.19 1369.19 下 M -9.08 -2.54 μ0.00 μ82.36 -10.90 -10.90 -13.06 -13.06 -14.45 -117.96 96.17 -117.96 -129.76 N 528.04 248.17 ±0.00 ±138.28 633.65 633.65 844.75 844.75 981.07 813.41 453.88 981.07 987.01 V67.85 19.05 μ0.00μ30.0851.42 51.42 97.61 97.61 108.09 42.32 120.52 120.52 132.57框架内柱的内力组合:层次控制截面内力B 轴 内 柱GK SQK SwK S EK S wK GK S S 4.12.1+ )85.0(2.1wK QK GK S S S ++ QK GK S S 4.12.1+)(3.12.1max M S S EK GK + 控制值调幅后的值第六层上M -31.05 -9.75 ±8.20 ±28.69 -25.78 -48.74 -37.35 -53.75 -50.91 0.04 -74.55 74.55 82.01 N 182.17 58.97 ±2.86 ±10.23 222.61 214.60 271.44 265.72 300.91 231.90 205.31 300.91 300.91 下M -35.91 -7.58 μ6.71 μ23.47 21.70 40.49 17.94 31.36 -41.70 0.58 61.60 61.60 67.76 N223.43100.05±2.86 ±10.23272.12264.11356.02350.30408.19281.31254.82408.19408.91。
附录2 内力组合表附录2.1 框架梁的内力组合表层次截面内力S GK S QKS EK S EK组合一组合二组合三组合四组合五组合六组合七组合八组合九组合十组合十一组合十二组合十三剪力调整左风右风左震右震一层AM -92.23-24.57(-24.74)43.80 -27.30 160.80 -171.40 -145.06 -49.35 -148.89 -86.43 -176.02 -111.79 -171.51 -30.91 -130.45 62.65 -261.25 78.34 -245.56144.04 V94.1024.4(24.4)-10.40 6.50 -38.30 40.90 147.08 98.36 122.02 130.56 151.85 142.21 156.41 79.54 103.20 66.10 153.62 48.03 135.55跨中M120.4835.52(35.64)2.65 -1.65 9.50 -10.10 194.30 148.29 142.27 192.67 187.25 199.68 196.07 124.19 118.17 133.73 114.62 112.99 93.88B左M-110.84-31.03(-30.77)-38.50 24.00 -141.80 151.20 -176.44 -186.91 -99.41 -220.61 -141.86 -212.38 -159.88 -164.74 -77.24 -251.86 33.82 -232.92 52.75 V99.6026.3(26.2)-10.40 6.50 -38.30 40.90 156.34 104.96 128.62 139.55 160.85 151.50 165.69 85.04 108.70 72.63 160.15 53.47 140.99B右M-20.91-5.78(-5.36)21.10 -13.20 77.50 -82.90 -33.18 4.45 -43.57 -5.79 -49.01 -16.17 -44.98 8.63 -39.39 54.33 -102.06 57.87 -98.52121.80 V23.905.8(4.7)-18.90 11.50 -69.40 74.30 36.80 2.22 44.78 12.17 50.48 22.07 47.61 -2.56 40.00 -49.91 108.88 -54.37 104.41跨中M 1.20-0.36(-1.08)-2.60 1.65 -9.45 10.15 0.94 -2.20 3.75 -2.29 3.07 -0.92 2.65 -2.44 3.51 -8.62 10.49 -8.72 10.39CM-0.17-0.255(-0.77)-26.30 16.50 -96.40 103.20 -0.56 -37.02 22.90 -33.66 20.26 -22.57 13.38 -36.99 22.93 -93.80 100.81 -93.83 100.78 V 3.700.1(1.1)-18.90 11.50 -69.40 74.30 4.58 -22.02 20.54 -19.25 19.06 -10.78 14.75 -22.76 19.80 -72.35 86.44 -73.07 85.71二层AM-89.17-24.31(-24.99)31.50 -19.70 137.20 -142.80 -141.03 -62.90 -134.58 -97.94 -162.45 -117.74 -160.74 -45.07 -116.75 42.28 -230.72 57.53 -215.48110.30 V93.8024.4(24.4)-7.60 4.70 -32.90 34.30 146.72 101.92 119.14 133.73 149.23 144.16 154.49 83.16 100.38 71.77 146.02 53.75 128.00跨中M123.6036(35.28)1.55 -1.00 7.10 -7.35 198.72 150.49 146.92 195.63 192.42 203.44 201.30 125.77 122.20 134.04 119.95 112.85 98.76B左M-109.57-30.77(-31.03)-28.40 17.70 -123.00 128.10 -174.56 -171.24 -106.70 -206.03 -147.95 -201.92 -163.20 -149.33 -84.79 -232.49 12.33 -213.73 31.09 V99.9026.3(26.2)-7.60 4.70 -32.90 34.30 156.70 109.24 126.46 143.44 158.94 154.26 164.59 89.26 106.48 78.91 153.16 59.70 133.95B右M-22.95-6.035(-5.19)15.20 -9.50 66.10 -68.90 -35.99 -6.26 -40.84 -15.99 -47.11 -24.13 -44.88 -1.67 -36.25 41.46 -90.17 45.29 -86.33101.40 V25.60 6(4.6) -13.40 8.30 -58.40 60.90 39.12 11.96 42.34 21.40 48.74 29.18 47.41 6.84 37.22 -5.95 95.75 -40.82 91.01跨中M 2.28-0.48(-0.96)-1.60 1.00 -7.05 7.35 2.06 0.50 4.14 0.12 3.39 1.26 3.45 0.04 3.68 -5.25 8.79 -5.52 8.52CM-1.190.34(0.68)-18.40 11.50 -80.20 83.60 -0.95 -27.19 14.67 -24.18 13.49 -16.73 8.39 -26.95 14.91 -78.96 80.75 -78.83 80.87 V 2.00 0.3 (1) -13.40 8.30 -58.40 60.90 2.82 -16.36 14.02 -14.11 13.24 -8.26 9.97 -16.76 13.62 -61.98 69.84 -62.41 69.42注:表中组合一到组合十三的荷载组合式子以及剪力的调整见计算书的4.6.2节()中的数值为雪荷载作用下的内力;弯矩M的单位为kN·m,剪力V的单位为kN。
内力调 幅载0活恒荷载活荷载重力代表值风荷载地震M左47.5612.39553.757M左 6.47252.7中39.9210.6645.249右 4.42636.06右54.3114.34561.486V 1.81614.79V左59.44515.68767.292右67.3216.34569.868Q20.19 5.3422.86L666恒载+活载0活恒荷载活荷载重力代表值风荷载地震M左65.1815.2472.799M左14.16671.25中37.78.65142.01右11.20659.34右66.4315.51874.212V 4.22921.77V左68.62515.97476.775右69.20816.06677.246Q23 5.3425.67L666载0活恒荷载活荷载重力代表值风荷载地震M左63.8814.79871.279M左23.09693.98中38.598.94143.056右18.24874.97右65.9515.3874.639V 6.89128.13V左68.65515.92376.617右69.34516.11777.403Q23 5.3425.67L666恒载+活载0活恒荷载活荷载重力代表值风荷载地震M左63.8814.79871.279M左30.76114.57中38.598.94143.056右25.42395.15右65.9515.3874.639V9.36434.95V左68.65515.92376.617右69.34516.11777.403Q23 5.3425.67L666载0活恒荷载活荷载重力代表值风荷载地震M左63.8814.79871.279M左39.553138.25中38.598.94143.056右31.577110.71右65.9515.3874.639V11.84741.49V左68.65515.92376.617右69.34516.11777.403Q23 5.3425.67L666恒载+活载0活恒荷载活荷载重力代表值风荷载地震M左64.1414.85971.572M左43.67143.78中38.398.89642.836右35.264116.43右66.0815.4173.787V22.37643.37V左68.67715.92876.641右69.32316.11277.379Q23 5.3425.67L666载0活恒荷载活荷载重力代表值风荷载地震M左59.8213.85466.747M左51.258157.59中41.729.65946.545右38.194117.77右63.7514.88871.194V14.90945.89V左68.34515.84876.269右69.65516.19277.751Q23 5.3425.67L666。
附表1附表1.1框架梁内力组合表注:组合一:Gk Qk 1.2 1.4S S + 组合二:Gk Wk 1.2 1.4S S +左 组合三:Gk Wk 1.2 1.4S S +右 组合四:Gk Qk Wk 1.35 1.4S S S ++左(0.7) 组合五:Gk Qk Wk 1.35 1.4S S S ++右(0.7) 组合六:Gk Qk Wk 1.2 1.40.9S S S +⨯+左(0.7) 组合七: Gk Qk Wk 1.2 1.40.9S S S +⨯+右(0.7) 组合八:Gk Wk 1.0 1.4S S +左 组合九:Gk Wk 1.0 1.4S S +右 组合十:RE 1.2(0.5) 1.3Gk Qk Ek S S S γ⎡⎤++⎣⎦左 组合十一:RE 1.2(0.5) 1.3Gk Qk Ek S S S γ⎡⎤++⎣⎦右组合十二:RE 1.0(0.5) 1.3Gk Qk Ek S S S γ⎡⎤++⎣⎦左 组合十三:RE 1.0(0.5) 1.3Gk Qk Ek S S S γ⎡⎤++⎣⎦右 调整值为强柱弱梁的调整,采用公式:()/l r RE vb b b n Gb M M l V γη⎡⎤++⎣⎦调整注:组合一:Gk Qk 1.2 1.4S S + 组合二:Gk Wk 1.2 1.4S S +左 组合三:Gk Wk 1.2 1.4S S +右 组合四:Gk Qk Wk 1.35 1.4S S S ++左(0.7) 组合五:Gk Qk Wk 1.35 1.4S S S ++右(0.7) 组合六:Gk Qk Wk 1.2 1.40.9S S S +⨯+左(0.7) 组合七: Gk Qk Wk 1.2 1.40.9S S S +⨯+右(0.7) 组合八:Gk Wk 1.0 1.4S S +左 组合九:Gk Wk 1.0 1.4S S +右 组合十:RE 1.2(0.5) 1.3Gk Qk Ek S S S γ⎡⎤++⎣⎦左 组合十一:RE 1.2(0.5) 1.3Gk Qk Ek S S S γ⎡⎤++⎣⎦右组合十二:RE 1.0(0.5) 1.3Gk Qk Ek S S S γ⎡⎤++⎣⎦左 组合十三:RE 1.0(0.5) 1.3Gk Qk Ek S S S γ⎡⎤++⎣⎦右 调整值为强柱弱梁的调整,采用公式:()/l r RE vb b b n Gb M M l V γη⎡⎤++⎣⎦调整注:组合一:Gk Qk 1.2 1.4S S + 组合二:Gk Wk 1.2 1.4S S +左 组合三:Gk Wk 1.2 1.4S S +右 组合四:Gk Qk Wk 1.35 1.4S S S ++左(0.7) 组合五:Gk Qk Wk 1.35 1.4S S S ++右(0.7) 组合六:Gk Qk Wk 1.2 1.40.9S S S +⨯+左(0.7) 组合七: Gk Qk Wk 1.2 1.40.9S S S +⨯+右(0.7) 组合八:Gk Wk 1.0 1.4S S +左 组合九:Gk Wk 1.0 1.4S S +右 组合十:RE 1.2(0.5) 1.3Gk Qk Ek S S S γ⎡⎤++⎣⎦左 组合十一:RE 1.2(0.5) 1.3Gk Qk Ek S S S γ⎡⎤++⎣⎦右组合十二:RE 1.0(0.5) 1.3Gk Qk Ek S S S γ⎡⎤++⎣⎦左 组合十三:RE 1.0(0.5) 1.3Gk Qk Ek S S S γ⎡⎤++⎣⎦右 调整值为强柱弱梁的调整,采用公式:()/l r RE vb b b n Gb M M l V γη⎡⎤++⎣⎦调整注:组合一:Gk Qk 1.2 1.4S S + 组合二:Gk Wk 1.2 1.4S S +左 组合三:Gk Wk 1.2 1.4S S +右 组合四:Gk Qk Wk 1.35 1.4S S S ++左(0.7) 组合五:Gk Qk Wk 1.35 1.4S S S ++右(0.7) 组合六:Gk Qk Wk 1.2 1.40.9S S S +⨯+左(0.7) 组合七: Gk Qk Wk 1.2 1.40.9S S S +⨯+右(0.7) 组合八:Gk Wk 1.0 1.4S S +左 组合九:Gk Wk 1.0 1.4S S +右 组合十:RE 1.2(0.5) 1.3Gk Qk Ek S S S γ⎡⎤++⎣⎦左 组合十一:RE 1.2(0.5) 1.3Gk Qk Ek S S S γ⎡⎤++⎣⎦右组合十二:RE 1.0(0.5) 1.3Gk Qk Ek S S S γ⎡⎤++⎣⎦左 组合十三:RE 1.0(0.5) 1.3Gk Qk Ek S S S γ⎡⎤++⎣⎦右 调整值为强柱弱梁的调整,采用公式:()/l r RE vb b b n Gb M M l V γη⎡⎤++⎣⎦调整注:组合一:Gk Qk 1.2 1.4S S + 组合二:Gk Wk 1.2 1.4S S +左 组合三:Gk Wk 1.2 1.4S S +右 组合四:Gk Qk Wk 1.35 1.4S S S ++左(0.7) 组合五:Gk Qk Wk 1.35 1.4S S S ++右(0.7) 组合六:Gk Qk Wk 1.2 1.40.9S S S +⨯+左(0.7) 组合七: Gk Qk Wk 1.2 1.40.9S S S +⨯+右(0.7) 组合八:Gk Wk 1.0 1.4S S +左 组合九:Gk Wk 1.0 1.4S S +右 组合十:RE 1.2(0.5) 1.3Gk Qk Ek S S S γ⎡⎤++⎣⎦左 组合十一:RE 1.2(0.5) 1.3Gk Qk Ek S S S γ⎡⎤++⎣⎦右 组合十二:RE 1.0(0.5) 1.3Gk Qk Ek S S S γ⎡⎤++⎣⎦左 组合十三:RE 1.0(0.5) 1.3Gk Qk Ek S S S γ⎡⎤++⎣⎦右附表1.4 横向框架A 柱剪力组合全(kN )注:组合一:Gk Qk 1.2 1.4S S + 组合二:Gk Wk 1.2 1.4S S +左 组合三:Gk Wk 1.2 1.4S S +右 组合四:Gk Qk Wk 1.35 1.4S S S ++左(0.7) 组合五:Gk Qk Wk 1.35 1.4S S S ++右(0.7) 组合六:Gk Qk Wk 1.2 1.40.9S S S +⨯+左(0.7) 组合七: Gk Qk Wk 1.2 1.40.9S S S +⨯+右(0.7) 组合八:Gk Wk 1.0 1.4S S +左 组合九:Gk Wk 1.0 1.4S S +右 组合十:RE 1.2(0.5) 1.3Gk Qk Ek S S S γ⎡⎤++⎣⎦左 组合十一:RE 1.2(0.5) 1.3Gk Qk Ek S S S γ⎡⎤++⎣⎦右组合十二:RE 1.0(0.5) 1.3Gk Qk Ek S S S γ⎡⎤++⎣⎦左 组合十三:RE 1.0(0.5) 1.3Gk Qk Ek S S S γ⎡⎤++⎣⎦右 调整值为强柱弱梁的调整,采用公式:()/b tRE vc c c n M M H γη⎡⎤+⎣⎦调整注:组合一:Gk Qk 1.2 1.4S S + 组合二:Gk Wk 1.2 1.4S S +左 组合三:Gk Wk 1.2 1.4S S +右 组合四:Gk Qk Wk 1.35 1.4S S S ++左(0.7) 组合五:Gk Qk Wk 1.35 1.4S S S ++右(0.7)组合六:Gk Qk Wk 1.2 1.40.9S S S +⨯+左(0.7) 组合七: Gk Qk Wk 1.2 1.40.9S S S +⨯+右(0.7)组合八:Gk Wk 1.0 1.4S S +左 组合九:Gk Wk 1.0 1.4S S +右 组合十:RE 1.2(0.5) 1.3Gk Qk Ek S S S γ⎡⎤++⎣⎦左 组合十一:RE 1.2(0.5) 1.3Gk Qk Ek S S S γ⎡⎤++⎣⎦右组合十二:RE 1.0(0.5) 1.3Gk Qk Ek S S S γ⎡⎤++⎣⎦左 组合十三:RE 1.0(0.5) 1.3Gk Qk Ek S S S γ⎡⎤++⎣⎦右注:组合一:Gk Qk 1.2 1.4S S + 组合二:Gk Wk 1.2 1.4S S +左 组合三:Gk Wk 1.2 1.4S S +右 组合四:Gk Qk Wk 1.35 1.4S S S ++左(0.7) 组合五:Gk Qk Wk 1.35 1.4S S S ++右(0.7) 组合六:Gk Qk Wk 1.2 1.40.9S S S +⨯+左(0.7) 组合七: Gk Qk Wk 1.2 1.40.9S S S +⨯+右(0.7) 组合八:Gk Wk 1.0 1.4S S +左 组合九:Gk Wk 1.0 1.4S S +右 组合十:RE 1.2(0.5) 1.3Gk Qk Ek S S S γ⎡⎤++⎣⎦左 组合十一:RE 1.2(0.5) 1.3Gk Qk Ek S S S γ⎡⎤++⎣⎦右 组合十二:RE 1.0(0.5) 1.3Gk Qk Ek S S S γ⎡⎤++⎣⎦左 组合十三:RE 1.0(0.5) 1.3Gk Qk Ek S S S γ⎡⎤++⎣⎦右 调整值为强柱弱梁的调整,采用公式:()/b t RE vc c c n M M H γη⎡⎤+⎣⎦调整注:组合一:Gk Qk 1.2 1.4S S + 组合二:Gk Wk 1.2 1.4S S +左 组合三:Gk Wk 1.2 1.4S S +右 组合四:Gk Qk Wk 1.35 1.4S S S ++左(0.7) 组合五:Gk Qk Wk 1.35 1.4S S S ++右(0.7) 组合六:Gk Qk Wk 1.2 1.40.9S S S +⨯+左(0.7) 组合七: Gk Qk Wk 1.2 1.40.9S S S +⨯+右(0.7) 组合八:Gk Wk 1.0 1.4S S +左 组合九:Gk Wk 1.0 1.4S S +右 组合十:RE 1.2(0.5) 1.3Gk Qk Ek S S S γ⎡⎤++⎣⎦左 组合十一:RE 1.2(0.5) 1.3Gk Qk Ek S S S γ⎡⎤++⎣⎦右 组合十二:RE 1.0(0.5) 1.3Gk Qk Ek S S S γ⎡⎤++⎣⎦左 组合十三:RE 1.0(0.5) 1.3Gk Qk Ek S S S γ⎡⎤++⎣⎦右附表1.10 横向框架C 柱剪力组合注:组合一:Gk Qk 1.2 1.4S S + 组合二:Gk Wk 1.2 1.4S S +左 组合三:Gk Wk 1.2 1.4S S +右 组合四:Gk Qk Wk 1.35 1.4S S S ++左(0.7) 组合五:Gk Qk Wk 1.35 1.4S S S ++右(0.7) 组合六:Gk Qk Wk 1.2 1.40.9S S S +⨯+左(0.7) 组合七: Gk Qk Wk 1.2 1.40.9S S S +⨯+右(0.7) 组合八:Gk Wk 1.0 1.4S S +左 组合九:Gk Wk 1.0 1.4S S +右 组合十:RE 1.2(0.5) 1.3Gk Qk Ek S S S γ⎡⎤++⎣⎦左 组合十一:RE 1.2(0.5) 1.3Gk Qk Ek S S S γ⎡⎤++⎣⎦右组合十二:RE 1.0(0.5) 1.3Gk Qk Ek S S S γ⎡⎤++⎣⎦左 组合十三:RE 1.0(0.5) 1.3Gk Qk Ek S S S γ⎡⎤++⎣⎦右 调整值为强柱弱梁的调整,采用公式:()/b t RE vc c c n M M H γη⎡⎤+⎣⎦调整注:组合一:Gk Qk 1.2 1.4S S + 组合二:Gk Wk 1.2 1.4S S +左 组合三:Gk Wk 1.2 1.4S S +右 组合四:Gk Qk Wk 1.35 1.4S S S ++左(0.7) 组合五:Gk Qk Wk 1.35 1.4S S S ++右(0.7) 组合六:Gk Qk Wk 1.2 1.40.9S S S +⨯+左(0.7) 组合七: Gk Qk Wk 1.2 1.40.9S S S +⨯+右(0.7) 组合八:Gk Wk 1.0 1.4S S +左 组合九:Gk Wk 1.0 1.4S S +右 组合十:RE 1.2(0.5) 1.3Gk Qk Ek S S S γ⎡⎤++⎣⎦左 组合十一:RE 1.2(0.5) 1.3Gk Qk Ek S S S γ⎡⎤++⎣⎦右 组合十二:RE 1.0(0.5) 1.3Gk Qk Ek S S S γ⎡⎤++⎣⎦左 组合十三:RE 1.0(0.5) 1.3Gk Qk Ek S S S γ⎡⎤++⎣⎦右附表1.13 横向框架D 柱剪力组合(kN)注:组合一:Gk Qk 1.2 1.4S S + 组合二:Gk Wk 1.2 1.4S S +左 组合三:Gk Wk 1.2 1.4S S +右 组合四:Gk Qk Wk 1.35 1.4S S S ++左(0.7) 组合五:Gk Qk Wk 1.35 1.4S S S ++右(0.7) 组合六:Gk Qk Wk 1.2 1.40.9S S S +⨯+左(0.7) 组合七: Gk Qk Wk 1.2 1.40.9S S S +⨯+右(0.7) 组合八:Gk Wk 1.0 1.4S S +左 组合九:Gk Wk 1.0 1.4S S +右 组合十:RE 1.2(0.5) 1.3Gk Qk Ek S S S γ⎡⎤++⎣⎦左 组合十一:RE 1.2(0.5) 1.3Gk Qk Ek S S S γ⎡⎤++⎣⎦右 组合十二:RE 1.0(0.5) 1.3Gk Qk Ek S S S γ⎡⎤++⎣⎦左 组合十三:RE 1.0(0.5) 1.3Gk Qk Ek S S S γ⎡⎤++⎣⎦右 调整值为强柱弱梁的调整,采用公式:()/b tRE vc c c n M M H γη⎡⎤+⎣⎦调整0.5c 21818附表1.15 D 柱配筋计算表0.5η0.2cf β0.3f sv A v f λRE V。
7 内力组合及内力调整7.1内力组合各种荷载情况下的框架内力求得后,根据最不利又是可能的原则进行内力组合。
当考虑结构塑性内力重分布的有利影响时,应在内力组合之前对竖向荷载作用下的内力进行增幅。
分别考虑恒荷载和活荷载由可变荷载效应控制的组合和由永久荷载效应控制的组合,并比较两种组合的内力,取最不利者。
由于构件控制截面的内力值应取自支座边缘处,为此,进行组合前,应先计算各控制截面处的(支座边缘处的)内力值。
1)、在恒载和活载作用下,跨间max M 可以近似取跨中的M 代替,在重力荷载代表值和水平地震作用下,跨内最大弯矩max M 采用解析法计算:先确定跨内最大弯矩max M 的位置,再计算该位置处的max M 。
当传到梁上的荷载为均布线荷载或可近似等效为均布线荷载时,按公式7-1计算。
计算方式见图7-1、7-2括号内数值,字母C 、D 仅代表公式推导,不代表本设计实际节点标号字母。
2max182M M M ql +≈-右左 且满足2max 116M ql = (7-1) 式中:q ——作用在梁上的恒荷载或活荷载的均布线荷载标准值;M 左、M 右——恒载和活载作用下梁左、右端弯矩标准值;l ——梁的计算跨度。
2)、在重力荷载代表值和地震作用组合时,左震时取梁的隔离体受力图,见图7-1所示, 调幅前后剪力值变化,见图7-2。
图7-1 框架梁内力组合图图7-2 调幅前后剪力值变化图中:GC M 、GD M ——重力荷载作用下梁端的弯矩; EC M 、CD M ——水平地震作用下梁端的弯矩C R 、D R ——竖向荷载与地震荷载共同作用下梁端支座反力。
左端梁支座反力:()C 1=2GD GC EC ED ql R M M M M l--++;由0M ddx=,可求得跨间max M 的位置为:1C /X R q = ; 将1X 代入任一截面x 处的弯矩表达式,可得跨间最大弯矩为: 弯矩最大点位置距左端的距离为1X ,1=/E X R q ;()101X ≤≤; 最大组合弯矩值:2max 1/2GE EF M qX M M =-+;当10X <或11X >时,表示最大弯矩发生在支座处,取1=0X 或1=X l ,最大弯矩组合设计值的计算式为:2max C 11/2GE EF M R X qX M M =--+; 右震作用时,上式中的GE M 、EF M 应该反号。
77框架钢结构内力组合根据《建筑结构荷载规范》进行内力组合,考虑如下可能的组合方式: 1)可变荷载控制的组合:2) 永久荷载控制的组合:3)抗震组合:(选取最不利内力组合时考虑抗震调整系数0.75) 控制界面及最不利内力组合:对梁而言,控制界面在梁梁端和跨中,最不利内力组合为梁端最大正弯矩和最大负弯矩以及最大剪力,跨中的最大正弯矩。
柱为偏压构件,控制界面为柱的两端。
大偏压时弯矩越大越不利,小偏压时轴力越大越不利,考虑如下四种情况:(1) 及相应的N 、V ; (2) 及相应的M 、V ; (3) 及相应的M 、V ; (4)比较大或都较小。
梁内力组合如表6-1:由于本结构所选用的梁的尺寸都一样,故仅需验算受力较大的梁。
由以上的弯矩图可知本结构第一层的梁在各种荷载作用下受力最大,故仅需验算第一层的梁即可。
柱内力组合如表6-2:柱尺寸一层与二、三、四层尺寸不同,而三、四层柱与二层柱相比,二层受力大于三、四层柱,故仅需验算一层和二层柱即可。
梁截面内力恒载活载风载地震荷载A C 跨A端M-171.311-50.86810.462(-10.462)220.86(-220.86)-268.00(-285.57)-240.78(-270.07)-281.1238.27(-408.97) V115.3531.54-2.261(2.261)-48.243(48.243)180.70(184.48)166.21(172.49)186.6370.97(168.66)跨中M132.4138.560.738(-0.738)-12.357(12.357)213.50(212.26)197.71(195.65)216.54124.47(149.50) V-38.99-12.46-2.261(2.261)-48.243(48.243)-66.13(-62.33)-62.16(-55.83)-64.85-87.73(9.96)C端M-214.526-60.765-8.758(8.758)-189.207(189.207)-349.86(-335.15)-329.24(-304.72)-349.16-404.89(-21.75)7777(13.23 7) (283.3 3)V -75.88-19.54-3.794(3.794)-81.551(81.551)-121.60(-115.23)-104.89(-121.59)-121.59-156.60(8.54)(注:括号中的力为反方向的风荷载或地震荷载)表6-2.1 底层柱内力组合柱截面内力恒载活载风载地震荷载A 柱柱顶M86.15127.044-6.386(6.386)-108.18(108.18)135.88(146.61)120.94(132.65)142.81-15.77(195.18) N893.84203.48-5.591(5.591)-142.086(142.086)1352.78(1362.18)1264.19(1224.17)1406.09757.49(1034.56) V25.988.2-5.20(5.20)-106.6(106.6)38.29(47.02)31.93(45.60)43.11-76.86(131.01)777777底 4 (-19.371) (-423.60)(13.10) (-0.17) (394.25)N 757.82154.53-9.309(9.309)-236.421(236.421)1117.91(1133.55)1047.79(1031.99)1174.50521.07(982.09)V -10.98-3.30-5.60(5.60)-114.9(114.9)-22.5(-13.09)-24.25(-6.25)-18.06-123.39(100.66)(注:括号中的力为反方向的风荷载或地震荷载)柱截面内力恒载活载风载地震荷载A 柱柱顶M87.27727.386-5.865(5.865)-137.72(137.72)138.15(148.00)123.36(139.78)144.66-43.40(225.15) N647.40149.24-3.330(3.330)-93.843(93.843)983.02(988.61)918.47(927.80)1020.25558.32(741.31)777777(注:括号中的力为反方向的风荷载或地震荷载)77根据内力组合结果,选取结构最不利内力组合如下表:77。