无尘洁净室尘埃粒子检测标准操作规程
- 格式:doc
- 大小:50.00 KB
- 文档页数:4
一、目的:建立尘埃粒子检测标准操作规程,保证洁净区的尘埃粒子的环境要求符合规定二、范围:适用于尘埃粒子检测。
三、责任人:质量部。
四、内容:洁净区/洁净室尘埃粒子的测试方法是采用计数浓度法,即通过尘埃粒子计数器测定洁净环境内单位体积空气中含大于或等于某粒径的悬浮粒子数,来评定洁净室(区)的悬浮粒子洁净度等级。
1测试要点•仪器开机后,预热至稳定后,方可按照使用说明书的规定对仪器进行校正。
(自检、自校、零计数)•采样管口置采样点采样时,在确认计数稳定后方可开始连续读数。
•采样管必须干净,严禁渗漏。
•采样管的长度应根据仪器的允许长度。
除另有规定外,长度不得大于 1.5 m 。
•计数器采样口和仪器的工作位置应处在同一气压和温度下,以免产生测量误差。
•必须按照仪器的检定周期,定期对仪器作检定。
(视仪器本身特点、使用频率、使用环境等决定。
)2 测试条件•洁净室(区)的温度和相对湿度应与其生产及工艺要求相适应。
•空气洁净度不同的洁净室(区)之间的压差应≥ 4.9Pa ,空气洁净度级别要求高的洁净室(区)对相邻的空气洁净度级别低的洁净室(区)一般要求呈相对正压。
•静态测试时,室内的测试人员不得多于 2 人,测试报告中应标明测试时所采用的状态。
•对于单向流,测试应在净化空气调节系统正常运行时间不少于10min 后开始,非单向流要不少于30min 后开始。
( 3 )采样点数目及其布置B、采样点的位置采样点一般在离地面0.8m 高度的水平面上均匀布置;采样点多于 5 点时,也可以在离地面0.8 m ~ 1 . 5m 高度的区域内布置,但每层不少于 5 点。
C、采样点的限定对任何小洁净室或局部空气净化区域,采样点的数目不得少于 2 个,总采样次数不得少于 5 次。
每个采样点的采样次数可以多于 1 次,且不同采样点的采样次数可以不同。
注意:确认洁净室(区)送风量和压差达到要求后,进行采样;对于单向流,计数器采样管口朝向应正对气流方向,对于非单向流,采样管口宜朝上;布置采样点时,应避开回风口;采样时,测试人员应在采样口的下风侧。
目的:该测试是为了确定厂内洁净房间符合相应的洁净度等级。
范围:公司用于生产用的洁净室1.1 权责:1.2 品保部负责洁净室尘埃粒子数量检测1.3 制造部负责洁净室清洁1.4 参考文献:1.5 GB/T 16292-2010_医药工业洁净室(区)悬浮粒子的测试方法1.6 质量系统GMP实施指南1.7 测试条件:温湿度要求:1.8 洁净室的温度和相对湿度应与其生产及工艺要求相适应, 同时应满足测试仪器的使用范围(无特殊要求时, 温度在15 ℃~26 ℃, 相对湿度在45%~65%为宜)。
1.9 测试需在洁净室的空调系统运行2个小时以上才能进行测试测试状态:静态:所有生产设备均已安装就绪, 但没有生产活动且无操作人员在场的状态, 室内测试人员不得多于2人2. 动态: 生产设备按预定的工艺模式运行并有规定数量的操作人员在现场操作的状态3. 测试方法3.1 测试仪器尘埃粒子计数器3.2 测试粒子0.5μm、5.0μm7.3 采样点数目及位置7.3.1按照以下公式进行计算NAN----------最少采样点数目A----------洁净室面积, 单位为平方米(m2)7.3.2确保取样点位置均匀地分布在整个洁净区, 采样点的高度需离地0.8m。
并参照7.3.2采样位置布点。
7.3.2 各采样点的布置应均匀, 下列为各采样点布置的图示4. 记录结果8.1按照洁净级别考虑需测定的粒子大小, 在每一个取样点测定粒子浓度并记录结果。
8.2当取样点不止一个时, 则计算并记录各粒子大小的浓度平均值。
8.3当在一个位置取两个或两个以上的样本量时, 则计算并记录各粒子大小的浓度平均值, 计算公式如下:C 1+C 2+------+C N采样点的平均粒子浓度A= ———————— N式中:A=某一采样点的平均粒子浓度, 粒/m3;Ci=某一采样点的粒子浓度(i=1, 2, ---, N ), 粒/m3; N=某一采样点上的采样次数, 次。
1 目的对洁净区的尘埃粒子进行测试,确保其符合相关规定要求。
2 范围本规程适用于洁净区的尘埃粒子测试。
3 职责3.1实验室检验员负责对洁净区的尘埃粒子进行测试并予以记录。
3.2品管部主管负责对测试结果进行审核。
4 内容4.1 测试方法4.1.1本测试方法采用计数浓度法,即通过测定洁净环境内单位体积空气中含大于或等于某粒径的悬浮粒子数,来评定洁净区的悬浮粒子洁净度等级。
4.1.2仪器:用于粒径大于或等于0.5μm的悬浮粒子计数器(如:CLJ—01D型尘埃粒子计数器)。
4.2测试规则4.2.1.测试条件4.2.1.1温度和湿度:洁净区的温度和相对湿度与其生产及工艺要求相适应(温度控制在18℃~28℃,相对湿度控制在50%~65%之间为宜)。
4.2.1.2压差:空气洁净度不同的洁净区之间的压差应≥5Pa,空气洁净度级别要求高的洁净区对相邻的空气洁净度洁净级别低的洁净区一般要求呈相对正压。
4.2.2测试状态4.2.2.1静态测试:洁净区净化空气调节系统已处于正常运行状态,工艺设备已安装,洁净区没有生产人员的情况下进行的测试,测试时,室内测试人员不得多2人。
4.2.2.2动态测试是洁净区已处于正常生产状态下进行的测试。
4.2.3测试时间4.2.3.1对单向流,测试应在净化空气调节系统正常运行时间不少于10min后开始。
4.2.3.2对非单向流,测试应在净化空气调节系统正常运行时间不少于30 min后开始。
4.2.4尘埃粒子计数4.2.4.1采样点数目及其布置尘埃粒子洁净度监测的采样点数目及其布置见表1、图1。
图1 采样点布置规则图1.1洁净区采样点布置力求均匀,避免采样点在某局部区域过于稀疏图1.2层流罩,洁净工作台等局部空气净化设施的采样点布置↓ ↓ ↓ ↓ ↓4.2.4.2采样点一般在离地面0.8m 高度的水平面上均匀布置。
4.2.4.3采样点的限度对任何小洁净室或局部空气净化区域,采样点的数目不得少于2个,总采样次数不得少于5次。
洁净区尘埃粒子监测标准操作程序洁净区是一种对空气质量要求极高的特殊环境,通常用于制药、电子、食品等行业的生产过程中。
为了确保洁净区的空气质量符合要求,必须进行尘埃粒子监测。
本文将介绍洁净区尘埃粒子监测的标准操作程序。
1. 确定监测点位在进行尘埃粒子监测之前,首先需要确定监测点位。
一般来说,洁净区的监测点位应该覆盖整个区域,并且要考虑到空气流动的方向和速度。
通常,监测点位应该位于洁净区的中心位置,以确保能够准确反映整个区域的空气质量。
2. 准备监测设备尘埃粒子监测需要使用专业的监测设备,包括粒子计数器、采样头等。
在进行监测之前,需要对这些设备进行校准和检查,确保其准确度和可靠性。
同时,还需要准备好监测记录表格和相关的记录工具。
3. 进行监测在监测之前,需要进行一些准备工作。
首先,要确保监测设备的电源和连接线等都正常工作。
然后,要将监测设备放置在监测点位,并根据设备的要求进行设置。
在监测过程中,要保持监测设备的稳定,并避免外界干扰。
4. 数据记录与分析在监测过程中,需要记录监测设备的读数,并按照预定的时间间隔进行记录。
同时,还需要记录环境因素,如温度、湿度等。
监测结束后,需要对监测数据进行分析和处理。
可以使用统计学方法对数据进行处理,计算出洁净区的尘埃粒子浓度,并与相关标准进行对比。
5. 制定改进措施根据监测结果,如果发现洁净区的尘埃粒子浓度超过了相关标准,就需要制定相应的改进措施。
这可能包括调整空气处理设备、增加过滤器等。
同时,还需要对改进措施进行跟踪和评估,确保其有效性。
6. 定期监测洁净区尘埃粒子监测不是一次性的工作,而是需要定期进行的。
根据洁净区的使用情况和要求,可以制定相应的监测频率。
定期监测可以帮助及时发现问题,并采取相应的措施,保证洁净区的空气质量符合要求。
总结:洁净区尘埃粒子监测是确保洁净区空气质量的重要手段。
通过合理的监测点位选择、设备准备、监测操作、数据记录与分析,以及制定改进措施和定期监测,可以有效地控制洁净区的尘埃粒子浓度,保证生产过程的质量和安全。
一、目的:建立尘埃粒子检测标准操作规程,保证洁净区的尘埃粒子的环境要求符合规定二、范围:适用于尘埃粒子检测。
三、责任人:质量部。
四、内容:洁净区/洁净室尘埃粒子的测试方法是采用计数浓度法,即通过尘埃粒子计数器测定洁净环境内单位体积空气中含大于或等于某粒径的悬浮粒子数,来评定洁净室(区)的悬浮粒子洁净度等级。
1测试要点•仪器开机后,预热至稳定后,方可按照使用说明书的规定对仪器进行校正。
(自检、自校、零计数)•采样管口置采样点采样时,在确认计数稳定后方可开始连续读数。
•采样管必须干净,严禁渗漏。
•采样管的长度应根据仪器的允许长度。
除另有规定外,长度不得大于 1.5 m 。
•计数器采样口和仪器的工作位置应处在同一气压和温度下,以免产生测量误差。
•必须按照仪器的检定周期,定期对仪器作检定。
(视仪器本身特点、使用频率、使用环境等决定。
)2 测试条件•洁净室(区)的温度和相对湿度应与其生产及工艺要求相适应。
•空气洁净度不同的洁净室(区)之间的压差应≥ 4.9Pa ,空气洁净度级别要求高的洁净室(区)对相邻的空气洁净度级别低的洁净室(区)一般要求呈相对正压。
•静态测试时,室内的测试人员不得多于 2 人,测试报告中应标明测试时所采用的状态。
•对于单向流,测试应在净化空气调节系统正常运行时间不少于 10min 后开始,非单向流要不少于 30min 后开始。
( 3 )采样点数目及其布置B、采样点的位置采样点一般在离地面 0.8m 高度的水平面上均匀布置;采样点多于 5 点时,也可以在离地面 0.8 m ~ 1 . 5m 高度的区域内布置,但每层不少于 5 点。
C、采样点的限定对任何小洁净室或局部空气净化区域,采样点的数目不得少于 2 个,总采样次数不得少于 5 次。
每个采样点的采样次数可以多于 1 次,且不同采样点的采样次数可以不同。
注意:确认洁净室(区)送风量和压差达到要求后,进行采样;对于单向流,计数器采样管口朝向应正对气流方向,对于非单向流,采样管口宜朝上;布置采样点时,应避开回风口;采样时,测试人员应在采样口的下风侧。
洁净室尘埃粒子检测标准操作规程⒈目的:阐述洁净室(区)中悬浮粒子的测试方法,用以规范员工的检测操作。
⒉范围:适用于公司内部生产洁净区尘埃粒子检测工作⒊责任:生产车间、生产部、质量管理部、QC检验室主任、检验员。
⒋测依据:⒌内容:5.1 仪器:光散射粒子计数器和滤膜显微镜。
光散射粒子计数器用于粒径≥0.5μm;滤膜显微镜用于粒径≥5μm的悬浮粒子的计数。
使用光散射粒子计数器时应严格按照仪器说明书操作。
5.2测定标准5.3 测试方法5.3.1 仪器开机,预热至稳定后,方可按说明书的规定对仪器进行校正。
5.3.2 采样管口置采样点采样时,在确认计数稳定后方可开始连续读数。
5.3.4 采样管必须干净、严禁渗漏。
5.3.5 采样管的长度应根据仪器的允许长度,除另有规定外,长度不大于1.5m。
5.3.6 计数器采样口和仪器工作位置应处在同一气压和温度下,以免产生测量误差。
5.3.7 必须按照仪器的检定周期,定期对仪器作检定,以保证测试数据的可靠性。
5.4 测试规则5.4.1 测试条件5.4.1.1 温度和湿度:洁净室的温度和相对湿度应与其生产及工艺要求相适应,温度控制在18~26℃,相对湿度控制在45~65%之间为宜。
5.4.1.2 压差:空气洁净度不同的洁净室(区)之间的压差应≥5Pa,空气洁净度级别要求等高的洁净室(区)对相邻的空气洁净度级别低的洁净室(区)一般要求呈相对正压。
5.4.2 测试状态:有静态测试和动态测试。
5.4.2.1 静态测试时室内空调系统已处于正常运行状态,测试人员不得多于2人。
尘埃粒子数必须符合规定。
5.4.2.2 动态测试时已处于正常生产状态,所产生粒子不影响最终产品的作业,可允许超出标准,但当操作完成10分钟后,粒子水平必须恢复到以洁净区尘粒最大允许数范围之内,应定期监控动态条件下的洁净状况。
5.4.2.3 测试报告中应标明测试时所采用的状态。
5.4.3 测试时间:对单向流,测试应在净化空调系统正常运行时间不少于30分钟后开始。
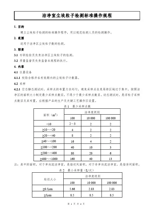
1. 目的建立尘埃粒子检测的标准操作程序,用以规范检测人员的检测操作。
2. 范围适用于洁净区尘埃粒子数的检测。
3. 职责3.1专职检验员负责洁净区尘埃粒子的检测。
3.2质量监督员负责监督本规程的执行。
4. 内容4.1仪器设备4.1.1校验合格并在有效期内的尘埃粒子计数器。
4.2采样4.2.1空态静态测试时,采样点的布置力求均匀,避免采样点在某局部区域过于集中,按照洁净区的面积大小制定最少采样点数目,不得少于最少采样点数目。
动态测试时,悬浮粒子采样点数目及其布置,应根据产品的生产及关键工艺操作区设置。
注:表中的面积,对于单向流洁净室,是指送风面积,对于非单向流洁净室,是指房间面积。
4.2.2采样点位置工作区采样点的位置离地0.8米~1.5米左右(略高于工作面)。
并在关键设备或关键工作活动范围处增加采样点。
图1 采样点位置参考图4.2.3采样次数的限定对任何小洁净室或局部空气净化区域,采样点数目不得少于2个,总采样次数不得少于5次。
每个采样点的采样次数可以多于1次,且不同采样点的采样次数可以不同。
4.3采样注意事项4.3.1 对于单向流洁净室(区),粒子计数器的采样管口应正对气流方向;对于非单向流洁净室(区),粒子计数器的采样管口应向上。
4.3.2 布置采样点时,应尽量避开回风口。
4.3.3 采样时,测试人员应在采样口的下风测,并尽量少活动。
4.3.4 采样完毕后,对尘埃粒子计数器进行自净。
4.3.5采取一切措施防止采样过程的污染。
4.4测试状态空态、静态和动态三种状态均可进行测试。
空态或静态时,室内测试人员不得多于2人。
静态测试时洁净室净化空调系统已处于正常运行状态,动态测试时洁净室已处于正常生产状态。
测试状态的选择必须符合生产的要求,并在报告中注明测试状态。
4.5测试时间对单向流,如100级净化房间及层流工作台,应在净化空调系统正常运行不少于10分钟后开始;对非单向流,如10 000级、100 000级以上的净化室,测试应在净化空调系统正常运行不少于30分钟后开始。
1、目的:专用于无菌原料药生产的。
建立该法度的目的是为了包管无菌区空气。
令狐采学2、适用规模:A级、B级、C级、D级生产区的尘埃粒子控制和频率;可接受标准;呈现不合适情况的办法计划。
3、职责:工程部人员担任尘埃粒子在线监测系统操纵、数据检查、偏差汇报。
QA担任手动尘埃粒子检测、陈述。
担任在线监测数据的复核及检测陈述的存档。
QA、生产部、工程部担任尘埃粒子超标调查。
4、法度4.1监测指标及频率:4.1.1检测标准4.2.1在净化空气系统正常运行很多于10min后开始。
4.2.2测试12号、34号房间时,风幕开启很多于10min后开始。
4.3测试状态静态测试时测试人员不很多于2人。
4.4采样高度:采样点一般与操纵面水平(离空中0.8m~1.5m高度)。
4.5采样布点原则:关键操纵点,应避开回风口。
4.6采样时,测试人员应在采样口的下风侧。
4.7采样量4.7.1 A级、B级采样量每个点很多于1000L。
实际每个点采样量为50L/min×20min×1次。
4.7.2 C级、D级采样量每个点V≥20/C×1000,V指的是单个点的最小采样量,C指的是相对应级别最年夜粒子的限度。
实际每个点采样量为C级、D级50L/min×1min×2次。
4.7.3取样点选取根据房间的面积,具体参照N≥S,N暗示取样点的数量,S暗示检测房间的面积。
具体采样点位置和数量见附件4。
4.8在线检测4.8.1工程部人员担任尘埃粒子的在线检测,每周打印一次数据,主管检查签字后交于质量包管部存档。
4.9手动检测4.9.1质量包管部QA人员担任尘埃粒子的手动检测,检测仪器:3400型便携式空气粒子收集器。
4.9.2准备4.9.2.1接通电源开关,启动仪器,界面显示“conunter navigation”,根据需要对相关内容设置。
4.9.2.2按下“settings”键,显示屏显示“sample setup”界面。
洁净区(室)悬浮粒子监测操作规程1.静态:静态a:洁净区(室)在净化空气调节系统已安装完毕且功能完备的情况下,生产工艺设备已安装、洁净区(室)内没有生产人员的状态。
静态b:洁净区(室)生产操作全部完成后,生产操作人员撤离现场并经15~20分钟自净后。
2.动态:洁净室区(室)已处于正常生产状态,设备在指定方式下进行,并且有指定人员按照规范操作。
3置信上限(95%UCL):从正态分布抽样得到的实际均值按给定的置信度(95%)计算得到的估计上限将大于此实际均值,则称计算得到的这一均值估计上限为置信上限。
4.人员要求:4.1洁净区(室)的测试人员应进行本专业的培训并获得相应资格后才能履行对洁净区(室)测式的职责,其中包括涉及的卫生知识和基本微生物知识。
4.2洁净区(室)的测试人员应选择与生产操作的空气洁净度级别要求相适应的穿戴方式,外面的衣服不能带进D级以上的区域。
5仪器激光尘埃粒子计数器5.1应使用检定合格,且在使用有效期内的仪器;5.2激光尘埃粒子计数器(采样流量应符合检测要求,粒子计数器的管路长度应短于米)。
5.3测试要求5.3.1测试条件5.3.1.1温度和相对湿度的测试:洁净区(室)的温度和相对湿度应与其生产及工艺要求相适应(无特殊要求时,温度在18℃-26℃.相对湿度在45%-65%为宜)。
5.3.1.2压差的测定:洁净区与非洁净区之间.不同级别洁净区之间应当不低于10Pa。
相同洁净区之间不同功能的房间要保持一定的梯度,一般不低于5Pa。
5.3.2测试状态5.3.2.1测试状态分为静态和动态两种。
5.3.2.2静态测试时室内测试人员不得多于2人。
5.3.2.3应在记录报告中注明测试环境状态和室内测试人员数。
5.3.3测试时间5.3.3.1在静态a测试时,对单向流洁净区(室)而言,测试宜在净化空调系统正常运行时间不少于10分钟后开始,对非单向流洁净区(室),测试宜在净化空调系统正常运行时间不少于30分钟后开始;在静态b测试时,对单向流洁净区(室)而言,测试宜在生产操作人员撤离现场不少于10分钟后开始,对非单向流洁净区(室),测试宜在净化空调系统正常运行时间不少于15~20分钟后开始。
依据:目的:建立洁净区尘埃粒子数监测标准操作规程范围:生产车间洁净区、生测室1. 洁净标准:测试仪器及测试条件。
洁净级别及标准2. 测试仪器Y09-9型激光离子数计数器3测试条件3.1静态测试:系指洁净厂房的空气净化系统已处于正常运行状态,生产设备已安装,室内没有生产人员的测试。
3.2动态测试:洁净厂房的空气净化系统已处于正常状态,生产设备及生产人员已处于正常生产状态的测试。
3. 3测试工作应在动态条件下进行。
3. 4采样管为仪器所使用的。
3. 5仪器须经预热进入稳定状态后,方可测试记录,每个测试点连续3—5次(即连续读数)每次检测周期为2min,采样量5. 66L/min。
3. 6测试时,对环境测试参数应有记录。
4、测试点的确定及采样次数4. 1万级、十万级洁净区域的测试,根据洁净区域的面积的大小及形状选择测试点应遵循。
4 . 1.1平而面积小于5平方米且呈狭长形状的区域,可设 3个检测点。
如图:——O ——O ———O ———4. 1. 2平均面积大于5平方米,小于30平方米的区域,可用对角线五点法。
4. 1. 3平面面积大于30平方米的区域可适当增加检测点。
5. 测试数据的处理及判断5.1如各测试点的测试植均不超过(超过)该洁净级别规定的限度时,即可判为符合(不符合)洁净级别要求。
5. 1. 1测试结果取各测试点读数平均值时,按公式—C = (G+G+C+…+C) /m计算, 单位:个/平方米式中:C、C2、…G分别为第1、2…、m为次读值,m为采样次数5. 1. 2测试结果全部测试点测试平均值时,按公式N = ( C i + C2+ C3+…+G) /n计算,单位:个/平方米式中:G、G、…G分别为第1、2…、n为测试值,n为测试点数。
一一5.2如在选定的所有测试点中,各测试点的测试值出现有超过或不超过该洁净级别规定的限度时,按下列公式计算:(1) 分别求出各采样次数的平均值,单位:个/平方米C= (G+G+G+…+C m) /m (m为采样次数)(2) 求全部采样测试点的平均值,单位:个/立方米N=(C计C+C+…+G) /n(n为测试点数)(3) 求平均值的标准误差c 、求平均值的标准误差求95%置信上限UCLUCL= N ± fx dN(t为系数),单位:个/立方米95 %置信上限的系数⑴表:测试点数 3 4 5 6 7 —9 10 — 16t 2 . 9 2 . 4 2 . 1 2 . 0 1 . 9 1 . 8计算结果ucl值若不超过洁净级别规定限度时,可判为符合洁净级别要求。
依据:目的:建立洁净区尘埃粒子数监测标准操作规程范围:生产车间洁净区、生测室1.洁净标准:测试仪器及测试条件。
洁净级别及标准2.测试仪器Y09-9型激光离子数计数器3测试条件3.1静态测试:系指洁净厂房的空气净化系统已处于正常运行状态,生产设备已安装,室内没有生产人员的测试。
3.2动态测试:洁净厂房的空气净化系统已处于正常状态,生产设备及生产人员已处于正常生产状态的测试。
3.3测试工作应在动态条件下进行。
3.4采样管为仪器所使用的。
3.5 仪器须经预热进入稳定状态后,方可测试记录,每个测试点连续3—5次(即 连续读数)每次检测周期为2min ,采样量5.66L /min 。
3.6测试时,对环境测试参数应有记录。
4、测试点的确定及采样次数4.1 万级、十万级洁净区域的测试,根据洁净区域的面积的大小及形状选择测试点应遵循。
4.1.1 平而面积小于5平方米且呈狭长形状的区域,可设3个检测点。
如图:--☉--☉---☉--- 1 2 3☉ ---------- ☉ ☉ 2 34.1.2平均面积大于5平方米,小于30平方米的区域,可用对角线五点法。
☉ ☉☉☉ ☉4.1.3平面面积大于30平方米的区域可适当增加检测点。
5.测试数据的处理及判断5.1如各测试点的测试植均不超过(超过)该洁净级别规定的限度时,即可判为符合(不符合)洁净级别要求。
5.1.1测试结果取各测试点读数平均值时,按公式 C =(C 1+C 2+C 3+…+C m )/m 计算,单位:个/平方米式中:C 1、C 2、…C n 分别为第1、2…、m 为次读值,m 为采样次数。
5.1.2测试结果全部测试点测试平均值时,按公式 N =( C1 + C2+ C3+…+Cn)/n计算,单位:个/平方米式中:C1、C2、…Cn分别为第1、2…、n为测试值, n为测试点数。
5.2如在选定的所有测试点中,各测试点的测试值出现有超过或不超过该洁净级别规定的限度时,按下列公式计算:(1)分别求出各采样次数的平均值,单位:个/平方米C=(C1+C2+C3+…+Cm)/m(m为采样次数)(2)求全部采样测试点的平均值,单位:个/立方米N=(C1+C2+C3+…+Cn)/n(n为测试点数)(3)求平均值的标准误差c、求平均值的标准误差求95%置信上限UCLUCL= N ±t×dN(t为系数),单位:个/立方米95%置信上限的系数(t)表:测试点数 3 4 5 6 7—9 lO一16t 2.9 2.4 2.1 2.O 1.9 1.8计算结果ucl值若不超过洁净级别规定限度时,可判为符合洁净级别要求。
文件编号JH-GL-GC-056编制工程部批准黄剑1.目的为了规范洁净室(区)中悬浮粒子的测试方法,用以规范员工的检测操作。
2. 范围适用于适用于公司内部生产无尘车间尘埃粒子检测工作3. 术语无。
4. 职责4.1工程部门:负责规范无尘车间尘埃粒子的检测方法,并进行技术协助、指导。
4.2品质部门:负责监督、确认无尘车间尘埃粒子的工作实施。
4.3生产部门:负责执行车间尘埃粒子的测试与车间洁净度维护,并将异常情况反馈至各职能部门。
5.内容:5.1仪器:光散射粒子计数器和滤膜显微镜。
5.2 测定标准洁净度级别悬浮粒子最大允许数/立方米(a)频次静态(b)动态(b)≥0.5μm(d) ≥5μm≥0.51μm(d) ≥5μm100级3500 1 3500 1 一次/季度10000级3500 1 350000 2000 一次/季度100000级350000 2000 3500000 20000 一次/季度300000级3500000 20000 不作规定不作规定5.3 测试方法:5.3.1仪器开机,预热至稳定后,方可按说明书的规定对仪器进行校正。
5.3.2采样管口置采样点采样时,在确认计数稳定后方可开始连续读数。
5.3.3采样管必须干净、严禁渗漏。
5.3.4采样管的长度应根据仪器的允许长度,除另有规定外,长度不大于1.5m。
5.3.5计数器采样口和仪器工作位置应处在同一气压和温度下,以免产生测量误差。
5.3.6必须按照仪器的检定周期,定期对仪器作检定,以保证测试数据的可靠性。
文件编号JH-GL-GC-056编制工程部批准黄剑5.4 测试规则:5.4.1 测试条件5.4.1.1 温度和湿度:洁净室的温度和相对湿度应与其生产及工艺要求相适应,温度控制在22~28℃,相对湿度控制在30~70%之间为宜。
5.4.1.2 压差:空气洁净度不同的洁净室(区)之间的压差应≥5Pa,空气洁净度级别要求等高的洁净室(区)对相邻的空气洁净度级别低的洁净室(区)一般要求呈相对正压。
制药有限公司操作标准类文件目的:建立一个洁净区尘埃粒子检测标准操作程序,规范检测操作行为,保证测试数据的准确性及有效性。
适用范围:公司洁净区的尘埃粒子检测。
责任人:质量部QA、QC。
内容:1.测试方法1.1方法概述:本方法采用计数浓度法,即通过测试洁净环境内单位体积空气中含大于或等于某粒径的悬浮粒子数,来评定洁净区的悬浮粒子洁净度级别。
1.2测试仪器:尘埃粒子计数器1.3测试要点:1.3.1必须按照测试仪器的检定周期,定期对测试仪器作检定。
应使用检定合格且在使用有效期内的仪器。
1.3.2测试仪器未进入被测区域时应先清洁表面或在相应的洁净室内准备和存放。
1.3.3采样管必须干净,严禁渗漏。
采样管的长度应根据仪器的允许长度,除另有规定外,长度不得大于1.5m。
1.3.4粒子计数器采样口和仪器工作位置宜处于同一气压和温度下,以免产生测量偏差。
2.测试条件2.1洁净室(或洁净区)的温度和相对湿度应与其生产及工艺要求相适应。
没有特殊要求时,空气洁净度A级、B级的温度应控制在20~24℃,相对湿度应控制在45%~60%;空气洁净度D级的温度应控制在18~26℃,相对湿度应控制在45%~65%为宜。
2.2 压差:洁净区与非洁净区之间、不同级别洁净区之间的压差应≥10Pa,相同洁净度级别的不同功能区域(操作间)之间应保持适当的压差梯度。
空气洁净度级别要求高的洁净室(或洁净区)对相邻的空气洁净度级别低的洁净室(或洁净区)一般呈相对正压。
3.测试状态:3.1空态:洁净室(区)在净化空气调节系统已安装完毕且功能完备的情况下,但是没有生产设备、原材料或人员的状态。
3.2静态:3.2.1静态a:洁净室(区)在净化空气调节系统已安装完毕且功能完备的情况下,生产工艺设备已安装、洁净室(区)没有生产人员的状态。
3.2.2静态b:洁净室(区)在生产操作全部结束,生产操作人员撤离现场并经过20min 自净后的状态。
3.3动态:洁净室(区)已处于正常生产状态,生产设备按预定的工艺模式运行并有规定数量的操作人员在现场操作的状态。
1.目的:规范对洁净区尘埃粒子数检测方法和操作程序。
2.范围:各生产车间洁净区3.职责:尘埃粒子检测操作人员负责本规程的实施,品保部经理监督执行4.内容4.1检测仪器Y09-30LED型尘埃粒子计数器(用于粒子大于或等于0.5μm的尘埃粒子计数)4.2测试条件:4.2.1温度和湿度:洁净室(区)的温度和相对湿度应与其生产及工艺要求相适应(温度控制在18℃~26℃,相对湿度控制在45%~60%之间为宜)。
4.2.2压差:空气洁净度不同的洁净室之间的压差应≥5Pa,洁净室(区)与外部环境静压差≥10Pa,空气洁净度级别要求高的洁净室(区)对相邻的空气洁净度级别低的洁净室(区)一般要求呈正压。
4.3测试状态:4.3.1静态测试和动态测试。
4.3.2静态测试时,室内测试人员不得多于2人。
4.3.3测试报告中应标明测试时所采用的状态。
4.3.4测试应在净化空气调节系统正常运行时间至少30min后开始。
4.4采样点位置及布置4.4.1采样点的位置:采样点一般在离地面0.8m高度的水平面上均匀布置;采样点多于5点时,也可以在离地面0.8~1.5m高度的区域内分层布置,但每层不少于5点。
4.4.2采样点数目及其布置:尘埃粒子洁净度监测的采样点数目及其布置应根据产品的生产及工艺关键操作区设4.4.3对任何小洁净室或局部空气净化区域,采样点的数目不得少于2个,总采样次数不得少于5次。
每个采样点的采样次数可以多于1次,且不同采样点的采样次数可以不同。
4.4.4采样量:4.5结果计算:1)采样点的平均粒子浓度:A = ( C1+C2+…+C N ) / N式中:A ——某一采样点的平均粒子浓度,粒/m3;C I ——某一采样点的粒子浓度(I=1,2,…,N),粒/m3;N ——某一采样点上的采样次数,次。
2)平均值的均值:M = (A1+A2+…+A I )/ L式中:M ——平均值的均值,即洁净室(区)的平均粒子浓度,粒/m3;A i——某一采样点的粒子浓度(I=1,2,…,L),粒/m3;L ——某一洁净室(区)内的总采样点数,个。
尘埃粒子监控器怎样检测无尘洁净室中的粒子数?尘埃粒子监控器是用于测量洁净环境中单位体积内尘埃粒子数和粒径分布的仪器。
它可广泛应用于血液中心、防疫站、疾控中心、质量监督所等权威机构、电子行业、制药车间、半导体、光学或精密机械加工、塑胶、喷漆、医院、环保、检验所等生产企业和科研部门。
那么,无尘洁净室尘埃粒子的检测方法是怎样的呢?下面研成工业小编为您整理如下几点。
先按照洁净室的面积确定测试点数并在洁净室内平均分布测试点,然后设定粒子计数器的测量时间、测量单位、流量等参数,再把粒子计数器放在采样点正中离地1~1.2米高度的平面上,最后开始逐一测试采样并记录数据。
根据《洁净厂房设计规范》的规定,在对净化车间进行洁净度检测时,检测点应为距室内地坪1.00m的水平面内;对于单向流型净化车间测点总数应不小于20点,测点间距为0.5-2.0m。
水平单向流测点仅布置在第一净化车间工作区内;非单向流净化车间按净化车间面积小于或等于50m2布置5个测点。
尘埃粒子监控器在实际操作过程中,还需注意以下几点关键步骤,以便更好的使用尘埃粒子监控器:1、当入口管被盖住或被堵塞,不要启动计数仪;2、激光尘埃粒子监控器应该在洁净环境下使用,以防止对激光传感器的损伤;3、没有高压减压设备(如高压扩散器)不要取样压缩空气,所有的颗粒计数仪被设计用于在一个大气压下操作。
4、不要测有可能产生反应的混合气体(如氢气和氧气)。
这此气体也可能在计数器内产生爆炸。
测这些气体需与厂家联系为取得更多的信息。
5、水,溶液或其它液体都不能从入口管进入传感器。
7、取样时,僻免取样从计数器本身排出来的或被计数器出来的气体所污染的气体。
8、在连接外置打印机或连接外接温湿度传感器时,需先关掉计数器;当执行打印操作时,打印机上须有打印纸,否则会损伤打印头。
尘埃粒子监控器主要用来测试净化车间干净的环境,当测的地方有松散颗粒的材质,灰尘源,喷雾处时,须最少保持距进口管至少十二英寸远。
洁净室尘埃粒子检测标准操作规程
⒈目的:阐述洁净室(区)中悬浮粒子的测试方法,用以规范员工的检测操作。
⒉范围:适用于公司内部生产洁净区尘埃粒子检测工作
⒊责任:生产车间、生产部、质量管理部、QC检验室主任、检验员。
⒋测依据:
⒌内容:
5.1 仪器:光散射粒子计数器和滤膜显微镜。
光散射粒子计数器用于粒径≥0.5μm;滤膜显微镜用于粒径≥5μm的悬浮粒子的计数。
使用光散射粒子计数器时应严格按照仪器说明书操作。
5.2测定标准
5.3 测试方法
5.3.1 仪器开机,预热至稳定后,方可按说明书的规定对仪器进行校正。
5.3.2 采样管口置采样点采样时,在确认计数稳定后方可开始连续读数。
5.3.4 采样管必须干净、严禁渗漏。
5.3.5 采样管的长度应根据仪器的允许长度,除另有规定外,长度不大于1.5m。
5.3.6 计数器采样口和仪器工作位置应处在同一气压和温度下,以免产生
测量误差。
5.3.7 必须按照仪器的检定周期,定期对仪器作检定,以保证测试数据的可靠性。
5.4 测试规则
5.4.1 测试条件
5.4.1.1 温度和湿度:洁净室的温度和相对湿度应与其生产及工艺要求相适应,温度控制在18~26℃,相对湿度控制在45~65%之间为宜。
5.4.1.2 压差:空气洁净度不同的洁净室(区)之间的压差应≥5Pa,空气洁净度级别要求等高的洁净室(区)对相邻的空气洁净度级别低的洁净室(区)一般要求呈相对正压。
5.4.2 测试状态:有静态测试和动态测试。
5.4.2.1 静态测试时室内空调系统已处于正常运行状态,测试人员不得多于2人。
尘埃粒子数必须符合规定。
5.4.2.2 动态测试时已处于正常生产状态,所产生粒子不影响最终产品的作业,可允许超出标准,但当操作完成10分钟后,粒子水平必须恢复到以洁净区尘粒最大允许数范围之内,应定期监控动态条件下的洁净状况。
5.4.2.3 测试报告中应标明测试时所采用的状态。
5.4.3 测试时间:对单向流,测试应在净化空调系统正常运行时间不少于30分钟后开始。
5.4.4 悬浮粒子计数
5.4.4.1 采样点数目及其布置
5.4.4.1.1 采样点数目及其布置应根据产品的生产及工艺关键操作区设置。
5.4.4.1.2 采样点布置要求均匀,避免采样点在某局部区域过于稀疏。
5.4.4.1.3 采样点一般在工作台面上0.2m高度的平面上均匀布置。
5.4.4.2 采样点的限定:对于任何小洁净室或局部空气净化区域,采样点的数目不得少于2个,总采样次数不得少于5次。
每个采样点采样次数可以多于1次,但不同采样点的采样次数可以不同。
最少采样点数目
5.4.4.3 采样量:
最小采样量
5.4.4.4 采样注意事项
5.4.4.4.1 在确认洁净室(区)送风和压差达到要求后,方可进行采样。
5.4.4.4.2 对于单向流,计数器采样管口朝向应正对气流方向,对于非单向流,采样口宜向上。
5.4.4.4.3 布置采样点时,应避开回风口。
5.4.4.4.4 采样时,测试人员应在采样口的下风侧。
5.4.4.4.5 悬浮粒子浓度的采样数据应按下述步骤作统计计算。
5.5 结果计算
C 1+C 2+------+C N
5.5.1 采样点的平均粒子浓度A= ————————
N
式中:
A--某一采样点的平均粒子浓度,粒/m 3;
Ci--某一采样点的粒子浓度(i=1,2,---,N ),粒/m 3;
N--某一采样点上的采样次数,次。
A 1+A 2+---+A L
5.5.2 平均值的均值M= ————————
L
式中
M ——平均值的均值,即洁净室(区)的平均粒子浓度,粒/m 3;
Ai ——某一采样点的平均粒子浓度(i=1,2,---,L ),粒/m 3;
L ——某一洁净室(区)内的总采样点数,个。
5.5.3 标准误差 SE=
)1()()()(22221--++-+-L L M A M A M A L 式中
SE ——平均值的标准误差,粒/m 3。
5.5.4 置信上限
UCL=M+t×SE
式中:UCL ——平均值均值的95%置信上限,粒/m 3;
t ——95%置信上限的t 分布系数。
95%置信上限的t 分布系数
注:当采样点多于9点时,不需要计算UCL 。
5.6 结果评定:判断悬浮粒子洁净度级别应依据下述二个条件。
5.6.1 每个采样点的平均粒子浓度必须低于或等于规定的级别界限,即Ai ≤级别界限。
5.6.2 全部采样点的粒子浓度平均值的均值的95%置信上限必须低于或等于规定的级别界限,即UCL ≤级别界限。
5.7 当连续三次样品测试结果超过警戒指标,或单位样品的结果特别高时,应着手采取措施。
5.8 用标有页码记录本记录洁净室悬浮粒子测试实验,内容包括:部门、试状态、测试时间、标准、测试结果、结果计算、结果评定等所有记。