常用电工材料
- 格式:doc
- 大小:23.50 KB
- 文档页数:1
常用电工材料
导电材料
绝缘电线
绝缘电线是用铜或铝做导电线芯,外层敷以绝缘材料的电线。
通常工厂中使用的多为绝缘硬电线和绝
缘软电线。
固定敷设用的电线为线芯根数比较少的绝
缘硬线,作为移动使用的电线要求比较柔软,所以采
用线芯根数比较多的绝缘软线。
常用导线的外层绝缘
材料有橡皮与塑料(聚氯乙烯)绝缘之分。
常用电工材料
导电材料
绝缘材料
绝缘材料的主要作用是隔离带电的或不同电位的导体,使电流只能沿着指定的导体流动,因此人触及
具有绝缘材料外层的导体时不会发生触电事故。
在某
些场合下,绝缘材料往往还起着机械支撑、保护导体
及防电晕、灭电弧等作用,故绝缘材料是电气设备中
必不可少的部分。
对绝缘材料的基本参数是绝缘强度、
绝缘电阻、耐热性、吸水性、介电损耗、介质常数、
机械强度等。
绝缘材料在长期使用过程中,会发生化
学和物理变化而使电气性能及机械性能下降,这种变
化称为老化。
常用电工材料
导电材料
磁性材料
磁性材料主要是指电阻合金,电阻合金是制造电阻元件的重要材料之一,广泛用于电机、电气、仪表
及电子工业。
电阻合金除了必须具备电热材料的基本
要求外,还要求电阻的温度系数低,组织稳定。
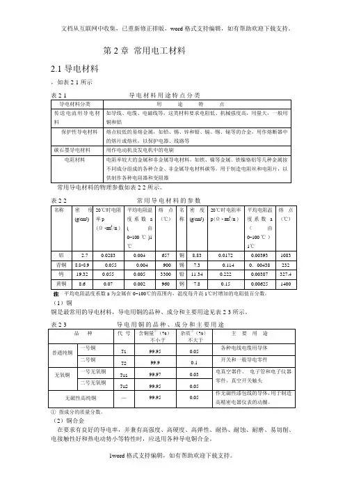
第2章常用电工材料2.1导电材料,如表2-1所示常用导电材料的物理参数如表2-2所示。
注平均电阻温度系数a为金属在0~100℃的范围内,温度每升高1℃时增加的电阻值百分数。
(1)铜铜是最常用的导电材料,导电用铜的品种、成分和主要用途见表2-3所示。
①指成分的质量分数。
(2)铜合金在要求有良好的导电率,并兼有高强度、高硬度、高弹性、耐热、耐蚀、耐磨、易切削、电接触性好和热电动势小等特性时,应选用各种导电铜合金。
(1)铝铝的电导率约为铜的61%,密度为铜的30%,机械强度为铜的1/2,比强度(抗拉强度/密度)约为铜的1.3倍。
在单位长度电阻相同的情况下,质量仅为铜的50%。
铝的资源丰富,价格比铜低。
因此,除对导体尺寸及力学性能等有规定要求的场合外,应优先采用铝作导体材料。
导电用铝的化学成分见表2-4。
导电用铝的性能和主要工艺参数见表2-5。
注表中成分含量均为质量分数①根据GB 3955—83规定。
(2)铝合金在铝中添加镁、硅、铁、铬、铜、锆等元素可得到高电导率、高强度和热稳定性好的铝合金。
导电铝合金的品种、性能和主要特征及用途见表2-6所示。
(3)裸导体制品裸导体制品大部分用作电线、电缆的导体,可直接供电力、通信、交通运输等工业部门使用,以及制作成各种电工产品的零件。
裸导体制品的分类、名称、特性和用途见表2-7所示。
(1)电磁线的分类及特点电磁线可分为漆包线、绕包线等几类。
漆包线、绕包线的主要品种及其特点与用途见表2-8所示。
(2)电磁线的选用选用电磁线时应根据使用技术条件合理地选择以下项目的性能参数,使其满足要求。
①热寿命和其他热性能。
②占空系数。
③绝缘层在弯曲时不开裂、耐刮性和介电强度。
④绝缘层承受过负载能力和环境因素。
⑤与浸渍漆的相容性、耐溶剂性及耐化学药品性等。
(3)电磁线的保管与使用电磁线的保管与使用应注意以下几个问题:①电磁线不宜置于高湿度的库房或酸、碱、有机溶剂附近。
②要避免阳光直射。
电工常用材料电工常用材料是指在电气工程中常用的一些材料和器件,它们在电气安装、维护和修理中起着重要的作用。
本文将介绍一些常见的电工常用材料,包括导线、绝缘材料、接线端子、电缆、开关插座等。
首先,导线是电工常用材料中的重要组成部分。
导线通常用来传输电能,根据其材质和用途的不同,可以分为铜导线、铝导线、裸导线等。
铜导线具有良好的导电性能和耐腐蚀性能,常用于家庭和工业电气系统中。
铝导线轻便且价格较低,常用于输电线路。
裸导线则常用于架空线路,具有良好的耐候性和机械强度。
其次,绝缘材料是保证电气设备安全运行的重要材料。
绝缘材料主要用于包裹导线和电缆,防止电流泄露和短路。
常见的绝缘材料包括聚氯乙烯(PVC)、交联聚乙烯(XLPE)、橡胶等。
这些材料具有良好的绝缘性能和耐热性能,能够有效地保护导线和电缆,确保电气设备的安全运行。
接线端子是连接导线的重要器件,常用于电气设备的接线和连接。
接线端子通常分为压接式、螺钉式和插接式等不同类型,根据不同的接线要求和环境条件选择合适的接线端子非常重要。
良好的接线端子能够确保接线牢固可靠,减少接触电阻,提高电气设备的运行效率。
电缆是电工常用材料中的重要组成部分,用于传输电能和信号。
根据用途和环境条件的不同,电缆可以分为电力电缆、控制电缆、通信电缆等。
电力电缆用于输送电能,控制电缆用于控制信号传输,通信电缆用于传输通信信号。
选择合适的电缆对于电气设备的正常运行至关重要。
最后,开关插座是电工常用材料中的常见用品,用于控制电气设备的开关和供电。
开关插座通常分为单控开关、双控开关、插座等不同类型,根据不同的用途和需求选择合适的开关插座非常重要。
良好的开关插座能够确保电气设备的安全运行,提高用电效率。
总的来说,电工常用材料在电气工程中扮演着重要的角色,它们直接影响着电气设备的安全运行和使用效率。
因此,在选择和使用电工常用材料时,需要根据实际需求和环境条件进行合理的选择,确保电气设备的正常运行和安全使用。
本文极具参考价值,如若有用请打赏支持我们!不胜感激!
【专业知识】电工新材料有哪些
电工新材料常见的有:电工用塑料、无机绝缘新材料信息存储功能材料磁记录材料、
做光材料磁性微粒子功能材料磁流休材料、特殊磁性材料、光电材料,发光材料、
压电材料以及半导体材料和超导体材料等。
(1)电工用塑料电工用塑料是由合成树脂、填料和各种添加剂等配制成的粉状、粒
状和纤维状材料按照合成树脂的特性,塑料可分为热固性和热塑性两种:
常见的有酚醛塑料、氨基塑料、密胺聚酷塑料、邻苯二甲酸二烯丙醋塑料,聚酸亚
胺塑料、环氧模塑料、聚苯乙烯塑料、ABS塑料、聚甲基丙烯酸甲醋塑料、聚酞胺塑料、聚碳酸脂酸醋塑料、聚讽塑料等。
(2〕无机绝缘新材料:
常用的无机绝缘新材料有电工玻璃、绝缘陶瓷材料。
以及具有高耐热性、耐电弧性、
耐电晕性的云母、石棉、玻璃和陶瓷制品。
(3)磁记录材料:
磁记录材料是用于记录、储存和再现信息的磁性材料,常见的有磁头材料、磁记录
介质、颖粒涂布型介质、连续薄膜型介质等,常应用在磁盘、磁鼓、磁行、磁光盘
上。
(4)磁光材料:
目前正在使用的磁光材料有石榴石薄膜、非晶薄膜、复合膜、MnBi系列薄膜,Mn-MGe 系列薄膜、氧化物簿膜、人工晶格多层膜以及其他合金和化合物材料。
广泛应用在。
电工材料清单电工材料是指用于电气工程中的各种材料,包括导线、电缆、绝缘材料、接头、接线端子、电器元件等。
在电气工程中,选择合适的电工材料对于工程的安全性和可靠性至关重要。
下面将列举一份电工材料清单,以供参考。
1. 导线。
铜导线,用于输电、配电以及接地等场合,具有良好的导电性能和抗氧化性能。
铝导线,用于输电线路和分支线路,具有轻质、良好的导电性能和较低的成本。
2. 电缆。
电力电缆,用于输电、配电以及建筑物内部的电气设备连接。
通信电缆,用于电话、宽带、电视等通信系统的信号传输。
3. 绝缘材料。
绝缘胶带,用于电线绝缘、电气设备绝缘包装和绝缘保护。
绝缘管,用于电线的绝缘保护,具有耐高温、耐腐蚀、阻燃等特性。
4. 接头。
绝缘接头,用于连接导线或电缆,保证连接处的绝缘性能。
防水接头,用于户外电气设备连接,具有防水、防潮、耐腐蚀等特性。
5. 接线端子。
接地端子,用于接地系统,确保电气设备的安全运行。
接线端子,用于连接导线或电缆,保证连接牢固、导电性能良好。
6. 电器元件。
开关,用于控制电路的通断,包括手动开关、自动开关等。
插座,用于连接电器设备,提供电源接口。
以上列举的电工材料清单仅为部分常见材料,实际工程中还会根据具体需求选择相应的材料。
在选择电工材料时,需要考虑材料的导电性能、绝缘性能、耐候性、耐热性、防水性等特性,以及材料的标准符合情况。
同时,安装电工材料时,需要严格按照相关规范和要求进行安装,确保电气设备的安全可靠运行。
总之,电工材料的选择和使用对于电气工程的安全性和可靠性至关重要,希望以上电工材料清单能够为工程设计和施工提供参考,确保工程质量和安全。
电工材料一、常用导电材料导电材料大部分是金属,其特点是导电性好,有一定的机械强度,木易氧化押腐蚀,容易加工焊接。
1.铜.铝和电线电缆1)铜铜导电性好,有足够的机械强度,并且不易腐蚀,被广泛应用于制造变压器,电机和各种电器线圈。
铜根据材料的软硬程度,分为硬铜和软铜两种,在产品型号中,铜线的标志是'T'、"TV”表示硬铜JTR”表示软铜。
2)铝铝导线的导电系数虽比铜大,但它密度小,同样长度的两根导线,若要求它们的电阻值一样,铝导线的截面积比铜导线大1.68倍。
铝资源丰富,价格便宜,是铜材料最好的代用品。
但铝导线焊接比较困难,铝也分为硬铝和软铝。
用做电机、变压器线圈的大部分是软铝,产品型号中,铝线的标志是“L”、“LV”表示硬铝,“LR”表示软铝。
3)电线电缆电线电缆品种很多,按照它们的性能、结构、制造工艺及使用特点分为裸线、电磁线、绝缘线电缆和通信电缆4种。
(1)裸线。
该产品只有导体部分,没有绝缘和护层结构。
它分为圆单线、软接线、型线和硬绞线4种,修理电机电器时经常用到的是软接线和型线。
(2)电磁线。
电磁线应用于电机电器及电工仪表中,作为绕组或元件的绝缘导线。
常用的电磁线有漆包线和绕包线。
(3)绝缘线电缆。
我们低压所用的绝缘线电缆主要用于固安敷设在交流50Hz,额定电压0.6IkV及以下输配电电路上。
它主要由导线线芯、绝缘层护层、填充料组成。
(4)通信电缆。
通信电缆是指用于(5)根据用途和使用范围分为市内通信电缆,近距离通信(音频)和远距离的高频载波和数字通信及信号传输的电缆。
长途对称电缆。
同轴电缆、光纤电缆、射频电缆等几种。
2.聚氧乙烯和橡皮绝缘导线广泛用于额定电压(V0/V)450/750、300/5OOV及以下,和直流电压1000V以下的动力装置及照明电路敷设中,是我们最常用材料之一。
二、电热材料电热材料是用来制造各种电阻加热设备中的发热元件,作为电阻接到电路中,把电能变为热能,使加热设备的温度升高。
电工材料有哪些电工材料是指用于电气设备安装、维护和绝缘的各种材料。
它们在电气工程中起着至关重要的作用,不仅影响着设备的性能和安全,也直接关系到电气系统的正常运行。
下面我们将介绍一些常见的电工材料。
首先,绝缘材料是电工材料中的重要组成部分。
绝缘材料主要用于包覆电气导线和设备,以防止电流泄露和短路。
常见的绝缘材料包括聚氯乙烯(PVC)、交联聚乙烯(XLPE)、聚四氟乙烯(PTFE)等。
这些材料具有良好的绝缘性能和耐热性能,能够有效地保护电气设备和人身安全。
其次,导线和电缆是电工材料中不可或缺的部分。
导线用于传输电流,而电缆则是由多根导线组成的电气连接线。
导线和电缆的选材和规格需根据具体的电气系统要求来确定,通常包括铜导线、铝导线、聚氯乙烯绝缘电缆、交联聚乙烯绝缘电缆等。
这些导线和电缆具有良好的导电性能和耐热性能,能够满足不同电气设备的需求。
此外,电工绝缘工具也是电工材料中的重要组成部分。
电工绝缘工具主要用于安装和维护电气设备时的操作,包括绝缘螺丝刀、绝缘扳手、绝缘钳等。
这些工具具有良好的绝缘性能和耐用性,能够有效地保护操作人员的安全。
最后,绝缘胶带和绝缘漆也是电工材料中不可或缺的部分。
绝缘胶带主要用于包覆电气连接点,以增强绝缘性能和防水性能。
而绝缘漆则用于涂覆电气设备表面,以增强绝缘性能和耐候性能。
这些材料具有良好的绝缘性能和耐用性,能够有效地保护电气设备。
综上所述,电工材料包括绝缘材料、导线和电缆、电工绝缘工具、绝缘胶带和绝缘漆等。
它们在电气工程中起着至关重要的作用,能够有效地保护电气设备和人身安全,确保电气系统的正常运行。
因此,在选择和使用电工材料时,需要根据具体的电气系统要求来确定,以确保设备的性能和安全。
电工材料清单1. 电线和电缆。
电线和电缆是电工工作中最基本的材料之一。
它们用于输送电力和信号,根据不同的用途和环境,有不同种类的电线和电缆可供选择。
在选择电线和电缆时,需要考虑到电流负荷、环境温度、耐磨性等因素。
2. 开关和插座。
开关和插座是电工安装中不可或缺的部分。
它们用于控制电路的通断和连接,保障电路的安全和可靠性。
在选择开关和插座时,需要考虑到负载类型、安装位置、防水防尘等要求。
3. 电气工具。
电气工具是电工在安装和维护电气设备时经常使用的工具。
常见的电气工具包括电钳、电动螺丝刀、绝缘工具等。
在选择电气工具时,需要考虑到工作需求、安全性和使用便捷性。
4. 绝缘材料。
绝缘材料是用于保护电气设备和人员安全的重要材料。
常见的绝缘材料包括绝缘胶带、绝缘套管、绝缘垫等。
在选择绝缘材料时,需要考虑到绝缘性能、耐高温性能、耐老化性能等指标。
5. 电气连接器。
电气连接器用于连接电气设备和电路,保障电路的可靠性和稳定性。
常见的电气连接器包括端子、接线端子、插头插座等。
在选择电气连接器时,需要考虑到电流负荷、接线方式、防水防尘等要求。
6. 电气安装配件。
电气安装配件包括各种安装固定材料、导管配件、接地装置等。
它们用于保障电气设备的安全安装和可靠接地。
在选择电气安装配件时,需要考虑到安装方式、防腐蚀性能、防水防尘等要求。
7. 电气保护器件。
电气保护器件用于保护电路和电气设备,防止过载、短路、漏电等故障。
常见的电气保护器件包括保险丝、断路器、接地故障保护器等。
在选择电气保护器件时,需要考虑到额定电流、动作特性、故障类型等指标。
综上所述,电工材料清单涵盖了电线电缆、开关插座、电气工具、绝缘材料、电气连接器、电气安装配件和电气保护器件等多个方面。
在进行电气工作时,我们需要根据具体需求和环境要求,选择合适的材料和配件,以保障电路的安全可靠运行。
希望以上内容能够帮助大家更好地了解和选择电工材料,提高工作效率和质量。
常用电工材料分为导电材料、导磁材料和绝缘材料。
一、常用导电材料
铜和铝是目前最常用的导电材料。
若按导电材料制成线材(电线或电缆)和使用特点分,导线又有裸线、绝缘电线、电磁线、通讯电缆线等。
1、裸线
特点:是只有导线部分,没有绝缘层和保护层。
分类:按其形状和结构分,导线有单线、绞合线、特殊导线等几种。
单线主要作为各种电线电缆的线芯,绞合线主要用于电气设备的连接等。
2、绝缘电线
特点:不仅有导线部分,而且还有绝缘层
分类:按其线芯使用要求分有硬型、软型、特软型和移动型等几种。
主要用于各电力电缆、控制信号电缆、电气设备安装连线或照明敷设等。
3、电磁线
电磁线是一种涂有绝缘漆或包缠纤维的导线。
主要用于电动机、变压器、电器设备及电工仪表等,作为绕组或线圈。
4、通讯电缆线
通讯电缆线包括电信系统的各种电缆,电话线和广播线。
5、电热材料
电热材料是用于制造各种电阻加热设备中的发热元件,要求电阻系数高,加工性能好,有足够的机械强度和良好的抗氧化能力,能长期处于高温状态下工作。
常用有镍铬合金,铁铬铝合金等。
二、常用导慈材料
导磁材料按其特性不同,一般分为软磁材料和硬磁材料两大类。
1、软磁材料
软磁材料一般指电工用纯铁、硅钢板等,主要用于变压器,扼流圈,继电器和电动机中作为铁芯导磁体。
电工用纯铁为DT系列。
2、硬磁材料
硬磁材料的特点是在磁场作用下达到磁饱和状态后,即使去掉磁场还能较长时间地保持强而稳定的磁性,硬磁材料主要用来制造磁电式仪表的磁钢,永磁电动机的磁极铁芯等。
可分为各向同性系列,热处理各向异性系列,定向结晶各向异性系列等三大系列。
三、常用绝缘材料
1、绝缘漆:有浸渍漆、漆包线漆、覆盖漆、硅钢片漆、防电晕漆等。
2、绝缘胶:与无溶胶相似,用于浇注电缆接头,套管,20kV以下电流互感器,10kV以下电压互感器。
3、绝缘油:分为矿物油和合成油,主要用与电力变压器,高压电缆,油浸纸电容器中,以提高这些设备的绝缘能力。
4、绝缘制品:有绝缘纤维制品,浸渍纤维制品,电工层压制品,绝缘薄膜及其制品等。