洞身三台阶临时仰拱、临时横撑交底书
- 格式:doc
- 大小:22.00 KB
- 文档页数:2
Ⅲ级围岩仰拱衬砌施工技术交底书编制单位:中铁十八局玉磨铁路项目经理部编号: YMZQ-12-01-042工程名称新建玉溪至磨憨铁路站前工程YMZQ-12标段编制时间2016年 08月 01日工程部位Ⅲ级围岩仰拱衬砌施工技术交底交底人修朋磊复核人一、设计参数二次衬砌、仰拱混凝土土根据二衬环境作用等级确定,填充采用C20混凝土。
二、施工工艺隧道衬砌遵循“仰拱超前、墙拱整体衬砌”的原则,初期支护完成后,为有效地控制其变形,仰拱尽量紧跟开挖面施工,仰拱浇筑成型后待其强度达到设计要求后,才浇筑填充砼,仰拱填充采用栈桥平台以解决洞内运输问题。
仰拱、填充施作完成后,利用液压式防水板台车铺设防水板后,采用液压整体式衬砌台车进行二次衬砌,采用拱墙一次性整体灌注施工。
混凝土在洞外采用拌和站集中拌和,混凝土搅拌运输车运至洞内,混凝土输送泵泵送入模。
1、衬砌模板模板衬砌台车必须按照隧道内净空尺寸进行设计、制造与组装,钢结构及钢模必须具有足够的强度、刚度和稳定性。
相邻弧模缝隙小于5mm,表面平整度小于5mm。
衬砌台车经施工单位会同监理单位验收合格后方可投入使用。
模板台车长度为12m,工点设计应根据沉降缝、预留洞室和预埋管线位置综合确定。
模板台车侧壁作业窗分层布置,每层设置4个窗口,共计设置32个窗口,其窗口大小为45cm×45cm。
拱顶部位应每隔4m预留1个φ32mm的注浆孔。
模板安装必须稳固牢靠,接缝严密,不得漏浆。
模板台车的走行轨铺设在填充混凝土面上。
模板表面要光滑,与混凝土的接触面必须清理干净并涂刷专用脱模剂。
模板的安装允许偏差和检验方法见表1。
表1 模板安装允许偏差和检验方法序号项目允许偏差(mm)检验方法1 边墙角±15 尺量2 起拱线±10 尺量3 拱顶+10、0 水准测量4 模板表面平整度5 2m靠尺和塞尺5 相邻浇筑段表面高低差±10 尺量2、仰拱、二次衬砌钢筋Ⅲ级围岩仰拱衬砌为素混凝土,不含钢筋。
隧道洞内三台阶临时横撑法施工作业指导书1、使用范围适用于新建铁路客运专线隧道正洞三台临时横撑阶法施工,此工法适用于以下隧道.2、验收标准2.1洞身开挖前必须进行超前地质预报.2.2应根据监控量测数据,判定隧道圉岩及初期支护的稳定状态,并动态调整开挖支护圉岩预留变形量.2.3洞身开挖应减少对圉岩的扰动,并应严格控制超欠挖.2.4开挖步距应严格控制2.4.1上台阶每循环开挖支护进尺V级圉岩不应大于1棉钢架间距,IV级围岩不得大于2棍钢架间距.2. 4. 2边墙每循环开挖支护进尺不得大于2棍钢架间距.2. 4. 3仰拱开挖前必须完成下台阶钢架锁脚锚杆的安装及注浆,每循环开挖进尺不得大于3米.2. 4. 4隧道开挖后初期支护应及时施作并封闭成环,IV、V圉岩封闭位置距离掌子面不得大于35米.2.5隧道必须在每一次开挖后及时观察、描述开挖面地层的层理、节理、裂隙结构状况、岩体的软硬程度等,核对设计地质情况,判断圉岩稳定性.2.6隧道开挖断面的中线和高程必须符合设计要求.2. 7隧道开挖净空必须符合设计•要求.拱墙及拱脚以上1米内断面严禁欠挖.2. 8隧底开挖轮廓和底部高程应符合设计要求.2.9边墙基础及隧道底地质情况应满足设计要求,基底无积水,浮渣.3、作业准备3.1技术准备3.1.1岗前培训组织技术人员认真学习实施性施工组织设计,阅读、审核施工图纸,澄清有关技术问题,熟悉规范和技术标准.对参加施工人员进行上岗前技术培训,考核合格后持证上岗•对施工操作人员进行岗前安全培训.3.1. 2技术交底施工前必须进行技术交底,实行三级交底制定.3.1. 3制定应急预案针对突发状况及紧急情况下应急预案.3.2. 4监控量测结果分析对已开挖段进行监控量测数据结果分析,利用分析结果指导施工.3.2.5对开挖段面进行检查和复核(中线、高程、断面尺寸、净空等).4、技术要求4.1施工中根据设计文件预留变形量,并根据监控量测结果及时动态调整.4.2施工采用机械开挖,墙脚、拱脚等隅角处预留60~70厘米采用人工开挖修边.4.3开挖循环进尺上台阶每循环开挖支护进尺V级圉岩不应大于1棉钢架间距,IV 级圉岩不得大于2棉钢架间距.边墙每循环开挖支护进尺不得大于2棍钢架间距.仰拱开挖前必须完成钢架锁脚锚杆,每循环开挖进尺不得大于3米.4.4施工中如发现监测数据突变,初期支护变形、开裂等情况下,应暂停开挖, 分析原因,加强支护,调整施工方案.4.5开挖各工序步距应严格控制,长度宜为5米左右.开挖工作面距离仰拱不应大于35米.4.6隧道开挖的允许超挖值应符合表4. 6要求.5.1三台阶临时横撑法施工流程祥IWlO觀施工对⅛≡朋5.2施工工序三台阶临时横撑法开挖以机械为主,人工辅助•见图三台阶设临时横撑法工序横断面-L越硕=Γ⅛ Γ =S示意5.2.1、三台阶设临时仰拱法施工工序:(1) ①开挖1部台阶,同时每循环进尺一次,均应做好超前支护.② 施作1部洞身结构的初期支护,即除喷4厘米厚混凝土,架立初期支护 钢架及临时横撑钢架,并设置锁脚锚杆(管)拱墙二衬衬砌 仰拱填充 13・沁∙7H; V ;.∙s 严•Z z •• ∙.√√.;初期支护喷混凝土/三台阶设临时横撑法工序平面图③钻设系统锚杆后复喷混凝土至设计厚度,上台阶临时钢架喷射混凝土.(2)① 上台阶施工8棉钢架后,拆除1部台阶临近2部台阶的临时仰拱,分侧开挖2部台阶,交错开挖中台阶两侧边墙,错开距离控制在2~3米,使左右两侧暴露的初期支护在不同时处于悬空状态,每次开挖不得大于2棍,同时每循环进尺一次,均应做好超前支护.②施作2部洞身结构的初期支护,即初喷4厘米后混凝土,架立初期支护钢架及临时横撑钢架,并设置锁脚锚杆(管).③钻设系统锚杆后复喷混凝土至设计用度.(3)中台阶施工至8棉钢架后,分侧开挖3部台阶,分侧接长钢架,施作洞身结构的初期支护,可参见工序2进行.(4)① 开挖4部台阶,及时封闭初期支护,可参见工序3进行.仰拱开挖亦分左右侧进行.仰拱与掌子面的最大距离不能超过安全距离即35米以内.仰拱分两次开挖每次开挖长度为3米,紧跟着施做仰拱初期支护,循环上步,随后搭设仰拱栈桥,及时浇筑6米长仰拱混凝土,继续前方掌子面开挖.②灌注该段内V部仰拱,笫4部台阶开挖后仰拱应紧跟.③灌筑该段内Vl部隧底填充.(5)利用衬砌模板台车一次性灌筑训部二次衬砌(拱墙衬砌一次施作)•(6)以此循环施作•6、施工要求6.1型钢钢架加工6. 1. 1钢架弯制结合开挖方法,根据《双线隧道复合式衬砌参考图》、《双线隧道施工方法及辅助支护设计图》进行弯制,弯制完成后,先在加工场地上进行试拼. 各节钢架拼装,要求尺寸准确,弧形圆顺,要求沿隧道周边轮廓误差为±3厘米;型钢钢架平放时,平面翘曲偏差应为2厘米.6. 1. 2钢架加工前应先根据断面预留沉降量,判断其断面尺寸,结合参考图,对边墙钢架、对临时仰拱、临时横撑尺寸进行调整.6.2钢架安装6. 2. 1钢架安装在掌子面开挖初喷完成后立即进行.6. 2. 2根据测设的位置,各节钢架在掌子面以螺栓连接,连接板应密贴.为保证各节钢架在全环封闭之前置于稳定地基上,安装前应清理各节钢架底脚下的虚渣及杂物•同时每侧设2根锁脚锚管将其锁定.6. 2. 3钢架按设计位置安设,在安设过程中当钢架和初喷层之间有较大间隙每隔2米用栓预制块楔紧,钢架背后用喷磴填充密实.钢架纵向连接采用Φ22钢筋,环向间距1米.6. 2.4架立钢架后应尽快进行喷碗作业,以使钢架与喷絵共同受力.6. 2. 5待初期支护完成后,进行临时仰拱施工,临时仰拱钢拱架安装前,先试拼,平整场地,确定洞身钢架连接与临时钢架连接板高度.6. 2. 6如土质比较酥软,底部应先用挖机夯实,铺一层方木,进行加固.6. 2. 7临时横撑(临时仰拱)钢架釆用118轻型工字钢,钢架间间距,每2棍钢架设置一处,6. 2. 8临时支撑与洞身钢架以螺栓连接,洞身钢架架设后再相应位置焊接连接钢板并预留螺栓,以便临时钢架连接,连接螺栓需要扳手进行拧紧,钢板应密贴.(如图7.4)6. 2. 9为考虑钢拱架二次利用,在每一根钢板连接螺栓处,在喷射混凝土前用土工布将螺栓处进行包裹,保证其丝扣完整,以便拆除.(临时横撑钢架如果在拆除中发生扭曲变形,就不得再次使用),将安装临时横撑钢架部位和进行土石方回填,回填时,钢架底部悬空位置采用人工回填,并夯实,然后采用机械回填人工辅助,回填高度应高于钢拱架30厘米~40厘米,以保证拱墙初支不受影响及机械在临时仰拱上通行正常.6. 3喷射混凝土6. 3. 1喷射混凝土原材料检查合格后才能使用,速凝剂应妥善保管,防止变质.喷射混凝土的坍落度宜控制在8~13厘米,坍落度过大混凝土施工过程中不易控制,过小容易出现堵管现象.喷射过程中应及时检查混凝土的回弹率和实际配合比.喷射混凝土的回弹率:侧壁不应大于15%,拱部不应大于25%.6. 3. 2喷射前应仔细检查喷射面,如有松动土块应及时处理.喷射机应布置在安全地带,并尽量靠近喷射部位,便于掌机人员与喷射手联系,随时调整工作rιnΦ23「J⅛μ∣;Φ23In C,邑~ft so L IaO L SOA-T2E02-2剖而示慰::8临时钢架图7.46. 3. 3喷射完成后仔细检查喷射混凝土与岩面粘结情况,可锤敲击检查.同时测量其平整度和断面,并将此断面与开挖断面对比,确认喷射磴厚度是否满足设计和规范要求.当有空鼓、脱壳时,应及时凿除,高压风吹干净进行重喷.6. 3. 4在喷射侧璧下部时,需将上半断面喷射时的回弹物清理干净,防止将回弹物卷入下部喷层形成“蜂窝”而降低强度.6. 3.5经常检查喷射机出料弯头、输料管和管路接头,发现问题及时处理. 管路堵塞时,必须先关闭主机,然后才能进行处理.6. 3. 6喷射完成后应先关闭主机,再依次关闭计量泵、震动棒和风阀,然后用清水将机内、输送管路内残留物清除干净.6.4临时横撑钢架拆除:6.4. 1临时横撑拆除应根据台阶法施工步骤上中下台阶进尺,逐一进行临时钢架拆除;6.4. 1钢架拆除前先釆用洋镐和铁锹将钢架表面覆盖碎石和土,用洋镐将洞身钢架和临时钢架连接处覆盖的碎石和土清除;6. 4. 2用洋镐清除钢架连接螺栓处覆盖的碎石和土;6. 4. 3拆除原先包好的土工布,再拆除螺栓;6. 4. 4然后利用钢丝绳机械配合,逐一拆除钢架,拆除钢架时先拆除两侧钢架,然后再拆除中间钢架,以此循环推进.7、施工注意事项7.1隧道施工应坚持“弱爆破、短进尺、强支扒早封闭、勤测量”的原则.7.2三台阶临时仰拱法、临时横撑法,都是地质圉岩比较差的惜况下使用的, 因此,在施工时,应严格按照施工图纸规范要求施工,保证临时横撑(临时仰拱)发挥其有效作用.7.3下一台阶的开挖应在上一台阶喷混凝土达到设计强度的70%以上时再进行.下部断面,左右侧宜交错进行.7.4上台阶每循环开挖进尺V、Vl级围岩不应大于1棍钢架间距,1V围岩不得大于2棉钢架间距,边墙每循环开挖进尺不得大于2棍;仰拱开挖前必须完成钢架锁脚锚杆,每循环开挖进尺不得大于3米.7.5隧道开挖后初期支护应及时施做并封闭,封闭位置距离掌子面一般不大于30米;二次衬砌及时施做,二衬衬砌距掌子面的距离:W级围岩不得大于90 米、V、Vl级围岩不得大于708、安全及环水保要求& 1安全要求8. 1. 1隧道釆用机械开挖时,应根据其断面和作业环境合理选择机型,划定安全作业区域,并设置警示标示,非作业人员不得入内,隧道釆用人工开挖时,作业人员应保持必要的安全操作距离,并设专人指挥.8. 1. 2隧道在开挖下一个循环作业前,必须对照设计检查初期支护施作情况, 确保施作作业环境安全.8. 1. 3加强超前地质预报与圉岩监控测量,根据监测数据,判断用岩的稳定性,指导施工,保证施工安全.8. 1. 4准备充足的应急救援物资,设置应急救援通道,以备抢险之用.&2环水保要求8. 2. 1施工现场存放油料的地面进行防渗处理,如釆用防渗混凝土地面,铺设油毡等措施.使用过程中,制定防止油料跑、冒、滴、漏的措施,防止土壤受到污染.8. 2.2在运输、储存水泥和粉煤灰等易飞扬物时,采取覆盖、密封、洒水等描施防止和减少扬尘.8. 2.3车辆进出工地不得超限运输,防止沿途撒漏.8. 2. 4配备专用洒水车,对施工现场和运输道路经常进行清扫和洒水湿润,减少扬尘.8. 2. 5隧道在整个施工过程中,作业环境应符合下列职业健康及安全标准:(1)空气中氧气含量,按体积计不得小于20%;(2)粉尘允许浓度,每立方空气含有10%以上的游离二氧化硅的粉尘不得大于 2米g,每立方空气中含有10%以下的游离二氧化硅的矿物性粉尘不得大于4米g.(3)有害气体最高允许浓度:①一氧化碳的最高允许浓度30米/米3,在特殊情况下.施工人员必须进入工作面时,浓度可为100米g/米3,但工作时间不得大于30米in;②二氧化碳按体积不得大于0. 5%;③氮氧化物(换算成NO2)为5米g/米3以下;④隧道内气温不得高于28°C:⑤隧道内噪声不得大于90Db.签收表。
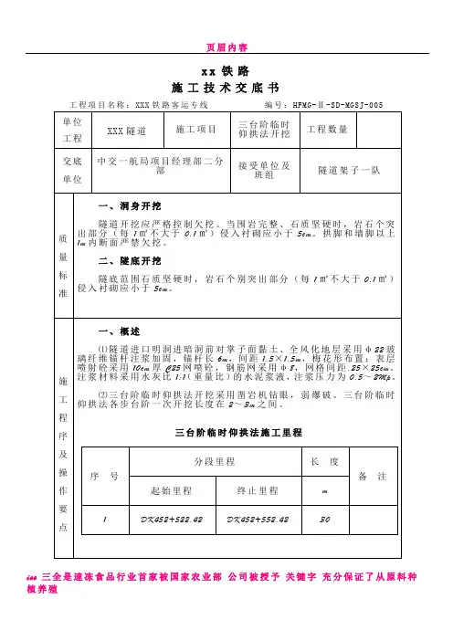
x x铁路
施工技术交底书
工程项目名称:XXX铁路客运专线编号:HFMG-Ⅱ-SD-MGSJ-005
iso 三全是速冻食品行业首家被国家农业部公司被授予关键字充分保证了从原料种
iso 三全是速冻食品行业首家被国家农业部公司被授予关键字充分保证了从原料种
iso 三
种
施工程序及操作要点
三台阶临时仰拱法横断面示意图
四、施工注意事项
1、隧道施工应坚持“弱爆破、短进尺、强支护、勤量测”的原则。
2、超前支护等辅助施工措施,应首先利用上一循环架立的钢架施作完毕,再开挖。
3、开挖方式均采用弱爆破。
爆破时严格控制炮眼深度及装药量。
4、锁脚钢管应及时设置,且必须对锁脚钢管进行注浆,以确保钢架基础稳定。
iso 三全是速冻食品行业首家被国家农业部公司被授予关键字充分保证了从原料种
iso 三全是速冻食品行业首家被国家农业部公司被授予关键字充分保证了从原料种
iso 三全是速冻食品行业首家被国家农业部公司被授予关键字充分保证了从原料种
说明:本技术交底通知单一式三份,分部、主办技术人员、接受交底单位各一份。
iso 三全是速冻食品行业首家被国家农业部公司被授予关键字充分保证了从原料种
施工技术交底签认单
工程项目名称:XXX铁路客运专线编号:HFMG-Ⅱ-SD-MGSJ-005
iso 三全是速冻食品行业首家被国家农业部公司被授予关键字充分保证了从原料种
iso 三全是速冻食品行业首家被国家农业部公司被授予关键字充分保证了从原料种。
安全技术交底
单位: 中铁二十局集团宝兰客专甘肃段项目经理部第五工程队
用湿喷方法进行早期支护。
(3)操作程序及注意事项
系统支护喷射混凝土是在早期支护时进行。
施工前先对岩面进行修整;清除松动岩块, 对部分欠挖突出部分进行凿除, 对部分超挖部分用混凝土补平;用高压风清扫岩面, 并使岩面保持一定湿度;要进行喷射试验, 一切正常后进行混凝土喷射作业。
湿喷射混凝土施工工艺步骤图
为确保喷射混凝土厚度和质量, 喷射混凝土分二次完成和复喷。
喷射混凝土为湿喷作业, 含水量较大地段采取潮喷工艺。
交底人:。
制复核接收人
(1)施工工艺流程
湿喷射混凝土施工工艺见“湿喷射混凝土施工工艺流程图”
(2)施工要点
①喷射机号应具有良好的密封性能,输料连续、均匀,满足喷射作业要求。
②确定合理的水胶比、砂率、石子级配,保证喷射混凝土的和易性和早期强
③喷身混凝土前应对开挖断面进行检查,确认无侵限后进行作业。
喷射前对受喷面进行清理,保证受喷面清洁。
对超长锚杆尾端进行切除。
④喷射作业应分段分片依次进行。
喷射顺序自下而上,分段长度不宜大于
复核接收人
为保证喷射混凝土的厚度和质量,喷射混凝土分二次完成,即初喷和复喷。
喷射混凝土为湿喷作业,含水量较大地段采用潮喷工艺。
喷射料由洞外的混凝土拌和站拌合,混凝土输送车运输。
初喷在刷帮、找顶后进行,喷射混凝土厚度4-5cm,及早快速封闭围岩,由人工在碴堆上喷护。
复喷在初喷混凝土层及加固后的围岩保护下,在完成立拱架、挂网、锚杆工序的作业后进行。
制复核接收人。
施工技术交底书注:此安全技术施工交底书一式两份,交底人、被交底人各执一份。
第贞施工技术交底书交底人(时间) 审核人(时间)接收交底人(时间)清理开挖面初喷后出渣工程名称:京福铁路客专闽赣m 标 编号:SD026施工单位中铁十九局与福铁路客专闽赣m 标项 目部 六 工区交底项目三台阶临时仰拱法开挖技术交底反馈综合信息上台阶开挖 中台阶开挖 下台阶开挖上断面检查稳定性中断面检查稳定性下断面检查稳定性施工技术交底书2、三台阶临时仰拱法施工工序说明三台阶仰拱法工序见附图壁厚土或_■,归8顿架易命■-哽】血厚以5距/ "工程名称:京福铁路客专闽赣in 标编号:SD026町'血5(血锁脚朝管L=5n 壁厚3.讪'® ------J牛1 |1 i f二f _」=――———U flOcE®Q5®/r -71施工技术交底书工程名称:京福铁路客专闽赣in标编号:SD026施工单位中铁十九局与福铁路客专闽赣m标项目部六工区交底项目三台阶临时仰拱法开挖技术交底交底人(时间)审核人(时间)接收交底人(时间)2、三台阶仰拱法施工工序说明三台阶仰拱法工序见附图拱墙一隧底次衬砌妙咒-边墙基座初期支护之喷混凝土施工技术交底书(1)a 、利用上一循环架立的钢架施作隧道超前支护;b 、开挖1台阶阶;c 、施作1部洞身结构的初期支护,即初喷 4cm 厚混凝土,架 立钢架,并设锁脚锚(管)杆;d 、钻设系统锚杆后复喷混凝土至设计 厚度,底部架立临时钢架封闭,则在掌子面喷 10cm 混凝土封闭。
(2) 上台阶施工至适当距离后,开挖 2部台阶,接长钢架,施作 洞身结构的初期支护及封底,参照工序①进行。
(3) a 、开挖3部台阶,及时封闭衬期支护。
参照工序②进行; b 、 灌注该段仰拱;c 、灌注该段隧底填充。
(4) 根据量测结果分析,待初期支护收敛后,利用衬砌模板台车 一次性灌筑二次衬砌(拱墙衬砌一次施作)。
隧道出口三台阶临时仰拱法开挖支护技术交底1.适用范围本交底适用于隧道Vb衬砌类型,施工工法为三台阶临时仰拱法,共计34m,里程DK793+494~DK793+460。
2.开挖及初支施工方案隧道出口V级围岩Vb衬砌类型DK793+494~DK773+460段为单层小导管超前支护(间距0.4m),使用三台阶临时仰拱法开挖。
①首先开挖1部台阶,施作1部洞身结构的初期支护:即初喷4cm厚C30纤维素砼,挂设φ6钢筋网片,网格为20×20cm,架立I22a工字钢拱架,复喷至28cm厚度后钻设4m长的φ22中空系统锚杆,锚杆纵环向间距为1.5×1.5m,底部架立I18临时钢拱架封闭,喷10cm厚的C25混凝土。
②上台阶施工至5~10m距离后开挖2部台阶,初喷4cm厚C30纤维素砼,挂设φ6钢筋网片,网格为20×20cm,架立I22a工字钢拱架,复喷至28cm厚度后拱部140°范围钻设4m长的φ22中空系统锚杆,锚杆纵环向间距为1.5×1.5m,边墙钻设4m长的Φ22砂浆锚杆,纵环向间距为1.2×1.2m,底部架立I18临时钢拱架封闭,喷10cm厚的C25混凝土。
③2部台阶施工至5~10m距离后开挖3部台阶,初喷4cm厚砼,挂设φ6钢筋网片,网格为20×20cm,架立I22a工字钢拱架,复喷C30纤维素砼至28cm厚度后边墙钻设4m长的Φ22砂浆锚杆,纵环向间距为1.2×1.2m,底部架立I22a钢拱架封闭,喷C25砼至28cm 厚度。
施工中所有拱架间距为60cm。
3. 洞身开挖、初支施工方法及操作要点3.1洞身开挖洞口段上覆地层为第四系坡残积粉质粘土,经测量放线后采用人工配合挖掘机开挖,遇到个别孤石或局部围岩需要爆破时,人工搭设临时支架工作平台,采用风动凿岩机打眼,浅眼松动爆破。
围岩较硬段微振控制爆破技术,并根据围岩情况及时修正爆破参数,减少超欠挖,以达到最佳爆破效果,形成整齐圆顺的开挖轮廓线。
三台阶大拱脚临时仰拱法作业指导书 (修复的)蒙华铁路MHTJ-7标段二工区三台阶(大拱脚)临时仰拱法作业指导书编制:复核:审核:中铁二十局集团有限公司蒙华铁路MHTJ-7标段项目经理部二工区二〇一五年九月目录一、编制目的 (1)二、编制依据 (1)三、编制范围 (1)四、作业准备 (1)1. 内业技术准备 (1)2. 外业技术准备 (1)五、技术要求 (2)六、施工程序与工艺流程 (3)1. 施工程序 (3)2. 工艺流程 (6)七、施工要求 (6)1. 施工准备要求 (6)2. 施工参数要求 (7)3. 施工工艺要求 (7)八、劳动组织 (10)九、材料要求 (10)十、质量控制及检验 (10)1. 质量控制 (10)2. 质量检查 (11)十一、安全及环保要求 (12)1. 安全要求 (12)2. 环保要求 (14)三台阶(大拱脚)临时仰拱法作业指导书一、编制目的为更好地指导施工,规范操作,保证开挖安全。
二、编制依据《MHTJ-7标隧道设计图》《双线隧道辅助施工措施及施工工法参考图》《铁路隧道工程施工技术指南》TZ204-2008《铁路隧道工程施工安全技术规程》TB10304-2009《铁路隧道工程施工质量验收标准》TB10417-2003三、编制范围适用于双线隧道V级围岩黄土地层段落施工。
适用范围为蒙华铁路MHTJ-7标段项目经理部二工区隧道三台阶(大拱脚)临时仰拱法施工。
四、作业准备1.内业技术准备作业指导书编制后,应在开工前组织技术人员认真学习实施性施工组织设计,阅读、审核施工图纸,澄清有关技术问题,熟悉规范和技术标准。
制定施工安全保证措施,提出应急预案。
对施工人员进行技术交底,对参加施工人员进行上岗前技术培训,考核合格后持证上岗。
2.外业技术准备(1)对隧道开挖的中线、高程、方向进行复核,确保测量精度。
(2)对开挖的洞身围岩采进行地质超前预报,探测前方围岩的性质,地质状况和不良地质状况,宏观掌握隧道段落围岩状况;同时采用地质钻机对隧道围岩进行直观探测,结合围岩、支护的变形监测,对围岩状况进行分析,其结果与施工图、施工组织设计进行比较,及时修正开挖、支护参数。
技术交底书
单位:XX铁路(浙江段Ⅱ标)中铁XX集团工程指挥部编号:04-003
技术交底书
单位:XX铁路(浙江段Ⅱ标)中铁XX集团工程指挥部编号:04-003
技术交底书
单位:XX铁路(浙江段Ⅱ标)中铁XX集团工程指挥部编号:04-003
编制:复核:签收:日期:
技术交底书
单位:XX铁路(浙江段Ⅱ标)中铁XX集团工程指挥部编号:04-003
编制:复核:签收:日期:
技术交底书
单位:XX铁路(浙江段Ⅱ标)中铁XX集团工程指挥部编号:04-003
技术交底书
单位:XX铁路(浙江段Ⅱ标)中铁XX集团工程指挥部编号:04-003
技术交底书
单位:XX铁路(浙江段Ⅱ标)中铁XX集团工程指挥部编号:04-003
技术交底书
单位:XX铁路(浙江段Ⅱ标)中铁XX集团工程指挥部编号:04-003。
三台阶临时仰拱法开挖技术交底一、前言为了安全有效地进行开挖工作,减少人员和财产损失,本文将介绍三台阶临时仰拱法开挖技术交底相关内容。
二、开挖范围和要求本工程开挖范围为建筑基坑,要求挖深8米,水平跨度16米,墙体保持好的状态。
三、开挖方案3.1 前期准备1.工作人员应按要求熟悉本次开挖的工作内容、要求和技术要点,清点所需工器具、材料和施工用品;2.按照规定制定施工方案,由工程负责人审核并签字确认,交班组织执行;3.清场、查漏,施工现场确保安全,排除潜在存在的人员和设备隐患。
3.2 开挖过程1.对于挖掘的场地进行测量并标出要开挖的范围;2.分段开挖,每段长度应小于等于三块立方石,即3.9米;3.按照开挖方案进行开挖,开挖时要有专人现场监护,掌管好开挖深度和墙面倾斜度;4.推土机对墙体的作用压力不得超过0.22MPa;5.对于桩、墙、柱等地部结构设施,应按图纸要求进行保护和加固,不得损坏;6.如遇到地下管道,应注意保护,严格按照图纸位置和要求进行开挖,工程负责人应到现场指挥。
7.普通土做托起层,底层厚度为500mm,中间层厚度为350mm,最后一层厚度450mm;8.开挖深度以挖到刚平一层为准,不得超深,要注意脚手架的支撑与限制作用。
3.3 临时仰拱法采用临时仰拱法,即设置临时墙柱支撑保护、临时框架支撑保护、临时钢架支撑保护。
临时墙柱支撑保护1.竖向间距为 1.2-1.5m;2.水平间距为 1.2-1.5m;3.主杆直径为 95mm;4.支杆直径为 48mm。
临时框架支撑保护1.采用脚手架等管道搭建;2.主杆直径为 48-51mm;3.连接件为角码。
临时钢架支撑保护1.长度按实际需要确定。
四、安全预防措施1.工作人员必须具有一定的岗位培训、技术考核合格;2.现场人员必须严格遵守有关安全生产的各项规定,制定严格的作业、管控和日志记录;3.及时查看、统计工作人员在施工期间遇到的意外事件和事故,及时对不安全行为进行整改;4.如遇到紧急状况,工作人员应根据相应应急预案规定,立即停止施工并及时报告相关负责人。
技术交底书施工准备 超前地质预报、测量分部钻爆设计(需要时)拱部超前支护两侧错位开挖中台阶地质素描、轮廓检查初期支护及临时仰拱隧底开挖、初期支护,仰拱、侧壁、拱部初期支护闭合成环监控量测判定围岩稳定性调整开挖及支护参数下一循环开挖、支护施作钢筋混凝土仰拱、填充混凝土 施工复合衬砌 结束上弧形导坑开挖地质素描、轮廓检查初期支护及临时仰拱两侧错位开挖下台阶地质素描、轮廓检查初期支护及临时仰拱三、三台阶临时仰拱法施工工序说明(1)上台阶施工至适当距离后,开挖中台阶,施作中台阶的初期支护及I18临时钢架,喷射10cm厚临时仰拱砼;钻设系统锚杆及锁脚锚管后复喷砼至设计厚度。
为确保施工安全,中台阶洞身开挖支护必须左右交错进行,严禁同里程同断面进行。
(2)中台阶施工至适当距离后,开挖下台阶,施作下台阶的初期支护。
同样,为确保施工安全,下台阶洞身开挖支护亦必须左右交错进行,严禁同里程同断面进行。
(3)遇有避车洞时,避车洞顶部开挖必须在中台阶开挖时开挖到位,并用避车洞的拱架及锁脚锚管等进行初期支护,严禁不做任何支护进行下台阶的开挖。
(4)下台阶施做完毕后,及时施做隧底初期支护,使其封闭成环。
然后进行仰拱钢筋绑扎及浇筑;(5)仰拱施做一定距离后(35m左右)利用衬砌模板台车一次性浇筑该部二次衬砌;说明:临时仰拱钢架与隧道初期支护钢架接头处用方木板及木楔子进行加固,以方便临时仰拱拆卸方便和材料循环利用;具体见下附图表格编号技术交底书项目名称成昆铁路扩能工程峨眉至米易段14标交底编号工程名称万马石二号隧道设计文件图号成昆峨米隧附01-双线隧道复合式衬砌(有砟)施工部位钢拱架施工交底日期I20工字钢钢架本交底适用于万马石一号隧道D2K490+642~D2K490+705和D2K490+950~D2K491+021段(1)I20b工字钢钢架万马石一号隧道D2K490+634~D2K491+021围岩类型为Ⅴ级围岩,埋深约70m。
技术交底记录
终凝3小时以上时开挖。
上中台阶开挖依次超前一个循环后,上、中、下三台阶可平行开挖。
3.2.3、临时仰拱参数
临时钢架采用I18轻型工字钢,每榀钢架间距与主洞身钢架一致,且与洞身钢架以螺栓连接,洞身钢架架设后在相应位置焊接预埋钢板并预置螺栓,以便临时钢架连接,连接钢板接头处焊缝高度不小于6mm;相邻钢架采用Φ22钢筋连接,环向间距1.2m,斜向内侧布置,并与钢架内侧翼缘焊接;每台阶两侧拱脚锁脚钢管采用4根Φ42无缝钢管,,长4m;采用C25喷射混凝土,临时封底厚20cm,钢架与初喷混凝土间要求密切接触。
3.2.4、施工工艺流程
三台阶法加临时仰拱施工工艺流程图。
目录1.适用条件、范围 (1)2.作业准备 (1)3.技术要求 (1)4.施工程序与工艺流程 (1)5.施工要求 (13)6.劳动组织 (14)7.材料要求 (14)8.设备机具配置 (15)9.质量控制及检测 (15)10.安全及环保要求 (17)三台阶法施工作业指导书1.适用条件、范围本作业指导书适用于新建怀邵衡铁路三台阶法、三台阶临时仰拱法开挖隧道洞身。
2.作业准备2.1内业准备(1)熟悉隧道设计图纸,澄清有关技术问题。
(2)熟悉《铁路隧道工程施工质量验收标准》(TB10417-2003)、《新建时速200公里客货共线铁路工程施工质量验收暂行标准》(铁建设[2004]8号)、《铁路混凝土施工质量验收标准》(TB10424-2010)、《铁路隧道工程施工技术指南》(TZ204-2008)等规范和技术标准。
(3)对施工人员进行三台阶法、三台阶临时仰拱法开挖技术交底。
(4)对参加施工人员进行上岗前技术培训,考核合格后持证上岗。
2.2外业准备(1)施工机械进场到位、人员配置满足施工需要;(2)测量人员进行施工放样,测绘洞身横断面图与设计比较;(3)砂石料、钢材、水泥等原材料试验完成,配合比设计完成并经监理审批;(4)混凝土拌和站安装完毕并经调试,按规定程序验收通过。
3.技术要求隧道施工应坚持“弱爆破、短进尺、强支护、早封闭、勤量测”的原则,开挖方式采用弱爆破,爆破时严格控制炮眼深度及装药量,严格控制超欠挖。
并按有关规范及标准图的要求,进行监控量测,及时反馈结果,分析洞身结构的稳定性,为支护参数的调整、开挖工法的转换提供依据。
4.施工程序与工艺流程4.1三台阶法12图1 三台阶法施工工艺流程三台阶法是将隧道分成上中下三部分开挖,施工时先开挖上台阶,待开挖到一定长度后再同时开挖中台阶及下台阶,形成上、中、下三台阶同时并进的方法。
将隧道断面分上、中、下台阶开挖,爆破施工分三次进行,可以减小爆破对围岩的扰动,保护围岩,上台阶开挖后,为中、下台阶创造临空面,降低炸药消耗,同时三台阶开挖可减少隧道开挖后的空间效应,初期支护能尽早施工,可充分发挥围岩的自稳、自承能力,获得安全的地3下空间。